数控铣编程实例
- 格式:doc
- 大小:61.50 KB
- 文档页数:8
数控铣床编程实例21.根据图样要求、毛坯及前道工序加工情况,确定工艺方案及加工路线1)以底面为定位基准,两侧用压板压紧,固定于铣床工作台上2)工步顺序①钻孔φ20㎜。
②按O’ABCDEFG线路铣削轮廓。
2.选择机床设备根据零件图样要求,选用经济型数控铣床即可达到要求。
故选用华中Ⅰ型(ZJK7532A型)数控钻铣床。
3.选择刀具现采用φ20㎜的钻头,定义为T02,φ5㎜的平底立铣刀,定义为T01,并把该刀具的直径输入刀具参数表中。
由于华中Ⅰ型数控钻铣床没有自动换刀功能,按照零件加工要求,只能手动换刀。
4.确定切削用量切削用量的具体数值应根据该机床性能、相关的手册并结合实际经验确定,详见加工程序。
5.确定工件坐标系和对刀点在XOY平面内确定以0点为工件原点,Z方向以工件表面为工件原点,建立工件坐标系,如图3-24所示。
采用手动对刀方法把0点作为对刀点。
6.编写程序(用于华中I型铣床)按该机床规定的指令代码和程序段格式,把加工零件的全部工艺过程编写成程序清单。
该工件的加工程序如下:1)加工φ20㎜孔程序(手工安装好φ20㎜钻头)%1337N0010 G92 X5 Y5 Z5 ;设置对刀点N0020 G91 ;相对坐标编程N0030 G17 G00 X40 Y30 ;在XOY平面内加工N0040 G98 G81 X40 Y30 Z-5 R15 F150 ;钻孔循环N0050 G00 X5 Y5 Z50N0060 M05N0070 M022)铣轮廓程序(手工安装好ф5㎜立铣刀,不考虑刀具长度补偿)%1338N0010 G92 X5 Y5 Z50N0020 G90 G41 G00 X-20 Y-10 Z-5 D01N0030 G01 X5 Y-10 F150N0040 G01 Y35 F150N0050 G91N0060 G01 X10 Y10 F150N0070 G01 X11.8 Y0N0080 G02 X30.5 Y-5 R20N0090 G03 X17.3 Y-10 R20N0100 G01 X10.4 Y0N0110 G03 X0 Y-25N0120 G01 X-90 Y0N0130 G90 G00 X5 Y5 Z10N0140 G40N0150 M05N0160 M30。
数控铣床编程实例解析第五节数控铣床编程实例〔参考程序请看超级链接〕实例一毛坯为70㎜×70㎜×18㎜板材,六面已粗加工过,要求数控铣出如图3-23所示的槽,工件材料为45钢。
1.依照图样要求、毛坯及前道工序加工情形,确定工艺方案及加工路线1〕以已加工过的底面为定位基准,用通用台虎钳夹紧工件前后两侧面,台虎钳固定于铣床工作台上。
2〕工步顺序①铣刀先走两个圆轨迹,再用左刀具半径补偿加工50㎜×50㎜四角倒圆的正方形。
②每次切深为2㎜,分二次加工完。
2.选择机床设备依照零件图样要求,选用经济型数控铣床即可达到要求。
应选用XKN7125型数控立式铣床。
3.选择刀具现采纳φ10㎜的平底立铣刀,定义为T01,并把该刀具的直径输入刀具参数表中。
4.确定切削用量切削用量的具体数值应依照该机床性能、相关的手册并结合实际体会确定,详见加工程序。
5.确定工件坐标系和对刀点在XOY平面内确定以工件中心为工件原点,Z方向以工件表面为工件原点,建立工件坐标系,如图2-23所示。
采纳手动对刀方法〔操作与前面介绍的数控铣床对刀方法相同〕把点O作为对刀点。
6.编写程序按该机床规定的指令代码和程序段格式,把加工零件的全部工艺过程编写成程序清单。
考虑到加工图示的槽,深为4㎜,每次切深为2㎜,分二次加工完,那么为编程方便,同时减少指令条数,可采纳子程序。
该工件的加工程序如下〔该程序用于XKN7125铣床〕:N0010 G00 Z2 S800 T1 M03N0020 X15 Y0 M08N0030 G20 N01 P1.-2 ;调一次子程序,槽深为2㎜N0040 G20 N01 P1.-4 ;再调一次子程序,槽深为4㎜N0050 G01 Z2 M09N0060 G00 X0 Y0 Z150N0070 M02 ;主程序终止N0010 G22 N01 ;子程序开始N0020 G01 ZP1 F80N0030 G03 X15 Y0 I-15 J0N0040 G01 X20N0050 G03 X20 YO I-20 J0N0060 G41 G01 X25 Y15 ;左刀补铣四角倒圆的正方形N0070 G03 X15 Y25 I-10 J0N0080 G01 X-15N0090 G03 X-25 Y15 I0 J-10N0100 G01 Y-15N0110 G03 X-15 Y-25 I10 J0N0120 G01 X15N0130 G03 X25 Y-15 I0 J10N0140 G01 Y0N0150 G40 G01 X15 Y0 ;左刀补取消N0160 G24 ;主程序终止实例二毛坯为120㎜×60㎜×10㎜板材,5㎜深的外轮廓已粗加工过,周边留2㎜余量,要求加工出如图2-24所示的外轮廓及φ20㎜的孔。
数控30铣床编程实例带图毛坯为70㎜×70㎜×18㎜板材,六面已粗加工过,要求数控铣出如图3-23所示的槽,工件材料为45钢。
1.根据图样要求、毛坯及前道工序加工情况,确定工艺方案及加工路线1)以已加工过的底面为定位基准,用通用台虎钳夹紧工件前后两侧面,台虎钳固定于铣床工作台上。
2)工步顺序①铣刀先走两个圆轨迹,再用左刀具半径补偿加工50㎜×50㎜四角倒圆的正方形。
②每次切深为2㎜,分二次加工完。
2.选择机床设备根据零件图样要求,选用经济型数控铣床即可达到要求。
故选用XKN7125型数控立式铣床。
3.选择刀具现采用φ10㎜的平底立铣刀,定义为T01,并把该刀具的直径输入刀具参数表中。
4.确定切削用量切削用量的具体数值应根据该机床性能、相关的手册并结合实际经验确定,详见加工程序。
5.确定工件坐标系和对刀点在XOY平面内确定以工件中心为工件原点,Z方向以工件表面为工件原点,建立工件坐标系,如图2-23所示。
采用手动对刀方法(操作与前面介绍的数控铣床对刀方法相同)把点O作为对刀点。
6.编写程序按该机床规定的指令代码和程序段格式,把加工零件的全部工艺过程编写成程序清单。
考虑到加工图示的槽,深为4㎜,每次切深为2㎜,分二次加工完,则为编程方便,同时减少指令条数,可采用子程序。
该工件的加工程序如下(该程序用于XKN7125铣床):N0010 G00 Z2 S800 T1 M03N0020 X15 Y0 M08N0030 G20 N01 P1.-2 ;调一次子程序,槽深为2㎜N0040 G20 N01 P1.-4 ;再调一次子程序,槽深为4㎜N0050 G01 Z2 M09N0060 G00 X0 Y0 Z150N0070 M02 ;主程序结束N0010 G22 N01 ;子程序开始N0020 G01 ZP1 F80N0030 G03 X15 Y0 I-15 J0N0040 G01 X20N0050 G03 X20 YO I-20 J0N0060 G41 G01 X25 Y15 ;左刀补铣四角倒圆的正方形N0070 G03 X15 Y25 I-10 J0N0080 G01 X-15N0090 G03 X-25 Y15 I0 J-10N0100 G01 Y-15N0110 G03 X-15 Y-25 I10 J0N0120 G01 X15N0130 G03 X25 Y-15 I0 J10N0140 G01 Y0N0150 G40 G01 X15 Y0 ;左刀补取消N0160 G24 ;主程序结束。
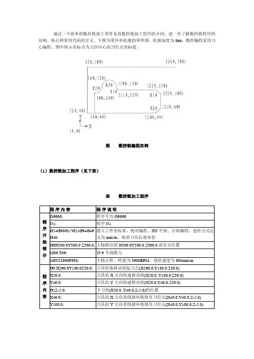
通过一个简单的数控铣加工零件及其数控铣加工程序的介绍,进一步了解数控铣程序的结构、特点和常用代码的含义。
下图为某外形轮廓的零件图,轮廓深度为5mm,数控编程采用刀心编程,图中所示坐标点为刀具中心的刀位点坐标值。
图数控铣编程实例(1)数控铣加工程序(见下表)表数控铣加工程序续表:(2)数控程序介绍大多数代码看起来非常熟悉,数控铣程序分为程序开始、程序内容和程序结束三部分内容。
第一部分程序开始部分程序开始部分主要定义程序号,调出零件加工坐标系、加工刀具,启动主轴、打开冷却液等方面的内容。
O6666为定义程序号,程序号为O6666。
N1数控铣程序由多个程序组成,每一个程序可以单列,也可以连在一起,为了容易区别,将该程序定义为N1程序。
G54G90G17G21G94G49G40G54:为建立工件坐标系指令,并选择G54作为当前的加工坐标系;如不作特殊指明,数控系统默认G54坐标系。
G90:采用绝对编程方式。
G17:加工平面选择XY平面。
G21:选择公制编程。
G94:进给方式定义,选择每分钟毫米,单位为mm/m。
G49:取消刀具长度补偿。
G40:取消刀具半径补偿。
G0X300.0Y300.0 Z300.0机床主轴移动到X300.0Y300.0 Z300.0的安全位置。
为避免换刀过程中出现刀具与工件或夹具之间的碰撞或干涉现象发生,一个有效的方法是使得机床主轴和加工零件有一定的安全距离。
M06 T09选择刀具指令,调9号端铣刀;同时确定了9号刀具在当前加工坐标系中相对于零点的偏置值。
M03S3600F680定义主轴的旋转速度,包括主轴正转(M03),转速为3600rpm(S3600),同时定义了进给速度为680mm/m(F680)。
第二部分程序内容部分程序内容是整个程序的主要部分,由多个程序段组成。
每个程序段由若干个字组成,每个字又由地址码和若干个数字组成。
常见的为G指令和M指令以及各个轴的坐标点组成的程序段。
第四章数控铣宏程序实例§4。
1 椭圆加工(编程思路:以一小段直线代替曲线) 例1 整椭圆轨迹线加工(假定加工深度为2mm)方法一:已知椭圆的参数方X=acosθ Y=bsinθ变量数学表达式设定θ= #1(0°~ 360°)那么 X= #2 = acos[#1]Y= #3= bsin[#1]程序O0001;S1000 M03;G90 G54 G00 Z100;G00 Xa Y0;G00 Z3;G01 Z-2 F100;#1=0;N99 #2=a*cos[#1];#3=b*sin[#1];G01 X#2 Y#3 F300;#1=#1+1;IF[#1LE360]GOTO99;GOO Z50;M30;例2 斜椭圆且椭心不在原点的轨迹线加工(假设加工深度为2mm)椭圆心不在原点的参数方程X=a*COS[#1]+ MY=b*SIN[#1]+ N变量数学表达式设定θ=#1;(0°~360°)那么X=#2=a*COS[#1]+ MY=#3=b*SIN[#1]+ N因为此椭圆绕(M ,N)旋转角度为A 可运用坐标旋转指令G68格式 G68 X—Y—R—X,Y:旋转中心坐标; R: 旋转角度程序O0002;S1000 M03;G90 G54 G00 Z100;GOO X0 Y0;GOO Z3;G68 XM YN R45;#1=0;N99 #2=a*COS[#1]+M; #3=b*SIN[#1]+N;GO1 X#2 Y#3 F300;G01 Z-2 F100;#1=#1+1;IF[#1LE360]GOTO99;G69 GOO Z100;M30;例3:椭圆轮廓加工(深度2mm)采用椭圆的等距加工方法使椭圆的长半轴和短半轴同时减少一个行距的方法直到短半轴小于刀具的半径R根据椭圆的参数方程可设变量表达式θ=#1(0°~360°)a=#2b=#3(b—R~R)X=#2*COS[#1]=#4Y=#3*SIN[#1]=#5程序O0003;S1000 M03;G90 G54 G00 Z100;G00 XO YO;GOO Z3;G01 Z—2 F100;#2=a-R;#3=b—R;N99 #1=0;#4=#2*COS[#1];#5=#3*SIN[#1];G01 X#4 Y#5 F300;#1=#1+1;IF[#1LE360]GOTO99;#2=#2—R;#3=#3-R;IF[#3LER]GOTO99;GOO Z100;M30;例4 非整椭圆轨迹线加工;(加工深度2mm)已知椭圆的长半轴a 短半轴为b 且与X轴正向夹角为A1,A2。
数铣简单编程实例一、前言数控铣床是一种高精度、高效率的机床,广泛应用于汽车、航空、航天等领域。
数控铣床的编程可以通过手动编程和自动编程两种方式实现。
本文将介绍数控铣床简单编程实例,帮助读者了解数控铣床编程的基本知识和技能。
二、数控铣床编程基础知识1. 数控铣床坐标系在数控铣床上,有三个坐标轴:X轴、Y轴和Z轴。
X轴表示左右移动,Y轴表示前后移动,Z轴表示上下移动。
三个坐标轴交叉形成的平面称为XY平面。
2. G代码和M代码G代码是指机器工作时需要遵守的指令集合。
常见G代码有G00(快速定位)、G01(线性插补)、G02(圆弧插补)等。
M代码是指机器工作时需要执行的指令集合。
常见M代码有M03(主轴正转)、M04(主轴反转)、M05(主轴停止)等。
3. 坐标系原点坐标系原点是数控铣床上一个固定点,作为参照点,用来确定工件的位置。
通常情况下,坐标系原点是工件的左下角。
三、数控铣床简单编程实例下面将介绍三个数控铣床的简单编程实例,帮助读者了解数控铣床编程的基本方法。
1. 实例一:直线加工在这个实例中,我们将使用G01命令进行直线加工。
假设我们要在一块长方形铝板上加工一个圆形孔洞。
首先,在机器上安装好刀具和夹具,并将铝板夹紧。
然后使用手动模式移动刀具到铝板左下角,并设置坐标系原点。
接下来,输入以下G代码:G00 X50 Y50 Z0G01 Z-5 F100G02 X100 Y100 I25 J0 F200G02 X50 Y150 I0 J-25 F200G02 X0 Y100 I-25 J0 F200G02 X50 Y50 I0 J25 F200G01 Z0 F100以上代码表示:先将刀具移动到X=50、Y=50的位置;然后向下移动5mm,并以每分钟100毫米的速度进行插补;接着以半径为25mm、圆心坐标为(100, 100)的圆弧路径向右上方运动,并以每分钟200毫米的速度进行插补;然后以半径为25mm、圆心坐标为(50, 150)的圆弧路径向右下方运动,并以每分钟200毫米的速度进行插补;接着以半径为25mm、圆心坐标为(0, 100)的圆弧路径向左下方运动,并以每分钟200毫米的速度进行插补;最后以半径为25mm、圆心坐标为(50, 50)的圆弧路径向左上方运动,并以每分钟200毫米的速度进行插补。
数控铣床(加工中心)编程实例(铣内外圆并钻孔)解:选用T1=ф20铣刀、T2=中心钻、T3=ф6中心钻。
程序如下:O001G17 G40 G80N001 G00 G91 G30 X0 Y0 Z0 T1;M06;G00 G90 G54 X0 Y0 Z0;G43 H01 Z20 M13 S1000;Z-42.;G01 G42 D01 X-50. F400;G02 I50.J0.F150;G00 Y0.;G40 Z100.;G00 G90 G54 X-110. Y-100.;Z-42.;G01 G41 X-90. F500;Y82X-82. Y90.;X82.;X82. Y90.;X-82.;X82. Y-90.;X-82.;G00 Z100.;G40;N002 G00 G91 G30 X0 Y0 Z0 T1; M06;G00 G90 G54 X-60. Y-60.;G43 H02 Z10 M03 S2000;G99 G81 Z-3. R5. F150;Y60.;X60.;Y-60.;GOO G80 Z100.;N003 G91 G30 X0 Y0 Z0 T3; M6;G00 G90 G54 X-60. Y-60.;G43 H02 Z10 M03 S2000;G99 G81 Z-12 R3. F150;Y60.;X60. Z-42.;Y-60.;GOO G80 Z100.;G00 G28 Y0;数控加工工艺分析主要包括的内容数控加工工艺分析的主要内容实践证明,数控加工工艺分析主要包括以下几方面:1)选择适合在数控机床上加工的零件,确定工序内容。
2)分析被加工零件图样,明确加工内容及技术要求,在此基础上确定零件的加工方案,制定数控加工工艺路线,如工序的划分、加工顺序的安排、与传统加工工序的衔接等。
3)设计数控加工工序。
如工步的划分、零件的定位与夹具的选择、刀具的选择、切削用量的确定等。
4)调整数控加工工序的程序。
数控铣床编程实例数控铣床编程实例是一项相当技术性较高的工作,需要专业人员进行操作和编程。
本文将结合实际操作例子,介绍数控铣床编程实例的具体流程和方法。
一、数控铣床编程数控铣床编程是一项非常重要的工作,也是高精度机械加工中不可少的一环。
编程过程可以使加工过程的精度提高到非常高的程度,并可以有效地减少因人为原因造成的误差。
因此,在机械加工领域中,数控铣床编程显得尤为重要。
二、数控铣床编程实例在实际操作中,数控铣床编程可以通过CAD软件开发程序进行自动化操作,也可以手动编写G代码进行控制。
本文将以手动编写G代码为例进行介绍。
1、G代码的编写步骤一:确定数控铣床的工件坐标系、机床参考点和工作坐标系,然后确定刀具半径、加工方向等刀具运动的控制信息。
步骤二:敲入G代码输出格式,因为在大多数情况下,数控铣床将只执行特定的G代码格式,以获得所需的刀具路径。
步骤三:从数控铣床手册中获取适当的加工参数,如加工速度、进给速度、切削深度等。
步骤四:编写初始程序,包括程序头和下降部分。
步骤五:编写加工程序,标明初始点和终点,以及刀具的行进路径和切削深度等信息。
2、G代码的调试在进行数控铣床编程时,G代码的调试是必不可少的一环。
调试的过程中,需要不断地修正程序,以保证程序的正确性。
步骤一:在铣床上安装工件,进行干预。
在这个过程中,可以根据实际加工需要进行修正,以保证加工的准确性和高度一致。
步骤二:通过机床自动调整系统,对程序进行自动调整。
通过这个过程,可以获得需要修正的控制参数信息,并进行程序调整。
步骤三:反复进行上述两个步骤,以保证编写和调试的程序准确、可靠、高效。
三、结论数控铣床编程是机械加工过程中非常重要的一环,可以通过CAD软件开发自动化程序,也可以手动编写G代码进行控制。
编写程序时需确定工件坐标系、机床参考点和工作坐标系,同时还需要确定刀具半径、加工方向等刀具运动的控制信息。
在进行编程时,需要进行不断的调试,以调整程序,保证加工的高精度及高效性,从而在实际加工过程中能够获得更好的加工效果。
数控铣床编程实例:毛坯为70㎜×70㎜×18㎜板材,六面已粗加工过,要求数控铣出如图3-23所示的槽,工件材料为45钢。
1.根据图样要求、毛坯及前道工序加工情况,确定工艺方案及加工路线1)以已加工过的底面为定位基准,用通用台虎钳夹紧工件前后两侧面,台虎钳固定于铣床工作台上。
2)工步顺序①铣刀先走两个圆轨迹,再用左刀具半径补偿加工50㎜×50㎜四角倒圆的正方形。
②每次切深为2㎜,分二次加工完。
2.选择机床设备根据零件图样要求,选用经济型数控铣床即可达到要求。
故选用XKN7125型数控立式铣床。
3.选择刀具现采用φ10㎜的平底立铣刀,定义为T01,并把该刀具的直径输入刀具参数表中。
4.确定切削用量切削用量的具体数值应根据该机床性能、相关的手册并结合实际经验确定,详见加工程序。
5.确定工件坐标系和对刀点在XOY平面内确定以工件中心为工件原点,Z方向以工件表面为工件原点,建立工件坐标系,如图2-23所示。
采用手动对刀方法(操作与前面介绍的数控铣床对刀方法相同)把点O作为对刀点。
6.编写程序按该机床规定的指令代码和程序段格式,把加工零件的全部工艺过程编写成程序清单。
考虑到加工图示的槽,深为4㎜,每次切深为2㎜,分二次加工完,则为编程方便,同时减少指令条数,可采用子程序。
该工件的加工程序如下(该程序用于XKN7125铣床):N0010 G00 Z2 S800 T1 M03N0020 X15 Y0 M08N0030 G20 N01 P1.-2 ;调一次子程序,槽深为2㎜N0040 G20 N01 P1.-4 ;再调一次子程序,槽深为4㎜N0050 G01 Z2 M09N0060 G00 X0 Y0 Z150N0070 M02 ;主程序结束N0010 G22 N01 ;子程序开始N0020 G01 ZP1 F80N0030 G03 X15 Y0 I-15 J0N0040 G01 X20N0050 G03 X20 YO I-20 J0N0060 G41 G01 X25 Y15 ;左刀补铣四角倒圆的正方形N0070 G03 X15 Y25 I-10 J0N0080 G01 X-15N0090 G03 X-25 Y15 I0 J-10N0100 G01 Y-15N0110 G03 X-15 Y-25 I10 J0N0120 G01 X15N0130 G03 X25 Y-15 I0 J10N0140 G01 Y0N0150 G40 G01 X15 Y0 ;左刀补取消N0160 G24 ;主程序结束实例二毛坯为120㎜×60㎜×10㎜板材,5㎜深的外轮廓已粗加工过,周边留2㎜余量,要求加工出如图2-24所示的外轮廓及φ20㎜的孔。
数控铣床编程实例数控铣床作为一种高效、高精度的机床设备,在现代制造业中发挥着重要作用。
编程是控制数控铣床进行精确加工的关键环节,通过合理的编程指令和参数设置,可以实现各种复杂形状零件的加工。
下面将为您介绍几个数控铣床编程的实例,帮助您更好地理解数控铣床编程的基本原理和方法。
实例一:平面矩形轮廓加工假设我们要加工一个长为 100mm、宽为 50mm 的矩形轮廓,深度为 10mm,使用直径为 10mm 的立铣刀。
首先,确定编程原点。
通常,我们可以将矩形的左下角作为编程原点(X0,Y0,Z0)。
以下是相应的数控铣床编程代码:```G90 G54 G00 X0 Y0 Z100 ;(绝对坐标,选择工作坐标系 G54,快速定位到安全高度)M03 S1000 ;(主轴正转,转速 1000 转/分钟)G00 Z10 ;(快速下刀到距离工件表面 10mm 处)G01 Z-10 F100 ;(以 100mm/min 的进给速度下刀到加工深度)G01 X100 F200 ;(以 200mm/min 的进给速度加工矩形的长边)Y50 ;(加工矩形的宽边)X0 ;(加工矩形的另一边长边)Y0 ;(加工矩形的另一边宽边)G00 Z100 ;(快速抬刀到安全高度)M05 ;(主轴停止)M30 ;(程序结束)```在这个程序中,G90 表示绝对坐标编程,G54 是选择工作坐标系,G00 用于快速定位,M03 启动主轴正转,S1000 设置主轴转速,G01 是直线插补指令,用于进行直线加工,F 后面的数值表示进给速度。
实例二:圆形轮廓加工现在要加工一个直径为 80mm 的圆形轮廓,深度为 5mm,同样使用直径为 10mm 的立铣刀。
编程原点可以选择圆心(X0,Y0,Z0)。
编程代码如下:```G90 G54 G00 X0 Y0 Z100 ;G00 Z10 ;G01 Z-5 F100 ;G02 X40 Y0 I-40 J0 F150 ;(顺时针圆弧插补指令,I、J 分别表示圆心相对于圆弧起点在 X、Y 方向的增量)G00 Z100 ;M05 ;M30 ;```实例三:凹槽加工假设要加工一个长 60mm、宽 30mm、深 15mm 的凹槽,使用直径为 10mm 的立铣刀。
数控铣宏程序编程100例数控铣宏程序编程是数控铣床操作中的重要环节,它可以大大提高生产效率和产品质量。
下面将介绍100个常见的数控铣宏程序编程实例。
1. G90 G54 G0 X0 Y0:将坐标系设置为绝对坐标系,将刀具移动到原点位置。
2. G91 G0 X10 Y10:将坐标系设置为相对坐标系,将刀具移动到当前位置的X轴正方向10mm,Y轴正方向10mm的位置。
3. G92 X0 Y0:将当前位置设置为坐标系原点。
4. G94:将进给速度设置为每分钟进给。
5. G95:将进给速度设置为每转进给。
6. G96 S1000:将主轴转速设置为1000转/分钟。
7. G97:将主轴转速设置为每分钟转速。
8. G98:将主轴转速设置为每转转速。
9. G99:将主轴转速设置为每进给转速。
10. G40:取消刀具半径补偿。
11. G41 D1:启用刀具半径补偿,刀具半径为1mm。
12. G42 D2:启用刀具半径补偿,刀具半径为2mm。
13. G43 H1:启用刀具长度补偿,刀具长度为1mm。
14. G44 H2:启用刀具长度补偿,刀具长度为2mm。
15. G45 H3:启用刀具长度补偿,刀具长度为3mm。
16. G46 H4:启用刀具长度补偿,刀具长度为4mm。
17. G47 H5:启用刀具长度补偿,刀具长度为5mm。
18. G48:取消刀具长度补偿。
19. G49:取消刀具半径和长度补偿。
20. G50 S2000:将主轴转速设置为2000转/分钟。
21. G51:取消坐标系旋转。
22. G52 X10 Y10:将坐标系旋转10度。
23. G53:取消工件坐标系。
24. G54:将工件坐标系设置为1号坐标系。
25. G55:将工件坐标系设置为2号坐标系。
26. G56:将工件坐标系设置为3号坐标系。
27. G57:将工件坐标系设置为4号坐标系。
28. G58:将工件坐标系设置为5号坐标系。
29. G59:将工件坐标系设置为6号坐标系。
实例一毛坯为70㎜×70㎜×18㎜板材,六面已粗加工过,要求数控铣出如图3-23所示的槽,工件材料为45钢。
1.根据图样要求、毛坯及前道工序加工情况,确定工艺方案及加工路线1)以已加工过的底面为定位基准,用通用台虎钳夹紧工件前后两侧面,台虎钳固定于铣床工作台上。
2)工步顺序①铣刀先走两个圆轨迹,再用左刀具半径补偿加工50㎜×50㎜四角倒圆的正方形。
②每次切深为2㎜,分二次加工完。
2.选择机床设备根据零件图样要求,选用经济型数控铣床即可达到要求。
故选用XKN7125型数控立式铣床。
3.选择刀具现采用φ10㎜的平底立铣刀,定义为T01,并把该刀具的直径输入刀具参数表中。
4.确定切削用量切削用量的具体数值应根据该机床性能、相关的手册并结合实际经验确定,详见加工程序。
5.确定工件坐标系和对刀点在XOY平面内确定以工件中心为工件原点,Z方向以工件表面为工件原点,建立工件坐标系,如图2-23所示。
采用手动对刀方法(操作与前面介绍的数控铣床对刀方法相同)把点O 作为对刀点。
6.编写程序按该机床规定的指令代码和程序段格式,把加工零件的全部工艺过程编写成程序清单。
考虑到加工图示的槽,深为4㎜,每次切深为2㎜,分二次加工完,则为编程方便,同时减少指令条数,可采用子程序。
该工件的加工程序如下(该程序用于XKN7125铣床):N0010 G00 Z2 S800 T1 M03N0020 X15 Y0 M08N0030 G20 N01 P1.-2 ;调一次子程序,槽深为2㎜N0040 G20 N01 P1.-4 ;再调一次子程序,槽深为4㎜N0050 G01 Z2 M09N0060 G00 X0 Y0 Z150N0070 M02 ;主程序结束N0010 G22 N01 ;子程序开始N0020 G01 ZP1 F80N0030 G03 X15 Y0 I-15 J0N0040 G01 X20N0050 G03 X20 YO I-20 J0N0060 G41 G01 X25 Y15 ;左刀补铣四角倒圆的正方形N0070 G03 X15 Y25 I-10 J0N0080 G01 X-15N0090 G03 X-25 Y15 I0 J-10N0100 G01 Y-15N0110 G03 X-15 Y-25 I10 J0N0120 G01 X15N0130 G03 X25 Y-15 I0 J10N0140 G01 Y0N0150 G40 G01 X15 Y0 ;左刀补取消N0160 G24 ;主程序结束实例二毛坯为120㎜×60㎜×10㎜板材,5㎜深的外轮廓已粗加工过,周边留2㎜余量,要求加工出如图2-24所示的外轮廓及φ20㎜的孔。