上海侨光中学简单机械单元专项训练
- 格式:doc
- 大小:944.50 KB
- 文档页数:23
精选上海市物理八年级简单机械中考专项复习训练一、选择题1.已知ρ铁=7.9×103kg/m3,ρ铝=2.7×103kg/m3,如图所示,A端挂的实心铁块,B端挂的实心铝块,两金属块均浸没在水中,等臂杠杆平衡,若将两个盛水杯撤去,则()A.A端向下,B端向上B.A端向上,B端向下C.A端向下,B端向下D.A端向上,B端向上2.在建筑工地,用如图所示的滑轮组把建筑材料运送到高处。
当电动机用800N的力拉钢丝绳,使建筑材料在10s内匀速上升1m的过程中,滑轮组的机械效率为90%,g取10N/kg。
则下列说法中正确的是()A.建筑材料的质量为2160kgB.电动机对钢丝绳做的功为1600JC.钢丝绳自由端移动的速度为0.1m/sD.电动机对钢丝绳做功的功率为240W3.如图所示,重为12N的物体A放在足够长的水平桌面上,通过轻质细绳与滑轮相连,不计绳重与滑轮间的摩擦,动滑轮重为2N,重为6N的物体B通过滑轮拉动物体A向右做匀速直线运动的速度为0.2m/s,2min后,物体B着地,以下说法正确的是()A.物体A受到的摩擦力为3NB.1min内拉力对物体A做功为36JC.2min内B物体的重力做功为144JD.若用一个向左的拉力F使 A向左匀速运动,则F=8N4.如图所示,重300N的物体在20N的水平拉力F的作用下,以0.2m/s的速度沿水平地面向左匀速直线运动了10s,滑轮组的机械效率为80%,则在此过程中下列说法正确的是()A.绳子自由端移动的距离为2mB.物体与地面间的滑动摩擦力为48NC.拉力F的功率为4WD.有用功为120J5.如图所示的四幅图中,不正确的是A.滑块被固定在光滑斜面底端的压缩弹簧弹出后沿斜面向上运动的过程中的受力示意图(略空气阻力)B.近视眼成像情况和近视眼校正后成像情况C.同名磁极(S)的磁场方向D.吊桥所受拉力的力臂L16.工人师傅用拉力F1将重物匀速搬运到h高处,对重物做的功是W1;若工人改用动滑轮将该重物匀速提升到h高处,拉力为F2,对重物做的功是W2(滑轮、绳的重力及摩擦力可忽略不计),则下列说法正确的是A.F1=F2B.F1<F2C.W2>W1D.W2=W17.一个原来处于平衡状态的杠杆,如果再作用一个力后,杠杆仍处于平衡状态,则此力()A.必须作用于动力的作用点上 B.必须作用在支点上C.必须作用在阻力的作用点上 D.可以作用在杠杆任一点上,但必须使力的作用线通过支点8.如图中某同学体重为500 N,他的手能承受的最大拉力为600 N,动滑轮重100 N,该同学利用如图所示的滑轮组把物体A吊起来,物体A的重量不能超过A.1 000 N B.1 200 N C.900 N D.1 100 N9.分别用如图所示的两个滑轮组,将同一物体提升到相同高度.若物体受到的重力为100N,动滑轮的重力为20N.在把物体匀速提升1m的过程中,(不计绳重和摩擦)下列说法正确的是A.甲、乙两滑轮组所做的有用功都是100JB.甲滑轮组所做的有用功为200J ,乙滑轮组所做的有用功为300JC.甲、乙滑轮组中绳子的自由端的拉力相等D.甲、乙两滑轮组的机械效率不相等10.小华分别用如图所示的甲、乙两个滑轮组,分别在相同时间内将同一重物匀速提升了不同的高度h1和h2(h1<h2),每个滑轮的重均相等,不计绳重及摩擦.针对这一现象,小明得出了以下4个结论:①F1做的功等于F2做的功;②甲滑轮组的机械效率等于乙滑轮组的机械效率;③使用乙滑轮组比甲滑轮组更加省力;④F1做功的功率大于F2做功的功率,其中正确的结论有A.1个B.2个C.3个D.4个二、填空题11.一工人利用如图所示的滑轮组提起重物,当被提起重物的重力是150N时,滑轮组的机械效率为60%。
八年级下第四章《机械和功》单元测试卷四姓名一、选择题(每题2分,共20分)1、下列工具中,属于费力杠杆的是( )A.食品夹B.撬棒C.瓶盖子D.定滑轮2、小车重200N,人用30N的水平力推小车沿水平路面匀速前进50m的过程中,下列判断正确的是( )A.重力做功为10000J B.人对车做功10000JC.人对车做功1500J D.小车受到的阻力是230N3、某同学将两只鸡蛋举高1米,所做的功最接近于( ) A.0.01焦B.0.1焦C.1焦D.10焦4、如图所示,为运动员投掷铅球的示意图,下列有关说法错误的是( )A.在a到b的过程中,运动员对铅球做了功B.在b到c的过程中,运动员对铅球没有做功C.在c到d的过程中,没有力对铅球做功D.在a到d的过程中,铅球的运动状态在不断变化5、用剪刀剪厚的硬纸板时,用刀口中部比刀口头部较容易剪,这是因为( ) A.增加了动力B.增加了动力臂C.减小了阻力D.减小了阻力臂6、如图,用力F通过滑轮将重为20牛的物体匀速向上提起,若物体上升了1米,则关于拉力F大小和滑轮上升的高度h的判断,正确的是( )A.F=10牛,h=0.5米B.F=10牛,h=2米C.F=40牛,h=0.5米D.F=40牛,h=2米7、在不计机械自重和摩擦的情况下,能用15N的拉力刚好提起40N物体的简单机械是( ) A.一个杠杆B.一个定滑轮C.一个动滑轮D.以上三个都可以8、下图所示的四幅图是小明提包的情景,其中小明提包不做功的是( )9、子弹能够轻易射穿靶子,是因为子弹具有较大的 ( )A、内能B、动能C、重力势能D、弹性势能10、一小孩从公园中的滑梯上加速滑下,对于其机械能的变化情况,下列说法中正确的是()A.重力势能减小,动能不变,机械能减小 B.重力势能减小,动能增加,机械能减小C.重力势能减小,动能增加,机械能增加 D.重力势能减小,动能增加,机械能不变二、填空题(毎空1分,共28分)11. 动力是90牛,动力臂与阻力臂之比5:3,那么杠杆平衡时,阻力的大小是牛.12. 如右图是售货的手推车,若车内货物摆放均匀,当前轮遇到障碍物时,售13. 某人提着3千克的手提箱在水平路面上走了50米,此人对手提箱做的功为焦。
考试范围:xxx;满分:***分;考试时间:100分钟;命题人:xxx 学校:__________ 姓名:__________ 班级:__________ 考号:__________一、选择题1.悬挂重物G的轻质杠杆,在力的作用下倾斜静止在如图所示的位置,若力施加在A 点,取小的力为F A,若力施加在B点或C点,最小的力分别为F B、F C,且AB=BO=OC。
下列选项中正确的是(忽略O点的位置变化)()A.F C<G B.F B=G C.F A>G D.F B>F C2.如图所示,用一个始终水平向右的力F,把杠杆OA从图示位置缓慢拉至水平的过程中,力F的大小将()A.变小B.不变C.变大D.先变大后变小3.如图是健身用的“跑步机”示意图。
质量为m的健身者踩在与水平面成α角的静止皮带上,用力向后蹬皮带,可使皮带以速度v匀速向后运动。
若皮带在运动的过程中受到脚的摩擦力为f,则在运动的过程中,下列说法中正确的是()A.f是皮带运动的阻力B.人相对于“跑步机”是运动的C.α角增大,人跑得更费力D.人的重力与皮带对人的支持力是一对平衡力4.如图所示,小冯分别用甲、乙两滑轮把同一桶沙从一楼地面提到二楼地面。
用甲滑轮所做的总功为W1,机械效率为η1;用乙滑轮所做的总功为W2,机械效率为η2。
若不计绳重和摩擦,则()A.W1=W2,η1=η2B.W1=W2,η1<η2C.W1<W2,η1>η2D.W1>W2,η1<η25.如图所示,某工人在10s时间内将重为800N的物体提升2m,已知动滑轮的重为100N,不计绳重和摩擦,则下列计算结果正确的是()A.人施加的拉力大小是300N B.绳端移动的距离是6mC.滑轮组的机械效率是88.9%D.拉力的功率为160W6.如图中杠杆l AB=2l OA,每个钩码重力为2牛.在B点用力F1,则下列说法中正确的是A.F1大小一定为2牛B.F1大小可能为1牛C.F1大小一定为3牛D.F1 大小可能为20牛7.工人利用图所示的滑轮组,将重180N的物体竖直向上匀速提起2m,用时5s;所用拉力F为80N(不计绳重和摩擦)。
3.4简单机械同步练习一、选择题1.下列属于费力杠杆的是()A.独轮车 B.羊角锤C.船桨D.开瓶器2.2023年7月温州楠溪江上惊现独特的“水上轻功”独竹漂,前进时,该男子的右手(B点)撑住划竿某处,左手(A点)用力挥动划竿。
下列说法正确的是()A.划竿使用时A点为支点B.划竿使用时是一个费力杠杆C.将A点尽量地靠近水面,可以增大阻力臂D.将 A 点尽量地靠近水面,可以增大动力3.关于机械效率,下列说法正确的是()A.机械效率越大,越省力B.机械效率越大,做功越多C.机械效率越大,功率越大D.机械效率越大,额外功在总功中所占的比例越小4.为早日实现“建设美丽杭州,打造江南水乡典范”的目标,各项工程建设正在我市如火如荼的开展。
如图为正在施工的工程车,下列关于工程车的说法正确的是()A.做的功越多,效率越高B.做功多的工程车,功率大C.延长工作时间,可提高效率D.做功越快的工程车,功率越大5.有关开瓶器的利用说法正确的是()A.要打开瓶盖,应该向下用方B.该开瓶器的支点为B点C.该开瓶器省距离杠杆D.能否打开瓶盖取决于力和力臂的乘积6.利用如图所示的滑轮,在粗糙水平面上匀速拉动物体,下列叙述正确的是()A.重力做的功是有用功B.拉力F1做的功是额外功C.绳子自由端的拉力F做的功是总功D.该滑轮的机械效率可能等于100%7.如右图所示,竖直固定的测力计下端挂一个滑轮组,滑轮组下端挂有物体B,滑轮组绳的末端通过定滑轮沿水平方向与物体A相连。
此时物体A在绳的水平拉力作用下向左做匀速直线运动,此时测力计的示数为450N;在物体B下加挂重为60N的物体C后,用水平向右的力F拉动物体A可使其沿水平桌面向右做匀速直线运动,此时物体B上升的速度大小为5cm/s。
已知每个滑轮重均为50N,若不计绳重及滑轮的摩擦,则下列说法中正确的是()A.物体A所受滑动摩擦力大小为100NB.水平向右的力F的大小为400NC.物体B所受重力为400ND.拉力F做功的功率为63W8.在水平拉力F的作用下,重100N的物体在水平桌面上以0.2m/s的速度匀速运动时,物体与桌面的摩擦力为60N(不计绳重、动滑轮重及摩擦),F及其功率的大小分別为()A.20N 12W B.20N 20W C.60N 12W D.30N 20W9.如图甲,物体A在水平拉力F的作用下,以0.2 m/s的速度在水平面上做匀速直线运动,此时弹簧测力计示数如图乙所示。
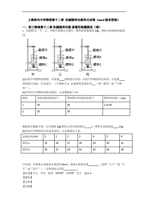
上海侨光中学物理第十二章机械能和内能单元试卷(word版含答案)一、初三物理第十二章机械能和内能易错压轴题提优(难)1.如图所示,甲、乙、丙图中装置完全相同,燃料的质量都是10g,烧杯内的液体初温相同。
(1)比较不同燃料的热值,应选择____两图进行实验;比较不同物质的比热容,应选择____两图进行实验;在实验中,三个烧杯中a、b液体的质量必须___(填“相等”或“不相等”);(2)在研究不同燃料热值实验时,记录数据如下表:燃料加热前液体温度/℃燃料燃尽时液体温度/℃燃料的热值/(J/kg)12040 2.4×10622030根据表中数据计算:完全燃烧20g燃料1放出的热量为_____J,燃料2的热值是____J/kg;(3)比较不同物质的比热容实验时,记录数据如下表:加热时间/min0123456液体a25262728293031液体b25272932343638可知道:对液体a和液体b都加热6min,液体a吸收热量________(选填“大于”或“小于”或“等于”),比热容较大的是__________。
【答案】甲乙甲丙相等 4.8×104 1.2×106等于液体a【解析】【分析】【详解】(1)[1]比较不同燃料的热值,应用不同的燃料给相同的液体加热,所以应选择甲乙两图进行实验。
[2]比较不同物质的比热容,应用相同的燃料给不同的液体加热,所以应选择甲丙两图进行实验。
[3]在实验中用上控制变量法进行探究,所以要探究不同燃料的热值,除了燃料种类不同,其它物理量要控制相同,即液体的种类及其质量、初温要相同;同理要探究不同物质的比热容时,除了液体种类不同,其它物理量要相同,即热源、燃料的质量要相同。
(2)[4]由表格数据知,完全燃烧20g燃料1放出的热量Q放=m1q1=0.02kg×2.4×106J/kg=4.8×104J[5]完全燃烧10g燃料1放出的热量4414.8101J2J122.410Q Q===⨯⨯⨯放放而甲图中,液体a吸收的热量等于燃料燃烧放出的热量,设液体的质量为m,据Q吸=cm(t-t0)得,液体a的比热容()34110J22.4 1.210J()(0)40QQcm t t m t t m m⨯====--⋅⨯-吸放℃℃乙图中,燃料燃烧放出的热量Q放2 =Q吸2=cm(t'-t0')=341.210J(3020) 1.210Jmm⋅-=⨯⨯⋅℃℃则燃料2的热值4621.210J1.210J/kg0.01kgQqm⨯===⨯放2燃料(3)[6][7]在甲和丙中,用相同的热源给液体加热,在相同的时间内放出的热量相同,则a、b液体吸收的热量相同。
上海市物理八年级简单机械单元专项综合训练一、选择题1.如图所示,O为轻质硬直杠杆OA的支点,在杠杆的A点悬挂着一个重物G,在B点施加一个方向始终与杠杆成ɑ角度的动力F,使杠杆从竖直位置匀速转动到水平位置的过程中,下列表述正确的是()A.动力F始终在变大B.动力F先变大再变小C.杠杆始终为省力杠杆D.杠杆始终为费力杠杆2.如图所示的滑轮组,绳子的末端缠绕在电动机上,电动机转动将下方钩码匀速提起。
如果加快电动机的转速,则后一次提升与前一次相比()A.功率增大、机械效率增大B.功率增大、机械效率不变C.功率不变、机械效率不变D.功率不变、机械效率增大3.在建筑工地,用如图所示的滑轮组把建筑材料运送到高处。
当电动机用800N的力拉钢丝绳,使建筑材料在10s内匀速上升1m的过程中,滑轮组的机械效率为90%,g取10N/kg。
则下列说法中正确的是()A.建筑材料的质量为2160kgB.电动机对钢丝绳做的功为1600JC.钢丝绳自由端移动的速度为0.1m/sD.电动机对钢丝绳做功的功率为240W4.利用四个相同的滑轮,组成如图所示的甲、乙两个滑轮组,用同样的时间,把质量相等的重物G提升了相同的高度,所用的拉力分别为F甲、F乙,拉力做的功分别为W甲、W乙,拉力的功率分别为P甲、P乙,机械效率分别是η甲、η乙,(忽略绳重与摩擦),下列关系式正确的是()A.W甲=W乙,P甲=P乙B.F甲>F乙,η甲>η乙C.W甲=W乙,P甲>P乙D.F甲=F乙,η甲=η乙5.如图所示,杠杆始终处于水平平衡状态,改变弹簧测力计拉力F的方向,使其从①→②→③,此过程中()A.①位置力臂最长B.③位置力臂最长C.弹簧测力计示数先变大后变小D.弹簧测力计示数先变小后变大6.下列有关甲、乙、丙、丁四幅图的说法正确的是A.撞击锤柄,锤柄停止运动后,锤头由于惯性作用继续向下运动便紧套在柄上B.近视眼原来成像在视网膜之后,佩戴凹透镜以后得到了矫正C.竖直挂在小车顶部的小球与车厢壁刚好接触,小球随小车一起向右做匀速直线运动,此时小球只受到绳子的拉力和重力2个力的作用D.每个滑轮重3牛,物体重6牛,不计绳力和摩擦,物体静止时拉力F为3牛7.如图所示,某同学用重为10N的动滑轮匀速提升重为50N的物体.不计摩擦,则该同学所用拉力F的可能值是A.20N B.25N C.30N D.35N8.一个刻度准确的杆秤,如果用了质量较大的秤砣,则用该秤称出的物体的质量比实际质量()A.偏大 B.偏小 C.一样大 D.无法判断9.如图所示,重20N的物体A放在水平桌面上,(不计绳重及绳子与轮的摩擦)动滑轮重6N,滑轮下面悬挂一个物体B,当物体B重8N时,恰能匀速下落,若用一个水平向左的力F A作用在物体A,使物体A向左做匀速直线运动,则此拉力F A的大小为A.F A=8NB.F A=20NC.F A=14ND.F A=7N10.如图所示,粗细均匀的直尺AB,将中点O支起来,在B端放一支蜡烛,在AO的中点C放两支与B端完全相同的蜡烛,此时直尺AB恰好在水平位置平衡,如果将三支蜡烛同时点燃,且它们的燃烧速度相同,那么在蜡烛的燃烧过程中,直尺AB将()A.A端将逐渐上升B.始终保持平衡C.B端将逐渐上升D.不能保持平衡,待两边蜡烛燃烧完了以后,才能恢复平衡二、填空题11.如图甲所示为一种搬运建筑材料的机械装置,A B是个杠杆,O为支点,杠杆平衡时,B端受到的向下的拉力________A端受到的向下拉力(选填“大于”、“小于”或“等于”);用于装载货物的小车自重为500N,若搬运2000N的货物,电动卷扬机拉钢丝绳的力F甲=1600N,该滑轮组的效率η甲=________;若用同样的滑轮按乙图组装,匀速提升相同的货物,电动卷扬机拉钢丝绳的力为F乙,乙滑轮组的效率为η乙,考虑实际情况,则F甲________F乙,η甲________η乙(选填“>”、“<”或“=”).12.如图所示,轻质杠杆OA可绕O点无摩擦转动,A点处挂一个重为60N的物体,物体G的底面积为200cm2,B点处加一个竖直向上的力F杠杆在水平位置平衡,且OB∶AB=2∶1。
一、选择题1.如图用同样的滑轮组分别提起质量相等的一个物体和两个物体,比较甲、乙两图,正确表示机械效率关系的是( )A .η甲=η乙B .η甲<η乙C .η甲>η乙D .无法比较B解析:B 【分析】在额外功相同时,有用功越大,机械效率越大。
利用相同的滑轮组提升不同的物体时,物体越重,有用功越大,相同的滑轮组额外功相同,所以提升两个物体的乙机械效率大,故B 正确。
故选B 。
2.如图所示,甲、乙两种方式匀速提升重为80N 的物体,已知滑轮重10N ,绳重和摩擦不计。
则手的拉力F 甲、F 乙及机械效率η甲、η乙的关系正确的是( )A .F F =甲乙 ηη<甲乙B . F F <甲乙 ηη>甲乙C . F F >甲乙 ηη<甲乙D . F F >甲乙 ηη>甲乙D解析:D由题图知,甲滑轮是定滑轮,使用该滑轮不省力,绳重和摩擦不计,则拉力:80N F G ==甲;乙滑轮是动滑轮,使用该滑轮可以省一半的力,绳重和摩擦不计,则拉力:80N 10N42512N F G G +=+==乙动();所以手的拉力大小关系是:F F 甲乙>;两幅图中的有用功都是克服物体重力做的功,设提升高度相同,由W Gh =有可知有用功是相同的;绳重和摩擦不计,在使用动滑轮提升重物时,要克服动滑轮重力做额外功,则乙图中做的总功更多,由机械效率公式100%W W 有总η=⨯可知,有用功相同时,总功越大的,机械效率越小,故ηη>甲乙;故选D 。
3.如图所示,物体在沿斜面向上的拉力作用下,从斜面底端匀速拉到斜面顶端,已知斜面高为h ,斜面长为s ,且s=2h ,物体所受重力为G ,斜面的机械效率为75%,若物体受到的拉力和摩擦力分别用F 和f 表示,则( )A .F =16G , f =23G B . F =23G ,f =16G C . F =23G , f =38G D . F =12G ,f =23G B 解析:B有用功:W 有用=Gh ,拉力做的功为总功:W 总=FL ; 由倾角为30°的斜面可得:L =2h ,斜面的机械效率:η=W W 有用总=Gh Fs =2h Gh F =2GF, 代入数据,75%=2G F, 解得:F =23G , 额外功就是克服摩擦所做的功:W 额=W 总-W 有用=FL-Gh=fL =FL-G ×2L =fL ,由FL-G ×2L =fL ,约去L , 所以可得;f=F -2G =23G -2G =16G . 故选B .4.中国公路往往环绕山坡,盘山而上,人们称之为盘山公路.若一辆车在盘山公路上保持40千米/时的速度向山上行驶,则下列有关该汽车和盘山公路的说法正确的是 A .汽车的运动状态没有发生改变B .汽车的牵引力与受到的摩擦力是一对平衡力C .盘山公路可以使汽车提高机械效率D .盘山公路可以使汽车减小所需的牵引力D 解析:DA.盘山公路修成环绕山坡的盘山路线,汽车向上行驶过程方向发生了改变,故A项错误;B.盘山公路上汽车做匀速曲线运动,受到非平衡力作用处于非平衡状态,所以牵引力与摩擦力是一对平衡力,故B项错误;C.山高一定,车行驶到山顶,做的有用功是一样的;盘山公路修成环绕山坡的盘山路线,车做的总功会增大,则斜面越缓(在斜面高一定时,斜面越长,斜面越缓)机械效率越低,故C项错误;D.盘山公路相当于斜面,盘山公路修成环绕山坡的盘山路线,就是在斜面高一定时,增加了斜面长,所以更省力,这样车辆向上行驶可以减小汽车所需牵引力,也就是减小了阻力,故D项正确;【点睛】解决此题需要知道:斜面高一定时,斜面越长,越省力,同时还要知道斜面的机械效率与斜面倾斜程度的关系.5.如图所示的滑轮装置,重为5牛的物体挂在绳端,力F作同在滑轮的轴上,滑轮在力F 的作用下以2米/秒的速度匀速向上运动.若不计滑轮重及摩擦,则拉力F的大小和物体向上运动的速度为A.10牛,4米/秒B.2.5牛,4米/秒C.10牛,2米/秒D.2.5牛,2米/秒A解析:A由图可知,该滑轮是动滑轮,当滑轮在力F的作用下以2米/秒的速度匀速向上运动,重物的速度为:2×2m/s=4m/s此时拉力应该是物重的2倍,因此拉力为:F=2G=2×5N=10N故选A.6.如图所示是一根“工”字型杠杆,已知上下、左右相邻的悬挂点位间的距离相等,每个钩码重0.5N,此时在已调节水平平衡的杠杆左侧挂上4个钩码,右侧用弹簧测力计竖直向下拉,使杠杆刚好处于水平平衡状态,以下说法正确的是(不计弹簧测力计自重)()A.此时弹簧测力计的示数为2NB.将左侧钩码减少1个并向左移一格,弹簧测力计的示数不变C.只将右侧弹簧测力计的悬挂点下移一格,弹簧测力计的示数不变D.只将弹簧测力计按如图所示方向转动30度,弹簧测力计的示数变小C解析:CA.根据杠杆平衡可得⨯=⨯G L F L424则弹簧测力计的示数为==⨯=F G220.5N1N故A不符合题意;B.将左侧钩码减少1个并向左移一格,此时根据杠杆平衡条件可知⨯>⨯3324G L G L若使杠杆仍保持水平方向平衡,弹簧测力计的示数一定变化,故B不符合题意;C.只将右侧弹簧测力计的悬挂点下移一格,此时阻力、阻力臂及动力臂均不变,根据杠杆平衡条件可知弹簧测力计的示数不变,故C符合题意;D.只将弹簧测力计按如图所示方向转动30度,此时阻力、阻力臂不变,动力臂变小,则弹簧测力计的示数变大,故D不符合题意。
一、选择题1.对以下物体运动的描述,选择地面为参照物的是()A.月亮在白云中穿行B.地球绕太阳公转C.坐在奔驰的火车里D.静靠在运行中的列车座椅上的人C解析:C答此题的关键是看被研究的物体与所选的标准,即参照物之间的相对位置是否发生了改变,如果发生改变,则物体是运动的;如果未发生变化,则物体是静止的。
【详解】A.月亮在白云中穿行,月亮和白云之间的相对位置发生了改变,是以白云为参照物的,故A不符合题意;B.地球绕太阳公转,地球和太阳之间的相对位置发生了改变,是以太阳为参照物的,故B 不符合题意;C.坐在奔驰的火车里,以地面的某一点为参照物,车和人与地面的某一点之间的相对位置发生了改变,是以地面为参照物的,故C符合题意;D.静靠在行驶中的列车座椅上的人,以列车为参照物,人和车之间的相对位置没有发生改变,所以人是静止的,故D不符合题意。
故选C。
2.小强和小明坐在顺水漂流的皮筏中,相对于小强,下列说法正确的是()A.皮筏是运动的B.岸边的树木是静止的C.小明是运动的D.溪水是静止的D解析:D【详解】小强和小明坐在顺水漂流的皮筏中,以小强为参照物,皮筏、小明、溪水相对于小强位置没有改变,是静止的、岸边的树木相对于小强位置发生改变,是运动的;故选D。
3.如图所示,甲、乙两同学从同一地点同时向相同方向做直线远动,他们通过的路程随时间变化的图象如图所示,由图象可知,下列说法正确的是()~内,乙同学比甲同学运动的快A.在010sB.两同学在距离出发点100m处相遇~内,甲同学平均速度大C.在015sD .在010s ~内,乙同学的速度10m /s B 解析:B 【详解】A .在010s ~内,在相同时刻甲运动的路程大,由sv t=可知乙同学比甲同学运动的慢,故A 错误;B .由图可知,两同学在运动15s 时在距离出发点100m 处相遇,故B 正确;C .在015s ~内,甲乙运动的路程相同,由sv t=可知二者平均速度相同,故C 错误; D .在015s ~内乙一直在做匀速直线运动,则在010s ~内乙同学的速度为100m 6.7m/s 15ss v t === 故D 错误。
一、初二物理 机械运动实验易错压轴题(难)1.小明在“测小车的平均速度”的实验中,设计了如图所示的实验装置:小车从带刻度的、分度值为1 cm 的斜面顶端由静止下滑,图中的时间是小车到达A 、B 、C 三处时电子表的显示时刻:(1)该实验是根据公式____进行测量的;所用的测量工具是___________和______________;(2)实验中为了方便计时,应使斜面坡度较___ (填“陡”或“缓”)些; (3)请根据图中所给信息回答:BC s =_______cm ,BC t =______s ,AC v =_____m/s ;(4)实验前必须学会熟练使用电子表,如果让小车过了A 点后才开始计时,则会导致所测AC 段的平均速度AC v 偏____(填“大”或“小”);(5)甲、乙两组实验操作中,小车通过的路程之比是2∶3,所用的时间之比是4∶3,则甲乙两物体运动的平均速度之比是______。
【来源】河南省三门峡市陕州区2019-2020学年八年级(上)期中考试物理试题 【答案】sv t= 刻度尺 秒表 缓 5.0 1 0.033 大 1∶2 【解析】 【分析】 【详解】(1)[1][2][3]平均速度是指某段时间内的路程与这段时间的比值,计算公式为sv t=,实验中要用刻度尺测量路程,用秒表测量时间。
(2)[4]斜面坡度越大时,小车沿斜面向下加速运动越快,过某点的时间会越短,计时会越困难,所以为使计时方便,斜面坡度应该较缓一些。
(3)[5][6]由图知5.0cm BC s =,15:35:2315:35:221s BC t =-=[7] 由图知10.0cm AC s =,15:35:2315:35:203s AC t =-=所以10.0cm3.3cm/s=0.033m/s 3sAC AC AC sv t ==≈ A 、C 间的平均速度为0.033m/s 。
(4)[8]如果让小车过了A 点后才开始计时,计时晚,所计时间偏小,用公式sv t=算出的平均速度AC v 偏大。
上海继光初级中学简单机械中考综合专项复习训练一、选择题1.如图,保持F的方向竖直向上不变,将杆由A位置匀速转动到B位置,在这个过程中F 将()A.先变大后变小B.始终变大C.始终变小D.始终不变2.用图3甲、乙两种方式匀速提升重为100N的物体,已知滑轮重20N、绳重和摩擦力不计.则A.手的拉力:F甲=F乙;机械效率:η甲=η乙B.手的拉力:F甲<F乙;机械效率:η甲<η乙C.手的拉力:F甲>F乙;机械效率:η甲<η乙D.手的拉力:F甲>F乙;机械效率:η甲>η乙3.材料相同的甲、乙两个物体分别挂在杠杆A、B两端,O为支点(OA<OB),如图所示,杠杆处于平衡状态.如果将甲、乙物体(不溶于水)浸没于水中,杠杆将会A.A端下沉B.B端下沉C.仍保持平衡D.无法确定4.如图所示,一轻质杠杆支在支架上,OA=20cm,G1为边长是5cm的正方体,G2重为20N,当OC=10cm时,此时G1对地面的压强为2×104Pa,现用一水平拉力,使G2以2cm/s 的速度向右匀速速运动,当G1对地面的压力恰好为0时,经过的时间是( )A.25s B.30s C.35s D.40s5.如图,用同一滑轮组分别将两个不同的物体A和B匀速提升相同的高度(不计绳重和摩擦),提升A时滑轮组的机械效率大。
下列说法中正确的是()①A物体比B物体轻;②提升A的拉力大;③提升A做的额外功多;④提升A做的有用功多A.只有②④B.只有①③C.只有②③D.只有①④6.如图在水平力F的作用下,使重为G的木棒绕固定点沿逆时针方向转动,在棒与竖直方向的夹角θ逐渐增大的过程中,下列说法中正确的是()A.拉力F不变,F的力臂变大B.拉力F变大,F的力臂变小C.重力G不变,G的力臂变小D.重力G变小,G的力臂变大G=,拉力大7.用如图所示的滑轮牵引小车沿水平地面匀速前进,已知小车的重力10N F=,该装置的机械效率是60%,则小车与地面之间摩擦力为()小15NA.27N B.36N C.18N D.270N8.如图所示,某人用扁担担起两筐质量为m1、m2的货物,当他的肩处于O点时,扁担水平平衡,已知l1>l2,扁担和筐的重力不计.若将两筐的悬挂点向O点移近相同的距离△l,则A.扁担仍能水平平衡B.扁担右端向下倾斜C.要使扁担恢复水平平衡需再往某侧筐中加入货物,其质量为(m2-m1)21ll l-D.要使扁担恢复水平平衡需再往某侧筐中加入货物,其质量为(m2-m1)2ll l-9.以下几个验证性小实验,其中有错误的是A.冬天将玻璃片从室外拿到室内,发现它上面有一层雾,说明降低温度可以使气体液化B.将滚摆从最高点放手后,发现它上下运动,说明动能和重力势能可以相互转化C.用弹簧测力计沿着木板将物体匀速拉动到某一高度,发现用长木板比短木扳拉动时测力计示数小,说明相同情况下斜面越长越省力D.在水平桌面上用弹簧测力计拉着小车做匀速直线运动,发现车轮朝下比车轮朝上拉动时测力计示数小,说明相同条件下接触面越光滑摩擦力越小10.工人师傅用拉力F1将重物匀速搬运到h高处,对重物做的功是W1;若工人改用动滑轮将该重物匀速提升到h高处,拉力为F2,对重物做的功是W2(滑轮、绳的重力及摩擦力可忽略不计),则下列说法正确的是A.F1=F2B.F1<F2C.W2>W1D.W2=W111.如图所示,在水平拉力F的作用下重100 N的物体A,沿水平桌面做匀速直线运动,弹簧测力计B的示数为10 N,则拉力F的大小及物体A与水平桌面的摩擦力大小分别为( )A.200 N,10 N B.200 N,20 NC.20 N,10 N D.20 N,20 N12.用图甲所示的滑轮组装置将放置在水平地面上,重为100N的物体提升一定高度.当用图乙所示随时间变化的竖直向上的拉力F拉绳时,物体的速度v和物体上升的高度h随时间变化的关系分别如图丙和丁所示.(不计绳重和绳与轮之间的摩擦)下列计算结果不正确的是A.1s~2s内,拉力F做的功是15J B.2s~3s内,拉力F的功率是24WC.1s时,物体对地面的压力是30N D.动滑轮重50N二、填空题13.如图,把物体A放在水平板OB的正中央,用一不变的力F将板的B端匀速地慢慢抬高(O端不动),设A相对平板静止,则A对板的压力将__________,A与B之间的摩擦力将___________,F对O点的力矩将_____________.14.如图所示,用10N的水平拉力F拉滑轮,使足够长的物体A以0.2m/s的速度在水平地面上匀速运动,弹簧测力计的示数为3N.若不计滑轮重、弹簧测力计重、绳重和滑轮摩擦,则绳子拉物体A的功率为________W,物体A与地面之间的摩擦力为________N。
沪科版初二全册物理第十章机械与人单元巩固训练题一、选择题1.升旗杆顶上有一个重要装置是〔〕A.定滑轮B.动滑轮C.滑轮组D.省力杠杆2.如下图的四种工具在运用进程中,属于费力杠杆的是〔〕A. B. C. D.3.卖茶杯的人,从货架上拿起茶杯;喝茶水的人,从桌面上端起盛茶水的茶杯,就两人克制茶杯重力做功的以下说法中正确的选项是〔〕A. 都是有用功B. 都是额外功C. 对喝茶的人而言是有用功D. 对卖茶杯的人而言是有用功4.以下有关能量的说法中,不正确的选项是〔〕A.电动机任务的进程是将电能转化为机械能的进程B.空中跳伞运发动匀速下落的进程中,机械能变小C.摩擦生热的进程中机械能转化为内能D.匀速飞行的加油机给飞机加油的进程中,加油机动能不变5.如下图的杠杆中,动力的力臂用表示,图中所画力臂正确的选项是〔〕A. B.C. D.6.如下图的四个进程将动能转化为势能的是〔〕A. 塑料圆筒滚动时皮筋越拧越紧B. 麦克斯韦滚摆向低处滚动C. 运发动用拉弯的弓把箭射出去D. 天然地球卫星从远地点向近地点运动7.以下关于内能和机械能的说法中,不正确的选项是〔〕A. 物体的机械能越大,它的内能也越大B. 物体的内能的大小与机械能大小有关C. 物体的温度降低时,内能增大,机械能也能够增大D. 物体的运动速度增加时,机械能减小,内能能够不变8.用相反的滑轮和绳子区分组成如下图的甲、乙两个滑轮组,把相反物体提升相反的高度,假定两滑轮组的效率区分为η甲、η乙,甲、乙两人所用的拉力区分为F甲、F乙,那么η甲:η乙和F甲:F乙区分是〔不计绳重及机械摩擦〕〔〕A. 2:3 2:3B. 3:2 3:2C. 1:1 3:2D. 1:1 2:39.如下图,〝套圈〞出手后,从a点到c点的进程中(不计空气阻力),以下说法正确的选项是〔〕A. 〝套圈〞由a到b进程中,动能逐渐增大B. 〝套圈〞在b点的机械能大于a点的机械能C. 〝套圈〞由b到c进程中,机械能逐突变小D. 〝套圈〞由a到b再到c进程中,重力势能先变大后变小10.关于做功,以下表达中正确的选项是〔〕A. 举重运发动举着杠铃不动,举力做了功B. 起重机吊着货物沿水平方向匀速移动了一段距离,向上的拉力做了功C. 重物竖直下落,重力做了功D. 小球在水平面上滚动,重力做了功11.两位先生竞赛爬竿,他们的质量之比为4:5,甲用18s爬到顶,乙用20s爬到顶,那么两人匀速爬竿进程中所做功和功率大小是〔〕A. 甲先生做功较少,功率较大B. 甲先生做功较少,功率较小C. 甲先生做功较多,功率较大D. 甲先生做功较多,功率较小12.如下图,区分沿力F1、F2、F3的方向用力,使杠杆平衡,关于三个力的大小,以下说法正确的选项是〔〕A. 沿F1方向的力最小B. 沿F2方向的力最小C. 沿F3方向的力最小D. 三个力的大小相等二、填空题13.a、b、c是一个苹果下落进程中的三个位置.苹果经过位置________时重力势能最大, 经过位置________时动能最大.14.如下图,能改动用力方向的滑轮是________滑轮〔选填〝A〞或〝B〞〕,运用时它相当于________杠杆;假定用大小为30牛的力F区分将甲、乙物体匀速提起2米,不计摩擦和滑轮重力,那么提起乙物体的拉力做功为________焦。
简单机械和功单元考试附参考答案一、选择题(每小题2分,共40分)1、如图所示的用具中,属于费力杠杆的是2、如图所示,杠杆可绕O (O 是杠杆的中点)转动,现在B 端挂一重为G 的物体,在A 端施加一作用力F ,使其在如图所示的位置平衡,则A .F 一定大于GB .F 一定等于GC .F 一定小于GD .F 可能小于G3、夹子是我们生活巾经常使用的物品,如图给出了用手捏开和夹住物品时的两种情况.下列说法中正确的是 A .当我们用手将其捏开时.它是省力的B .当我们用其夹住物品时,它是省功的C .无论用手将其捏开还是夹住物品时.它都是省力的D .无论用手将其捏开还是夹住物品时,它都是费力的4. 密度均匀的直尺放在水平桌面上,尺子伸出桌面部分OB 是全尺长的1/3,当B 端挂上5N 的物体时,直尺的A 端刚好开始翘起。
如图所示,则此直尺受到的重力是()A .2.5N B. 5N ;C .10N D. 无法确定。
5、用20N 的水平力,将重为5N 的球抛出,球在水平地面上滚动了10m 才停下来.在滚动过程中,手对球做的功是第1题图第2题图 A.食品夹B.瓶盖起子C.钳子D.核桃夹A .50JB .200JC .0JD .条件不足,无法计算6、下列关于功率的说法正确的是A .物体做功越多,功率越大B .物体做功时间越短,功率越大C .物体做功越快,功率越大D .物体做功时间越长,功率越大7、中考体育跳绳项目测试中,小明同学在lmin 内跳了120次,则他跳绳时的功率大约是A .0.5 WB .5WC .50WD .500W8、清明节,丽丽和爸爸一起上山扫墓.丽丽用了30min 登上墓地,爸爸用了50min 登上墓地,爸爸和丽丽的体重之比为4:3,则丽丽与爸爸登上墓地时所做功的功率之比是A .20:9B .4:5C .5:4D .2:39、下列几种方法中,可以提高机械效率的是A .有用功一定,增大额外功B .额外功一定,增大有用功C .有用功一定,增大总功D .总功一定,增大额外功10、两个完全相同的滑轮,其重力均为10N.分别用如图所示的两种方式,将重40N 的物体匀速提升0.5m ,下列判断正确的是(不计绳重与摩擦)A .力F 1和F 2大小相等B .两机械做的有用功相等C .两绳子自由端移动距离相等D .两装置的机械效率相等11、如图所示,在大小为500N 的拉力F 作用下,滑轮组将800N 的重物提升了lm.在此过程中A .做的有用功是500JB .做的总功是800JC .滑轮组的机械效率是62.5%D .滑轮组的机械效率是80%AB D C第10题图 第11题图 第12题图 第13题图12、小明同学利用圆珠笔杆、钢丝、细绳制成了如图所示的滑轮组用其匀速提升重物下列说法正确的是A .拉细绳的力F 等于钩码重力G 的1/3B .拉细绳的力F 等于钩码重力G 的1/7C .用该滑轮组提起不同的钩码,机械效率相同D .用该滑轮组提起不同的钩码,机械效率不同13、把一个重物以相同的速度沿AD 、BD 、CD 三个光滑斜面匀速推向顶端,如下图所示,则推力的功率是A .沿AD 最大B .沿BD 最大C .沿CD 最大 D .一样大14、如图所示是甲、乙两个物体做功与所需时间的关系图象,由图可知,甲物体的功率P 甲与乙物体的功率P 乙相比是A .P 甲>P 乙B .P 甲<P 乙C .P 甲=P 乙D .无法确定15、杆秤是一种很古老但现在仍然在广泛使用的一种测量质量的工具.小林同学用一杆秤称一实心球的质量,如图所示.当杆秤在水平位置平衡时,秤砣拉线正好压在4kg 的刻度线上.根据秤砣拉线、提纽和称钩所在秤杆的位置之间的距离的粗略关系,可以估测出秤砣的质量大约是A .10gB .400gC .1000gD .4000g第15题图 第16题图 第17题图 t/s W/J 乙W 甲Wt乙t 甲 乙 第14题图16、乒乓球、保龄球等表面都是光滑的,为什么高尔夫球的表面上布满小坑呢?经有关科学家研究发现:两个等大的球,一个表面布满小坑,另一个光滑,在空中高速飞行时,表面布满小坑的球受到的空气阻力较小.现将质量与体积均相等的两个小球A (表面布满小坑)与B (表面光滑)分别利用细绳悬挂在等臂杠杆的两端,使杠杆水平平衡,如图所示.当从两球正下方同时以相同速度(足够大)的风对准它们竖直向上吹时,则以下的说法中正确的是A .杠杆左端下降B .杠杆右端下降C .杠杆仍然在水平方向处于平衡状态D .无法判断杠杆的转动情况17、如图所示,为一可绕O 点转动的杠杆,在A 端通过绳作用一竖直向下的拉力F 使杠杆平衡,此时AB 部分水平,保持重物静止不动,而使绳绕A 点从如图所示的位置.......沿图中的虚线CD 转动,则A .逆时针转,F 先变小后变大B .顺时针转,F 先变小后变大C .顺时针转,F 先变大后变小D .逆时针转,F 先变大后变小18、日常生活中,我们经常需要搬运大小轻重不同的物件,如果用力的姿势不正确,就容易受伤.如图所示的四种搬运重箱子的姿势中,正确的是19、如图所示,规格完全相同的滑轮组用相同的绳子绕成甲、乙两个滑轮组,分别提起重为G 1、G 2两个物体,比较它们的省力情况和机械效率(不计摩擦),下列说法中正确的是A .若G 1=G 2,则F 1<F 2,甲昀机械效率较高B .若G 1=G 2,则F 1>F 2,乙的机械效率较高C .若G 1<G 2,则F 1<F 2,乙的机械效率较高D .若G 1<G 2,则F 1>F 2,甲的机械效率较高20、如图所示,不计滑轮质量及转动摩擦,当水平拉力F=30N 时,物体m 恰能沿水平作匀速运动.第18题图第19题图第20题图则地面对物体m的阻力f大小是A.15N B.30N C.60N D.无法判断二、填空作图题(每空每图均2分,共26分)21、某同学分别用如图所示的(a)、(b)两种方法挑着同一个物体行走,(a)图中肩受到的压力_______(b)图中受到的压力;(a)图中手施加的动力________(b)图中手施加的动力(选填“大于”、“等于”或“小于”).22、如图所示,某同学在做俯、卧撑运动,可将他视为一个杠杆,他的重心在A点,重力为500N,那么他将身体撑起,双手对地面的压力至少________N,若他在1min内做了20个俯卧撑,每次肩部上升的距离均为0.3m,则他1min内做的功至少为_____J,他的功率为________W.第21题图第22题图第23题图第24题图23、如图,小云想粗略地测算自己在单杠上做引体向上运动的功率,如图所示,他用尺量出握拳时手臂的长度,并测出自己连续拉上去的次数和时间填入下表,请在空格处补上相应的数据.24.如图,慢慢将一根电线杆竖起;(1)若力的方向总是竖直向上,在电线杆竖直抬起的过程中,力的大小将(选“增大”“减小”或“不变”)(2)若力的方向总和杆垂直,则提起的过程中,力的大小将(选“增大”“减小”或“不变”)25、如图所示,重力不计的杠杆OAB,可绕O点在竖直平面内转动.重力为100N的物体挂在OA的中点处.已知OA=40cm,AB=30cm,OA垂直于AB,杠杆与转动轴间的摩擦忽略不计.要使杠杆平衡,且OA段处于水平位置,那么作用于B端的最小力的力臂等于cm,最小力的大小等于N.26、如图所示,杠杆OA 在F 1、F 2两个力作用下平衡,图中已画出了杠杆A 端受的力F 1.如果虚线OO 1是力F 2的力臂,请在杠杆上标出F 2的作用点B ,并画出力F 2的示意图.27、物体M 在杠杆AOBC 作用下如图位置静止,试在A 点作出使杠杆在如图位置平衡时的最小力(O 为支点).三、实验设计题(每空1分,每图2分,共13分)28、在用滑轮组提升重物的实验中,若要“测该滑轮组机械效率”①实验中测得数据为下表,请完成表格中空格内容: 钩码重/N拉力F/N 钩码移动距离/m 绳末端移动距离/m 有用功/J 总功/J 机械效率0.96 0.32 0.10 0.40②上述实验数据是用右图中哪一个装置测量的,请在该滑轮组上画出其绕绳的情况(画错滑轮组不得分).29、小强看到在没有起重机的情况下,工人要将油桶搬运上汽车,常常用如图所示的方法.小强想:为什么不直接将油桶抬上车呢?难道这样做可以省力吗?小强带着疑问去查阅有关资料后了解到:用斜面搬运同一物体时的推力大小跟斜面长度、斜面高度、斜面粗糙程度等因素有关.小强根据以上查阅的资料提出了一个探究的问题:沿斜面推力的大小与斜面的长度有什么关系?(1)你认为小强探究搬运同一物体时沿斜面推力的大小与斜面长度的关系时,应控制的变量有和.(2)小强选用了一把弹簧秤、一块8N 的长方体重物、五块长度不同的由同种材料做成的光滑木板,按如下图所示进行了实验,实验时控制斜面高度为 0.2m 不变.实验测得的数据如第26题图 第27题图下表所示:分析实验数据,小强得到的结论是:.(3)下列四个图中,你认为哪个图能正确表示F 与L 的关系?( )30、在“探究杠杆平衡条件”的实验中:(1)实验前没有挂钩码时,若杠杆右端下倾,则应将右端的平衡螺母向________(选填“左”或“右”)调节,使杠杆在水平位置平衡.(2)如图所示,杠杆在水平位置平衡后,若将左侧的3个钩码该挂在D 处,要是杠杆仍然保持平衡,则应将右端钩码该挂在处(3)如图所示,杠杆在水平位置平衡后,若在左侧的3个钩码下添加1个钩码,要使杠杆仍然保持平衡,则应将右侧钩码改挂在处(4)分析有关实验数据,可得出杠杆平衡条件是:四、解答题(31题4分,32题6分,33题5分,34题6分,共21分)31、如图所示,A 物体G=30N ,在水平向右拉力F 的作用下,能以10cm/s 的速度在水平面上作匀速运动.已知拉力F=6N,滑轮组在使用时的机械效率为80%,求:(1)物体受到水平地面的摩擦力大小?(2)5s 内拉力F 所做功的大小?32、如图所示,小明在跑步机上锻炼身体.设他在跑步机上以5m/s 的速度匀速跑动30min ,跑动的总动力为40N .求: (1)他在这段时间内相当于跑了多少路程?(2)他在这段时间内做了多少功?(3)他做功的功率是多少?33、如图是某商场的自动扶梯.扶梯的部分几何尺寸如图所示,质量为50kg 的小华站在该扶梯上从商场一楼到二楼.已知扶梯以1m/s 的速皮匀速上行.g 取10N/kg.则(1)扶梯对他做功多少?(2)扶梯对他做功的功率是多少?(3)如果站在扶梯上的人数增多,扶梯的效率将如何变化?(填“变大”、“变小”或“不变”).34.如图甲所示的滑轮组.不计绳重和摩擦,物体重3m 4m FG从400N开始逐渐增加,直到绳子被拉断.每次均匀速拉动绳子将物体提升同样的高度.图乙记录了在此过程中滑轮组的机械效率随物体重力的增加而变化的图像.(1)当滑轮组的机械效率为40%时,绳子的拉力为多大?(2)2个滑轮总重多少?(3)绳子能承受的最大拉力是多少?(4)当滑轮组的机械效率为80%时,物体重多少?2000。
上海新市学校简单机械单元综合训练一、选择题1.如图所示,O为轻质硬直杠杆OA的支点,在杠杆的A点悬挂着一个重物G,在B点施加一个方向始终与杠杆成ɑ角度的动力F,使杠杆从竖直位置匀速转动到水平位置的过程中,下列表述正确的是()A.动力F始终在变大B.动力F先变大再变小C.杠杆始终为省力杠杆D.杠杆始终为费力杠杆2.端午节是我国的传统节日,很多地方举行了赛龙舟活动,极大丰富了人们的文化生活,关于赛龙舟活动,以下分析不正确的是()A.运动员划水的船桨是费力杠杆B.龙舟漂浮在水面上,说明龙舟受到的浮力大于重力C.运动员向后划水,龙舟向前运动,说明力的作用是相互的D.划船时,水既是受力物体同时也是施力物体3.如图所示,在水平地面上,用力F拉动重500N的木箱,使它在3s内匀速直线运动了3m,受到的摩擦力为200N。
不计滑轮重及绳与滑轮间摩擦,下列说法正确的是()A.拉力F的大小为250N B.拉力F做的功为600JC.拉力F做功的功率为100W D.绳端移动的速度为1m/s4.如图所示,不计绳子的质量和一切摩擦作用,整个系统处于静止平衡状态。
重物G1=100N,每一个滑轮重力均为20N,则下列说法正确的是()A.b处绳子的拉力为50NB.G2=280NC.e处绳子的拉力为140ND.G2=200N5.如图所示,杠杆始终处于水平平衡状态,改变弹簧测力计拉力F的方向,使其从①→②→③,此过程中()A.①位置力臂最长B.③位置力臂最长C.弹簧测力计示数先变大后变小D.弹簧测力计示数先变小后变大6.小兰和爸爸、妈妈一起参加了一个家庭游戏活动.活动要求是:家庭成员中的任意两名成员分别站在如图所示的木板上,恰好使木板水平平衡.若小兰和爸爸的体重分别为400N 和800N,小兰站在距离中央支点2米的一侧,爸爸应站在距离支点l米的另一侧,木板水平平衡.现在他们同时开始匀速相向行走,小兰的速度是0.5米/秒,则爸爸的速度是多大才能使木板水平平衡不被破坏?A.1.0米/秒B.0.75米/秒C.0.5米/秒D.0.25米/秒7.某同学自制了一架天平,由于制作粗糙,天平两侧长度不同.当将一物体放在天平的左盘时,右侧砝码的质量为m1,恰好平衡;当将该物体放在天平的右盘时,左侧砝码的质量为m2,天平才平衡.则该物体的质量应为:()A.B.C.D.无法确定8.如图所示的滑轮组中,不计摩擦和滑轮及绳重,则拉力F为()A.G/8 B.G/6 C.G/5 D.G/49.如图所示,重20N的物体A放在水平桌面上,(不计绳重及绳子与轮的摩擦)动滑轮重6N,滑轮下面悬挂一个物体B,当物体B重8N时,恰能匀速下落,若用一个水平向左的力F A作用在物体A,使物体A向左做匀速直线运动,则此拉力F A的大小为A.F A=8NB.F A=20NC.F A=14ND.F A=7N10.如图所示杠杆,力F方向始终竖直向上,当此杠杆在动力F作用下,将一个由细绳系的物体由图中位置逆时针匀速转动到水平位置时,则A.F大小始终不变B.F先变大后变小C.F先变小后变大D.无法判断F大小的变化11.如图所示,在水平拉力F的作用下重100 N的物体A,沿水平桌面做匀速直线运动,弹簧测力计B的示数为10 N,则拉力F的大小及物体A与水平桌面的摩擦力大小分别为( )A.200 N,10 N B.200 N,20 NC.20 N,10 N D.20 N,20 N12.如图所示,可绕O点转动的轻质杠杆,在D点挂一个重为G的物体M,用一把弹簧测力计依次在A,B,C三点沿圆O相切的方向用力拉,都使杠杆在水平位置平衡,读出三次的示数分别为F1、F2、F3,它们的大小关系是A.F1<F2<F3<G B.F1>F2>F3>G C.F1=F2=F3=G D.F1>F2=F3=G二、填空题13.如图,AB为能绕B点转动的轻质杠杆,中点C处用细线悬挂一重物,在A端施加一个竖直向上大小为10 N的拉力F,使杠杆在水平位置保持平衡,则物重G=________N。
一、选择题1.如图所示,斜面高h=1m,长s=5m,小车重50N,用沿斜面方向的拉力F,将小车从斜面底端匀速拉到顶端,不计斜面和小车之间的摩擦,下列说法错误的是()A.拉力F做的功大小等于50JB.斜面对小车支持力做的功大小等于50JC.斜面是一种省力的简单机械D.斜面一定不能省功B解析:BA.不计斜面和小车之间的摩擦,拉力做功等于小车重力做功为W=Fs=Gh=50N×1m=50J故A正确,A不符合题意。
B.支持力垂直于斜面,与小车运动的方向垂直,做功为0,故B错误,B符合题意;C.斜面是一种费距离省力的简单机械,故C正确,C不符合题意;D.根据机械功原理使用任何机械都不能省功,斜面也一定不能省功,故D正确,D不符合题意。
故选B。
2.如图所示,小冯分别用甲、乙两滑轮把同一桶沙从一楼地面提到二楼地面。
用甲滑轮所做的总功为W1,机械效率为η1;用乙滑轮所做的总功为W2,机械效率为η2。
若不计绳重和摩擦,则()A.W1=W2,η1=η2B.W1=W2,η1<η2C.W1<W2,η1>η2D.W1>W2,η1<η2D解析:D因为小冯分别用甲、乙两滑轮把同一桶沙从一楼地面提到二楼地面,所以两种情况的有用功相同;当有用功一定时,利用机械时做的额外功越少,则总功越少,机械效率越高。
而甲滑轮是动滑轮,所以利用甲滑轮做的额外功多,则总功越多,机械效率越低。
即W1>W2,η1<η2。
故选D。
【点睛】此题主要考查功的计算和机械效率的大小比较这一知识点,比较简单,主要是学生明确哪些是有用功,额外功,总功,然后才能正确比较出两种情况下机械效率的大小。
3.如图所示,用甲、乙两种方式分别将同一重物提升相同的高度,若每个滑轮重相同,不计摩擦及绳重。
则下列说法正确的是A.甲绳自由端的拉力比乙的大B.甲绳自由端拉力做的总功比乙小C.两种方式,拉力做功的功率一定相等D.两种方式,机械效率相等D解析:DA.由图知道,甲是动滑轮,绳子的有效股数为2,乙是滑轮组,绳子的有效股数为2,由于将同一重物提升相同的高度,且每个滑轮重相同,不计摩擦及绳重,所以,绳自由端的拉力是:F甲=F乙=12G总,故A错误;B.由于甲乙做的总功都是克服钩码和动滑轮重力所做的功,由s=nh知道,s甲= s乙=2h,即两者自由端拉力做的总功相等,故B错误;C.由于不知道两者做功的时间,由WPt=知道,不能比较两者的功率大小,故C错误;D.根据W=Gh知道,用甲、乙两个滑轮将同样的钩码缓慢提升相同的高度时所做的有用功相同,总功相等,由WWη=有总知道,两种方式,机械效率相等,故D正确。
上海侨光中学物理八年级第十一章功和机械能单元专项训练一、选择题1.如图,保持F的方向竖直向上不变,将杆由A位置匀速转动到B位置,在这个过程中F 将()A.先变大后变小B.始终变大C.始终变小D.始终不变2.下列说法正确的是()A.受平衡力作用的物体,因为受力平衡,合力为零,所以机械能一定不变B.木块沿斜面匀速下落的过程中,重力势能转化为动能C.用食品夹夹取蛋糕时,食品夹属于费力杠杆D.擦地板时,增加拖布对地板的压力是为了增大压强G=,拉力大3.用如图所示的滑轮牵引小车沿水平地面匀速前进,已知小车的重力10N F=,该装置的机械效率是60%,则小车与地面之间摩擦力为()小15NA.27N B.36N C.18N D.270N4.如图甲,轻质杠杆AOB可以绕支点O转动,A、B两端分别用竖直细线连接体积均为1000cm3的正方体甲、乙,杠杆刚好水平平衡,已知AO:OB=5:2;乙的重力为50N,乙对地面的压强为3000Pa.甲物体下方放置一足够高的圆柱形容器,内装有6000cm3的水(甲并未与水面接触),现将甲上方的绳子剪断,甲落入容器中静止,整个过程不考虑水溅出,若已知圆柱形容器的底面积为200cm2,则下列说法中正确的是()A.杠杆平衡时,乙对地面的压力为50NB.甲的密度为2×103kg/m3C.甲落入水中静止时,水对容器底部的压强比未放入甲时增加了400PaD.甲落入水中静止时,水对容器底部的压力为14N5.关于定滑轮、动滑轮,以下说法不正确的是A.使用定滑轮虽然不省力,但可以改变力的方向B.定滑轮实质是等臂杠杆,而动滑轮实质是不等臂杠杆C.又省力又少移动距离的动滑轮是无法实现的D.使用一个定滑轮和一个动滑轮组成的滑轮组,只能省一半力6.关于功、功率、机械效率的说法中,正确的是A.功率大的机械,机械效率一定高B.机械做功时,做的有用功越多,机械效率越大C.机械做功时,工作时间越短,功率一定越大D.利用机械做功时可以省力或省距离,但不能省功7.如图所示,杠杆处于平衡状态,下列说法中正确的是A.将支点两侧钩码都向右移动一格,杠杆仍平衡B.在支点两边的钩码下各增加一个钩码,杠杆仍平衡C.将支点左边加上二个钩码,右边加上一个钩码,杠杆仍平衡D.将支点左边的钩码向左移动两格,将支点右侧的钩码向右移动一格,杠杆仍平衡8.如图,小明分别用甲、乙两个滑轮把同一袋沙子从地面提到二楼,用甲滑轮所做的总功为W1,机械效率为η1;用乙滑轮所做的总功为W2,机械效率为η2.若不计绳重与摩擦,则()A.W1=W2η1=η2 B.W1<W2η1<η2 C.W1>W2η1>η2 D.W1<W2η1>η29.如图所示,可绕O点转动的轻质杠杆,在D点挂一个重为G的物体M,用一把弹簧测力计依次在A,B,C三点沿圆O相切的方向用力拉,都使杠杆在水平位置平衡,读出三次的示数分别为F1、F2、F3,它们的大小关系是A.F1<F2<F3<G B.F1>F2>F3>G C.F1=F2=F3=G D.F1>F2=F3=G10.如图中某同学体重为500 N,他的手能承受的最大拉力为600 N,动滑轮重100 N,该同学利用如图所示的滑轮组把物体A吊起来,物体A的重量不能超过A.1 000 N B.1 200 N C.900 N D.1 100 N二、填空题11.如图所示为探究滑轮组作用的实验装置,每个钩码重2N。
一、选择题1.甲、乙是两个做匀速直线运动的物体。
若甲、乙两物体的速度之比为2∶3,运动所用的时间之比是2∶1,则甲、乙的通过路程之比是()A.3∶1B.3∶2C.4∶3D.3∶42.为响应“绿色出行”的号召,三个好朋友决定选择不同的低碳环保方式出行。
小刘骑电动车以18km/h的速度平稳前进;小韩以4m/s的速度跑步前进;小王骑自行车出行,他每分钟通过的路程为270m。
关于三者速度下列说法正确的是()A.小刘速度最大B.小韩速度最大C.小王速度最大D.三人速度一样大3.如图所示,“天舟一号”飞行器和“天宫二号”空间站在轨道上对接成功。
此时我们说“天宫二号”是静止的,则选取的参照物可以是()A.地球B.太阳C.“天舟一号”D.“天宫二号”4.某物体做变速直线运动,已知它在前14路程的平均速度为1m/s,后34路程的平均速度2m/s,那么它在整个路程中的平均速度是()A.1m/s B.1.5m/s C.1.6m/s D.2m/s5.两辆列车如图所示,复兴号列车上的乘客看到和谐号列车正在向东行驶。
如果以地面为参照物,下列情况不可能发生的是()A.复兴号静止,和谐号向东行驶B.和谐号静止,复兴号向西行驶C.两车都向东行驶,和谐号行驶得较慢D.两车都向西行驶,复兴号行驶得较快6.甲、乙两小车在同一平直路面上,其运动s﹣t图象如图所示,由图象可知()A.甲、乙两车都做匀速直线运动B.甲车的速度为10m/s,乙车的速度为2m/sC.经过6s,甲、乙两车相距2mD.经过5s,甲、乙两车通过的路程均为10m7.如图是相向而行的甲、乙两物体的s-t图像,下列说法正确的是()A.相遇时两物体通过的路程均为100mB.前60s内甲、乙均做匀速直线运动C.甲的运动速度为5m/sD.甲、乙是同时出发的8.小明一次50m短跑过程训练中,测得从起点到达不同位置所经历的时间如图所示,则下列说法中正确的是()A.小明通过第2个10m所用的时间为4.00s B.前20m小明一定做匀速直线运动C.小明通过距离0点20m处的速度一定为5m/s D.小明全程的平均速度为6.25m/s 9.甲、乙两物体都在做匀速直线运动,其速度之比为2:1,路程之比为2:3,则甲、乙两物体所用的时间之比为()A.4:9B.3:4C.3:1D.1:310.关于速度,下列说法正确的是()A.速度是描述物体运动快慢的物理量B.速度是描述物体运动路程长短的物理量C.物体运动的路程越长,速度越大D.物体运动的时间越短,速度越大11.甲物体的速度是36km/h,乙物体的速度是20m/s,丙物体1min内通过的路程是900m,通过比较可知()A.甲物体运动得最快B.乙物体运动得最快C.丙物体运动得最快D.三个物体运动得一样快12.某物体从地面上某一点出发沿直线运动,其s-t图象如图所示。
上海侨光中学运动和力单元专项训练一、选择题1.如图所示,用细线将小球悬挂在无人机上,图甲中无人机带着小球竖直向上运动;图乙中无人机带着小球水平向右运动;两图中,小球与无人机均保持相对静止,不计空气阻力。
下列说法中正确的是()A.甲图中,小球可能做加速直线运动B.甲图中,若悬挂小球的细线突然断了,小球立刻向下运动C.乙图中,小球可能做匀速直线运动D.乙图中,小球受到的重力和细绳对小球的拉力是一对平衡力2.在一列匀速直线行驶的列车内,一位同学相对于车厢竖直向上跳起,可能会出现下列哪种情况()A.落在车厢内原来起跳点之前B.落在车厢内原来起跳点之后C.落在车厢内原来起跳点D.不确定落点的位置3.下列体育项目中的一些现象,不能用“力的作用是相互的”来解释的是A.跳水运动员踩踏跳板,身体向上跳起B.滑冰运动员用力推墙,身体离墙而去C.铅球运动员投出铅球后,铅球在空中会下落D.游泳运动员向后划水,身体前进4.下列情况中,属于一对平衡力的是()A.静止在桌面上的书,书对桌面的压力和桌面对书的支持力B.苹果下落时所受的重力和苹果对地球的吸引力C.沿竖直方向匀速下降的跳伞运动员,运动员与伞的总重力和空气阻力D.在平直公路上匀速行驶的汽车的牵引力和重力。
5.如图所示,重力为G的木块被沿竖直方向的两根绳子拉住处于静止状态,已知木块受绳子向上拉力为F1,向下拉力为F2,当上面绳子被剪断后,不计空气阻力,木块下落过程中所受合力大小和方向为A.F1-G 竖直向上B.F2+G竖直向下C.F1-F2竖直向下D.F1+F2竖直向上6.我国第一位“太空教师”王亚平通过物理实验,展示了飞船内部物体在失重(相当于物体不受重力)情况下的物理现象。
王亚平利用小球做了两次实验:第一次实验时,将小球偏离竖直位置后放手;第二次实验时,将小球偏离竖直位置后,在放手时对小球施加一个垂直于悬线的力。
下列四图表示小球在这两次实验中可能出现的运动情况,其中符合实际的是()A.甲、丙B.甲、丁C.乙、丙D.乙、丁7.如图所示,叠放在一起的物体A和B,在F=10N的水平拉力作用下沿水平方向作匀速直线运动,则下列结论中正确的是()A.A物体受到的摩擦力为10N,B物体受到的摩擦力为0NB.B物体受到的重力与A对B的支持力是一对相互作用力C.A受到的重力与地面对A的支持力是一对平衡力D.若拉力F增大,B与A之间的摩擦力增大,A与地面的摩擦力也随着增大8.随着生活水平的提高,扫地机器人逐步进入普通家庭。
上海侨光中学简单机械单元专项训练一、选择题1.如图所示,AB为一轻质杠杆,O为支点,OB=60cm,OA=20cm 两端分别悬挂实心铝球和实心铜球,杠杆在水平位置平衡,若将两球同时浸没在水中,(铝的密度为2.7×103kg/m3,铜的密度为8.9×103kg/m3)则()A.杠杆仍能保持平衡B.铝球一端下降C.铜球一端下降D.条件不足,无法判断2.如图,保持F的方向竖直向上不变,将杆由A位置匀速转动到B位置,在这个过程中F 将()A.先变大后变小B.始终变大C.始终变小D.始终不变3.如图所示,利用动滑轮将重力为100N的物体在5s内匀速竖直提升,拉力F为60N,绳子自由端移动的距离为2m,不计绳重及摩擦,下列说法正确的是( )A.物体移动的速度为0.4m/sB.所做的有用功为200JC.动滑轮的机械效率为60%D.拉力F的功率为24W4.如图所示,形状规则、密度均匀的木板AB放在水平桌面上,OA=2OB.当B端挂30 N 的重物G时,木板A端刚刚开始翘起,木板重为A.10 N B.15 N C.30 N D.60 N5.下列说法正确的是()A.受平衡力作用的物体,因为受力平衡,合力为零,所以机械能一定不变B.木块沿斜面匀速下落的过程中,重力势能转化为动能C.用食品夹夹取蛋糕时,食品夹属于费力杠杆D.擦地板时,增加拖布对地板的压力是为了增大压强6.如图所示,斜面高为1m,长为4m,用沿斜面向上大小为75N的拉力F,将重为200N 的木箱由斜面底端以0.2m/s的速度匀速拉到顶端,下列判断正确的是()A.重力做功的大小为800J B.斜面对木箱的摩擦力大小为25NC.拉力做功的功率为125W D.斜面的机械效率为75%7.如图所示,A物体受到的重力是 100N,在拉力F 的作用下,能以 0.2m/s 的速度在水平地面上向左匀速直线运动。
已知拉力F=5N,滑轮组的机械效率为 80%,则下列说法正确的是()A.拉力F 的功率是 1W B.2s 内绳子自由端移动的距离是 1.2m C.5s 内拉力所做功的大小是 15J D.物体 A受到水平地面的摩擦力大小是 8N 8.端午节是我国的传统节日,很多地方举行了赛龙舟活动,极大丰富了人们的文化生活,关于赛龙舟活动,以下分析不正确的是()A.运动员划水的船桨是费力杠杆B.龙舟漂浮在水面上,说明龙舟受到的浮力大于重力C.运动员向后划水,龙舟向前运动,说明力的作用是相互的D.划船时,水既是受力物体同时也是施力物体9.如图所示,在水平地面上,用力F拉动重500N的木箱,使它在3s内匀速直线运动了3m,受到的摩擦力为200N。
不计滑轮重及绳与滑轮间摩擦,下列说法正确的是()A.拉力F的大小为250N B.拉力F做的功为600JC.拉力F做功的功率为100W D.绳端移动的速度为1m/s10.如图所示,用24N的水平拉力F拉滑轮,可以使重20N的物体A以0.2m/s的速度在水平地面上匀速运动.物体B重10N,弹簧测力计的示数为5N且不变.若不计轮重、弹簧测力计重、绳重和轴摩擦,则下列说法中正确是A.地面受到的摩擦力为12N B.滑轮移动的速度为0.4m/sC.水平拉力F的功率为4.8W D.在2s内绳子对物体A所做的功为4.8J 11.如图所示的滑轮组中,不计摩擦和滑轮及绳重,则拉力F为()A.G/8 B.G/6 C.G/5 D.G/412.如图所示的是工人在平台上通过滑轮组向上拉起重物G的情景.已知重物G所受的重力为700 N,当他沿水平方向用400 N的力拉重物G时,重物G恰好做匀速直线运动.不计绳重及摩擦,下列说法正确的是A.该滑轮组的动滑轮所受的重力为100 NB.若工人拉动绳子的速度为0.5 m/s,则4 s后,绳子的拉力所做的功为1 400 JC.当工人用等大的力使绳子以不同速度匀速运动,且绳端运动相同的距离时,工人所做的功大小不同D.若将重物G换为质量更大的物体,则在不改变其他条件的情况下,工人将更省力二、填空题13.如图为吊装工具示意图,M是重5000N,边长为0.5m正方体的配重物体,杠杆AB的支点为O,OA∶OB=1∶2,当重为700N的工人用300N的力竖直向下匀速拉动绳子时,工人对地面的压力为______N,物体M对地面的压力为______N,压强为______。
(滑轮、杠杆及绳的自重、滑轮组摩擦均不计)14.一物体质量为10kg,小红用定滑轮将该物体在4s内匀速提升2m,所用拉力为120N,此过程中,小红做的有用功是_______,定滑轮的机械效率是________,拉力做功的功率是_______。
(g=10N/kg)15.一根粗细均匀的木料(圆柱形的),重是100N,放在水平地面上,现将它的一端微微抬起,所需的最小力是 _______N。
16.如图所示的滑轮组,拉一重100N的物体M在水平地面上做匀速直线运动,如果拉力F=20N,绳子拉出了6m,则物体受到的摩擦力为_____N,物体前进了_____m,弹簧测力计的示数为_____N。
(不计滑轮重、绳重和摩擦)17.如图所示,在不计摩擦和杠杆重力的情况下,杠杆OA的中点悬挂一重G=100N的物体,在A端施加一竖直向上的力F,杠杆在水平位置平衡,则F=________N.保持F的方向不变,在将杠杆从A位置匀速提到B位置的过程中,力F将________(选填“变大”、“不变”或“变小”),如果物体上升2m,拉力做的功为________ J.18.如图所示,甲、乙两套装置中,每个滑轮的质量相等,绳重和摩擦忽略不计.用甲装置把重为 100N 物体 G 升高 2m,所用拉力为 62.5N,甲、乙装置的机械效率分别η1、η2,则η1= ___;若用乙装置提相同的重物,则拉力 F2 ___F1(选填“>”、“<”或“=”,下同),机械效率η2________η1。
19.如图所示,用滑轮组将钩码匀速向上提起20cm,则绳端移动的距离是___________cm;若不计绳重与摩擦,只适当增加钩码的重力,该滑轮组的机械效率会___________(选填“变大”或“变小”)。
20.如图所示是列车上常用的手推车,车内货物均匀摆放.车前行时,需经过障碍物.当车的前轮遇到障碍物A时,售货员向下按扶把,这时手推车可以视为______杠杆(选填“省力”或“费力”),若手推车和货物总重200 N,动力臂和阻力臂之比为2:3,则服务员作用在扶把上的动力为______N.当后轮遇到障碍物A时,售货员竖直向上提扶把,这种情况下,手推车可以视为______杠杆(选填“省力”或“费力”).三、实验题21.在做“探究杠杆的平衡条件”的实验中:(1)如图甲所示,为使杠杆在______位置平衡,可以将左端的平衡螺母向______调;(2)调节平衡后,在杠杆两侧挂不同数量的钩码,移动钩码位置,使杠杆在水平位置再次平衡,并记录相关数据。
改变钩码的数量及位置多次实验,小明得出杠杆的平衡条件______。
如图乙所示,A、B两点分别增加一个钩码,则杠杆______(选填“左端下沉”、“右端下沉”或“仍保持平衡”);(3)如图丙所示,若不在B点挂钩码,改用弹簧测力计在B点向下拉杠杆,弹簧测力计由竖直方向逐渐向左转动,杠杆始终保持水平平衡,则弹簧测力计的示数将逐渐______(选填“增大”或“减小”),原因是弹簧测力计拉力的力臂在______(选填“增大”或“减小”)。
22.图甲是某型号的抽水马桶水箱进水控制装置的示意图,浮子是有上底无下底的圆柱形容器,中间有圆柱形的孔(图乙是浮子的放大示意图),壁的厚度忽略不计,浮子通过圆孔套在直杆上,并与调节螺母紧密相连,手动上下移动调节螺母,可以使浮子的位置随之上下移动,轻质细杆AB可绕O点旋转,A端与直杆底端相连,B端装有塞子当水箱的进水孔进水,水面接触到浮子下端后,浮子内的空⽓开始被封闭压缩,随着水位继续上升,浮子上升带动直杆向上运动,当水位上升到一定高度,AB杆处于水平位置时,塞子压住进水孔,进水孔停止进水。
(1)为测出浮子上底面的面积,现有刻度尺、量筒和水,请完成实验:①将浮子倒置后,用刻度尺测出浮子内的深度h;②将浮子装满水,用_______________________;③浮子上底面的面积表达式:S上=_________(用所测量物理量的符号表示)。
(2)若浮子上升的过程中内部被封闭的空气不泄露,用上述方法测得的浮子上底面的面积为10cm2,外界大气压为1.0×105Pa,浮子、直杆、细杆AB、塞子的重力及所受浮力均不计,忽略所有摩擦,当进水孔停⽓进水时,浮子内的⽓体压强为外界大气压强的1.2倍,OA=6cm,OB=4cm,塞子受到水的压力为___________N。
(3)科学研究表明,⽓定质量的⽓体,在温度不变时,其压强与体积成反比,当进水孔的水压过大时,塞子被冲开,水箱内的水位超过⽓定⽓度,会使水溢出,若通过移动调节螺母的方法保证⽓桶正常使用,应如何移动调节螺母:__________。
23.八年级(2)班的物理学习研究小组进行“探究杠杆的平衡条件”实验时:(1)安装好杠杆,发现杠杆左高右低,如图甲所示,这时应将杠杆右端的平衡螺母向_____(选填“左”或“右")调节,使杠杆在水平位置平衡,这样做的好处是实验时便于测量______。
(2)如图乙所示,在刻度线B处挂4个钩码,在刻度线A处用调好的弹簧测力计竖直向下拉杠杆,若此时杠杆右端依然比左端低,下一步应该进行的操作是_______当杠杆水平平衡时,将测力计从竖直方向顺时针缓慢转动,如使杠杆保持水平平衡,测力计读数将______(选填“变大”、“变小”或“不变”)。
(3)通过操作后,杠杆在水平位置平衡,将数据记录在下表中、次数动力F1/N动力l1/cm阻カF2/N阻力臂l2/cm 1210205能不能根据上表中的数据得出结论?______(选填“能”或“不能"),理由是:_____ 。
(4)该小组同学还想探究当动力和阻力在支点同侧时杠杆的平衡情况,于是将弹簧测力计改至杠杆右侧的C点,如图丙所示,在C点施加一个始终水平向右的拉力F,发现无论用多大的力,都不能使杠杆拉至水平位置平衡,你认为原因是____________。
24.在探究“杠杆的平衡条件”实验时,所提供的器材有:杠杆、支架、弹簧测力计、细线和质量相同的钩码若干个.(1)实验前,将杠杆的中点放在支架上,当杠杆静止时,发现杠杆左端下沉(如图甲所示),此时应将平衡螺母向_____(选填“左“或”右“)调,直到杠杆在水平位置平衡;(2)调节杠杆平衡后,小明在杠杆A点处挂4个钩码(如图乙所示),应在B点处挂_____个钩码才能使杠杆再次平衡;此时若在A、B两点处各增加一个钩码,则杠杆____(选填“左”或“右”)端会下沉.(3)在实验(2)中,若用弹簧测力计拉B点,要使杠杆在水平位置平衡,则弹簧测力计应沿______拉杠杆最省力;若弹簧测力计由竖直方向逐渐向右转动,杠杆始终保持平衡,则弹簧测力计的读数将逐渐______(选填“增大“、”等于“或”减小“)(4)实验结束后,小明提出一个新的问题:“若支点不在杠杆的中点时,杠杆的平衡条件是否仍然成立?”于是小明利用如图丙所示装置进行探究,发现在杠杆左端的不同位置,用弹簧测力计竖直向上拉杠杆,使杠杆在水平位置平衡时,测出的拉力大小都与杠杆平衡条件不相符,其原因是:_____.25.某同学用定滑轮和弹簧秤完成了以下几个实验:(1)如图A所示,甲物体重3N,乙物体重10N,用绳绕过定滑轮相连(不计绳重与摩擦).乙静止于水平地面上,则a绳对甲的拉力为______N.(2)在分析b绳对乙的拉力时,小明认为是3N,小慧认为是7N.a.小明做了以下实验:用弹簧测力计测出某物体的重力(如图B);然后将绳子靠着定滑轮(不计绳重与摩擦),如图C所示,弹簧测力计依次放在A、B、C、D位置时,其示数保持不变.由此可见,定滑轮只改变了力的____,不改变力的_____(均选填“大小”或“方向”).所以,小明认为图A中b绳对乙的拉力为3N.b.图A 中b 绳对乙的拉力和乙对b 绳的拉力是一对相互作用力.为了探究这两个力的大小关系,再做如图D 的实验:将弹簧测力计丙与丁相互对拉,它们的示数相等.于是可以得出,b 绳对乙的拉力______乙对b 绳的拉力(选填“等于”或“不等于”).由此可知,图A 中b 绳对乙的拉力为______N .26.在做“测滑轮组机械效率”的实验中,小强和同学们组装了如图所示的甲、乙两个滑轮组(每只滑轮重都相同,不计摩擦和绳重)。