上海侨光中学物理电与磁单元试卷(word版含答案)
- 格式:doc
- 大小:392.50 KB
- 文档页数:16
《电与磁》单元练习一、填空题(每空2分,共30分)1. 南宋民族英雄文天祥(江西吉安人),在《扬子江》一诗中著下“臣心一片磁针石,不指南方不肯休”的诗句•这里磁针石的南极指向地理位置的__________ 方,是因为它受到__________ 场的作用.2. 由于电动机具有结构简单,操作方便、效率高、无污染等优点,因此许多家电中都有电动机,例如___ ,电动机工作时主要将电能转化为 ___________ 能。
3. 如图9-1所示的实验中,闭合开关后,导体棒ab向右运动,这说明________________ 对通电导体有力的作用;若要使ab向左运动,你的方法是4. 在研究影响电磁铁磁性强弱因素的过程中,小丽使用一个线圈匝数为120匝的电磁铁,改变通过线圈的电流得到一组实验数据,如下表所示。
请你根据表中数据,归纳出电磁5. 小明的奶奶•事已高,行动不便,为方便护理,小明制作了一个由电磁继电器、白炽灯、电铃、干电池和按钮开关组成的“呼叫器”。
当奶奶按下床头的按钮开关时,灯亮,铃响;则电铃与电源串联后应接在图9-2中的 ______ 两点之间,按钮开关与电源串联后应接在两点之间。
6. 如图9-3所示,合上开关后,发现铁钉旁边的小磁针静止时S极指向铁钉A端.则A端是磁场的_________ 极,电源的D接线柱是_________ 极.7. 在学习电和磁的知识中用到的两个重要实验装置如图9-4所示,甲是研究在磁场中转动的线圈产生电流的情况,这种现象是_________________ 现象;乙是研究通电线圈在磁场中受力转动的现象,_______________ 机就是根据这一原理制成的。
&如图9-5甲所示,把一条形磁铁插入闭合线圈或从闭合线圈中拔出,线圈中会产生感应电流•若将该条形磁铁换成一通电螺线管,如图9-5乙所示,把这个通电螺线管插入闭合线圈或从线圈中拔出,闭合线圈中___________铁吸引大头针的个数与电流的关系是_电流/ A电磁铁吸引大头针的个数/个0.2 0.41 50.6210.8 I45 62图9-1 图9-2图9-417.如图9-9所示,甲是铜片,乙是小磁铁。
【物理】上海市中考物理电与磁专项检测试卷(含答案解析)一、选择题1.如图所示,是某保密室的防盗报警电路,当有人闯入保密室时会使开关S闭合.下列说法正确的是()A. 电磁继电器与发电机工作原理相同B. 电磁继电器与电动机工作原理相同C. 电磁铁工作时,上端为S极D. 当有人闯入保密室时,b灯亮【答案】D【解析】【解答】解:AB、电磁继电器是利用电流的磁效应工作的,发电机是利用电磁感应原理制成的,电动机是根据通电线圈在磁场中受力而转动工作的,故AB错误;C、根据安培定则可知,电磁铁工作时,上端为N极,故C错误;D、当有人闯入保密室时会使开关S闭合,电磁铁有磁性,吸引衔铁,电灯b所在电路接通,b灯亮,故D正确.故选D.【分析】(1)电磁继电器是利用电流的磁效应工作的,发电机是利用电磁感应原理制成的,电动机是根据通电线圈在磁场中受力而转动;(2)根据安培定则判断电磁铁的NS 极;(3)电磁继电器的工作原理,当控制电路接通时,电磁铁有磁性,衔铁被吸下;当控制电路断开时,电磁铁无磁性,衔铁在弹簧的作用下被拉起,结合实际情况进行分析.2.下列实验中,能说明电动机工作原理的是()A. B. C. D.【答案】B【解析】【解答】电动机利用磁场对电流的作用力工作。
A图,研究影响电磁铁磁性强弱的因素,A不符合题意;B图,放在磁场中的导体,通过电流时,受到磁场力而运动,电动机就是利用的此原理,B 符合题意;C图,为奥斯特实验,研究电流的磁效应,C不符合题意;D图,导体切割磁感线运动时,产生电流,即电磁感应现象,D不符合题意;故答案为:B。
【分析】电磁铁的特点:①磁性的有无可由电流的通断来控制;②磁性的强弱可由改变电流大小和线圈的匝数来调节;③磁极可由电流方向来改变.磁场对电流的作用:通电导线在磁场中要受到磁力的作用.是由电能转化为机械能.应用是制成电动机.发电机的原理是根据电磁感应现象(电磁感应:闭合电路的一部分导体在磁场中做切割磁感线运动时,导体中就产生电流,这种现象叫电磁感应,产生的电流叫感应电流)制成的.3.关于图中所示的通电螺线管,下列说法正确的是()A. 通电螺线管的右端是S极B. 只对调电源正负极,通电螺线管的磁场方向不发生改变C. 通电螺线管的外部磁感线是从S极发出回到N极的D. 当滑动变阻器的滑片向右移动时,通电螺线管的磁性增强【答案】D【解析】【解答】解:A、由于电源右端为正极、左端为负极,由安培定则可知,用右手握住通电螺线管,让大拇指指向右侧,故通电螺线管的右端是N极;故A错误;B、改变电源的正负极后,螺线管中的电流方向发生了改变,通电螺线管的磁场方向发生改变,故B错误;C、通电螺线管的外部磁感线是从N极发出回到S极的,故C错误;D、滑动变阻器P向右移动时,接入电路中的电阻变小,电流变大,通电螺线管的磁性将增强.故D正确.故选D.【分析】(1)由螺线管的N、S极,据安培定则可判断出电流方向,而电流在电源外部从正极出来,回到负极,据此回答.(2)通电螺线管周围磁场的方向与电流方向和线圈的绕向这两个因素有关,若只改变其中的一个,磁场方向发生改变;若两个因素同时改变,磁场方向不变.(3)通电螺线管的外部磁感线是从N极发出回到S极的;(4)通电螺线管磁性的强弱与电流的大小有关,电流越大,磁性越强.4.在昼夜明灯的地下停车场,驾驶员根据车位入口上方的红绿灯入停.如图是小吴设计的自动控制电路图,将光控开关(遮光时开关闭合)装在每个车位地面中央,红绿灯装在车位入口上方.当车位未停车时绿灯亮,当车位已停车时红灯亮,则图中L1、L2()A. 都是红灯B. 都是绿灯C. 分别是红灯、绿灯D. 分别是绿灯、红灯【答案】 D【解析】【解答】解:由题当车位已停车时,光控开关被遮光而闭合,由图可知,此时左侧控制电路连通,电磁继电器中的电磁铁产生磁性,吸下衔铁,L2灯泡电路被接通,所以L2为红灯;当车位未停车时,光控开关有光照而断开,电磁铁中无磁性,弹簧将衔铁拉起,L1电路接通而发光,所以L1为绿灯.故ABC错误,D正确.故选D【分析】根据光控开关的作用,分析左侧控制电路的通断,再分析两灯的工作状态即可解题.5.下列作图中,错误的是()A. 凹透镜对光的作用B. 平面镜成像 C. 动力F1的力臂 D. 通电螺线管的磁场【答案】 C【解析】【解答】解:A、平行于主光轴的入射光线经凹透镜后,折射光线的反向延长线经过焦点,故A正确;B、此图描述了平面镜成像的规律,物像对称,故B正确;C、力臂应该是支点到力作用线的垂线段,如图,故C错误;D、通电螺线管的外部磁场,磁感线从N极到S极,D正确.故选C.【分析】A、平行于主光轴的入射光线经凹透镜后,折射光线的反向延长线经过焦点.B、根据平面镜成像的特点(物像对称)判断.C、根据力臂的画法进行分析,力臂是支点到力作用线的垂线段.D、根据右手螺旋定则先判断出螺线管的N、S极.6.如图所示的四个实验,反映电动机基本原理的是()A. B.C. D.【答案】 D【解析】【解答】电动机的工作原理是电流在磁场中受力的作用而运动,D图有电源,有磁场,导体在磁场中受力运动,D符合题意。
一、选择题1.我国未来的航母将采用自行研制的电磁弹射器。
电磁弹射器的弹射车与飞机前轮连接,并处于强磁场中,当弹射车内的导体通以强电流时,舰载机受到强大的推力而快速起飞。
电磁弹射器工作原理与下列设备或用电器工作原理一致的是()A.电风扇B.手摇发电机C.电热水壶D.电磁起重机A解析:A由题意可知,电磁弹射器工作原理是通电导体在磁场中受到力的作用;A.电风扇是通电导体在磁场中受到力的作用,原理与电磁弹射器相同,故A符合题意;B.手摇发电机是闭合电路中部分导体做切割磁力线运动时,有感应电流产生,工作原理是电磁感应,故B不符合题意;C.电热水壶是利用电流的热效应工作的,与通电导体在磁场中受到力的作用无关,故C 不符合题意;D.电磁起重机是利用电流的磁效应来工作的,与通电导体在磁场中受到力的作用无关,故D不符合题意。
故选A。
2.下列说法不正确的是()A.蓄电池放电时,将化学能转化为电能,是电源B.蓄电池充电时,将电能转化为化学能,相当于用电器C.简单电路中电流方向是从电源的正极流向电源的负极D.电动机是将电能主要转化为机械能的用电器C解析:CAB.蓄电池充电时,将电能转化为化学能,所以相当于用电器,蓄电池放电,将化学能转化为电能,所以相当于电源,故AB正确,不符合题意;C.在电源外部,电路中电流方向是从电源的正极流出,经过用电器流向电源的负极,在电源内部,电流方向是从电源的负极流向正极,故C错误,符合题意;D.电动机是用电器,工作时将电能主要转化为机械能,故D正确,不符合题意。
故选C。
3.小华在综合实践中自制的简易电动机示意图如图所示。
矩形线圈由漆包线绕制而成,漆包线的两端分别从线圈的一组对边的中间位置引出,并作为线圈的转轴。
将线圈架在两个金属支架之间,线圈平面位于竖直面内,永磁铁置于线圈正下方。
为了使电池与两金属支架连接后线圈能连续转动起来,则小华应将A.电池的正、负极对调一下B.在线圈正上方增加磁体S极C.左转轴绝缘漆全部刮掉,右转轴下侧绝缘漆刮掉一半D.左、右转轴绝缘漆全部刮掉C解析:C【解析】ABC. 线圈之所以能转动,是据通电导线在磁场中受力的作用的原理来工作的,但是该线圈在转过平衡位置时,若不改变电流的反向,此时所受到的磁场力会阻碍线圈的转动,故为了使线圈持续转动,将线圈两端引线的漆皮一端全部刮掉,另一端只刮半周,这样在一个半周内受到磁场的力的作用,另一个半周利用惯性转动;而真正的直流电动机工作时,为了让线圈持续的转动下去,即是通过换向器在平衡位置及时的改变线圈中的电流的方向,即改变线圈所受力的反向,使线圈持续的转动下去,故AB错误,C正确;D. 两端的漆皮都刮掉,线圈每转过半圈,受力方向发生变化,会来回摆动,故错误。
【专项习题】上海初中物理电与磁专项检测试题(含答案)一、选择题1.如图所示,闭合开关S,弹簧测力计的示数增大.下列分析正确的是A. c端是S极,a是电源的正极B. c端是N极,a是电源的负极C. 若滑动变阻器的滑片向右滑动,弹簧测力计示数增大D. 若将电源正负极接线的位置对调,弹簧测力计示数增大【答案】B【解析】【解答】解:A、闭合开关S,弹簧测力计的示数增大,由于此题下端为S极,并且弹簧测力计的示数变大,因为异名磁极相互吸引,同名磁极相互排斥,所以电磁铁的上端为N极.故A错误;B、由上述可知因为电磁铁的上端为N极,下端为S极,由安培定则可知,电流从电磁铁的上端流入,故电源b端为正极,a端为负极.故B正确;C、若滑动变阻器的滑片向右滑动,滑动变阻器的电阻增大,电路中的电流变小,电磁铁的磁性变小,对上方的磁体的吸引力变小,所以弹簧测力计示数变小,故C错误;D、若将电源正负极接线的位置对调,电磁铁的磁性强弱不变,极性相反,则c端变为S 极,与磁体相互排斥,故弹簧测力计的示数变小.故D错误.故选B【分析】首先要明确电磁铁磁性强弱的影响因素:有无铁芯、电流大小、线圈匝数的多少.①首先由弹簧测力计示数变化确定电磁铁磁性强弱的变化,进而确定电流变化,判断出滑动变阻器的滑片移动,电路中电阻的变化,知道磁体的下端为S极和弹簧测力计的示数增大,根据磁体间的相互作用规律,从而可以判断出电磁铁的磁极极性.②知道电磁铁的磁极极性,可利用安培定则判断出电磁铁中电流的方向,从而可以确定电源的正负极.③根据滑动变阻器滑片的移动引起电流的变化,再判断出电磁铁磁性强弱的变化,可从而以确定弹簧测力计示数的变化.④磁感线方向不影响电磁铁磁性强弱的变化,但是电磁铁的极性相反,利用磁极之间作用规律,从而确定弹簧测力计示数的变化2.巨磁电阻效应是指某些材料的电阻随磁场增强而急剧减小的现象,图中GMR是巨磁电阻,闭合开关S1、S2,移动滑动变阻器的滑片,以下分析正确的是()A. 滑片向左移动时,电磁铁磁性减弱,指示灯亮度变暗B. 滑片向左移动时,电磁铁磁性增强,指示灯亮度变亮C. 滑片向右移动时,GMR电阻变小,指示灯亮度变亮D. 滑片向右移动时,GMR电阻变大,指示灯亮度变亮【答案】 B【解析】【解答】A. B. 滑片向左移动时,滑动变阻器电阻变小,电流变大,电磁铁磁性增强,由于GMR电阻随磁场增强而急剧减小,所以指示灯电路的总电阻变小,电流变大,指示灯亮度变亮,A不符合题意,B符合题意;C. D. 滑片向右移动时,滑动变阻器电阻变大,电流变小,电磁铁磁性减弱,由于GMR电阻随磁场增强而急剧减小,所以指示灯电路的总电阻变大,电流变小,指示灯亮度变暗,CD不符合题意;故答案为:B。
上海新市学校物理电与磁单元测试卷附答案一、三物理电与磁易错压轴题(难)1.小刚学习了电磁铁的知识后,想知道电磁铁周围的磁场强弱与通入电磁铁的电流大小和距电磁铁的距离是否有关。
查阅资料知道,磁场强弱即磁感应强度(用B表示)的单位是T(特斯拉)。
图甲和图乙中电源电压均为6 V且恒定不变,图乙中R是磁敏电阻,其阻值随磁感应强度B的变化关系如图丙所示。
(1)由图丙可知,磁感应强度越大,R阻值越_____;小刚设计的图甲、乙组成的实验装置是通过________来判断R所处位置的磁感应强度。
(2)利用图甲、乙装置,保持_________相同时,闭合S1、S2后移动滑动变阻器的滑片,发现滑片P向左滑动时,灵敏电流计的示数不断变小,说明R所处位置的磁感应强度不断________(选填“增大”或“减小”)。
(3)当闭合S1、S2,保持滑片位置不变,沿电磁铁轴线方向移动R,测出R距离电磁铁的距离L和灵敏电流计的示数I,结合图丙计算出磁感应强度B的数值如下表.L/cm12345I/mA1015203050B/T0.680.6___0.360.14①当L=3 cm时,将此时磁感应强度B数值填在上表中对应位置。
②分析以上数据可以得出,通入电磁铁的电流一定时,距电磁铁越远,磁感应强度B越______.③综合(2)和(3)的实验结论可知,电磁铁周围的磁感应强度B与通入电磁铁的电流大小和距电磁铁的距离________(选填“有关”或“无关”)。
【答案】大灵敏电流计示数R距电磁铁的距离增大0.5小有关【解析】【分析】【详解】(1)[1]由图丙可知,磁感应强度越大,R阻值越大。
[2]图乙中R 是磁敏电阻,其阻值随磁感应强度B 的变化而变化,磁敏电阻的变化引起电路中电流的变化,实验中根据灵敏电流计示数判断R 所处位置的磁感应强度的强弱。
(2)[3]研究电磁铁周围的磁场强弱与通入电磁铁的电流大小是否有关,控制磁敏电阻R 到电磁铁的距离。
上海莘光学校物理电与磁单元测试卷附答案一、三物理电与磁易错压轴题(难)1.在安装直流电动机模型的实验中,小明将组装好的电动机模型、滑动变阻器、电源、开关串联起来如图甲所示:(1)小明闭合开关,发现线圈不转,他用手轻轻转了一下线圈,电动机模型开始正常转动。
线圈原来不转的原因是_______;(2)若要电动机转速加快,小明应将滑动变阻器的滑片向_______移动;(3)接下来,小明把永磁铁换成图乙所示的电磁铁,并将电磁铁线圈的两个接线柱M、N分别与电刷A、B相连,使电磁铁线圈与电动机模型线圈并联后,合用一个电源。
当对调接在电源正、负极上的导线时,电动机线圈转动的方向会不会改变?答:_______,理由是_______;(4)完成以上实验后,小明取下图甲中的电源换上小灯泡,在模型的转轴上绕上细线,如图丙所示,然后快速拉动细线,使线圈转动起来,结果小灯泡发光,此时这模型就相当于_______机。
【答案】线圈刚好处在平衡位置左不会电流方向和磁场方向同时改变发电【解析】【分析】【详解】(1)[1]线圈不转,用手轻轻转了一下线圈,电动机模型开始正常转动,说明线圈原先刚好处在平衡位置。
(2)[2]要使电动机转速变快,就要增大电流,所以滑动变阻器电阻应变小,即滑片要向左移动。
(3)[3][4]电磁铁和线圈共用一个电源,当对调电源正负极时,电磁铁的磁场方向改变,线圈中的电流方向也发生改变,所以电动机的转向不变。
(4)[5]拉动细线,线圈转动,切割磁感线,产生感应电流,所以是发电机的模型。
2.在探究“影响电磁铁磁性强弱的因素”实验中,小明制成简易电磁铁甲、乙,并设计了如图所示的电路。
(1)实验中是通过观察_____________________来比较电磁铁磁性强弱。
这种研究方法称为___________。
(2)把甲、乙两个电磁铁串联,目的是____________相同,以探究电磁铁磁性强弱与____________的关系。
电与磁单元练习题(含答案)一、电与磁选择题1.如图所示电路中,闭合开关,向某一方向移动滑动变阻器的滑片时,弹簧测力计的示数增大,则()A. 螺线管上端是S极,滑片P向左移动B. 螺线管上端是S极,滑片P向右移动C. 螺线管上端是N极,滑片P向左移动D. 螺线管上端是N极,滑片P向右移动【答案】C【解析】【解答】解:(1)由图可知,开关闭合后,由安培定则可知,螺线管上端是N 极,滑动变阻器的滑片向左移动时,滑动变阻器连入电路中的电阻变小,则电路中的电流变大,通电螺线管的磁性变强.(2)通电螺线管的磁性变强,对铁块的吸引力变大,弹簧测力计的示数就变大.故选项ABD错误,C正确.故选C.【分析】(1)影响通电螺线管磁性强弱的因素有:电流的大小、线圈的匝数,线圈的匝数一定,电流越大,磁性越强;(2)电磁铁对铁块的吸引力变大时,弹簧测力计的示数变大,吸引了变小时,弹簧测力计的示数变小.2.如图所示,GMR是一个巨磁电阻,其特性是电阻在磁场中会急剧减小,且磁场越强电阻越小,闭合开关S2后,下列四种情况相比较,指示灯最亮的是()A. S1断开,滑片P在图示位置B. S1闭合,滑片P在图示位置C. S1闭合,滑片P在滑动变阻器最右端D. S1闭合,滑片P在滑动变阻器最左端【答案】D【解析】【解答】解:A、S1断开时,电磁铁无磁性,由题意可知GMR的电阻最大,由I= 可知,右侧电路中电流最小,由P=I2R可知,指示灯的实际功率最小,指示灯最暗,故A错误;BCD、闭合S1时,GMR所处的位置由无磁场变为有磁场,GMR的阻值减小;当滑片P在滑动变阻器最左端时,左侧电路的电阻最小,由I= 可知,左侧电路中的电流最大,电磁铁磁性最强,则GMR的电阻最小,右侧电路中电流最大,由P=I2R可知,指示灯的实际功率最大,指示灯最亮,故BC错误,D正确.故选D.【分析】闭合S2时,指示灯与GMR串联,电压表测GMR两端的电压,闭合S1时,电磁铁有磁性,根据GMR与磁性之间的关系判断其阻值的变化,根据欧姆定律可知电路中电流的变化,利用P=I2R可知指示灯功率的变化,进一步判断亮暗的变化.3.以下探究实验装置中,不能完成探究内容的是()A. 磁极间相互作用规律B. 通电直导线周围存在磁场C. 磁性强弱与电流大小的关系D. 产生感应电流的条件【答案】C【解析】【解答】解:A、如图,据小磁针偏转的情况可以判断磁极间的作用规律,A选项能探究,故不符合题意;B、如图,该实验装置是奥斯特实验装置图,可探究通电导线周围存在着磁场,B选项能探究,但不符合题意;C、如图,该实验电路中电流大小不能改变,所以不能研究电磁铁磁性的强弱与电流大小的关系.故符合题意;D、如图,此时电路是闭合,导体在磁场中做切割磁感线运动时,能产生感应电流,D能探究,故不符合题意.故选C.【分析】(1)磁极间的作用规律是:同名磁极相互排斥,异名磁极相互吸引;(2)据奥斯特实验可知,通电导线周围存在着磁场;(3)电磁铁磁性的强弱与电流的大小和线圈的匝数有关;(4)闭合电路的部分导体在磁场中做切割磁感线运动时,电路中就会产生感应电流,该现象叫电磁感应现象.4.下列四种磁体中产生的磁场,其磁场分布与其他三种磁体的磁场分布不同的是()A. 条形磁铁 B. 地磁场 C. 通电直导线 D. 通电螺线管【答案】C【解析】【解答】解:条形磁铁的中间没有磁性,但在两端磁性最强;地磁场和通电螺线管的磁场特点与条形磁铁磁体的磁场相似;通电直导线磁场的分布就是以通电直导线为圆心的一个个同心圆,越靠近通电直导线,磁性越强,磁场分布就越密.所以通电直导线磁场分布与其他三种磁体的磁场分布不同.故选C.【分析】根据条形磁铁的磁场特点、地磁场的磁场特点、通电直导线的磁场特点和通电螺线管的磁场特点进行比较,得出答案.5.如图所示,闭合开关,导体M就会运动起来,下列说法正确的是()A. 发电机是利用这一原理工作的B. 在此过程中,机械能转化为电能C. 此实验说明磁场对通电导体有力的作用D. 同时改变电流方向和磁场方向,可以改变导体M的运动方向【答案】 C【解析】【解答】当闭合开关时,导体中有电流通过,导线会动,说明通电导体在磁场中受力的作用,C符合题意。
电与磁单元检测(附答案)(word)1一、电与磁选择题1.下列由学校生活联想到的物理知识中,错误的是()A. 做操时排直队伍,利用了光沿直线传播原理B. 电风扇转动,利用了电磁感应原理C. 用力踢球,脚感到痛,是因为物体间力的作用是相互的D. 湿衣服放在通风处干得快,是通过加快表面上的空气流速来加快蒸发的【答案】B【解析】【解答】解:A、做操时排直队伍,利用了光沿直线传播原理,故A正确,不合题意;B、电风扇转动,利用了通电导线在磁场中受力转动的原理,故B错误,符合题意;C、用力踢球,脚感到痛,是因为物体间力的作用是相互的,故C正确,不合题意;D、湿衣服放在通风处干得快,是通过加快液面上的空气流速来加快蒸发的,故D正确,不合题意.故选B.【分析】(1)光在均匀介质中直线传播;(2)电动机是利用了通电导线在磁场中受力转动的原理;(3)物体间力的作用是相互的;(4)影响蒸发的因素有温度、液体表面积、液体表面上方的空气流动.2.有一小磁针静止在通电螺线管上方,如图所示,则通电螺线管()A. 左侧为N极,a端为正极B. 左侧为S极,a端为正极C. 左侧为N极,b端为正极D. 左侧为S极,b端为正极【答案】 C【解析】【解答】解:由于小磁针静止时,其左端为S极,右端为N极,根据磁极间的作用规律可知,螺线管的右端为S极,左端为N极。
根据螺线管的N、S极和螺线管的线圈绕向。
利用安培定则可以确定电流是从螺线管的右端流入左端流出。
由于电流是从电源的正极流出,经过外电路回到电源负极。
所以可以确定电源的右端为正极,左端为负极。
故答案为:C。
【分析】根据磁极间的作用规律可知螺线管的磁极,再利用安培定则可知电流方向.3.我国航母舰机起飞将采用自行研制的电磁弹射器,电磁弹射器的弹射车与舰载机前轮连接,并处于强磁场中,当弹射车的导体有强电流通过时,就可以受到强大的推力,下列各图中与弹射车工作原理一致的是()A. 电风扇B. 手播发电机C. 电热水壶D. 电磁起重机【答案】 A【解析】【解答】由题意知弹射车的工作原理:磁场对电流有力的作用。
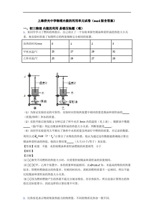
上海侨光中学物理内能的利用单元试卷(word 版含答案)一、初三物理 内能的利用 易错压轴题(难)1.某同学学习了燃料的热值后,自己设计了一个实验来探究煤油和菜籽油的热值大小关系。
他实验时组装了如图所示的两套规格完全相同的装置。
加热的时间/min 0 1 2 3 甲杯水温/℃ 25 27 29 32 乙杯水温/℃25262728(1)为保证实验结论的可靠性,实验时应控制两装置中相同的量是煤油和菜籽油的_____(质量/体积)和水的质量。
(2)实验开始后他每隔1分钟记录了杯中水在3min 内的温度(见上表),根据表中数据_____(能/不能)判定出煤油和菜籽油的热值大小关系,判断依据是_____。
(3)该同学实验前用天平测出了烧杯中水的质量及两油灯中燃料的质量,并记录的数据、利用公式吸0=Q cm (t ﹣t )计算出了水吸收的热量,他认为通过这些数据能准确地计算出煤油和菜籽油的热值。
他的计算结果_____(大于/小于/等于)真实值。
【答案】质量 不能 未控制煤油和菜籽油燃烧的质量相等 小于 【解析】 【详解】(1)[1]探究不同燃料的热值大小时,应需要控制煤油和菜籽油的质量相同。
(2)[2][3]甲、乙两个装置中,水的质量和初温相同,由=Q cm t 知,末温高的吸收的热量较多,即燃料燃烧放出的热量多。
但相同时间内,消耗的燃料质量不一定相同,所以不能比较煤油和菜籽油的热值大小关系。
(3)[4]因为燃料燃烧产生的热量不能完全被水吸收、存在热损失,所以直接计算得出的热值比实际值要小,因此这样的计算结果不可靠。
2.比热容是表示物质吸放热能力的物理量,不同的物质比热容一般不同.(1)下列物理量也表示了物质的某种特性的是__________;A.热值 B.热量 C.质量(2)水的比热容为4.2×103J/(kg·℃),表示的物理意义是质量为1kg的水升温1℃_________的热量是4.2×103J.(3)张红在家经常学习做饭根据观察,她猜想食用油的比热容可能比水小。
【物理】上海市初中物理电与磁专项检测试题(含答案解析)一、选择题1.下列描述正确的是()A. 静止时在水平面上的小车受力图B. 匀速直线运动的路程与时间的关系C. 条形磁铁的磁场分布D. 电流表的读数为2.7A【答案】 A【解析】【解答】解:A、小车静止,在竖直方向上受:向下的重力和向上的支持力,它们是一对平衡力,故A正确;B、匀速直线运动的s﹣t图象应该是一条经过原点的直线,而图中是一条平行横轴的直线,故B错误;C、在磁体外部,磁感线的方向总是从N极出发流向S极,故条形磁铁的右端应为S极,左端应为N极,故C错误;D、由图可知,接线柱接的是0~0.6A,则分度值为0.02A,则由指针位置可知电流表的读数为0.54A,故D错误.故选A.【分析】A、对小车进行受力分析,在水平地面上静止的小车,处于平衡状态,受平衡力作用;B、匀速直线运动的s﹣t图象是一条经过原点的直线;C、根据磁体外部磁感线的方向分析;D、根据电流变所选量程,确定分度值,然后再读数.2.图为某品牌共享电单车,其涉及到的物理知识正确的是()A. 没有网络传递信息,是无法实现手机扫二维码开锁的B. 车座成马鞍型,增大了人与车座的受力面积,压强增大C. 车胎上有凹凸不平的花纹,可以减小与地面的摩擦力D. 后轮上的电动机,利用电磁感应原理将电能转化为机械能【答案】 A【解析】【解答】A. 手机扫二维码开锁时,通过电磁波及网络传递信息,当服务器接收到付费后,才会开解,所以没有网络传递信息,是无法实现手机扫二维码开锁的,A符合题意;B. 车座成马鞍型,增大了人与车座的受力面积,减小压强,B不符合题意;C. 车胎上有凹凸不平的花纹,是用增大接触面粗糙程度的方法增大摩擦力,C不符合题意;D. 后轮上的电动机,利用通电导线在磁场受力的原理将电能转化为机械能,D不符合题意;故答案为:A。
【分析】共享单车传递信息利用了电磁波,增大受力面积可以减小压强,增加粗糙程度可以增大摩擦力,电磁感应是将机械能转化为电能.3.如图所示的四个装置,关于它们的说法正确的是()A. 图a可用来演示电流的磁效应B. 图b可用来演示电磁感应现象C. 图c可用来演示磁场对电流的作用D. 图d可用来演示电磁铁的磁性强弱与电流大小的关系【答案】 C【解析】【解答】A、该图中没有电源,即电磁感应现象,此实验说明闭合电路的一部分导体在磁场中做切割磁感线运动时,导体中就产生电流,是发电机的工作原理,A不符合题意;B、该图为奥斯特实验,说明通电导线周围存在着磁场,可用来演示电流的磁效应,B不符合题意;C、该图中有电源,即闭合开关后,磁场中的金属棒就会在磁场中运动,即说明通电直导线在磁场中受到力,C符合题意;D、该图说明电磁铁的磁性强弱与线圈的匝数的多少有关,D不符合题意;故答案为:C。
上海侨光中学物理内能单元试卷(word 版含答案)一、初三物理 内能 易错压轴题(难)1.为研究不同物质的吸热能力,某同学用两个完全相同的酒精灯,分别给质量和初温都相同的甲、乙两种液体同时加热,分别记录加热时间和升高的温度,根据记录的数据作出了两种液体的温度随时间变化的图像,如图所示.(1)根据图像,某同学认为:“加热相同的时间时,甲升高的温度高一些,这说明甲吸收的热量多一些.”这位同学的判断是否正确?________请说明理由:______________________________;(2)要使甲、乙升高相同的温度,应给__________加热更长的时间;(3)如果已知甲的比热容是1.8×103J/(kg·℃),则乙的比热容是_________J/(kg·℃)。
【答案】不正确 因为完全相同的酒精灯,加热相同的时间,放出的热量相等,甲、乙液体吸收的热量相等 乙 2.4×103 【解析】 【分析】 【详解】(1)[1][2]升高的温度大,不代表吸收的热量多,吸收热量的多少是一样的,因为是用两个完全相同的酒精灯加热相同的时间,酒精灯放出的热量是相等,甲和乙吸收的热量也是相等的;(2)[3]由图可知,甲和乙升高相同的温度,如都温度升到40℃,甲需要的时间是3min ,乙需要的时间是4min ,乙需要更长的加热时间,这说明乙的吸热能力强一些; (3)[4]根据t=cmQ∆可知,在质量和吸收热量一定时,温度的变化值和比热容成反比, 我们可以取相同的加热时间4min ,用相同的酒精灯加热4min ,甲和乙吸收的热量就是相同的,甲的温度变化值为50℃-10℃=40℃,乙的温度变化值为40℃-10℃=30℃,乙的比热容()()3340 1.810J /kg 2.410J /kg 30c =⨯⨯=⨯乙℃℃℃℃。
2.小军利用如图所示装置和器材,探究不同物质的吸热能力。
时间013456789(min)温度909294969798989898(℃)(1)小军设计的电路中的R甲、R乙的阻值大小必须满足的条件是______;(2)只闭合开关S2,他首先观察了水的加热过程,测得数据如上表。
一、选择题1.如图所示为某一点电荷产生的电场中的7条电场线,电场线的分布关于y 轴对称,O 是坐标原点,M 、N 、P 、Q 是以O 为圆心的,一个圆周上的4个点,其中M 、N 两点在y 轴上,Q 点在x 轴上,P 点在第5条电场线上,则下列说法正确的是( )A .M 点的电势和P 点的电势相等B .将一正点电荷由M 点移到P 点,电势能减小C .将一负点电荷由N 点分别移到Q 点和P 点,电场力做功NQ NP W W <D .Q 点的电场强度小于M 点的电场强度C解析:CA .过M 点画等势线与第4条电场线相交的点应在P 点的上方,因顺着电场线电势逐渐降低,M 点的电势比P 点的电势低,故A 错误;B .将一正电荷由M 点移到P 点,电场力做负功,电势能增大,故B 错误;C .因为NQ NP U U <,所以将一负电荷由N 点移到Q 点克服电场力做的功小于由N 点移到P 点克服电场力做的功,即NQ NP W W <故C 正确;D .由点电荷电场线的特点可知电场线密的地方,电场强度大,Q 点的电场强度大小大于M 点的电场强度大小,故D 错误。
故选C 。
2.如图所示,竖直向上的匀强电场中,一竖直绝缘轻弹簧的下端固定在地面上,上端连接一带正电小球,小球静止时位于N 点,弹簧恰好处于原长状态。
保持小球的带电量不变,现将小球提高到M 点由静止释放。
则释放后小球从M 点向下运动的过程中( )A.小球向下运动的过程中,小球和弹簧组成的系统机械能减小B.从M到N运动过程中,小球重力势能和弹簧弹性势能的减少量等于小球电势能的增加量C.向下运动的过程中,在重力与电场力等大反向的位置处,小球有最大速度D.小球动能的增加量等于电场力和重力做功的代数和A解析:AA.根据功能关系W E=其机小球向下运动的过程中,电场力做负功,电势能增加,则小球和弹簧组成的系统机械能减小,所以A正确;B.从M到N运动过程中,小球重力势能和弹簧弹性势能的减少量等于小球电势能和动能的增加量,所以B错误;C.向下运动的过程中,重力与电场力总是等大反向,在N点弹簧处于原长时,合外力为0,加速度为0,则小球才有最大速度,所以C错误;D.由动能定理可知,小球动能的增加量等于电场力、弹簧弹力和重力做功的代数和,所以D错误;故选A。
上海继光初级中学物理电与磁章末练习卷(Word版含解析)一、三物理电与磁易错压轴题(难)1.两个电磁铁A和B都用粗细相同的漆包线绕制而成,其外形及所用的铁芯都相同,但线圈面数不同(外观上看不出)要比较哪个电磁铁的线匝数多,小明用相同的恒压电源、滑动变阻器、导线、开关,并提供足够多的大头针,连接电路进行了图两个实验。
(1)关于小明的实验:①磁性较强的电磁铁是______ (选填“A”或“B”)。
依据是_____ ;②该实验,无法比较哪个电磁铁的线圆匝数更多,原因是______;(2)利用上述器材设计实验,要求能比较哪个电磁铁的线圈匝数更多(可增加一个器材,或不增加器材):①步骤(可用文字或画图表述)______;②结论分析:______。
【答案】A 吸引大头针的数量较多不能确保流过两个电磁铁的电流相同见解析吸引大头针数量较多的电磁铁,线圈匝数较多【解析】【分析】【详解】(1)[1][2]由图可知电磁铁A吸引的的大头针数量比电磁铁B多,可判断电磁铁A的磁性较强。
[3]影响电磁铁磁性强弱的因素有线圈匝数、电流大小,该实验中无法通过电磁铁磁性强弱来判断谁的线圈匝数多,谁的少,原因在于无法确保流过两个电磁铁的电流相同。
(2)[4]步骤:将电磁铁A、B串联在一个电路中,通过它们的电流相等,是电磁铁A、B上的线圈匝数不同。
[5]结论分析:在电磁铁通过电流相同时,线圈匝数较多的电磁铁,吸引大头针数量较多;线圈匝数较少的吸引大头针数量较少;可判断:吸引大头针数量较多的电磁铁,线圈匝数较多。
2.如图所示电路,是某学校楼道自动控制照明系统,R3是一光敏电阻,其阻值随“光照度E“的增大而减小,且成反比,其具体关系如下表所示(光照度E的单位是:勒克斯,符号Lx:光越强,光照度越大),光照度E/L x0.51 1.52 2.53光敏电用R3阻值/Ω603020151210(1)根据表格中数据写出光敏电阻的阻值R3与光照度E的函数关系式_________________;(2)当线圈中电流减小至10mA时,电磁继电器衔铁被弹簧拉起,启动照明系统,利用该装置可以实现当光照度低至某一设定值E0 Lx时,照明系统内照明灯自动工作。
一、选择题1.进入某档案馆的保密室有下列要求:甲、乙、丙3位资料员必须同时用各自的钥匙(开关S1、S2、S3表示3位资料员各自的钥匙)使灯亮才能进入保密室。
图所示的电路设计符合要求的是()A.B.C.D.C解析:C因为甲、乙、丙3位资料员必须同时用各自的钥匙(开关S1、S2、S3表示3位资料员各自的钥匙)使灯亮才能进入保密室,说明三个资料员是相互联系的,不能独立工作,所以开关S1、S2、S3和灯泡串联,故ABD不符合题意,C符合题意。
故选C。
2.电动自行车的两只手柄中,分别装有开关S1和S2,行驶中使用任何一只手柄刹车时,该手柄的开关就会立即断开,电动机停止工作。
从而起到减速刹车的作用。
如图所示的四个电路图中符合上述要求的是()A.B.C.D. B解析:BA.由图可知,两开关并联后与电机串联,只有同时断开时电机才停止工作,故A不符合题意;B.由图可知,两开关串联,任何一个开关断开时电机停止工作,故B符合题意;C.由图可知,两开关并联,且电机与开关S2串联在一支路中,开关S1闭合时电机会短路,故C不符合题意;D.由图可知,两开关并联,且电机与开关S1串联在一支路中,开关S2闭合时电机会短路,故D不符合题意。
故选B。
3.如图所示的电路中,电源电压不变,闭合开关S1、S2,小灯泡L1和L2正常发光。
下列关于该电路的说法正确的是()A.电流表测量干路中的电流B.断开开关S2时,电流表示数不变C.开关S2短路,电源也被短路D.断开开关S2时,电流表示数减小B解析:BA.电流表在支路上,测量灯泡L1的电流,故A选项错误;B.断开开关S2时,灯泡L1两端的电压不变,电阻不变,故电流表的示数不变,故B选项正确;C.开关S2短路,只是开关S2没有用处,不能控制电路,该支路还有灯泡L2,故不会短路,故C选项错误;D.由B选项可知,断开开关S2时,电流表示数不变,故D选项错误。
故选B。
4.下列物体通常情况下都属于导体的是()A.汽油和盐水B.铅笔芯和橡皮C.瓷碗和塑料尺D.人体和大地D解析:D汽油、橡皮、瓷碗和塑料尺都是绝缘体,盐水、铅笔芯、人体和大地都是导体,故ABC不符合题意,D符合题意。
一、选择题1.如图,三个带电小球a 、b 和c 固定在某平面上直角ΔABC 的相应顶点上,其中37B ∠=︒,小球a 所受库仑力的合力方向平行于BC 边。
设小球b 、c 所带电荷量的绝对值之比为k ,则( )A .b 、c 带同种电荷,169k =B .b 、c 带异种电荷,169k =C .b 、c 带同种电荷,6427k = D .b 、c 带异种电荷,6427k =D 解析:D设小球a 、b 、c 所带电荷量分别为q 、b q 、c q,如图对a 受力分析如图所示则b 、c 带异种电荷,根据库仑定律与平衡条件可得22=tan 37cc ac bb ab qq kF r qq F k r = , tan 37ac ab r r =联立解得336427b abc ac q r k q r ===所以D 正确;ABC 错误; 故选D 。
2.如图,a 、b 、c 、d 为正方形四条边的中点,中心O 点固定一个带电量为Q 的正点电荷,正方形位于场强大小为E 、方向与正方形平面平行的匀强电场中。
现在a 点放一带电量为q 的正检验电荷,检验电荷恰好不受电场力的作用。
不计检验电荷的重力,下列说法正确的是( )A .匀强电场的方向一定与ac 连线平行且向上B .若a 点的检验电荷带负电,则受到的电场力为2qEC .正方形边上的c 点电场强度大小为2ED .正方形边上的b 、d 两点电场强度相同C 解析:CA .因为检验电荷在a 点恰好不受电场力的作用,所以a 点的合电场强度为零,O 点的正点电荷在a 点的电场方向与ac 连线平行且向上,所以匀强电场的方向应该与ac 连线平行向下,故A 错误;B .因为a 点的合电场强度为零,所以不管a 点的检验电荷带负电还是正电,受到的电场力均为0,故B 错误;C .O 点的正点电荷在c 点的电场方向与ac 连线平行且向下,大小为E ,匀强电场的方向也是与ac 连线平行向下,大小为E ,所以c 点电场强度大小为2E ,故C 正确;D .正方形边上的b 、d 两点电场强度大小相等,方向不同,故D 错误。
一、选择题1.一种验电笔的构造如图所示,下列说法正确的是()A.使用验电笔时手不能接触笔尾金属体B.验电笔可用来测试物体是带正电还是带负电C.验电笔通常用来分辨相线和中性线D.当验电笔氖管发光时人体中没有电流通过2.小明家的家庭电路如图所示,小明闭合开关S,电灯正常发光,分别将台灯与洗衣机插入P、Q插座中,发现它们不能工作,于是小明拔下台灯的插头,用试电笔检测P插座,左右两孔都能使测电笔的氖管发光,则小明家电路出现的故障可能是()A.进户零线断路B.进户火线断路C.AB间断路D.BC间断路3.下列关于家庭电路的说法,正确的是()A.220V的家庭电路电压对人体是安全的B.家庭电路中控制电灯的开关应与零线相连C.家庭电路中各用电器之间是串联的D.家庭电路的火线和零线可以用测电笔来辨别4.下列关于电学知识说法错误的是()A.干电池给电路供电时将化学能转化为电能B.熔断丝应该选用熔点低,电阻率大的合金材料制成C.功率越大的用电器,单位时间产生的热量一定越多D.使用测电笔辨别火线和零线时,手应该接触笔尾金属体5.下列实例中,符合安全用电要求的是()A.使用绝缘层破损的电线B.洗衣机的金属外壳安装接地线C.用湿抹布擦拭正在工作的台灯D.未断开电源的情况下更换灯泡6.下列做法中符合安全原则的是()A.电视天线与电线接触B.雷雨天人站在大树下避雨C.用湿抹布擦通电的灯泡D.将洗衣机的金属外壳接地7.关于安全用电知识,下列说法正确的是()A.可以用湿抹布擦插座B.发现有人触电,应立即用手将人拉开C.三孔插座接地线要保证良好接地D.使用试电笔时,不能用手接触到笔尾金属体8.下列做法中,正确的是()A.无人的教室内开着灯B.尽量少开启电冰箱门C.夏天将空调温度调得很低D.用铁丝代替保险丝9.如图所示是小明家庭的部分电路,下列说法正确的是()A.若保险丝熔断,则一定是短路引起的B.若保险丝熔断,可以用铜丝替换C.灯泡与开关的连接符合安全用电原则D.两孔插座的连接符合安全用电原则10.在开展研学旅行活动中,若发生雷电,下列有关防雷的措施错误的是()A.在山区遇雷雨时,最好进入山洞避雨,但不要触及洞壁,同时双脚并拢B.在山区遇雷雨躲入旅游车厢内最安全,但进入车厢时手可接触金属部分C.在开阔地行走时不要举着雨伞或肩扛长的金属物D.不要在大树底下躲雨11.使用如图所示的插线板时发现:开关断开,指示灯不亮,插孔不能提供工作电压;开关闭合后,指示灯亮,插孔提供工作电压,此时即使指示灯损坏,插孔也能提供工作电压。
一、选择题1.如图所示,电源电压保持不变,R 为定值电阻,在a 、b 两接线柱上接一个标有“6V ,2W ”的灯泡,闭合开关S ,灯泡恰好正常发光;如果在a 、b 两接线柱间换一个标“6V ,3W ”的灯泡,闭合开关S 后,这只灯泡消耗的功率( )A .大于3WB .小于3WC .等于3WD .不能确定B解析:B 两个灯泡的电阻分别为22111(6V)18Ω2W U R P ===,22222(6V)12Ω3W U R P === 即R 1>R 2据串联电路的分压特点,第二次所接灯泡两端分去的电压小于第一次所接灯泡两端分分去的电压,即第二个灯泡两端的实际电压小于6V ,那么此灯泡实际消耗的功率小于3W ,故ACD 不符合题意,B 符合题意。
故选B 。
2.下列关于电功率的说法中,正确的是( )A .由公式P =W t可知,电流做功越多,电功率越大 B .由公式P =UI 可知,同一导体两端的电压越小,电功率也越小C .由公式P =I 2R 可知,电阻越大,电功率越大D .由公式2U P R=可知,电阻越大,电功率越小B 解析:BA .由公式P =W t可知,电流做功越快,而不是越多,电功率越大,故A 选项错误; B .同一导体即电阻相同,两端的电压越小,根据2U P UI R==可知,电功率也越小,故B 选项正确;C .由公式P =I 2R 可知,电阻越大,不知道电流的变化,故无法判断电功率的变化,故C 选项错误;D .由公式2U P R=可知,电阻越大,不知道电压的变化,故电功率变化不知,故D 选项错误。
故选B 。
3.在如图所示的电路中,电源电压保持不变,闭合开关,滑动变阻器的滑片P 向右移动时,下列说法正确的是( )A .电流表示数变大B .电路消耗的总功率不变C .小灯变亮D .电压表示数变小B解析:B 由图示知,灯泡与滑动变阻器串联在电路,且变阻器接入电路的阻值为最大值,保持不变,电压表测灯泡与变阻器最左至滑片之间的总电压。
上海侨光中学物理电与磁单元试卷(word版含答案)一、三物理电与磁易错压轴题(难)1.小明学会了测小灯泡的功率后,在老师的启发下,进一步思考:电流一定时,小灯泡功率跟电阻有什么关系呢?于是他利用如图所示的电路,选用分别标有“1.5 V 0.25 A”“2.5 V 0.3 A”和“3.8 V 0.3 A”字样的小灯泡L1、L2、L3,测出它们在电流相同时的电阻和功率,来探究小灯泡功率与电阻的关系.(1)他将灯L1接入图甲电路,请你用笔画线代替导线,帮他将实物电路连接完整.______(2)闭合开关后,他调节滑动变阻器的滑片P,使通过灯L1的电流为0.2 A,再测出L1两端的电压,此时电压表示数如图乙所示,然后计算出此时灯L1的电阻为______Ω,实际功率是____ W.(3)换上灯L2,闭合开关,为保持电流为0.2 A不变,应将滑片P向________(选填“左”或“右”)端移动;再测出L2两端的电压,算出L2的电阻和功率.换上灯L3,做第三次实验,并将实验数据记录在下表中.(4)请根据实验数据,在图丙中作出小灯泡功率与电阻关系的图象.______(5)分析图象可得结论:在电流一定时,小灯泡的实际功率与电阻成________关系.(6)小波认为:为了控制实验条件,小明每次实验要换灯泡还要调节滑动变阻器,这样的操作不够简便.对此你可以如何改进?____.【答案】答案见解析 4 0.16 左答案见解析正比将L1、L2、L3串联在同一电路中,使电流不变【解析】【分析】【详解】(1)如图(2)电压表使用的0~3V,分度值为0.1V,电压为0.8V,电流为0.2A,所以L1电阻为R1=UI=0.840.2VA=Ω,实际功率P实=UI=0.16W;(3) 换上灯L2,电阻增大,总电阻增大,电路电流减小,电流表的示数将变小;要使电路电流增大到0.2A,要减小电路总电阻,滑动变阻器的滑片向左端移动;(4)(5)分析图像可知图线是一条过原点的直线,可知,电流一定时,功率和电阻成正比.(6)实验目的是小灯泡功率与电阻的关系,根据控制变量法,要保证电流不变,则可以将L1、L2、L3串联在同一电路中,分别测各自两端电压即可.【点睛】本题题干很长,给学生的心理压力很大,并且本题涉及到的知识点多,而且和数学联系起来,增大了试题的难度,并且用实验探究功率和电阻关系的题目比较少见,学生不熟悉,更增大了习题的难度.2.某同学猜想电磁铁磁性强弱与电流大小和线圈匝数有关。
在探究“电磁铁磁性强弱与电流大小是否有关”时,使用的器材有:学生电源、电磁铁、电流表、滑动变阻器、开关、软铁块P、铁架台、电子秤、导线若干。
某同学用绝缘细线将电磁铁M悬挂在铁架台上,并保持它与软铁块P的距离不变:(1)实验时,他_______开关S,组装实验电路如图所示,请将滑动变阻器连入电路中,要求:滑片向左滑动时电路中电流变大;(2)本实验中根据______________比较电磁铁磁性强弱;(3)请设计出记录实验数据的表格,表中要有必要的信息。
(_________)【答案】断开,电子秤的示数实验次数电流I/A电子秤的示数/g123……【解析】【分析】【详解】(1)[1]在连接电路时,开关S应处于断开状态。
由题意知,电路中变阻器调节电路的电流,所以各元件串联;而滑片向左滑动时电路中电流变大,即滑片向左滑动时,变阻器接入电路的电阻变小,所以变阻器下边的接线柱应接左边的;电路所用电源为学生电源,则电流表应用大量程0~3A,故电路连接如下:(2)[2]实验根据电子秤的示数来比较电磁铁磁性强弱。
因为当开关闭合时,电路中有电流通过,电磁铁有磁性,对放在电子秤上的软铁块P有吸引力。
当电流越大时,电磁铁的磁性就越强,对软铁块的吸引力就越大,那么软铁块对电子秤的作用力就越小,则电子秤的示数就越小。
(3)[3]实验探究的是“电磁铁磁性强弱与电流大小的关系”,所以在实验时需记录电流的大小,而磁性的强弱是通过电子秤的示数来反映的,所以还需要记录电子秤的示数。
故实验表格如下:实验次数电流I/A电子秤的示数/g123……3.小谦在探究“磁体间相互作用规律”时发现:磁体间的距离不同,作用力大小也不同。
他想:磁体间作用力的大小与磁极间的距离有什么关系呢?(1)小谦用如图所示的实验进行探究。
由于磁体间作用力的大小不便测量,他通过观察细线与竖直方向的夹角 的变化,来判断磁体间力的变化,用到的科学方法是________法。
(2)小谦分析三次实验现象,得出结论:两磁铁磁极间的________,相互作用力越大,小月认为:这个结论还需要进一步实验论证,联想到磁体间的相互作用规律,还须研究甲、乙两块磁铁相互________时,磁体间作用力与距离的关系。
【答案】转化(或转换)距离越小排斥【解析】【分析】【详解】(1)[1]由题意可知,磁体间作用力越大,细线与竖直方向的夹角也越大,那么可以通过观察这个夹角的大小得知磁体间力的变化,用到的科学方法是转换法。
(2)[2]从三次实验可看到,夹角越大时,相互作用力越大,这时两磁铁磁极间的距离越小,可得出结论:两磁铁磁极间的距离越小,相互作用力越大。
[3]磁体间的相互作用规律有吸引也有排斥,所以还须研究甲、乙两块磁铁相互排斥时,磁体间作用力与距离的关系。
4.如图所示电路,是某学校楼道自动控制照明系统,R3是一光敏电阻,其阻值随“光照度E“的增大而减小,且成反比,其具体关系如下表所示(光照度E的单位是:勒克斯,符号Lx:光越强,光照度越大),光照度E/L x0.51 1.52 2.53光敏电用R3阻603020151210值/Ω(1)根据表格中数据写出光敏电阻的阻值R3与光照度E的函数关系式_________________;(2)当线圈中电流减小至10mA时,电磁继电器衔铁被弹簧拉起,启动照明系统,利用该装置可以实现当光照度低至某一设定值E0 Lx时,照明系统内照明灯自动工作。
若已知控制电路电源电压U v,电磁继电器线圈电阻为R1Ω.滑动变阻器最大阻值为R2Ω。
闭合开关,把滑片移到b端,则可得到照明系统启动时的光照度E0=______________。
【答案】330LxΩRE⋅=1230100U R R--【解析】【详解】(1)[1]由表格数据可知,光照度与光敏电阻R3阻值的乘积相等,E×R3=0.5lx×60Ω=30lx•Ω即:330LxΩRE⋅=;(2)[2]闭合开关S,将滑片P移至b端,变阻器接入电路中的电阻最大,由题可知,当线圈中电流减小至I0=10mA=0.01A时,电磁继电器衔铁被弹簧拉起,启动照明系统,所以,电路中的总电阻:=100Ω0.01AU UR UI==总;因串联电路中总电阻等于各分电阻之和,所以,R3的阻值:R3=R总-R1-R2=100U-R1-R2,根据第一步的结果可知:3123030=100ER U R R=--。
5.在学习了电和磁的知识后,小杰在家里饶有兴趣地做起了小实验.他找了一枚缝衣针,在“吸铁石”上擦了几下,然后用一根细软的棉线将缝表针悬挂起来井保持水平,结果发现静止后针尖总是指向南方,这说明缝衣针已经磁化成了一枚小磁针。
为验证奥斯特实验,小杰把通电的台灯(60 W)导线移到缝衣针的下方,并靠近缝衣针平行放置,结果发现缝衣针并未发生偏转,带着疑问,小杰在科学课堂上与大家展开讨论。
结果出现了两种不同观点,这时,老师让小杰用两节干电池(3 V)和一段电阻丝(15 Ω)重新做这个实验.结果缝衣针发生了偏转。
(1)磁化后,这枚缝衣针的针尖是________极;(填“S ”或“N ”)(2)在课堂实验中,电阻丝中通过的电流大小为________安;(3)下面是同学们在课堂讨论中形成的两种观点,通过小杰的课堂实验可以否定的是______(填“A ”或“B ”)A .台灯线内有两根导线,且电流方向相反,产生的磁性相互抵消B .台灯线内电流太小,产生的磁场太弱,不足以让小磁针偏转 【答案】S 0.2 B【解析】【分析】【详解】(1)[2]缝衣针被悬挂起之后针尖总是指向南方,根据人们对磁极的规定可知,针尖是南极,即S 极。
(2)[2]由欧姆定律公式可得,课堂实验中,电阻丝中通过的电流大小为3V ==0.2A 15ΩU I R =(3)[3]台灯导线中的电流为 60W =0.27A 220VP I U 台灯台灯台灯=≈ 可见电阻线中的电流与台灯导线中的电流大小相差不大,所以台灯线不能使缝衣针偏转不是由于电流太小引起的;其真正的原因应该是,台灯是交流电,并行的导线中瞬间的电流方向是相反的,因此产生的磁场相互抵消,不会使缝衣针发生偏转,故B 可以否定。
6.如图是“探究导体在磁场中运动时产生感应电流的条件”的实验装置.(1)闭合开关后,当导体ab 向左或向右运动时,电流表指针偏转,当导体ab 向上或向下运动时,电流表指针不偏转,说明闭合电路中的部分导体在磁场中做 运动时导体中会产生感应电流.(2)在此实验过程中,是 能转化为 能.(3)实验中发现,当导体ab 向左运动时,电流表指针向右偏转,当导体ab 向右运动时,电流表指针向左偏转,说明 .(4)小明猜想“感应电流大小可能与导体运动速度大小有关”,他验证猜想的过程是:让导体在第一次实验中运动较慢,在第二次实验中运动 ,观察两次实验中的 ,然后进行分析与判断.【答案】(1)切割磁感线;(2)机械;电;(3)感应电流的方向跟导体运动方向有关;(4)较快;电流表的指针偏转情况.【解析】试题分析:(1)导体ab向上或向下运动时,没有切割磁感线,所以电流表不偏转,而左右运动时,切割磁感线,所以电流表偏转,则产生感应电流的条件是闭合电路中的部分导体在磁场中做切割磁感线的运动时导体中会产生感应电流;(2)在实验过程中,机械能转化成电能;(3)导体切割磁感线的方向不同,电流表指针的偏转方向不同,这说明感应电流方向与导体运动方向有关;(4)若探究感应电流的大小与导体运动速度的关系,要使导体一次运动较慢,一次运动较快,观察电流表指针偏转的角度是否相同.【考点定位】电磁感应7.探究“产生感应电流条件”的实验步骤如图甲、乙、丙所示。
(1)本实验中,我们是通过观察____________来判断电路中是否有感应电流产生的。
(2)比较________两图可知,产生感应电流的一个条件是电路要闭合;比较________两图可知,产生感应电流的另一个条件是导体要在磁场中做切割磁感线运动。
(3)若图甲中AB棒不动,磁体左右水平运动,电路中________(选填“有”或“无”)感应电流。
(4)实验过程中,某些同学按图甲所示方法进行操作时,实验现象不太明显,请你分别从实验装置和操作过程两方面各提出一条改进的措施,实验装置方面:__________;操作过程方面:_____________。