重庆市机动车停车场等级标准.docx
- 格式:docx
- 大小:10.85 KB
- 文档页数:4
旅馆机动车停车位指标
注:1.一类:中央,省级机关,外贸机构及外国驻华办事机构;
2.二类:其他机构。
注:以接待外国人,港澳同胞和华侨为主的商业场所机动车停车位指标应适当增加。
注:1.体育场停车位指标可适当减少;
2体育馆:一类座位数≥4000;二类座位数<4000;
3.体育场:一类座位数≥15000;二类座位数<15000。
影(剧)院停车位指标
二类:一般影(剧)院。
展览馆停车位指标
医院停车位指标
注:1.一类:古典园林,风景名胜;
2.二类:一般性城市公园。
注:一类:国内高级住宅以及外国人,华侨,港澳同胞等使用的住宅;
二类:普通住宅。
机动车停配建标准临安市城市建筑工程机动车停车位配建标准1 总则1.0.1为加强我市城市建筑工程机动车配建停车设施的规划管理,使停车设施的设计和建设符合合理的车辆停放需求,实现城市动静态交通运行协调、平衡发展,根据国家和省、市有关法律、法规、规章的规定,制定本标准。
1.0.2本标准适用于我市各类新建、改建和扩建建筑工程。
1.0.3本标准在浙江省《城市建筑工程停车场(库)设置规则和配建标准》、《杭州市城市建筑工程机动车停车位配建标准实施细则》(试行)的基础上,根据我市的机动车停车需求特点,进一步完善了建筑工程的停车配建指标。
1.0.4 城市建筑工程机动车停车位的配置和设计,除应执行本标准外,还应符合国家、行业及地方现行的有关设计标准和规范的强制性规定。
2 术语2.0.1城市建筑工程urban architectural engineering泛指城市规划区内包括新建、改建和扩建的公共建筑、住宅,以及工厂、仓库等。
2.0.2 公共建筑public building泛指为人们提供公共服务和使用的各类建筑,主要有行政办公建筑、文教体卫建筑、商业金融业建筑等。
2.0.3 配建停车设施accessory parking facilities指在各类建筑或设施附属建设,为与之相关的出行者提供停车服务的停车设施。
2.0.4 基地出入口entrance/exit of bases指为各类建筑工程建设用地上内部道路与城市道路的连接口。
2.0.5交通影响分析traffic impact analysis指通过研究城市开发项目与交通需求增长之间的关系,分析开发项目对城市交通的影响程度和影响范围,进而确定保持服务水平不下降的对策或修改方案,实施补偿政策,以减少开发项目对城市交通负荷的影响。
3 一般规定3.0.1新建、扩建、改建的建筑,应按第4章表中规定的指标建设机动车停车位。
原建筑已有机动车停车位不符合本标准规定者,应在改、扩建规划设计时按规定的标准配置。
停车场设计配件指标5 配建指标5.0.1 城市建筑工程停车场(库)配建指标的选用,应符合表5.0.1配建指标级别及适用范围的规定。
表5.0.1 配建指标级别及适用范围5.0.2 住宅停车位指标不应小于5.0.2的规定。
表5.0.2 住宅停车指标5.0.5 餐饮、娱乐设施的停车位指标不应表5.0.5的规定. 表5.0.5 餐饮、娱乐设施停车位指标5.0.6 旅馆停车位指标不应小于表5.0.6的规定.表5.0.6 旅馆停车位指标注:1、一类指星级宾馆,二类指其他普遍旅馆。
2、配套的餐饮、娱乐、商场设施停车位另计。
5.0.7 体育场馆应按表 5.0.7-1分类,其停车位指标不应小于表5.0.7-2的规定.表5.0.7-1 体育场馆分类表5.0.7-2 体育场馆停车位指标注:内部非机动车停车数按职工总人数的30%计算5.0.8 影(剧)院车位指标不应小于表5.0.8的规定. 表5.0.8 影(剧)院停车指标5.0.9 图书馆、博物馆、科技馆停车位指标不应小于表5.0.9的规定.表5.0.9 图书馆、博物馆、科技馆停车位指标 5.0.10 展览馆停车位指标不应小于表5.0.10的规定. 表5.0.10 展览馆停车位指标5.0.11 医院停车位指标不应小于表5.0.11的规定. 表5.0.11 医院停车位指标5.0.12 学校停车位指标不应小于表5.0.12的规定.表5.0.12 学校停车位指标5.0.13 游览场所停车位指标不应小于表5.0.13的规定执行.表5.0.13游览场所停车位指标计算5.0.14 工业厂房区、仓库区停车位指标不应小于表5.0.14的规定. 表5.0.14 工业厂房区、仓库区停车位指标注:*内部非机动车停车数按职工人数的80%计算.5.0.15 停车位配建指标仅按大、中、小城市的低限标准制定。
各类城市在满足本标准规定的配建指标前提下,可根据城市规模、发展阶段、建筑工程所处区位和城市交通政策等因素,自行制定配建指标。
重庆停车位配建标准下载温馨提示:该文档是我店铺精心编制而成,希望大家下载以后,能够帮助大家解决实际的问题。
文档下载后可定制随意修改,请根据实际需要进行相应的调整和使用,谢谢!并且,本店铺为大家提供各种各样类型的实用资料,如教育随笔、日记赏析、句子摘抄、古诗大全、经典美文、话题作文、工作总结、词语解析、文案摘录、其他资料等等,如想了解不同资料格式和写法,敬请关注!Download tips: This document is carefully compiled by the editor. I hope that after you download them, they can help yousolve practical problems. The document can be customized and modified after downloading, please adjust and use it according to actual needs, thank you!In addition, our shop provides you with various types of practical materials, such as educational essays, diary appreciation, sentence excerpts, ancient poems, classic articles, topic composition, work summary, word parsing, copy excerpts,other materials and so on, want to know different data formats and writing methods, please pay attention!重庆市作为我国的特大城市之一,随着城市人口和车辆的不断增加,停车位已成为城市管理中的重要问题。
重庆市停车场管理办法重庆市人民政府令第299号《重庆市停车场管理办法》已经2015年12月23日市人民政府第113次常务会议通过,现予公布,自2016年3月1日起施行。
市长黄奇帆2016年1月4日第一条为加强停车场的规划、建设和管理,规范停车秩序,改善交通状况,引导绿色出行,根据《中华人民共和国道路交通安全法》《重庆市市政设施管理条例》和有关法律法规,结合本市实际,制定本办法。
第二条本市行政区域内停车场的规划、建设及管理适用本办法。
本办法所称停车场,是指面向社会公众为机动车辆提供停放服务的场所,包括建筑物配建停车场、公共停车场和路内停车位。
第三条停车场管理应当遵循规划引领、合理布局、建管并重、方便群众的原则,形成以建筑物配建停车场为主体、公共停车场为辅助、路内停车位为补充的停车设施供给格局。
第四条市市政主管部门是停车场管理工作的主管部门,负责本市行政区域内停车场管理的指导协调、监督检查,日常管理工作由市停车场管理机构承担。
区县(自治县)人民政府负责统筹协调本行政区域内停车场的规划、建设及管理工作。
区县(自治县)市政主管部门负责本行政区域内停车场的具体管理工作。
发展改革、财政、城乡规划、城乡建设、国土房管、公安、消防、价格、工商、税务等部门应当在各自职责范围内做好停车场管理的相关工作。
第五条市市政主管部门应当会同城乡规划、城乡建设、国土房管、公安、消防、价格等部门,根据国家规范和标准,结合本市实际,编制停车场设置的技术规范和标准。
第六条本市停车行业协会应当加强行业自律,开展服务质量评价和培训工作,并协助有关部门做好停车场的相关管理工作。
第七条市城乡规划部门应当根据经济社会发展需要、城市总体规划和城市综合交通体系规划的要求,会同发展改革、市政、城乡建设、国土房管、公安等部门编制主城区停车专项规划,经市人民政府批准后实施。
主城区外的区县(自治县)城乡规划部门应当根据实际情况,编制本区县(自治县)停车专项规划,经本级人民政府批准后实施。
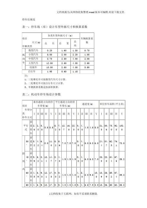
停车位规范表一:停车场(库)设计车型外廓尺寸和换算系数注:1、三轮摩托车可按微型汽车尺寸计算。
2、二轮摩托车可按自行车尺寸计算。
3、车辆换算系数是按面积换算。
表二:机动车停车场设计参数注:表中Ⅰ类指微型汽车,Ⅱ类指小型汽车,Ⅲ类指中型汽车,Ⅳ类指大型汽车,Ⅴ类指绞接车。
表三:车辆纵横向净距注:多层车库和地下车库的净距按国家标准GBJ67-84《汽车库设计防火规范》表表四:停车场通道的最小平曲线半径表五:停车场通道最大纵坡度(%)表六:自行车停车场主要设计指标表七:旅馆机动车停车位指标注:第一类以接待外国人、港澳同胞和华侨为主。
第二类接待国内旅客。
表八:饮食店停车位指标表九:办公楼停车位指标(建议指标)注:1.一类:中央、省级机关、外贸机构及外国驻华办事机构。
2.二类:其他机构。
表十:商业场所停车位指标(建议指标)注:以接待外国人、港澳同胞和华侨为主的商业场所机动车停车位指标应适当增加。
表十一:体育馆停车位指标(建议指标)注:1.体育场停车位指标可适当减少。
2.体育馆:一类座位数≥4000;二类座位数<4000。
3.体育场:一类座位数≥15000;二类座位<15000。
表十二:影(剧)院停车位指标注:一类:省、市级和相当于省、市级的影(剧)院。
二类:一般影(剧)院。
表十三:展览馆停车位指标表十四:医院停车位指标注:表中所称建筑面积为门诊和住院部建筑面积之和。
表十五:游览场所停车位指标注:一类:古典园林、风景名胜。
二类:一般性城市公园。
表十六:火车站停车位指标表十七:码头停车位指标表十八:住宅停车位指标注:一类:国内高级住宅以及外国人、华侨、港澳同胞等使用的住宅。
二类:普通住宅。
各省市建设项目配建停车场(库)标准汇总Parking Standard for Construction Projects目录:一、北京市标准二、上海市标准三、天津市标准四、重庆市标准五、浙江省标准六、山东省标准七、南京市标准八、长沙市标准九、沈阳市标准十、哈尔滨市标准一、北京市标准依据《北京地区建设工程规划设计通则》5.2.2 机动车1.凡本市行政区域内建设下列大中型公共建筑, 均须按照本规定配套建设停车场(含停车库,以下简称停车场)。
(1).建筑面积1000平方米以上(含1000平方米)的饭庄。
(2).建筑面积2000平方米以上(含2000平方米)的电影院。
(3).建筑面积5000平方米以上(含5000平方米 )的旅馆、外国人公寓、办公楼、商店、医院、展览馆、剧院、体育场(馆)等公共建筑。
现有停车场不符合本规定要求的, 应按本规定逐步补建、扩建。
小型汽车按每车位40平方米计算,自行车按每车位1.8平方米计算。
(2)旅馆中的一类指《旅游旅馆设计暂行标准》规定的一级旅游旅馆,二类指该标准规定的二、三级旅游旅馆,三类指该标准规定的四级旅游旅馆。
(3)餐饮中的一类指特级饭庄,二类指一级饭庄。
(4)商场中的一类指建筑面积10000平方米以上的商场,二类指建筑面积不足10000平方米的的商场。
(5)体育场馆中的一类指15000座位以上的体育场或3000座位以上的体育馆,二类指不足15000座位的体育场或不足3000座位的体育馆。
(6)多功能的综合性大中型公共建筑,停车场车位按各单位标准总和80%计算。
7.1.2 布局要求4.居住区内公共活动中心、集贸市场和人流较多的公共建筑,必须相应配建公共停车场(库),并应符合下列规定:(2)其它各型车辆停车位的换算办法,应符合本规范第11章中的有关规定。
(3)配建停车场(库)应就近设置,并宜采用地下或多层车库。
二、上海市标准依据《上海市建筑工程交通设计及停车库(场)设置标准》9 建筑工程配置停车位指标70、建筑工程配建的机动车停车位指标,以小型车为计算当量,非机动车以自行车为计算当量,各类车辆的换算当量系数应符合以下规定:机动车类:小型车为1.0。
重庆市公共停车场管理办法(全文)重庆市公共停车场管理办法(送审稿)第一章总则第一条(目的和依据)为加强本市公共停车场管理,调节停车供需关系,改善交通状况,引导绿色出行,根据《道路交通安全法》、《重庆市市政设施管理条例》、《重庆市城乡规划条例》和有关法律法规,结合本市实际,制定本办法。
注释:制定本办法的法律法规支撑。
主要包括:《道路交通安全法》、《重庆市市政设施管理条例》、《重庆市城乡规划条例》、《住房和城乡建设部、公安部、国家发展和改革委员会关于城市停车设施规划建设及管理的指导意见》(建城〔20xx〕74号)、《重庆政府办公厅关于鼓励投资建设公共停车场的指导意见》(渝府办〔20xx〕45号)、重庆政府办公厅《关于加强和规范城市道路占道停车管理工作的通知》(渝府办发〔20xx〕119号)、重庆市财政局、重庆市市政管理委员会《关于临时占道停车费税后资金实行收支两条线管理的通知》(渝财综[20xx]18号)、重庆政府办公厅《关于印发重庆市公共停车服务收费管理办法的通知》(渝府办发〔20xx〕55号)、重庆市物价局《关于公共停车服务收费有关问题的通知》(渝价〔20xx〕175号)。
第二条(适用范围)本市行政区域内公共停车场的规划、建设及管理适用本办法。
本办法所称公共停车场,是指为社会车辆提供停放服务的场所,包括专业停车场、配建停车场、临时停车场以及临时占道停车点。
注释:结合《重庆市市政设施管理条例》第七十五条第三、四款中对城市公共停车场和临时占道停车点的定义,明确本《办法》公共停车场的定义;并针对《重庆政府办公厅关于鼓励投资建设公共停车场的指导意见》(渝府办〔20xx〕45号)中对公共停车场定义的差异,本《办法》将公共停车场分为了专业停车场、配建停车场、临时占道停车点以及临时停车场四个类型,其中专业停车场就是涵盖《重庆政府办公厅关于鼓励投资建设公共停车场的指导意见》(渝府办〔20xx〕45号)中的公共停车场。
机动车停车场配建指标地面停车率20.0%开封市住房和城乡建设局开封市城乡规划局文件汴住建文【2012】118号关于规范物业管理用房配套建设的通知(摘抄)三、物业管理用房应当统一规划、设计和建设。
分期实施开发的建设项目,应按照规划总建筑面积核定物业管理用房面积,并在一期开发中一次性实施规划建设。
四、物业管理区域内,开发建设单位应当按照不低于总建筑面积千分之二的标准配套建设物业管理用房,总建筑面积小于3万平方米的,按照不低于60平方米的标准配套建设。
五、地上规划总建筑面积所配备的物业管理用房应位于地面以上,设置在物业项目出入口附近或中心区域并相对集中,具备自然通风采光条件。
没有配备电梯的物业项目,物业管理用房位置不应超过第三层。
六、地下规划总建筑面积所配备的物业管理用房可设置在地面以下,但应具有独立性、可分割性,并可单独进行产权登记。
总建筑面积在5万平方米以下的,所配备的物业管理用房应当设置在地面以上。
2012年7月3日,规划所就目前工作中遇到的技术问题组织全所人员进行了探讨,形成如下意见:1、一套住宅中除厨房、卫生间外,其他房间(如卧室、客厅、影视房、健身房、书房、茶室等等)均视作起居空间;储藏间(开窗)建筑面积大于(含等于)5平方米视作起居空间。
2、日照分析(在控规阶段)出详规方案作现状日照分析时,为简化工作流程、减轻甲方负担、加快工作进度,视规划地块内部为平地。
对周边建筑高度根据建筑性质模拟其高度:住宅建筑:低层3.5*层数+0.6米;多层3.0*层数+0.6米;宿舍建筑:3.3*层数+0.6米;窗台高1.0+0.6米。
室内外高差:0.6米;办公建筑:3.3*层数+0.6米;窗台高1.2+0.6米。
室内外高差:0.6米;教室:小学教室3.3*层数+0.6米;中学教室3.6*层数+0.6米;在修建性详规阶段,应反映规划地块周边建筑真实的现状日照情况。
修建性详细规划成果要求1、规划说明书⑴现状条件分析;⑵规划原则和总体构思;⑶用地布局;⑷空间组织和景观特色要求;⑸道路和绿地系统规划;⑹各项专业工程规划及管网综合;⑺竖向规划;⑻主要技术经济指标。
重庆市停车场管理办法随着城市的发展和居民生活水平的提高,汽车数量不断增加,停车场的管理成为了城市管理中的一个重要环节。
为了规范停车场的建设、使用和管理,保障城市交通顺畅和市民出行便利,重庆市制定了一系列停车场管理办法。
一、停车场的规划与建设重庆市在停车场的规划上,充分考虑了城市的发展需求和交通流量分布。
根据不同区域的功能和人口密度,合理确定停车场的数量和规模。
在新建商业区、住宅区和公共设施时,必须按照规定配套建设相应规模的停车场,以满足未来的停车需求。
对于停车场的建设标准,有着严格的要求。
停车场的场地要平整、坚实,排水设施良好,确保车辆进出安全、顺畅。
停车位的尺寸和布局要符合国家标准,方便车辆停放和进出。
同时,停车场要配备完善的照明、通风、消防等设施,保障停车环境的安全和舒适。
为了鼓励社会资本参与停车场的建设,重庆市出台了相关的优惠政策。
例如,对于投资建设公共停车场的企业或个人,给予一定的土地优惠和财政补贴,以提高社会力量参与停车场建设的积极性。
二、停车场的分类与使用重庆市的停车场主要分为公共停车场、专用停车场和临时停车场三大类。
公共停车场是指为社会公众提供停车服务的场所,通常由政府或相关企业投资建设和管理。
这些停车场的收费标准由物价部门根据市场情况和运营成本进行核定,以保障收费的合理性和公正性。
专用停车场是指供本单位、本居住区车辆停放的场所,如机关单位、住宅小区内的停车场。
专用停车场在满足本单位或本居住区车辆停放需求的前提下,可以向社会开放,但需要按照相关规定办理手续,并遵守相应的管理要求。
临时停车场是指在特定时间段、特定区域内设置的停车场,如节假日期间在一些空地设置的临时停车区域。
临时停车场的设置要经过相关部门的审批,并且要明确停车时间和收费标准,以避免出现混乱和纠纷。
在使用停车场时,车主需要遵守停车场的管理规定,按照指定的位置停放车辆,不得随意占用他人车位或通道。
同时,要按时缴纳停车费用,如有欠费行为,将按照相关规定进行处理。
重庆市物价局关于重新核定大都会广场停车库收费标
准的批复
文章属性
•【制定机关】重庆市物价局
•【公布日期】2001.05.14
•【字号】渝价[2001]328号
•【施行日期】2001.05.20
•【效力等级】地方规范性文件
•【时效性】现行有效
•【主题分类】财政其他规定
正文
重庆市物价局关于重新核定
大都会广场停车库收费标准的批复
(渝价[2001]328号)
重庆和记实业有限公司:
你司“关于申请核定机动车停放服务收费标准”和记函(2001)3号已收悉。
你司大都会广场停车库地处渝中区中心地带,面积为4896平方米,共406个停车位,进出口通道各一个,设备齐全,完全符合停车库条件。
根据渝价(2000)740号重庆市物价局印发《重庆市机动车停放服务收费管理办法的通知》精神,结合你场实际,经研究,核定收费标准按一级以上停车库收费,具体收费标准如下:
1、小型车4小时内每小时5元,超出4小时按每小时3元计收,12小时内不得超过30元,24小时内不得超过60元。
2、大型车4小时内每小时6元,超出4小时按每小时4元计收,12小时内不得超过40元,24小时内不得超过80元。
3、二轮摩托车2小时内每小时1元。
4小时内按3元收取,12小时内按5元收取,24小时内按8元收取。
4、超过24小时以上连续停车收费不分车型,一律按每小时3元计收。
(摩托车除外)
以上收费标准请于2001年5月20日起执行。
接此通知后,重新到市物价局办理《经营性收费许可证》,实行亮证收费。
二00一年五月十四日。
《停车场规划设计规范》(试行)颁布单位公安部/建设部颁布日期881003 实施日期890101第一条本规则适用于大、中城市和重点旅游区停车场的规划设计,小城市可参照执行。
第二条专用和公共建筑配建的停车场原则上应在主体建筑用地范围之内。
第三条机动车停车场内必须按照国家标准GB5768-86《道路交通标志和标线》设置交通标志,施划交通标线。
第四条机动车停车场的出入口应有良好的视野。
出入口距离人行过街天桥、地道和桥梁、隧道引道须大于50米;距离交叉路口须大于八十米。
第五条机动车停车场车位指标大于50个时,出入口不得少于2个;大于500个时,出入口不得少于3个。
出入口之间的净距须大于10米,出入口宽度不得小于7米。
公共建筑配建的机动车停车场车位指标,包括吸引外来车辆和本建筑所属车辆的停车位指标。
第六条机动车停车场内的停车方式应以占地面积小、疏散方便、保证安全为原则。
主要停车方式见图一。
第七条机动车停车场车位指标,以小型汽车为计算当量。
设计时,应将其他类型车辆按表一所列换算系数换算成当量车型,以当量车型核算车位总指标。
第八条机动车停车场主要设计指标应不小于表二规定。
第九条在停车场内停放的机动车之间的净距应不小于表三规定。
第十条机动车停车场内的主要通道宽度不得小于6米。
第十一条机动车停车场通道的最小平曲线半径应不小于表四规定。
第十二条机动车停车场通道的最大纵坡度应不大于表五规定。
第十三条自行车停车场原则上不设在交叉路口附近。
出入口应不少于二个,宽度不小于2.5米。
第十四条自行车停车方式应以出入方便为原则。
主要停车方式见图二。
第十五条自行车停车场主要设计指标应不小于表六规定。
第十六条公共自行车停车场的停车位指标是指吸引外来自行车的停车位指标。
专用自行车停车场的停车位指标应不小于本单位职工人数的30%。
第十七条各类建筑配建的停车场车位指标应不小于表七至表十八规定。
第十八条各省、自治区、直辖市公安交通管理部门和城市规划部门可结合当地实际情况制定细则,报当地人民政府批准,并报公安部和建设部备案。
重庆市机动车停车场等级标准
室内特级停车场标准
一、车库为钢混结构,停车位必须在 200 个车位以上,每个车位面积不得低于长×宽=5×
2.4 米。
车场必须设有两个以上出入口,出入口通道不得少于 6 米,此外,还应设有紧急车辆出口。
二、消防及通风设备:
车场应设有自动喷淋系统、温度探测器和 CO探测器,以及自动化防排烟通风系统等设施。
三、照明设备:
车场除正常照明系统外,还应设应急照明系统,保障车场24 小时停车安全。
四、监控设备:
车场应设有完善的监控系统,对车场内各主要干道,车场进出口等地方进
行 24 小时监控,保障停车安全。
五、车场应设置自动化收费系统,高标准的规范的地面标线及标牌,并为
车主购买保险。
六、地下停车场应具备两台以上电梯设施,方便客人和货物通行。
室内普通停车场标准钢筋混凝土结构的停车楼(库)。
一、有为停车场服务的配套设施、有通气设施、照明设施、标志设施。
二、设有防火监测预警装置和完善的消防设施。
三、有专业的现场管理人员,严格的管理规章制度,24 小时接待服务。
附件二:
政府定价的机动车停放服务收费标准(一)室内机动车停放服务收费标准
特级停车场车型停放时间收费标准备注小型车、三轮 2 小时内 3 元/ 小时超出 2小时按每小时 1元摩托车 12 小时内 15 元以内计收,但不得超过 12 小时 24 小时内 25 元以内和 24 小时的限定标准。
大中型车 2小时内 4 元/ 小时超出 2 小时按每小时 2 元 12 小时内 20 元以内计收,但不得超过 12 小时 24 小时内 30 元以内和 24 小时的限定标准。
二轮摩托车 1 元/ 小时按小时累计计收,但不得 12 小时内 5 元以内超过 12小时和 24 小时的 24 小时内 10 元以内限定标准。
普通停车场车型停放时间收费标准备注小型车、 2 小时内 2 元/ 小时超出 2小时按每小时 1元计三轮 12 小时内 10 元以内收,但不得超过 12 小时和摩托车24 小时内 20 元以内 24 小时的限定标准。
大中型车 2小时内 3 元/ 小时超出 2 小时按每小时 2 元计 12 小时内 15 元以内收,但不得超过 12 小时和 24 小时内 25 元以内 24 小时的限定标准。
二轮摩托车 1 元以内 / 小时按小时累计计收,但不得超 12 小时内 5 元以内过 12 小时和 24小时的限定 24 小时内 10 元以内标准。
(二)室外机动车停放服务收费标准车型停放时间收费标准备注小型车、三1元/ 小时
1、实行按次计费的机轮摩托车12 小时内 6 元以内场、码头、旅游景点按24 小时内 12 元以内每次 2 元计收。
大中型车 2 小时内 2 元/ 小时
2、包括公共露天停车12 小时内 10 元以内场、行政执法扣押车露24 小时内20 元以内天停车场、城区临时占道停车场。
二轮摩托车 1 元以内 / 小时
3、超出 2 小时按每小时 12 小时内 5 元以内 1 元计收,但不得超过 1224 小时内 8 元以内小时和 24 小时的限定标准。
绞接车、拖 2 小时内 3 元/ 小时
4、大中型车、绞接车、挂车、超长车12 小时内 15 元以内拖挂车、超长车等未经 24 小时内 30 元以内交管部门批准在城区临时占道停放,不得以此作为
停放依据。
附件三:
政府指导价的机动车停放服务收费标准(一)室内机动车停放服务收费标
准特级停车场车型停放时间收费标准备注小型车、 2 小时内 3-4 元/ 小时超出 2 小时按每小时 2 元计三轮摩托车 12 小时内 15 元以内收,但不得超过 12 小时和 24 小时内 25 元以内小时的限定标准。
大中型车 2 小时内 3-5 元/ 小时超出 2 小时按每小时 212 小时内 20 元以内元计收,但不得超过 1224 小时内 30 元以内小时和 24 小时的限定标准。
二轮摩托车 1 元以内 / 小时按小时累计计收,但 12 小时内 5 元以内不得超过12 小时和 24 小时内 10 元以内小时的限定标准。
普通停车场车型停放时间收费标准备注小型车、三轮 2 小时内 2-3 元/ 小时超出 2 小时按每小时 2 摩托车 12 小时内 10 元以内元计收,但不得超过1224 小时内 20 元以内小时和 24 小时的限定标准。
大中型车 2 小时内 3-4 元/ 小时超出 2 小时按每小时 2 元 12 小时内 15 元以内计收,但不得超过 12 小 24 小时内 25 元以内时和 24 小时的限定标准。
二轮摩托车 1 元以内 / 小时按小时累计计收,但 12 小时内 5 元以内不得超过12 小时和 24 小时内 10 元以内 24 小时的限定标准。
(二)室外机动车停放服务收费标准车型停放时间收费标准备注小型车、 2 小时内 1-2 元/ 小时超出 2 小时按每小三轮摩托车 12 小时内 6 元以内时 1 元计收,但不得 24 小时内 12 元以内超过 12 小时和 24 小时的限定标准。
大中型车 2 小时内 2-3 元/ 小时超出 2 小时按每小 12 小时内 10 元以内时 1 元计收 ,但不得 24 小时内 20 元以内超过 12 小时和 24 小时的限定标准。
二轮摩托车 1 元以内 / 小时按小时累计计收,但 12 小时内 5 元以内不得超过12 小时和 24 小时内 8 元以内小时的限定标准。
绞接车、 2 小时内 2-3 元/ 小时超出 2 小时按每小拖挂车、 12 小时内 15 元以内时 2 元计收 ,但不得超长车 24 小时内 30 元以内超过 12 小时和 24 小时的限定标准。