维修电工技能训练(第四版)
- 格式:ppt
- 大小:5.26 MB
- 文档页数:19
《维修电工(四级)技能鉴定》实训大纲一、课程名称1、中文名称:《维修电工(四级)技能鉴定》2、英文名称:3、课程号:03238112二、学时总学时240学时其中:授课学时实训240学时三、考核方式1. 考核方式:实训考试2.成绩评定标准:百分制四、适用专业港口物流设备与自动控制五、课程简介维修电工技能培训是港口物流设备与自动控制专业的职业技能培训考核课程。
在实训中了解维修电工操作过程,并逐项进行训练。
它是培养维修电工中、高级操作技能的重要环节。
六、本门课程在教学计划中的地位、作用和任务本课程属专业课。
它的主要任务和作用是:在学完电工相关专业课程后,进一步巩固和加深所学的理论知识,增强感性认识,做到理论联系实际,训练学生对现代化电器设备进行维修、保养的实际技能,培养学生解决电器维修问题的独立思考能力。
七、课程内容和教学要求(一)、内容:(1)、熟练掌握可编程控制器的编程和使用的基本方法、技能。
(2)、掌握电子技术的安装、维修、调试及电工仪表的测量、使用方法。
(3)、熟练掌握电器设备的安装、接线、调试方法。
(4)、熟练掌握电器设备的故障排除方法。
(二)、要求:针对高职学生实训要求这一特点,在教学中应以实训为主,让学生在充分了解对维修电工理论的基础上,对实训操作做重点介绍,使学生在此方面有一个较大的提高。
八、实训内容(一)、理论知识、基础知识、专业知识。
(24课时)(二)、可编程控制器的编程和使用。
(24课时)熟练掌握在电脑上操作可编程控制器,并输入语句表、梯形图。
根据加工工艺过程设计控制电路。
根据加工要求写出梯形图、语句表。
1、三相异步电动机Y-△启动主电路控制的梯形图设计,并进行模拟调试(3课时)2、4/2极双速电动机控制电路的梯形图设计,并进行模拟调试(3课时)3、根据工艺流程设计简单的水塔水位自动控制电路,并进行模拟调试(3课时)4、根据工艺流程设计简单的装卸料小车的自动控制电路,并进行模拟调试(3课时)5、根据工艺流程设计简单的彩灯闪烁控制电路,并进行模拟调试(2课时)6、根据工艺流程设计简单的传输带电机的控制系统,并进行模拟调试(2课时)7、根据工艺流程设计简单的智力竞抢答装置电路,并进行模拟调试(2课时)8、根据工艺流程设计简单的加热炉自动上料控制电路,并进行模拟调试(2课时)9、根据工艺流程设计简单的钻孔动力头控制电路,并进行模拟调试(2课时)10、根据工艺流程设计简单的仓库门自动开闭控制电路,并进行模拟调试(2课时)(三)、电子技术与仪表的使用和测量(24课时)电子线路的设计、安装、焊接、调试、测量、元器件参数选定1、RC阻容放大器电路(3课时)2、RC桥式振荡电路(3课时)3、单结晶体管触发电路(3课时)4、晶闸管调光电路(3课时)5、晶闸管延时电路(2课时)6、晶体管稳压电路(2课时)7、可调式正负稳压电源(2课时)8、78/79系列的正负稳压电源(2课时)9、OTL功率放大电路(2课时)10、OCL功率放大电路(2课时)仪表的使用:万用表、稳压电源、晶体管特性图示仪、双踪示波仪、信号发生器。
刍议《电工技能训练(第四版)》教材特点与教学方法作者:冯文妍来源:《职业·下旬》2013年第06期摘要:本文分析了《电工技能训练(第四版)》教材特点(主要与第三版作比较),根据新教材教学内容、教学目的,灵活选择教学方法,处理好、协调好几种关系,以达到提高电工技能训练课程教学效果的目的。
关键词:教材特点协调好教学方法教学效果一、教材的特点1.一增一减,意义深远新教材删除了《焊工基本操作》这一单元,体现了够用、实用原则。
同时,增添了《电动机及控制线路的安装》这一单元,使教材内容涵盖有关国家职业标准(中级)的知识和技能要求。
2.降低难度,操作性强原第四单元《电子电路的安装与调试》改为《电子线路焊接与测试》,降低了课程难度,体现了简单易学的原则,也提高了教材的可操作性。
3.形式多样,直观有趣新教材增加大量的图片,图文并茂提高了教材的生动性和趣味性;每个课题都安排了相应的技能训练,从学生学习兴趣入手,增加了许多小的栏目,如提示、知识拓展、阅读材料、复习思想等内容。
4.教材内容与时俱进在第四单元变配电所设备的安装、操作和维护中,增加了配电计量与抄表收费的新课题,使教材具有较鲜明的时代特征。
5.编写模式一脉相承教材每一章节均采用“应知导读和应会训练”这一结构模式编写,与理论实践一体化教学理念一脉相承。
二、使用教材应协调好几种关系1.处理好各单元教学先后顺序和时间分配关系任课教师首先要把好教学大纲关、组织教学关。
如第四版教材是先把《电动机及控制线路的安装》这一单元安排在《变配电所设备的安装、操作和维护》这一单元的前面,但在实际教学计划中,笔者认为可以把这两单元顺序反过来,更符合先易后难的教学规律。
2.协调好与其他专业课程的关系电工技能训练涉及内容广,与其他电工专业课程内容紧密相连。
如第一单元电工基本技能的课题一《电工安全技术基础》,这一章节内容在教材《安全用电》也有提及,再如第五单元电子线路焊接与测试的课题二《电子元器件的简易测试》,这一章节内容在教材《电子技术基础》也有提及。
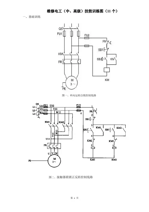
维修电工(中、高级)技能训练图(11个)一、基础训练
图一、单向运转自锁控制线路
图二、接触器联锁正反转控制线路
图三、按钮联锁正反转控制线路
图四、双重联锁正反转控制线路二、考证训练
图五、按钮、接触器双重联锁带能耗制动控制线路
图六、绕线式异步电动机转子串电阻自动启动控制线路
?不清晰 图七、星-角启动直流能耗制动控制线路(通电延时)
图八、星-角启动直流能耗制动控制线路(断电延时)
图九、双速启动控线路(通电延时)
图十、双速启动控线路(断电延时)图十一:CA6140车床图
图十一、并励直流电动机能耗制动原理
图十二、直流电动机二级启动控制线路
KT1 KT1
KM1
KM2
KA2
KA1
KT2
KM3
QF L+ L
第11 页。
《维修电工》(四级)技能鉴定试题表题号2维修电工(四级)技能鉴定试题单试题代码:1.1.1RC阻容放大电路一、元件检测:1.三极管:答题卷(1)判管型______ A.NPN管B.PNP管(2)判管子的放大能力______A.有放大能力B.无放大能力2.晶闸管:(1)判管脚______A.1号脚阳极;2号脚阴极;3号脚门极B.1号脚阴极;2号脚阳极;3号脚门极C.1号脚门极;2号脚阴极;3号脚阳极(2)判管子好坏______ A.好B.坏3.单结晶体管:(1)判管脚______A.1号脚为e B.2号脚为e C.3号脚为e(2)判管子好坏______ A.好 B.坏二、仪器使用:1、测三极管V1、V2的静态电压:UV1C 、UV1E 、UV2C 、UV2E 。
2、用示波器实测并画出RC阻容放大电路各点波形图:试题代码:1.2.1 RC桥式振荡电路答题卷一、元件检测:1.三极管:(1)判管型______ A.NPN管B.PNP管(2)判管子的放大能力______A.有放大能力B.无放大能力2.晶闸管:(1)判管脚______A.1号脚阳极;2号脚阴极;3号脚门极B.1号脚阴极;2号脚阳极;3号脚门极C.1号脚门极;2号脚阴极;3号脚阳极(2)判管子好坏______ A.好B.坏3.单结晶体管:(1)判管脚______A.1号脚为e B.2号脚为eC.3号脚为e(2)判管子好坏______ A.好B.坏二、仪器使用:1、测三极管V1、V2的静态电压:UV1C 、UV1E 、UV2C 、UV2E 。
2、用示波器实测并画出RC桥式振荡电路各点波形图:维修电工(四级)技能鉴定试题单试题代码:1.3.1 试题名称:单结晶体管触发电路答题卷一、元件检测:1.三极管:(1)判管型______A.NPN管B.PNP管(2)判管子的放大能力______A.有放大能力B.无放大能力2.晶闸管:(1)判管脚______A.1号脚阳极;2号脚阴极;3号脚门极B.1号脚阴极;2号脚阳极;3号脚门极C.1号脚门极;2号脚阴极;3号脚阳极(2)判管子好坏______ A.好B.坏3.单结晶体管:(1)判管脚______A.1号脚为e B.2号脚为e C.3号脚为e(2)判管子好坏______A.好B.坏二、仪器使用:(用示波器实测并画出单结晶体管触发电路各点波形图)维修电工(四级)技能鉴定试题单试题代码:1.3.2晶闸管调光电路答题卷一、元件检测:1.三极管:(1)判管型______ A.NPN管B.PNP管(2)判管子的放大能力______A.有放大能力B.无放大能力2.晶闸管:(1)判管脚______A.1号脚阳极;2号脚阴极;3号脚门极B.1号脚阴极;2号脚阳极;3号脚门极C.1号脚门极;2号脚阴极;3号脚阳极(2)判管子好坏______ A.好B.坏3.单结晶体管:(1)判管脚______A.1号脚为e B.2号脚为e C.3号脚为e(2)判管子好坏______ A.好B.坏二、仪器使用:(用示波器实测并画出晶闸管调光电路各点波形图)维修电工(四级)技能鉴定试题单试题代码:1.3.3晶闸管延时电路安装后,(SB按下经延时后灯HL亮,则立即放开按钮SB)。
《维修电工技能训练》实施性教学大纲一、课程基本信息课程名称:维修电工技能训练课程类型:一体化教材版本:中国劳动出版社第四版参考学时:218适用专业:电气工程二、大纲说明『课程性质』本课程是技工学校维修电工、电气工程专业的专业课。
主要内容包括维修电工基本技能、室内线路安装与维修、安全用电、电工仪表、电工材料基本知识。
『课程的任务和要求』本课程的主要任务是培养学生维修电工所必须的基本操作技能、室内线路安装及维修技术,掌握安全用电常识,了解电工仪表、电工材料的基本知识。
本课程的要求是:通过本课程的学习,使学生掌握电工基本操作技能,学会室内线路安装与维修技术,掌握人身、供用设备、线路的安全技术,熟悉电气工作的安全规程和制度,了解常用电工材料的名称、特性及选用。
『教学建议』维修电工技能训练是一门综合性和实用性很强的专业技能课程,教学中须注意:(1)本课程采用一体化教学模式,原则上应按照实施性教学大纲的内容和要求进行教学,并适当增添参考教材、资料相关知识。
(2)在教学中要把握好组织教学、讲解、示范和讲评等教学环节;创造条件给学生提供参观、实践训练机会。
(3)在基本操作技能训练中,教师要注意激发学生的学习积极性和克服困难的信心,勤学苦练,扎扎实实的练好基本功。
(4)在技能训练的整个教学过程中,要注意培养学生爱护工具、设备和节约原材料的习惯。
(5)在技能训练过程中,必须加强安全教育,严格执行电气安全操作规程。
教师可根据专业学制情况,对教学大纲中的教学要求、教学内容和课时进行适当调整。
二、教学内容及要求本课程参考总学时为218。
其中理论86学时,实训132学时。
第三单元维修电工基本技能第四单元室内线路的安装《安全用电》知识《电工材料》知识《维修电工技能训练》一体化模块实施性教学大纲电气工程系电工教研室。