数控直流稳压电源原理图
- 格式:pdf
- 大小:470.81 KB
- 文档页数:1
6.3 简易数控直流稳压电源6.3.1 设计任务和要求设计并制作有一定输出电压调节范围和功能的数控直流稳压电源。
基本要求如下:·输出直流电压调节范围5~15V,纹波小于10mV。
·输出电流为500mA。
·稳压系数小于0.2。
·直流电源内阻小于0.5Ω。
·输出直流电压能步进调节,步进值为1V。
·由“+”、“-”两键分别控制输出电压步进增减。
6.3.2 设计方案根据设计任务要求,数控直流稳压电源的工作原理框图如图6.3.1所示。
图6.3.1 简易数控直流稳压电源框图该图主要包括三大部分:数字控制部分、模拟/数字转换部分(D/A变换器)及可调稳压电源。
数字控制部分+、-按键控制—可逆二进制计数器,二进制计数器的输出输入到D/A 变换器,经D/A器转换成相应的电压,此电压经过放大到合适的电压之后,去控制稳压电源的输出,使稳压电源的输出电压以1V的步进值增或减。
6.3.3 电路设计1.整流、滤波电路设计首先确定整流电路结构为桥式电路;滤波选用电容滤波。
电路如图6.3.2所示。
图6.3.2 整流滤波电路为了使稳压电源能够正常工作,滤波电路的输出电压应满足下式:I RIP I U U U U U U ∆++-+≥min 0max 01)(式中,m ax 0U 是稳压电源输出最大值;min 0)(U U I -是集成稳压器输入输出最小电压差;RIP U 是滤波器输出电压的纹波电压值(一般取0U 、min 0)(U U I -之和的10%);I U ∆是电网波动引起的输出电压的变化(一般取0U 、min 0)(U U I -、RIP U 之和的10%)。
对于集成的三端稳压器,当V U U I 10~2)(min 0=-时,具有较好的稳压输出特性。
故滤波器输出电压值:V U I 2298.18.1315≥+++≥,取V U I 22=。
根据I U 可确定变压器次级电压2U ,即 V U U I 201.1222.1~1.12≈== 在桥式整流电路中,变压器次级电流与滤波器输出电流的关系为:A I I I I 75.05.05.1)2~5.1()2~5.1(02=⨯=≈=。
简易数控直流稳电路图相对简单————————————————————————————————作者:————————————————————————————————日期:一、设计说明设计一个具有一定输出电压调节范围和功能的数控直流稳压电源。
数控直流稳压电源的工作原理框图如图1所示。
主要包括数字控制部分、模拟/数字转换部分(D/A 变换器)及可调稳压电源。
数字控制部分用+、-按键控制可逆二进制计数器,二进制计数器的输出到D/A 变换器,经D/A 转换相应的电压,经放大后去控制稳压电源的输出,来实现输出电压值步进增减。
图1 简易数控直流稳压电源框图二、技术指标1.输出直流电压调节范围5 15V ,纹波小于10mV 。
2.输出电流为500mA 。
3.稳压系数小于0.2.4.直流电源内阻小于0.5欧姆。
5.输出直流电压能步进调节。
步进值为1V 。
6.由+、-两键分别控制输出电压步进增和减。
三、设计要求1.在选择器件时,应考虑成本。
2.根据技术指标通过分析计算确定电路形式和元器件参数。
3.主要器件:(1)可逆计数器;(2)运算放大器;(3)稳压器;(4) 单稳态触发器。
四、实验要求1.根据技术指标制定实验方案;验证所设计的电路。
2.进行实验数据处理和分析。
五、推荐参考资料1.姚福安. 电子电路设计与实践[M]济南:山东科学技术出版社,2001年2.阎石. 数字电子技术基础. [M]北京:高等教育出版社,2006年3.刘贵栋主编.电子电路的Multisim 仿真实践[M].哈尔滨:哈尔滨工业大学出版电压增减步进按键可逆计数器稳压调节 电路单脉冲 产生D/A 变换器UiUo社,2008年4.童诗白、华成英主编.模拟电子技术基础,[M]北京:高等教育出版社,2007年.六、按照要求撰写课程设计报告指导教师年月日负责教师年月日学生签字年月日成绩评定表评语、建议或需要说明的问题:成绩指导教师签字:日期:一、概述近几年来,随着电子技术的日新月异,世界各国的电子技术飞速发展,中国也毫不例外的成为了一个电子大国和电子强国,国民对电子产品的需求种类也越来越多。
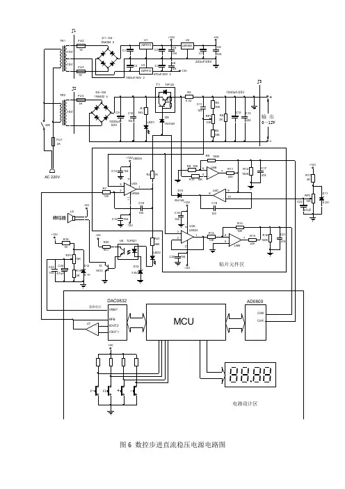
J1图6 数控步进直流稳压电源电路图数控步进直流稳压电源一、按所附原理图(图6)完成部分电路设计,制作一台数控步进直流稳压电源。
1.分析电路工作原理,完成“电路设计区”的电路设计。
2.利用Protel99SE软件绘制全电路图,并按要求设计PCB。
3.利用组委会提供的机箱完成简单的结构设计,包括变压器、电路板、按键、LED的安装及机内走线的规划。
4.完成电路组装及调试。
5.完成整机的安装与调试,使其达到规定的技术指标。
6.编写设计文件、生产工艺文件、产品说明书。
二、功能与技术指标1.功能⑴通过“+”、“-”键步进调整输出电压,可调范围为0~+12V,步进幅度为0.5V。
⑵输出电压和电流值通过4位LED显示,显示精度分别为0.1V和0.01A。
通过“F1”键实现电压/电流显示切换,开机默认显示电压,按“F1”转换为显示电流,再按“F1”转换为显示电压。
4位LED末位显示单位,电流显示“A”,电压显示“U”。
⑶过流保护与报警功能。
2.技术指标⑴交流输入电压范围:220V±10%⑵输出电压范围:0~+12V⑶输出电流范围:0~1A⑷输出纹波电压:<10mV(输出电压为10V,输出电流为500mA时测得)⑸过流保护动作电流:1.1 A四、说明1.关于电路元件及部分电路的说明⑴U6、R20、R21、LED2、D12、LS构成过流指示及声音报警电路,蜂鸣器LS为5V供电,过流时发出连续鸣音。
⑵R18、R19、RP3、D11、C23、C24构成D/A转换器基准电压源电路,根据电路设计情况可取消。
2.关于电路的说明⑴限定使用使用AT89S52、ATmega16、PIC16F877三种微控制器。
⑵电路设计区的电路可以使用U5中未用的运放。
⑶F2键作为备用键,可在扩展软件功能时使用。
⑷可以利用微控制器自带的A/D转换器替代AD0809。
编写合适的MCU程序发给我的另加五倍积分!!!其他回答共1条电路图的定义:用导线将电源、开关(电键)、用电器、电流表、电压表等连接起来组成电路,再按照统一的符号将它们表示出来,这样绘制出的就叫做电路图。
1 前言随着人们生活水平的不断提高,数字化控制无疑是人们追求的目标之一,它所给人带来的方便也是不可否定的。
其中数控直流稳压电源就是一个很好的典型例子,但人们对它的要求也越来越高,要为现代人工作、科研,生活、提供更好的,更方便的设施就需要从数字电子技术入手,一切向数字化,智能化方向发展,本文所介绍的数控直流稳压电源与传统的稳压电源相比,具有操作方便,电压稳定度高的特点,其输出电压大小采用数字显示,主要用于要求电源精度比较高的设备,或科研实验电源使用,并且此设计,没有用到单片机,只用到了数字技术中的加法器,D/A 转换器,译码显示等电路,具有控制精度高,制作比较容易等优点。
现在,各种电源集成电路正获得迅速发展与广泛的应用,为电源的集成化、标准化和小型化创造了条件。
传统集成稳压器有许多种,主要可分成线性集成稳压器、开关集成稳压器和数控稳压电源三大类。
线性集成稳压器的优点是稳压性能好,输出纹波电压小,电路简单,成本低。
主要缺点是调整管的压降大,功耗高,稳压电源的效率低,开关电源被誉为高效节能电源,它代表着稳压电源的发展方向现已成为稳压电源的主流产品。
开关内部的调整工作在开关状态,本身消耗量低。
数控稳压电源与传统的稳压电源电路相比,具有操作方便,电压稳压度高的特点,目前用的较多的数控稳压电源主要由六部分组成:电压调整键,可逆计数器实现加减计数,数显译码驱动,数模转换电路,运算放大电路,各部分供电电压。
而本设计正是要设计一个简易的数控直流稳压电源,我们选用三端可调式集成电路LM317来作为主要芯片,来实现本设计。
2.1 方案设计简易数控稳压电源至少包括:整流、滤波电路,可调稳压电路,D/A 变换器,数字控制电路,辅助电源设计。
设计方案一:根据设计任务要求,可调稳压电源,8421拨码开关的输出输入到D/A 变换器,经D/A 变换器转换成相应的电压,此电压经数控直流稳压电源的工作原理框图如图2.1所示。
主要包括三大部分:8421拨码控制部分、D/A 变换器及过放大到合适的电压值后,去控制稳压电源的输出,使稳压电源的输出电压以0.1V 的步进值增或减。
一、设计说明设计一个具有一定输出电压调节范围和功能的数控直流稳压电源。
数控直流稳压电源的工作原理框图如图1所示。
主要包括数字控制部分、模拟/数字转换部分(D/A 变换器)及可调稳压电源。
数字控制部分用+、-按键控制可逆二进制计数器,二进制计数器的输出到D/A 变换器,经D/A 转换相应的电压,经放大后去控制稳压电源的输出,来实现输出电压值步进增减。
图1 简易数控直流稳压电源框图二、技术指标1.输出直流电压调节范围5 15V ,纹波小于10mV 。
2.输出电流为500mA 。
3.稳压系数小于0.2.4.直流电源内阻小于0.5欧姆。
5.输出直流电压能步进调节。
步进值为1V 。
6.由+、-两键分别控制输出电压步进增和减。
三、设计要求1.在选择器件时,应考虑成本。
2.根据技术指标通过分析计算确定电路形式和元器件参数。
3.主要器件:(1)可逆计数器;(2)运算放大器;(3)稳压器;(4) 单稳态触发器。
四、实验要求1.根据技术指标制定实验方案;验证所设计的电路。
2.进行实验数据处理和分析。
五、推荐参考资料1.姚福安. 电子电路设计与实践[M]济南:山东科学技术出版社,2001年2.阎石. 数字电子技术基础. [M]北京:高等教育出版社,2006年3.刘贵栋主编.电子电路的Multisim 仿真实践[M].哈尔滨:哈尔滨工业大学出版电压增减步进按键可逆计数器稳压调节 电路单脉冲 产生D/A 变换器UiUo社,2008年4.童诗白、华成英主编.模拟电子技术基础,[M]北京:高等教育出版社,2007年.六、按照要求撰写课程设计报告指导教师年月日负责教师年月日学生签字年月日成绩评定表评语、建议或需要说明的问题:成绩指导教师签字:日期:一、概述近几年来,随着电子技术的日新月异,世界各国的电子技术飞速发展,中国也毫不例外的成为了一个电子大国和电子强国,国民对电子产品的需求种类也越来越多。
其中电源是最重要的组成部分,没有电源也就没有了电路这个概念。
数控直流稳压电源摘要:数控直流稳压源就是能用数字来控制电源输出电压的大小,而且能使输出的直流电压能保持稳定、精确的直流电压源。
电源具有高频率、高功率密度、高效率等优点, 被称作高效节能电源。
该系统由单片机控制DAC0832输出电压,在经过运放放大,可以输出1~12V电压,1A电流,此可调的低功率开关稳压电源,以满足小型电子设备的供电需要。
关键词:直流稳压源单片机DAC0832 运放1任务的提出1.1基本功能电路可以输出1~12V电压,1A电流,有两个开关,分别增减电压0.2V,使用者可以自己微调。
数码管显示当前输出的电压值。
1.2 方案论证方案一: 三端稳压电源采用可调三端稳压电源构成直流可调电源,采用两个LM317控制,可变电阻RP用数字电位器作为反馈电阻,调节其值,即可调节其放大倍数。
但由于三端稳压芯片LM317和LM337的输出电压不能从0V起调,输出公式:Vout=1.25×(1+R2/R1)。
所以,可以采用在输出的地方加两个二级管,利用PN节的固有电压来实现从0V起调。
方案二:采用A/D和D/A采用A/D和D/A构成直流电源,采用单片机控制DAC0832输出电压,在经过运放放大,即可满足要求。
方案三:采用7805构成直流电源采用7805构成直流电源,改变RP阻值使7805的公共端的电压在0到-10V 之间可调,则7805的输出端电压就可实现-5V-+5V之间可调了。
这种方案是利用了7805的输出端与公共端的电压固定为+5的特性来设计的。
但同样存在不好数控的问题。
方案一结构简单,使用方便,干扰和噪音小。
但数字电位器误差较大,控制精度不够高,误差电压较大。
同时更重要的是几乎所有的数字电位器能够容忍的电流都在20mA以下。
方案二精确度高,纹波小,效率和密度比较高,可靠性也不错。
方案三同样存在数控不好的问题。
所以我选择方案二。
2 总体设计根据设计任务要求,该系统主要包括三大部分:数字控制部分、模拟/数字转换部分(D/A 变换器)及运算放大。
数控直流电源摘要本文所介绍的数控直流稳压电源,电压输出范围为0到9.9V,在控制端由“+”、“-”两键分别控制输出电压的步进增减,步进值为0.1V,并且输出电压可预置在0∽9.9V之间的任意一个值;输出电压值用LED数码管显示。
与传统的稳压电源相比,具有操作方便,电压稳定度高的特点,其输出电压大小采用数码管显示,主要用于要求电源精度比较高的设备,或科研实验电源使用,并且此设计没有用到单片机,只用到了数字技术中的可逆计数器,D/A 转换器,译码显示等电路,具有控制精度高制作比较容易等优点。
关键词稳压电源;数控;数模转换;可逆计数目录1.设计任务与要求 (3)1.1设计任务 (3)1.2基本要求 (3)2.方案论证与比较 (3)2.1方案一 (3)2.2方案二 (3)2.3方案三 (4)2.4方案论证与比较 (5)3.理论分析与概述 (5)3.1 概述 (5)3.2 稳压电路设计 (5)3.2.1 稳压电路基本原理 (5)3.2.2 数控基准电源 (8)3.3 “+”,“-”键控制的可逆计数器的设计 (8)3.3.1 工作原理 (8)3.3.2 元件的选择 (10)3.4 数字显示电路的设计 (10)3.4.1 工作原理 (10)3.4.2 原件选择 (11)3.5 D/A 转换电路(数模转换器)的设计 (11)3.5.1 DAC0832 工作原理 (11)3.5.2 DAC0832 芯片的特点 (12)3.6 调整输出的设计 (12)3.6.1 运放的选取 (13)3.6.2 取样电路R1、R2的选取 (13)4.电路调试 (14)5.性能指标测试 (14)5.1 测试所用仪器 (14)5.2 测量步骤 (14)6.改进措施 (15)7.结论 (15)8.本设计部分主要电路 (15)8.1 数显电路的仿真实现 (15)8.2控制电路的仿真实现 (16)8.3 数模转换电路的仿真实现 (16)8.4 输出电路的仿真实现 (17)9.总结与体会 (18)参考文献 (18)附录 (19)1.设计任务与要求1.1设计任务设计并制作有一定输出电压调节范围和功能的数控直流稳压电源。
数控直流稳压电源
一.设计任务和指标
设计一个可以通过数字量输入来控制输出电压大小的直流稳压电源。
其具体指标如下:
1.输出电压范围为0~9V,纹波电压小于10mV。
2.输出电流为500mA。
3.输出直流电压能步进调节,由“+”、“-”两键控制电压步进增和减,步进值为1V。
4.输出电压由数码管显示。
5.包括设计系统工作的辅助电源。
二.设计原理和参考电路
数控直流稳压电源原理框图如图所示。
1.数字控制电路
2.D/A转换电路
3.可调稳压电路
4.译码显示电路
5.输入直流电源产生电路(整流滤波电路)
6.辅助电源电路
三.调试步骤及要点
电路设计完成后首先利用Multisim2001仿真软件对各单元电路进行仿真调试,仿真完成后再进行硬件电路的安装和调试。
电路可分以下几个部分,分别进行调试。
1.数字控制电路
2.D/A转换电路
3.可调稳压电路
4.译码显示电路
四.设计要求
1.确定数控直流稳压电源的总体设计方案,画出总体方框图;
2.进行单元电路的设计,并说明电路的工作原理,画出逻辑电路图;
3.选择元件确定元件参数,列出元件明细表;
4.对各单元电路进行仿真调试,自拟调试步骤,记录仿真结果;
5.对各单元电路进行硬件安装和调试,自拟调试步骤,记录实验结果;
6.总体安装调试,记录试验结果;
7.写出总结报告。
数控稳压电源制作数控直流电源制作一、系统组成与原理概述本文所设计的数控直流电源与传统稳压电源相比,具有操作方便、电压稳定度高的特点,其输出电压大小采用数字显示,原理方框组成图见图1。
它共由六部分组成。
输出电压的大小调节通过“+”、“-”两键操作,控制可逆计数器分别作加、减计数,可逆计数器的二进制数字输出分两路运行:一路用于驱动数显电路,指示电源输出电压的大小值;另一路进入D/A转换电路,D/A转换器将数字量按比例转换成模拟电压,然后经过射极跟随器控制调整输出级输出所需的稳定电压。
为了实现上述几部分电路的正常工作,需另制±15V和±5V的稳压直流电源及一组未经稳压的12~17V的直流电压。
二、具体实现电路根据以上数控直流电源的方框图,采用集成电路设计了输出电压为0~9.9V的数控电源,详细电路原理如图2所示。
1.电路简介两按钮开关作为电压调整键与可逆计数器的加计数和减计数输入端相连,可逆计数器采用两片四位十进制同步加/减计数集成块74LS192级联而成,把第一块的进位和借位输出端分别接到下一组的加计数端和减计数端。
两级计数器总计数范围从00000000至10011001(即0~99)。
数显译码驱动采用两块74LS248集成块,74LS248为四线-七段译码器/驱动器,内部输出带上拉电阻,它把从计数器传送来的二-十进制的8421码转换成十进制码,并驱动数码管显示数码。
数模转换电路采用两块DAC0832集成块,它是一个8位数/模转换器,这里只使用高4位数字量输入端。
由于DAC0832不包含运算放大器,所以需要外接一个运算放大器相配,才构成完整的DAC,低位DAC输出模拟量经9∶1的分流器分流后与高位DAC输出模拟量相加后送入运放,运放将其转换成与数字端输入的数值成正比的模拟输出电压,运放采用具有调零端的低噪声高速率优质运放NE5534。
调整输出级采用运放作射极跟随器,使调整管的输出电压精确地与D/A转换器输出电压保持一致。