动力定位DP-3系统介绍
- 格式:doc
- 大小:96.00 KB
- 文档页数:5
北京先略投资咨询有限公司船用动力定位DP系统概述(最新版报告请登陆我司官方网站联系) 公司网址: 目录船用动力定位DP系统概述 (3)第一节船用动力定位DP系统的定义和分类 (3)一、动力定位DP0系统 (3)二、动力定位DP1系统 (3)三、动力定位DP2系统 (3)四、动力定位DP3系统 (3)第二节船用动力定位DP系统的市场情况 (4)一、动力定位DP1系统的市场情况 (4)1、全球 (4)2、中国 (5)二、动力定位DP2系统的市场情况 (8)1、全球 (8)2、中国 (8)三、动力定位DP3系统的市场情况 (10)1、全球 (10)2、中国 (11)船用动力定位DP系统概述第一节船用动力定位DP系统的定义和分类国际海事组织和国际海洋工程承包商协会将DP定义为动力定位船舶需要装备的全部设备,包括动力系统、推进器系统和动力定位控制系统。
由于海上作业船舶对动力定位系统的可靠性要求越来越高,IMO和各国船级社都对DP提出了严格要求,制定了三个等级标准。
设备等级一(DP1):在单故障的情况下可能发生定位失常。
设备等级二(DP2):有源组件或发电机、推进器、配电盘遥控阀门等系统单故障时不会发生定位失常,但当电缆、管道、手控阀等静态元件发生故障时可能会发生定位失常。
设备等级三(DP3):任何但故障都不会导致定位失常。
DP的分级主要考虑设备的可靠性和冗余度,目的是对动力定位系统的设计标准、必须安装的设备、操作要求和试验程序等作出规定,保证DP安全可靠运行,并避免在DP作业时对人员、船舶、其他设备造成损害。
一、动力定位DP0系统DP0船舶装备一套集控手动操作系统和航向自动保持的动力定位系统(DPS),能在最大环境条件下,使船舶的位置和航向保持在限定范围内。
二、动力定位DP1系统DP1船舶装备具有自动定位和航向自动保持的动力定位系统(DPS),另外,还有一套独立的集控手动操作系统和航向自动保持的动力定位系统,能在最大环境条件下,使船舶的位置和航向保持在限定范围内。
先进发电机管理系统在DP3船舶的应用作者:***来源:《航海》2023年第06期摘要:21世纪是全世界大规模开发利用海洋资源、发展海洋经济的新时期,各类大型海洋工程爆发式增长,需要投入大批优质的海工船舶,其中作业能力和功能最强的动力定位3级(简称DP3)船舶起到了关键作用。
如何确保DP3船舶在海洋工程中更稳定、更可靠的运行,船舶电站的管理尤为重要,其中电网和发电机的监控和管理成为了重中之重。
先进发电机管理系统(简称AGS),基于船舶电站管理系统(简称PMS),相比于传统的PMS系统,AGS从发电机的有功功率和无功功率的关系出发,通过监测柴油机油门齿条/有功功率,励磁电流/无功功率,分析电压和频率的变化趋势,在DROOP(均功)模式下,监测其变化率,从而可以在多台并网运行发电机中精确的监控每一台发电机,当其中某一台或多台发电机发生异常时,能及时采取措施,并将其分断或隔离开来,保证DP3 船舶的稳定运行。
關键词:AGS;PMS;DP3;有功功率;无功功率中图分类号:U665.120 引言我国是一个海洋大国,拥有着1.8万km的海岸线,300多万km2的管辖海域面积,沿海有着丰富的油气资源和渔业资源,还可以开发大量的风能资源。
习近平总书记多次强调建设海洋强国的目标,要实现这一宏伟的目标,需要建造大型的海洋工程,建造先进的海洋工程;稳定、可靠、安全的海洋工程船舶是必可不少的强兵利器。
我国的大型DP船舶起步较晚,但依托我国经济的飞速发展,船舶建造发展迅速,尤其是船体结构,自动化电站,重吊建设都已接近或达到世界先进水平。
国内目前已成熟掌握DP3船舶的设计建造,近期几艘DP3船舶的交付,代表着国内DP3船舶的建造进入了一个新的阶段。
这些船舶均配置当前世界最先进DP3动力定位系统,全船中压电站配置采用CLOSE-BUE TIE(中压系统一字排)模式或CLOSE-RING(中压环网),将燃油经济性和船舶安全性相结合,在提高燃油经济性的同时,对于船舶电站稳定和安全提出更高的要求。
SHANGHAI SHIPBUILDING 上海造船2010年第1期(总第81期)DP-3动力定位控制系统在钻井平台上的应用袁飞晖,熊 勇,宋金扬(上海外高桥造船有限公司,上海 200137)摘要:以“海洋石油981”钻井平台项目为例,重点阐述在此项目中的DP-3动力定位控制系统、生产设计及其在DP控制网络上的应用。
关键词:DP-3动力定位控制系统;系统介绍;生产设计;应用中图分类号:TP273;U674.38+1文献标识码:B 文章编号:1005-9962(2010) 01-0042-04 Abstract: The DP-3 control system on board Hai Yang Shi You 981 deepwater semi-submersible drilling unit, its production design and application in DP control network are described in this paper.Key words:DP-3 dynamic positioning control system; system instruction; production design; application0 前言近年来,随着陆地上油气资源的不断减少,人们把目光都聚集到了深海领域的开发。
因此,深水钻井平台的需求和开发深受世界各国的广泛关注。
当前,上海外高桥造船有限公司正在建造的3000m深水半潜式钻井平台“海洋石油981”,属于第6代钻井平台,是我国“863计划”重点攻关项目,它采用了目前最先进的DP-3动力定位控制系统。
动力定位(Dynamic Positioning,DP)系统,是指在风、浪、流的干扰情况下,不借助锚泊系统,利用自身的推力器系统使海上浮动装置保持一定的位置和艏向,或者按预定运动轨迹运行的闭环控制系统[1]。
根据动力定位的不同冗余度,DP-3要求在出现任一故障(包括由于失火或进水造成一个舱室的完全损失)后,可在规定的环境条件下,在规定的作业范围内自动保持船舶的位置和艏向[2]。
动力定位(DP)系统简介作者:王卫卫来源:《广东造船》2014年第01期摘要:随着海洋工程项目的蓬勃发展,动力定位系统(简称DP系统)的应用已越来越广泛。
本文对DP系统等级、工作原理以及根据船级社不同入级符号的设备配置等作了简单的介绍,希望能够对大家以后的开发设计及生产有所帮助。
关键词:DP;入级符号;特点;工作原理中图分类号:P751文献标识码:AInvestigation of Dynamic Positioning SystemWANG Weiwei( Guangzhou Shipyard International Co., Ltd. Guangzhou 510382 )Abstract: The application of Dynamic Positioning System (DP system) is more and more popular because of development of ocean project. The article introduce the level of DP system, work principle, the requirement of equipment according to different DP notations. I hope it is helpful to exploder, design and production in the future.Key words: DP;Classification notation;characteristic;work principle1前言动力定位系统(Dynamic Positioning System)简称DP系统,是从上个世纪70年代逐渐发展起来的,并逐步由浅水海域向深水海域发展,应用于各种海洋工程、海上科考、水下工程等领域。
随着船舶自动化程度越来越高,DP系统的定位能力以及自动化程度也越来越高,而以上各类领域的工程项目也越来越离不开带有DP系统的海上钻井平台和船舶。
•配网自动化•电器与能效管理技术(2020NO.2)满足DP3动力定位要求的综合电能系统设计分析贾颖晖,韩朝珍(上海佳豪船海工程研究设计有限公司,上海201612)摘要:随着国内海洋工程项目的不断增多,海洋工程项目复杂的作业对新技术的要求不断提升。
5 000 t起重铺管船是一艘具有多功能作业需求的海洋工程船。
全船采用综合 电能系统,并满足DP3动力定位能力要求,以确保系统设计满足所有复杂的作业需求。
通过 对背景工程不同工况下电力负荷计算、系统短路电流计算、系统电压等级确定、接地方式确 定、谐波分析、潮流计算等综合电能系统构架的分析,为类似起重铺管项目提供一定的设计 参考。
关键词:起重铺管船;综合电能系统;DF3动力定位;电力负荷中图分类号:T M774文献标志码:A文章编号:2095-8188(2020)02H-06DOI :10. 16628/j. cnki. 2095-8188.2020.02.010贾颖晖(1972—),女,工程师,主要从 事船舶电气设计。
Analysis of Comprehensive Electric Energy System Design to Meet the Requirements of DP3 Dynamic PositioningJIA Yinghui,HAN Chaozhen(Shanghai Bestway Marine Engineering Design Co. ,Ltd.,Shanghai 201612,China)Abstract:With the increasing number of marine engineering projects in our country,the requirements to the new technology for the complex operation of marine engineering projects are increasing. The 5 000 t hoisting and piping vessel (hereinafter referred to as the background engineering) is such a vessel with the demand for multi-function operations. The vessel uses a comprehensive electric energy system and meets the DP3 dynamic positioning requirements to ensure that the system was designed to meet all the complex operational requirements. Based on the analysis of comprehensive electric energy system framework which includes power load calculation,calculation of short-circuit current,voltage level determination,grounding mode confirmation,harmonic analysis,load flow calculation etc. of the background engineering in different working conditions,it can provide a design reference for similar hoisting and piping vessel.Key words:hoisting and piping vessel;comprehensive electric energy system;DP3 dynamic positioning;power load〇引言以综合电能系统技术为代表的新型船舶已逐 步成为当今高技术动力系统船舶发展的主流趋 势。
给定的最严峻环境条件给定的最严峻环境条件系指船舶作业区域内的最大风速﹑流速与浪高。
根据不同工况要求和操作要求,调整DP等级,以降低能耗和对周边环境的影响。
主要DP控制系统供应商“绿色DP” 控制系统控制器全回转推进器硬线或网络侧推推进用推进器一般的位置测量设备•扇形波束测位仪(激光技术)Fan Beam (Laser Technique)•张紧索(测垂向倾角);Taut Wire (Vertical Angle)•差分式全球卫星定位系统DGPS (借助卫星)•水下声学定位系统HPR (有长﹑短基线等方法,需水下声学应答器,水下声学技术);HPR(Long &Short Base, Hydro‐acoustic, Transponders)•Atriums (无线电波,需要岸上参考目标,适用于特定位置)Atriums (Radio Wave, Landmark, SpecificSite)•其他设备Others联合操纵杆零级定位DPS‐0适用于安装有动力定位系统的船舶,它具有集中手动位置控制和自动艏向控制,在给定的最严峻环境条件下,能保持船舶的位置和艏向。
For vessels which are fitted with a dynamicpositioning system with centralized manual positioncontrol and automatic heading control to maintain the position and heading under the specifiedmaximum environmental conditions.一个典型的DPS‐2系统内部构成A Typical DPS‐2 Configuration双操作站双控制器三级定位DPS‐3适用于安装有动力定位系统的船舶,在给定的最严峻环境条件下,包括发生任何单一故障(包括由于火灾或水灾而失去整个舱室),能自动保持船舶的位置和艏向在给定的运行范围内。
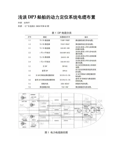
浅谈DP3船舶的动力定位系统电缆布置作者:刘伟平来源:《广东造船》2020年第05期摘; ; 要:以DP-3附加标志的船舶动力定位系统电缆布置为分析对象,从规范规则寻找设计要点,进而指导动力定位系统的设计及电缆通道的布置,完成电缆路径图的绘制,为相关设计与施工单位提供技术参考。
关键词:电缆布置;动力定位;A60防火分隔;中图分类号:U665.12 ; ; ; ; ; ; ; ; ; ; ; ; ; ; ; 文献标识码:ACable Layout of DP3 Ship Dynamic Positioning SystemLIU Weiping( Shanghai Bestway Marine Engineering Design Co., Ltd., Shanghai 201612 )Abstract: The cable layout of DP3 ship dynamic positioning system is taken as the research object, Looking for the key points of the design from the rules and regulations and to guide the design of dynamic positioning system and the layout of cable trunks, and the cable routing drawing is completed, provide technical reference for relevant design and construction units.Key words: Cable layout; Dynamic positioning; A-60 class fire-resisting division1; ; ;前言随着经济的快速发展,船东对于DP-3附加標志的船舶越来越青睐,特别是起重船、铺管/铺缆船及潜水支持船等大型复杂船舶。
动力定位DP(Dynamically positioned)的定义是一种可以不用锚系而自动保持海上浮动装置的定位方法。
动力定位系统由船位显示仪、电子计算机控制机构和推进器等部件组成。
工作时,电子计算机随时可根据船位仪所测定的船位数值,自动地发出控制信号,改变推进器的运转方向、转速或叶片的螺矩,以调节船位。
有的动力定位系统,还可根据风力的变化,提前发出信号来抵消风力的影响。
采用动力定位的海上浮动装置,在海上钻探作业时不需要抛锚,这不仅减少了复杂的抛锚工序,而且工作的水深亦不受锚系长度的限制,甚至可以在水深大于1000米以上的深度进行工作。
DP3是动力定位的等级,3级是最高的一种.不过各船级设对动力的定位等级的名称描述不全相同,像DNV的就叫的比较另类~~DP3是最高等级的了,冗余多,安全好,一般平台上采用,钻井船的话DP2多点。
动力定位需要接收GPS,,卫星信号,电罗经的信号等信号,并且点罗经要配备多个,还要配备参照设备,并将这些信号送到动力定位系统,然后动力定位系统的计算机根据这些信息计算怎样控制推进器的动作。
动力定位系统设计时要根据船舶的服务海域,假设出船所受的浪高,浪的周期,风速,洋流速,并且要不同角度计算,才能设计出一个合理的动力定位系统。
DP控制系统1 ,一般来说,DP控制系统布置在DP控制站里,在该控制站操作人员可以清楚看到船的外形轮廓及周边区域。
DP控制站应该显示来自动力、推进和DP控制系统的信息,以确保这些系统正常运行。
对安全操作DP系统必需的信息必须一致可见。
其它信息应该基于操作员要求可用。
3 ,特别地,显示系统和DP控制站应该基于声环境学原理。
DP控制系统应该提供控制模式的简单选择,比如手动、操纵杆、或推进的电脑控制,并且应该清楚地显示出现运行的模式。
4,对配备2和3级的,操作控制必须设计为没有单个误操作可能导致临界条件。
5 ,相关接口的系统和/或DP控制系统控制的系统的错误报警必须是声光报警。
船舶动力定位系统及其控制技术随着海洋经济时代的到来,人们对海洋资源的需求越来越多。
由于深海环境复杂多变,因而对获取海洋资源的装置定位精度要求也越来越高。
传统的锚泊系统有抛起锚操作过程繁琐、定位精度和机动性差等缺陷,难以符合定位精度的要求;而船舶动力定位系统(以下简称“DP系统”)则在保持航迹或保持位置方面具有突出的优势,已被逐渐应用到海上航行船舶和作业平台上,快速发展的控制理论在DP系统中的应用,取得了很好效果。
1 DP系统概述1.1 定义DP系统是指不依靠外界的辅助,通过固有的动力装置来对船舶或作业平台进行定位的一种闭环控制系统,系统包括控制系统、测量系统和推进系统,控制系统是其核心。
1.2 组成DP系统由控制系统、测量系统和推力系统组成。
控制系统是整个系统的核心,对测得的信息和外界干扰信号进行处理,能够通过计算推算出抵抗外界干扰的推力,并传递给推力系统。
测量系统能够获得船舶運动所需要的信息,其种类有DGPS、电罗经、张紧索系统、水下声呐系统、垂直参考系统、风力传感器等。
推力系统根据控制系统计算出的推力来控制船舶。
1.3 研究状况第1代DP系统的研发始于1960年。
钻井船“Eureka”号是世界上第一艘基于自动控制原理设计的DP船舶。
该船配备的DP模拟系统与外界张紧索系统相连。
该船除装有主推力系统外,在还在船首和船尾装有侧推力系统,在船身底部也安装有多台推进器。
第2代DP系统始于1970年,具有代表性的是“*****5”号船,该船安装有多台推进器,系统的控制器采用kalman滤波等现代控制技术,且控制系统中的元件有冗余,其安全性、稳定性和作业时间均有了较大的改善和提高。
第3代DP系统始于1980年。
系统采用微机处理技术和Muti-bus、Vme等多总线标准的控制系统。
代表性的第3代DP系统有挪威Konsberg公司的AD-P100、AD-P503系列产品和法国的DPS800系列产品。
我国对DP系统的研究开展得较晚,研究力量集中在高校和科研院所。
DP定位系统简介2010年08月20日星期五 07:43船舶的动力定位系统从70 年代逐渐发展起来,在海洋工程、科学考察等领域有着重要的用途。
随着船舶电力推进的成熟和自动控制理论的发展,动力定位系统的性能也不断提高。
动力定位系统的组成动力定位系统包括3 个分系统:动力系统、推力器系统和动力定位控制系统。
动力系统:动力系统一般来说是给整个动力定位系统提供电力的。
一般的船舶电站可兼作动力系统,但应满足一些特殊要求。
输入(船位、控制器推力器输出)推力器系统推力器系统作为动力定位系统执行部分,常用电动机或柴油机驱动的推进器。
主推进装置(包括其舵系统)可兼作动力定位系统的推力器,在船舶进入动力定位运作模式时,由动力定位系统的控制器进行控制。
为提高定位能力,主推进装置可设计为全回转推进器,例如Z 型推进、SSP 推进等。
一般各推力器的工作组合应产生横向、纵向推力及回转力矩。
动力定位控制系统动力定位控制系统包括控制器和测量系统。
控制器指的是动力定位系统总的控制部分,一般采用计算机控制的方法。
测量系统包括位置参照系统、电罗经、风向风速仪、倾角仪等,测量船舶的船位、艏向、纵倾横倾角等船舶状态,以及风向、风力、流速等环境条件,通过接口输入到控制器中。
控制器根据人工输入的船位和艏向,对测量系统提供的数据进行分析和运算,给出推力器的控制指令。
动力定位控制系统执行的功能可总结如下:(1)给出推力器的控制指令。
(2)测量船舶的船位、艏向等船舶状态。
(3)测量风向、风力等环境条件。
(4)接收各种操纵指令的人工输入。
(5)动力定位系统的故障检测及报警。
(6)动力定位系统工作状态的显示。
动力定位系统的系泊试验动力定位系统在进行系泊试验之前,应确认已取得本社颁发的产品证书,并确认布置和安装已严格按本社审批的图纸进行,采用的工艺满足本社有关规定。
动力系统系泊试验动力系统的各组成部分,如发电机、发电机原动机、主配电板等,应满足船舶建造检验的一般要求。
动力定位DP-3系统介绍
动力定位(Dynamic Positioning,DP)系统是指在风、浪、流的干扰情况下,不借助锚泊系统,利用自身的推进器系统使海上浮动装置保持一定的位置和艏
[1]向,或者按预定运动轨迹运行的闭环控制系统。
根据动力定位的不同冗余度,DP-3要求在出现故障(包括由于失火或进水造成一个舱室的完全损失)后,可
[2]在规定的环境条件下,在规定的作业围内自动保持船舶的位置和艏向。
动力定位系统是自上个世界六十年代开始,国外海洋工程为了深水海域的开发而研制出来的自动控制船舶位置的系统。
动力定位船可以根据实时测得的海域环境条件,通过控制船舶的推进器系统,自动保持船舶的位置按照预先设定的轨迹运动。
在国内海洋工程领域,该定位系统越来越成为深水海洋工程船舶的标准配置。
同时,随着中国造船行业的迅猛发展,越来越多的动力定位船在国内船厂建造。
DP-3动力定位控制系统介绍
DP-3动力定位控制系统是中央控制系统(Integrated Control System,ICS)中最重要的核心系统之一。
其主要的工作原理为图1所示。
动力定位控制系统的工作原理是:根据位置参照系统测得的船位信息与DP传感器系统测得的环境信息,经滤波后得到估算值,根据估算值与期望值进行比较和运算,然后经推进器分配模块计算后发出对各推进器的指令。
在DP控制系统中,艏向和位置由操作者设定,然后由DP控制器通过发出控制信号到推进器系统,DP控制系统通过推进器控制系统的分配,发布命令到任何一个在使用的推进器,通过改变推进器的运转方向、转速或叶片的螺矩,以调节船位。
出现偏差时,DP控制系统可自动探测并进行适当的调整。
DP控制系统这种控制方式能减少燃料消耗、机器磨损和温室气体排放。
1
图1 DP控制系统工作原理
动力定位系统是动力定位船的必要的完整装置,主要由电力系统、推进器系统和DP控制系统组成。
任何一个子系统发生故障都可能导致船舶失去定位或艏向保持能力。
动力定位船是指一个装置或一艘船舶,且能通过推进器的推力来实现位置保持或航迹保持。
图2是动力定位系统的典型组成,图3是动力定位系统的构成示意图。
2
图2:动力定位系统典型图
图3:动力定位系统示意图动力定位原理
动力定位系统的基本功能是保持船舶的位置和艏向,并由此衍生了一系列其
3
他功能,如目标跟踪、航迹保持等。
每个船舶都具有六个自由度,三个旋转自由度和三个直线位移自由度:纵移(Surge)、横移(Sway)、艏摇(Yaw)、纵摇(Pitch)、横倾(Roll)、垂荡(Heave)。
图4是船舶六个自由度的示意图。
图4:船体自由度(S、S、Y、P、R、H)示意图
动力定位系统主要控制横移、纵移和横倾三个自由度。
横移和纵移代表船舶的位置,横倾定义为船体的艏向。
这三个控制点的期望值(设定值)由DP操作员输入到动力定位系统中。
要实现动力定位,首先要对这三个控制点进行实际测量,位置参考系统负责位置测量,通过电罗经实现艏向的测量,通过风速风向仪测量风的速度和方向,将测量数据送入DP 系统中,因波浪对船体施加的力很难测量,所以DP 系统设计时不测量波浪,而将其和涌的影响共同考虑并计算,考虑到很难测量涌对船舶施加力的影响,所以DP 设计原理中均不考虑测量涌,但在计算的数学模型中,预先进行考虑和计算。
其他作用力:如推进器作用力、钻井船收到所钻探的海底张力等等。
一般计算时均在“涌”中一并考虑。
通过综合控制全船的主推进器、侧推进器和舵等设备,控制船舶运动的6 个自由度,补偿四类对船舶外力的影
响。
所以动力定位系统就是通过控制推进器来减少设定值和测量值之间的偏差来实现动力定位,图5是动力定位原理图:
4
图5:动力定位原理图
动力定位系统相对于传统锚系系统和自升平台系统的对比
动力定位系统的诞生,是传统的海洋石油开发中锚系系统和自升平台系统的固有的弱点和无法克服的问题。
传统系统的优点为:不需要动力、推进器等复杂的保持船位的系统、船舶失电或超负荷等问题对定位没有影响、不要位置参照系统、如自升式系统故障,船位不会受影响;缺点为:机动性差、只能适应浅水内的海域作业、对海床地质条件有要求、起锚需要时间比较多。
动力定位式系统优点为:船舶自航,不需要拖轮辅助操作、定位方便、机动性好,对天气因素的快速反应、根据作业的需要快速反应,系统先进、方便多动能作业(比如自动跟踪功能方便ROV支持)除极浅水域外,适于任何海域作业、适于多种任务作业、更经济等;缺点为:动力故障、推进器故障、电力系统故障和过载对系统影响比较大、定位风险大、在浅水作业困难大、需要位置参照系统、对人员要求高等。
5。