PDM系统电子档案元数据
- 格式:docx
- 大小:28.60 KB
- 文档页数:7
电子档案管理与产品数据管理(PDM)一、档案信息化工作框架在档案信息化工作总体框架中,某所根据档案信息内容、形式和来源的不同规划其不同的应用平台。
首先,根据信息化的总体规划,档案管理信息系统与其它应用系统均建立在所园区网上;其次,以航空档案管理系统为管理应用平台,以目录或全文挂接的方式管理馆藏传统的各门类档案信息;第三,应用所OA系统实现对文书档案的行文、归档及利用的全电子化管理;第四,与型号设计密切相关的产品电子档案以产品数据管理系统(PDM)为管理平台。
二、数字化和产品数据管理产品档案数字化,极大地减少了费用、缩短了周期,降低了成本,提高了质量,增强了企业或项目的灵活应变能力和市场开拓能力。
飞机空调设计、制造、试验、飞行运行和管理的过程数字化,彻底改变了飞机空调制造业的传统模式、手段、方法、流程、组织和生产方式,提高了企业或项目的核心竞争力。
PDMDDM是一种工具,它能够提供一种结构化方法,有效地、有规则地存取、集成、管理、控制产品数据和数据的使用流程。
三、介入产品数据管理产品数据管理(PDM)在很大程度上是一种在数字化技术条件下的一种新型档案管理。
产品数据管理(PDM)在一定程度上超出了传统档案管理的业务范畴,但不涵盖传统档案管理,它是电子档案管理系统的一个重要组成部分。
产品数据管理(PDM)技术的应用是传统档案管理面临的一个重大挑战,档案部门如果不能很好应对这个挑战,必然会出现危机。
档案部门介入产品数据管理(PDM)是必然的。
档案部门介入产品数据管理(PDM)要面对技术手段、工作方式和业务范围的转变。
如何提高整体技术能力,适应新工作方式、方法,处理扩展的业务和增加的额外工作是档案部门要正确解决的关键问题。
档案部门介入产品数据管理(PDM),使档案工作成为数字化工作中的一个重要环节。
档案部门必须通过对数字化工作的贡献来获得新的定位,再通过新的定位来取得更大的成绩,从而形成良性循环。
档案部门通过产品数据管理(PDM)对科研、生产一线的技术支持和服务而成为各项技术工作的一种不可或缺的依赖。
产品数据管理(PDM)技术概述1产品数据管理系统(PDM)发展及现状1.1PDM技术的基本概念及产生的背景产品数据管理(PDM)是以软件技术为基础,以产品为核心,实现对产品相关的数据、过程、资源一体化集成管理的技术。
PDM明确定位为面向制造企业,以产品为管理的核心,以数据、过程和资源为管理信息的三大要素。
它继承并发展了CIM(Computer integration Manufacture)等技术的核心思想,在系统工程思想的指导下,用整体优化的思想对产品设计过程进行描述,规范产品生命周期管理,保持产品数据的一致性和可跟踪性。
其进行信息管理的两条主线是静态的产品结构和动态的产品设计流程,核心思想是设计数据的有序、设计过程的优化和资源的共享。
在20世纪的60、70年代,企业在其设计和生产过程中开始使用CAD、CAM等技术,新技术的引用在促进生产力发展的同时也带来了新的挑战。
对于制造企业而言,虽然各单元的计算机辅助技术己经日益成熟,但各自动化单元自成体系,彼此之间缺乏有效的信息沟通与协调,这就是所谓的“信息孤岛”问题。
进入20世纪末,以信息技术为主要特征的高新技术飞速发展,推动了技术进步和经济全球化,加速了技术革新、管理革新,企业面临的商业环境和市场环境发生了根本的变化。
具体表现在以下几个方面:(1)技术进步和高新技术的应用,信息量急剧增加。
(2)全球化市场与全球化竞争。
(3)用户对产品的需求呈现多样化和个性化。
(4)产品更新换代加快,生命周期缩短,人们对交货期的期望越来越高。
(5)生产方式的多样化。
但很多企业在技术、管理、技术与管理的协调发展以及适应新的生产模式和管理模式等方面还存在一些问题,影响了企业的竞争能力和向现代企业的发展。
这些问题具体表现在:(1)设计手段和加工技术落后。
(2)管理落后,特别是技术先进性与管理落后的矛盾日益突出。
CAD技术的全面推广,大大提高了设计质量,减少了差错,降低了返工率,大大提高了企业的产品开发能力和市场竞争力。
TC知识点复习Chapter 11.产品数据管理(Product Data Management,PDM)是在现代产品开发环境中成长起来的一项以软件为基础的管理产品数据的新技术。
(Page1)2.PDM系统基本功能:电子仓库与文档管理、工作流与过程管理、系统定制与集成工具、零件分类管理、项目管理、产品结构与配置管理。
Page43.电子仓库与文档管理是PDM最核心的模块。
Page44.Teamcenter提供了两层(Two-Tier)和四层(Four-Tier)两种体系结构。
5.TC的两层结构包括客户端层和资源层。
客户端层包括以下几部分:胖客户端(RichClient)、Teamcenter服务和可执行程序、可选择的集成在胖客户端的应用程序。
资源层是通过运行环境存储持久数据和进行文件管理,包括以下三部分:数据库服务器和数据库、卷(Volumes)服务器、文件服务器。
6.TC四层结构包括客户端层(Client Tier)、Web层(Web Tier)、企业层(EnterpriseTier)和资源层(Resource Tier)。
每一层为其上一层提供所需的服务。
操作系统与数据库为最下层提供系统功能,而最上层则通过Web介面提供最终用户功能。
7.在四层结构中的客户端可以包括以下几部分:瘦客户端(Thin Client)、胖客户端(RichClient)、Teamcenter的网络文件夹、其他应用程序。
8.在四层机构中的Web层,通过Teamcenter服务器提供所有的Teamcenter功能,包括文档管理、产品结构管理、业务流程管理、文件输出等。
9.在四层结构中的资源层,即数据存取层,直接与操作系统和数据库进行交互操作,为Web层提供可靠的和高效能的数据存取、对象管理、文本搜索等基本功能。
资源层存储TC的持久数据和文件管理。
资源层包括:数据库服务器和数据库、标准件(Standard Volumes)、用于共享配置和二进制执行的文件服务。
产物数据办理什么是PDMPDM的含义PDM的中文名称为产物数据办理〔ProductDataManagement〕。
PDM是一门用来办理所有与产物相关信息(包罗零件信息、配置、文档、CAD 文件、布局、权限信息等)和所有与产物相关过程(包罗过程定义和办理)的技术。
PDM发生的布景在20世纪的60、70年代,企业在其设计和出产过程中开始使用CAD、CAM等技术,新技术的应用在促进出产力开展的同时也带来了新的挑战。
对于制造企业而言,虽然各单元的计算机辅助技术已经日益成熟,但都自成体系,彼此之间缺少有效的信息共享和操纵,形成所谓的“信息孤岛〞;而且随着计算机应用的飞速开展,随之而来的各种数据也急剧膨胀,对企业的相应办理形成巨大压力:数据种类繁多,数据重复冗余,数据检索困难,数据的安然性及共享办理等等。
许多企业已经意识到,实现信息的有序办理将成为在未来的竞争中保持领先的关键因素。
在这一布景下发生一项新的办理思想和技术PDM,即以软件技术为根底,以产物为核心,实现对产物相关的数据、过程、资源一体化集成办理的技术。
PDM 明确定位为面向制造企业,以产物为办理的核心,以数据、过程和资源为办理信息的三大体素。
PDM进行信息办理的两条主线是静态的产物布局和动态的产物设计流程,所有的信息组织和资源办理都是围绕产物设计展开的,这也是PDM系统有别于其它的信息办理系统,如企业信息办理系统(MIS)、制造资源方案(MRPⅡ)、工程办理系统(PM)、企业资源方案(ERP)的关键地点。
PDM的应用1.PDM数据办理范围PDM确实是一种“管得很宽〞的软件,但凡最终可以转换成计算机描述和存储的数据,它都可以一概管之,例如:产物布局和配置、零件定义及设计数据、CAD绘图文件、工程阐发及验证数据、制造方案及尺度、NC编程文件、图像文件〔照片、造型图、扫描图等〕、产物说明书、软件产物〔程序、库、函数等“零部件〞〕、各种电子报表、成本核算、产物注释等、工程规划书、多媒体音像产物、硬考贝文件、其它电子数据等。
PDM系统中档案管理本文介绍了随着企业PDM系统数字化设计、制造并行协同平台的建立和应用,大量电子文档通过这一平台经流程审签后逻辑归档,如何科学有效管好、用好电子文件,做好PDM系统中电子文件档案管理,是关系到企业快速、高效发展的大事。
PDM产品数据管理系统是用来管理所有与产品相关信息(即描述产品的各种信息,包括零部件信息、配置、文档、CAD模型、结构、权限信息等)和所有与产品相关过程(包括产品变更、审批过程和其它的工作流程,包括对这些过程定义和管理)的技术。
我公司从2001年开始,按照“总体规划、分步实施”的原则,在公司设计部门、工艺制造部门进行PDM系统建设。
推行数字化产品设计、制造和数据管理。
多年来,在PDM系统中集中进行了各类设计文件、技术文件的创建、流程定制、提交归档等开发和先期准备工作。
经过多次反复讨论、研究、试行、调研和版本升级等工作,到2010年,基本具备了向档案部门提交归档各类经流程审签的电子文件的条件,从2011年5月份起,公司开始停止纸质文件归档,全面实施基于PDM系统协同制造平台为依托的电子文件归档、管理、制造、应用体系。
那么,对于我们档案工作者来说,大量基于PDM系统的发动机燃油控制系统产品数字化设计制造并行协同产生的且已归档的各类设计文档、工艺文档、工装文档、标准规范文件档、质量文档等电子文件如何科学、有效管理?快速、高效提供利用?安全、可靠异地备份?就成了摆在我们各位档案工作着面前紧迫和急需解决的现实问题。
目前电子档案管理我们面临的主要问题:一是缺乏系统、完备的制度和应用规范支持。
二是在PDM系统中如何规范、顺畅实施各类文档接收归档?归档后的的电子文件如何实施完整、有效管理?在目前无法达到无纸化程度时,如何同步、高效实现“双轨制”管理?三是PDM产品数据管理系统,它的最大特点是一个动态管理系统,那么,随着时间的推移,其中产生的大量的归档电子数据文件如何按照档案管理的要求进行组卷、管理、提供后期利用?如果无法实现,其电子数据如何移交档案部门?对于移交的电子档案,档案部门如何实施管理?一、主要思路及做法1、制度和规范建设方面要充分重视产品数据的标准化和流程的规范化制度建设。
-----Original Message-----From: Jenny[蔡月瑱主任]Sent: Monday, February 10, 2003 10:06 AMTo: NB_leader[陈振东厂长]; nbtg07[曾韦岚]; nbtg06[林盛经理]; nbtg04[陈孟杰副厂长]; nbtg03[陈炳辉副理]Subject: PDM简介各位好,以下是PDM(Production Data Management)或PDL(Lifecycle)的几个简介,请各位大人过目:月瑱PDM系统的定义PDM是协助企业管理产品定义数据及产品开发流程的一种方法及一组工具,组织、管理不同系统平台及媒体中,有关产品定义的信息、流程及应用软件PDM是什么产品数据管理是能帮助我们管理数据和产品研发流程的一种工具。
PDM系统储存着从设计,制造,生产甚至维护所需的大量数据和讯息。
可能被应用的领域包含飞机制造、铁路系统、汽车业…….等。
PDM系统简介PDM系统最初发展的方向,是以管理设计研发部门之图文件、文件、产品结构等数据及其相关版本数据为主,并藉由工作流程机制,将归档调阅,设计变更、新产品开发等研发作业纳入系统管理之中,藉以避免信息误用,提升产品质量、缩短设计时间。
PDM是一种帮助工程师以及其人员管理产品数据与开发步骤的一种软件系统。
PDM系统帮助我们去追踪在设计、制造、销售以及售后服务与维修过程之中所需求的大量信息。
PDM又被称为工程信息管理(E D M)、文件管理(D M)、产品数据管理(P I M)、技术数据管理(T O M),或是技术信息管理(T I M)以及图像管理(I M)。
为何需要PDM‧需要促进总体性的信息分享,达到跨国业务需求。
‧独立性系统需要整合,如CAD,ERP…等。
‧改善产品推出时间(如图一之演进状况),提升市场竞争力。
‧经验累积与延伸使企业在重点技术上能走在先端以维持领先地位。
‧建构跨国际的制造处理流程达成企业内及上下游整合。
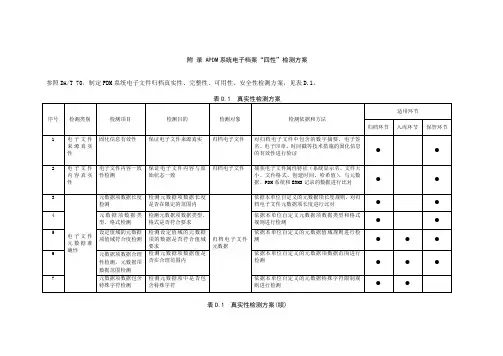
附录A(规范性)元数据(机读目录)结构A.2 文书卷内文件元数据字段说明A.4照片案卷元数据字段说明注:没装册单张照片视为1册编号。
A.5 照片卷内文件元数据字段说明A.7 录音文件元数据字段说明A.8 录像文件元数据字段说明注:上述表格中必填项需符合DA/T 18 档案著录规则要求,机读目录字段设置要求同元数据。
附录B(规范性)电子档案和档案数字化副本存储结构要求电子档案和档案数字化副本的存储应使用带有层级的结构,以件为单位存储,且层级文件夹名应与档号一一对应,并符合以下要求:按案卷整理的档案,以档号结构建立并命名文件夹,档号结构是:“全宗号-目录号-案卷号-顺序号”。
全宗号为4位,目录号为3位,案卷号为4位,顺序号为3位;子文件夹名称继承父文件夹名称,中间以“-”分隔。
文件名称以“档号-子件号”命名,子件号为4位。
位数不足前面以“0”补齐。
详见图1。
图1 以案卷整理的档案存储结构示意图按文件整理的档案,以档号结构建立并命名文件夹,档号结构是:“全宗号-档案门类代码·年度-保管期限代码-机构(问题)代码-件号”。
全宗号为4位;档案门类代码为2位,年度为4位,中间以“·”分隔;保管期限代码为“Y、D30、D10、CQ、DQ”之一;机构(问题)代码为3位;件号为4位;子文件夹名称继承父文件夹名称,中间以“-”分隔。
文件名称以“档号-子件号”命名,子件号为4位。
位数不足前面以“0”补齐。
详见图二。
图2 以文件整理的档案存储结构示意图保管期限代码中:“Y”代表“永久”,“D30”代表“定期30年”,“D10”代表“定期10年”,“CQ”代表“长期”,“DQ”代表“短期”。
附录C(规范性)XML报文格式C.1 以案卷为单位的XML报文示例<?xml version="1.0" encoding="UTF-8"?><archive target="全宗名称/档案门类名称"><object type="案卷" validate="true" ><property name="全宗号" value="XXX"/><property name="目录号" value="XXX"/><property name="案卷号" value="XXX" /><property name="题名" value="XXX"/>……<object type="文件" validate="true" ><property name="全宗号" value="XXX"/><property name="全宗名称" value="XXX"/><property name="类别号" value="XXX"/><property name="件号" value="XXX"/><property name="保管期限" value="XXX"/><property name="年度" value="XXX" /><property name="文号" value="XXX"/>……<object type="电子文件" validate="false" ><property value="电子文件路径" type="file"/><property name="稿本" value="XXX"/><property name="格式信息" value="XXX"/><property name="计算机文件名" value="XXX" /><property name="计算机文件大小" value="XXX"/>……</object>……<object type="业务过程" validate=" false " ><property name="业务状态" value="XXX"/><property name="业务人员" value="XXX"/><property name="业务行为" value="XXX" /><property name="行为时间" value="XXX"/><property name="行为依据" value="XXX"/><property name="行为描述" value="XXX"/>……</object>……</object></object></archive>C.2 以文件为单位的XML报文示例<?xml version="1.0" encoding="UTF-8"?><archive target="全宗名称/档案门类名称"><object type="文件" validate="true" ><property name="全宗号" value="XXX"/><property name="全宗名称" value="XXX"/><property name="档案门类代码" value="XXX"/><property name="件号" value="XXX"/><property name="保管期限" value="XXX"/><property name="年度" value="XXX" /><property name="文号" value="XXX"/>……<object type="电子文件" validate="true" ><property value="电子文件路径" type="file"/><property name="稿本" value="XXX"/><property name="格式信息" value="XXX"/><property name="计算机文件名" value="XXX" /><property name="计算机文件大小" value="XXX"/>……</object>……<object type="业务过程" validate=" false " ><property name="业务状态" value="XXX"/><property name="业务人员" value="XXX"/><property name="业务行为" value="XXX" /><property name="行为时间" value="XXX"/><property name="行为依据" value="XXX"/><property name="行为描述" value="XXX"/>……</object>……</object></archive>说明:1.XML报文具体构成信息项参见附录A。
1PDM的常见功能介绍到目前为止,还没有一个商用PDM软件拥有全部可罗列的PDM功能,其中有的功能构件还有待于进一步发展和完善。
但是,一般PDM系统都包括文档管理、产品配置管理及工作流程管理等最基本的功能,能对产品的整个生命周期进行完整的描述和控制,因此,PDM在企业中的作用已经普遍为大家所认同。
1.1电子仓库1.1.1电子仓库介绍在企业中,大量与产品相关的数据往往分布在多部门,甚至是多区域中,而且这些数据的格式也是多样的,如文本文件、数据库、图纸文件等,对这些数据的查询、浏览、共享,以及结合工作流程来管理这些数据等,都是企业在进行信息集成时经常遇到的问题。
PDM管理的主要对象是产品的“元数据”,即有关产品信息的信息,其实现基础是电子仓库(Electronic Data Vault)。
实施并行工程所需要的“在正确的时间、把正确的数据、按正确的方式、传递给正确的人”对PDM数据管理提出了更高的要求。
电子仓库(Data Vault)是PDM最基本的功能,也是PDM的核心,通常是建立在通用的关系数据库基础上,主要保证数据的安全性和完整性,并支持各种查询和检索功能。
PDM系统中的电子仓库用以取代人工方式的纸质档案管理,使用户方便、快捷、安全地存取、维护及处理各种有关产品的文档,如从设计阶段产生的AutoCAD图纸的数据文件、3D实体造型的数据文件、CAE的分析报告,到制造阶段可能产生的变更单等,都是电子仓库管理的对象。
电子仓库为用户和应用之间的数据传递提供一种安全的手段,其透明性可使用户无需考虑分布式环境下各种数据的实际物理存放位置,允许用户迅速地、集中地处理访问全企业的产品信息,并且使整个企业的各部门共享产品数据。
PDM的电子仓库和文档管理提供了对分布式异构数据生成,存储,查询,控制存取,恢复,编辑,电子检查和记录,电子对象的历史及通用文件管理等能力。
在PDM中,数据的访问对用户来说是完全透明的,用户无需了解应用软件的运行路径、安装版本以及文档的物理位置,以及自己得到的是否是最新版本等信息,所有描述产品、部件或零件的数据都由PDM统一管理,自动集中修改。
一.简述PDM产生的背景、发展历程及主要功能1.PDM的产生背景:在20世纪的60、70年代,企业在其设计和生产过程中开始使用CAD、CAM等技术,新技术的应用在促进生产力发展的同时也带来了新的挑战。
对于制造企业而言,虽然各单元的计算机辅助技术已经日益成熟,但都自成体系,彼此之间缺少有效的信息共享和利用,形成所谓的“信息孤岛”;并且随着计算机应用的飞速发展,随之而来的各种数据也急剧膨胀,对企业的相应管理形成巨大压力:数据种类繁多,数据重复冗余,数据检索困难,数据的安全性及共享管理等等。
许多企业已经意识到,实现信息的有序管理将成为在未来的竞争中保持领先的关键因素。
在这一背景下产生一项新的管理思想和技术PDM,即以软件技术为基础,以产品为核心,实现对产品相关的数据、过程、资源一体化集成管理的技术。
PDM明确定位为面向制造企业,以产品为管理的核心,以数据、过程和资源为管理信息的三大要素。
PDM进行信息管理的两条主线是静态的产品结构和动态的产品设计流程,所有的信息组织和资源管理都是围绕产品设计展开的,这也是PDM系统有别于其它的信息管理系统,如企业信息管理系统(MIS)、制造资源计划(MRPⅡ)、项目管理系统(PM)、企业资源计划(ERP)的关键所在。
2.PDM的发展历程:a.配合CAD工具的PDM系统:这些产品的目标主要是解决大量电子数据的存储和管理问题,提供了维护“电子绘图仓库”的功能。
它仅在一定程度上缓解了“信息孤岛”问题,仍普遍存在功能较弱、集成能力和开放程度较低等问题。
(intra-link)b.专业PDM产品产生:在第二代PDM出现了许多新功能,如对产品生命周期内多种形式产品数据的管理能力、产品结构与配置管理、电子数据发布和更改控制、基于成组技术的零件分类管理等,同时软件的集成能力和开放程度也有较大提高,少数优秀的PDM产品可以真正实现企业级的信息集成和过程集成。
(Metaphase)c.PDM的标准化阶段:1997年2月,OMG组织公布了其PDM Enabler标准草案,使得不同PDM可以互操作。
PDMPDM是对产品全生命周期数据和过程进行有效管理的方法和技术的总称。
实现产品数据管理功能的信息系统称为PDMS。
包括EDM工程数据管理、PDMII产品开发管理、CM配置管理、PIM产品信息管理、TIM 技术信息管理、DM图档管理、TDM技术数据管理。
PDM目标利用一个集成的信息系统来协助创建和管理为进行产品开发设计以及产品制造所需的完整的技术资料,并对产品的形成过程进行有效的管理和控制。
采用基于元数据的产品见建模方法,可以将那些不同介质、不同地点和不同格式的产品信息在逻辑上集成为一个整体,形成一个完整的产品描述,即虚拟产品模型。
完整的产品描述包括:BOM、工艺过程规划、NC程序、检验计划、安装说明、需求说明书、质量管理资料、CAD模型、仿真模型、FEM数据、计算结果、工程图等不同生命周期的各种文件。
PDM作用产品增值链的核心环节、应用系统的集成平台、数据安全性的重要保障、虚拟产品的管理工具、知识管理系统的重要组成部分、电子商务的核心技术、产品安全生命周期管理的基础。
PDM系统的核心功能有:权限设置、系统集成、数据管理、过程管理、项目管理。
权限管理:用户、用户组。
他们各自拥有自己的角色,每个角色可以承担不同任务,不同人物有不同的规则。
PDM有权限检验过程,只有拥有相关权限才能进行相关操作。
系统集成:PDM/CAD 集成度最深。
PDM/ERP主要涉及两个系统之间的信息实时共享。
PDM/CAx集成度较低,主要是CAx文档在PDM系统中的注册、浏览、编辑。
该集成分为脱机接口、联机接口。
脱机接口系统间没有直接通信,信息的传输通过数据交换文件进行,比较适合批处理作业。
联机接口通过用户对话来控制PDM系统与CAx系统间的通信,有很多实现方式,如调用其他程序。
数据管理:为了对与产品有关的信息进行描述,可以将其分成业务对象BO、数据对象DO。
BO 用来描述某个事物或定义组织方面的信息。
DO用来控制文件或索引表,包括一个描述或索引表属性的数据记录以及指明其在计算机网络中存储位置的指针。
电子档案元数据的管理方案作者:暂无来源:《经营者》 2018年第6期元数据的准确定义为:对各种信息资源进行结构化的描述,提供关于信息资源或数据的一种结构化数据。
它可以对各种电子数据本身的特征和属性进行描述,具有发现、检索、管理、描述等功能。
目前基于元数据的电子档案管理已经广泛应用于各行各业。
本文对元数据在电子档案管理中的功能、电子档案元数据管理方案等几个方面进行研究和探讨。
一、元数据在电子档案管理中的作用(一)保证电子档案的真实性和完整性因为电子档案与实体分离,并且可以通过相关的操作进行变更,所以它的真实性往往会受到怀疑。
但是,如果电子档案有了元数据,就可以将整个电子档案的形成、利用、处理的过程记录下来,从而保证整个电子档案的真实性和完整性。
(二)确保电子档案的长期可读性我们知道,电子档案的生成和保存主要是依靠电脑和一些软件,一旦电脑或者是软件运行出现问题,电子档案就无法识别。
在这种情况下,就可以利用元数据建立相应的模型对电子档案的格式信息、制作信息、转换方式等进行详细的记录与描述,这样就可以在电子档案迁移过程中保证其完整性和可读性。
(三)具有发现、检索、管理、描述等基本功能元数据最基本的功能就是描述功能,它可以对档案信息对象的属性和位置进行详细的描述,从而将所找对象的基本信息呈现在人们面前。
此外,因为元数据将主要信息展示出来了,所以就便于人们快速查找所需信息。
同时,元数据还可以对各种资源对象的各个部件之间的结构和关联模式进行管理。
二、电子档案元数据的管理方案电子档案元数据的管理方案有四种,即内封装、半封装、不封装、特定封装。
以下对电子档案元数据的这四种管理方案作介绍。
(一)内封装内封装主要就是指将电子档案的内容信息和相应的元数据进行绑定,使其形成一个完整的对象,目前我国常用的数据封装方法就是VEO和Mets。
VEO内封装常用的方法有两种,一种是在不对电子档案的内容信息作任何处理的前提下,将元数据封装到内容信息里面的特定位置;另一种就是将存储在电子档案内容中的文件进行编码转换,然后和元数据一起封装到特定结构当中。