分立元件数字功放设计
- 格式:pdf
- 大小:513.66 KB
- 文档页数:7
电力电子技术课程设计题目:分立元件功放制作学生姓名:指导教师:院系: 工程技术学院专业:电子信息班级:学号:二○一六年六月十五日摘要很多场合(如商场、学校、车站、体育场等)都安装有广播系统,它的主要功能是拨那个放音乐、广播通知和要闻,这些广播都含有扩音设备,用以从话筒、等送出微弱信号放大或能推动扬声器发声的大动率信号,本课题提出的扩声电路性能指标比较低,主要采用理论课题里介绍的运算放大继承电路和音频功率放大继承电路来构成扩声电路,这种指标的的扩音器主要在于价格便宜,制作简单,不需要太多昂贵的集成块。
Many occasions (such as stores, schools, railway stations, stadiums, etc.) are installed in the broadcasting system, its main function is to put aside the music, radio announcements and news, these broadcasts contain amplification equipment for the microphone, and so sends weak or signal amplification can push speaker sound big move rate signal, this paper proposes PA circuit performance is relatively low, the main problem in the use of computing theory describes the amplification circuit inheritance and succession circuit audio power amplifier circuit constituted PA, this loudspeaker indicators lies mainly cheap, making simple, does not require much expensive manifold关键词:扩音、音频功放、放大电路Keywords: PA, audio amplifier, amplifying circuit目录一、前言 (1)二、方案设计 (2)2.1方案比较与论证 (2)2.2方案选择 (3)三、单元电路设计 (3)3.1前置放大器的设计 (3)3.2音调控制器的设计 (4)3.3功率输出级的设计 (5)3.3.1 确定电源电压 (6)3.3.2 功率输出级设计 (6)3.3.3 电阻R17~R12的估算 (7)3.3.4 确定静态偏置电路 (7)3.3.5 反馈电阻R13与R14的确定 (7)四、电路调试 (8)4.1前置级调试 (8)4.2音量控制器调试 (8)4.3功率放大器的调试 (8)4.4整机调试 (9)总结 (10)参考文献 (11)附录1 总电路原理图及PCB板底图 (12)附录2 元件清明细表 (14)一、前言随着电子技术的飞速发展,话筒扩声电路应用越来越广泛,它的种类也越来越繁多。
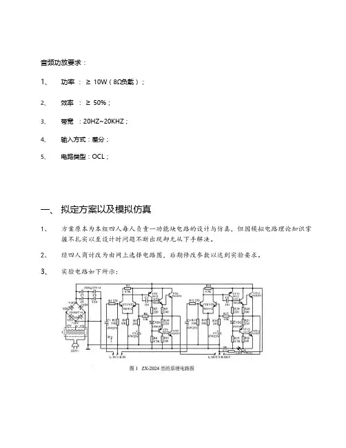
音频功放要求:1、功率:≥10W(8Ω负载);2、效率:≥50%;3、带宽:20HZ~20KHZ;4、输入方式:差分;5、电路类型:OCL;一、拟定方案以及模拟仿真1、方案原本为本组四人每人负责一功能块电路的设计与仿真,但因模拟电路理论知识掌握不扎实以至设计时问题不断出现却无从下手解决。
2、经四人商讨改为由网上选择电路图,后期修改参数以达到实验要求。
3、实验电路如下所示:(1)电路组成稳定静态工作点原理上面两个电路均利用热敏电阻RT进行温度补偿。
RT具有负温度系数,其阻值随着温度附录2:三种基本放大电路电路类型比较项目共射极电路共集电极电路共基极电路电路图电压增益AV A v=−βR L′r be+(1+β)R e(R L′=R C∥R L)A v=(1+β)R L′r be+(1+β)R L′(R L′=R C∥R L)A v=βR L′r be(R L′=R C∥R L)V o 与Vi的相位关系反相同相同相最大电流增益AiA i≈βA i≈1+βA i≈α输入电阻R i=R b1∥R b2∥[r be+(1+β)R e]R i=R b∥[r be+(1+β)R L′]R i=R e∥r be1+β输出电阻Ro ≈R c R o=r be+R s′1+β∥R e(R s′=R s=R b)R o≈R c特点及用途1、输出信号与输入信号相位相反;2、电压、电流、功率放大倍数都比较大,输入电阻和输出电阻适中;3、主要用于多级放大器的中间级。
1、输出信号与输入信号相位相同;2、电压放大倍数接近于1,而小于1;3、输入电阻高,输出电阻低,带负载能力强;4、主要用于输入级、输出级和缓冲级。
1、输出信号与输入信号相位相同;2、电压放大倍数与共射级放大电路一样,但电流放大倍数小于1;3、输入电阻很低,输出电阻适中;4、主要用于高频和恒流源电路;一、基本共射极放大电路(1)共射极放大电路中,信号由基极输入,集电极输出;共射极放大电路的电压和电流增益都大于1,输入电阻在三种组态中居中,输出电阻与集电极电阻有关。
分立元件,完美音质【功率放大电路】组装与调试项目6 功率放大电路第一部分:“功率放大电路”电路功能和原理简介一、功能说明该功率放大电路从结构上由电源板、左声道板、右声道板三块电路板组成(左、右声道电路完全相同),电源板负责供电,左、右声道板实现左、右声道信号功率放大。
二、原理简介功放电路由电源电路、音量调控电路、音调调控电路、滤波与前级放大电路、功率放大电路组成。
1. 电源电路从安全方面考虑,电源输入不采用电源变压器,而是从稳压源直接输入某数值的正、负直流电压,正电压由P1的1脚输入,经可调稳压模块LM317和扩流电流(Q1、R1)后得到功放电路需要的正电压值(+VCC=12V)和电流值(+I≥1.5A)。
同理,负电压由P1的3脚输入,经可调稳压模块LM337和扩流电流(Q2、R5)后得到功放电路需要的负电压值(-VCC=-12V)和电流值(-I≥-1.5A)。
正、负电源从P2的1、3脚输出给功放板供电。
2.音量调控电路该电路主要由R1、RL1、RW1、C1和C2组成,其中RL1为匹配电阻,实现输入匹配,RW1为音量调节电位器。
3.音调调控电路该电路主要由R2、R3、R4、R5、R6、C3、C4、C5、C6、RW2和RW3组成,RW2和RW3为音调调节电位器。
4.滤波和前级放大电路滤波电路由R7、R8、R9、R10、C7和C8组成,实现前级放大前的信号滤波。
前级放大电路由NE5532及其外围元件构成,采用同相比例运算放大电路模式,实现前级信号放大。
5功率放大电路部分功率放大电路的输入级采用差分放大电路,主要由Q1、Q2组成,输出级由两只型号相同的NPN型大功率晶体管Q6、Q7组成,而没有采用互补对称推挽电路。
输出管Q7对于负载(扬声器)来说是共发射极电路,而Q6则是射极输出电路,因此是不对称放大。
三、NE5532芯片介绍NE5532是双运放集成电路,它内部包含两组形式完全相同的运算放大器,其封装和内部结构分别如图1(a)(b)所示,其管脚说明如表1所示。
用分立元件设计制作功率放大器更新于2011-07-05 09:05:42 文章出处:维库OTL功率放大器偶合元件一、功率放大器基本电路特点互补对称式OTL功率放大器基本电路如图①所示。
其中:C1为信号输入偶合元件,须注意极性应于实际电路中的电位状况保持一致。
R1和R2组成BG1的偏置电路,给BG1提供静态工作点,同时也在整个电路中起到直流负反馈作用。
要求通过R1的电流大于BG1的基极电流至少5倍,按照β为100、Ic1为2mA计算,R1应不大于6k,故给定为5.1k;C1因此也相应给定为22μ,它对20Hz信号的阻抗为362Ω;R2需根据电源采用的具体电压确定,约为R1(E/2-0.6)/0.6,按照32V电压值应取为约120K,确切值通过实际调试使BG1集电极电压为15.4V来得到。
C2与R3构成自举电路,要求R3×C2>1/10、(R3+R4)×Ic1=E/2-1.2,因R4是BG1的交流负载电阻,应尽可能取大一点,R3一般取在1k之内。
按照32V电源电压值和Ic1为2mA进行计算,R3与R4之和为7.2k,实际将R3给为820Ω、R4给为6.8k,Ic1则为1.94mA;C2因此可取给为220μ。
R5和D是BG2、BG3互补管的偏置电路元件,给BG2、BG3共同提供一个适当静态工作点,在能够消除交越失真情况下尽量取小值,根据实验结果一般取在3mA~4mA;改变R5阻值可使BG2与BG3的基极间电压降改变而实现对其静态工作的调整,与R5串联的D 是为了补偿BG2、BG3发射结门坎电压随温度发生的变化,最好采用两只二极管串联起来补偿互补管发射结门坎电压随温度发生的变化,使互补管静态工作点稳定。
简化电路中省略使用一只二极管。
并联在BG2、BG3基极间的C4,可使动态工作时的ΔUAB减小,一般取为47μ;C3是防止BG1产生高频自激的交流负反馈电容,一般取为47P~200P。
BG1起电压放大作用,在该电路中被称为激励级,要求Buceo>E、Iceo≤Ic1/400=5μA、β=100~200,所以应选用小功率低噪声三极管。
两款分立元件功放电路图时间:2010-07-04 09:11来源: 作者:山东照明网编辑整理点击:162次核心提示: 分立元件功放虽然制作较为复杂,对理解功率放大原理却有很大帮助,现为两款分立元件功放电原理图,正负双电源OCL电路模式,元件参数均已标出,供电子爱好者制作参考。
1、12管双极型晶体管OCL功率放大电路2、双极型晶体管、场效应晶体管混合OCL功率放大电路分立元件功放虽然制作较为复杂,对理解功率放大原理却有很大帮助,现为两款分立元件功放电原理图,正负双电源OCL电路模式,元件参数均已标出,供电子爱好者制作参考。
1、12管双极型晶体管OCL功率放大电路2、双极型晶体管、场效应晶体管混合OCL功率放大电路本篇文章来源于山东照明网| 原文链接:/html/zhaomingbaike/gongchengtuzhi/20100704/58526.html一、电路说明Q1是激励放大管,它给功率放大输出级以足够的推动信号;R1、RP2是Q1的偏置电阻;R3、D1、RP3串联在Q1集电极电路上,为Q3提供偏置,使其静态时处于微导通状态,以消除交越失真;C3为消振电容,用于消除电路可能产生的自激;Q2、Q3是互补对称推挽功率放大管,组成功率放大输出级;C2、R4组成“自举电路”,R4为限流电阻。
二、电路调试接上3-6V直流电源,调节RP2,使Q2、Q3中点电压为1/2电源电压;调节RP3,使功放输出级静态电流为5-8mA;反复调节RP2、RP3使其两个参数均达到上述值。
三、元件清单四、电路原理图五、组装好的电路成品一款经典的OCL分立元件功放电路实例讲解电路图只给出了后级功放,是笔者曾经开发的一款功放。
电路原理分析:以左声道为例,右声道相同从前级来的左声道信号,经C15到由Q7,Q8组成的差分输入放大器进行电压放大,放大后的信号从Q7的集电极取出,送激励三极管Q12进行激励放大,激励信号从Q12的集电极取出,分两路输出:一路经R13,D4,D3(二极管在导通状态,对在其特性曲线范围内的交流信号阻抗很小)送互补推挽放大电路的下臂PNP复合管基级(Q14基级),当信号为负半周时,复合管导通,输出电流经地,音箱到Q13负电源,信号为正半周时复合管截至;另一路直接送NPN复合管(Q6基级),当信号为正半周时,复合管导通,电流经音箱到地,信号负半周截至;放大后的音频信号由Q5,Q13的发射级输出,推动扬声器发声。
用分立元件制作甲类功放一、甲类功放概述甲类功放(A类功放)输出级两个(或两组)晶体管一直处于导通状态,也就是说无论有无输入信号,它们都保持有导通电流。
无输入信号时,上下半区功率功率管通过的电流相等(也就是静态电流);有输入信号时,上下半区功率功率管通过的电流不等,具体状况如表1。
表1 甲类功放晶体管工作电流1.概述本电路是参照美国名器MONARCHY(帝皇之声)SM-70之电路原理,稍作改动完成的一台线路简洁、易安装、易调试、易校声,工作稳定的甲类音频功率放大器。
由于左右声道电路完全相同,所以这里只给出右声道的电路,如图1所示。
主功率电源±VCC直接提供给大功率场效应管,±VCC经穿芯磁阻(抑制高频干绕)送到可调三端稳压器LM317/337,变换成±22V对称电压供给前置电压放大器;前置电压放大器是基本的同相比例放大器;信号输入用小容量MKS电容与到大容量MKP电容并联,用于弥补大容量MKP电容对高频耦合的不足。
电路结构并不复杂,但元器件的、规格型号却是用心之选,体现了甲类功放造价昂贵的特点。
比如,变压器二次侧为两组独立的AC24V,输出功率可达200W;整流桥堆BR252输出电流可达25A;效应管采用2SK413/2SJ118(若用2SK1058/2SJ162或许更好);R20~R23采用5W无感电阻;集成运放选用美国BB(Burr-Brown)公司专为音频而设计的OPA2604,它音色醇厚、圆润,中性偏暖、胆味甚浓,声底较醇厚且略具刚性,特别适合音乐的表现,被誉为最有电子管音色的运算放大器。
此外,信号耦合、滤波电容多采用MKP、MKT和MKS型号,算是音响用电容的中高档水平了。
2.电路调试调试要点:元件准确无误按图焊好,先将VR2旋至最大值。
(1)接上两组交流电AC24V,旋动VR1,使IC1的④、⑧脚有±22V的直流电压,插入集成运放;(2)将万用表置于DC200mV挡,表笔夹在输出端(OUT)与地之间,旋动VR3,调至万用表读数约为几毫伏(理想值为零);(3)将数字万用表置于DC200mV挡,两只表笔夹在0.25Ω电阻(R20、R21、R22和R23)两端,旋转VR2,调节T1集电极和发射极之间的电压差,当万用表读数为75mV时,每只功率管的静态电流为300mA(=75mV/0.25Ω)。
用分立元器件制作一个迷你功放,小身材,大功率
音频信号功率放大电路,简称功放。
几乎所有的音频设备都离不开功放电路,比如手机功放电路需要将接收到的微弱信号放大,以便能听清对方
“分立元件”功放电路图
所需元器件清单
耳机插孔用“J”表示。
还需要一条3.5mm插头的音频线,用于将手机或者电脑的音频信号引入到耳机插孔,便于音频信号放大。
。
音频信号经过电容C1耦合,三极管VT1前级放大,调整Rp 至VT2、VT3中点电压(电源电压的一半),当音频信号为负半周时,三极管VT1截止,VT2导通、VT3截止,电源电压正极经过VT2的集电极、发射极、电容C2、扬声器、电源负极,该时段为电容C1充电;当音频信号为正半周时,三极管VT1导通,VT3导通、VT2截止。
C2放电回路:C2的正极,三极管VT3的发射极、集电极、电源负极、扬声器,C2的负极。
这样在扬声器上就获得一个完整的音频波形。
这是非常简单的迷你音频功放,但是美中不足的是,音质不是很好,如何解决这个问题呢?这个时候就该集成功放块出场了。
耳机插孔一共5个引脚,在面包板上组装只用了两个引脚,怎样区分呢?
图中的是立体声耳机插座,可以输出两个声道信号(左右声道),我们只需要一个声道的信号来完成制作,
耳机接线示意图,这个电路太难了,而且我们听说虽然已经放大了,可是声音还是比较小,手机里面也是这样的电路吗?
我们先制作分立元件的功放,是为了初步明白它的工作原理,手机内不是这样的电路,它是采用集成电路放大信号。
有一款小功放集成块,它的型号是LM386,电子制作人对它非常青睐,适合初学者DIY。
用分立元件设计制作功率放大器功率放大器是一种电路,用于将信号放大到较高功率水平。
通常用于音频放大器、无线电发射器等应用中。
在设计和制作功率放大器时,需要考虑多个因素,包括输入/输出阻抗匹配、功率放大倍数、线路稳定性等。
在设计和制作功率放大器时,首先需要确定所需的功率放大倍数。
根据应用需求,确定输出功率的大小。
然后根据所需的功率放大倍数和输入/输出阻抗来选择适当的电子元件。
常见的功率放大器电路包括B类、AB类、C类和D类放大器。
B类功率放大器以其高效率和良好的线性特性而被广泛采用。
它由一对互补的晶体管组成,一个负责处理正半周信号,另一个负责处理负半周信号。
由于晶体管在没有输入信号时处于截止状态,它们只在需要放大时才消耗功率,从而提高了效率。
在设计过程中,需要选择适当的晶体管来匹配所需的功率输出。
可以通过查找晶体管的数据手册来了解其性能和特性。
考虑晶体管的最大功率处理能力、电流增益和频率响应等参数,并与所需功率放大倍数进行匹配。
另一个关键方面是输入/输出阻抗的匹配。
为了更好地传输信号和最大化功率输出,需要确保输入/输出阻抗与所用晶体管和负载的阻抗相匹配。
一种常见的方法是使用匹配网络,例如使用L型网络、pi型网络等。
线路的稳定性也是一个重要考虑因素。
在大幅度的放大过程中,可能会出现震荡或不稳定的情况。
为了解决这个问题,可以在电路中添加一个稳定器电路,例如负反馈电路。
这样可以提高电路的稳定性和线性度。
在制作功率放大器时,需要注意电路布局和散热。
由于功率放大器通常会产生大量的热量,因此需要确保散热器的使用以维持元件的正常工作温度。
电路的布局也需要合理,以减少干扰和交叉耦合。
除了以上要点,还有许多其他因素需要考虑,例如功率供应、RF功率分配、滤波等。
设计和制作功率放大器是一项复杂的任务,需要充分的电子电路知识和实践经验。
总之,设计和制作功率放大器需要确定所需功率放大倍数、选择适当的晶体管、匹配输入/输出阻抗、保持线路稳定性和散热等。
只用三个分立元件自制最简单的实用功放
江苏省泗阳县李口中学沈正中
笔者先用3DD303C等三只分立元件,制作了最简单实用的单管单声道功放,可谓是一款音质优
美、最简单的经典功放。
用电脑音频信号输入单声道,
根据电源电压不同,实测音乐输出
功率约0.1W~4W,整机功耗约0.12W~4.8W。
很适合室内欣赏音乐,也可用于初学者学习单管
放大电路的制作,电路图如
图2所示。
按照图2所示电路,把
100μF电容C、10KΩ可变
电阻R和3DD303C三极管
T三个元件连接好,接上阻
抗为4Ω~16Ω喇叭(或音
箱)L(大口径喇叭效果更好!),再接上1.5~24V直流电源,根据电源电压,通过调整可变电阻R,把三极管的偏置电流调整到接近200mA以下或正常放大工作点即可,然后测出可变电阻R的阻值,换上对应阻值的定值电阻。
当电源电压大于9V时,为了防止三极管过于发热,可适当加散热片。
三极管T也可选用3DD15、3DD200、3DD207、3DD102、3DD303、2N3055等替代3DD303C。
笔者是用3DD303C制作的。
项目2 分立元件音响放大器设计与制作1.训练目的通过稳压电源的制作,我们已经发现同学们对基本放大电路的理解还很肤浅,原理不清,计算能力差。
而要参加电子大赛必须先过这一关,为此必须进一步加强这个方面的训练。
为了帮助大家学习小系统电路的综合设计,本项目要求设计和制作一个分立元件音响放大器,具有话筒(MIC)放大、前置放大和功率放大等。
通过本课题的训练,使参加集训同学彻底理解和掌握弱信号放大电路、小信号放大电路和大信号放大电路的结构和设计,掌握电路的制作和主要参数测试方法,掌握电路的计算机仿真的方法。
2.设计任务(1)话筒放大器和前置放大器由于话筒的输出信号一般只有5mV左右,而输出阻抗达到20kΩ(也有低输出阻抗的话筒如20Ω,200Ω等),所以话筒放大器的作用是不失真的放大声音信号(最高频率达到20kHz)。
其输入阻抗应远大于输出阻抗。
(2)前置放大器由于话筒放大的主要作用是放大微弱的声音信号和实现阻抗变换,因此前置放大的主要作用就是提供足够的增益,使之达到功率放大器所要求的激励,要求失真小、通频带宽。
(扬声器)提供一定的输(3)功率放大器功率放大器的作用是给音响放大器的负载RL出功率。
当负载一定时,希望输出的功率尽可能的大,输出信号的非线性失真尽可能小,效率尽可能高。
功率放大器可以采用单电源供电的OTL电路和正负双电源供电的OCL电路。
要求进行必要的计算和计算机仿真。
(4)设计参数1)放大器的失真度 <1%。
2)放大器的功率>1W。
3)放大器的频响为50Hz—20kHz。
3.设计要求1)调研,查找并收集资料。
2)总体设计,画出框图。
3)单元电路设计。
4)电气原理设计---绘制原理图。
5)参数计算——列元器件明细表。
6)用EWB对设计电路进行仿真实验,并给出仿真结果及关键点的波形。
7)撰写设计说明书。
8)参考资料目录。
分立元件OTL放大器制作
如图所示
通过模拟电子技术基础和电工电子学基础的学习,我们可以试着设计分立元件直接耦合的放大器,设计时我们从电工学基础可以知道如图1-25所示的近似计算法
当I4=10I1时那么电流可以近似i2=I3+i4,那么在计算三极管直接耦合电路时这一点可以大大简化设计计算量和复杂程度,如图2
在设计时我们只要注意让i2=10i4这样设计起来就简
便的多了,在计算前后级静态工作点时我们可以这样计算并确定一些参数,假设vt1和vt2的放大倍数都是100,vcc是12v,vt1两端电压设计6v ;vt1集电极电压设计为3v i2设计为10ma那么i4就是1毫安,i5=i6=100i4=100ma,i1=10/100=0.1ma那么
rb1=(12-0.7)/(0.1/1000)=119.3k
rc1=(12-6)/0.01=600欧姆
rc2=(6-0.7)/0.1=53欧姆
re2=3/0.101=29.7欧姆
这样我们都能简单的把电路参数设计出来了。
图三是设计的直接耦合otl放大器就是更据这一原理设计出来的绝度好用设计出来的放大器工作电压宽,失真小。
用分立元件设计制作功率放大器教程第一步:功率放大器的基本原理在开始设计和制作功率放大器之前,我们首先需要了解功率放大器的基本原理。
功率放大器是一种能够将输入信号的功率放大到较大值的电路,它由信号输入端、电源以及输出负载组成。
功率放大器的主要任务是提供足够的功率给输出负载,以使得输出信号能够以理想的形式呈现。
第二步:选取合适的放大器类型根据不同的应用需求,我们需要选择适合的功率放大器类型。
常见的功率放大器类型包括B类、A类、AB类等。
在选择时,我们需要考虑功率放大器的效率、线性度以及成本等因素。
第三步:确定放大器的规格要求根据具体的应用需求,我们需要确定功率放大器的规格要求。
这包括输出功率、频率响应、失真度以及输入输出阻抗等。
规格要求的确定将有助于我们选择合适的元器件和设计电路。
第四步:选取适合的分立元件根据放大器的规格要求,我们需要选取适合的分立元件来实现电路设计。
这些分立元件包括晶体三极管、功率二极管、电容、电感等。
在选择元件时,我们需要考虑其参数、价格、可获得性以及性能等因素。
第五步:进行电路设计在选取了适合的分立元件后,我们可以开始进行功率放大器的电路设计。
电路设计的关键是根据电路模型和参数,合理选择元件的阻值、容值以及元件之间的连接方式。
这需要一定的电路基础知识和经验。
第六步:制作电路板在电路设计完成后,我们需要将电路设计转化为实际的电路板。
这一步包括进行电路板布局设计和电路板制造。
电路板布局设计需要合理地安排元件的位置和连接方式,以减少信号干扰和噪声。
电路板制造可以选择自行制作或者委托专业的制造厂家进行。
第七步:组装和调试在电路板制作完成后,我们需要进行电路的组装和调试。
这包括将元件焊接到电路板上,并进行必要的电路连通性测试和性能测试。
通过调试,我们可以检测和修正电路中的问题,以确保功率放大器的正常工作。
第八步:性能评估和优化通过进行性能评估和优化,我们可以进一步改进功率放大器的性能。
分立元件功放电路分立元件功放电路是一种常见的电子电路,主要用于放大电信号。
它由多个分立元件组成,包括晶体管、电容器、电阻器等。
本文将介绍分立元件功放电路的工作原理、特点以及应用领域。
分立元件功放电路的工作原理是通过控制输入信号,使得输出信号得到放大。
它的核心元件是晶体管,晶体管可以将小信号放大为大信号。
在分立元件功放电路中,晶体管通常被配置为共射极放大电路。
当输入信号施加在基极上时,晶体管会将输入信号放大,并通过负载电阻传递到输出端口。
通过适当选择电容器和电阻器的数值,可以实现不同的放大倍数和频率响应。
分立元件功放电路具有以下特点:1. 简单可靠:分立元件功放电路由简单的元器件组成,易于制作和维修。
2. 灵活性高:通过调整电容器和电阻器的数值,可以实现不同的放大倍数和频率响应,满足不同应用需求。
3. 可扩展性强:分立元件功放电路可以根据需要进行扩展,增加放大级数,进一步提高放大倍数。
4. 低成本:由于采用了分立元件,成本相对较低。
分立元件功放电路在许多领域中得到广泛应用。
其中最常见的应用是音频放大。
分立元件功放电路可以将音频信号放大到足够的水平,以驱动扬声器或耳机,实现音乐播放或语音通信。
此外,分立元件功放电路还可以应用于射频放大、直流电源放大等领域。
在设计和制作分立元件功放电路时,需要考虑一些关键因素。
首先是电源电压的选择,电源电压应与晶体管的工作电压匹配,以确保电路正常工作。
其次是晶体管的选择,不同类型的晶体管具有不同的工作参数,如最大功率、最大电流和最大频率等,需要根据具体应用选择合适的晶体管。
此外,还需要合理选择电容器和电阻器的数值,以满足所需的放大倍数和频率响应。
分立元件功放电路是一种常见且重要的电子电路,通过晶体管等分立元件实现信号放大。
它具有简单可靠、灵活性高和低成本等特点,在音频放大等领域有广泛应用。
设计和制作分立元件功放电路时,需要考虑电源电压、晶体管的选择以及电容器和电阻器的数值等因素,以确保电路正常工作。
自制分立元件50W高保真功率放大器电路图电子爱好者在自制30瓦以上的音频功率放大器时总是设法采用集成功放电路,这样的确会使制作工艺简化,但却使得制作者不易领会电路原理,因而分立元件的功率放大器仍有存在的必要。
本文介绍的50W放大器的原理图如图1所示。
电路中只有六只三极管,由单电源供电。
当THD(总谐波失真)为1%、电源不稳压时连续输出功率为50W:当THD为5%,电源稳压时动态输出功率为60W,当THD为1%、电源稳压时动态输出功率为60W。
在额定连续功率范围内,输入端无论短路或开路,交流声及噪声均小于dB,此时灵敏度为100mV,输入阻抗为欧。
放大电路的功放级由互补对管射极限随器构成,大环路的负反馈使驱动互补对管的信号保持在线性范围。
该电路在结构上确保了两只功放管不同时导通,防止了对电源的短路。
理想的晶体管应能迅速导通或截止,但是实际上三极管开关速度有限,大功率管尤其是这样。
当输入互补对管的变化信号迅速翻转时,有可能使两只管子同时导通,造成过大的电流,为此,在选择互补功放对管时,应采纳开关速率与传输特性折衷的方案,并在其输入端加入高频去耦电容。
末前级三极管Q4工作于甲类状态,其静态集电极电流等于电源电压减去Q5、Q6基极公共端电位除以电阻(R13+R14)。
为使该甲类放大器工作于最佳状态,应保持R14中的电流恒定,因此加入了自举电容C7。
由于晶体管的存储效应,在高音频范围内,作为乙类放大器的Q5、Q6互补对管不再处于纯乙类状态。
从R15、R16的公共点引入的直流负反馈为输入级建立了偏置电压,它使Q5流过很小的电流。
Q5、Q6的输出电压同时也为激励级建立了偏置。
对Q3加入了交、直流负反馈,反馈深度决定于R9、R10的比值及Q3的Vbeo当然R9、R10的比值也影响了Q5、Q6公共输出端的静态电位。
交流负反馈使放大器具有较高的频率上限,带宽的稳定性决定于Q1,Q1通过从引入的负反馈而稳定工作点。
Q1的输入电路为常见的直流耦合电路,调节R4、R5及R6可使Q1、Q2工作于最佳状态。
用分立元件设计制作互补对称式功率放大器互补对称式功率放大器是一种用于放大电信号的电子设备,在无线通信、音频放大等领域广泛应用。
其优点是具有高功率输出、低失真、高效率等特点,可以提供稳定可靠的信号放大功能。
本文将介绍利用分立元件进行互补对称式功率放大器的设计和制作过程。
首先,我们需要了解互补对称式功率放大器的基本原理。
互补对称式功率放大器由两个互补对称的放大器组成,一个为P型放大器,一个为N型放大器。
在输入端,被放大的信号被分别输入到P型放大器和N型放大器中。
然后,在两个放大器的输出端,通过电容进行耦合,将输出信号进行合并,得到放大后的输出信号。
在设计互补对称式功率放大器时,需要考虑以下几个方面:1.选择合适的工作频率。
根据实际需求确定工作频率,然后选择合适的分立元件来满足工作频率的要求。
常用的分立元件有晶体管、功放管等。
2.确定放大器的增益。
根据设计需求,确定放大器的增益。
放大器的增益可以通过调整分立元件的参数来实现。
例如,通过调整晶体管的偏置电流、电压等参数来控制增益。
3.选取合适的分立元件。
在选择分立元件时,需要考虑分立元件的工作参数、频率特性、功率输出能力等因素。
根据实际需求,选取合适的分立元件进行放大器的设计。
4.进行电路仿真和优化。
通过电路仿真软件,可以对互补对称式功率放大器进行仿真分析,找出电路中可能存在的问题,并进行优化设计。
例如,优化电路的频率响应、幅频特性等。
5.制作和调试电路。
根据设计完成的电路图,进行电路的实际制作。
在制作过程中,需要根据实际需求连接各个分立元件,并进行焊接和测试。
在测试过程中,可以通过示波器等测量仪器来验证电路的工作情况,进行调试和优化。
总之,设计和制作互补对称式功率放大器需要深入了解互补对称放大器的原理和特性,选择合适的分立元件,并进行电路设计和优化。
通过合理的设计和制作流程,可以得到稳定可靠的互补对称式功率放大器。
10w分立元件功放电路
众所周知,分立元件功放在音质方面具有优势,但是要实现高功率往往难度很大。
本文介绍一个利用分立元件实现10功率的功率功放设计方案。
该设计采用两个的7294 四腔管整流放大器作为前级,每个7294 的最大输出电流为8。
后级采用单双二极管组成的全桥电路,使用四个360 功放管,每个管最大输出电流 30。
桥电路输出与一个型滤波电路连接形成恒压源,滤波电路由2200μ 电容和10Ω电阻组成。
音频信号先输入到两个的 7294 前级放大器进行放大,然后信号同相输出进入后级桥式滤波电路。
桥式滤波电路通过交流-直流转换为恒定直流电压,驱动四个功放管进行输出级放大。
由于采用了桥式结构和功放管并联,最高可以输出 80 电流,相当于 10 功率输出。
该設計最大的优点是利用市面上常见的7294 和360 等分立元件,在保证技术可行的前提下实现 10 高功率输出。
利用桥式滤波结构后向电源采取恒流方式给功放管供电,可以有效提高效率和可靠性。
通过合理匹配元件值,是一种简单又可行的高功率分立元件功放实现方案。
UM10155Discrete Class D High Power Audio AmplifierUM10155:分立元件D类大功率音频功放Keywords :Class D Audio Amplifier, Universal Class D, UcD, PWM Audio Amplifier,High Power Audio.关键词:D类音频放大器,全D类(UcD), PWM功放,大功率功放Abstract :This user manual describes the operating instructions and the most important background information of the Philips Semiconductor Discrete Class D High Power Audio Amplifier Demonstrator Board. With proper heatsinking of the Power MOSFETs and a well dimensioned power supply, the PWM amplifier is capable of supplying 200 W of high quality audio power into a 4 Ω loudspeaker.内容摘要:本用户手册描述了飞利浦半导体分立D类高功率音频放大器演示板的操作方法和最重要的背景资料。
在适当的功率管散热器的和很好的供电情况下,这台PWM放大器能提供200 W 高质量音频输出给一个4 Ω的扬声器。
1. Introduction简介The Universal Class D (UcD) version 1.00 demonstrator board implements a 200 W true RMS (into a 4 Ω load) high quality audio power amplifier on a very compact printed-circuit board. The amplifier is built-up of discrete components only, and makes use of Philips patent WO 03/090343.这个1.0版本的全D类功放(UcD)示范板是一个在非常紧凑的PCB板上输出200 W真有效功率(4 Ω负载)的高质量音频功放。
Fig 1. General view001aaf148 2. Circuit diagram电路原理图The demonstrator board is intended to illustrate the capability of Philips Power MOSFETs in discrete high-end PWM audio amplifier applications. The board is self-contained and only requires a simple (non-stabilized) dual power supply, an audio source (e.g. function generator, CD player) and a loudspeaker to demonstrate its capabilities. For evaluation at high output power a provision is made to attach an appropriate heatsink to the MOSFETs on the board.本演示板意欲图解说明飞利浦功率MOSFET在分立高档PWM音频放大器上的应用能力。
本板自我包含了齐全的功能,只需要简单的正负电源(非稳压),加上音源和扬声器即可示范其性能。
为评价在大功率下的性能,需要附上一个适当的散热片到MOSFET上。
Table 1. Connections 表一:连接器ConnectorFunction Remarks J1audio in - signal use together with J2 J2audio in - ground use together with J1 J3amplifier enable the amplifier is enabled when connected to ground (J4) J4ground use together with J3 J5 positive supply voltage 30 V to 45 V (no need for astabilized power supply)J6 positive current sense can optionally be used in anovercurrent protection schemeJ7 power supply ground 0 VJ8 negative current sense can optionally be used in anovercurrent protection schemeJ9 negative supply voltage −30 V to −45 V (no need for astabilized power supply)J10 loudspeaker output use together with J11J11 loudspeaker ground use together with J10J1 和J2用于音频输入;J3 和J4用于控制功放是否启用;J5 和J9是30 V 至45 V 正负供电,不需稳压; J6 和J8是电流感应端,用于设计功放保护;J7是电源的地;J10 和J11是输出端,用于接扬声器。
译者为了说明电路工作原理,作了一个示意原理图,参见左图:运放输出的信号经28uH 电感和680nF 电容后有延迟,对某些频率来讲,延迟的时间正好使信号反相,这个信号反馈到运放的负输入端,与其它元件配合,即形成一个400kHz 的方波振荡器,且运放正输入端的音频能调制这个振荡器,从运放输出输出一个PWM 信号,经28uH 电感和680nF 电容滤波后送给扬声器放大了的模拟音频功率信号。
译者认为,原作者的这个电路的确非常巧妙。
001aaf150 001aaf151Fig 3. Top copper layout Fig 4. Bottom copper layout001aaf152 001aaf153Fig 5. Component layout Fig 6. Top silk-screenTable 2. SpecificationsSymbol Parameter Conditions ValueV P supply voltage equal positive and negativesupply voltages±30 V to ±45 V P Loutput power V P = ±45 V; R L = 4 Ω;appropriate heatsink needed200 W (RMS) η efficiency P L = 100 W; R L = 4 Ω > 92 %THD+N total harmonicdistortion-plus-noise P L = 10 W; frequency rangefrom 20 Hz to 20 kHz< 0.03 %S/N signal-to-noise ratio > 120 dBf PWM PWM frequency idle ~ 400 kHzV offset offset voltage DC value < 50 mV4.1 Pop-less/click-less startup and shutdown功放上电和关机时防止“噗、噗”声和“喀、喀”声A provision has been added to the circuit to provide pop-less/click-less startup and shutdown. To make use of the startup facility, make sure that the supply power (pins J5 and J9) is applied prior to enabling the amplifier (connecting J3 to J4). To benefit from the pop-less shutdown feature, disable the amplifier (disconnect J3 and J4) prior to removing the supply power.电路预备了一个在功放上电和关机时防止出现“噗、噗”声和“喀、喀”声的功能。
开机上电时,令电源(J5和J9)提前于功放控制信号(J3和J4);关机时则先断开J3、J4,后切断电源J5和J9。
4.2 Overcurrent protection 过流保护A provision has been added to the circuit to monitor the current flowing through the Power MOSFETs (Q13 and Q14). The voltage appearing between pins J5 and J6 is proportional to the current in MOSFET Q14 (ratio: 50 mV/A) and the voltage between J8 and J9 is proportional to the current in MOSFET Q13 (ratio: 50 mV/A). With the use of an external circuit these two signals may be used to disable the amplifier (disconnect J3 and J4) in case of an overcurrent situation. Similarly the J3-J4 pin combination can be used to disable the amplifier in case of other fault conditions.电路预备了一个监视功率管(Q13和Q14)电流的功能。