GE6FA燃气轮机详细介绍资料
- 格式:ppt
- 大小:18.06 MB
- 文档页数:43
燃机技术GE公司6F.01燃气轮机DLN2.5H燃烧系统导读以下介绍了GE公司的6F.01燃气轮机及其主要技术特点,阐述了在6F.01 燃气轮机上应用的DLN 2.5H燃烧系统的各种燃烧模式,并与GE公司其它的DLN燃烧系统进行了比较,分析了各个DLN燃烧系统在燃烧室结构、喷嘴布置及燃烧模式上的主要技术特点和区别。
为了降低NOx排放量,电厂之前普遍采取向燃烧区注水或水蒸汽的措施来降低NOx的排放水平。
但随着环保要求越来越严格,通过注水或水蒸汽来进一步降低NOx排放水平,会对燃气轮机的性能、部件寿命及检修间隔等产生较大的负面影响,并且CO和UHC( 未完全燃烧碳氢化合物) 等污染物的排放量开始大幅增加。
基于这些因素,各大燃气轮机生产厂商开始寻求其它NOx排放控制技术,目前广泛采用的是干式低NOx(DLN)燃烧技术,即通过对燃气轮机燃料和空气的预混,并合理控制掺混比例,使燃烧室内进行贫燃料燃烧,且燃烧火焰面温度低于1650 ℃ (空气里N2氧化生成NOx的起始温度),从而控制NOx排放。
1 GE公司6F.01燃气轮机简介GE公司地面发电用燃气轮机以7系列燃气轮机为基础,模化发展出6系列和9系列燃气轮机,涵盖了各个功率等级。
源自GE大量的运行经验和技术,6F.01燃气轮机应运而生,其在热力回收应用领域提供低成本发电产品,包括针对流程工业的热电联供,市政区域供热和中型联合循环电网支持。
6F.01燃气轮机即最早于2004 年在土耳其安装运行的6C燃气轮机(即6FA.03),该型燃气轮机在6B燃气轮机技术的性能和经验基础上又发展了一步,是GE公司F级技术经验在40MW燃气轮机上的运用成果。
它吸取了F级技术的燃料适应性广、可靠性高、可用性强、可维护性好等特点。
6C燃气轮机设计功率为42MW,在通过一系列的系统升级和冷却密封等技术的研发改进后重新命名为6F.01,原机型已经累计运行超过11万小时。
6F.01燃气轮机燃烧温度达1370 ℃,透平排气温度602 ℃,单机输出功率51MW,热效率38%;“1 + 1”联合循环输出功率75 MW,热效率接近56%,是迄今为止100MW以下燃气轮机在联合循环领域可以企及的最高效率。
关于6FA燃气轮机调试问题研究摘要:目前,国际上6FA燃气机组的应用案例比较广泛,国内也有同类机组的引进。
本文主要结合作者的工作经历实践对6FA燃气机组调试过程中的问题进行分析探究,并对相应的解决措施进行介绍,以期更好地为相关类型机组的调试过程提供参考。
关键词:6FA燃气机组调试1引言早在上世纪80年代,国际上就出现了以天然气为原料的机组,经过多年的改进和发展,目前已经形成了可燃用多种燃料和燃天然气-轻柴油的双燃料柴油机。
为了进一步提升燃料的可利用性,提升机组的经济性,还存在利用废热供电的情况。
针对机组效率而言,50MW以下的机组以燃气机组为最佳,其效率可以达到40-50%,如果采取热电联供,可以将发电效率提升至75%。
对于50MW以上的机组,燃气-蒸汽机组效率最高,燃气-蒸汽机组模式主要用于调峰。
本文主要结合6FA型机组进行介绍,介绍调试过程中出现的异常情况,并对该异常情况进行了原因分析及操作注意事项的总结。
该机组额定功率75MW,燃机压气机为轴流式压气机,入口为可调导叶。
燃机透平为轴流式透平。
2燃机系统简介(1)进排气系统燃气机组的进气系统主要有进气室、进气弯头、进气过滤器等组成,进气室与机组呈90度布置,进气过滤器布置在进气室内,呈水平放置,其类型是“脉冲自清洁型”。
(2)压气机机组的压气机采取的18级轴流式,在压气机的入口部位安装导叶,设置的导叶的主要目的是调整透平机排汽的温度、预防压气机的喘振发生。
压气机的汽缸的总体结构可以分为三部分,进气缸、气缸和排气缸。
(3)燃烧室该机组共有6个燃烧室,每个燃烧室设置4个喷嘴。
燃烧室的结构主要可以分为火焰筒、过渡段、导流衬套、帽罩、喷嘴、端盖、前外壳和后外壳。
(4)透平机组的透平机为三级轴流式透平机,三级动静叶采取不同的材质,其中第一级静叶为414钴基合金,动叶采取耐高温保护层;第二级静叶为414钴基合金,动叶采取耐高温保护层;第三层静叶为222镍基合金,动叶采取堆积脑高温保护层。
6FA燃气蒸汽联合循环机组IGV控制运行浅析发布时间:2021-02-19T09:40:51.830Z 来源:《基层建设》2020年第27期作者:常亮博[导读] 摘要:通过对PG6111FA型机组Mark VIe中的燃气轮机采用可变进口导叶IGV控制逻辑的分析,介绍IGV在机组启停、温控、水洗过程中动作过程,根据燃气轮机运行的各种需要改变IGV的角度,采用可调式压气机进口导叶控制方式,以控制压气机进气流量,在启动和停机过程中,按照修正转速TNHCOR以一定的速率来调整IGV的角度以控制压气机进气流量。
浙江大唐江山新城热电有限责任公司浙江省江山市 324100摘要:通过对PG6111FA型机组Mark VIe中的燃气轮机采用可变进口导叶IGV控制逻辑的分析,介绍IGV在机组启停、温控、水洗过程中动作过程,根据燃气轮机运行的各种需要改变IGV的角度,采用可调式压气机进口导叶控制方式,以控制压气机进气流量,在启动和停机过程中,按照修正转速TNHCOR以一定的速率来调整IGV的角度以控制压气机进气流量。
关键词:IGV组成;部分负荷;温控;0概述PG6111FA燃气轮机,由美国GE公司生产,简单循环机组出力为77.1MW(设计工况)。
燃机由一台18级的轴流式压气机、一个由6个低NOx燃烧器组成的燃烧系统、一台3级透平和有关辅助系统组成。
燃气轮机额定转速5230.8 r/min,通过减速齿轮箱将转速降至3000r/min,带动发电机运行。
一、IGV系统的组成动作过程:6FA燃机IGV系统工作油源取自两路一路为来自液压油母管,作为电液伺服阀90TV-1的控制油及IGV动作压力油。
另一路是来自跳闸油系统的入口经20TV-1电磁阀控制,作为IGV跳闸放油切换阀VH3-1的工作压力油。
电磁阀20TV-1为常开电磁阀,燃机在转速继电器L14HT大于等于8.4%时失电状态,20TV-1电磁阀上电,切断卸油通路,它接通伺服阀90TV与油动机之间的液压油路,IGV处可调状态,IGV开度由关闭角23.5°开启至最小运行角29°。
2.3.3油系统(润滑油、液压油、跳闸油)润滑油系统作用是:在机组的启动、正常运行以及停机过程中,向正在运行中的燃气轮发电机组的各个轴承、传动装置及其附属设备,供应数量充足的、温度和压力合适的干净的润滑油,以确保机组安全可靠地运行,防止发生轴承烧毁,转子轴颈过热弯曲,高速齿轮法兰变形等事故。
液压油系统为燃料系统和进口可转导叶系统的控制执行元件提供所需要的高压油。
液压油取自于机组的润滑油系统。
跳闸油系统亦称控制油系统,它是燃气轮机基本的控制和保护系统,它连接于燃气轮机控制盘和燃气轮机部件之间,用来控制供给和切断机组的燃料。
来自机组润滑油系统的跳闸油起着跳闸的作用(燃机非正常停机和危急停机),同时使液压信号传递给燃料截止阀,实行正常的起动和停机。
当跳闸油管路里的油被切断(泄油)时,液体燃料截止阀或气体燃料速比截止阀通过弹簧的返回力关阀。
调试中出现问题:事件1事件过程:5#燃机调试IGV系统时,IGV没有动作,经检查发现,IGV的跳闸油泄压阀未完全关闭,跳闸油压力低。
()事件原因分析:IGV系统的工作油源取自两路:一路为来自液压油母管,主要作为电液伺服阀90TV-1的控制油及IGV动作油缸的工作压力油;另一路是来自跳闸油系统的入口经20TV-1电磁阀控制,作为IGV跳闸放油切换阀VH3-1的工作压力油.(PIDE0922 100 I30 FD 002 0469 )所以IGV没有动作,可能是由于泄压阀未完全关闭,导致跳闸油压力过低,从而无法使VH3打到工作位。
油压不经过伺服阀90TV而直接进入油动机使IGV始终保持机械最小位置,即IGV没有动作。
几点注意:(1)润滑油管道打压后要及时吹扫,严格控制吹扫质量。
(2)润滑油冲洗严格安装GE的冲洗手册冲洗(未冲洗的管道也要保证其内部干净,无焊渣等。
冲洗方案可以和GE、业主协商)。
(3)润滑油管道恢复时注意管道清洁度。
(4)管道恢复后启动润滑油泵,液压油泵,检查管道压力是否正常。
GE6FA型燃机机组超速保护简介摘要:国内对环境的要求越来越高,使燃机现在国内越来越多的得到应用。
燃机超速保护作为一种重要的保护条件,需要对其有深入的了解。
本文将对此保护进行简要介绍。
关键词:GE 6FA;燃机;超速保护1.引言燃气轮机在正常运行中高速运转,转动部件的工作应力与转速有密切关系,其离心力正比于转速的平方。
当转速升高时,由离心力所造成的应力会迅速增加。
一般最高允许转速按高于额定转速的20%设计。
如果燃机转速升高到不允许的数值内,会导致燃气轮机设备的严重损坏。
因此燃机都必须配置超速保护装置以保证机组安全运行,通常机组配置机械超速保护及电气超速保护两套互相冗余的保护系统。
随着燃机技术的发展,软硬件保护控制的不断进步,GE6FA机组只配置电气超速保护系统。
阿曼萨拉拉项目燃机控制系统使用SPEEDTRONICTM Mark Vie & VieS 透平控制与保护系统。
2.GE 6FA燃机超速保护简介2.1超速保护原理GE 6FA燃机超速保护有三个等级:控制级、初级级和紧急级。
使用燃料阀门通过转速闭环控制回路实现控制级保护。
由控制器提供初级超速保护控制。
TTUR端子板和PTUR I/O插件板将轴的转速信号送至各控制器,并由控制器计算选择中间值。
如果控制器确定了跳闸条件,控制器通过PTUR I/O插件板发送跳闸信号到TRPG 端子板。
三个PTUR 输出到三继电器表决电路(每个跳闸电磁线圈一个表决电路)中,经过3取2表决并切断电磁线圈电源。
独立的三冗余PPRO保护系统提供紧急超速保护功能。
它使用3个来自转速检测探头的轴转速信号,每个保护模块一个。
把这些信号输送到保护系统的专用端子板TPRO。
每个PPRO保护板独立决定跳闸条件并把信号传送至TREG端子板。
TREG以类似的途径对TRPG进行操作,在继电器电路中表决三个跳闸信号,并断开跳闸电磁线圈的电源。
该系统不含软件表决,因而三个PPRO模块完全独立。
6FA燃气轮机进气加热系统跳机故障分析处理燃气轮机的IBH(进气加热系统)通常用于防止冬季压气机进口结冰,具有扩限制压比超限的作用,在压气机进口可转导叶的配合下,可以有效解决干式低NOX燃烧室预混燃烧工作范围狭窄的问题。
通常GE燃机具有10%的通流余量,通过IBH可使6F机组的压气机喘振余量达到12%。
在实际运行中,IBH不仅会影响燃机的功率和热效率;而且在IBH故障时,还可能影响机组的安全运行。
因此,下面就6FA燃机IBH的一次故障跳机原因进行分析探讨,提出了提高燃机机组可靠性的管理及技术建议,为燃气轮机机组的安全运行提供参考。
1进气抽气加热(IBH)系统如图1所示,进气抽气加热系统由手动进口隔离阀VM15-1、进气抽气加热控制阀VA20-1、压力传感器96BH-1/2以及控制阀的启动控制回路组成。
抽气加热控制阀由带有I/P(电流/压力)转换器的启动执行机构65EP-3驱动,96TH-1是远程位置调节器。
仪用空气经恒压阀VPR41-1将压力保持在0.31MPa,当控制系统输出不同的电流时,经I/P转换后,控制阀在不同的气压作用下有不同的开度。
燃气轮机的进气加热是将少量压气机排气抽出,实现对压气机进气加热,防止压气机进口结冰。
对于DLN燃烧系统,则可以扩大预混燃烧的范围。
干式低氮氧化物(DLN)燃烧系统采用预混燃烧模式,空气和燃料在燃烧前先进行混合,预混模式被设计为:当机组在排气温度控制时,调整压气机空气流量保持完全恒定的燃烧温度。
在额定的IGV最小全速角,投入了IGV温控的情况下,大约在70%负荷以后才能进入预混模式运行。
如果借助于减小IGV角度,把预混燃烧模式扩大到较低的负荷,必然导致燃气轮机压气机的设计喘振裕度的减校同时,IGV角度的减小会引起较大的压降和空气流的总温度下降,它将可能导致第一级静叶片在一定的环境温度下结冰。
在压气机设计时,为了考虑采用低于IGV最小全速角来扩展预混燃烧范围(这样可能导致压气机接近于喘振边界),从压气机抽取其总排量的5%,在压气机入口处与入口气流混合实现再循环。
6FA燃气-蒸汽联合循环机组设备可靠性提升及应用摘要:GE 6FA燃气-蒸汽联合循环发电机组基本上采用分轴布置,通过对燃气轮机液压油系统、燃气供应过滤系统及排气系统的可靠性研究及优化,降低了燃机电站频繁启停的模式下设备故障次数,有效消除了设备的安全隐患。
关键词:可靠性提升;燃气轮机检修;创新研究1燃机液压油系统的可靠性提升及应用1.1液压油系统的组成及现状目前国内GE燃气-蒸汽联合循环机组基本上采用分轴布置,燃机的油系统与汽轮机油系统分开设置,燃机的油系统又分为润滑油和控制油(液压油和跳闸油)系统,润滑油和控制油共用同一油源。
以GE 6FA机组为例,燃机油系统主要由两台交流润滑油泵组,一台紧急直流润滑油泵组,两台液压油泵组及过滤器等附件组成。
所有滑油从油箱内由交流润滑油泵打入供油母管,形成一个约77psig的压力油源。
在供油母管上,分成三个分支,分别进入润滑油系统、跳闸油系统和液压油系统。
燃机液压油系统在正常运行中会出现滑油漆化的问题,在热降解、静电释放和氧化等特定环境下,润滑油分子易裂解,裂解的高分子链不易被润滑油过滤器捕捉,断裂的润滑油分子易结合成高分子链,此种深褐色、油溶性的,沉积在伺服阀和过滤器表面薄且坚硬的有机物称为润滑油的漆化现象。
高温是油质漆化的最重要成因,润滑油进入负荷齿轮箱和各轴承内润滑、冷却,轴承金属温度在90℃左右,套装油管路内供回油还要经过排气扩散段、透平间等高温区域,受到辐射加热,回到油箱温度在72℃以上。
加上滑油内部静电释放的局部高温,使油产生漆化现象。
1.2油质漆化的危害从油质对于油泥的溶解度上看,在润滑油系统高温、低压、高流速有利于油泥胶质物的溶解,反而到调速油系统高压、低温、低流速的状态下有利于油泥胶质物的析出和沉积,所以润滑油系统问题不明显,而在调速油系统滤芯内部及出口侧、伺服阀芯上漆膜突出。
漆化物积存在伺服阀内,引起控制系统紊乱,导致阀位指令与反馈偏差大而报警或跳机,严重时燃机发生超速现象。
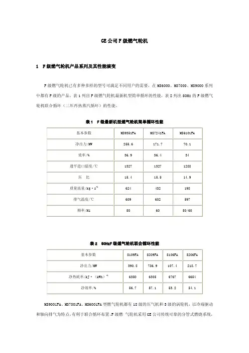
GE公司F级燃气轮机1 F级燃气轮机产品系列及其性能演变F级燃气轮机已有多种多样的型号可满足不同用户的需要,在MS6000、MS7000、MS9000系列中都有F级的产品,表1列出F级燃气轮机最新机型简单循环的性能,表2列出50Hz的F级燃气表1 F级最新机型燃气轮机简单循环性能基本参数MS9351FA MS7241FA MS6101FA净出力/MW 255.6 171.7 70.1效率/% 36.9 36.4 34透平进口温度/℃1327 1327 1288压比15.4 15.5 14.9质量流量/kg·s-1624 432 198排气温度/℃609 602 597频率/Hz 50 60 50/60表2 50HzF级燃气轮机联合循环性能基本参数S109FA S209FA S106FA S206FA净出力/MW 390.8 786.9 107.4 218.7净热耗率/kJ·(kWh)-16350 6305 6767 6654净效率/% 56.7 57.1 53.2 54.1MS9001FA、MS7001FA、MS6001FA型燃气轮机都有18级的压气机和3级的涡轮机,以冷端驱动和轴向排气为特点,有利于联合循环布置。
F级燃气轮机采用GE公司传统可靠的分管式燃烧系统,并可配备双燃料燃烧系统,如在以天然气为主燃料时,可以轻油为辅助燃料。
当天然气供应发生故障时,机组可自动切换到轻油燃烧,使燃机不因燃料供应故障而停机,进一步保证了机组的可靠性和可用性。
机组也可根据要求,在一定条件下使用双燃料混合燃烧。
此外,F级燃气轮机可燃用低热值燃料,从而扩大了发电厂的燃料使用范围和灵活性。
F级燃气轮机应用于IGCC电厂,可GE公司在其制造MS6000型、MS7000型和MS9000型机组的基础上,发展完善了底盘部套、控制和辅机组合一体的快装模块结构,这种标准化布置可减少管道、布线及其他现场相关联接的工F级燃气轮机还显示出不同寻常的环保特点。
6FA进口燃机BT风机挡板国产化研究及应用单位省市:浙江省衢州市江山市单位邮编:324100摘要:当前国内GE 6FA燃机透平间冷却风机(88BT)挡板普遍采用了进口风机挡板,此挡板为传统型的对开式两半结构的风机挡板,随着机组运行时长的增加及长期频繁启停,风机的挡板齿轮及轴承极易发生间隙过大、磨损等现象。
在停机后导致挡板脱落,无法正常关闭的情况。
通过此次对风机挡板的创新及应用取代了进口风机挡板带来的设计缺陷等问题,适合电力行业燃气轮机机组上的应用。
同时近几年来,国家鼓励分布式能源发展,6FA系列燃气轮机新增项目较多,为保持机组安全稳定运行,建议新建或在建6FA燃机电站项目在投产前积极对88BT风机挡板进行升级改造,确保投产后安全稳定运行。
关键词:BT风机挡板;燃气轮机;创新研究1产生的背景大唐江山热电公司位于浙江省江山市莲华山工业园区,安装2台120MW燃气—蒸汽联合循环机组,整套机组采用分轴联合循环方式,一套联合循环发电机组由一台燃气轮机、一台蒸汽轮机、两台发电机和一台余热锅炉及相关设备组成。
联合循环机组正常运行期间,燃机热排气进入余热锅炉产生高、低压蒸汽驱动汽轮机。
两台机组于2013年5月15日投产运行。
每台燃机透平间设立两台透平间排烟风机88BT-1及88BT-2,采取一用一备运行方式。
两台风机及出口挡板为美国GE公司配套进行产品。
透平排烟风机出口挡板开启方式为风机运行后的出口风压吹扫开启,风机停运后挡板靠自身外部执行机构的重锤重力关闭,风机挡板开关位置靠位置开关33BT信号反馈监视。
燃机88BT风机挡板自2018年以来陆续出现挡板卡涩无法活动、挡板机械指示关不到位、挡板啮合齿轮脱扣造成上半部位挡板无法动作的缺陷。
机组运行工况下,88BT风机出口挡板若位置不正确,造成风机出力下降,透平间冷却风量减少,使透平间内热通道部件工况发生变化,引起燃气轮机振动增大,同时高温还会威胁到透平间的热工元件和油系统的安全运行。
6FA分轴燃气-蒸汽联合循环机组APS启动过程及优化摘要:简要介绍6FA燃气蒸汽联合循环机组APS启动过程,并结合多年运行经验,从安全运行的角度对APS启动程序开展优化。
关键词:6FA燃气蒸汽联合循环机组、APS启动过程、优化0前言燃气蒸汽联合循环机组启动频繁,特别是分轴机组操作量较大,对运行人员操作要求高。
大唐江山新城热电厂建设二套燃气-蒸汽联合循环供热机组。
全厂配置为:2台S106F燃气轮机、2台燃机发电机、2台余热锅炉、2台供热蒸汽轮机和2台汽轮发电机,以及相应配套设施。
江山新城热电根据多年启动经验开发了APS启动程序,保证启动过程安全可控,并根据后续运行情况不断开展优化。
1.APS启动前检查1.1燃机及天然气系统启动前检查(1)千人燃机各辅助系统运行正常,天然气调压站、前置模块运行正常;(2)强制IGV角度在最小关闭角度,燃机4个防喘阀开启,SFC装置具备启动条件;(3)确认燃机发电机出口开关为热备用状态,燃机控制模式为自动方式认,检查燃机启动检查画面无禁止启动报警。
1.2燃机具体的启动条件限制在MarkVIe侧,就运行操作而言,一般会在MarkVIe上确认好燃机已具备启动条件,之后再进行汽机及锅炉系统启动前检查:(1)确认汽机闭式水系统、开式水系统运行正常,并对闭式水、开式水系统排空气,便于精准控制汽轮机油温及真空泵正常运行。
(2)确认轴封系统疏水阀门、减温水阀门状态正确。
(3)检查余热锅炉高、低压汽包水位满足启动要求,确认余热锅炉烟囱挡板在开启状态。
(4)高压内缸进气口上缸内壁金属温度>400℃;2 APS启动操作流程2.1在“APS启动程序启动操作”中发出启动指令,检查主程序自动执行:(1)打开锅炉烟囱挡板。
(2)关闭抽汽快关阀、逆止阀。
(3)关闭高低压旁路。
(4)真空低跳燃机保护退出。
之后的燃机启动过程设置了APS的第一个断点,需要运行人员手动在MarkVIe画面中启动燃机,燃机开始执行自检及试验程序,试验通过后启动SFC,燃机升速、清吹、降速点火、加速直到燃机全速过程均由MarkVIe自动控制,其实际来看就是APS触发燃机的开机顺控程序。
6FA燃气轮机调试问题探讨【摘要】6FA燃机机组在国际市场应用比较多,国内也引进了不少同类型机组,本文主旨是通过6FA机组调试过程中的典型问题处理介绍,让人们对6FA 机组有一个初步的了解,为以后相似机组的安装调试提供便利,从而促进相似机组的安装调试进度,保证有关单位的经济利益。
【关键词】6FA燃机;系统简介;系统调试;问题处理;关键技术1、前言早在1894年已有了以天然气为燃料的发动机,经过不断发展和完善,形成了可燃用多种燃料的燃机和燃天然气-轻柴油的双燃料柴油机。
为了更好地节约能源,还充分利用废热供热或再次发电,实行热电联供,大大增加了经济性。
从效率上来说,单机输出功率50MW以下的热机以柴油机和燃气机为最高,发电效率可达40%以上,热电联供效率更高达80%;单机功率大于50MW时,燃气-蒸汽联合循环机组的效率较高。
有鉴于此,目前国际上燃机及双燃料柴油机应用很广。
此次介绍燃机为GE MS6001FA单轴双燃料机组,额定功率75MW,燃机压气机为18级轴流式压气机,入口为可调导叶。
燃机透平为轴流式透平。
燃烧室总共六个,环形布置,燃烧室型号为DLN2.6型。
2、燃机系统简介2.1进、排气系统燃气轮机的进气系统由进气室、进气弯头、进气消声器和进气过滤器室等组成。
进气系统与机组成90°布置,进气过滤器室布置在机组罩壳上方,过滤器滤芯水平安装在过滤器室中。
该过滤器为“脉冲自清洁型” ,脉冲空气反吹下来的灰尘依靠重力排出。
2.2压气机压气机为18级轴流式压气机,设有可调进口导叶,用于调节透平排气温度和防止压气机喘振。
整个压气机气缸分为压气机进气缸、压气机缸和压气机排气缸三部分。
2.3燃烧室整台机组共有6个分管、逆流型燃烧室,每个燃烧室有4个燃料喷嘴,整台机组共有24个燃料喷嘴。
燃烧室型号为DLN2.6型。
DLN2.6燃烧室主要由火焰筒、过渡段、导流衬套、帽罩、喷嘴、端盖、前外壳和后外壳等部件组成。
GE公司F级燃气轮机1 F级燃气轮机产品系列及其性能演变F级燃气轮机已有多种多样的型号可满足不同用户的需要,在MS6000、MS7000、MS9000系列中都有F级的产品,表1列出F级燃气轮机最新机型简单循环的性能,表2列出50Hz的F级燃气表1 F级最新机型燃气轮机简单循环性能基本参数MS9351FA MS7241FA MS6101FA净出力/MW 255.6 171.7 70.1效率/% 36.9 36.4 34透平进口温度/℃1327 1327 1288压比15.4 15.5 14.9质量流量/kg·s-1624 432 198排气温度/℃609 602 597频率/Hz 50 60 50/60表2 50HzF级燃气轮机联合循环性能基本参数S109FA S209FA S106FA S206FA净出力/MW 390.8 786.9 107.4 218.7净热耗率/kJ·(kWh)-16350 6305 6767 6654净效率/% 56.7 57.1 53.2 54.1MS9001FA、MS7001FA、MS6001FA型燃气轮机都有18级的压气机和3级的涡轮机,以冷端驱动和轴向排气为特点,有利于联合循环布置。
F级燃气轮机采用GE公司传统可靠的分管式燃烧系统,并可配备双燃料燃烧系统,如在以天然气为主燃料时,可以轻油为辅助燃料。
当天然气供应发生故障时,机组可自动切换到轻油燃烧,使燃机不因燃料供应故障而停机,进一步保证了机组的可靠性和可用性。
机组也可根据要求,在一定条件下使用双燃料混合燃烧。
此外,F级燃气轮机可燃用低热值燃料,从而扩大了发电厂的燃料使用范围和灵活性。
F级燃气轮机应用于IGCC电厂,可GE公司在其制造MS6000型、MS7000型和MS9000型机组的基础上,发展完善了底盘部套、控制和辅机组合一体的快装模块结构,这种标准化布置可减少管道、布线及其他现场相关联接的工F级燃气轮机还显示出不同寻常的环保特点。
6FA型燃气轮机联合循环机组经济环保运行探索规章制度通过对6FA型燃气轮机联合循环机组经济环保运行数据分析^p 的及整理,根据燃机电厂昼启夜停的特点,从运行调度、节能、环保角度入手总结出的燃机经济运行管理经验。
6FA联合循环机组经济协调节能环保前言:随着国家环保法的出台和构建资节约型环境友好型社会的要求对机组经济环保的运行水平的要求越来越高,浙江大唐国际新城热电厂建设两套燃气-蒸汽联合循环供热机组。
全厂配置为:2台S106F燃气轮机、2台燃机发电机、2台余热锅炉、2台供热蒸汽轮机和2台汽轮发电机,以及相应配套设施。
燃气轮机设备为GE公司PG6111FA型燃机(简称6FA)[1]。
通过总结浙江大唐国际新城热电厂两台蒸汽联合循环机组投产以来的运行经验,从机组的经济调度管理、节能降耗、运行分析^p 等几个方面介绍6FA蒸汽联合循环机组经济环保运行工作。
1 全面掌握厂内生产状况认真分析^p 内外环境影响及时对系统运行方式进行调整,如我厂对汽机循环水系统根据环境温度和机组负荷情况适时调整循环水泵运行台数,以保证汽轮机经济运行,保证厂用电率达到最低,环境温度高时,为保证机组真空度,提高经济性,使用两泵三塔运行方式,环境温度低时,一台机组运行一台循环泵;减少循环水泵耗电量。
2 调整机组负荷,避免电网考核在保证一次调频不被考核情况下,尽量多带负荷,使机组的效益最大化最大限度避免或减少电网电量考核,发电厂机组负荷或出力接受并跟踪省调遥调负荷指令,发电厂机组负荷只能在允许的范围内波动,否则将会被处以严厉的经济处罚。
保证机组出力时刻跟踪调度负荷指令,保证燃机机组AVC装置的投入率和合格率,鉴于燃机电厂启停频繁优化AVC闭锁定值,提高装置调节性能和稳定性,加强对燃机一次调频的考核管理免考申请的积极申报,调峰补偿核对。
但是投运AGC机组负荷将出现波动,在燃机负荷低于85%机组效率将出现明显拐点严重影响经济性,如果进入低负荷运行将出现机组排放不达标等情况,在部分负荷时段将引起机组排气超温影响机组寿命,为满足一次调频的要求根据环境温度控制燃机FSR输出与温控限值偏差在两个基准值,避免机组进入温控模式,并根据电网公司两个细则积极申请补偿。