高效直流稳定电源 (1)
- 格式:pdf
- 大小:266.85 KB
- 文档页数:7
直流稳定电源使用方法一、设备连接1. 确保电源插座接地良好,并确保设备接地良好。
2. 连接设备输出线至所需供电的设备或仪器,注意正负极的对应连接。
3. 将设备的电源线连接到电源,确保插紧,防止因接触不良造成电源线发热,注意防止电源线打结或拉扯。
二、电源开启1. 确保所有连接正确后,打开电源开关。
电源开关一般在设备的背面或侧面。
2. 设备启动后,可能需要一定时间进行预热,此时应避免频繁开关设备。
三、电压与电流调整1. 调整电压和电流时,应先关闭输出开关,防止电流突然输出对设备造成损坏。
2. 根据需要调整电压和电流,一般顺时针旋转增大,逆时针旋转减小。
3. 调整后,开启输出开关,观察设备运行是否正常。
四、输出显示观察1. 观察输出显示的电压和电流值,确保在所需范围内。
2. 如果显示值异常,应立即关闭输出开关,检查设备是否正常。
五、运行状态监测1. 在设备运行过程中,应定期检查设备的运行状态,如发现异常应立即关闭电源,联系专业人员进行维修。
2. 注意设备的温度变化,如果设备温度过高,应关闭电源并采取降温措施。
六、使用完毕后关闭电源1. 使用完毕后,应先关闭输出开关,然后关闭总电源开关。
2. 拔掉电源插头,整理好电源线,防止电源线打结或拉扯。
七、清洁与维护1. 定期使用干燥的布擦拭设备表面,保持清洁。
2. 如果设备长时间不使用,应定期通电检查设备是否正常。
3. 定期检查设备的接地状况,确保安全。
八、安全注意事项1. 使用设备时应遵守操作规程,不得随意拆卸、改装设备。
2. 设备应存放在干燥、通风良好的地方,避免潮湿、高温和阳光直射。
直流稳压电源的分类及原理直流稳压电源是一种能够将交流电转换为稳定的直流电并提供给各种电器设备使用的装置。
它主要由变压器、整流电路、滤波电路和稳压电路等组成。
根据其输出方式和输出电压特点,可以将直流稳压电源分为线性稳压电源和开关稳压电源。
一、线性稳压电源线性稳压电源是利用线性元件(如二极管、三极管、场效应管等)将交流电转换为直流电,并通过稳压电路将输出电压维持在稳定的水平。
线性稳压电源的原理如下:1.变压器:将输入电源的电压变换为适合的电压,通常会降低电压。
2.整流电路:通过二极管或三极管将交流电转换为半波或全波的脉动直流电。
3.滤波电路:使用电容器对脉动电流进行滤波,使得输出电流平滑化。
4.稳压电路:通过负反馈机制控制输出电压,使其保持在稳定值。
线性稳压电源具有输出电压稳定性高、噪声和纹波小等优点,适用于对电压稳定性要求较高的场合,如科研实验、仪器设备等。
但由于采用了线性元件,效率较低,体积较大,无法满足高功率需求。
二、开关稳压电源开关稳压电源是利用开关管(如MOSFET、IGBT等)进行高频开关操作,实现输入交流电转换为稳定的直流电的一种电源。
开关稳压电源的原理如下:1.变压器:将输入电源的电压变换为适合的电压,通常会升降电压。
2.整流电路:通过开关管的高频开关操作,将输入电源转换为高频脉冲信号。
3.滤波电路:使用电感和电容对高频脉冲信号进行过滤,使输出电流平滑化。
4.稳压电路:通过负反馈机制控制开关管的开关频率和占空比,使输出电压稳定。
开关稳压电源具有体积小、效率高、功率大等优点,适用于工业控制、通信设备、变频器等大功率、高效率的应用场合。
但开关频率较高,容易产生高频噪声,需要进行精确的电磁干扰控制。
总结来说,直流稳压电源主要分为线性稳压电源和开关稳压电源两种类型。
线性稳压电源适用于对电压稳定性要求较高的场合,而开关稳压电源适用于功率较大、效率要求高的场合。
不同类型的稳压电源具有各自的特点和适用范围,根据实际需求选择合适的类型和规格的电源是非常重要的。
浅谈高性能开关型直流稳压电源摘要:高性能开关型直流稳压电源是根据移相控制全桥DC/DC 变换器中的小信号模型,依据系统频域特性研究了电源性能,按技术指标研制出来的一台样机,经过反复的实验,结果表明了高性能开关型直流稳压电源的实用性。
本文主要着手于高性能开关型直流稳压电源的性能探究。
关键词:高性能开关型直流稳压电源探究随着电力电子技术的不断发展,高性能开关型直流稳压电源将在电力系统得到广泛的应用,开关型直流电流的主要优点变现在:工作稳性、可靠性好、重量轻、效率高以及功耗小等,其发展趋势相对于其他开关型电流更具竞争力。
开关型直流电流应用于粒子加速器电源等领域。
经过全方位的分析及全盘考虑。
相关技术研究人员采用移相控制桥DC/DC变换小信号模型设计了高性能开关型直流稳压电源。
1 动态小信号模型探析动态小信号模型的选取具有多样性,选取不同的模型运用得到的设计结果各不一样。
开关电源本质上是一个非线性的控制对象,采用解析的方法指导建模只能近似建立其在稳态时的小信号扰动模型,而用这种模型来解释大范围的扰动时所获得的结论并不完全准确。
其基本得益于开关电源一般工作在稳态。
依据小信号扰动模型设计出的高性能开关型直流稳压电源,配合辅助电路的使用,完全能使开关电源的性能满足要求。
2 直流稳压电源性能指标的确定2.1 稳定性指标要求据有关数据及实践结果表明,不同的系统应该具有不同程度的鲁棒性,同时暂态特性也相对较好。
然而对于直流稳定电源来说,其要求系统的增益余量大于或等于40dB,相位余量大于或等于30dB。
2.2 瞬态响应指标开关电源在受干扰状态下,其输出量会受到影响导致相应的抖动,最后渐渐地恢复到稳定值。
通常我们以过冲幅度和动态恢复的时间长短来测评动态特性。
穿越频率越高,动态恢复所需的时间越短;过冲幅度与相位余量亦存在紧密的相关性。
2.3 电源精度探析电压精度具有严格的要求,其设计范围为不大于1‰,纹波不大于1‰。
然而纹波中分为高频和低频两部分,开关频率造成高频部分的产生,依靠输出滤波器来抑制;电网波动引入了低频部分,低频部分主要依靠系统负反馈来加以克服。
文 件 编 号
制 程 别设 备 名 称工 序 名:核 准审核制 定NO
版次修订日期1
A12010.12.282
3直流稳定电源操作规范
SMT
直流稳压电源点亮测试作业步骤:
示意图:1》接上电源(AC220±10% 50Hz或110V±10% 60Hz) 。
2》将电源开关置于“ON”位置,指示灯为红色。
3》调节“VOLTAGE”粗调和微调旋钮到需要的输出电压。
4》连接外部负载到“+”或“—”输出端子。
5》当用在要求较高的地方,输出端“+”或“—”接线柱必须有一个要与GND接线柱可靠连接,减少输出的纹波电压。
6》恒流电流预置:先将电压调至3-10V任意值,再将“CURRENT”粗调旋钮调至 “O”(逆时针到底),然后将导线短路输出正负端,顺时针调节电流到所需的电流值。
断开短路,然后再调节电压到所需电压值即可使用。
注意事项:
1》使用过程中严禁重压或撞击电源仪器。
2》输入电压必须是(AC220±10% 50Hz 或110V±10% 60Hz)。
3》严禁在环境温度超过40℃的地方使用,仪器后部要留有10cm 以上的空间以利于散热。
4》关闭电源时,先将输出电流电压归零。
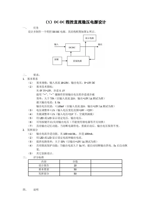
(1)DC-DC程控直流稳压电源设计一、任务设计并制作一个程控DC-DC电源,其结构框图如图1所示。
二、要求:1.基本要求(1)基本规格:输入直流19-23V,输出电压:0-15V/DC(2)基本技术指标:从0V到+15V,步进0.1V能用“+”、“-”键操作控制输出电压的步进或步减效率:大于70%(以输入直流21V,输出+15V/1A测试为准)最大输出电流:3.0A输出电压纹波:≤100mV(以输入直流21V,输出+15V/1A测试为准)(3)电压调整率≤1%(输入电压变化范围+19V~+23V)(4)负载调整率≤1%(输入电压+21V下,空载到满载)(5)用LED或LCD显示设定电压、输出电压。
(6)可用按键开启/关闭输出电压(不能使用继电器等开关切换)(7)具有输出记忆功能,当切断电源供电,重新启动后,输出电压保持不变。
2.发挥部分(1)输出电流步进功能,从100 mA-3A,,步进100mA;(2)用LED或LCD显示设定电流和输出电流。
(3)提供电路效率:大于85%(以输出+15V/1A测试为准)(4)具有限流保护功能:当输出电流大于3A时,能自动切断输出供电。
5s后自动恢复。
(5)其它创新设计。
三、评分标准四、说明1.图1中DC-DC变换器不允许使用成品模块,但可使用开关电源控制芯片。
2.DC-DC变换器、控制、显示电路只能由U i供电,不得另加辅助电源,但控制器电源允许使用DC-DC成品模块。
3.本题中的输出噪声纹波电流是指输出电流中的所有非直流成分,要求用毫伏表测量输出纹波电压,再换算成输出纹波电流值。
4.整机效率 =P o/ P I,其中P o=U o I o,P I=U i I i。
第三届(1997年)全国大学生电子设计竞赛题目A题直流稳定电源一、任务设计并制作交流变换为直流的稳定电源。
二、要求1.基本要求(1)稳压电源在输入电压220V、50Hz、电压变化范围+15%~-20%条件下:a.输出电压可调范围为+9V~+12Vb.最大输出电流为1.5Ac.电压调整率≤0.2%(输入电压220V变化范围+15%~-20%下,空载到满载)d.负载调整率≤1%(最低输入电压下,满载)e.纹波电压(峰-峰值)≤5mV(最低输入电压下,满载)f.效率≥40%(输出电压9V、输入电压220V下,满载)g.具有过流及短路保护功能(2)稳流电源在输入电压固定为+12V的条件下:a.输出电流:4~20mA可调b.负载调整率≤1%(输入电压+12V、负载电阻由200Ω~300Ω变化时,输出电流为20mA时的相对变化率)(3)DC-DC变换器在输入电压为+9V~+12V条件下:a.输出电压为+100V,输出电流为10mAb.电压调整率≤1%(输入电压变化范围+9V~+12V)c.负载调整率≤1%(输入电压+12V下,空载到满载)d.纹波电压(峰-峰值)≤100mV (输入电压+9V下,满载)2.发挥部分(1)扩充功能a.排除短路故障后,自动恢复为正常状态b.过热保护c.防止开、关机时产生的“过冲”(2)提高稳压电源的技术指标a.提高电压调整率和负载调整率b.扩大输出电压调节范围和提高最大输出电流值(3)改善DC-DC变换器a.提高效率(在100V、100mA下)b.提高输出电压(4)用数字显示输出电压和输出电流三、评分意见开关稳压电源一、任务设计并制作如图1所示的开关稳压电源。
摘要开关电源以其高效率、小体积等优点获得了广泛应用。
传统的开关电源普遍采用电压型脉宽调制(PWM)技术,而近年电流型PWM技术得到了飞速发展。
相比电压型PWM,电流型PWM具有更好的电压调整率和负载调整率,系统的稳定性和动态特性也得以明显改善,特别是其内在的限流能力和并联均流能力使控制电路变得简单可靠。
直流稳压电源是常用的电子设备,它能保证在电网电压波动或负载发生变化时,输出稳定的电压。
一个低纹波、高精度的稳压源在仪器仪表、工业控制及测量领域中有着重要的实际应用价值。
信号源产生控制信号,该信号有它激或自激电路产生。
比较放大器对给定信号和输出反馈信号进行比较运算,控制开关信号的幅值,、频率、波形等,通过驱动器控制开关器件的占空比,以达到稳定输出电压值的目的。
DC/DC变换器用以进行功率变换,它是开关电源的核心部分。
除此之外,开关电源还有辅助电路,包括启动、过流过压保护、输入滤波、输出采样、功能指示等电路。
开关电源典型结构有串联开关电源结构、并联开关电源结构、正激开关电源结构、反激开关电源结构、半桥开关电源结构、全桥开关电源结构等。
这里重点介绍一下反激开关电源结构。
所谓单端是指只有一个脉冲调制信号功率输出端一漏极D。
反激式则指当功率MOSFET 导通时,就将电能储存在高频变压器的初级绕组上,仅当MOSFET关断时,才向次级输送电能,由于开关频率高达100kHz,使得高频变压器能够快速存储、释放能量,经高频整流滤波后即可获得直流连续输出。
这也是反激式电路的基本工作原理。
而反馈回路通过控制TOPSwitch器件控制端的电流来调节占空比,以达到稳压的目的。
稳压电源的技术指标分为两种:一种是特性指标,包括允许输入电压、输出电压、输出电流及输出电压调节范围等;另一种是质量指标,用来衡量输出直流电压的稳定程度,包括稳压系数(或电压调整率)、输出电阻(或电流调整率)、纹波电压(纹波系数)及温度系数。
目录课程设计任务书 ............................................................................................ 错误!未定义书签。
高精度可编程直流电源原理(一)高精度可编程直流电源介绍•高精度可编程直流电源是一种可以提供稳定、可调的直流电压和电流输出的电子设备。
•它具有高精度、可编程控制、多功能等特点,广泛应用于科研实验、电子设备测试、通信设备等领域。
基本原理1.输入电源:高精度可编程直流电源通常通过交流电源(AC)输入,经过整流和滤波电路将交流电转换为直流电。
2.电压调节:通过电压调节电路,可以控制输出电压的大小。
常见的调节方式有可变电阻调节、PWM调节等。
3.电流控制:电流控制电路通过反馈机制,监测输出电流并进行调整,以达到设定的电流值。
4.保护功能:高精度可编程直流电源通常具有过压、过流、过热等保护功能,确保设备及用户的安全。
精度与分辨率1.精度:高精度可编程直流电源的精度指输出电压或电流与设定值之间的偏差程度。
精度一般用百分比或以千分比表示。
2.分辨率:分辨率指调节输出电压或电流时,能够调节的最小单位。
较高的分辨率可以提供更准确和精确的控制。
可编程性与控制方式1.可编程性:高精度可编程直流电源可以通过不同的编程方式来设定输出电压和电流的数值。
常见的编程方式有面板按键编程、PC端软件编程、通讯协议编程等。
2.控制方式:高精度可编程直流电源的控制方式包括恒压模式和恒流模式。
在恒压模式下,输出电压稳定,而在恒流模式下,输出电流稳定。
功能特点1.输出模式:高精度可编程直流电源通常支持恒压模式和恒流模式两种输出模式,可根据需求进行切换。
2.过载保护:在实际使用中,电流可能会超过设定的最大值,高精度可编程直流电源通常具有过载保护功能,确保设备安全。
3.调节速度:高精度可编程直流电源的调节速度对于某些应用场景很重要,较快的调节速度可以提高工作效率。
4.反馈机制:通过反馈电路监测输出情况,并进行调整,以保持输出的稳定性和精度。
应用领域1.科研实验:高精度可编程直流电源在科学研究中的应用广泛,例如电化学实验、材料研究等。
2.电子设备测试:在电子设备的生产和测试过程中,高精度可编程直流电源可以提供稳定的电源供应。
A--基于大功率白光LED 的可见光通信(本科组)一、任务设计并制作一个可见光通信装置。
二、要求1、基本要求(1)可见光通信装置利用单只10W(或≧9W)白光LED 和光电器件作为收发器件,用来传输语音和模拟波形信号,传输距离大于30cm ;自制24 V 、1A 直流电源2个(发端、收端分别采用此单电源供电),系统基本框图如图1。
发送端的供电部分需要加测试点(测试点加上鱼嘴夹方便测试),测试点电压U 1、电流I 1如图2所示。
(接收端负载最好为8Ω喇叭)可见光通信发端装置语音或者模拟波形信号24V 1A 直流电源可见光信道10W 白光LED可见光通信收端装置光电器件24V 1A 直流电源语音或者波形发送端接收端图1 系统基本框图24V1A电源可见光通信发端装置电压测试点电流测试点U 1I 1图2 电压、电流测试点(2)在不进行信号传输的情况下10W 白光LED 的功率必须达到10W ,要求电流为I 2=1±0.05 A ,电压U 2=10 V (误差可以稍大)。
需要加测试点(测试点加上鱼嘴夹方便测试),测试点电流I 2、电压U 2如图3所示。
10W 白光 L E D电压测试点电流测试点LED 驱动电路I 2U 2图3 10 W 白光LED 测试点(3)传输的语音信号或低频信号源信号频率范围为300~8000 Hz ,语音信号要求来自麦克风或MP3,模拟波形信号来自信号发生器。
要求发端装置的输入端以及收端装置的输出端加测试端子,以方便检测波形。
(4)在发送端发送300~8000Hz 音频信号时,接收的声音应无明显失真。
当发射端输入信号为300Hz 、1000Hz 、8000Hz 单音信号时,在8Ω电阻负载(或喇叭)上,接收装置的输出电压有效值不小于0.4V 。
不改变电路状态,减小发射端输入信号的幅度至0V ,采用低频毫伏表(低频毫伏表为有效值显示,频率响应范围低端不大于10Hz 、高端不小于1MHz )测量此时接收装置输出端噪声电压,读数不大于0.1V 。
### 摘要直流稳压电源是电子电路中常用的供电设备,其性能直接影响到电子设备的稳定性和可靠性。
本实验旨在通过设计、搭建和测试直流稳压电源,掌握其工作原理和设计方法,并验证其性能指标。
### 一、实验目的1. 理解直流稳压电源的基本原理和设计方法。
2. 掌握变压器、整流电路、滤波电路和稳压电路的设计与搭建。
3. 测试直流稳压电源的性能指标,如输出电压、输出电流、纹波电压等。
4. 分析实验结果,提高实际应用能力。
### 二、实验原理直流稳压电源主要由变压器、整流电路、滤波电路和稳压电路组成。
1. 变压器:将电网220V交流电压降压至整流电路所需的电压。
2. 整流电路:将交流电压转换为脉动直流电压。
3. 滤波电路:滤除整流电路输出的脉动直流电压中的纹波,得到较为平滑的直流电压。
4. 稳压电路:对滤波后的直流电压进行稳压,输出稳定的直流电压。
### 三、实验仪器与材料1. 220V/12V变压器1个2. 桥式整流电路模块1个3. 滤波电容2个(1000μF/25V)4. 集成稳压器LM7805 1个5. 电压表1个6. 电流表1个7. 实验板1块### 四、实验步骤1. 搭建电路:1. 将变压器接入电路,将220V交流电压降压至12V。
2. 将桥式整流电路模块接入电路,将交流电压转换为脉动直流电压。
3. 在整流电路模块输出端并联两个滤波电容,滤除纹波。
4. 将集成稳压器LM7805接入电路,将滤波后的直流电压稳压至5V输出。
2. 测试电路性能:1. 使用电压表测量输出电压,记录数据。
2. 使用电流表测量输出电流,记录数据。
3. 使用示波器观察输出电压波形,记录纹波电压。
4. 改变负载,重复步骤1和2,记录数据。
3. 数据分析:1. 分析输出电压、输出电流和纹波电压随负载变化的关系。
2. 评估直流稳压电源的性能指标,如输出电压、输出电流、纹波电压等。
### 五、实验结果与分析1. 输出电压:1. 实验结果显示,输出电压稳定在5V左右,满足设计要求。
第七章 直流稳定电源绝大多数电子设备在工作时都需要直流电源。
通常,电子设备内部大多安装有整流稳压装置,用以将供电电网提供的交流电变成稳定的直流电,供电子设备使用。
直流稳定电源是测控系统中的供电或基准单元,其性能指标对测控系统的性能有着重要的影响,因此稳定电源是测控系统中的重要部分。
直流稳定电源分为稳压电源和稳流电源两种,实用中以稳压电源为主,主要包括直流基准源、线性直流稳定电源和开关式直流稳定电源等。
7.1直流稳定电源的技术指标直流稳定电源的作用是向负载提供稳定的电压和电流。
描述电源稳定性的具体要求称为稳定电源的技术指标,包括反映电源电压、电流范围的特性和反映电源稳定稳定程度的质量指标。
7.1.1特性指标1) 输出电压范围。
在满足直流稳压电源正常工作要求的情况下,电压源的输出电压值。
该指标与最大输入电压、最小输入输出压差和最小输出电压有关。
2) 输出电流范围。
在满足直流稳流电源正常工作要求的情况下,电流源的输出电流值。
3)最大输出电流。
在满足直流稳压电源正常工作要求的情况下,能够输出的最大电流值。
超过该值,电源的稳压性能降低。
7.1.2 质量指标1)电压调整率。
作为一个稳压电源,输入V in 是不稳定的电压,输出V o 应当是稳定的。
定义:输入电压变化△V in 时引起输出电压的变化为电压调整率,用S V 表示。
0T 0Io in oV V V S =∆=∆∆∆=另外一种定义为输入电压变化△V in 时引起输出电压的相对变化为电压调整率)V /(%%100V V /V (%)S 0T 0Io in o o V =∆=∆⨯∆∆= (7-1)这两种定义给出的都是输入电压改变时电源保持预定电压输出的能力,目前都在被采用。
2) 负载调整率。
定义:在输入电压和其他条件不变时,输出电压的变化与输出电流变化的比值,反映稳压电源的输出阻抗,用R O 表示)(I V R 0T 0V o oo in Ω∆∆==∆=∆ (7-2)或表示为)m A /(%%100I V /V R 0T 0V o o o o in =∆=∆⨯∆∆=需要说明的是,对于电压源要求输出电阻小,其值越小输出电压越稳定;对于电流源要求输出电阻大,其值越大输出电流越稳定。
直流稳定电源电路实验1.实验目的:了解直流稳定电源电路的原理结构、性能,掌握直流稳定电源的设计方法。
2.实验内容:参见附录实验五、直流稳定电源电路实验5.1 串联式直流可调稳压电源5.1.1实验目的1. 了解串联式直流电源电路的原1(a)LM317内部结构及外部元件理结构、性能。
2.掌握使用串联式集成稳压器设计直流稳定电源的方法。
5.1.2 实验内容1、采用串联式集成稳压器构成可调直流稳定电源电路;2、测量各项性能指标,了解提高性能的方法。
5.1.3 实验原理及实验电路说明3端可调式稳压器的典型产品有LM317 (正电压输出)和LM337(负电压输出)。
LM317的内部结构及外部引脚如图5.1所示,它的内部电路包括比较放大器(又称误差放大器)、偏置电路(图中未画)、恒流源电路、带隙基准电压源、保护电路和调整器。
它的公共端改接到输出端,器件本身无接地端,所以消耗的电流均从输出端流出。
内部的基准电压(典型值1.25V 接至误差放大器的同相端和调整端(ADJ)之间,并由一个恒流特性很好的超级恒流源供电,提供50μA 的恒流,该电流从ADJ 端流出。
特别情况下,若将ADJ 端接地,LM317就构成输出电压为1.25V 的3端固定式稳压器。
若在外部接上调节电阻R 1、R 2后,输出电压为 )(12REF o R R 1V V += 图5.2所示为LM317的典型应用电路。
图中R 1、R 2构成取样电阻;C 2用于滤除R 2两端的纹波,使之不能经放大后从输出端输出。
VD 2是保护二极管,一旦输入或输出发生短路故障,由VD 2给C 2提供泄放回路,避免C 2经过LM317内部放电而损坏芯片。
C 1的作用是防止输出端产生自激振荡,VD 1起输入端短路保护作用。
5.1.4 实验设备及所需元件1. 所需元件与设备:传感器实验主板;3端可调式集成稳压器 LM317 ×1;二极管 1N4002 ×2;电解电容 470μF/16V ×1;电解电容 100μF/16V ×1;电解电容 10μF/25V ×1;3296多圈电位器 2kΩ×1;电阻 120Ω×1;电阻 47Ω/2W×1。
直流稳定电源摘要本设计有二个模块电路构成:稳压电源,稳流电源.稳压电源采用两级稳压电路,前级是DC-DC开关电源,后级是线性稳压电路,为了进一步提高效率,两级间采用了恒压差控制技术.稳流电源采用运放构成.AbstractThe design of two modules circuit: power supply, stable power supply. Regulator used two power regulator circuit, the former class is the DC-DC switching power supply, after-class is the linear regulator circuit, in order to further enhance efficiency, Two of the constant pressure difference between the use of control technology. Stable power supply byYun-constitute.一:方案论证与比较在本设计中电路都是采用模块设计思想.因此,对电路进行分析、论证都以模块来进行的.1.稳压电路方案一:采用单级开关电源,由220V交流整流后,经开关电源稳压输出.但此方案所产生的直流电压纹波大,在以后的几级电路中很难加以抑制,很有可能造成设计的失败和超出技术指标参数.方案二:从滤波电路输出后,直接进入线性稳压电路如下1.1所示.线性稳压电路输出值可调,为9-12V直流稳压输出.这中方案的优点是:电路简单,容易调试,但效率上难以保证.线性稳压电路的输入端一般大约为15V,而其输出端只为9-12V,两端压降太大,功率损耗严重,从而使得总电路效率指标难以实现.图1.1方案三:在方案二的基础上加上DC-DC变换器(即在线性稳压电路前端加入),采用脉宽调制(PWM)技术,并采用恒压差控制技术,如图1.2所示.图1.2在这种情况下,由DC-DC变换器来完成从不稳定的直流电压到稳定的直流电压的转变,由于采用脉宽调制技术和恒差控制技术,使得线性稳压电路两端呀差减小,电路消耗大幅度下降,解决了方案二中的效率低的问题.其次,由于使用脉宽调制技术,很容易过流、过热、自动保护恢复.此外,还可在DC_DC变换器中加入软启动电路,以抑制开关是的”过冲”.本设计正是采用这一方案.2.稳流电路下图1.3由双运放构成的恒流电路.图1.3Out1是深反馈同相放大器;out2接成电压和跟随器组态,它把输出电压反馈回输入端.依放大器特性:Up=Ur*R22/(R22+R23)+Uo*R23/(R23+R22)Un=Uo’*R24/(R24+R25)Up=Un在设计中,取R22=R23=R24=R25 .由以上三式可得 Uo’-Uo=Ur ,即电路R26 上的压降(Uo’-Uo)等于控制电压 Ur.忽略集成运放的输入偏置电流,则输出电流为: Io=Ur/R26这种方案利用运放构成一深反馈电路,有效地抑制了外界干扰,使得恒流电源工作稳定性增强,理论上可以达到0.001-0.0001之间的稳定度,完全满足设计要求.二、电路设计及参数计算1.稳压电源(第一模块)(1)交流变直流转换电路.本电路的目的在于从50Hz、220V的交流电压中得到直流电压.电路图如1-A所示.图1-A当输入为220V交流电压时,首先通过变压器降至25V左右交流电压.整流部分选用了全波桥式整流电路,输出为32V直流电压.(2)DC-DC转换电路.使用此电路的目的在于最大限度地降低模块低功耗,同时为下一级提供一个稳定直流电压.它的电路如1-B所示.图1-BDC-DC电路为由核心芯片TL494作控制的单端PWM降压型开关稳压电路.图中R3与C3决定开关电源的开关频率.电阻R11作为限流保护电阻用.其片内误差放大器(EA1)的同相输入端(脚2)通过5.1K欧姆电阻( R4 )接入反馈信号,从后级线性稳压电路得到分压.开关管采用PNP型大功率晶体管.工作原理:在恒定频率的PWM通断中,控制开关通断状态的控制信号是通过一个控制电压 Ucon与锯齿波相比较而产生的.控制电压则是通过偏差(即实际输出电压与其整定值之间的差值)获得的. 锯齿波的峰值固定不变,其重复频率就是开关的通断频率. 在PWM控制中,这一频率保持不变,频率范围从几千赫到几十万赫.当放大的偏差信号电平高于锯齿波的电平时,比较器输出高电平,这一高电平的控制信号导致开关导通,否则,开关处于关断状态.当后级反馈电压高于TL494的基准电压5V时,片内误差放大器EA1输出电压增加,将导致外接晶体管T和TL494内部T1、T2管的导通时间变短,使输出电压下降到与基准电压基本相等,从而维持输出电压稳定,否则结果相反.参数计算:由R3=39K, C3=0.001微法,得振荡频率:F=28.2Hz为了保证电流连续,电感取值不能太小,但也不能太大.计算如下:Lmin=[(U1-Uo/(2*Io))]*Ton=[(35-10)/(2*15)]*0.00002=167HzC>Uo*Toff/(8*L*F*Uo)=15*10*0.000001/(8*0.001*30*1000*0.1)=6.25微法Iop=[(U1-Uo)/(2*L)]*Ton+Io=[(35-10)/(2*0.001)]*0.00002+1.5=1.75A(3)线性稳压电路.本电路的目的是在第一级稳压电路的基础上实现线性高精度稳压,降低纹波,提高电压调整率和负载调整率,最终达到题目的设计要求.电路图如下图1-C所示.图1-C此电路继承了DC-DC变换电路的输出电压.在本电路中,首先输入电压在精密稳压源上产生一个稳定的参考电压,接到由运放组成的比较电路的正端输入脚.输出电压经过电阻分压之后反馈到运放的负输入端.运放的输出电压控制至三极管的发射极电压,得到所需的高稳定的直流电压.参数计算:Uo=Uref*(R16+R18+R17)/(R17+R18’)取R16=3K时,R18=1K,Uref=6V则当R17’=067K时,Uo=(2.5*6)/(1+0.67)=9V当R17=0.25K时,Uo=(2.5*6)/(1+0.25)=12V(4)恒压差控制.在DC-DC转换电路和线性稳压电路间采用恒压差控制,即:通过反馈,使DC-DC变压器输出电压与线性稳压器输出电压差值恒定,这样,既可以保证线性稳压电路所需的电压差,又降低了线性电路低压输出时的功耗,提高稳压模块的整体效率.而且,在整个模块输入电压发生较大幅度变化时也能够进行高精度的稳定,纹波也会因此大大降低.在一模块电路中,还接有软启动电路,在开关机时,对产生过冲现象有相当大程度上的抑制.同时,通过控制DC-DC变换器的脉宽,可实现过热、过流保护.2.稳流模块(第二模块)原理图见上面的图1.3所示,out1接深度反馈同相放大器,out2接成电压跟随器.由公式Io= Ur/R18 知输出电流Io只与 Ur 和 R18 有关.因此可看出,电流的极性可以外加电压Ur控制.参数计算:稳压输入最大2.5V,取R5=100 欧姆公式Io=Ur/R18 max=25mA.稳压输入最小0V,Imin=0V.所以实现了在要求范围内的可调.三、数据分析与性能指标1.测试方法(1)稳压电源①在规定范围内输入电压,调节输出电压,用电表测试输出端电压范围:到 V. 用电流表测得输出电流可达1.7A(由保护电路设定).②改变输入电压,用数字电压表测输出端电压,数据如下:次数 1 2 3 4 5 输入交流电压 155V 176V 221V 253V 258V 输出直流电压计算电压率为:③接入负载,改变负载大小,用数字电压表测负载电压,数据如下:次数 1 2负载输出电压计算负载调整率:④用示波器观察输出电压,得纹波电压(峰-峰值)< .⑤在输入端接入交流功率表,输出端接入直流电流表和直流电压表,测得:Pin= W, Uo= V, Io= A.计算效率为:(2)稳流电源①在输出端接入电流表,调节输出电流,测得输出电流在4-20mA可调.②在输出端接入负载,改变负载,用电流表测输出电流,数据如下:次数 1 2 3负载输出电流计算负载调整率为:2.测试器材: (电流表和数字电压表或万用表)、示波器参考文献:<<稳定电源电路设计手册>>曲学基(2003年)<<全国大学生电子设计竞赛获奖作品汇篇>>(1994-1999年)。
一、SS1792F/SS3323直流稳定电源(编写人:熊帮新 审核人:龙从玉)本实验室采用SS1792F型可跟踪直流稳定电源和SS3323型可跟踪直流稳定电源。
SS1792F型和SS3323型都是采用三只电源变压器,三路完全独立输出的三路直流稳压电源,三路完全相同,SS直流稳定电源的原理框图如图1-1所示。
图1-1 SS直流稳定电源框图由图可见,直流稳压电源由整流滤波电路、辅助电源电路、基准限幅电路、转换控制电路、电压(电流)采样电路、比较放大器、调整电路和保护电路组成。
转换控制电路转换控制器控制继电器Kl\K2的动作,达到换档目的。
随着输出电压的变化,模/数转换器输出不同的数码,控制继电器动作,调整整流器的输入电压。
调整电路是串联线性调整器,由比较放大电路来控制,使输出电压(电流)保持稳定。
在稳压工作时,电压比较器处于控制优先状态,当输入电压或负载变化时,输出电压发生相应变化,此变化量经取样电阻送入电压比较放大器反相输入端与同相输入端设置的基准电压进行比较、放大控制调整器,以使输出电压趋于原来数值,达到稳压目的。
当电源负载过大且超过预置电流时,采样电阻上的电压将增大,此电压值送到电流比较放大器反相输入端与同相输入端预置的电流基准进行比较放大,输出一低电平,控制线性调整器,使输出电流恒定在预置的电流值上,从而使电源和负载得到保护。
在稳流工作时,电流比较器处于控制优先状态,当负载加大到恒流点设定值时,稳流比较放大器对线性调整器起控,电路的工作状态由恒压转换为恒流,稳流状态的工作过程与稳压工作时过流保护的工作过程完全相同。
1.1、SS1792F型可跟踪直流稳定电源1.1.1 技术指标独立输出串连输出并联输出源效应负载效应周期与随机偏移(PARD)(r.m.s)0~30V/3A2两路3~6V/3A一路0~60V/5A0~30V/10ACV:1×10-4+5mVCC:1×10-2+3mACV:1×10-4+5mVCC:1×10-2+3mACV:≤1mVCC:≤3mA1.1.2主要功能特性:1、稳压、稳流2、连续可调3、电压、电流显示手动切换4、可独立、串联使用5、主从跟踪6、限流型,过流、短路保护自动恢复7、三位半数字显示,误差:±1%+2个字。
直流稳压电源设计摘要21世纪的我们正在处于蓬勃发展的信息时代,在此,越来越多的电气、电子设备涌现在市场的各个角落,于是必不可少的能源供应部件需求日益增加,而且对电源的功能、稳定性等各项指标也提出了更高的要求。
对电源的研究和开发已经成为新技术、新设备开发的重要环节,在推动科技发展中起着重要作用。
本实验设计有三个电路模块构成:稳压电源、稳流电源、DC-DC变换器。
一律采用仿真技术设计调试。
依上述顺序,每个模块的输入即为前一模块的输出,而稳压电源的输入为市电220v\50Hz。
其中稳定电源的设计要满足在输入电压220V、50Hz、电压变化围+15%~-20%条件下.输出电压可调围为+9V~+12V,最大输出电流为 1.5A,电压调整率≤0.2%(输入电压220V变化围+15%~-20%下,空载到满载),负载调整率≤1%(最低输入电压下,满载),纹波电压(峰-峰值)≤5mV(最低输入电压下,满载),效率≥40%(输出电压9V、输入电压220V下,满载),具有过流及短路保护功能。
电流设计要满足在输入电压固定为+12V的条件下,输出电流:4~20mA 可调,负载调整率≤1%(输入电压+12V、负载电阻由200Ω~300Ω变化时,输出电流为20mA时的相对变化率)。
DC-DC变换器设计要求要满足在输入电压为+9V~+12V条件下,输出电压为+100V,输出电流为10mA,电压调整率≤1%(输入电压变化围+9V~+12V),负载调整率≤1%(输入电压+12V下,空载到满载),纹波电压(峰-峰值)≤100mV (输入电压+9V下,满载)。
关键词:稳压电源电路设计仿真调试数据整理目录1、原理电路的设计 (2)1.1直流稳压电源电路设计 (2)1.2 直流稳流电源电路设计 (5)1.3 DC-DC转换电路设计 (8)1.4电路图与主要工作原理 (10)1.5主要参数的选择与计算 (10)2、仿真、调试过程 (11)2.1电路实物的安装与调试 (11)2.2DC-DC转换器的仿真与参数分 (12)2.3针对问题的调试 (13)3、数据整理及最终分析及遇到的问题 (14)4、元器件清单 (16)5、主要参考文献 (17)1、原理电路的设计1.1直流稳压电源电路设计在本设计中电路都是采用模块设计思想.因此,对电路进行分析、论证都以模块来进行的。
简述直流稳压电源的组成和工作原理直流稳压电源是用来稳定直流电压输出的电子设备,常用于电子电路实验、通信设备、工业控制系统以及电子产品的研发与生产过程中。
下面将从直流稳压电源的组成和工作原理来进行详细介绍。
1. 组成直流稳压电源由变压器、整流电路、滤波电路、稳压电路以及输出电路组成。
(1)变压器:变压器是直流稳压电源的核心部件之一,用来将输入交流电压转换为所需的直流电压,一般采用变压器的一次侧接入市电,二次侧输出恒定的交流电压。
(2)整流电路:整流电路将变压器输出的交流电压转换为具有特定波形的直流电压,常用的整流电路有单相半波整流电路、单相全波整流电路和三相整流电路等。
(3)滤波电路:滤波电路主要用于去除整流电路输出的脉动成分,将其转换为平滑的直流电压。
滤波电路一般采用电容、电感等元件组成,并且可以根据需要选择不同的滤波方式,如LC滤波和RC 滤波等。
(4)稳压电路:稳压电路是直流稳压电源的关键组成部分,用来确保输出电压的稳定性。
常见的稳压电路有线性稳压电路和开关稳压电路等,线性稳压电路通过调节电阻或晶体管的工作状态来实现稳压控制,而开关稳压电路则依靠开关元件的开关动作来维持输出电压的稳定。
(5)输出电路:输出电路用于向外部电路或负载提供稳定的直流电压,一般采用继电器或电路保护元件等来保护稳压电源和外部设备。
2. 工作原理直流稳压电源的工作原理可以简单概括为变压器- 整流滤波- 稳压控制。
具体过程如下:(1)变压器:变压器作为直流稳压电源的输入部分,将市电提供的交流电压通过变压器的绝缘和变换作用转换为合适的交流电压输出到整流电路。
(2)整流滤波:整流电路将变压器输出的交流电压经过整流装置转换为带有脉动的直流电压,然后经过滤波电路去除脉动成分,得到较为平稳的直流电压。
(3)稳压控制:稳压电路通过对输出电压进行检测,与设定的目标电压进行比较,并根据比较结果调节稳压电路中的控制元件,以使输出电压保持在目标值附近。