单片机期末答辩口答题题库
- 格式:doc
- 大小:119.50 KB
- 文档页数:6
单片机答辩1.9————————————————————————————————作者:————————————————————————————————日期:单片机应用设计—液晶板答辩问题1.Lcd1602的引脚定义1.vss电源地2.vcc正电源3.vee LCD驱动电源(对比调整电压)4.rs寄存器选择控制线(1输入数据0输入指令)5.rw LCD读写控制线(1读0写)6.E使能信号控制端(高电平有效)1读取信息下降沿1到0执行命令7.-14.DB0DB1数据总线15.LEDA 背光电源正极16.LEDK 背光地2.Lcd1602的基本操作时序3.Lcd1602的初始化流程4.Lcd1602的显示步骤5.Pcf8563的引脚定义6.Pcf8563的内部结构7.Pcf8563的通信协议I 2C总线只有两根双向信号线。
一根是数据线SDA,另一根是时钟线SCL。
I2C总线通过上拉电阻接正电源。
当总线空闲时,两根线均为高电平。
连到总线上的任一器件输出的低电平,都将使总线的信号变低,即各器件的SDA及SCL都是线“与”关系。
8.Pcf8563的时间校正由于这是一款时钟芯片,初始化当前时间之后,芯片会自动跟踪当地实际时间。
我们调试的目的是对芯片进行初始化,然后把时间读出来,再发送到上位机通过串口调试助手判断结果。
9.Ds18b20的引脚定义与供电方式外接电源10.Ds18b20的内部存储器11.Ds18b20的指令搜索ROM指令,读取ROM指令,匹配ROM指令,忽略ROM指令,报警搜索指令12.Ds18b20的单点读取流程复位—发送ROM指令——发送RAM指令——/////处理数据13.Ds18b20的温度寄存器格式14.Ds18b20的精度配置15.串口通信硬件接口16.串口通信的初始化SCON= 0x50; 串口控制寄存器TMOD |= 0x20;设置定时器ﻫTH1= 0xFD; 定时器重载装置TR1= 1; 启动定时器1EA =1; ﻫES = 1;ﻩﻩﻩ打开串口总线17.串口发送数据流程18.串口接收数据流程51单片机的串口,是个全双工的串口,发送数据的同时,还可以接收数据。
··················································································《单片机控制技术》期末答辩试题及答案1、单片机最小电路的组成及各部分的作用?答:单片机最小电路包括:供电电路、复位电路、时钟电路。
①供电电路:为了单片机工作提供电源。
②复位电路:在单片机启动运行前,对其进行初始化操作,保证CPU和其他功能部件处于一个确定的初始状态。
③时钟电路:为单片机CPU的工作提供一定的时序。
2、振荡周期、状态周期、机器周期之间的换算关系?答:1机器周期=6状态周期=12振荡周期。
3、AT89C51单片机共有40个引脚,从功能上能分成哪四大类?答:⑴主电源引脚。
⑵时钟电路引脚。
⑶控制信号引脚。
⑷输入/输出引脚。
4、AT89C51单片机引脚的31号脚EA/VPP的作用?答:当该脚输入为高电平时,CPU从片内程序存储器开始执行程序。
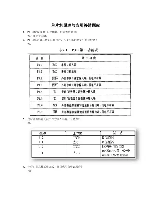
单片机原理与应用答辩题库1.P0 口做普通IO 口使用时,应该如何处理?答:接上拉电阻。
2.P3 口作为第二功能口使用时,各个引脚的功能分别是什么?答:3.定时计数器有几种工作方式?各有什么特点?答:4.串行口有几种工作方式?分别应用在什么场合?答:多机通讯主要用方式2和方式3。
5.单片机中断源有几个?答:有5个。
风别是外部中断0,定时器0,外部中断1,定时器1,串行口。
6.单片机中断触发方式有几种?分别是什么方式触发?答:有5种。
分别是:1 高电平触发;2 低电平触发;3 上升沿触发;4 下跳沿触发;5 沿触发。
7.MCS-51 单片机是几位机?答:是8位机。
8.请画出独立式键盘的接法,并说明软件编码方式?答:循环检测是否有低电平。
9.请画出矩阵式键盘的接法,说明扫描原理?答:扫描原理:(1)逐行扫描法。
依次从第一至最末行线上发出低电平信号, 如果该行线所连接的键没有按下的话, 则列线所接的端口得到的是全“1”信号, 如果有键按下的话, 则得到非全“1”信号。
(2)线反转法。
该法比行扫描速度快, 但在硬件上要求行线与列线外接上拉电阻。
先将行线作为输出线, 列线作为输入线, 行线输出全“0”信号, 读入列线的值, 那么在闭合键所在的列线上的值必为0;然后从列线输出全“0”信号,再读取行线的输入值,闭合键所在的行线值必为0。
这样,当一个键被按下时, 必定可读到一对唯一的行列值。
再由这一对行列值可以求出闭合键所在的位置。
10. 数码管有几种类型?原理如何?答:有两种,分别是共阴极和共阳极。
共阴极就是把所有的阴极连在一起共地,共阳极就是把所有的阳极连在一起接在VCC。
10.请说明共阳极数码管码表的推导过程?答:如图,如果显示1的话,b、c为0,其余都为1,即为10011111。
11.数码管有几种显示方式?优缺点是什么?答:有静态和动态两种显示方式。
静态可以稳定的同时显示各自的字形,动态的可一节省I/O口。
1.单片机的最小系统组成?
答案:最小系统包括时钟电路,复位电路,电源,单片机芯片。
2.本设计的功能包括哪些?
答案:本遥控系统要求用单片机作为控制芯片制作一个遥[• ]•控器,另一个单片机控制系统能被遥控操作。
本系统要求遥控器具有多级调速,开关,定时,以及自然风,睡眠风切换等功能。
将单片机、控制、键盘组合在一起完成了人机对话[3]。
用AT89C51单片机来作主芯片控制,采用红外HS0038接收头,用双向可控硅MC97A6控制电机开关。
3.本设计不足和注意的地方?
答案:(1)在实践中,采用红外线遥控方式时,由于受遥控距离,角度等影响,使用效果不是很好,如采用调频或调幅发射接收码,可提高遥控距离,并且没有角度.
(2)键盘一般是由一组机械按键按照一定的规律组合而成,通过按键的通、断作用输入开关电压信号。
按键由断开到闭会及由闭合到断开时,由于机械触点的弹性作用,按键的动作不是立刻完成的,为了消除键抖动的影响,保证在按键闭合稳定状态下读取键值,需要对键进行消抖处理。
常用的消抖措施有硬件消抖和软件消抖两种。
单片机期末考试题和答案一、选择题(每题2分,共20分)1. 单片机中,以下哪个寄存器用于存储程序计数器(PC)?A. ACCB. BC. SPD. PC答案:D2. 8051单片机的内部RAM共有多少字节?A. 128B. 256C. 512D. 1024答案:B3. 8051单片机中,以下哪个指令用于将累加器A的内容与外部RAM的数据进行交换?A. MOV A, @R0B. MOVX A, @R0C. MOV A, #dataD. MOV A, direct答案:B4. 8051单片机的定时器/计数器0和1工作在方式1时,定时器/计数器的值会如何变化?A. 16位自动重装载B. 8位自动重装载C. 16位不自动重装载D. 8位不自动重装载答案:B5. 8051单片机中,以下哪个指令用于将立即数传送到累加器A?A. MOV A, #dataB. MOV A, directC. MOV A, @R0D. MOV A, R0答案:A6. 8051单片机的外部中断0和外部中断1的优先级如何?A. 外部中断0优先级高于外部中断1B. 外部中断1优先级高于外部中断0C. 两者优先级相同D. 无法确定答案:A7. 8051单片机中,以下哪个指令用于将累加器A的内容与寄存器R0的内容进行交换?A. MOV A, R0B. MOV R0, AC. XCH A, R0D. SWAP A, R0答案:C8. 8051单片机的串行通信可以工作在几种模式?A. 1种B. 2种C. 3种D. 4种答案:C9. 8051单片机中,以下哪个指令用于将累加器A的内容与直接寻址的内存单元进行交换?A. MOV A, @R0B. MOV A, directC. MOVX A, @R0D. MOV A, #data答案:B10. 8051单片机的看门狗定时器(WDT)的作用是什么?A. 用于定时器溢出B. 用于产生中断C. 用于系统监控D. 用于串行通信答案:C二、填空题(每题3分,共30分)1. 8051单片机的外部中断0和外部中断1的中断向量地址分别是______和______。
单片机期末考试题及答案一、选择题(每题2分,共20分)1. 下列哪个不是单片机的特点?A. 体积小B. 功能强C. 价格昂贵D. 功耗低答案:C2. 8051单片机的内部存储器中,哪个是程序存储器?A. RAMB. ROMC. EPROMD. EEPROM答案:B3. 下列哪个不是单片机的输入/输出设备?A. 键盘B. 显示器C. 打印机D. 硬盘答案:D4. 单片机的中断系统包括哪几个部分?A. 中断源B. 中断控制器C. 中断服务程序D. 所有以上答案:D5. 8051单片机的定时器/计数器有几个?A. 1个B. 2个C. 3个D. 4个答案:B6. 下列哪个是单片机的编程语言?A. C语言B. HTMLC. SQLD. XML答案:A7. 单片机的串行通信方式有哪些?A. UARTB. SPIC. I2CD. 所有以上答案:D8. 单片机的看门狗定时器的作用是什么?A. 监控程序运行B. 计时C. 存储数据D. 控制电源答案:A9. 单片机的ADC(模拟/数字转换器)的作用是什么?A. 将模拟信号转换为数字信号B. 将数字信号转换为模拟信号C. 存储数据D. 执行程序答案:A10. 下列哪个不是单片机的外设接口?A. UARTB. SPIC. I2CD. USB答案:D二、填空题(每空2分,共20分)1. 单片机的CPU由_________、_________和_________组成。
答案:算术逻辑单元(ALU)、控制单元(CU)和寄存器堆2. 8051单片机的外部数据存储器地址范围是_________。
答案:外部数据存储器地址范围是80H-FFH3. 中断服务程序的入口地址存放在_________。
答案:中断向量表4. 单片机的I/O口可以通过_________方式进行扩展。
答案:总线扩展5. 单片机的看门狗定时器在_________时会重置。
答案:程序正常运行6. 单片机的ADC转换过程包括_________和_________两个阶段。
单片机c语言期末考试题目及答案详解一、选择题(每题2分,共20分)1. 在C语言中,以下哪个关键字用于定义一个结构体?A. structB. unionC. enumD. typedef答案:A2. 单片机中,以下哪个寄存器通常用于存储程序计数器的值?A. PCB. SPC. ACCD. B答案:A3. 在C语言中,以下哪个运算符用于取模运算?A. %B. /C. *D. -答案:A4. 单片机编程时,以下哪个函数用于延时?A. delay()B. sleep()C. wait()D. halt()答案:A5. 在C语言中,以下哪个关键字用于声明一个函数?A. defineB. functionC. voidD. int答案:C6. 单片机中,以下哪个指令用于将累加器A的内容传送到外部数据存储器?A. MOVX @DPTR, AB. MOV A, @DPTRC. MOVX A, @DPTRD. MOV @DPTR, A答案:A7. 在C语言中,以下哪个关键字用于声明一个全局变量?A. staticB. externC. constD. volatile答案:B8. 单片机中,以下哪个指令用于无条件跳转?A. SJMPB. AJMPC. LJMPD. DJMP答案:A9. 在C语言中,以下哪个关键字用于声明一个指针?A. pointerB. ptrC. *D. ref答案:C10. 单片机中,以下哪个指令用于将累加器A的内容与寄存器B的内容进行异或操作?A. XOR A, BB. XOR A, #dataC. XOR A, @R0D. XOR A, direct答案:A二、填空题(每题2分,共20分)1. 在C语言中,用于定义一个数组的关键字是________。
答案:array2. 单片机中,用于读取外部数据存储器的指令是________。
答案:MOVX A, @DPTR3. 在C语言中,用于声明一个字符型变量的关键字是________。
单片机项目答辩一、硬件设计方面1. 你们的单片机采用了哪种通讯协议?它们有什么优缺点?答:我们的单片机采用了I2C、SPI和UART通讯协议。
其中,I2C协议在短距离内传输数据速度快,并且只需要两根线来完成双向通信;SPI协议在长距离传输时更稳定,数据传输速度快,但需要多条线来支持;UART协议则简单易用,但传输速度相对较慢。
2. 你们如何保证电路板的可靠性和稳定性?答:我们通过精确的PCB布局设计和合理的电源分配来保证电路板的可靠性和稳定性。
我们还在电路板上添加了滤波电容器和稳压芯片等元器件,以减小噪声干扰和抑制电压波动。
3. 你们的单片机是否支持外设扩展?如何实现?答:是的,我们的单片机支持外设扩展。
我们在设计时考虑到这一点,为其留出了GPIO口和SPI接口等扩展接口。
用户可以通过扩展板或外部模块等方式来实现对外设的扩展。
4. 你们如何保证单片机与其他电路之间的互相隔离?答:我们采用了光耦隔离和独立供电等措施来保证单片机与其他电路之间的互相隔离。
通过这些措施,可以有效避免因电路间干扰而导致的系统故障。
5. 你们的单片机是否支持功耗管理?如何实现?答:是的,我们的单片机支持功耗管理。
我们使用了低功耗模式,在不影响设备正常工作的前提下,尽可能降低设备的功耗。
同时,我们还设置了智能休眠模式,当设备处于闲置状态时,自动进入休眠状态,以达到节能的目的。
二、软件开发方面1. 你们的单片机采用了哪种编程语言?它有什么优劣势?答:我们的单片机采用C语言进行编程。
C语言具有操作系统无关性、可移植性强、执行效率高等优势,但需要程序员具有较高的编程技巧和经验,否则容易出现问题。
2. 你们的单片机采用了哪种开发环境?它有什么优劣势?答:我们的单片机采用Keil MDK作为开发环境。
Keil MDK具有集成度高、易于使用、支持多种编程语言等优点,但需要购买授权才能使用全部功能。
3. 你们如何进行固件升级和调试?答:我们通过串口以及USB接口与PC进行通讯,实现固件的升级和调试。
微机原理B课程设计答辩题目
题目一
1、叙述单片机实现交通灯控制系统的开发过程。
设计电路图→制作电路板→程序设计→硬软件联调→程序下载→
产品测试
2、如何使LED灯点亮和熄灭,说明电路的原理。
发光二极管正极接+5V,低电平有效,P1口赋值
3、阐述用keil软件编辑调试C51程序的过程。
启动软件→建立工程文件→建立并添加源文件→配置工程属性→
程序调试
题目二
1、单片机的最小系统有哪几部分组成?
2、说明交通灯系统中使黄灯闪烁的原理。
3、如何用定时器实现准确的定时1S?
题目三
1、叙述交通灯硬件电路板的结构和控制原理。
2、MCS-51的4个并行口各自的作用,课程设计用的哪个并行口?
3、C51中断函数的编写方法,初始化过程。
题目四
1、MCS-51有几个中断源,如何在中断中实现4个路口全为红灯?
2、软件定时与硬件定时的优缺点和区别,如何实现定时1S?
3、阐述protues仿真软件设计和仿真调试单片机系统的步骤。
题目五
1、说明单片机交通灯控制系统电路的构成,及各部分的作用。
2、AT89S52单片机有几个定时计数器,说明定时与计数的区别。
3、说明用XLISP写入程序的步骤。
题目六
1、单片机系统工作的条件?
2、LED为什么要串接限流电阻?如何计算限流电阻的阻值?
2、定时器用作定时,方式1、2的最大定时时间是多少(晶振为12MHz)? 定时器初始化过程?。
单片机简答题汇总单片机期末考试单片机是一种集成电路芯片,采用超大规模集成电路技术把具有数据处理能力的中央处理器CPU、随机存储器RAM、只读存储器ROM、多种 I/O 口和中断系统、定时器/计数器等功能(可能还包括显示驱动电路、脉宽调制电路、模拟多路转换器、A/D 转换器等电路)集成到一块硅片上构成的一个小而完善的微型计算机系统。
在单片机的学习中,有很多重要的知识点需要我们掌握,以下是一些常见的简答题汇总。
1、简述单片机的特点。
单片机具有体积小、质量轻、价格便宜、为学习、应用和开发提供了便利条件等特点。
它具有集成度高、可靠性高、控制功能强、低电压、低功耗、易扩展等优点。
单片机可以嵌入到各种仪器、设备中,实现智能化控制。
2、单片机的应用领域有哪些?单片机的应用领域非常广泛。
在家用电器方面,如洗衣机、空调、微波炉等的智能控制;在工业控制领域,用于自动化生产线、智能仪器仪表等;在通信领域,用于手机、对讲机等设备;在汽车电子方面,用于汽车的发动机控制、安全系统等;在医疗设备中,如血压计、血糖仪等也有单片机的身影;此外,在航空航天、智能玩具等领域也有广泛应用。
3、简述单片机的基本组成结构。
单片机通常由中央处理器(CPU)、存储器(包括程序存储器和数据存储器)、输入/输出接口(I/O 接口)、定时器/计数器、中断系统等部分组成。
中央处理器是单片机的核心,负责执行指令和进行数据处理。
程序存储器用于存储程序代码,通常为只读存储器(ROM)。
数据存储器用于存储运行过程中的数据,包括随机存储器(RAM)和电可擦除可编程只读存储器(EEPROM)等。
输入/输出接口用于与外部设备进行数据交换。
定时器/计数器可以实现定时和计数功能。
中断系统用于处理突发事件,提高系统的实时性。
4、单片机的存储器分为哪几类?各自的特点是什么?单片机的存储器主要分为程序存储器和数据存储器。
程序存储器通常采用只读存储器(ROM),如掩膜 ROM、可编程ROM(PROM)、可擦除可编程 ROM(EPROM)和电可擦除可编程ROM(EEPROM)等。
单片机期末试题及答案一、选择题(每题2分,共20分)1. 单片机的英文缩写是()。
A. CPUB. MCUC. ROMD. RAM答案:B2. 下列哪个不是8051单片机的内部存储器()。
A. ROMB. RAMC. EPROMD. SRAM答案:C3. 8051单片机的定时器/计数器有()个。
A. 1B. 2C. 3D. 4答案:B4. 8051单片机的外部中断源有()个。
A. 1B. 2C. 3D. 4答案:B5. 下列哪个指令是将累加器A的内容与寄存器R0的内容相加()。
A. ADD A, #dataB. ADD A, R0C. MOV A, #dataD. MOV A, R0答案:B6. 8051单片机的定时器/计数器工作在定时模式时,定时时间由()决定。
A. 定时器/计数器的初值B. 定时器/计数器的溢出次数C. 定时器/计数器的初值和溢出次数D. 单片机的时钟频率答案:C7. 8051单片机的串行通信接口工作在方式1时,其波特率由()决定。
A. 定时器的初值B. 定时器的溢出次数C. 单片机的时钟频率D. 单片机的时钟频率和定时器的初值答案:D8. 8051单片机的外部中断优先级由()决定。
A. 外部中断源B. 优先级寄存器IPC. 外部中断源和优先级寄存器IPD. 中断向量表答案:C9. 8051单片机的I/O端口P1.0的高电平输出电压接近于()。
A. 0VB. 5VC. 3.3VD. 2.5V答案:B10. 8051单片机的看门狗定时器的英文缩写是()。
A. WDTB. WDGC. WTDD. WDC答案:A二、填空题(每题2分,共20分)1. 8051单片机的内部RAM分为______和______。
答案:工作寄存器区;位寻址区2. 8051单片机的定时器/计数器0和1可以工作在______、______和______模式。
答案:13位定时/计数器;16位定时/计数器;8位自动重装载3. 8051单片机的外部中断INT0和INT1的中断向量地址分别是______和______。
单片机期末试题(含答案)单片机期末试题(含答案)1. 选择题(40分)1) 单片机是由______股组成的。
A. 双向数据总线、地址总线、控制总线B. 单向数据总线、地址总线、控制总线C. 单向数据总线、寄存器总线、控制总线D. 双向数据总线、寄存器总线、控制总线答案:A2) 以下哪个单片机是基于HARVARD结构的?A. 8051B. AVRC. PICD. ARM答案:C3) 在51单片机中,汇编指令“MOV A, #78H”的16进制形式是:A. E478B. 3E78C. 1578D. 78答案:B4) 下列哪个是单片机的输入/输出接口电路?A. I2CB. UARTC. ADCD. GPIO答案:D5) 下列哪个DSP处理器的体系结构更适合高频性能要求?A. TMS320C54XB. ADSP-21369C. BlackfinD. STM32F4答案:C2. 判断题(20分)1) 对于单片机来说,每个I/O口的方向控制位只有0和1两种状态。
答案:对2) 51单片机可以通过中断方式实现高精度定时。
答案:错3) 单片机中的PLCC芯片是无法进行现场编程操作的。
答案:错4) 单片机具有逻辑运算的功能,但不具备浮点运算的能力。
答案:对5) 单片机内部的RAM存储器是用于存储程序的。
答案:错3. 简答题(40分)1) 请解释什么是中断,并说明中断的作用及优点。
答:中断是指在程序执行过程中,由外部事件触发的一种程序运行方式。
中断的作用是提高了系统的并发性和实时性,它可以使得处理器在执行某一程序时,能够及时响应来自外部设备的请求信号,处理外部事件。
中断的优点有:1) 提高处理器利用率,通过允许CPU在执行某一程序的同时处理其他外部事件;2) 提高系统的实时性,可以立即响应外部设备的请求,确保外围设备与处理器之间的同步操作;3)系统的可靠性更高,处理外部设备的过程不会干扰到程序执行的流程,可以减少系统崩溃的风险。
期末单片机复习题及答案一、选择题1. 单片机的中断系统通常由几个中断源组成?A. 2个B. 3个C. 4个D. 5个答案:C2. 在8051单片机中,以下哪个寄存器用于存放指令的操作码?A. ACCB. BC. PSWD. PC答案:D3. 在8051单片机的定时器/计数器中,以下哪个定时器是16位的?A. 定时器0B. 定时器1C. 定时器2D. 定时器3答案:B4. 单片机的串行通信方式有几种?A. 1种B. 2种C. 3种D. 4种答案:C5. 在8051单片机中,以下哪个引脚用于外部中断0的请求?A. P3.2B. P3.3C. P3.4D. P3.5答案:B二、填空题1. 单片机的中断处理过程包括________、________、________和________四个阶段。
答案:中断请求、中断响应、中断处理、中断返回2. 8051单片机的存储器分为________存储器和________存储器。
答案:程序存储器、数据存储器3. 在8051单片机中,定时器/计数器的初值计算公式为:初值 = 65536 - ____________。
答案:计数次数4. 单片机的串行通信方式有________和________两种。
答案:异步通信、同步通信5. 在8051单片机中,外部中断1的优先级高于________。
答案:定时器0中断三、判断题1. 在8051单片机中,外部中断0和外部中断1的优先级相同。
(×)2. 8051单片机的定时器/计数器可以同时用作定时器和计数器。
(√)3. 单片机的串行通信只能使用异步通信方式。
(×)4. 在8051单片机中,定时器0和定时器1的中断优先级相同。
(×)5. 单片机的中断处理过程中,中断返回阶段是将程序计数器PC恢复到中断前的值。
(√)四、简答题1. 简述单片机的中断处理过程。
答:单片机的中断处理过程包括以下四个阶段:(1)中断请求:当某个中断源发生事件时,向CPU发出中断请求。
单片机期末考试复习题及答案下面是一个关于单片机期末考试复习题及答案的文章。
单片机期末考试复习题及答案一、选择题1. 下列哪个是单片机的特点?a) 性能强大,功能丰富b) 体积小,功耗低c) 具有高时钟频率d) 以上都是答案:d) 以上都是2. 常用的单片机编程语言是:a) Javab) C语言c) Pythond) C++答案:b) C语言3. 单片机的输入输出方式可分为以下几种,除了___方式还有串行方式。
a) 并行b) 模拟c) 数字d) USB答案:a) 并行4. 下列哪个不是单片机应用的典型领域?a) 智能家居b) 工业自动化c) 医疗器械d) 无线通信答案:d) 无线通信二、填空题1. 单片机是一种_____的计算机系统。
答案:嵌入式2. 单片机内部的_____能够控制程序的运行。
答案:时钟3. 单片机的程序是以_____的形式存储在内部的闪存中。
答案:二进制4. 单片机的I/O引脚可以作为_____输入或输出信号的接口。
答案:数字三、简答题1. 请解释下列代码的含义:```c#include <reg51.h>void main(){P1 = 0x55;while(1);}```答案:这段代码使用C语言编写,通过调用reg51.h头文件引入了51单片机的寄存器定义。
主函数中将P1寄存器的值设置为0x55,即1010101。
接着进入一个无限循环,使程序永远停在这里。
2. 请解释下列代码的含义:```c#include <reg52.h>sbit LED = P1^0;void main(){LED = 0;while(1){LED = ~LED;Delay(500);}}```答案:这段代码同样使用C语言编写,包含了reg52.h头文件定义。
声明了一个名为LED的位变量,它对应P1口的第0位。
在主函数中,首先将LED变量赋值为0,即将P1口的第0位设置为低电平。
《单片机应用技术》期末答辩试题(口答题)1.简述单片机最小电路的组成及各部分的作用。
答:供电电路:为单片机提供电源时钟电路:提供单片机片内各种操作的时间基准上电复位电路:使单片机在上电后内部各组件具有统一的初始状态内外程序存储器读取控制电路:控制单片机CPU从何处开始读取执行程序2.画出单片机引脚图,并标注编号及名称.3.简述单片机P3端口的第二功能(P3.0~P3。
5)。
答:普通定义第二定义第二定义描述P3.0RXD串口输入P3。
1TXD串口输出P3。
20INT外部中断0输入P3.31INT外部中断1输入P3。
4T0计数器0的外部输入P3.5T1计数器1的外部输入4.简述AT89C51单片机引脚的31号脚EA的作用。
答:程序存储器地址允许输入端。
当EA为高电平时,CPU执行片内程序存储器指令(从片内程序存储器执行程序)当PC中的值超过0FFFH 时,将自动转向执行片外程序存储器指令当EA为低电平时,CPU只执行片外程序存储器指令.5.简述AT89C51单片机外部引脚的分类及具体组成.答:主电源引脚:VCC(40)和GND(20)时钟电路引脚:XTAL1(19)和XTAL2(18)控制信号引脚:RST(9)、ALE/PROG(30)、PSEN(29)、EA/VPP(31)输入/输出引脚:P0(39~32)、P1(1~8)、P2(21~28)和P3(10~17)6.画出单片机最小电路.7.简述单片机的复位过程。
答:向复位引脚(9号脚)输入两个机器周期(24个振荡周期)的高电平后,即完成对单片机的复位操作.8.简述AT89C51单片机的中断源以及中断条件。
中断源产生条件分值INT/外部中断0P3.2引脚接低或者下降沿引起10INT/外部中断1P3.3引脚接低或者下降沿引起101T0/定时器/计数器0中断T0溢出10T1/定时器/计数器1中断T1溢出1010(TI/RI)/串行中断串行口完成一帧字符的发送/接受后引起答:9.AT89C51单片机中断源的名称及自然优先级顺序。
单片机答辩21道题目课题一:现代交通灯的设计1、紧急按钮功能是如何实现的?说说你的实现方法。
2、系统设计中用到了定时器资源没有?如果用到了,你用它主要起什么作用23设计要求能“在线修改红绿灯等待间隔时间”,你是如何来实现的24、创新部分实现了哪此功能?课题二:多路抢答器的设计1、如果有多个按键几乎同时按下,你是如何米保证最先投下的按钮抢答成功的?2、抢答按钮是用的独立式按键设计还是行列式按键设计?你为什么要如此设计?3、设计中你是如何来记录抢谷时间超时的,说说你的实现方法。
4你采用了哪些信号作为抢答成功的提示?5、如果要将抢答路数扩充到32路,你的抢答按钮输入电路该如何设计?单片机又如何识别最先按下的按钮课题三:波形发生器的设计1、你的设计能够实现哪儿种波形输出?如果要是输出有一定的功本,硬件电路上该如何考忠?2、正弦信号是怎么产生的?说说你的实现方法。
3、你的银齿菠是怎么生成的?说说其原理。
4、三角波输出是怎么产生的?说说其实现方法,5、如果要正弦波输出更平滑一些,硬件电路上要如何进一步考忠?6、数模转换芯片用的什么型号?分饼率是老少位的?7、波形发生器可以用单片机控制DAC(数模转换器)用软件米生成,也可以用专用波形发生器芯片米生成,这两种方法各有什么优步?课题四:LED点阵广告牌的设计1户外的大型点阵广告牌一般都用LED 来制作而很少使用LCD 的,为什么?2如何在LED 点阵上实现字符的平移?说说你的实现方法3、LED 点阵屏上显示的字形符号的字库是如何水实现的?4、如果要显示真彩色字符(不是单色),LED 点阵所的发光一极管颜色该如何考應?5、如果要在你的LED 点阵屏上显示一张128×64点的图片,该怎么处理?。
《单片机应用技术》期末答辩试题(口答题)
1.简述单片机最小电路的组成及各部分的作用。
答:
供电电路:为单片机提供电源
时钟电路:提供单片机片内各种操作的时间基准
上电复位电路:使单片机在上电后内部各组件具有统一的初始状态
内外程序存储器读取控制电路:控制单片机CPU从何处开始读取执行程序
2.画出单片机引脚图,并标注编号及名称。
3.简述单片机P3端口的第二功能(P3.0~P3.5)。
答:
普通定义第二定义第二定义描述
P3.0 RXD 串口输入
P3.1 TXD 串口输出
P3.2 0
INT外部中断0输入
P3.3 1
INT外部中断1输入
P3.4 T0 计数器0的外部输入
P3.5 T1 计数器1的外部输入
4.简述AT89C51单片机引脚的31号脚EA的作用。
答:程序存储器地址允许输入端。
当EA为高电平时,CPU执行片内程序存储器指令(从片内程序存储器执行程序)当PC中的值超过0FFFH 时,将自动转向执行片外程序存储器指令
当EA为低电平时,CPU只执行片外程序存储器指令。
5.简述AT89C51单片机外部引脚的分类及具体组成。
答:
主电源引脚:VCC(40)和GND(20)
时钟电路引脚:XTAL1(19)和XTAL2(18)
控制信号引脚:RST(9)、ALE/PROG(30)、P S E N(29)、EA/VPP(31)
输入/输出引脚:P0(39~32)、P1(1~8)、P2(21~28)和P3(10~17)
6.画出单片机最小电路。
7.简述单片机的复位过程。
答:向复位引脚(9号脚)输入两个机器周期(24个振荡周期)的高电平后,即完成对单片机的复位操作。
8.简述AT89C51单片机的中断源以及中断条件。
中断源产生条件分值
INT/外部中断0 P3.2引脚接低或者下降沿引起10
INT/外部中断1 P3.3引脚接低或者下降沿引起10
1
T0/定时器/计数器0中断T0溢出10
T1/定时器/计数器1中断T1溢出10
(TI/RI)/串行中断串行口完成一帧字符的发送/接受后引起10 答:
9.AT89C51单片机中断源的名称及自然优先级顺序。
答:0
INT/外部中断1→T1/定时器/计数器1中断→(TI/RI)INT/外部中断0→T0/定时器/计数器0中断→1
/串行中断
10.简述单片机中断系统的优先级原则。
答:
当同一级别的中断源同时到来时,单片机按自然优先级顺序确定响应的顺序。
高级中断源可以打断低级的中断程序,转而执行高级中断程序;同级的中断源或低级的中断源不能打断当前的中断程序。
11.画出IE寄存器结构图,并简述其位含义。
12.画出IP寄存器结构图,并简述其位含义。
13.简述中断的初始化内容。
答:(1)允许全局中断;
(2)允许相应的中断源;
(3)设置中断源的中断方式;
14.单片机的定时器/计数器工作在定时器状态和计数器状态时的区别是什么?
答:定时器状态:内部计数器的加1信号由晶振的12分频信号产生;
计数器状态:内部计数器的加1信号由引脚T0(P3.4)或T1(P3.5)上的下降沿产生;
15.简述和AT89C51单片机定时/计数器相关的专用寄存器。
答:计数寄存器:TH0、TL0 、TH1、TL1
外部/定时器控制寄存器:TCON
定时器/计数器的方式控制寄存器:TMOD
16.简述定时/计数器工作在方式0和方式1的相同点和不同点。
答:相同点:在每次定时/计数的开始都需要赋初始值
不同点:定时/计数的范围不同
(1)方式0的计数器由TH的8位和TL的低5位构成,最大值为8192
(2)方式1的计数器由TH的8位和TL的8位构成,最大值为65536
17.简述定时/计数器工作方式2的工作过程。
答:在方式2中,TH保存着8位初始值不变,TL进行计数(8位),当TL溢出时,除了产生溢出中断请求之外,还自动将TH中的初始值装入TL准备下一次计数。
18.简述单片机定时/计数器的初始化过程。
答:
1.确定工作方式——对TMOD赋值;
2.计算T/C中的计数初值——对TH和TL赋值;
3.如果使用T/C中断,须开CPU中断和源中断;
4.启动相应的定时器——对TR赋值;
19.简述TMOD寄存器的组成内容及含义。
答:
GATE C/T M1 M0 GA TE C/T M1 M0
GA TE:门控位。
0:仅受TR的控制;
1:只有INT(外部输入为高)为低,且TR=1时才工作。
C/T:功能选择位
0:定时功能
1:计数功能
M1M0:工作方式选择位
高4位是针对定时器1的设置,低4位是针对定时器0的设置。
20.简述三种串口通信制式的含义。
答:
1.单工:甲机乙机之间只有一个通信回路,并且甲机只能发送,乙机只能接收。
2.半双工:甲机乙机之间只有一个通信回路。
甲、乙机都可以发送和接收,但是不论甲、乙机都不能同时发送和接收。
只能是甲机发送乙机接收,或者是乙机发送甲机接收
3.全双工:甲机乙机之间有两个通信回路。
甲、乙机之间的数据发送和接收可以同时进行。
21.简述异步通信的含义。
答:异步通信是指通信的发送与接收设备使用各自的时钟控制数据的发送和接收过程,进行通信时数据或字符是一帧(frame)一帧地传送的。
帧定义为一个字符的完整的通信格式,通常也称为帧格式。
22.简述SCON寄存器的组成内容及含义。
答:
SM2 SM1 SM2 REN TB8 RB8 TI RI
①RI:接收中断标志位。
②TI:发送中断标志为。
③RB8:接收数据位8。
④TB8:发送数据位8。
⑤REN:允许接收位。
⑥SM2:多机控制通信位(11位帧格式下)。
⑦SM0、SM1:串口工作方式选择位。
23.简述单片机串口四种工作方式的区别。
答:方式0:同步移位寄存器,波特率固定(f osc /12);
方式1:10位帧格式(1起始位,1停止位,8个数据),波特率可以任意设定;
方式2:11位帧格式(1起始位,1停止位,8个数据,1个可编程位),波特率相对固定(fosc/64
或fosc/32);
方式3:11位帧格式(1起始位,1停止位,8个数据,1个可编程位),波特率可以任意设定;
24. 简述单片机串口四种工作方式的波特率计算公式。
答:方式0:fosc/12
方式1、方式3: )
256(12322X f osc SMOD -⨯⨯
=波特率 方式2:osc SMOD
f ⨯=
64
2波特率
25. 简述使用DS18B20测量温度的基本步骤。
答:初始化DS18B20→等待DS18B20应答→发送ROM 操作命令→发送RAM 操作命令→延时等待DS18B20转换温度→初始化DS18B20→等待DS18B20应答→发送ROM 操作命令→发送RAM 操作命令→接收DS18B20发送的温度值。
26. 简述1602液晶屏RS 、RW 不同取值时的含义。
答:RS 为寄存器选择引脚,高电平时选择数据寄存器、低电平时选择指令寄存器。
R/W 为读写信号线,高电平时进行读操作,低电平时进行写操作。
RS R/W 操作
0 0 向指令寄存器或地址寄存器写入数据
0 1 读取忙信号 1 0 向数据寄存器写入数据 1
1
从数据寄存器读取数据
27. 已知定时器1工作在方式0,TH1=0x56,TL1=0x78,fosc=24MHz ,求定时器1的定时时间,并写出计
算步骤。
答:
计算方法:定时时间=(最大值-初始值)*最小计时时间 由方式1可以得出以下结论: 最大值=65536;
初始值=TH0*256+TL0=4608+52=4660; 最小计时时间=12/fosc=1us )
最终:定时时间=(65536-4660)*1us=60876us
28. 已知晶振频率为6MHz ,定时器0定时中断时间要求为10ms ,定时器1定时中断时间为100ms 时,写出
相应的设置语句。
答:10ms:
TMOD=0x01;TH0=(65536-5000)/256; TH0=(65536-5000)%256;
或:TMOD=0x00;TH0=(8192-5000)/32; TH0=(8192-5000)%32;
20ms:TMOD=0x01;TH0=(65536-10000)/256; TH0=(65536-10000)%256;。