超滤膜行业资料全参数表
- 格式:doc
- 大小:336.50 KB
- 文档页数:12
4040超滤膜性能指标
超滤膜是⼀种⾼分⼦分离膜,它是较早被开发利⽤的⼀种膜技术,早在六⼗年代,超滤装置就已经实现了⼯业化,它在⼯业中的应⽤是较⼴泛的。
超滤膜性能指标:
1、脱盐率
脱盐率=(1–产⽔含盐量/进⽔含盐量)×100%
UF超滤膜的脱盐率在其制造成形时就已确定,脱盐率的⾼低取决于UF超滤膜表⾯超薄脱盐层的致密度,脱盐层越致密脱盐率越⾼,同时产⽔量越低。
超滤对不同物质的脱盐率主要由物质的结构和分⼦量决定,对⾼价离⼦及复杂单价离⼦的脱盐率可以超过99%,对单价离⼦如:钠离⼦、钾离⼦、氯离⼦的脱盐率稍低,但也可超过了98%(膜使⽤时间越长,化学清洗次数越多,UF超滤膜脱盐率越低。
)。
对分⼦量⼤于100的有机物脱除率也可过到98%,但对分⼦量⼩于100的有机物脱除率较低。
2、透过速度
⽔通量-指超滤系统的产⽔能⼒,即单位时间内透过膜⽔量,通常⽤吨/⼩时或加仑/天来表⽰。
盐透过速度—在单位时间、单位膜⾯积上透过的盐量,也叫透盐率、盐通量。
3、回收率
回收率指膜系统中给⽔转化成为产⽔或透过液的百分⽐。
依据预处理的进⽔⽔质及⽤⽔要求⽽定的。
膜系统的回收率在设计时就已经确定,回收率=(产⽔流量/进⽔流量)×100%。
德兰梅尔致⼒于为⽤户提供⽔处理及流体分离在内的膜集成技术整体解决⽅案。
100余名专业⼯程师与科研⼈员在多项实验中齐⼼协作,⽴⾜于多类膜产品的研发与⽣产,满⾜客户需求。
超滤_反渗透计算表序号项目数值单位备注一、UF系统有效膜面积/支70.00m2设计膜通量40.00LMH按照产品手册取值总产水量(RO进水)2708.00m3/h错流过滤,由RO进水算出计算所需总膜面积67700.00m2计算所需膜元件支数967.14个选择超滤装置台数10.00台每台超滤装置所需膜面积6770.00m2每台超滤装置所需膜元件支数96.71个实际每台超滤装置装膜数量96.00个实际超滤膜元件总支数960.00个实际超滤膜元件总膜面积67200.00m2超滤装置实际膜通量40.30LMH二、超滤运行设计计算过滤时间28.50min气洗时间30.00s反洗1时间20.00s反洗2时间20.00s正洗时间20.00每天运行周期48.54次每天实际运行时间1383.37min连续制水能力/单套270.00m3/h故每小时UF实际制水能力(未计入反洗)281.05m3/h反洗通量20.00LMH反洗流量(每台装置) 1.50反洗水量为设计产水量的0.8-1.5倍,根据膜供应商提供手册反洗水量(次)0.19m3每24小时反洗水量9.10m3正洗水量(次) 1.50m3每24小时正洗水量72.81m3反洗水量平均到每个小时为0.38m3正洗水量平均到每个小时为 3.03m3UF实际制水能力284.47m3/h清洗周期30.00d三、清洗水箱计算单支膜元件充满水体积0.07m3依据膜元件的长度及直径每套膜元件充满水体积 6.83m3膜元件占体积比30.00%每套膜元件所需水体积 4.78m3清洗管道直径150.00mm距离40.00m管道内贮存水体积0.71m3清洗保安滤器直径350.00mm有效高度 1.00m清洗保安滤器体积0.10m3滤芯所占保安滤器体积比 5.00%保安滤器内贮存水体积0.09m3计算清洗水箱总体积 5.58m3乘以系数后水箱总体积 6.69m3考虑到循环时清洗水箱内水的体积0.50m3计算清洗水箱总体积7.19m3清洗水箱选型体积 4.00m3四、超滤清洗加药箱计算加NaCLO浓度50.00g/m3NaCLO量(每小时)20.25kg/h市售药剂浓度0.10NaCLO 10%溶液消耗202.50kg/hNaCLO 10%溶液体积184.09L/h10%NaCLO密度1.1每天加药时间0.13h每天需要NaCLO 10%溶液体积24.55L计量泵工作流量184.09L/h计量泵工作负荷50.00%计量泵计算容量368.18L/h计量箱容量计算(总体)0.44m3加药周期120.00h一般要求48-120小时以上计量箱容量选择0.50m3NaOH浓度 3.00mg/LNaOH量(每小时) 1.22kg/h(100%化学试剂)市售药剂浓度0.30NaOH30%溶液消耗 4.05kg/hNaOH30%溶液体积 2.96L30%NaOH密度1.37计量泵工作流量 2.96L/h计量泵工作负荷50.00%计量泵计算容量 5.91L/h计量箱容量选择0.50m3HCL浓度 3.00mg/LHCL量(每小时) 1.22kg/h(100%化学试剂)市售药剂浓度0.30HCL30%溶液消耗 4.05L/hHCL30%溶液体积 3.52L30%HCL密度1.149每天加药时间0.10h每天需要加HCL30%溶液体积0.35L计量泵工作流量 3.52L/h计量泵工作负荷50.00% 计量泵计算容量7.05L/h 计量箱容量选择0.50m3。
陶氏超滤膜技术参数一、超滤水办理应用术语不对称膜Asymmetric Membrane 人工合成聚合中空纤维,由一层均匀致密的、很薄的外皮层及起支撑作用的海绵状内层构造组成,这层均匀、致密的外皮层起真实截留污染物的作用。
原水Feed进入超滤系统的水产水Filtrate透过超滤膜的水,基本上无悬浮颗粒、胶体和微生物等产水透过超滤膜的流率,往常表达为单位时间内单位膜通量面积的产水量,单位为LMHFlux跨膜压差Trans-membrane Pressure 简称TMP,即产水侧和进水侧压力的差别,即膜双侧压力差;如为错流过滤,为产水侧和进水出入口压力均匀值的差别气擦洗Air Scour 让无油压缩空气经过中空纤维膜丝的进水侧表面,经过压缩空气与水的混淆振荡作用,松动并冲走膜表面过滤过程中截留的污染物把等同于产水质量的水从中空纤维膜丝的产水侧反向输反洗Backwash向进水侧,松动并冲走膜表面的污染物利用超滤进水泵把进水从中空纤维膜的进水侧进入,从正洗Forward Flush浓水侧排出,进一步冲洗膜表面的污染物化学增强反洗Chemical Enhanced Backwash 在反洗水中加入拥有必定浓度和特特成效的化学药剂,经过浸泡、气擦洗等方式,将膜表面的污染物冲洗下来的方式化学冲洗Cleaning In Place 简称CIP,即用配置好的酸、碱或杀菌剂化学药剂从进水侧进入中空纤维膜,从浓水侧和产水侧循环回流到冲洗水箱进行冲洗的方式,将膜表面的污染物有效去除回收率Recovery产水占原水的百分比将膜截留的物质从膜组件浓水口排放掉,防备被截留的浓水排放过滤Concentrate Bleed物质在膜进水侧发生累积错流过滤Cross Flow进水沿平行于膜面方向流动,有助于冲洗膜表面的污染物第1页/共11页二、陶氏DOW TM超滤膜产品一览表SFP‐2880超滤膜组件长度规格(80‐80英寸长,60‐60英寸长)超滤膜组件公称直径规格(8‐8英寸直径,6‐6英寸直径)陶氏超滤膜资料属性代号(2‐PVDF)陶氏超滤产品型号(SFP‐用于预办理,SFD‐用于饮用水)表2-1超滤膜组件的膜资料膜资料名称膜资料缩写代号聚砜PS1聚偏氟乙烯PVDF2聚醚砜PES3聚丙烯腈PAN4聚丙烯PP5聚乙烯PE6醋酸纤维素CA7芬芳聚酰胺APA8聚氯乙烯PVC9重生纤维素RC10表2-2超滤膜组件的用途说明产品型号用途划分SFP预办理SFD中水/污水回用SFR饮用水办理第2页/共11页表2‐3不一样超滤膜资料的接触角数据序号膜资料接触角01纤维素(CA)12~45°02聚醚砜(PES)44~81°03聚丙烯(PP)108°04聚砜(PS)38~81°05聚偏氟乙烯(PVDF)30~66°备注:值越小,表面资料越亲水,越亲水抗污染性能就越好。
sfp2860超滤膜技术手册超滤膜技术是一种在水处理领域广泛应用的分离技术。
SFP2860超滤膜作为一种新型的超滤膜材料,具有独特的技术特点和广泛的应用前景。
本手册将详细介绍SFP2860超滤膜的技术参数、工作原理、应用范围等内容,旨在为用户提供全面的技术指导。
一、技术参数在使用超滤膜进行水处理时,了解超滤膜的技术参数对于合理选型和操作至关重要。
SFP2860超滤膜的主要技术参数包括膜孔径、截留率、通量等。
在本节中,我们将逐一介绍这些参数,并解释其对超滤膜性能的影响。
1. 膜孔径:SFP2860超滤膜的膜孔径为0.02μm,这意味着膜上的微孔可以截留直径大于0.02μm的颗粒和溶质,如微生物、胶体等。
2. 截留率:SFP2860超滤膜的截留率通常在90%以上,对大部分微生物和胶体有较好的截留效果。
3. 通量:SFP2860超滤膜的通量高达100 L/(m2·h),这意味着单位面积上的水处理效率较高,能够满足大量水处理需求。
二、工作原理SFP2860超滤膜基于压力驱动的分离原理进行水处理。
它使用高压将原水推动通过膜孔,使得溶质和颗粒无法通过膜孔而被截留。
而水分子和小分子物质可以通过膜孔,从而实现对水体的分离和净化。
超滤膜作为一种物理分离膜,不需要添加化学药剂,对水质无任何污染。
同时,其工作原理简单明了,操作维护成本低廉,适用于各种规模的水处理项目。
三、应用范围SFP2860超滤膜广泛应用于水处理领域的各个环节,主要包括以下几个方面:1. 饮用水处理:SFP2860超滤膜可以有效去除水中的微生物、胶体、悬浮物等有害物质,提供安全、清洁的饮用水。
2. 工业用水处理:SFP2860超滤膜适用于各类工业用水处理,如电子、化工、制药等领域,可降低水中微生物和胶体对设备的侵蚀,提高产业生产效率。
3. 污水处理:SFP2860超滤膜可用于城市污水处理、工业废水处理以及一些特殊污水处理,如生物医药废水、印染废水等。
HM200超滤膜参数一、背景介绍H M200超滤膜是一种常用的超滤膜材料,具有广泛的应用领域。
本文将介绍H M200超滤膜的参数和特性,帮助读者更好地了解和应用这一材料。
二、H M200超滤膜的特性H M200超滤膜具有以下特性:1.纳滤特性H M200超滤膜采用纳滤技术,能有效过滤掉水中的悬浮物、细菌、病毒等微小颗粒,净化水质。
2.高过滤效率H M200超滤膜的过滤效率高,可以达到90%以上,确保水质的可靠性和安全性。
3.抗污染能力强H M200超滤膜具有良好的抗污染能力,对水中的胶体、有机物等污染物有很好的去除效果,并且易于清洗和维护。
4.高通量H M200超滤膜的通量高,能够快速过滤大量水分,提高处理效率。
5.长使用寿命H M200超滤膜采用高品质材料制成,具有耐腐蚀、抗老化的特性,使用寿命长,可持续提供稳定的过滤效果。
三、H M200超滤膜的参数H M200超滤膜的参数如下:1.膜面积H M200超滤膜的膜面积一般为10平方米,适用于中小型水处理系统。
2.孔径大小H M200超滤膜的孔径大小约为0.01微米,可有效过滤微小颗粒和有机物。
3.操作压力H M200超滤膜的操作压力一般为0.1-0.3M Pa,可以根据具体需求进行调整。
4.温度范围H M200超滤膜适用的温度范围为5-30摄氏度,超出此范围可能影响膜的过滤效果和使用寿命。
5.p H范围H M200超滤膜适用的p H范围为2-11,超出此范围可能导致膜的损坏或无法正常过滤。
四、H M200超滤膜的应用领域H M200超滤膜广泛应用于以下领域:1.饮用水处理H M200超滤膜可用于饮用水处理,去除水中的颗粒物、有机物和微生物,提供清洁安全的饮用水。
2.工业废水处理H M200超滤膜适用于工业废水处理系统,可以有效去除工业废水中的悬浮物和有机物,实现废水的再利用。
3.海水淡化H M200超滤膜可以应用于海水淡化领域,通过过滤去除海水中的盐分和杂质,获得淡水资源。
家用净水器超滤膜过滤技术参数及工作原理家用净水器超滤膜过滤技术参数1. 流量范围:40~2400 m3/h2. 过滤精度: 100~2000 μm3. 工作压力:0.1~1.6 MPa4. 压力损失:≤ 0.016 MPa5. 排污阀口径: DN 50 mm6. 排污时间:10~60 s7. 排污耗水量:<1%8. 适用温度:≤ 85 ℃9. 电源:交流三相380V/50Hz10.控制界面:数显、旋钮、开关11.滤网类型: 316不锈钢家用净水器超滤膜过滤原理超滤是一种利用膜分离技术的筛分过程,以膜两侧的压力差为驱动力,以超滤膜为过滤介质,在一定的压力下,当原液流过膜表面时,超滤膜表面密布的许多细小的微孔只允许水及小分子物质通过而成为透过液,而原液中体积大于膜表面微孔径的物质则被截留在膜的进液侧,成为浓缩液,实现对原液的净化、分离和浓缩的目的。
每米长的超滤膜丝管壁上约有60亿个0.01微米的微孔,其孔径只允许水分子、水中的有益矿物质和微量元素通过,而最小细菌的体积都在0.02微米以上,因此细菌以及比细菌体积大得多的胶体、铁锈、悬浮物、泥沙、大分子有机物等都能被超滤膜截留下来,从而实现了净化过程。
1、超滤膜的制水流程自来水先进入超滤膜管内,在水压差的作用下,膜表面上密布的许多0.01微米的微孔只允许水分子、有益矿物质和微量元素透过,成为净化水。
而细菌、铁锈、胶体、泥沙、悬浮物、大分子有机物等有害物质则被截留在超滤膜管内,在超滤膜进行冲洗时排出。
2、超滤膜冲洗流程超滤膜使用一段时间后,被截留下来的细菌、铁锈、胶体、悬浮物、大分子有机物等有害物质会依附在超滤膜的内表面,使超滤膜的产水量逐渐下降,尤其是自来水质污染严重时,更易引起超滤膜的堵塞,定期对超滤膜进行冲洗可有效恢复膜的产水量。
3、超滤膜滤芯将成束的超滤膜丝经过浇铸工艺后制成如下图所示的超滤芯,滤芯由ABS外壳、外壳两端的环氧封头和成束的超滤膜丝三部分组成。
中空纤维超滤膜中空纤维超滤膜是超滤膜的一种。
它是超滤技术中最为成熟与先进的一种技术。
中空纤维外径:0.5-2.0mm,内径:0.3-1.4mm,中空纤维管壁上布满微孔,孔径以能截留物质的分子量表达,截留分子量可达几千至几十万。
原水在中空纤维外侧或内腔加压流动,分别构成外压式与内压式。
超滤是动态过滤过程,被截留物质可随浓缩小排除,不致堵塞膜表面,可长期连续运行。
超滤膜是最早开发的高分子分离膜之一。
超滤技术是一种广泛用于水的净化,溶液分离、浓缩,以及从废水中提取有用物质,废水净化再利用领域的高新技术。
特点是使用过程简单,不需加热,能源节约,低压运行,装置占地面积小。
中空纤维超滤膜用途:主要用于超滤净水器。
如现在普遍使用的直饮机用的就是超滤技术。
中空纤维超滤膜由于其特殊的性质广泛应用在矿泉水的制备;反渗透设备的预处理;自来水净化处理;海水淡化的预处理;废水回用的净化处理;去除水中的胶体和细菌;滤除中药提取液中的大分子量杂质、蛋白质和多糖,最后制得中药制剂;对中药有效成分进行浓缩,滤除药液中水分和小分子量杂质;低度白酒去浊除菌;果酒、啤酒及其他酒类的精制;净化茶汁,制备浓缩茶;针剂、大输液除热源;浓缩人体血清。
中空纤维超滤膜分类:1、中空纤维超滤膜 UF-4040超滤膜膜芯:型号UF4040-PES膜芯膜组件初始产水量(M/h) 1.5建议设计产水流量(M/h) 0.5膜面积通量(L/m/h) 40~180产水浊度(进水<70NTU)<0.1产水污染指数(SDI)<1 (进水<25NTU)膜组件几何尺寸(mm) φ101×1016膜丝类型内压式中空纤维丝中空膜丝材质PES膜结构特征合金亲水性双致密层膜组件封胶材料食品级环氧树脂截流分子量(MWCO)30000~100000公称有效膜面积(M) 4中空纤维丝数量(根)1100中空纤维丝内/外径(mm) 0.8/1.2 (1.0/1.6) 膜丝组件进/出口径(mm) D32/D32此类膜芯需要外装一个4040的膜壳。
超滤膜设计参数
设计膜通量30L/(m2.h),两格离线时强制通量34.23 L/(m2.h),膜池气冲强度为50 m3/(m2.h)(按膜设备投影面积算),气量为1560 m3/h,膜池水冲强度60L/(m2.h),反洗水量为756 m3/h。
单独膜池内设6组膜组件,有效膜面积12600 m2,冬季需满足最少流量8500m3.d/池的要求。
膜组应设有固定支架,便于膜组的安装就位,膜箱底部支架需避开曝气管路及12#槽钢,吊装时亦需避免对曝气管的破坏。
用于固定膜丝的膜架亦需做相应的耐酸碱防腐处理(需耐1%盐酸,5%柠檬酸,1%氢氧化钠,2g/L次氯酸钠)。
膜堆气密性良好,膜组件至少在水中浸泡1天并经1天多周期的过滤和反冲洗运行后,在70kpa的气检压力下,5min内的气体衰减压力平均值不超过3kpa/min。
在混合絮凝,并约40min沉淀时间的出水条件下,超滤膜投产运行至运行1年后未化学清洗前,运行期间均应达到如下技术参数: 水温20℃,运行频率30Hz,通量30L/(m2.h)时,跨膜压差不大于2.50m;水温20℃,运行频率30Hz,运行通量40L/(m2.h)时,跨膜压差不大于3.0m;水温为2℃,运行频率30Hz,运行通量30L/(m2.h)时,,对应跨膜压差不大于4.0m。
膜池尺寸为:6.83m*5.20m*4.10m(深),其中6.83m长度方向需设置2根DN400出水管,并在一侧设有连接膜组件支管和活络接头,平面上保证膜组件自由和方便的起吊,具体详见污泥回流沉淀膜滤池
工艺布置图。
为防止膜池放空后进水对膜丝造成冲刷,与膜池壁相对面膜箱靠近进水一侧需全部设置防水挡板。
超滤膜材质及对应性能特点详解1、PAN(聚丙烯腈)超滤膜PAN(聚丙烯腈)超滤膜,亲水性材料,透水性能好,具有良好的耐光和耐气侯性,截留分子量稳定,耐酸碱程度适中(PH 2-10),尤其适用于水中有机物含量低,水质较好的场合,截留分子量10万。
2、PVC(聚氯乙烯)超滤膜PVC材料即聚氯乙烯,它是世界上产量较大的塑料产品之一,价格便宜,应用广泛,聚氯乙烯树脂为白色或浅黄色粉末。
根据不同的用途可以加入不同的添加剂,聚氯乙烯塑料可呈现不同的物理性能和力学性能。
在聚氯乙烯树脂中加入适量的增塑剂,可制成多种硬质、软质和透明制品。
PVC材料由于其化学稳定性高,耐强酸、耐强碱、使用寿命长的独特性能,因此在超滤膜的生产中,PVC也被作为制造超滤膜丝的优质原材料,PVC在生产时会加入稳定剂,稳定剂有无毒和有毒之分,也正是影响成品超滤膜丝安全与否的关键所在,只有加入了铅盐之类有毒的稳定剂,才会对其产生隐患,但PVC 在生产制造超滤膜时,其有毒稳定剂的使用量几乎为零,方可确保PVC(聚氯乙烯)超滤膜的安全性。
现净水市场,PVC(聚氯乙烯)超滤膜得到了很好的应用就足可以说明这一点。
3、PES(聚醚砜)超滤膜PES具有较强的热稳定性和抗氧化性,适用于超滤膜的制备。
PES(聚醚砜)超滤膜具有良好的化学稳定性和热稳定性等特点,可有效去除蛋白质等物质,并且使用寿命长。
适用于污废水处理、市政给水净化处理、乳清蛋白和乳清分离蛋白的分离和浓缩以及食品、医药加工等领域。
4、PP(聚丙烯)超滤膜PP(聚丙烯)超滤膜是超滤膜的一种。
它是超滤技术中先进的一种技术。
中空纤维外径:450-460μm,内径:350-360μm,管壁厚50μm,是属热相拉伸膜。
截留分子量5-10万。
原水在中空纤维外侧或内腔加压流动,分别构成外压式与内压式。
超滤是动态过滤过程,被截留物质可随浓缩排除,抗污性中等,可长期连续运行。
聚丙稀超滤膜是高分子分离膜之一。
PP(聚丙烯)超滤膜技术是一种广泛用于水的净化,溶液分离、浓缩,以及从废水中提取有用物质,废水净化再利用领域的高新技术。
101202CAPF-XIGA-S225-PVC -02508” C A P F I L M E M B R A N E E L E M E N T P V CS – 2 2 5 F S F CELEMENT SPECIFICATIONSelement typehydraulic membranediametermembrane areaelement lengthA permeate collector inner diameterB element outer diameterC[mm] [m 2] [mm][mm][mm]S-225 FSFC PVC 0.8 351527.5 42.6 200 S-225 FSFC PVC1.5201527.542.6200MATERIALS OF CONSTRUCTION• housing : PVC• flow distributor : polyethersulfone • potting : epoxy•membrane:see membrane data sheetsFor more information please write or call to:X-Flow B.V. P.O.Box 7397500 AS Enschede The NetherlandsPhone: Fax: E-mail: Web site:+ 31 (0)53 4287350 + 31 (0)53 4287351 info@xflow.nl www.xflow.nlNote: The information and data contained in this document are based on our general experience and are believed to be correct. They are given in g ood faith and are intended to provide a guideline for the selection and use of our products. Since the conditions under which our products may be used are beyond our control, this information does not imply any guarantee of final product performance and we cannot accept any liability with respect to the use of our products. The quality of our products is guaranteed under our conditions of sale. Existing industrial property rights must be observed.CAPF-XIGA-S225-PVC -0250CONNECTION SPECIFICATIONS• Feed sidedetermined by standard 8” membrane element housings (see specifications of housing supplier) • Permeate sideinterconnector for element-in-series arrangementendconnector for element-in-series arrangement (see specif ications of housing supplier)OPERATING SPECIFICATIONSmaximum system pressure (*)maximum transmembrane pressure maximum backflush pressure maximum operating temperature[kPa][kPa][kPa][°C]0 - 20 °C: 600 0 - 40 °C: 300 0 - 40 °C: 300 40 (*) 20 - 40 °C: 300 temperature specifications (see also membrane data sheet)• Backwash water should be free of particulates and should be of permeate quality or better.• Backwash pumps should preferably be made of non-corroding materials, e.g., plastic or stainless steel. Ifcompressed air is used to pressurize the backwash water, do not allow a two-phase air/water mixture to enter the element.• To avoid mechanical damage, do not subject the membrane module or element to sudden temperaturechanges, particularly decreasings. Do not exceed 40 °C process temperature. Bring the module orelement back to ambient operating temperature slowly (typical value 1 °C/min). Failure to adhere to this guideline can result in irreparable damage.PROCESS CHARACTERISTICSThis element type is used for dead-end applications. Typical process conditions: Trans membrane pressure: 50 – 100 kPa Backflush trans membrane pressure: 80 – 200 kPaBackflush flux: 250 – 300 l/m 2h Backflush time: 30 s Backflush frequency: 2 – 4 times/hourTypical flux: 70 – 100 l/m 2h。
AquaFlex™死端过滤超滤在水处理中的应用目录1.简介2.AquaFlex™死端UF3.AquaFlex™工艺流程4.AquaFlex™主要参数5.超滤系统完整性检测方法6.膜组件完整性检测方法7.大规模水处理案例8.总结微滤10 um –100 nm超滤100 -10 nm纳滤10 -1 nm反渗透< 1 nm胶体病毒颜色硬度杀虫剂盐分水贾毛虫隐孢子微生物颜色硬度杀虫剂盐分水胶体病毒盐分水颜色硬度杀虫剂盐分水X-Flow 超滤产品概念:产品概念推荐膜类型TSS(mg/l)•XIGA™中空纤维0.8 mm<50•AquaFlex™中空纤维0.8mm<100•AquaFlex™中空纤维1.5mm<200------------------------------------------------------------------------------•AirLift™(MBR)管式 5.2mm<15,000•CrossFlow™管式8.0mm<40,000X-Flow UF 产品概念: 如何选择膜类型?TSS (mg/l)U F 产品概念0 ~50XIGA 0.8mmAquaFlex 0.8mm~100CrossFlow 8mm~40,000~200AquaFlex 1.5mmAirLift (MBR) 5.2mm~15,000~1,000进水产水死端进水产水错流•工艺流程简单复杂•能量消耗低高•投资低高•运行不连续连续•污染危险高低•对给水波动的敏感性高低特点:对病毒的对数去除率>Log 4完全去除悬浮物去除微生物:对细菌的对数去除率>Log 6通过与悬浮物黏附,部分去除有机物(TOC, COD, BOD)UF 主要性能优质的RO 进水(低SDI 15)在饮用水领域获得使用认证Cryptosporidium(2-3 µm)8”Aquaflex 膜组件:1) D IN 0.8 mm / L 1.5 m Æ40 m 22) D IN 1.5 mm / L 1.5 m Æ20 m 2进水端面,共12个扇区波浪板,共11块给水旁路封闭组件端面外壳接头中心产水管•8”Aquaflex 膜组件内部结构波浪板经过优化的流体动力学结构波浪板间的锁紧卡扣,将膜丝摆动范围限制在一个小扇区内PES 中空纤维表面过滤孔径25 nm•单支膜组件的装配2. AquaFlex™ 死端UF标准安装框架• • • 模块化的竖直安装系统 没有压力容器 每支膜组件均和中心进水总管、产水 总管、反洗进水总管和反洗排放总管相连2. AquaFlex™ 死端UF标准 Norit 安装框架AquaFlex (SS316)No. 膜组件 数量. 总膜面积 (m2) 处理能力 (m3/h)203 205 208 211 215 2206 10 16 22 30 40240 400 640 880 1200 160014 24 38 51 70 93-30 50 80 110 150 2002. AquaFlex™ 死端UFXIGA与AquaFlex的对比水平安装 XIGA 单个装置处理水量大 占地面积小 单一清洗方式 低污染进水 回收率低 竖直安装 AquaFlex 单个装置处理水量小 占地面积大 多种清洗方式 高污染进水 回收率高3. AquaFlex™ 工艺流程• 过滤Filtration • 水力清洗Hydraulic Clean:1) 正冲洗 Forward Flush (FF) 2) 正冲洗 Forward Flush (FF) + 气擦洗 AirFlush® (AF) 3) 正冲洗 Forward Flush (FF) + 反洗 Backwash(BW) • 4) 正冲洗 Forward Flush (FF)• 化学增强反洗Chemical Enhanced Backwash(CEB)1) 前反洗 Initial Backwash 2) 加药 Chemicals Dosing 3) 浸泡 Soaking 4) 后反洗 Rinsing*在CEB强化法无法恢复膜过滤性能时使用化学清洗Clean In Place(CIP)3. AquaFlex™ 工艺流程Filtration:BACKWASH BW Pump V5 V6 PERMEATECONCENTRATE V2 V4 NaOCl NaOCl NaOH HClFEED Feed Pump V1 AIR V7 V33. AquaFlex™ 工艺流程Filtration:进水膜层{{产水进水产水3. AquaFlex™ 工艺流程Hydraulic Clean:BACKWASH BW Pump V5 V61) Forward FlushPERMEATECONCENTRATE V2 V4 NaOCl NaOCl NaOH NaOH HClFEED Feed Pump V1 AIR V7 V33. AquaFlex™ 工艺流程Hydraulic Clean: 1) Forward Flush正冲 正冲膜层{{3. AquaFlex™ 工艺流程Hydraulic Clean:BACKWASH Backwash Pump V5 V62) Forward Flush + Air Flush®PERMEATECONCENTRATE V2 V4 NaOCl NaOH HCl HClFEED Feed Pump V1 AIR V7 V33. AquaFlex™ 工艺流程Hydraulic Clean: 2) Forward Flush + AirFlush®3. AquaFlex™ 工艺流程Hydraulic Clean: 2) Forward Flush + AirFlush®气泡流 (气太少)弹头流 (最佳)环状流 (气太多)3. AquaFlex™ 工艺流程Forward Flush + AirFlush® • • • • 弹头气流强化水力清洗效果 提高回收率 减少化学药剂消耗 简单的执行方式3. AquaFlex™ 工艺流程Hydraulic Clean: 2) Forward Flush + AirFlush®Hydraulic clean with AF Hydraulic clean without AF3. AquaFlex™ 工艺流程Hydraulic Clean:BACKWASH Backwash Pump V5 V63) Forward Flush + BackwashPERMEATECONCENTRATE V2 V4 NaOCl NaOH HClFEED Feed Pump V1 AIR V7 V33. AquaFlex™ 工艺流程Hydraulic Clean: 3) Forward Flush + Backwash正冲+反洗排放水膜层{{反洗进水反洗进水3. AquaFlex™ 工艺流程Hydraulic Clean:P ro g ra m s te p A ir F lu s h B ackwash F o rw a rd F lu s h T y p ic a l d u ra tio n [s e c .]总结H y d ra u lic C le a nZERO ZERO 5 5 10 25 10 5ZERO内径AquaFlex System AquaFlex™ LS AquaFlex™ LS AquFlex™ HS (mm) 0.8 1.5 5.2膜面积 2 (m ) 40 20 30FF 流量 (m3/h.mod) 2-5 4-8 5 - 10AF 流量 (Nm3/h.mod) 10 15 20BW 通量 (lmh) 250 250 2503. AquaFlex™ 工艺流程CEB:BACKWASH Backwash Pump V5 V6Initial backwash 前反洗PERMEATECONCENTRATE V2 V4 NaOCl NaOH HCl HClFEED Feed Pump V1 AIR V7 V33. AquaFlex™ 工艺流程CEB:BACKWASH Backwash Pump V5 V6Chemical dosing 加药PERMEATECONCENTRATE V2 V4 NaOCl NaOH HCl HClFEED Feed Pump V1 AIR V7 V33. AquaFlex™ 工艺流程CEB:BACKWASH Backwash Pump V5 V6Chemical soaking 浸泡PERMEATECONCENTRATE V2 V4 NaOCl NaOH NaOH HClFEED Feed Pump V1 AIR V7 V33. AquaFlex™ 工艺流程CEB:BACKWASH Backwash Pump V5 V6Rinsing 后反洗PERMEATECONCENTRATE V2 V4 NaOCl NaOH HCl HClFEED Feed Pump V1 AIR V7 V3-250-200-150-100-5050100timefluxFiltrationHC CEB FiltrationFiltration HC 3. AquaFlex™工艺流程通量Flux:流量(L/h)÷膜面积(m 2)Ltr/m 2.h or lmh4. AquaFlex™主要参数跨膜压差TMP : Trans Membrane PressureP feed –P perm (bar)P f P p进水产水Typical (Filtration):50 –100 lmh Typical (Backwash):250 lmhTypical (Filtration):0.1 –0.8 bar Typical (Backwash):0.5 –2.0 bar渗透率Permeability:Flux÷TMP 经过温度修正因子修正之后的值•TMP(bar)•温度修正因子Temperature Correction Factor= η(-) -影响水流速度& “影响膜自身”两方面对TMP均有影响-参考温度一般为20°C Æη= 1(Ltr/m2h bar) η或(lmh/bar) ηTypical:200 –400 lmh/barmin Filtration 时间:1个过滤周期的持续时间Typical: 15-60 minHC-AF 时间:气擦洗持续时间(在水力清洗内)sec Typical: 10 sec CEB 间隔:2CEB’s 之间的时间hrs Typical:12-168 hrs %回收率:平均产水量平均仅水量Typical:85-94%HC-FF 时间:正冲的持续时间(在水力清洗内)sec Typical: 60 sec 4. AquaFlex™主要参数HC-BW 时间:反洗持续时间(在水力清洗内)sec Typical: 20-30 sec4. Aquaflex™主要参数主要运行参数:¾运行压力:0.1~0.2MPa¾运行压差:0.01~0.1MPa¾反洗压力:<0.3MPa¾水通量:60~135lmh¾反洗水量:250lmh¾CEB加药种类及浓度:HCl:pH=2NaOH: pH=11~12NaClO(活性氯):≥200ppm步骤:①将待检测单元与系统隔离②排尽给水端和产水端的存水③给水端接入1bar 压缩空气源,产水端打开阀门对空排放④单元压力达到1bar 后断开压缩空气源,监视5-10Min ⑤检测完成后设备单元卸压,然后立即进行充水排气或进行维护保养*压缩空气要求洁净无油定位存在缺陷的膜组件——压力衰减法压缩空气1 bar给水端产水端对空排放PI 检测由给水端至产水端因气体扩散或泄漏引起的的压力衰减对于1支膜组件,最大的压力衰减值为5.0 [KPa/min]步骤:①将待检测单元与系统隔离②排尽给水端的存水(重力或压力排水)③给水端接入1bar 压缩空气源,产水端打开取样阀门,水流稳定后检测水流量④将检测的水流量最高值和报警值比较,判断是否有泄漏⑤检测完成后设备单元卸压,然后立即进行充水排气或进行维护保养*压缩空气要求洁净无油定位存在缺陷的膜组件——气流检测法压缩空气1 bar给水端FT产水端检测由给水端至产水端因气体扩散或泄漏产生的气体流量。
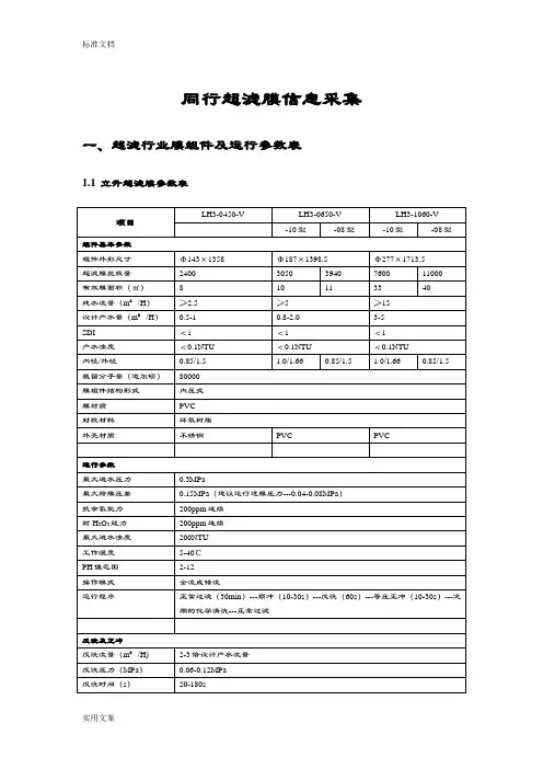
同行超滤膜信息采集一、超滤行业膜组件及运行参数表1.1 立升超滤膜参数表项目LH3-0450-V LH3-0650-V LH3-1060-V-10型-08型-10型-08型组件基本参数组件外形尺寸Φ143×1358 Φ187×1398.5 Φ277×1713.5超滤膜丝数量2400 3050 3940 7600 11000有效膜面积(㎡)8 10 11 33 40纯水流量(m³/H)≥2.5 ≥5 ≥15设计产水量(m³/H)0.5-1 0.8-2.0 3-5SDI <1 <1 <1产水浊度<0.1NTU <0.1NTU <0.1NTU内径/外径0.85/1.5 1.0/1.66 0.85/1.5 1.0/1.66 0.85/1.5 截留分子量(道尔顿)80000膜组件结构形式内压式膜材质PVC封胶材料环氧树脂外壳材质不锈钢PVC PVC运行参数最大进水压力0.3MPa最大跨膜压差0.15MPa(建议运行透膜压力---0.04-0.08MPa)抗余氯能力200ppm连续耐H2O2能力200ppm连续最大进水浊度200NTU工作温度5-40℃PH值范围2-12操作模式全流或错流运行程序正常过滤(30min)---顺冲(10-30s)---反洗(60s)---等压正冲(10-30s)---定期的化学清洗---正常过滤反洗及正冲反洗流量(m³/H) 2-3倍设计产水流量反洗压力(MPa)0.06-0.12MPa反洗时间(s)20-180s反洗周期(min)20-60min顺冲流量(m³/H) 1.5-2倍设计产水流量顺冲时间(s)10-30s化学清洗运行基本参数1、判定条件:跨膜压差0.1-0.12MPa。
2、1-2倍的产水流量。
药剂及浓度1、2%柠檬酸(PH=2);2、0.5%的NaOH/200ppmNaClO(PH为12-5)1.2 山东招金膜天超滤膜参数表聚砜组件共性参数及运行参数项目内压式膜外压式膜进水要求总溶解性固体含量<5%;颗粒直径<100μm产水浊度≤0.2NTU ≤0.2NTU膜材质聚砜聚砜截留分子量10000和67000 6000和20000膜丝尺寸 1.0/1.5 0.2/0.4耐受PH 1-14 1-14最高运行温度45℃45℃进水浊度<50NTU ——聚砜材质设计参数设计产水通量60-100L/㎡H 根据实验确定设计最大压力0.3MPa 0.3MPa设计透膜压差(TMP)0.02-0.15MPa操作形式错流过滤或死端过滤错流过滤反洗压力0.1-0.15MPa ——反洗流量 1.5-2倍的产水流量——反洗时间30-60秒/次——化学清洗频率反洗水通量<初始的70%或者TMP高于0.03MPa——化学清洗时间10-30分钟20-60分钟消毒剂20-100ppm次氯酸钠20-100ppm次氯酸钠PVDF组件共性参数及运行参数参数UF3OB160 UF3OA200 纤维内外径0.7/1.2设计水通量60-120L/㎡H有效膜面积30 60最大跨膜压差0.15Mpa运行方式全流或错流气洗流量(m³/H)3-6 4-8气洗周期(hr)2-4气洗时间(s)20-60 反洗水压力(Mpa)0.05-0.1反洗水量(L/㎡H) 100-150反洗时间(s)30-60PH值1-10(清洗时1-12)使用温度(℃)5-45化学清洗周期(d)60-180填或视具体情况具体水处理领域应用参数工艺参数自来水(<1)地下水(<5)地表水(<5)地表水<25地表水>25工业废水<20中水<20海水<5设计通量(L/㎡H)70-100 60-100 60-90 50-80 50-70 50-70 50-70 60-80 回收率(%)90-98 90-98 90-95 85-95 85-95 80-90 80-90 90-95 保安过滤器50-100 100 100 100 100 100 100 100 运行模式死/错死/错死/错死/错错流错流错流错流反洗频率(min)40-60 40-60 30-60 30-45 30 30-40 30-40 30-60 反洗时间(min)1 1 1 1 1 1 1 1反洗通量(L/㎡H)1.5-2产 1.5-2产 1.5-2产 1.5-2产 1.5-2产 1.5-2产 1.5-2产 1.5-2产反洗压力(Mpa)0.1-0.2 0.1-0.2 0.1-0.2 0.1-0.2 0.1-0.2 0.1-0.2 0.1-0.2 0.1-0.2逆冲频率反洗前反洗前反洗前反洗前反洗前反洗前反洗前反洗前逆冲时间10s 10s 10s 10s 10s 10s 10s 10s 正冲频率反洗后反洗后反洗后反洗后反洗后反洗后反洗后反洗后正冲时间5 5 5 5 5 5 5 5化学清洗药剂由招金膜天根据具体水质选用膜组件具体参数组件型号截留分子量公称尺寸膜面积纯水通量进水压力工作温度PH膜组件重量内压膜UF1IB901000067000100000 90*1000 5 0.8 <0.3Mpa最大跨膜压差0.15Mpa5-452-13(1-10)5.5UF1IB125 125*1092 10 1.5 12.5 UF1IB160 160*1350 20 3.2 22.5 UF1IA200 200*1934 35 5.6 50UF1IA225 225*1745 40 6.4 65 UF1IA315S 315*1391 55 8.8 62 UF1IA315L 315*1910 80 12.8 95外压膜(浓缩分离专用)UF1OB90-P 6000 90*1148 18 300<0.3MPa 5-45 2-13 6.5UF1OB90-G 20000 90*1148 18 500 6.5 膜组件示意图1.3 KOCH超滤膜参数表膜组件参数表模型号尺寸膜面积截留分子量通量范围典型应用HF53-20-PM10 3×43 4.9 10,000 68-144 除胶体硅、除热源、超纯水HF53-20-PM100 3×43 4.9 100,000 68-144 除胶体硅、RO前处理、降浊、除菌HF53-132-PM10 5×43 12.3 10,000 68-144 除胶体硅、除热源、超纯水HF53-132-PM100 5×43 12.3 100,000 68-144 除胶体硅、RO前处理、降浊、除菌HF82-35-PM100 5×43 7.6 100,000 68-144 除胶体硅、RO前处理、降浊、除菌HF66-43-PM10 5×43 6.1 10,000 68-144 除胶体硅、除热源、超纯水HF66-43-PM100 5×43 6.1 100,000 68-144 除胶体硅、RO前处理、降浊、除菌V8072-20-PMX 8×72 75.9 10,000 68-144 除胶体硅、除热源、超纯水V8072-35-PMX 8×72 48.4 10,000 68-144 除胶体硅、除热源、超纯水V8072-43-PMX 8×72 36.9 10,000 68-144 除胶体硅、除热源、超纯水V8048-35-PMC 8×48 31.3 100,000 68-144 除胶体硅、RO前处理、降浊、除菌V8072-35-PMC 8×72 50.6 100,000 68-144 除胶体硅、RO前处理、降浊、除菌V1048-35-PMC 10×48 51.5 100,000 68-144 除胶体硅、RO前处理、降浊、除菌V1072-35-PMC 10×72 80.9 100,000 68-144 除胶体硅、RO前处理、降浊、除菌运行参数运行模式死端过滤和循环模式反洗频率30-60分钟/次反洗时间1-2min 反洗通量170L/㎡H 反洗压力0.1Mpa 反洗加药水质好的不需要加药,水质不好的需要加药快冲频率30-60分钟/次快冲时间30s 1.4 GRANT超滤膜参数表型号SV-0450-A SV-0650-A SV-1060-A 组件外形尺寸φ143×1358 φ187×1398.5 φ277×1713.5 超滤膜丝数量(根)2400 4800 12600 有效膜面积(㎡)8 16 55 设计产水量≥2.5 ≥5 ≥15 内外径 1.0/1.5mm截留分子量80,000道尔顿运行方式内压式膜材质PVC最大进水压力0.5Mpa 0.5Mpa 0.5Mpa最大跨膜压差0.25 Mpa 0.25 Mpa 0.25 Mpa 最大进水浊度200NTU 200NTU 200NTU 操作模式全流或错流反洗压力0.25 Mpa 0.25 Mpa 0.25 Mpa反洗流量1-2T/H 2-4T/H 6-10T/H反洗时间30-60s 30-60s 30-60s 化学清洗频率30-60天30-60天30-60天化学清洗时间10-30分钟10-30分钟10-30分钟化学清洗药剂次氯酸钠、双氧水、氢氧化钠、柠檬酸除菌化学药剂双氧水、氢氧化钠保护液水:甘油:亚硫酸氢钠=79:20:1程序正常过滤---顺冲---反洗---化学清洗和立升的膜组件及运行方式几乎一样的1.5 GRANT超滤膜参数表膜组件参数膜型号尺寸膜材质内径mm外径mm膜面积(m2)分子量(Dalton)设计通量(LMH)典型应用TBM-UF06-04 76*1060 PS 0.8 1.3 4 6000 30-50 除热原、超纯水TBM-UF06-12 138*1190 PS 0.8 1.3 12 6000 30-50 除热原、超纯水TBM-UF06-55 208*1880 PS 0.8 1.3 55 6000 30-50 除热原、超纯水TBM-UF10-04 76*1060 PS 0.8 1.3 4 10000 30-60 除热原、超纯水TBM-UF10-12 138*1190 PS 0.8 1.3 12 10000 30-60 除热原、超纯水TBM-UF10-55 208*1880 PS 0.8 1.3 55 10000 30-60 除热原、超纯水TBM-UF30-04 76*1060 PS 0.8 1.3 4 30000 50-120 RO前处理、去除胶体硅、降低浊度、去除微生物TBM-UF30-12 138*1190 PS 0.8 1.3 12 30000 50-120 RO前处理、去除胶体硅、降低浊度、去除微生物TBM-UF30-55 208*1880 PS 0.8 1.3 55 30000 50-120 RO前处理、去除胶体硅、降低浊度、去除微生物TBM-UF70-04 76*1060 PES/PVP共混0.8 1.3 4 70000 80-150RO前处理、去除胶体硅、降低浊度、去除微生物TBM-UF70-12 138*1190 PES/PVP共混0.8 1.3 12 70000 80-150RO前处理、去除胶体硅、降低浊度、去除微生物TBM-UF70-55 208*1880 PES/PVP共混0.8 1.3 55 70000 80-150RO前处理、去除胶体硅、降低浊度、去除微生物性能型号TBM-UF06-04/12/55 TBM-UF10-04/12/55 TBM-UF30-04/12/55 TBM-UF70-04/12/55 产水浊度≤0.1NTU ≤0.1NTU ≤0.1NTU ≤0.1NTU产水SDI值≤2 ≤2 ≤2 ≤2规格膜过滤形式中空纤维中空纤维中空纤维中空纤维膜材质PS、PES/PVP共混PS、PES/PVP共混PS、PES/PVP共混PS、PES/PVP共混中空纤维内径0.8mm 0.8mm 0.8mm 0.8mm中空纤维外径 1.3mm 1.3mm 1.3mm 1.3mm膜结构双皮层、双排指状孔支承双皮层、双排指状孔支承体双皮层、双排指状孔支承体双皮层、双排指状孔支承纤维粘结材料环氧树脂环氧树脂环氧树脂环氧树脂外壳材质ABS/ABS/UPVC ABS/ABS/UPVC ABS/ABS/UPVC ABS/ABS/UPVC膜表面积4/12/55m2 4/12/55m2 4/12/55m2 4/12/55m2截留分子量6000 dalton 10000 dalton 30000 dalton 70000 dalton组件水容积2/5/20L 2/5/20L 2/5/20L 2/5/20L.使用条件最大进水压力0.3MPa 0.3MPa 0.3MPa 0.3MPa最大跨膜压差0.15MPa 0.15MPa 0.15MPa 0.15MPa使用温度范围5-45℃5-45℃5-45℃5-45℃酸碱度范围PH:2-13 PH:2-13 PH:2-13 PH:2-13最大耐氯能力200ppm 200ppm 200ppm 200ppm运行方式全量过滤或错流过滤全量过滤或错流过滤全量过滤或错流过滤全量过滤或错流过滤典型工艺条件控制方式恒流量或恒压恒流量或恒压恒流量或恒压恒流量或恒压反洗水压力0.05-0.2MPa 0.05-0.2MPa 0.05-0.2MPa 0.05-0.2MPa 反洗水流量100-150L/m2.h 100-150L/m2.h 150-200L/m2.h 200-300L/m2.h 反洗时间30-60s 30-60s 30-60s 30-60s反洗周期30-60min 30-60min 30-60min 30-60min运行压力0.05-0.10MPa 0.05-0.10MPa 0.05-0.10MPa 0.05-0.10MPa 化学清洗周期1—3个月1—3个月1—3个月1—3个月1.6凯宏超滤膜参数表产品性能参数水净化膜组件型号膜材质壳体材料膜面积(㎡) 纯水通量(L/H)直径KH-UF-4020N/W-PP 聚丙烯(PP)ABS/UPVC 6/8 500 90 KH-UF-4040N/W-PP 聚丙烯(PP)ABS/UPVC 12/16 1000 90 KH-UF-5040N/W-PP 聚丙烯(PP)ABS/UPVC 24/32 2500 140 KH-UF-6040N/W-PP 聚丙烯(PP)ABS/UPVC 36/48 3200 160 KH-UF-6060N/W-PP 聚丙烯(PP)ABS/UPVC 54/72 4800 160 KH-UF-8040N/W-PP 聚丙烯(PP)ABS/UPVC 48/64 5500 225 KH-UF-8060N/W-PP 聚丙烯(PP)ABS/UPVC 72/96 7500 225 应用领域:地表水、地下水、污水深度处理、反渗透和纳滤的前级处理、船舶污水处理。
同行超滤膜信息采集一、超滤行业膜组件及运行参数表1.1 立升超滤膜参数表项目LH3-0450-V LH3-0650-V LH3-1060-V-10型-08型-10型-08型组件基本参数组件外形尺寸Φ143×1358 Φ187×1398.5 Φ277×1713.5超滤膜丝数量2400 3050 3940 7600 11000有效膜面积(㎡)8 10 11 33 40纯水流量(m³/H)≥2.5 ≥5 ≥15设计产水量(m³/H)0.5-1 0.8-2.0 3-5SDI <1 <1 <1产水浊度<0.1NTU <0.1NTU <0.1NTU内径/外径0.85/1.5 1.0/1.66 0.85/1.5 1.0/1.66 0.85/1.5 截留分子量(道尔顿)80000膜组件结构形式内压式膜材质PVC封胶材料环氧树脂外壳材质不锈钢PVC PVC运行参数最大进水压力0.3MPa最大跨膜压差0.15MPa(建议运行透膜压力---0.04-0.08MPa)抗余氯能力200ppm连续耐H2O2能力200ppm连续最大进水浊度200NTU工作温度5-40℃PH值范围2-12操作模式全流或错流运行程序正常过滤(30min)---顺冲(10-30s)---反洗(60s)---等压正冲(10-30s)---定期的化学清洗---正常过滤反洗及正冲反洗流量(m³/H) 2-3倍设计产水流量反洗压力(MPa)0.06-0.12MPa反洗时间(s)20-180s反洗周期(min)20-60min顺冲流量(m³/H) 1.5-2倍设计产水流量顺冲时间(s)10-30s化学清洗运行基本参数1、判定条件:跨膜压差0.1-0.12MPa。
2、1-2倍的产水流量。
药剂及浓度1、2%柠檬酸(PH=2);2、0.5%的NaOH/200ppmNaClO(PH为12-5)1.2 山东招金膜天超滤膜参数表聚砜组件共性参数及运行参数项目内压式膜外压式膜进水要求总溶解性固体含量<5%;颗粒直径<100μm产水浊度≤0.2NTU ≤0.2NTU膜材质聚砜聚砜截留分子量10000和67000 6000和20000膜丝尺寸 1.0/1.5 0.2/0.4耐受PH 1-14 1-14最高运行温度45℃45℃进水浊度<50NTU ——聚砜材质设计参数设计产水通量60-100L/㎡H 根据实验确定设计最大压力0.3MPa 0.3MPa设计透膜压差(TMP)0.02-0.15MPa操作形式错流过滤或死端过滤错流过滤反洗压力0.1-0.15MPa ——反洗流量 1.5-2倍的产水流量——反洗时间30-60秒/次——化学清洗频率反洗水通量<初始的70%或者TMP高于0.03MPa——化学清洗时间10-30分钟20-60分钟消毒剂20-100ppm次氯酸钠20-100ppm次氯酸钠PVDF组件共性参数及运行参数参数UF3OB160 UF3OA200 纤维内外径0.7/1.2设计水通量60-120L/㎡H有效膜面积30 60最大跨膜压差0.15Mpa运行方式全流或错流气洗流量(m³/H)3-6 4-8气洗周期(hr)2-4气洗时间(s)20-60 反洗水压力(Mpa)0.05-0.1反洗水量(L/㎡H) 100-150反洗时间(s)30-60PH值1-10(清洗时1-12)使用温度(℃)5-45化学清洗周期(d)60-180填或视具体情况具体水处理领域应用参数工艺参数自来水(<1)地下水(<5)地表水(<5)地表水<25地表水>25工业废水<20中水<20海水<5设计通量(L/㎡H)70-100 60-100 60-90 50-80 50-70 50-70 50-70 60-80 回收率(%)90-98 90-98 90-95 85-95 85-95 80-90 80-90 90-95 保安过滤器50-100 100 100 100 100 100 100 100 运行模式死/错死/错死/错死/错错流错流错流错流反洗频率(min)40-60 40-60 30-60 30-45 30 30-40 30-40 30-60 反洗时间(min)1 1 1 1 1 1 1 1反洗通量(L/㎡H)1.5-2产 1.5-2产 1.5-2产 1.5-2产 1.5-2产 1.5-2产 1.5-2产 1.5-2产反洗压力(Mpa)0.1-0.2 0.1-0.2 0.1-0.2 0.1-0.2 0.1-0.2 0.1-0.2 0.1-0.2 0.1-0.2逆冲频率反洗前反洗前反洗前反洗前反洗前反洗前反洗前反洗前逆冲时间10s 10s 10s 10s 10s 10s 10s 10s 正冲频率反洗后反洗后反洗后反洗后反洗后反洗后反洗后反洗后正冲时间5 5 5 5 5 5 5 5化学清洗药剂由招金膜天根据具体水质选用膜组件具体参数组件型号截留分子量公称尺寸膜面积纯水通量进水压力工作温度PH膜组件重量内压膜UF1IB901000067000100000 90*1000 5 0.8 <0.3Mpa最大跨膜压差0.15Mpa5-452-13(1-10)5.5UF1IB125 125*1092 10 1.5 12.5 UF1IB160 160*1350 20 3.2 22.5 UF1IA200 200*1934 35 5.6 50UF1IA225 225*1745 40 6.4 65 UF1IA315S 315*1391 55 8.8 62 UF1IA315L 315*1910 80 12.8 95外压膜(浓缩分离专用)UF1OB90-P 6000 90*1148 18 300<0.3MPa 5-45 2-13 6.5UF1OB90-G 20000 90*1148 18 500 6.5 膜组件示意图1.3 KOCH超滤膜参数表膜组件参数表模型号尺寸膜面积截留分子量通量范围典型应用HF53-20-PM10 3×43 4.9 10,000 68-144 除胶体硅、除热源、超纯水HF53-20-PM100 3×43 4.9 100,000 68-144 除胶体硅、RO前处理、降浊、除菌HF53-132-PM10 5×43 12.3 10,000 68-144 除胶体硅、除热源、超纯水HF53-132-PM100 5×43 12.3 100,000 68-144 除胶体硅、RO前处理、降浊、除菌HF82-35-PM100 5×43 7.6 100,000 68-144 除胶体硅、RO前处理、降浊、除菌HF66-43-PM10 5×43 6.1 10,000 68-144 除胶体硅、除热源、超纯水HF66-43-PM100 5×43 6.1 100,000 68-144 除胶体硅、RO前处理、降浊、除菌V8072-20-PMX 8×72 75.9 10,000 68-144 除胶体硅、除热源、超纯水V8072-35-PMX 8×72 48.4 10,000 68-144 除胶体硅、除热源、超纯水V8072-43-PMX 8×72 36.9 10,000 68-144 除胶体硅、除热源、超纯水V8048-35-PMC 8×48 31.3 100,000 68-144 除胶体硅、RO前处理、降浊、除菌V8072-35-PMC 8×72 50.6 100,000 68-144 除胶体硅、RO前处理、降浊、除菌V1048-35-PMC 10×48 51.5 100,000 68-144 除胶体硅、RO前处理、降浊、除菌V1072-35-PMC 10×72 80.9 100,000 68-144 除胶体硅、RO前处理、降浊、除菌运行参数运行模式死端过滤和循环模式反洗频率30-60分钟/次反洗时间1-2min 反洗通量170L/㎡H 反洗压力0.1Mpa 反洗加药水质好的不需要加药,水质不好的需要加药快冲频率30-60分钟/次快冲时间30s 1.4 GRANT超滤膜参数表型号SV-0450-A SV-0650-A SV-1060-A 组件外形尺寸φ143×1358 φ187×1398.5 φ277×1713.5 超滤膜丝数量(根)2400 4800 12600 有效膜面积(㎡)8 16 55 设计产水量≥2.5 ≥5 ≥15 内外径 1.0/1.5mm截留分子量80,000道尔顿运行方式内压式膜材质PVC最大进水压力0.5Mpa 0.5Mpa 0.5Mpa最大跨膜压差0.25 Mpa 0.25 Mpa 0.25 Mpa 最大进水浊度200NTU 200NTU 200NTU 操作模式全流或错流反洗压力0.25 Mpa 0.25 Mpa 0.25 Mpa反洗流量1-2T/H 2-4T/H 6-10T/H反洗时间30-60s 30-60s 30-60s 化学清洗频率30-60天30-60天30-60天化学清洗时间10-30分钟10-30分钟10-30分钟化学清洗药剂次氯酸钠、双氧水、氢氧化钠、柠檬酸除菌化学药剂双氧水、氢氧化钠保护液水:甘油:亚硫酸氢钠=79:20:1程序正常过滤---顺冲---反洗---化学清洗和立升的膜组件及运行方式几乎一样的1.5 GRANT超滤膜参数表膜组件参数膜型号尺寸膜材质内径mm外径mm膜面积(m2)分子量(Dalton)设计通量(LMH)典型应用TBM-UF06-04 76*1060 PS 0.8 1.3 4 6000 30-50 除热原、超纯水TBM-UF06-12 138*1190 PS 0.8 1.3 12 6000 30-50 除热原、超纯水TBM-UF06-55 208*1880 PS 0.8 1.3 55 6000 30-50 除热原、超纯水TBM-UF10-04 76*1060 PS 0.8 1.3 4 10000 30-60 除热原、超纯水TBM-UF10-12 138*1190 PS 0.8 1.3 12 10000 30-60 除热原、超纯水TBM-UF10-55 208*1880 PS 0.8 1.3 55 10000 30-60 除热原、超纯水TBM-UF30-04 76*1060 PS 0.8 1.3 4 30000 50-120 RO前处理、去除胶体硅、降低浊度、去除微生物TBM-UF30-12 138*1190 PS 0.8 1.3 12 30000 50-120 RO前处理、去除胶体硅、降低浊度、去除微生物TBM-UF30-55 208*1880 PS 0.8 1.3 55 30000 50-120 RO前处理、去除胶体硅、降低浊度、去除微生物TBM-UF70-04 76*1060 PES/PVP共混0.8 1.3 4 70000 80-150RO前处理、去除胶体硅、降低浊度、去除微生物TBM-UF70-12 138*1190 PES/PVP共混0.8 1.3 12 70000 80-150RO前处理、去除胶体硅、降低浊度、去除微生物TBM-UF70-55 208*1880 PES/PVP共混0.8 1.3 55 70000 80-150RO前处理、去除胶体硅、降低浊度、去除微生物性能型号TBM-UF06-04/12/55 TBM-UF10-04/12/55 TBM-UF30-04/12/55 TBM-UF70-04/12/55 产水浊度≤0.1NTU ≤0.1NTU ≤0.1NTU ≤0.1NTU产水SDI值≤2 ≤2 ≤2 ≤2规格膜过滤形式中空纤维中空纤维中空纤维中空纤维膜材质PS、PES/PVP共混PS、PES/PVP共混PS、PES/PVP共混PS、PES/PVP共混中空纤维内径0.8mm 0.8mm 0.8mm 0.8mm中空纤维外径 1.3mm 1.3mm 1.3mm 1.3mm膜结构双皮层、双排指状孔支承双皮层、双排指状孔支承体双皮层、双排指状孔支承体双皮层、双排指状孔支承纤维粘结材料环氧树脂环氧树脂环氧树脂环氧树脂外壳材质ABS/ABS/UPVC ABS/ABS/UPVC ABS/ABS/UPVC ABS/ABS/UPVC膜表面积4/12/55m2 4/12/55m2 4/12/55m2 4/12/55m2截留分子量6000 dalton 10000 dalton 30000 dalton 70000 dalton组件水容积2/5/20L 2/5/20L 2/5/20L 2/5/20L.使用条件最大进水压力0.3MPa 0.3MPa 0.3MPa 0.3MPa最大跨膜压差0.15MPa 0.15MPa 0.15MPa 0.15MPa使用温度范围5-45℃5-45℃5-45℃5-45℃酸碱度范围PH:2-13 PH:2-13 PH:2-13 PH:2-13最大耐氯能力200ppm 200ppm 200ppm 200ppm运行方式全量过滤或错流过滤全量过滤或错流过滤全量过滤或错流过滤全量过滤或错流过滤典型工艺条件控制方式恒流量或恒压恒流量或恒压恒流量或恒压恒流量或恒压反洗水压力0.05-0.2MPa 0.05-0.2MPa 0.05-0.2MPa 0.05-0.2MPa 反洗水流量100-150L/m2.h 100-150L/m2.h 150-200L/m2.h 200-300L/m2.h 反洗时间30-60s 30-60s 30-60s 30-60s反洗周期30-60min 30-60min 30-60min 30-60min运行压力0.05-0.10MPa 0.05-0.10MPa 0.05-0.10MPa 0.05-0.10MPa 化学清洗周期1—3个月1—3个月1—3个月1—3个月1.6凯宏超滤膜参数表产品性能参数水净化膜组件型号膜材质壳体材料膜面积(㎡) 纯水通量(L/H)直径KH-UF-4020N/W-PP 聚丙烯(PP)ABS/UPVC 6/8 500 90 KH-UF-4040N/W-PP 聚丙烯(PP)ABS/UPVC 12/16 1000 90 KH-UF-5040N/W-PP 聚丙烯(PP)ABS/UPVC 24/32 2500 140 KH-UF-6040N/W-PP 聚丙烯(PP)ABS/UPVC 36/48 3200 160 KH-UF-6060N/W-PP 聚丙烯(PP)ABS/UPVC 54/72 4800 160 KH-UF-8040N/W-PP 聚丙烯(PP)ABS/UPVC 48/64 5500 225 KH-UF-8060N/W-PP 聚丙烯(PP)ABS/UPVC 72/96 7500 225 应用领域:地表水、地下水、污水深度处理、反渗透和纳滤的前级处理、船舶污水处理。