工正GZY-usb喷绘机手册
- 格式:doc
- 大小:39.50 KB
- 文档页数:5
喷绘机操作方法(具体机型有细微差别)上喷绘机操作方法(具体机型有细微差别)上喷绘机操作方法(具体机型有细微差别)上—一、开关机的正确步骤与应注意的事项,及打印前应做哪些准备工作?打印中又应该做些什么维护工作?打印结束时又应该做什么维护工作?开机的正确步骤:1、将小车从保湿底座上取下(去掉喷头保护板);2、先打开电脑,再打开设备电源;3、启动机器(按下启动按钮)、然后依次打开平台风机开关、送料电机开关、冷风开关、加热开关;4、打开软件,在打印软件中进行必要的参数设置;5、清洗喷头,打印喷头测试条;6、开始打印。
关机的正确步骤:1、保存打印控制软件中的打印设置2、关闭加热开关、平台吸风开关、风干开关、送料电机开关;3、按下急停按钮(3s以上)4、最后关闭设备电源开关,再关闭电脑。
开机时应注意的事项:1、开机时应保证喷头已从保温底座上取下(保护托盘已取下);而且机器的工作平台表面不得有螺丝、工具或碎屑等异物;2、必须保证机器上所有开关按钮均处于闭合状态;3、保证主墨盒内的墨水充足,吸尘器内的废墨也已清除。
4、保证室内温度与湿度均在规定范围内;5、开机时要先开电脑再开设备电源;关机时应注意:1、先要关闭设备加热、平台吸风、冷风风干、送料和收料系统等开关;2、关机后要及时做好喷头保护工作及机器清洗工作。
开机后打印前应做的准备工作有:1、打开设备后,检查设备自检是否成功。
2、在打印软件中进行必要的参数设置,主要包括:设置自动清洗的频率、次数、模式以及闪喷的频率;设置在材质边缘打印彩条;设置的白边的距离;3、参数设置完毕,打印喷头状态图、打印偏移、步进偏移,将喷头与偏移值调试到最佳状态;4、正式打印前先用多Pass进行一幅小画面的喷绘,这样做的好处有是可以起到使喷头预热的作用,从而增加墨水的流畅性。
5、如果打开了加热,那么最好先测试一下步进,以避免尺寸长短问题。
因为不同的材质在不同的温度下其伸缩率也会略有差异。
广告行业喷绘机使用说明书注意:以下是根据题目所提供的格式要求,写的广告行业喷绘机使用说明书。
广告行业喷绘机使用说明书注意事项1. 在使用喷绘机前,请仔细阅读本使用说明书,并确保按照说明进行操作。
2. 请确保在操作喷绘机时,保持周围环境通风良好。
3. 本喷绘机适用于广告行业的室内外喷绘工作,不适用于其他领域。
4. 请勿将喷绘机置于高温、潮湿或多尘区域,以免影响使用效果和寿命。
5. 长时间未使用喷绘机时,请将电源开关关闭,并拔出电源插头。
器材准备1. 打开喷绘机包装箱,确认所有配件齐全,并检查是否有损坏。
2. 将喷绘机放置在平稳的工作台上,并确保周围没有堆积物。
3. 连接导电线,将电源插头插入适配器插座。
4. 将适配器插头连接到喷绘机的电源插孔。
操作步骤1. 打开喷绘机的电源开关,并等待几秒钟,直到喷绘机显示屏上显示正常。
2. 通过喷枪上的按钮调整喷绘机的喷头位置,确保喷头与材料表面的距离适当。
3. 打开喷绘机的墨盒盖,并检查墨盒中的墨水量是否充足。
4. 根据需求选择喷绘机的喷绘模式,比如单色、双色或多色。
5. 将待喷绘的材料固定在喷绘机工作台上,并按下喷绘按钮进行喷绘。
6. 在喷绘过程中,确保平稳移动喷绘机,以免出现喷绘不均匀或模糊的情况。
7. 喷绘完成后,关闭喷绘机的电源开关,并擦拭喷绘机表面及喷枪。
维护保养1. 每次使用喷绘机后,及时清理喷枪和墨盒,避免堵塞。
2. 定期清洁喷绘机的喷头和打印机头,以确保喷绘质量。
3. 请勿随意拆卸喷绘机内部零部件,如需维修,请联系专业人员。
4. 定期检查喷绘机的喷头和墨盒是否需要更换,避免使用老化零件造成影响。
故障排除1. 如果喷绘机无法正常开机,请检查电源插头是否插紧,并确保电源供应正常。
2. 若喷绘质量不佳,可以尝试调整喷头位置、更换墨盒或清洁喷头。
3. 如果喷绘机出现异常噪音或异味,请立即关闭电源开关,并联系售后服务。
免责声明本喷绘机使用说明书所提供的全部信息仅供参考,具体操作请根据实际情况进行,并请自行承担使用喷绘机所带来的风险和责任。
喷绘机操作规程一、操作前检查1、喷绘机的电源是否接好,传输线是否接好。
2、喷绘机的是否装有打印纸,是否安装正确。
二、操作流程1、打开电源,轻按喷绘背后的《ON/OFF》,开启喷绘机。
2、喷绘机开启后,要进行自动检测,要等待几分钟,小屏幕上显示100%之后,可以进入操作界面,说明正常。
如果不能进入操作界面,按照喷绘机使用说明,关闭喷绘机,将打印纸取出,开启喷绘机,检测完成后(如果不能完成,请专业的人员进行维修),在操作界面,对喷绘机进行手动检修。
3、检测完成之后,手动检查喷头是否正常(总共有8个喷头,小屏幕上显示的8个喷头的信息全部显示OK,表示一切正常)4、一切正常就可以进行喷绘。
三、注意事项1、严格按照使用说明进行操作,严禁非法操作。
2、喷绘机在喷绘时,工作人员不得离开。
3、使用结束后,关闭电源。
四、设备维护方法1、避免阳光直射2、请注意保持喷绘机的干净,使用喷绘机专用清洁工具进行清洁。
3、使用者请不要维护,保养与替换喷绘机的任何部分。
喷绘机简明操作手册及日常维护9.1日常维护为保证喷绘机的正常工作,日常的维护是非常重要的,下面将作详细的说明:9.1.1喷印单幅图完成后●用清洗液清洗喷头表面,去除表面干燥的墨水;●在开始喷下一块之前,要使失效的喷嘴恢复正常。
9.1.2日检●检查废墨瓶,必要时进行清理;●检查打印起始位的散喷槽,看废墨是否满出,必要时将废墨倒掉;●检查保湿盖板的海棉,必要时进行清洗和更换;●用PM醋酸盐对布料进辊、压轮进行清洗●每天保持机器的清洗卫生。
9.1.3周检●将烘干台板上风扇清除表面的灰尘,确认风扇叶子干净后再装好。
●检查气压系统的管路,看是否有松开。
9.1.4月检●清洗副墨瓶里的沉淀物;●清洗墨水及清洗液的过滤器;●观察正压清洗的三通电磁阀,看有无墨水进入,必要时用清洗液清洗;●检查皮带的张长;●去掉电源箱内的灰尘。
●清晰光栅条。
9.1.5年检●用压缩空气吹去电源箱和伺服器上的灰尘;●清洗主墨瓶;●清洗供墨系统的管路;●清洗供墨的液体泵;●为收放卷电机的齿轮加机油;●对整体电路进行检查,看是否有松开或断开,并及时修理;●检查拖链里的管路和电线的磨损程度,必要时进行更换。
喷绘机操作规范及注意事项喷绘机操作规范及注意事项喷绘机规范操作流程:喷绘机启动——打开喷绘机总电源开关——再依次打开5V、24V 和35V分开关——按下工控机电源按钮——启动工控PC机——喷绘工作软件系统启动——双击电脑桌面上ultra control center (操作系统软件)——该控制软件启动——安装打印耗材——给出命令,喷绘机工作——工作完成,清洗喷头,关闭电源。
喷绘机的操作注意事项:一、系统软件开机不能同时打开双击两次。
由于该系统软件对硬件的独占,不要再软件运行时再启动该软件,即连续二次启动。
否则电脑系统会发生故障。
二、该工控软件内的系统时间,不可随意改变。
三、由于软件平台位置移动需要一个过程,故不要快速点击切换Pavse和Continue两个按钮,应等待相应过程完成以后,再进行下一步操作。
四、设备在进布过程中,不要连续用鼠标点Fornard按钮,以免程序失控;同样倒布过程中也不要连续点击Backuard按钮。
五、开机时必须先开电源开关,再开伺服器电源开关;根据开关顺序依次打开,关机时反向操作。
六、在设备运行过程中发现喷头堵塞,按下PAUS键,暂停喷绘作业,清洗喷头,清洗完毕后继续打印,随时观察画面效果。
七、当系统软件显示各种打印参数时,请认真检查设定是否准确,打印前务必确认各种设定正确。
八、喷绘机专业操作人员必须养成良好的工作习惯,每天工作完成后对喷绘机喷头进行保养维护,严格保持机器周围运行环境的良好。
九、喷绘机在不工作后,清洁喷头面板,洒上清洗液,用保鲜膜覆盖,保持真空,关机后,一定要拔掉电源插头,避免静电对喷头的损坏。
十、经常检查供墨柜内油墨桶,确认油墨是否足够,定期更换油墨过滤器。
十一、经常检查导轨和导轨滚珠的清洁润滑状况,并用润滑油给导轨注油。
十二、每日工作完成后清洗保养喷头,定期清洗墨盒及墨位传感器。
十三、检查各种电路接头、螺丝等,观察是否松动,并注意调节同步带的松紧。
十四、定期清除电脑、电源及电路板上的灰尘,工作车间内地面经常打扫保持清洁。
老款工正喷绘机主板定义(一)
老款工正喷绘机主板定义
1. 老款工正喷绘机
•老款工正喷绘机是指一种旧式的工业喷绘设备,用于在各种材料上进行喷绘。
•它通常由喷头、喷墨系统、传动系统和主板等组成,可以实现图案、文字等的高精度喷绘。
2. 主板定义
•主板,又称为系统板或母板,是计算机中最重要的电路板之一,承担着连接和支持各个硬件设备的重要功能。
•老款工正喷绘机主板是指老款工正喷绘机中的主控电路板,负责控制整个喷绘机的运行和操作。
3. 主板的功能和重要性
•控制喷墨系统:主板负责控制喷墨系统的运作,包括喷头的移动轨迹、喷墨颜色和喷墨速度等参数的控制和调整。
•数据传输和处理:主板负责从计算机或外部设备接收喷绘相关的数据,并进行处理和传输,确保喷绘图案的准确性和清晰度。
•硬件连接和兼容性:主板提供各种接口和插槽,用于连接喷头、喷墨系统、传感器等硬件设备,并确保它们的兼容性和稳定性。
•故障诊断和维护:主板具有故障自检和报警功能,能够识别和报告喷绘机的故障,并提供相应的维护和修复建议。
4. 相关书籍推荐
•《喷绘机原理与维修》:该书详细介绍了喷绘机的工作原理、结构、维修技术和故障排除方法,对主板的定义和功能进行了深入
讲解。
•《喷绘技术与应用》:该书从实际应用的角度出发,全面介绍了喷绘技术的原理、方法和应用领域,涵盖了老款工正喷绘机及其
主板的相关内容。
以上是对老款工正喷绘机主板的定义及其重要性的阐述,以及相
关书籍的简要介绍。
老款工正喷绘机主板作为喷绘机的核心控制部件,对喷绘图案的质量和稳定性有着重要影响,因此在使用和维护时需要
给予足够的重视和关注。
喷绘机操作规程模版一、操作前的准备工作1. 检查喷绘机的设备是否正常运转,包括电源、喷头、纸张等。
2. 确保工作场所安全,清理杂物,确保周围没有可燃物。
3. 安全着装,佩戴防护手套、口罩等必要的防护装备。
二、喷绘机的启动与调试1. 按下开关,启动喷绘机。
2. 设置正确的打印参数,包括打印分辨率、速度等。
3. 定位纸张,调整纸张张力,确保纸张正常走动。
三、喷绘机的操作步骤1. 将需要喷绘的文件拷贝至电脑,打开喷绘软件。
2. 在喷绘软件中设置好打印内容、大小、布局等。
3. 确保纸张的定位正确,将纸张放置在喷绘机的进纸装置上。
4. 打开喷绘软件中的打印命令,并将其发送至喷绘机。
5. 监控喷绘机的运行状态,确保喷绘过程中无异常情况发生。
6. 完成喷绘后,及时关闭喷绘软件和喷绘机,拿出喷绘的成品。
7. 清理喷绘机,包括清理喷头、擦拭机器表面等。
四、操作中的注意事项1. 确保纸张的平整度,避免出现卡纸、拉伸等问题。
2. 注意调整喷头的高度,确保喷绘的质量和清晰度。
3. 避免喷绘机的过热,可以适当控制打印速度,以延长设备寿命。
4. 定期清理喷绘机的喷头,避免喷头堵塞。
5. 注意安全操作,避免电源短路、喷墨溅射等意外情况。
五、常见故障的处理方法1. 若出现纸张卡纸情况,应立即关闭喷绘机电源,并检查纸张定位是否正确。
2. 若喷绘效果模糊或颜色不正常,检查喷头是否清洁,是否需要更换墨水。
3. 若出现打印内容偏移、扭曲等情况,检查喷头是否松动,纸张是否正常定位。
六、喷绘机的保养与维护1. 定期清理喷绘机的墨盒和墨水箱,防止喷头堵塞。
2. 定期校准喷绘机,确保打印的准确性和质量。
3. 注意喷绘机存放位置的环境,避免灰尘、湿气等对设备的损坏。
4. 注意喷绘机的使用时间和次数,适当进行休息和保养。
七、紧急情况的应急措施1. 在喷绘机发生故障或异常情况时,立即停止操作,并进行排查和处理。
2. 若出现喷墨溅射等危险情况,立即关闭喷绘机电源,并采取相应的安全措施。
喷绘机的基本操作喷绘机是通过喷射墨水将图案等绘制在各种材料上的设备。
它在广告行业、纺织行业、建筑行业等领域有着广泛的应用。
下面,我将为您介绍喷绘机的基本操作。
1.安装设备:(1)首先,选择一个干燥通风的场所,避免灰尘和湿气对设备的影响。
(2)将喷绘机的底座安装在平坦的地面上,并确保其稳固。
(3)打开设备包装箱,按照说明书的要求将墨盒、打印头等组件安装到喷绘机上。
(4)将助力轴、纸条杆等附件安装到相应位置。
2.连接电源:(1)检查喷绘机的供电适配器和电源线,并确保其完好无损。
(2)将电源线插入喷绘机的电源接口,然后将电源适配器插入电源插座。
(3)按厂家提供的说明书,启动并连通电源。
3.连接计算机:(1)将喷绘机的USB接口与计算机的USB接口相连,确保连接牢固。
(2)打开计算机,安装喷绘机的驱动程序,按照驱动程序的提示完成驱动程序的安装,并重启计算机。
4.确定打印设置:(1)打开设计软件,选择打印选项。
(2)设置打印纸张的尺寸和方向。
(3)选择打印质量,可以根据需要选择标准模式、高质量模式等。
(4)设置打印速度,不同的速度会影响打印效果和时间。
(5)设置颜色模式,可以选择RGB模式或CMYK模式。
5.准备工作:(1)根据所需的图案设计,将图案进行排版,调整图案的尺寸和位置。
(2)在设计软件中,将图案输出为支持喷绘机格式的文件,如JPG、BMP等。
(3)将准备好的打印材料,如画布、纸张等,固定在喷绘机的工作台上,并将工作台调整到合适的高度。
6.开始打印:(1)在设计软件中,将打印文件发送到喷绘机。
(2)确认打印参数和打印区域,确保图案的完整性和准确性。
(3)按下打印按钮,开始打印。
(4)在打印过程中,注意观察打印机的运行状态,确保打印的平稳进行。
(5)打印完成后,关闭喷绘机,断开电源和计算机的连接,并清理喷头与墨水残留。
7.维护保养:(1)定期清洁喷绘机的喷头和墨水系统,防止墨水堵塞和喷头损坏。
(2)喷绘机长时间不使用时,应将墨盒取下,清洁喷头,以防止墨水干燥堵塞喷头。
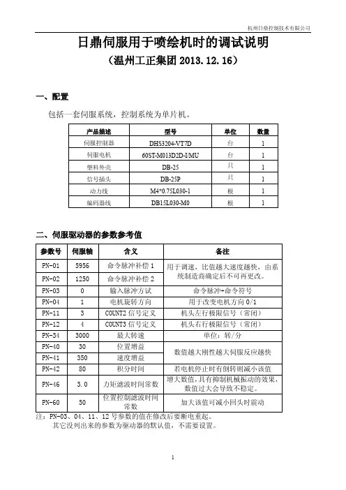
日鼎伺服用于喷绘机时的调试说明
(温州工正集团2013.12.16)
一、配置
包括一套伺服系统,控制系统为单片机。
二、伺服驱动器的参数参考值
其它没列出来的参数为驱动器的默认值,不需要设置。
三、控制线(线长5米)
四、信号连接示意图
注释:控制线屏蔽层接于控制线插头(DB25)铁质插头处。
五、参数设置方法 按键说明:
操作说明:
线路连好之后即可上电,如果没有出现报警就可进行参数的设定。
1. 按键多次直到面板上显示:Pn-01; 2. 按 键1秒以上,面板显示Pn-01的参数值; 3. 按
.
键改变值的大小,想移位时按
键。
改好数值后按
键1秒以上,显示Pn-01表明参数值成功写入;
4. 按
键,面板显示:PN-02,重复第二步的操作设定2号参数。
5. 以同样的方法设定其它参数。
注: 全部参数设完之后请务必先关掉电源,然后重新上电。
参数初始化:
※1)
NG 显示的原因
・RUN 信号接通时
・参数29号(禁止参数重写)为「1: 不可重写」时
切换模式(MODE)。
删除(ESC)。
将设定位向右侧移位(SHIFT)。
确定模式与数值(ENT)。
确定的时候要按住此键1秒以上。
选择伺服模式。
为数值的减量(-1)。
选择伺服模式。
为数值的增量(+1)。
六、主要报警信息及说明
2013.12.16。
喷绘机的使用操作流程1. 检查设备和准备工作在使用喷绘机之前,需要先进行一些准备工作以确保设备正常工作。
以下是喷绘机使用前的检查和准备事项:•检查设备电源和线缆:确保设备的电源线和其他连接线完好无损,并正确连接到电源插座和其他设备上。
•检查墨盒和墨水:确认墨盒已正确安装在喷绘机上,并且墨水盒的墨水充足。
•准备打印媒介:根据打印需求准备好适合的打印媒介,如纸张、布料等。
保证媒介的质量和平整度,避免对打印质量造成影响。
•清洁喷头和喷嘴:使用喷头清洗液或清洁纸巾清洁喷头和喷嘴,以确保畅通和准确的喷印。
2. 打开喷绘软件并设置打印参数接下来,需要打开喷绘机的控制软件,并根据打印需求进行相关的设置操作。
以下是设置打印参数的步骤:•选择打印机型号:从软件的设备列表中选择正确的喷绘机型号,以确保软件和设备的兼容性。
•选择打印模式:根据打印需求选择适合的打印模式,如高质量、普通、快速等。
不同的打印模式会影响打印速度和打印质量。
•设置图像尺寸和分辨率:根据打印媒介的尺寸和所需打印质量,设置图像的尺寸和分辨率。
通常情况下,较大的图像尺寸和较高的分辨率会导致较慢的打印速度和更高的打印质量。
•调整颜色和亮度:根据打印需求,设置图像的颜色、亮度、对比度等参数,以获得所需的视觉效果。
•选择打印边界:根据打印媒介的尺寸和所需打印效果,选择打印边界,包括全边框、无边框等选项。
3. 导入图像和编辑设计在设置打印参数之后,可以开始导入要打印的图像,并对设计进行编辑。
以下是导入图像和编辑设计的步骤:•导入图像:使用软件提供的导入功能,将要打印的图像文件导入到软件中。
可导入的图像格式通常包括JPEG、PNG、BMP等。
•调整图像布局和大小:根据打印需求,调整图像的布局和大小,可以通过缩放、旋转、翻转等操作来达到所需的效果。
•添加文本和图形:根据需要,在图像上添加文本、图形和其他元素,以实现更丰富的设计效果。
软件通常提供文字编辑器、形状绘制工具等功能。
第1篇一、操作前准备1. 确认喷绘机电源已接好,传输线连接正常。
2. 检查喷绘机是否装有打印纸,并确保安装正确。
二、操作流程1. 打开喷绘机电源,轻按喷绘机背后的《ON/OFF》按钮,开启喷绘机。
2. 喷绘机开启后,进行自动检测,等待几分钟,直至小屏幕上显示100%表示正常。
若无法进入操作界面,请按照喷绘机使用说明关闭喷绘机,取出打印纸,重新开启喷绘机进行检测。
如检测仍无法完成,请专业人员进行维修。
3. 检测完成后,手动检查喷头是否正常(共有8个喷头,小屏幕上显示的8个喷头信息全部显示OK,表示一切正常)。
4. 一切正常后,即可进行喷绘操作。
三、注意事项1. 严格按照使用说明进行操作,严禁非法操作。
2. 喷绘机在喷绘过程中,工作人员不得离开,以确保操作安全。
3. 使用结束后,关闭电源,拔掉电源插头,切断电源。
四、设备维护方法1. 避免阳光直射,将喷绘机放置在通风、干燥、无尘的环境中。
2. 定期清洁喷绘机,使用喷绘机专用清洁工具进行清洁,保持喷头、喷嘴等部件的清洁。
3. 定期检查喷绘机的各个部件,如传动带、齿轮等,确保其正常工作。
4. 定期进行喷绘机的全面检查和保养,如有损坏,及时更换零部件。
五、故障处理1. 若喷绘机出现故障,首先检查电源、传输线等基本连接是否正常。
2. 检查喷头是否堵塞,如堵塞,请使用专用喷头清洁剂进行清洗。
3. 若以上方法无法解决问题,请按照喷绘机使用说明进行操作,如仍无法解决,请联系专业人员进行维修。
六、安全注意事项1. 操作喷绘机时,请佩戴防护眼镜,以防飞溅的墨水伤及眼睛。
2. 喷绘机工作时,请勿触摸喷头,以免损坏喷头。
3. 喷绘机附近禁止放置易燃、易爆物品,确保操作安全。
通过以上操作规程,可以有效保障喷绘机的正常工作,提高喷绘质量,延长设备使用寿命。
请各位操作人员务必遵守操作规程,确保操作安全。
第2篇一、操作前准备1. 确保喷绘机电源线、传输线连接完好,避免在使用过程中出现故障。
工正喷绘机开机操作步骤
阐述了喷绘机的开机步骤;
工正喷绘机开机操作步骤
一、打开稳压器;
二、打开电脑,在开电脑的同时将喷绘机的小车底盘卸下;
三、电脑打开之后,打开三个控制软件;
四、控制软件打开后,再打开喷绘机。
图像输出步骤
一、切换到“打印机控制”程序,然后量取白边(以70mm为基准再加上所需的白边长度即可)并将最终计算后的白边值填入,“白边”框中,然后根据实际情况调整布的前移与后退。
二、切换到“蒙泰图像控制”程序,然后单击菜单栏下方从左往右第三个按钮将图片导入该程序中,然后根据实际情况对图片进行一些基本的编辑操作如:旋转,移动等;最终将图片完全填入黑色矩形框中;然后单击“打印”快捷键,在弹出的对话框中单击“打印机设定”,在弹出的对话框中单击“自动设置纸张”,“确定”,最后单击“打印”
三、完成以上操作后,切换到“蒙泰管理系统”程序,在“打印文件”窗口中“右击”所需打印的文件名,后单击“开始打印”
四、完成以上操作后立即切换到“打印机控制”程序,此时喷绘机便会开始工作,也就完成了“图像的输出”。
喷绘机操作规程___喷绘机操作规程如下:第一条:开机顺序先打开前三个开关,再打开打印软件,最后打开35V电源和其它开关。
送布开关往上为放车体,往下为放布,中间为停。
第二条:关机顺序从后往前依次关闭。
第三条:上布时的操作布的两边最好压在两个压轮之间。
把布挣平,拉紧,抬起压杆。
第四条:定期维护轨道需要定期加润滑油,地线需要定期浇盐水。
第五条:室内温度和湿度冬天室内温度最好不低于20摄氏度,室内湿度不低于40%。
第六条:保持室内清洁保持室内清洁,以免灰尘堵塞喷头。
第七条:光栅的清洁光栅需要定期擦拭。
第八条:系统时间严禁更改系统时间。
第九条:打印软件不能连续打开两次打印软件。
第十条:开机顺序须先打开打印软件后再打开35v电源开关。
第十一条:冲洗喷头后的处理冲洗喷头以后一定要保证喷头电路部分的干燥,如果有电路部分有液体或不干燥容易烧掉喷头和喷头控制板。
第十二条:喷头的保养每次工作完以后都要对喷头进行保养维护,使用保鲜膜与面巾纸包喷头。
第十三条:Photoshop的设置Photoshop的模式必须设为CMYK,存储为TIFF格式。
第十四条:机器的访问权限在机器工作的时候,其它机器严禁访问本机,否则容易出现乱码现象。
第十五条:电路部分的插拔机器电路所有部分不能带电插拔。
第十六条:急停开关机器两边的急停开关不能随意乱动。
第十七条:吸尘器清洗喷头使用吸尘器清洗喷头时要竖着清洗,不要来回摩擦清洗。
第十八条:打雷时的处理打雷时最好关闭机器断电。
此外,为了避免喷头堵塞问题,需要进行适当的日常维护。
设备安装完毕后,以及设备启用初期,需要多打印一些画面,确保所有喷头始终处于喷墨状态。
每天工作完成后,要关闭设备电源,清洗喷头,并保持喷头喷嘴与保湿海绵或保鲜膜紧密结合,让设备过夜。
如果发现喷嘴轻微堵塞,需要暂停打印,用吸尘器或手动气泵进行清洗,清洗完毕后再继续打印。
保养精工喷头的方法非常重要,因为使用溶剂型墨水容易造成喷孔堵塞和偏针。
工正喷绘机维修手册GZY-USB系列工正喷绘机维修手册GZY-USB系列目录第一章注意事项第二章日常维护与保养第三章软件第四章机器维修第五章保修服务第一章注意事项一、建议电脑硬件配置及要求如下:主板微星845PE/865PE 、硕泰克865PE等(支持USB2.0)处理器P4 1.6G以上(用品质较好的风扇)内存KINGSTON 256M 以上显卡GFMMX440硬盘40G(7200转)以上电源长城认证的电源电脑分区及系统要求:系统盘C:分10G FAT32格式操作系统:WIN XP/WIN2000 (切勿用GOST做系统)系统盘不要安装过多的软件,留足空间以做处理用。
在电脑的外壳上接地线。
1、检查电脑C盘上的剩余可用空间。
由于进行光栅图像处理时要占用大量的硬盘空间作为放置临时文件之用,所以,如果硬盘上的可用空间消耗殆尽而无法再做RIP时,也会造成喷绘停止,一般来说,每个图形文件所需要的临时文件大小通常是源文件大小的3-4倍,所以,在进行大幅面喷绘工作前有必要检查一下硬盘空间是否够用。
2、经常整理硬盘文件,消除磁盘碎片。
有时候,尽管硬盘剩余空间还足以进行正常喷绘工作,但是往往无法顺利进行,这主要是由于临时文件必须存放在硬盘的连续空间中,如果硬盘上文件过于分散或者磁盘碎片过多就会使得最大连续可用空间不够使用,所以,建议经常删除或者转移一些无用或者不常用的文件以腾出硬盘空间,另外,按以下操作进行磁盘碎片整理:“开始”>“程序”>“附件”>“系统工具”>“磁盘碎片整理程序”,一般对C盘进行整理即可。
3、关闭不必要的应用程序,打图时不要使用网络,尽可能释放系统资源。
由于过多不必要的应用程序被打开,系统资源被耗尽,致使电脑与喷绘机的正常联系被破坏也可能造成喷绘中止,因此,在进行大幅面喷绘工作前,建议重新启动WINDOWS系统后仅仅运行RIP软件进行喷绘工作。
喷绘机操作规程第一章概述1.1 目的和适用范围喷绘机操作规程的目的是为了确保喷绘机的安全运行,提高操作人员的技术水平,并规范喷绘机的使用和维护。
本规程适用于所有使用喷绘机的操作人员。
1.2 定义和缩写1.2.1 喷绘机:指用于将图像或文字喷涂到物体表面的设备。
1.2.2 操作人员:指使用喷绘机进行作业的工作人员。
1.2.3 环境:指喷绘机所处的周围环境。
1.2.4 作业区域:指喷绘机所在的区域。
第二章喷绘机操作要求2.1 操作人员要求2.1.1 操作人员必须熟悉喷绘机的基本原理和结构,并掌握其操作技术。
2.1.2 操作人员必须具备正确的操作态度和安全意识,严禁酒后、药后、疲劳和生病情况下操作喷绘机。
2.1.3 操作人员必须穿戴防护服和防护装备,并遵守作业区域的安全规定。
2.2 喷绘机操作要求2.2.1 操作人员必须事先检查喷绘机的工作状态,确保其安全运行。
2.2.2 在开始操作之前,操作人员必须对喷绘机进行预热和标定,确保其工作效果。
2.2.3 操作人员必须根据作业要求调整喷绘机的参数,包括喷涂速度、喷涂厚度等。
2.2.4 操作人员在使用喷绘机时应注意保持均匀的喷涂厚度,避免出现过厚或过薄的情况。
2.2.5 操作人员必须坚持定期保养喷绘机,清洁、检查和更换喷嘴、墨盒等配件。
2.2.6 操作人员在操作喷绘机时必须保持清洁环境,避免灰尘和杂物进入喷绘机。
第三章喷绘机安全措施3.1 作业区域安全措施3.1.1 喷绘机的作业区域必须保持整洁,防止杂物堆积和滑倒。
3.1.2 喷绘机的作业区域必须具备良好的通风条件,防止有害气体积聚。
3.1.3 在作业区域内必须设置明显的安全警示标识,提醒人员注意安全。
3.1.4 作业区域必须保持干燥,防止发生火灾或其他事故。
3.2 设备安全措施3.2.1 喷绘机必须定期检查安全状态,包括电源线、喷嘴、墨盒等部件的磨损程度和工作状态。
3.2.2 喷绘机必须安装并使用漏电保护装置,防止发生漏电事故。
喷绘机操作规程一、操作员准备工作1. 操作员应穿戴好劳动保护用品,如防护眼镜、防护手套和工作服。
2. 确认喷绘机的工作区域干净整洁,并清除杂物和堆放物。
3. 检查喷绘机的电源和喷头连接是否牢固,电源是否正常。
4. 准备好喷绘机所需要的耗材,如墨盒、喷墨纸等。
二、喷绘机开机操作1. 将电源线插入电源插座,并确保连接牢固。
2. 按下开机按钮,开启喷绘机电源。
3. 启动喷绘机的自动清洗程序,确保喷头处于清洁状态。
4. 检查喷绘机显示屏上的各项参数是否正常,如喷头温度、墨盒墨水剩余量等。
三、打印文件准备1. 连接电脑与喷绘机,确保正确识别喷绘机设备。
2. 打开喷绘机所需的打印文件,并进行必要的调整和编辑。
3. 检查文件的尺寸、分辨率和颜色模式是否与实际需求一致。
4. 设置打印参数,如打印速度、打印质量和打印模式。
四、加载耗材1. 打开喷绘机的墨盒仓门,将新的墨盒插入对应的插槽中。
2. 确保墨盒插入位置正确,插入至底部,并确保与喷头连接良好。
3. 关闭墨盒仓门,确保仓门紧闭。
4. 检查墨水供给系统是否正常工作,确保墨水能顺利供给到喷头。
五、开始打印1. 在电脑上点击打印命令,等待喷绘机开始打印。
2. 观察打印过程中的情况,确保打印质量良好,没有异味或异常噪声。
3. 如发现打印质量不理想,停机检查并及时调整打印参数。
4. 打印完成后,喷绘机会自动切纸,将打印物切割成所需尺寸。
六、打印结束后的处理1. 关闭喷绘机的电源。
2. 清理喷绘机的工作区域,清除墨水溅洒或纸屑等杂物。
3. 将喷绘机的耗材,如墨盒和喷墨纸,妥善存放至指定位置。
4. 关闭电脑上的打印文件和喷绘机的驱动程序。
七、维护保养1. 定期清洁喷绘机的喷头和墨盒插槽,确保墨水供给通畅。
2. 检查喷绘机的各个部件是否正常运转,如皮带、滚筒等。
3. 及时更换耗损部件,如喷头、皮带等,以保证喷绘机的正常使用。
4. 遵循喷绘机的保养手册,按时进行维护保养工作。
机器操作流程
1.打开PS—新建画布—量好物品宽度及高度填写进画布内—分辨率300到500
之间调节—CMYK模式—背景透明底.
2.把需要做的图片拉进PS新建的画布内按回车确定—CTRL+T—按住SHIFT+ALT
等比例放大缩小或者旋转图片后按回车确定.
3.CTRL+鼠标左键点图层载入选区白底的位置—收缩图片(选择-修改-收缩)—
点击通道—新建专色通道—、储存出来。
储存格式为TIFF格式。
4.打开锐彩—新建画布—置入刚保存出来的图片—点击打印—保存出来。
5.打开机器电源开关(待机器复位OK后)—打开UV灯—调节物品与喷头之间
的高度—量好物品X轴与Y轴的数值并分别填写入打印控制
6.打开机器电源开关(待机器复位OK后)—打开UV灯—确定Y轴距离(喷头
与物品之间的中心点)调节物品与喷头之间的高度—量好物品X轴数值并填里面的(白边)处.打印图片.
机器操作流程
7.每天上班前检查喷头状态图是否OK—如OK状态下可直接生产,若不OK状
态下,点击软件上方对应喷头进行清洗,清洗完后需手动擦拭喷头(擦拭喷头只能往一个方向擦拭,不可来回擦)然后车头回零,点击软件内的参数设置,把闪喷频率8改为2K(5-10秒后改回8),重新打印喷头状态图,若还是状态差时,重复清洗动作。
工正喷绘机维修手册GZY-USB系列工正喷绘机维修手册GZY-USB系列目录第一章注意事项第二章日常维护与保养第三章软件第四章机器维修第五章保修服务第一章注意事项一、建议电脑硬件配置及要求如下:主板微星845PE/865PE 、硕泰克865PE等(支持USB2.0)处理器P4 1.6G以上(用品质较好的风扇)内存KINGSTON 256M 以上显卡GFMMX440硬盘40G(7200转)以上电源长城认证的电源电脑分区及系统要求:系统盘C:分10G FAT32格式操作系统:WIN XP/WIN2000 (切勿用GOST做系统)系统盘不要安装过多的软件,留足空间以做处理用。
在电脑的外壳上接地线。
1、检查电脑C盘上的剩余可用空间。
由于进行光栅图像处理时要占用大量的硬盘空间作为放置临时文件之用,所以,如果硬盘上的可用空间消耗殆尽而无法再做RIP时,也会造成喷绘停止,一般来说,每个图形文件所需要的临时文件大小通常是源文件大小的3-4倍,所以,在进行大幅面喷绘工作前有必要检查一下硬盘空间是否够用。
2、经常整理硬盘文件,消除磁盘碎片。
有时候,尽管硬盘剩余空间还足以进行正常喷绘工作,但是往往无法顺利进行,这主要是由于临时文件必须存放在硬盘的连续空间中,如果硬盘上文件过于分散或者磁盘碎片过多就会使得最大连续可用空间不够使用,所以,建议经常删除或者转移一些无用或者不常用的文件以腾出硬盘空间,另外,按以下操作进行磁盘碎片整理:“开始”>“程序”>“附件”>“系统工具”>“磁盘碎片整理程序”,一般对C盘进行整理即可。
3、关闭不必要的应用程序,打图时不要使用网络,尽可能释放系统资源。
由于过多不必要的应用程序被打开,系统资源被耗尽,致使电脑与喷绘机的正常联系被破坏也可能造成喷绘中止,因此,在进行大幅面喷绘工作前,建议重新启动WINDOWS系统后仅仅运行RIP软件进行喷绘工作。
此外,删除“开始”>“启动”程序组中没有必要运行的自启动程序也是一个强烈的建议。
4、检查工作环境。
请检查工作间周围是否有大功率的用电设备如空调、制冷机等,强烈的电磁场会干扰喷绘机的输出,同时,不要使喷绘机与大功率用电设备处于同一根供电线路上,而且,供电情况不稳定的地区最好为喷绘机和电脑配备功率不小于3000W的稳压器或在线式不间断电源(UPS)。
5、另外,请不要在喷绘机附近使用手机。
◆仅能使用在打印机的标签中标识的电源类型;◆将所有的设备连接到一个适当的接地插座上。
避免所使用的插座与复印机或空调系统这些规则地在开和关之间切换的设备在同一回路中◆避免使用由墙上开关或自动定时器控制的插座;◆将您的计算机系统远离潜在的电磁干扰源,例如,扬场器或无绳电话机座;并将电脑电源线插至机器后部的电源插座中。
◆不要使用损坏或磨损的电源线;◆如果使用附加的电源线,切记插入该附加电源线的设备的总安培数不要超过改电源的额定安培数。
另外,切记插入墙上的所有设备的总安培数不要超过墙上插座的额定安培数;6、确保喷绘机和电脑有良好的接地。
静电会对信号传输有不良影响,所以,请使用优质的三相电源插座和插头,并且使用真实的地线。
7、使用优质大容量内存。
建议配置256MB以上内存,而且最好是1根高质量的带ECC校检的SDRAM内存,请不要同时使用不同品牌或者不同容量的内存。
8、不要堵塞该打印机外壳上的开口;9、不要将任何物品插入到打印机的槽中,注意不要将液体溅到打印机中;◆试图自己修理打印机前请先致电德众公司技术部咨询;◆在遇到下列情况时,切断电源后请有经验的维修人员来维护:1)如果电源线或插头损坏;2)如果液体溅入打印机中;3)如果打印机摔下来或机壳破损;4)如果打印机不能正确操作或在性能上有明显的变化;几点忠告:使用打印机时◆不要用手移动打印头,否则可能会损坏打印;◆始终使用电源开关来关闭打印机。
但该键被按下时,电源将被切断。
在电源被切断之前,不要拔下打印机插头或数据线;◆在搬运打印机之前,应确保打印头在初始位置,并使用之固定。
处理墨盒时请将墨瓶置于小孩拿不到的地方,不要让小孩喝下或接触墨盒;◆如果墨水粘到皮肤上,请用肥皂和水冲洗,若墨水溅入眼中,请立即用水冲洗干净;◆不要摇晃墨瓶,这会造成墨水泄漏;◆墨瓶使用一段时间之后(一般为三个月),要立即取下进行彻底清洗,并晾干,更换新的墨瓶要注意清洁。
保证打印质量。
选择打印机的安装位置◆将打印机放在水平、稳定大于打印机的平面上,如果打印机倾斜或有一定的角度,就不能进行正常的工作;◆避免温度和湿度易发生剧烈变换的地方;避免打印机受到阳光、强光或热源的直射;◆避免容易振动或晃动的地方;◆在打印机周围留出足够的空间以保证打印机的通风正常;◆将打印机放置在靠近墙上的插座的地方以使插头容易插拔。
第二章日常维护与保养一、机械部分1、定期擦拭导轨清除灰尘并加黄油,以使喷车能平稳运行。
2、定期给X轴的齿轮(即小车皮带轮)加黄油(黄油切勿接触到电机和线路板)。
具体方法是:将喷绘机两侧的盖子打开,将黄油加到齿轮的轴承上(切勿将油沾到线路板上)。
3、定期给Y轴齿轮(在清洗块的后面)加黄油。
二、墨路部分1、供墨原理原理说明:供墨部分有副墨罐里的浮球进行控制,浮球(相当于一个开关)漂浮在液面上,一旦浮球高度低于标准高度后浮球内的开关就会打开,这时小车板上的指示灯就会亮起来,这时供墨信号通过小车板再到主板,主板处理器接收到信号后由处理器发信号给供墨板,供墨板打开墨泵的电源,这时墨泵就会不停的抽墨,主墨罐里的墨水就会被抽到副墨罐,一旦副墨罐里的墨水到达标准高度后浮球也会随之抬高,这时供墨信号关闭,墨泵停止工作。
2、2、供墨系统的常见问题及排查方法:检查供墨板上的指示灯A、系统不供墨检查小车板上的指示灯系统不供墨不亮亮不亮浮球损坏或失灵墨泵损坏或接触不良能加墨不能加墨B、系统不停加墨是墨水溢出不亮亮亮不亮3、供墨系统的日常维护和保养A、加注墨水前要将墨水摇匀后在加入主墨罐,以免墨水沉淀造成堵头。
B、保证室内的温度(18-28度)和湿度(相对湿度在40%-60%)。
C、定期清洗供墨系统(主墨罐、过滤器、管道、副墨罐)等与墨水接触的部分。
一般3-6个月清洗一次D、尽量避免频繁更换墨水,如须更换务必将所有与墨水接触的部分用清洗液清洗干净。
E、不同品牌和型号的墨水最好不要混用,以防止出现化学反应导致堵头。
三、电脑部分1、定期清理硬盘里的垃圾文件。
2、定期清理电脑内部的灰尘。
3、定期检查电脑的散热和地线。
4、定期给硬盘做碎片整理。
5、定期查杀病毒。
6、尽量避免非法关机等操作。
7、三、喷头部分1、定期用清洗液清除清洗块及喷头托盘下面的污垢以免影响打印质量。
2、尽量减少工作间里的灰尘。
3、在拆卸安装喷头时必须关闭喷绘机电源。
4、喷头的清洗和浸泡A、喷头在清洗时严禁用手或硬器接触喷头低部,防止造成不可修复的损伤。
B、取干净的玻璃注射器和1000ML清洗液及干净的容器(不可以有任何灰尘和水分)C、在清洗喷头时最好将喷头取下并用注射器清洗,D、在用注射器注射清洗喷头时用力不能太轻否则起不到作用,在清洗时要用注射器来回抽吸喷头,在看到喷孔出墨都很整齐时则表示喷头状态良好,若有个别喷孔不出墨或墨线偏斜不会对打印质量造成大的影响可放心使用。
若有很多墨孔不出墨或墨线偏斜则应当将喷头放入清洗液中浸泡(一般2-3天)后再用清洗液注射清洗。
E、浸泡喷头时要将喷头外表用清洗全部清洗干净后放入干净的金属容器(不能有任何水分和灰尘)倒入清洗液将喷头浸没后用盖子将容器盖好,防止水气进入。
F、安装喷头时应注意检查喷头数据线是否有线芯断裂翘起等情况(如有则请和德众数码售后服务部联系及时更换),插数据线时要水平插入不能偏斜否则会造成喷头损坏。
G、长时间不打图时最好将喷头取下用清洗液清洗干净后用无纺布或保鲜膜包好存放于阴暗处。
第三章软件一、控制软件1、版本(根据喷头A、电子解码版喷绘机(GZY-3212A、GZY-3216A等)软件Gzprint2.60版GZprint2.61版Gzprint2.62版B、光栅解码版喷绘机(GZY-3212AL、GZY-3216AL等)软件Gzprint3.0.2版Gzprint3.0.4.5版2、安装A、按照机型安装对应的控制软件不要混装。
如机型是GZY-3212A,不管装几个喷头都应安装Gzprint2.62-12软件如机型是GZY-3212AL,不管装几个喷头都应安装Gzprint3.0.4.5-12软件二、IPRINT软件1、安装A、在WINDOWS系统的控制面板里给系统安装一个打印机(可以是任意品牌和型号)。
B、插入加密狗,放入光盘点击SETUP 安装。
2、启动IPRINT,在“设备管理“菜单里为IPRINT设定打印机和端口。
三、IPRINT软件的一些问题1、无法打开IPRINT A、检查加密狗是否插好。
B、检查加密狗驱动是否安装好。
C、检查加密狗是否损坏。
D、请在运行前确认是否已安装系统默认打印机。
2、IPRINT无法打开图象A: 检查图象格式是否存为压缩。
B: 检查IPRINT打印机是否设定。
3、为什么在RIP时并未出现1%-100%的运算过程,文件直接跳至RIP完成框?A、请确认本软件附带的加密狗是否正确的插入至电脑的USB接口上,或加密狗是否损坏。
4、如何判断加密狗是否损坏或失效?A、当您插入加密狗后请观察加密狗尾端的绿灯是否常亮,若常亮则表示加密狗工作正常,反之则您的加密狗失效或损坏。
当出现上述问题时您可取出本软件光盘,安装加密狗驱动(详见说明书),若安装后还未解决,请联系我们。
5、为什么在即算即打的输出过程中输出设备会在某几个PASS结束时停止一段时间后继续输出?A、若您正在使用一些实际分辨率很高的图像文件输出,那该情况属于软件正在正常工作。
但若图像本身分辨率不高,那说明您的计算机的配置或整体性能还有待提高。
6、我已正常安装本软件后还是不能正常打开软件,该如何解决?A、您可以点击[开始]菜单中的运行,在对话框内输入regedit后点击确定,打开注册表编辑器,找到HKEY_CURRENT_USER根目录,打开该目录,寻找Software子目录中的iPrint目录,找到后把该目录删除即可。
第四章简单问题的排除1、一打印就报“数据传输错误“A、开机顺序不对,正确的开机顺序是:正常不正常不正常正常B、检查电脑USB2.0接口驱动是否安装。
C、检查喷绘机驱动是否安装。
D、检查电脑设备管理器里是否能找到GONGZHENG USB2.0 KEY (如果找不到请联系售后服务部门)。
2、点击打印小车不动A、检查出图软件(GZPRINT)串口设置是否正确(串口正确则进纸、退纸正常)。