2013年东南大学954电路(电气工程)考研真题(回忆版
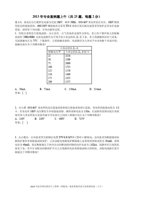
- 格式:pdf
- 大小:55.22 KB
- 文档页数:2
在“13注册电气基础小二班”网友的支持下,浊酒历时6个小时整理了注册电气工程师供配电专业基础答案以供参考,答案以“小二班”群里讨论最终结论为准!谁有异议请及时联系浊酒,浊酒的个人QQ:461886214 。
并附上正确答案解析,以便于能完善标准答案。
祝大家2014年能一起考专业课。
特别感谢群主“背着蜗牛狂奔的乌龟”能创立一个这样的群让大家交流学习。
同时感谢皖-供基-冷风、皖-供基-冷风、辽-供基-三胖子、粤-供基-飘临天、辽-供基-路口等网友的指正。
二〇一三年九月九日第一版01BADCD BBDBA11 CDBAB CADDD21 AAABD BDC C C31 B A B A B BC D CB41 ACD D B CADCC51 B A CCD AB D CC注:红色加粗字体为大多数人的答案,设为有争议选项。
大家互相学习,共同提高,提出你宝贵的意见。
BADCDBBDBACDBABCADDDAAABDBD晶体管中加入了微量元素,会破坏原晶体内的电位平衡,在晶体内部产生空穴和电子的对流,但是记住,这是在半导体内部产生这种对流,进而产生内电场,生成电位差。
但对于整个的晶体来说,中和一个电子必占用一个空穴,因此在晶体的内部电子和空穴的数目始终是相等的,不带电,因此呈电中性。
网友沪-供配-随风提供,C有争议,暂按CC详见高频2.2-11(2005)P88页BA有异议BA有异议BB有异议CD有异议CBACDDBCADCCBA有异议 CCCDABD有异议CC。
954《电路(电气工程)》~2016年启用时间:2016-06-17全日制硕士研究生入学954《电路(电气工程)》课程复习与考试大纲第一部分考试说明1.考试性质全国硕士研究生入学考试是为高等学校招收硕士研究生而设置的。
电路(电气工程)是电气工程学科最重要的基础理论知识,为报考本学科硕士研究生的一门必考专业课,以满分150分计入入学初试总分。
通过该课程的考试以保证被录取者有扎实的专业基础知识和较强的分析问题能力。
二、考试的学科范围《电路(电气工程)》考试内容分为两个部分:第一部分为电路基础(占120分);第二部分为电力系统、电机或电力电子三门课程的基本理论知识(占30分),考试时,考生在电力系统、电机或电力电子三门课程中仅限于选一门进行答题,多选无效。
考试要点见本大纲第二部分。
三、评价目标主要考查考生对电路基本理论、基础知识的掌握情况,运用各种方法分析电路的能力。
要求考生应掌握以下有关知识:1、明确电路的基本概念,理解电路中的两类约束关系。
2、熟悉电路的常用定理,并能灵活应用。
3、掌握分析电路的主要方法。
4、正确使用电工仪表和具备相关的电工测量知识。
5、掌握电力系统、电机或电力电子的基本理论,熟练使用电路相关分析方法解决实际应用问题。
四、考试形式与试卷结构1、答卷方式:闭卷,笔试。
2、答题时间:180分钟。
3、题型:填空题、简答题和计算题。
第二部分考查要点一、电路基础考试内容范围1、电路模型和电路定律:电路基本概念、电压与电流的参考方向、常用的电路元件(电阻元件、电感元件、电容元件、电压源、电流源、受控源、运算放大器等)、基尔霍夫定律2、直流电路:电阻串联、并联、星形和三角形联结的等效变换、求解等效电阻的方法;用支路电流法、节点(结点)电压法、回路电流法列写方程,求解电路;灵活应用叠加定理、替代定理、戴维宁(诺顿)定理、互易定理、特勒根定理对电路进行分析和计算;含运算放大器电路的分析。
2013年注册电气工程师(供配电)《专业知识考试(上)》真题及详解一、单项选择题(共40题,每题1分。
每题的备选项中只有1个最符合题意)1.相对地电压为220V的TN系统配电线路或仅供给固定设备用电的末端线路,其间接接触防护电器切断故障回路的时间不宜大于下列哪一项数值?()A.0.4sB.3sC.5sD.10s答案:C解析:根据《低压配电设计规范》(GB 50054—2011)第5.2.9条第1款规定,TN系统中配电线路或仅供给固定式电气设备用电的末端线路,不宜大于5s。
2.人体的“内阻抗”是指下列人体哪个部位间阻抗?()A.在皮肤上的电极与皮下导电组织之间的阻抗B.是手和双脚之间的阻抗C.在接触电压出现瞬间的人体阻抗D.与人体两个部位相接触的二电极间的阻抗,不计皮肤阻抗答案:D解析:根据《电流对人和家畜的效应第1部分:通用部分》(GB/T 13870.1—2008)第3.1.3条规定,人体内阻抗Z i是指与人体两个部位相接触的二电极间的阻抗,不计皮肤阻抗。
3.[已过时]在爆炸性危险环境的2区内,不能选用下列哪种防爆结构的绕线型感应电动机?()A.隔爆型B.正压型C.增安型D.无火花型答案:D解析:根据《爆炸和火灾危险环境电力装置设计规范》(GB 50058—1992)第2.5.3条规定及表2.5.3-1(见题3解表)可知,在爆炸危险2区时,不能选用无火花型防爆结构的绕线型感应电动机。
题3解表旋转电气防爆结构的选型说明:最新规范《爆炸危险环境电力装置设计规范》(GB 50058—2014)已经删除了只针对电动机防爆结构相关的规定。
取而代之的是更为具体复杂的防爆结构的选型,参考第5.2.2条规定。
4.在建筑物内实施总等电位联结时,应选用下列哪一项做法?()A.在进线总配电箱近旁安装接地母排,汇集诸联结线B .仅将需联结的各金属部分就近互相连通C .将需联结的金属管道结构在进入建筑物处联结到建筑物周围地下水平接地扁钢上D .利用进线总配电箱内PE 母排汇集诸联结线 答案:A解析:根据《工业与民用配电设计手册》(第三版)P883“1.总等电位联结”部分,总等电位联结是将建筑物电气装置外露导电部分与装置外导电部分电位基本相等的连接。
2013年电气工程师考试《发输变电》专业基础考试真题及答案一、单项选择题(共60题,每题2分。
每题的备选项中只有一个最符合题意。
)1. 图示电路的输入电阻为下列哪项数值?( )(A )Ω5.1 (B )Ω3 (C )Ω9 (D )Ω2 答案:B2. 图示电路的输入电阻为下列哪项数值?(A ) Ω5.2 (B )Ω-5 (C )Ω5 (D )Ω25 答案:B3. 图示电路中,V u 10=,则5V 电压源发出的功率为下列哪项数值?( )(A )W 5 (B )W 10 (C )W 5- (D )W 10-答案:C4. 有一个由Ω=k R 1,H L 2=和F C μ5.0=三个元件相串联的电路,则该电路在动态过程中的振荡角频率为下列哪项数值?( )(A )s rad /5250 (B )s rad /1000 (C )s rad /5500 (D )s rad /750 答案:B5. 图示空心变压器ab 端的输入阻抗ab Z 为下列哪项数值?( )(A )19j -(B )(C )(D ) 答案:A6. 图示电路中,V U 220=,频率Hz f 50=,S 断开及闭合时电流I 的有效值均为0.5A ,则电感L 的感抗为下列哪项数值?( )(A )Ω110 (B )Ω55 (C )Ω220 (D )Ω330 答案:C7. 图示电路中,()00=-C u ,0=t 时闭合开关S ,()t u C 为下列哪项数值?( )(A )()V e t 100150-+ (B )V e t 100100- (C )()V e t 1001100-+ (D )()V e t 1001100-- 答案:D8. 图示电路中,()00=-L i ,0=t 时闭合开关S 后,()0=t i L 为下列哪项数值?( )(A )()A e t 100015.12-+ (B )()A e t 100015.12-- (C )()A e t 1000125-+ (D )()A e t 1000125-- 答案:D9. 图示电路中电压u 含有基波和三次谐波,基波角频率为s rad /104,若要求1u 中不含基波分量,则电感L 和电容C 为下列哪项数值?( )(A )mH 2,F μ2 (B )mH 1,F μ25.1 (C )mH 2,F μ5.2 (D )mH 1,F μ5.2 答案:B10. 图示对称三相电路中,线电压为380V ,线电流为3A ,若功率表读数为684W ,则功率因数应为下列哪项数值?(A )0.6 (B )0.8 (C )0.7 (D )0.9 答案:B11. 列写结点电压方程时,图示部分电路中结点B 的自导为下列哪项数值?( )(A )4S (B )6S (C )3S (D )2S12. 图示电路中,电阻R 应为下列哪项数值?( )(A )Ω18 (B )Ω9 (C )Ω6 (D )Ω3 答案:A13. 已知正弦电流的初相角为60°,在0=t 时刻的瞬时值为8.66A ,经过s 3001后电流第一次下降为0,则其频率应为下列哪项数值?( )(A )Hz 314 (B )Hz 50 (C )Hz 100 (D )Hz 628 答案:C14. 在一个由R 、L 和C 三个元件相串联的电路中,若总电压U 、电容电压C U 及RL 两端的电压RL U 均为100V ,且Ω=10R ,则电流I 为下列哪项数值?( ) (A )10A (B )5A (C )8.66A (D )5.77A 答案:C15. 一个半径为0.5m 的导体球当作接地电极深埋于地下,土壤的电导率为m S /102-,则此接地体的接地电阻应为下列哪项数值?(A )Ω96.7 (B )Ω92.15 (C )Ω84.37 (D )Ω68.6316. 电阻为Ω300的信号源通过特性阻抗为Ω300的无损耗传输线向Ω75的电阻性负载供电,为达到匹配的目的,在传输线与负载间插入一段长度为四分之一波长的无损耗传输线,则该线的特性阻抗应为下列哪项数值?(A )Ω150 (B )Ω5.187 (C )Ω75 (D )Ω300 答案:A17. 介质为空气的一平板电容器,板间距离为d ,与电压0U 连接时,两板间的相互作用力为f ,断开电源后,将距离压缩至2d,则两板间的相互作用力为下列哪项数值? (A )f (B )f 2 (C )f 4 (D )f 2 答案:A18. 对于高压同轴电缆,为了在外导体尺寸固定不变(半径b=定值)与外加电压不变(=0U 定值)的情况下,使介质得到最充分利用,则内导体半径a 的最佳尺寸应为外导体半径b 的倍数是:( )。
2013年注册电气工程师(供配电)《专业知识考试(下)》真题及详解一、单项选择题(共40题,每题1分。
每题的备选项中只有一个最符合题意)1.国家标准中规定,在建筑照明设计中对照明节能评价指标采用的单位是下列哪一项?()A.W/lxB.W/lmC.W/m2D.lm/m2【答案】C【解析】在建筑照明设计中以照明功率密度为照明节能评价的指标。
根据《建筑照明设计标准》(GB 50034—2013)第2.0.53条规定,照明功率密度(LPD)是指单位面积上的照明安装功率(包括光源、镇流器或变压器等附属用电器件),单位为瓦特每平方米(W/m2)。
2.高压配电系统可采用放射式、树干式、环式或其他组合方式配电,其放射式配电的特点在下列表述中哪一项是正确的?()A.投资少、事故影响范围大B.投资较高、事故影响范围较小C.切换操作方便、保护配置复杂D.运行比较灵活、切换操作不便【答案】B 【解析】根据《工业与民用配电设计手册》(第三版)P35中“三、配电方式”内容,对供电可靠性的要求、变压器的容量及分布、地理环境等,高压配电系统宜采用放射式,也可采用树干式、环式及其组合方式,各种方式的优缺点如下:①放射式供电可靠性高,故障发生后影响范围较小,切换操作方便,保护简单,便于自动化,但配电线路和高压开关柜数量多而造价较高;②树干式中配电线路和高压开关柜数量少且投资少,但故障影响范围较大,供电可靠性差;③环式有闭环和开环两种,为简化保护,一般采用开路环式,其供电可靠性较高,运行比较灵活,但切换操作频繁。
3.在三相配电系统中,每相均接入一盏交流220V 、1kW 的碘钨灯,同时在A 相和B 相间接入一个交流380V 、2kW 的全阻性负载,请计算等效三相负荷,下列哪一项数值是正确的?( )A .5kWB .6kWC .9kWD .10kW【答案】B【解析】根据《工业与民用配电设计手册》(第三版)P6中的照明用电设备的ϕcos 表1-5可知,卤钨灯的功率因数为1。
1/1十万种考研考证电子书、题库视频学习平台
圣才电子书
2013年北京大学数字与模拟电路考研真题(回忆版)
说明:以下回忆版试题内容来自网络资源,考生可借鉴参考!
第一题
1.分别举例说明什么是数字电路?什么是模拟电路?(10)
2.分别举例说明什么是组合电路?什么是时序电路?(10)
3.分析设计组合电路与时序电路有什么不同?(10)
4.2000年以前市场上已经产品化的半导体储存器件有哪些?哪些属于数字器件?哪些属于模拟器件?哪些属于组合电路?哪些属于时序电路?(20)
第二题、写出你所学过的放大电路,并写出设计关键点。
(30)
第三题、用与非门、或非门设计一个3-8译码器,用两个这样的3-8译码器设计一个4-16译码器。
(30)
第四题、给出的是室温控制系统的示意图,让写热水器系统、体重秤系统、微波炉系统、系统信号灯系统示意图。
(40)。
2013年注册电气工程师(供配电)专业基础真题试卷(无答案)一、单项选择题1 图示电路中u=-2V,则3V电压源发出的功率应为下列哪项数值?( )(A)10W(B)3W(C)-3W(D)-10W2 图示电路中U=10V,电阻均为100Ω,则电路中的电流I应为下列哪项数值?( )(A)(B)(C)14A(D)7A3 若图示电路中的电压值为该点的结点电压,则电路中的电流I应为下列哪项数值?( )(A)-2A(B)2A(C)0.8750A(D)0.4375A4 若图示电路中i s=1.2A和g=0.1 s,则电路中的电压u应为下列哪项数值?( )(A)3V(B)6V(C)9V(D)12V5 在图示电路中,当R为下列哪项数值时,它能获得最大功率?( )(A)7.5Ω(B)4.5Ω(C)5.2Ω(D)5.5Ω6 正弦电流通过电容元件时,电流应为下列哪项数值?( )(A)jωCU m(B)(C)-jωCU M(D)7 有一个由R=3kΩ,L=4H和C=1μF三个元件相串联的电路。
若电路振荡,则振荡频率应为下列哪项数值?( )(A)331rad/s(B)500rad/s(C)375rad/s(D)750rad/s8 图示空心变压器AB间的输入阻抗Z m应为下列哪项数值?( )(A)j20Ω(B)-j20Ω(C)-j15Ω(D)j15Ω9 图示电路中电压u含有基波和三次谐波,基波角频率为104rad/s。
若要求u1中不含基波分量而将u中的三次谐波分量全部取出,则电容C1为应为下列哪项数值?( )(A)2.5μF(B)1.25μF(C)5μF(D)10μF10 图示三相对称三线制电路中线电压为380V,且各负载Z=44Ω,则功率表的读数应为下列哪项数值?( )(A)0W(B)2200W(C)6600W(D)4400W11 图示正弦电流电路发生谐振时,电流的大小分别为4A和3A,则电流的大小应为下列哪项数值?( )(A)7A(B)1A(C)5 A(D)0A12 在R、L、C串联电路中,X C=10Ω。
2013年东南大学954电路(电气工程电气工程)
)考研试题(回忆版)
1.网络问题,已知某一支路电流,求电压 ,把三角形化成星形用节点电压 (好像是07或年真题)
2.黑箱问题,给了一个条件求电阻为何值事功率最大,也就是求戴维南等效,根据已知条件算出开路电压与电阻关系即可
3网络问题,已知某一电阻功率,和两个电源的变换,求支路电压,应用叠加定理算出,注意正负两个值
4功率补偿问题,以前的真题
5放大器问题 正弦稳态电路
6动态电路问题 已知电压电流响应求电容,和到达三分之一能量时的时间,以前的真题
7黑箱问题,求响应,10年真题
8正弦稳态问题+理想变压器 已知两电表读数相同,注意到并联谐振即可 9非线性电路问题 求静态工作点时电容相当于开路
10非正弦周期问题 求某电压和功率,叠加定理
大题1。
陈燕书上的原题,应该也是04年大连交通的题
2。
03年真题
3.一阶电路问题,换路后右边是电感组成的一阶电路,左边由以右
边电感电流为受控辆的受控电压源直接接在电容两端,求某支路电流,计算时注意冲击响应
4三相电路问题,第一问求线电压,第二问是A相故障求B,C相电流
5非正弦周期问题,叠加定理,难点在于那个空心变压器,先戴维南化简下会简化计算
6三相电路的非对称电路,1求线电压2求开关断开时由来电感和三个电阻组成的回路组成的网络,应用磁链守恒和拉普拉斯都可以,和04年真题三相电路有点像,比那题简单点。
东南大学建筑系规划设计1995——1996城市规划设计1999城市规划原理1995——1998,2002中外建筑史和城建史2003中、外建筑史1991——1999,2001外国建筑史1991,1995——2000,2002中国建筑史1995——2001建筑构造1996,2002建筑技术(构造、结构)1998——1999,2002建筑设计1995——2000建筑设计基础2004建筑设计原理1995——1996建筑物理1999,2002素描1995——1998素描色彩1999素描与色彩画2002色彩画1995——1998西方美术史1999中、西美术史1997——1998中西美术史1995——1996,1998中西美术史及其理论1999创作与设计1999无线电工程系专业基础综合(信号与系统、数字电路)2004——2006专业基础综合(含信号与系统、计算机结构与系统、线性电子线路)2003 通信原理1994,1999——2003(1999有答案)信号与系统1997——2002数字电路与微机基础1998——2002模拟电子技术2000模拟电子线路1999——2002电磁场理论2001,2003——2004微机原理与应用1996——2000,2002(2002有答案)应用数学系高等代数1997——2005数学分析1995——2005概率论2003常微分方程2004物理系量子力学2001——2005普通物理2001——2005光学1997——1998,2000——2004热力学统计物理2001电磁场理论2001,2003——2004人文学院政治学原理2008法学理论2004法学综合(法理学)(含刑法学与刑事诉讼法学、宪法学、行政法学与行政诉讼法学)2004法学综合(民商法学)(含宪法学、法理学、行政法学与行政诉讼法学)2004 法学综合(宪法学与行政法学)(含刑法学与刑事诉讼法学、法理学、民商法学与民事诉讼法学)2004民商法学2004宪法和行政法学2004外语系二外日语1999——2004二外法语2000——2004(2003有答案)(注:2004年试卷共10页,缺第9页和第10页)二外德语2000——2002,2004二外俄语2000,2002基础英语1999——2002语言学1999——2002翻译与写作1999——2002基础英语与写作2003——2004(2003——2004有答案)语言学与翻译2003——2004英美文学与翻译2004(2004有答案)二外英语2004日语文学与翻译2004交通学院材料力学2003——2005材料力学(结)1995——2000材料力学(岩)2005结构力学1993——2005土力学及土质学1993——1997,1999——2005道路交通工程系统分析1994——2004(1994——1998,2003——2004有答案)电路分析基础1996——2004电路分析与自控原理2003交通工程学基础1992——2001基础医学院生物信号处理1999——2003局部解剖学1996生理学1995——1997流行病学2005卫生综合2004——2005内科学1995——1998建筑研究所中外建筑史和城建史2003中、外建筑史1991——1999,2001外国建筑史1991,1995——2000,2002中国建筑史1995——2001建筑构造1996,2002建筑技术(构造、结构)1998——1999,2002建筑设计1995——2000建筑设计基础2004建筑设计原理1995——1996建筑物理1999,2002学习科学研究中心(无此试卷)远程教育学院计算机软件基础(含数据结构、操作系统、软件工程、编译原理、离散数学)2003 计算机专业基础2002,2004——2005计算机结构与逻辑设计2001年本科生期末考试试题离散数学考研试题集(含97——00年)10元编译原理1993——2001编译原理与操作系统2002操作系统1994——2001数据结构1992——2002机械工程系机械原理1993——2005机械设计2002——2004电路分析基础1996——2004电路分析与自控原理2003制冷原理2003——2004制冷原理与设备2000——2002材料力学2003——2005材料力学(结)1995——2000材料力学(岩)2005土木工程学院结构力学1993——2005材料力学2003——2005材料力学(结)1995——2000材料力学(岩)2005土力学及土质学1993——1997,1999——2005工程结构设计原理2005工程经济2003——2005工程流体力学1998——2005工程热力学2000——2004工程施工与管理2002工程力学2003——2005工程力学2002(样题)钢结构1997——1999环境微生物学2005水污染控制工程1997——2002流行病学2005普通化学1997——1998,2000——2005有机化学2004——2005卫生综合2004——2005管理原理1998——2005(注:2004年试卷共2页,缺第2页)自动控制系自动控制理论1997——2002自动控制原理2004高等代数1997——2005生物科学与医学工程系生物信号处理1999——2003现代生物学2003经济管理学院西方经济学1999——2003,2005(2002——2003有答案)(注:2005年试卷为回忆版)金融学基础2002——2005,2005答案管理原理1998——2005(注:2004年试卷共2页,缺第2页)管理学2000——2002,2005,2007(2000——2002有答案)现代管理学2003——2004(2003有答案)市场营销学1999,2000——2001高等代数1997——2005自动控制理论1997——2002自动控制原理2004运筹学2001体育系(无此试卷)仪器科学与工程系电路分析基础1996——2004电路分析与自控原理2003自动控制理论1997——2002自动控制原理2004电磁场理论2001,2003——2004微机系统与接口技术2001——2002微机原理与应用1996——2000,2002(2002有答案)公共卫生学院西方经济学1999——2003,2005(2002——2003有答案)(注:2005年试卷为回忆版)卫生综合2004——2005有机化学2004——2005分析化学1992——2005(1992——2005有答案)物理化学2004——2005物理化学(化)1998——2005物理化学(金材)2000,2002生物信号处理1999——2003局部解剖学1996生理学1996流行病学2005高等教育研究所(无此试卷)软件学院(无此试卷)集成电路学院模拟电子技术2000模拟电子线路1999——2002微机系统与接口技术2001——2002微机原理与应用1996——2000,2002(2002有答案)电磁场理论2001,2003——2004动力工程系结构力学1993——2005土力学及土质学1993——1997,1999——2005工程经济2003——2005工程流体力学1998——2005工程热力学2000——2004工程施工与管理2002热工自动调节原理2001——2004制冷原理2003——2004制冷原理与设备2000——2002电路分析基础1996——2004电路分析与自控原理2003传热学2000——2004普通化学1997——1998,2000——2005电子工程系物理化学2004——2005物理化学(化)1998——2005物理化学(金材)2000,2002半导体物理1996——2005模拟电子技术2000模拟电子线路1999——2002电子线路基础2001——2004电磁场理论2001,2003——2004高等代数1997——2005微机系统与接口技术2001——2002微机原理与应用1996——2000,2002(2002有答案)计算机科学与工程系计算机软件基础(含数据结构、操作系统、软件工程、编译原理、离散数学)2003 计算机专业基础2002,2004——2005计算机结构与逻辑设计2001年本科生期末考试试题离散数学考研试题集(含97——00年)10元编译原理1993——2001编译原理与操作系统2002操作系统1994——2001数据结构1992——2002材料科学与工程系物理化学2004——2005物理化学(化)1998——2005物理化学(金材)2000,2002材料力学2003——2005材料力学(结)1995——2000材料力学(岩)2005钢结构1997——1999金属学2003——2004金属学及热处理1999——2002,2005卫生综合2004——2005电气工程系电工基础2000——2006模拟电子技术2000模拟电子线路1999——2002微机原理与应用1996——2000,2002(2002有答案)电磁场理论2001,2003——2004化学化工系物理化学2004——2005物理化学(化)1998——2005物理化学(金材)2000,2002艺术学系素描1995——1998素描色彩1999素描与色彩画2002色彩画1995——1998西方美术史1999中、西美术史1997——1998中西美术史1995——1996,1998中西美术史及其理论1999创作与设计1999临床医学院生物信号处理1999——2003局部解剖学1996生理学1995——1997流行病学2005卫生综合2004——2005内科学1995——1998情报科学技术研究所(无此试卷)职业技术教育学院(无此试卷)英语(单考)1999——2000。
3、东南大学《电路基础》本科教学大纲
东大954电路虽然考查知识点不多,但是试题很有难度,计算量较大,建议早点复习,复习时参考东南大学本科生《电路基础》教学大纲和东南大学954电路《考试大纲》。
4、2016年校内答疑知识点
含2016年校内答疑老师透露的知识点,对想考研省力的学生很有帮助!
三、东南大学《电路(电气工程)》考研复习题
1、《电路基础》课后习题详解答案
黄学良的电路课本的习题答案详解(考过原题,而且是本校用书,有一定参考价值)
2、电路考研大串讲习题答案
电路大串讲习题答案详解(综合985高校的考研题目,经典之极,助你达到新的高度!)
四、赠送资料(电子版,发邮箱)
第一部分:专业课
第二部分:公共课
以下为截图及预览:
2015年考研真题:
2014年考研真题:
2015年真题答案:
2014年真题答案:
考研复习笔记:
考研复习题:。
仟帆教育2013年供配电专业案例真题解析(下午卷)仟帆教育案例07-08:2013P 01~05某110/10kV 变电所,变压器容量为2×25MVA,两台变压器一台工作一台备用,变电所的计算负荷为17000kVA,变电所采用室外布置,10kV 设备采用室内布置。
变电所所在地的海拔高度为2000m,户外设备运行的环境温度为-25~45℃,且冬季时有冰雪天气,在最大运行方式下10kV 母线的三相稳态短路电流有效值为20kA(回路的总电阻小于总电抗的三分之一),请回答下列问题。
(2013年下午卷)13P01.若110/10kV 变电所出线间隔采用10kV 真空断路器,断路器在正常环境条件下额定电流为630A,周围空气温度为40℃时的允许温升为20℃,请确定该断路器在本工程所在地区环境条件下及环境温度5℃时的额定电流和40℃时的允许温升为下列哪组数值?(A)740A,19℃(B)740A,20℃(C)630A,19℃(D)630A,20℃答案:[A]仟帆教育·企鹅35277786解答过程:仟帆教育·企鹅10773131依据《导体和电器选择设计技术规定》DL/T 5222-2005第5.0.3条(1)断路器在本工程所在地区环境条件下及环境温度5℃时的额定电流:)(740%]5.0)540(1[630%]5)540(1['A I I r r =⨯-+⨯=⨯-+=(2)40℃时的允许温升:)(4.19%]3.0100100020001[20%]3.0100100020001['o C =⨯--⨯=⨯--=ττ【解题提示】本题关键词是“10kV 断路器”、“周围空气温度”、“允许温升”等,据此可定位到DL/T 5222-2005第5.0.3条。
需要提醒的是,每个规范都有对应的适用范围,比如DL/T5222规定第1.0.1条规定适用范围是(3~110)kV,本题满足此范围,复习过程中要留意此规范。
目录Ⅰ历年真题试卷 (2)东南大学2010年招收硕士学位研究生入学考试试卷 (2)东南大学2011年招收硕士学位研究生入学考试试卷 (8)东南大学2012年招收硕士学位研究生入学考试试卷 (13)Ⅱ历年真题试卷答案解析 (19)东南大学2010年招收硕士学位研究生入学考试试卷答案解析 (19)东南大学2011年招收硕士学位研究生入学考试试卷答案解析 (33)东南大学2012年招收硕士学位研究生入学考试试卷答案解析 (45)Ⅰ历年真题试卷东南大学2010年招收硕士学位研究生入学考试试卷请考生注意:试题解答务请考生做在专用“答题纸”上!做在其他答题纸上或试卷上的解答将被视为无效答题,不予评分。
科目代码:954科目名称:电路(电路工程)一、填空题(每题6分,共60分)1.如图所示,已知)60100cos(2220)(1︒+=t t u (V),L 1=L 2=0.4H ,M=0.1H ,当)()(21t u t u =时,求C=F 。
图12.图示稳态电路中,U=10V ,I=50A ,P=400W ,P 1=300W ,Q 2=100Var ,电路呈容性,试求I 1=A ,I 2=A 。
图23.图示电路中,a 图中的网络N 的伏安特性曲线如图b 所示,试给出网络N 的诺顿等值电路表达式。
图34.图示电路中,R1=1Ω,R3=3Ω,U S1=1V,I S2=2A,R2可变。
若要使R2改变时,各支路电流不变,试求U S3=V。
图45.图示电路中,L1=1H,L2=2H,M=0.5H,i S为周期函数其波形如图b所示,则电压表的读数为V。
图a图b图56.图示电路中,运放为理想运放,求u0=V。
图67.N 0为无源线性定常系统,已知当)(2t u S ε=V 时,响应)2(2t e i --=A ,t≥0;当)(3t u S ε=V 时,响应)23(2t e i --=A ,t≥0;试求u S 为图b 所示波形时的响应i =A 。
)考研试题(回忆
电气工程)
2013年东南大学954电路(电气工程
版)
1.网络问题,已知某一支路电流,求电压 ,把三角形化成星形用节点电压 (好像是07或年真题)
2.黑箱问题,给了一个条件求电阻为何值事功率最大,也就是求戴维南等效,根据已知条件算出开路电压与电阻关系即可
3网络问题,已知某一电阻功率,和两个电源的变换,求支路电压,应用叠加定理算出,注意正负两个值
4功率补偿问题,以前的真题
5放大器问题 正弦稳态电路
6动态电路问题 已知电压电流响应求电容,和到达三分之一能量时的时间,以前的真题
7黑箱问题,求响应,10年真题
8正弦稳态问题+理想变压器 已知两电表读数相同,注意到并联谐振即可 9非线性电路问题 求静态工作点时电容相当于开路
10非正弦周期问题 求某电压和功率,叠加定理
大题1。
陈燕书上的原题,应该也是04年大连交通的题
2。
03年真题
3.一阶电路问题,换路后右边是电感组成的一阶电路,左边由以右
边电感电流为受控辆的受控电压源直接接在电容两端,求某支路电流,计算时注意冲击响应
4三相电路问题,第一问求线电压,第二问是A相故障求B,C相电流
5非正弦周期问题,叠加定理,难点在于那个空心变压器,先戴维南化简下会简化计算
6三相电路的非对称电路,1求线电压2求开关断开时由来电感和三个电阻组成的回路组成的网络,应用磁链守恒和拉普拉斯都可以,和04年真题三相电路有点像,比那题简单点。