探讨地铁工程施工安全评价标准34
- 格式:docx
- 大小:30.10 KB
- 文档页数:4
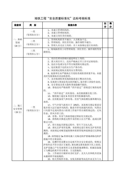
地铁工程“安全质量标准化”达标考核标准5、机房、车间、加工棚设计不规范,场地不整齐、平整的。
6、施工现场道路布置不合理,不畅通、平坦、整洁,存在散落物的。
7、地面施工场地未积极推行硬化地坪。
8、未制定并实施防粉尘、防噪音等措施。
9、施工现场未设置排水系统,排水不畅通,存在积水的;泥浆、污水、废水等未按照规定进行处理,随意排放的;水沟侧作为人行道时,盖板不齐全、稳固的。
10、在用设备安装不规范,布置不合理,标识不统一、不清晰、不完整,账物不相符;设备外观不整洁、锈蚀;存在“跑冒滴漏”现象的。
11、施工现场未张贴悬挂与现场施工相符的操作规程及规章制度;电气设备的系统原理图等张挂不合理。
12、管路、线路安装不规范,敷设悬挂不整齐。
13、电缆沟内存在杂物、积水;盖板不完整、齐全、稳固。
14、机房、车间、加工棚内外环境不整洁,卫生差;室内存在杂物、烟头。
15、照明设备配置不符合现场使用要求。
16、未根据季节变化,适当进行绿化布置,积极美化施工现场环境的。
17、未采用编号对风筒进行管理的。
18、巷道、隧道等未设置醒目的里程标志。
19、施工材料、构件、料具未按施工现场总平面布置图堆放,布置合理。
20、闲置设备未分类摆放或摆放不整齐,标识不清晰,未执行上盖下垫的;材料未做到上盖下垫,并未采取防火、防锈蚀、防雨等相关措施的。
21、建筑材料、构配件及其他料具等堆放(存放)不整齐或超高堆放的;堆料未分门别类、未悬挂标识牌或标识牌不统一,未标明名称、品种、规格数量等。
22、设备、物料放置地点与通风设施距离小于5m。
23、未建立材料收发管理制度,仓库、工具间材料堆放不整齐,标识不明确、帐卡物不一致;易燃易爆物品未分类堆放,未设专人负责的。
24、未建立施工现场清扫制度并落实到人;不能做到工完料尽、场地清;施工现场未设置废料集中存储区。
25、建筑垃圾未及时清运,临时存放现场的建筑垃圾未集中堆放整齐、悬挂标牌。
26、施工现场作业区与办公、生活区划分不明显;确因场地狭窄不能划分的,未采取可靠的隔离栏护措施。
地铁工程施工安全评价标准
随着地铁工程建造的不断发展,地铁工程施工安全评价标准在不断完善。
地铁工程施工安全评价标准是对地铁工程安全施工管理和隐患排查评估的一种系统管理,是维护人们生命安全和财产安全的关键要素。
根据《地铁项目安全管理办法》、《建设项目安全管理条例》等标准,形成了一系列的地铁工程施工安全评价标准。
地铁工程施工安全评价标准的内容主要包括以下几个方面:首先,强调地铁工程施工环境的安全性,要求施工现场的安全卫生、设施设备的安全检查、地铁管线的安全检测,并根据实际情况制定安全预案;其次,要求地铁工程施工中使用的材料、设备等必须符合国家质量标准,施工过程中要严格遵守安全生产法律法规,防止出现安全事故;第三,要求施工单位建立安全管理制度,按照制定的安全管理规范和标准管理施工现场,严旨责令施工人员准守安全管理规范;最后,要定期开展安全检查,及时掌握施工安全状况,建立安全隐患排查系统,及时发现并制止不安全行为。
地铁工程施工安全评价标准旨在为地铁施工安全提供强有力保障,以确保地铁工程得到安全可靠的施工和安全全面的检查,保护施工人员的生命安全和财产安全。
尽管现有的地铁工程施工安全评价标准都很完善,但还需要不断完善和改进,以适应日新月异的施工环境,使地铁施工安全得到更好的保障。
从上面可以看出,地铁工程施工安全评价标准是确保施工安全的重要依据,也是维护施工人员生命安全和财产安全的关键要素。
施工
单位应该全面认识地铁工程施工安全评价标准的重要性,保证施工安全,并加强安全管理制度的建立和实施,推进施工安全把关水平不断提高。
地铁运行安全评估标准
地铁运行安全评估标准是对地铁系统运行安全性能的评估指标和要求,主要包括以下几个方面:
1.车辆安全性评估标准:包括车辆结构强度、安全设备(如制动系统、防撞装置等)性能、火灾安全性能等指标。
2.轨道安全性评估标准:包括轨道结构强度、轨道几何参数(如水平曲线半径、坡度等)符合要求、轨道道岔设备可靠性等指标。
3.信号与通信安全性评估标准:包括信号系统的安全性能、通信设备的可靠性、列车与列车之间的通信安全等指标。
4.电力与供电安全性评估标准:包括电力设备的运行可靠性、供电系统的稳定性、对环境的影响等指标。
5.客运安全性评估标准:包括乘客疏散能力、站台安全设施、行车速度等指标。
6.应急救援安全性评估标准:包括应急广播设备可靠性、紧急停车装置性能、应急疏散演练等指标。
7.运营管理安全性评估标准:包括运营规程、人员培训、安全责任制度等指标。
地铁运行安全评估标准的制定可以根据国家相关法律法规、行
业标准以及国际上的最佳实践进行,旨在保障地铁系统的安全运行,保护乘客和职工的生命财产安全。
地铁交通工程建设施工安全状态评价方法摘要:在地铁建设中,存在诸多的安全影响因素,如果出现事故,将会造成非常严重的后果,不仅会造成经济、生命的损失,还会对整个地铁工程的建设产生一定的影响。
因此,在进行地铁建设时,要充分认识到安全管理的重要性,从各个角度进行安全管理,才能最大限度地降低施工中的危险。
对地铁施工安全风险进行分析和管理,不仅可以降低施工安全事故,保障施工人员的人身安全,而且可以确保施工质量,加快施工进度,确保地铁施工安全、稳定地推进地铁施工。
关键词:地铁交通工程;施工安全状态;评价方法1.施工现场安全状态分析地铁项目多建在大都市中,大多是为人流密集的地下项目,其施工难度和复杂程度从根本上决定。
1.1.周围的复杂情况地铁项目周围是一个繁华的、成熟的住宅区,地上和地下的建筑(构筑物)很多,包括高层建筑、文物建筑、交通设施、铁路桥梁、通信光缆、电缆、给排水管、热力管、雨水管、污水管等。
由于地铁交通项目多集中在大都市,也就是平原地带,这里有大量的江河,地层以粘土、粉质粘土、粉细砂、细砂、中粗砂、卵石等疏松的地层组成,因此,其地下水资源十分丰富。
1.2.参涉单位多一条地铁交通的施工单位包括:建设、勘察、设计、施工、监理、材料及设备供应、试验检测、结构检测、咨询单位,设计单位包括总体设计单位和若干工点,多个施工单位共同施工位、多家铺轨单位、多家装饰装修单位、多家机电电气设备安装单位,相应专业的若干监理单位。
例如一条20公里的地铁线路,工程施工单位通常不会少于50个,而且还有更多的承包商。
一条地铁线路的建设,将会牵扯到周围建筑的产权、政府的有关部门、政府机关、住房和城乡建设部门、交通部门、应急部门、环境部门、发展改革部门、卫生健康部门等等。
1.3.工程结构复杂、系统多地铁交通不仅要保障车辆的行驶、乘客的安全,同时也要为乘客提供便捷、便捷的服务。
一处地铁站通常有多个出入口,楼梯,电扶梯,进站通道,换乘通道,安全通道,展厅,站台,轨道,安检设施,供电设施,通信设施,照明设施,通风设施,消防设施,安全防护设施等。
地铁工程施工安全评价标准(1)1 总则1.0.1 为贯彻“安全第一,预防为主,综合治理”的方针,加强地铁工程施工前以及施工阶段的安全管理工作,实现地铁工程施工安全评价工作的规范化和制度化,促进地铁工程管理科学化、标准化,减少各类安全事故的发生,降低工程经济损失和人员伤亡,制定本标准。
1.0.2 本标准适用于对地铁工程施工项目的安全组织管理水平、安全技术管理水平、施工环境安全管理水平、安全监控预警管理的水平检查和评价。
1.0.3 在进行地铁工程施工安全评价时,除应符合本标准外,尚应符合国家现行有关标准的规定。
2 术语2.0.1 地铁列车沿全封闭线路运行的大运量城市轨道交通,通常设在地下隧道内,也包括在城市中心以外地区从地下转到地面或高架桥上的部分。
2.0.2 安全评价以实现工程、系统安全为目的,应用安全系统工程原理和方法,对工程、系统中存在的危险、有害因素进行识别与分析,判断工程、系统发生事故和急性职业危害的可能性及其严重程度,提出安全对策建议,从而为工程、系统制定防范措施和管理决策提供科学依据。
2.0.3 安全组织管理评价针对地铁工程施工过程中各项目安全组织的规范性、安全职责的合法性、以及各自履行安全管理职责的状况进行评价,判断地铁工程施工过程中各项目的安全组织管理水平。
2.0.4 安全技术管理评价针对地铁工程施工阶段采用的各种施工工法,如明(盖)挖法施工、暗挖法施工、盾构法施工以及高架车站及区间施工、安装工程施工的安全技术水平进行评价判断地铁各部分施工的安全技术管理水平。
2.0.5 环境安全管理评价针对地铁工程施工周边环境和现场环境的安全管理状况进行评价,判断其环境安全维护措施的有效性以及环境状况的安全水平。
2.0.6 监控预警地铁工程施工中对围岩、地表、围护结构及周边环境的状况进行动态的经常性观察和量测工作,根据其风险程度发出不同级别的警示,并预先采取相应的应对措施。
2.0.7 安全监控预警管理评价针对地铁工程施工安全风险管理和监控预警的实施方案及执行情况进行评价,判断其安全监控的全面性和预警措施的及时有效性。
地铁工程安全质量考核评价管理办法一、总则为了加强对地铁工程的安全质量考核评价管理,提高地铁工程施工、运营阶段的安全质量水平,切实保障人民群众的生命财产安全,根据相关法律法规,制定本办法。
二、考核范围1.地铁工程的施工阶段和运营阶段均纳入考核范围。
2.考核内容包括安全生产管理、质量管理、环境保护等方面。
三、考核标准1.安全生产管理方面:(1)是否建立并完善安全生产规章制度;(2)是否购买足够的安全防护设备;(3)是否定期进行安全培训;(4)是否按照法律法规要求开展应急演练;(5)是否设置专门的安全管理人员。
2.质量管理方面:(1)是否建立并完善质量管理体系;(2)是否制定了详细的施工工艺规程;(3)是否按照工艺要求执行;(4)是否采购合格的材料设备;(5)是否按照相关要求进行质量检验。
3.环境保护方面:(1)是否建立并完善环境管理体系;(2)是否合理规划施工区域,避免对周边环境产生不良影响;(3)施工过程是否按照环境保护要求进行;(4)是否合理处理施工废弃物。
四、考核方法1.考核采取定期巡查和不定期抽查相结合的方式,由监管部门负责具体实施。
2.定期巡查采用定期设立的考核小组进行全面检查,出具考核报告。
3.不定期抽查可以根据监管部门的判断和投诉举报情况进行。
五、考核评价1.考核评价分为合格和不合格两种情况。
2.合格:安全生产管理、质量管理、环境保护等各项考核内容均符合标准要求的为合格。
3.不合格:安全生产管理、质量管理、环境保护等各项考核内容未达到标准要求的为不合格。
4.不合格的地铁工程施工单位需要及时整改,并按照监管部门要求制定整改方案。
六、考核结果处理1.对合格的地铁工程施工单位进行表彰奖励,对存在优良经验的单位予以推介。
2.对不合格的地铁工程施工单位进行通报批评,并按照相关法律法规进行处罚。
3.对严重违反法律法规、造成重大后果的地铁工程施工单位,将依法吊销其施工资质。
七、附则本办法自发布之日起施行,由相关监管部门负责解释。
地铁工程施工安全评价标准
地铁工程是现代城市交通建设的重要组成部分,其施工安全评价标准的制定和执行对于保障施工人员的生命安全和工程质量具有重要意义。
地铁工程施工安全评价标准主要包括施工过程中的安全管理、施工现场的安全环境、施工作业的安全操作等方面。
下面将对地铁工程施工安全评价标准进行详细介绍。
首先,地铁工程施工安全评价标准要求施工单位必须建立健全安全管理体系,制定完善的安全管理制度和操作规程。
施工单位应当配备专业的安全管理人员,负责监督施工现场的安全生产工作,并定期进行安全检查和隐患排查。
同时,施工单位要加强对施工人员的安全教育和培训,提高他们的安全意识和操作技能,确保施工作业的安全进行。
其次,地铁工程施工安全评价标准要求施工现场必须保持良好的安全环境。
施工现场应当设置明确的安全警示标识,配备必要的安全防护设施,保证施工场地的通道畅通,防止杂物堆放和施工材料堆放不规范导致的安全隐患。
同时,施工现场应当定期进行安全巡查,确保施工场地的安全整洁,消除安全隐患,防止事故的发生。
另外,地铁工程施工安全评价标准要求施工作业必须符合安全操作规程。
施工作业人员应当严格按照作业程序进行操作,佩戴必要的安全防护用具,遵守安全操作规定,杜绝违章操作和安全事故的发生。
施工作业中涉及的机械设备和施工工具应当定期进行检查和维护,确保其正常运行和安全使用。
总的来说,地铁工程施工安全评价标准的制定和执行是保障地铁工程施工安全的重要保障。
施工单位要严格按照安全评价标准的要求进行施工作业,加强安全管理和安全教育,确保施工现场的安全环境,做到安全施工、文明施工,为地铁工程的顺利进行和城市交通建设的顺利推进提供有力保障。
地铁施工安全评价标准
地铁施工安全评价标准:
1. 工程规划与设计评价:
- 是否进行了详细的工程规划与设计评估;
- 是否满足相关法规和标准要求;
- 是否充分考虑了地质条件、地下水位等环境因素;
- 是否合理规划了安全疏散通道、消防设施等紧急情况应对措施。
2. 工地施工组织与管理评价:
- 是否建立了合理的施工组织管理机构;
- 是否配备了专业的施工队伍和工程管理人员;
- 是否建立了严格的安全操作规程和工艺流程;
- 是否合理安排了各工种作业人员的作息时间和休息制度; - 是否进行了安全技术交底和操作培训。
3. 施工现场安全控制评价:
- 是否建立了符合法规要求的施工现场围护措施;
- 是否进行了基坑、爆破、支护等特殊施工工序的风险评估和控制;
- 是否建立了临时用电、供水和排水等系统,并进行了安全评估;
- 是否进行了危险源辨识与控制,比如电气、机械等危险设备的安装与使用。
4. 安全监测与应急预案评估:
- 是否建立了全面的现场安全监测系统,包括结构安全、环境监测等方面;
- 是否明确了各种灾害事故的应急预案和处置措施;
- 是否进行了相关的演练和培训,确保人员熟悉应急预案; - 是否建立了有效的应急通信和报警机制。
5. 工程验收评价:
- 是否完成了相关机构的工程验收,包括安全验收;
- 是否符合相关法规和标准的验收要求;
- 是否进行了安全隐患整改,并进行了复验;
- 是否建立了档案管理体系,保存了相关验收文件和资料。
请注意,以上评价标准仅供参考,具体的地铁施工安全评价标准还应根据实际情况和相关法规进行综合确定。
地铁相关项目安全评估
地铁相关项目的安全评估是指对地铁项目建设、运营和管理过程中可能存在的安全风险进行系统、全面的评估和分析,旨在预防和减少事故发生,提高地铁安全性能。
安全评估的内容主要包括以下几个方面:
1. 技术安全评估:对地铁线路、车辆、信号系统、电力系统等技术设施的设计、制造和安装过程进行评估,确保其符合相关安全标准和规范要求。
2. 施工安全评估:对地铁施工过程中可能出现的安全风险进行评估,包括危险品管理、高处作业、脚手架搭设等方面,确保施工过程中的安全。
3. 运营安全评估:对地铁运营过程中可能存在的安全风险进行评估,包括列车运行安全、乘客逃生、防火防爆等方面,确保运营过程中的安全。
4. 管理安全评估:对地铁运营管理过程中的安全管理措施进行评估,包括安全管理制度、应急预案、事故调查等方面,确保管理过程中的安全。
安全评估可以通过现场调研、检查记录、风险分析、模拟实验等方式进行。
评估结果将根据实际情况提出改进建议和措施,以保障地铁项目的安全运营。
此外,地铁相关项目的安全评估也需要遵循国家相关法律法规和标准要求,确保评估的科学性和全面性。
地铁工程施工安全评价标准(1)1 总则1.0.1 为贯彻“安全第一,预防为主,综合治理”的方针,加强地铁工程施工前以及施工阶段的安全管理工作,实现地铁工程施工安全评价工作的规范化和制度化,促进地铁工程管理科学化、标准化,减少各类安全事故的发生,降低工程经济损失和人员伤亡,制定本标准。
1.0.2 本标准适用于对地铁工程施工项目的安全组织管理水平、安全技术管理水平、施工环境安全管理水平、安全监控预警管理的水平检查和评价。
1.0.3 在进行地铁工程施工安全评价时,除应符合本标准外,尚应符合国家现行有关标准的规定。
2 术语2.0.1 地铁列车沿全封闭线路运行的大运量城市轨道交通,通常设在地下隧道内,也包括在城市中心以外地区从地下转到地面或高架桥上的部分。
2.0.2 安全评价以实现工程、系统安全为目的,应用安全系统工程原理和方法,对工程、系统中存在的危险、有害因素进行识别与分析,判断工程、系统发生事故和急性职业危害的可能性及其严重程度,提出安全对策建议,从而为工程、系统制定防范措施和管理决策提供科学依据。
2.0.3 安全组织管理评价针对地铁工程施工过程中各项目安全组织的规范性、安全职责的合法性、以及各自履行安全管理职责的状况进行评价,判断地铁工程施工过程中各项目的安全组织管理水平。
2.0.4 安全技术管理评价针对地铁工程施工阶段采用的各种施工工法,如明(盖)挖法施工、暗挖法施工、盾构法施工以及高架车站及区间施工、安装工程施工的安全技术水平进行评价判断地铁各部分施工的安全技术管理水平。
2.0.5 环境安全管理评价针对地铁工程施工周边环境和现场环境的安全管理状况进行评价,判断其环境安全维护措施的有效性以及环境状况的安全水平。
2.0.6 监控预警地铁工程施工中对围岩、地表、围护结构及周边环境的状况进行动态的经常性观察和量测工作,根据其风险程度发出不同级别的警示,并预先采取相应的应对措施。
2.0.7 安全监控预警管理评价针对地铁工程施工安全风险管理和监控预警的实施方案及执行情况进行评价,判断其安全监控的全面性和预警措施的及时有效性。
地铁项目工程安全评估
地铁项目工程安全评估是指对地铁项目的工程施工、运营和管理过程中的安全风险进行评估,以确保地铁项目的安全性。
地铁项目工程安全评估的主要内容包括:
1. 施工安全评估:评估施工过程中可能存在的安全风险,包括工人高空作业、土方开挖、隧道施工等,制定相应的安全措施和管理方案。
2. 车站安全评估:评估车站建设过程中的安全风险,包括施工过程中的临时设施安全、高空作业安全、消防安全等,并制定相应的安全管理方案。
3. 车辆安全评估:评估地铁列车的安全性能,包括车辆防撞、防火、制动等方面的安全评估,并制定相应的车辆安全规范。
4. 信号系统安全评估:评估地铁信号系统的安全性能,包括信号设备的可靠性、安全控制系统的可行性等方面的评估,并制定相应的安全要求和措施。
5. 运营安全评估:评估地铁项目的运营安全措施,包括应急预案、人员培训、安全管理制度等方面的评估,并制定相应的安全管理措施。
地铁项目工程安全评估的目的是为了识别并消除潜在的安全风
险,确保地铁项目的施工、运营和管理过程中不存在安全隐患,为乘客和相关人员提供安全可靠的地铁交通服务。
第1篇一、引言随着我国城市化进程的加快,地铁工程作为城市公共交通的重要组成部分,其施工质量直接关系到人民群众的出行安全和城市的可持续发展。
为确保地铁工程施工质量,本文将结合相关规范和标准,对地铁工程施工质量标准进行阐述。
一、施工准备1. 施工图纸审查:施工单位在施工前必须对施工图纸进行审查,确保图纸的准确性和完整性。
2. 材料设备:施工单位应选用符合国家标准的优质材料,并做好材料设备的检验、试验工作。
3. 人员配备:施工单位应配备足够的技术、管理人员,确保施工质量。
4. 施工方案:施工单位应根据施工图纸、工程特点,编制合理的施工方案,并经相关部门审批。
二、施工过程1. 土方开挖:开挖前应做好排水、降水、支护等准备工作。
开挖过程中,应严格按照设计要求进行,确保边坡稳定。
2. 基础工程:基础工程包括桩基础、地连墙、垫层等。
施工过程中,应确保基础工程的尺寸、位置、质量符合设计要求。
3. 结构工程:结构工程包括梁、板、柱、墙等。
施工过程中,应确保结构尺寸、位置、质量符合设计要求,并做好钢筋绑扎、混凝土浇筑等工作。
4. 防水工程:防水工程包括防水层、止水带等。
施工过程中,应确保防水层的质量,做好止水带的安装和焊接。
5. 装饰装修:装饰装修工程包括墙面、地面、门窗等。
施工过程中,应确保装饰装修材料的质量,做好施工工艺的规范。
三、施工质量检测1. 材料检测:对进场材料进行检验,确保材料质量符合国家标准。
2. 施工过程检测:对施工过程中的关键工序进行检测,确保施工质量。
3. 隐蔽工程检测:对隐蔽工程进行检测,确保隐蔽工程质量。
4. 竣工验收检测:对竣工工程进行检测,确保工程质量符合设计要求。
四、施工安全管理1. 施工现场安全防护:施工现场应设置安全防护设施,确保施工人员安全。
2. 施工机械安全:施工机械应定期检查、保养,确保机械安全。
3. 施工人员安全培训:对施工人员进行安全培训,提高安全意识。
五、结论地铁工程施工质量标准是确保地铁工程质量的关键。
施工安全评价打分标准
在进行施工安全评价时,可以根据以下标准进行打分,但是文中不能出现标题相同的文字。
1. 法律法规合规性评价:对施工现场是否符合国家和地方的相关法律法规进行评价,包括建筑安全、劳动安全等方面的合规性。
2. 安全管理体系评价:评价施工单位是否建立了科学合理的安全管理体系,包括组织架构、责任分工、安全培训、应急预案等方面的评价。
3. 工程技术措施评价:评价施工过程中是否采取了适当的工程技术措施,包括施工现场的围护措施、作业平台搭设、设备选用等方面的评价。
4. 人员行为评价:评价施工人员在作业过程中是否遵守安全规章制度和操作规程,包括佩戴个人防护装备、正确使用工具设备、禁止违章操作等方面的评价。
5. 安全设施评价:评价施工现场是否设置了必要的安全设施,包括警示标识设置、消防器材配置、通道堵塞是否合理等方面的评价。
6. 现场卫生评价:评价施工现场的卫生状况,包括垃圾清理、易燃物料存放、施工废弃物处置等方面的评价。
7. 现场应急措施评价:评价施工现场是否建立了合理的应急预案和安全演练计划,包括安全逃生通道设置、设备故障应急处理等方面的评价。
8. 监理和检测评价:评价监理和检测机构是否履行了相应的职责,包括监督施工单位执行安全规定、进行安全隐患排查等方
面的评价。
请注意,以上仅为示例,实际评价标准需根据具体情况进行调整和补充。
地铁施工安全评估标准
地铁施工安全评估标准主要包括以下几个方面:
1. 施工组织与管理:包括施工计划、施工机具设备、施工人员配备、施工队伍组织等,评估施工组织是否科学合理,施工过程中是否有明确的责任分工和安全管理制度。
2. 施工材料与设备:评估施工所使用的材料与设备是否符合相关标准,是否具有检测合格证书,是否能够正常使用,以及施工现场是否有合理的物料存放和设备使用规范。
3. 施工现场环境:包括施工现场的危险源、风险因素、防护设施等,评估施工现场是否存在安全隐患,是否已经采取了必要的安全防护措施。
4. 施工作业安全:评估施工作业过程中是否存在危险操作、高风险作业等情况,评估施工人员是否具备必要的技能和操作证书,是否有足够的安全防护设备。
5. 紧急救援与应急预案:评估施工现场是否制定了紧急救援预案和应急响应机制,评估施工人员是否具备紧急救援的知识和技能。
6. 法律法规与标准要求:评估施工是否符合相关的法律法规和行业标准要求,包括安全生产法、地铁施工管理规定等。
以上是地铁施工安全评估的一般标准,具体评估内容和标准可
以根据实际情况进行调整和补充。
另外,评估结果需要及时记录并采取相应的整改措施,以确保地铁施工的安全进行。
探讨地铁工程施工安全评价标准摘要:我国当前正进行高速的地铁工程建设,安全问题至关重要,但我国目前的标准体系中尚无专门应用于地铁工程施工过程的安全评价标准。
本文阐述地铁工程施工安全评价标准的定位、适用范畴、编制依据以及编制原则;建立安全评价标准的内容体系,构建针对施工安全组织管理评价、施工安全技术管理评价、施工环境安全管理评价、施工安全监控预警管理评价的四个单项安全评价指标体系,在此基础上给出四个单项安全管理水平等级和总体安全管理水平等级评价方法;分析地铁工程施工安全评价标准主要特点,从而构建切实可行的具有自我约束、自我监督、自我完善的地铁工程施工安全评价标准,将地铁工程施工安全纳入标准化、规范化管理,对确保地铁工程安全施工具有比较重要的意义。
关键词:地铁工程;施工安全;管理;评价;标准引言目前,我国地铁建设已进入高速发展时期。
地铁建设的高速发展,大量地铁工程的兴建需要科学的安全标准予以指导;同时由于地铁工程建设难度大、施工风险高,加上安全管理控制不利,地铁工程施工安全事故时有发生,地铁工程的施工过程迫切需要具有针对性、适用性、可操作性的安全评价标准,加强地铁工程建设安全管理与控制。
1 地铁工程施工安全评价标准编制思路1.1 地铁工程施工安全评价标准定位地铁工程施工安全评价标准是针对地铁工程施工阶段,基于风险管理和过程控制的理念,根据该阶段的安全性要求和判定方法,构建一套通用的安全评价指标体系,对开展地铁工程施工安全管理工作的评价和控制进行科学的指导,是适用于地铁工程施工安全评价的符合性安全管理标准。
该标准针对地铁工程的施工特点,制定相应的安全评价指标,用于检查地铁工程各参建单位的安全生产管理措施到位情况、安全生产规章制度健全情况等以及土建工程各工法施工及设备安装满足安全生产法律法规、标准、行政规章、规范要求的符合性情况,从整体上确定地铁工程施工安全管理状况,做出安全评价结论。
1.2地铁工程施工安全评价标准适用范畴(1)适用主体:适用于建设单位、勘察设计单位、施工单位、监理单位、监测单位对所参与的地铁施工项目的自评自查,以及政府行业主管部门对地铁工程施工安全状况的检查和评价。
(2)适用对象:适用于采用明挖、暗挖、盾构等方法施工的国内地铁车站、区间土建工程及设备安装工程施工阶段的安全评价工作。
(3)适用阶段:适用于地铁工程施工全过程,即已完成工程规划、可行性研究、勘察、设计工作为始至工程竣工验收为止的地铁工程施工建设期间,可分为施工准备、施工实施以及施工完成三个阶段的安全管理评价。
(4)评价对象:适用于一个车站或一个区间,也可对整个地铁线路网或一条线路的施工安全进行评价。
1.3 地铁工程施工安全评价标准编制依据地铁工程施工安全评价标准的编制工作,借鉴了国内外现有相关标准,同时对国内地铁工程施工领域积累的实践经验和科研成果进行了总结。
(1)国内有关标准国内相关标准为该标准提供了技术参数和评价要点。
国内现有标准中包含勘察、设计、施工技术标准,以及地铁工程施工试验、检验和验收等标准,如 GB50157—2003《地铁设计规范》、GB 50299—1999《地下铁道工程施工及验收规范》、GB 50466—2008《盾构法隧道施工及验收规范》等,都将安全性原则作为标准编制的基础性原则,并且在具体标准条文中都注重对安全性的规定和要求。
这些技术标准明确了地铁工程应遵守的技术性要求,标准中技术性措施的规定都非常注重安全方面的考虑,目的是保障地铁工程的施工安全,这些技术性要求是进行施工安全评价的依据。
城市轨道交通相关的安全管理标准如 AQ8004—2007《城市轨道交通安全预评价细则》、《地铁及地下工程建设风险管理指南》、AQ 8005—2007《城市轨道交通安全验收评价细则》、GB/T 50438—2007《地铁运营安全评价标准》、《城市轨道交通工程安全质量管理暂行办法》、《建设部城市轨道交通安全生产工作督查要点说明》等,这些评价标准关于安全评价工作的方法、程序和范式要求是本标准的编制依据。
根据现有地铁工程施工安全技术标准和安全管理标准,结合其中与地铁安全密切相关的技术性要求和安全管理要求,提炼出安全评价指标,对地铁工程施工阶段的安全技术和安全管理工作的落实情况进行监督、评价,指导地铁工程施工阶段安全管理工作。
(2)国际有关标准依据全过程安全控制理论和风险管理理论,主要借鉴了欧盟标准EN 5012X系列、EN 50159、IEC 61508等,英国铁路安全及标准委员会(RSSB)编制的铁路安全黄皮书(ESM Yellow Book),德国《轨道交通建设与运营管理规范》(BOStrab)等国际标准。
如借鉴英国铁路安全及标准委员会(RSSB)编制的铁路安全黄皮书(ESM Yellow Book)风险分析流程,确定该评价标准的流程,具体流程为依据工艺特点,确定评价单元,在此基础上进行安全管理风险分析,确定主要风险,形成评价内容,确定评价标准。
依据《欧盟EN50126 铁路应用——可靠性、有效性、可维修性和安全性(RAMS)的规范标准》,明确地铁施工安全的过程控制。
(3)工程实际经验我国地铁建设事业起步较晚,但发展较快。
自20世纪 60年代北京地铁一期工程建设开始,经过多年的建设和发展,已经取得了显著的成就,特别是近几年地铁建设的快速发展,从事地铁工程建设的施工、建设、设计、监理等单位积累了丰富的实践经验和科研成果。
这些工程实际经验和科研成果,是对地铁工程施工中安全管理及控制工作的有益总结,是编制地铁工程施工安全评价标准的科学依据。
地铁工程施工安全评价标准在编制过程中,组织了多家地铁工程建设中的龙头单位、高校和科研院所、多位长期从事地铁工程建设的专家,充分总结了地铁工程施工中长期积累的工程经验和科研成果。
1.4 地铁工程施工安全评价标准编制原则地铁工程施工安全评价是落实“安全第一,预防为主”方针的重要技术保障,是地铁工程施工过程中安全生产监督管理的重要手段。
该标准在编制过程中,应遵循以下 4 个原则:(1)系统性和全面性原则地铁工程是一个复杂的庞大系统,安全影响因素众多,地铁工程施工安全评价标准必须以系统理论为基础,全面反映地铁的安全现状,需要考虑整个施工过程不同专业类型、不同参建单位面临的安全问题。
地铁工程施工安全评价标准应力求全面反映评价对象的安全水平。
(2)协调性原则地铁工程施工安全评价标准在编制过程中,必须与我国现有的安全法律法规、相关政策相衔接,合理地处理与现行相关标准的关系,做好该标准与现有标准的协调工作。
同时,在地铁工程施工安全评价标准编制的过程中,做好与现有标准的衔接工作,并尽量避免内容上与其他既有规范、标准重复。
(3)先进性和可操作性原则地铁工程施工安全评价标准的编制,必须贯彻执行国家、行业、地方的有关法律、法规和方针、政策,充分考虑使用要求,做到先进、合理、适用;积极借鉴国际先进标准,经过认真分析论证或测试验证,结合我国国情制定与国际接轨的先进标准。
地铁工程施工安全评价标准应简单明确、使用方便,考虑到评价指标的量化及数据获得的难易程度和可靠性,尽量选取表征性强、实用、便于统计和量化的参数作为评价指标。
评价指标有良好的可操作性以保证评价值准确、快捷的获得,以确保评价工作的顺利进行。
(4)科学性和可靠性原则地铁工程施工安全评价标准必须建立在科学的基础上,才能反映客观实际,才能对实践具有指导作用。
评价标准必须可靠、具有指导实际的作用,才能构成评价标准的基础。
地铁工程施工安全评价标准在地铁工程施工安全管理的过程中,应具有重要的引导和指导作用,应完全符合安全系统工程的基本原理,符合地铁工程施工安全的总体目标要求。
2 地铁工程施工安全评价标准内容体系和评价方法2.1 地铁工程施工安全评价标准内容针对地铁工程施工过程,根据风险管理理论和事故致因理论,应用安全系统工程原理和方法,根据大量的工程实践经验对地铁工程施工安全事故的影响因素进行辨识和总结,确定地铁工程施工安全评价内容。
地铁工程施工安全评价的内容分为施工安全组织管理评价、施工安全技术管理评价、施工环境安全管理评价、施工安全监控预警管理评价 4 个部分,如图1 所示。
3 地铁工程施工安全评价标准主要特点3.1 基于地铁施工全过程安全控制理念,注重监控预警管理地铁安全监控预警,是协助各参建单位及时发现风险、控制风险、快速反应、排除工程隐患,提高安全风险的适时预警与警戒能力,以及事故发生的预测和防控能力的重要手段。
地铁监控预警近年受到极大关注,监控预警管理系统在各大城市地铁施工中得到应用。
但目前地铁工程施工监控预警缺乏整体系统工作要求,仅有部分监控预警的要求分散在各标准中、且说法不统一。
本标准从评价的角度出发对风险管理、监控管理、预警管理三个方面的管理要点做出了规定,以督促和指导地铁施工各方安全监控预警的实施。
如提出了加强施工监测和第三方监测数据信息的对比分析等具体的监控数据处理的要求,提出安全监控预警分为数据级预警、现场级预警和工点综合预警3类,并分为绿色、黄色、橙色、红色4种安全风险等级,明确了分类预警要求和预警发布等工作内容。
3.2 借鉴国内外先进安全管理方法,注重安全文化建设(1)强调施工现场可视化管理。
提出安全警示标志布置评价具体内容,如要求施工现场的危险部位及设施设备应设有明显的地面标识、警戒围栏或安全引导语等安全警示标志等。
(2)重视安全教育,提高员工安全素质。
提出安全培训制度评价具体内容,如要求建设单位应每年至少组织两次对施工安全法规、政策文件、管理制度、安全技术技能的培训,管理者和工作人员都应参加,并有培训记录;要求施工单位应制定对项目经理,安全生产管理人员,特种作业人员,待岗、转岗、换岗职工,新进单位从业人员的安全教育培训计划。
(3)加强安全检查和沟通,实现有感领导。
要求管理人员必须有计划地对工程进行检查。
检查是正面的、鼓励性的,以收集数据、了解信息,然后发现问题、解决问题为主的。
同时增强管理人员与基层员工的沟通,体现人文关怀,营造良好企业文化氛围。
(4)强调能量隔离。
利用安全锁具将电能、势能、化学能等能量有效隔离,防止能量和物料意外释放而造成人员、环境或设备的损害。
3.3注重安全责任体系的构建该标准明确提出各级管理层对各自的安全直接负责,提出安全管理责任制评价内容,主要负责人及安全管理人员应签订安全管理责任状;提出安全生产制度评价内容,要求应逐级签订安全生产责任书,建立相关责任追究处罚的档案和记录。
3.4 适应性强(1)标准评价的基本对象广。
本标准评价的基本对象可为一个车站、一个区间,也可对整个地铁线路网或一条线路的施工安全进行评价,评价的基本对象广。
(2)标准评价的主体对象范围广。
本标准评价的主体对象可以是对一个或者多个主体进行评价,具体包括建设单位安全管理评价、勘察设计单位安全管理评价、施工单位安全管理评价、监理单位安全管理评价、监测单位安全管理评价,标准评价的主体对象范围广。