石油的基本组成及其性质修订稿
- 格式:docx
- 大小:432.31 KB
- 文档页数:5
石油的基本组成及其性质集团标准化工作小组 #Q8QGGQT-GX8G08Q8-GNQGJ8-MHHGN#石油的基本组成及其性质:(一)石油的元素组成:石油是埋藏于地下的天然矿产物八圣过勘探、开采出的未经炼制的石油也叫做原油。
在常温下,原油大都呈流体或半流体状态,颜色多为黑或深棕色,少教为暗绿、赤褐或黄色,并且有特殊气昧。
原油经过炼制后的成品叫做石油产品。
不同产地的原油,其相对密度也不相同,但一般都小于l,多在一之间,个别低于。
凝点的差异也较大,有的高达30‘C以上,有的却低于一50‘C。
原油之所以在外观和物理性质上存在差异,根本原因在于其化学组分不完全相同。
原油既不是由单一元索组成的单质,也不是由两种以上元素组成的化合物,而是由各种元素组成的多种化合物的混合物。
因此,其性质就不象单质和纯化合物那样确定,而是所含各种化合物性质的综合体现。
原油的主要组成成分是碳和氢,碳氢化合物也简称为烃,烃是原油加工和利用的主要对象。
原油中所含各种元索并不是以单质形式存在,而是以相互结合的各种碳氢及非碳氢化合物的形式而存在。
原油中含有的硫、氧、氮等元素与碳、氢形成的硫化物、氮化物、氧化物和胶质、沥青质等非烃化合物,其含量可达10%一20%,这些非烃化合物大都对原油的加工及产品质量带来不利影响,在石油的炼制过程中应尽可能将它们除去。
此外,原油中所含微量的氯、碘、砷、磷、镍、钒、铁、钾等元素,也是以化合物的形式存在。
其含量虽小,对石油产品的影响不大,但其中的砷会使得催化重整的催化剂中毒,铁、镍、钒会使催化裂化的催化剂中毒。
故在进行原油的这类加工时,对原料要有所选择或进行预处理。
(二)石油的烃类组成:石油中的烃类按其结构不同,大致可分为烷烃、环烷烃、芳香烃和不饱和烃等几类。
不同烃类对各种石油产品性质的影响各不相同。
l.烷烃烷烃是石油的重要组分,凡是分子结构中碳原子之间均以单键相互结合,其余碳价都为氢原子所饱和的烃叫做烷烃,它是一种饱和烃,其分子通式为CnH2n+2。
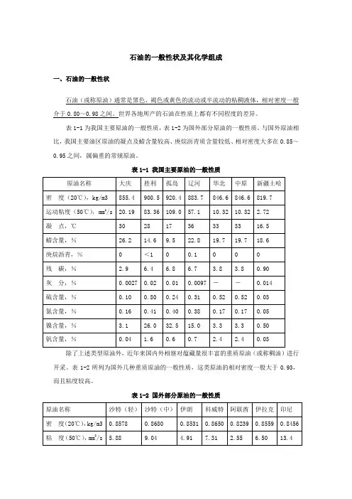
石油的一般性状及其化学组成一、石油的一般性状石油(或称原油)通常是黑色、褐色或黄色的流动或半流动的粘稠液体,相对密度一般介于0.80~0.98之间。
世界各地所产的石油在性质上都有不同程度的差异。
表1-1为我国主要原油的一般性质,表1-2为国外部分原油的一般性质。
与国外原油相比,我国主要油区原油的凝点及蜡含量较高、庚烷沥青质含量较低、相对密度大多在0.85~0.95之间,属偏重的常规原油。
表1-1 我国主要原油的一般性质除了上述类型原油外,近年来国内外相继对蕴藏量很丰富的重质原油(或称稠油)进行开采。
表1-2所列为国外几种重质原油的一般性质,这类原油的相对密度一般大于0.93,而且粘度较高。
表1-2 国外部分原油的一般性质二、石油的元素组成石油基本上由五种元素即碳、氢、硫、氮、氧所组成。
原油中碳的质量分数一般为83.0%~87.0%,氢的质量分数为11.0%~14.0%,硫的质量分数为0.05%~8.00%,氮的质量分数为0.02%~2.00%,氧的质量分数为0.05%~2.00%。
三、石油的族组成从化学组成来看,石油中主要含有烃类和非烃类这两大类。
石油中烃类主要是由烷烃、环烷烃和芳香烃以及在分子中兼有这三类烃结构的混合烃构成。
1、石油的烃组成石油是化学组成非常复杂的液体混合物,它的主要成分是碳氢化合物,碳和氢元素在石油中占到96~99%。
碳氢化合物就是我们常说的“烃”,其汉语发音取“碳”的声母“T”,“氢”的韵母组成“ing”,其英语单词也是氢(Hydrogen)和碳Carbon的组合Hydrocarbon。
认识“烃”,学习石油的烃组成是掌握炼油知识的基础。
按族组成分类可以分为烷烃、环烷烃、芳香烃、烯烃与二烯烃,烯烃与二烯烃一般是在二次加工如催化裂化过程中产生的。
烷烃中由1个碳和4个氢组成的是甲烷,它是天然气的主要成分,也是“炼厂干气”的主要成分;3个碳的是丙烷,4个碳的是丁烷,丙丁烷就是罐装气体打火机燃料和民用液化气的主要成分。
石油基本概念
石油通常指的是由气态、液态和固态烃类组成的天然混合物,它被称为“工业的血液”。
以下是一些关于石油的基本概念:
1. 组成:石油主要由碳氢化合物构成,含有少量硫、氮、氧以及微量元素。
它的主要成分包括烷烃、环烷烃和芳香烃等不同类型的有机化合物。
2. 形态:石油可以以不同的物理状态存在,包括原油(液态)、天然气(气态)、天然气液(液态轻烃)及天然焦油(固态)等形式。
但在日常语境中,“石油”一词往往特指原油。
3. 特点:原油是一种粘稠、深褐色液体,其性质和外观因产地不同而有所差异。
大多数原油的颜色为黑色或暗色系列,相对密度多在0.8到0.98之间。
原油具有特定的气味,这主要是由于其中包含有臭味的含硫化合物。
4. 用途:石油是当今世界最重要的能源之一,广泛应用于交通运输、化工原料、发电和供热等多个领域。
由于石油的重要性,全球范围内的勘探、开发和贸易活动一直非常活跃。
5. 历史地位:石油在20世纪以来的国际能源市场中占据了非常重要的位置,尤其是在二战期间,石油的战略价值凸显,成为推动国际政治和经济的关键因素。
6. 成油机理:关于石油的形成机理,目前广泛接受的是生物沉积变油学说,即认为石油是由古代海洋或湖泊中的生物遗体在地质时期经过长时间的沉积、热解和转化形成的。
综上所述,石油不仅是现代工业的基础,也是全球经济和政治的重要因素。
随着科技的进步和对环境的关注,人们正在寻找更多的替代能源来减少对石油的依赖。
石油及其主要产品化学组成和物理性能1、石油的化学组成1.1 颜色与密度石油(俗称原油)通常是黑色、褐色或黄色的流动或半流动的粘稠液体,由于含有硫等其它物质,一般都有不同程度的臭味。
多数原油的密度集中在750~950kg/m³之间,也有个别原油的密度在1000 kg/m³以上或在800 kg/m³以下。
1.2 元素组成一般而言,原油由以下几种元素或化合物组成:碳——83~87%,氢——11~14%,硫——1~3%(硫化物、二硫化物和单质硫等),氮——低于1%(以带胺基的碱性化合物为主),氧——低于1%(存在于二氧化碳、苯酚、酮和羧酸等有机化合物中),金属和非金属物质——低于1%(镍、铁、钒、铜、砷等)。
根据硫含量的不同,可分为低硫原油(硫含量小于0.5%)、含硫原油(硫含量0.5~2.0%)和高硫原油(硫含量大于2.0%)三类。
碳/氢原子比(有时也称氢/碳原子比)是反映原油属性的一个重要参数,与其原有的化学结构有关系。
1.3 烃类组成原油中的烃类成分主要分为烷烃、环烷烃、芳香烃,这些烃类组成是以气态、液态、固态的化合物存在。
根据烃类成分的不同,原油也可分为石蜡基原油、环烷基原油和中间基原油三类。
石蜡基原油含烷烃较多;环烷基原油含环烷烃、芳香烃较多;中间基原油介于二者之间。
原油中的烃类含量因为产地种类不同差异很大,相对密度较小的轻质原油中烃类含量可能大于90%,而相对密度较大的重质原油中的烃类含量甚至可能小于50%。
炼油厂加工的的原油通常为液态。
原油中含的液体状态烃按其沸点不同,可以分为低沸点馏分、中间馏分以及高沸点馏分。
低沸点馏分,如在汽油馏分中含有C5~C10的正构烷烃、异构烷烃、单环环烷烃、单环芳香烃(苯系)。
中间馏分,如在煤油、柴油馏分中含有C10~C20的正异构烷烃、带侧链的单环环烷烃、双环及三环环烷烃、双环芳烃。
高沸点馏分,如在润滑油馏分中含有C20~C36左右的正异构烷、环烷烃和芳香烃。
➢石油的一般性质颜色、密度、状态、粘度、凝点、蜡含量、残炭◆颜色随产地不同而不同,淡黄黑色◆状态流动或半流动的粘稠液体◆密度相对密度集中在0.80~ 0.98之间20> 0.86 的为较重原油一般规定d4◆我国原油的主要特点✓属于较重原油,通常在d 420在0.85~ 0.95之间;✓凝点及含蜡量较高;✓主要是含硫或低硫原油;✓含氮量较高。
➢我国原油的主要特点◆规定:S < 0.5 m %低硫原油0.5 m %< S <2.0 m %含硫原油S>2.0 m %高硫原油我国陆上主要原油的一般性质原油名称大庆胜利辽河孤岛华北中原新疆吐哈鲁宁管输密度,g/cm3(20℃)0.85540.90050.92040.94950.88370.84660.81970.8937运动粘度,mm2/s(50℃)20.1983.36109.0333.757.110.32 2.7237.8凝点,℃302817(倾点)2363316.526.0蜡含量,m%26.214.69.5 4.922.819.718.615.3庚烷沥青质m%0<10 2.9<0.1000残炭,m% 2.9 6.4 6.87.4 6.7 3.80.90 5.5灰分,m%0.00270.020.010.0960.0097-0.014-硫含量,m%0.100.800.24 2.090.310.520.030.80氮含量,m%0.160.410.400.430.380.170.050.29镍含量,μg/g 3.126.032.521.115.0 3.30.5012.3钒含量,μg/g0.04 1.60.6 2.00.7 2.40.03 1.5国外若干种原油的一般性质原油名称沙特(轻质)沙特(中质)沙特(轻重混合)伊朗(轻质)科威特阿联酋(穆尔班)伊拉克印尼(米纳斯)哈萨克斯坦密度g/cm3(20℃)0.85780.86800.87160.85310.86500.82390.85590.84560.8538运动粘度mm2/s (50℃)5.889.049.17 4.917.31 2.556.5013.4 1.088凝点,℃-24-7-25-11-20-7-15(倾点)34(倾点)-13蜡含量,m% 3.36 3.10 4.24- 2.73 5.16-- 4.5庚烷沥青质,m% 1.48 1.84 3.150.64 1.970.36 1.100.28-残炭, m% 4.45 5.67 5.82 4.28 5.69 1.96 4.2 2.8 3.02硫含量,m% 1.91 2.42 2.55 1.40 2.300.86 1.950.10 1.03氮含量,m%0.090.120.090.120.14-0.100.100.20第一节石油的一般性质、元素组成和馏分组成◆主要元素C: 83 ~87 m%H: 11~14 m%S: 0.05~8 m%N: 0.02~2 m%O: 0.05~2 m%多数原油的C, H元素占元素组成的95~ 99m%,而S, N,O总量占1~ 5%。
石油的一般性质元素组成和馏分组成
一、石油的一般性质
石油是一种液体,具有油性、黏度和分子量等特征,颜色从深褐色到透明,具有不同的香气,在常温下很容易可燃。
石油的沸点在温度和压力条件的影响下有明显的变化,一般沸点范围在35-900℃,性质若是偏酸或偏碱,则燃点在偏低;而石油的密度与沸点、比重有关,一般来说,石油的密度越低,其沸点越高,越比重,越流动。
二、石油的元素组成
石油的元素组成主要有碳(C)、氢(H)、氧(O)、氮(N)和硫(S)等五种,其中碳含量最高,组成石油中的主要成分;氢占石油总量的百分之85-90,是石油中最主要的元素;石油中含氧量较少,一般在百分之0.3以下,氧的含量可作为气态石油的重要指标;石油中的氮含量一般比较低,一般为百分之0.1左右,但当石油受热后,氮的含量会明显上升;而硫含量也比较低,一般在百分之0.05以下。
三、石油的馏分组成
石油馏分是指把原油加热分馏,在不同温度和压力的条件下分出来的油的品种和性质不同的液体和混合物。
石油的组成及性质
石油是由各种碳氢化合物和少量杂质组成的存在于地下岩石孔隙中的液态可燃的、成分十分复杂的天然有机化合物的混合物。
石油没有固定的化学成分和物理常数。
1.石油的元素组成
石油的主要成分C、H、O、S、N.其中,C:84%~87%,H:11%~14%,两者占97%~99%;0、S、N总量仅占1%~3%,个别情况下,高硫石油,这个比例可达3%~7%.如墨西哥石油含硫3. 6%~5. 3%.石油中氮含量很少,一般为千分之几到万分之几,个别情况下N 含量也很高,如美国加利福尼亚古近系石油氮含量可达1. 4%~2. 2%.
此外,石油中还有其他微量元素,构成了石油灰分。
目前,已从石油灰分中发现了微量元素54种。
这些元素近似自然界有机物的元素组成。
说明石油与原始有机质存在明显的亲缘关系。
2.石油的化合物组成
石油中的主要元素,不是呈游离状态,而是结合成不同的化合物存在,以烃类化合物为主,另外还有含氧、含硫、含氮的非化合物。
石油的基本组成及其性
质
WEIHUA system office room 【WEIHUA 16H-WEIHUA WEIHUA8Q8-
石油的基本组成及其性质:
(一)石油的元素组成:石油是埋藏于地下的天然矿产物八圣过勘探、开采出的未经炼制的石油也叫做原油。
在常温下,原油大都呈流体或半流体状态,颜色多为黑或深棕色,少教为暗绿、赤褐或黄色,并且有特殊气昧。
原油经过炼制后的成品叫做石油产品。
不同产地的原油,其相对密度也不相同,但一般都小于l,多在一之间,个别低于。
凝点的差异也较大,有的高达30‘C以上,有的却低于一50‘C。
原油之所以在外观和物理性质上存在差异,根本原因在于其化学组分不完全相同。
原油既不是由单一元索组成的单质,也不是由两种以上元素组成的化合物,而是由各种元素组成的多种化合物的混合物。
因此,其性质就不象单质和纯化合物那样确定,而是所含各种化合物性质的综合体现。
原油的主要组成成分是碳和氢,碳氢化合物也简称为烃,烃是原油加工和利用的主要对象。
原油中所含各种元索并不是以单质形式存在,而是以相互结合的各种碳氢及非碳氢化合物的形式而存在。
原油中含有的硫、氧、氮等元素与碳、氢形成的硫化物、氮化物、氧化物和胶质、沥青质等非烃化合物,其含量可达10%一20%,这些非烃化合物大都对原油的加工及产品质量带来不利影响,在石油的炼制过程中应尽可能将它们除去。
此外,原油中所含微量的氯、碘、砷、磷、镍、钒、铁、钾等元素,也是以化合物的形式存在。
其含量虽小,对石油产品的影响不大,但其中的砷会使得催化重整的催化剂中毒,铁、镍、钒会使催化裂化的催化剂中毒。
故在进行原油的这类加工时,对原料要有所选择或进行预处理。
(二)石油的烃类组成:石油中的烃类按其结构不同,大致可分为烷烃、环烷烃、芳香烃和不饱和烃等几类。
不同烃类对各种石油产品性质的影响各不相同。
l.烷烃烷烃是石油的重要组分,凡是分子结构中碳原子之间均以单键相互结合,其余碳价都为氢原子所饱和的烃叫做烷烃,它是一种饱和烃,其分子通式为CnH2n+2。
烷烃是按分子中含烃原子的数目为序进行命名的,碳原子数为l-10的分别用甲、乙、丙、丁、戊、己、庚、辛、壬、癸表示;10以上者则直按用中文数字表示J目只含一个碳原子的称为甲烷;含有十六个碳原子的称为十六烷。
这样,就组成了为数众多的烷烃同系物。
烷烃按其结构之不同又可分为正构烷烃与异构烷烃两类,凡烷烃分子主碳链上没有支碳链的称为手宁导,而有支链结构的称为异构烷。
在常温下,甲烷至丁烷的正构烷呈气态;戊烷至十五烷的正构烷呈液态;十六烷以上的正构烷呈蜡状固态(是石蜡的主要成分)。
由于烷烃是一种饱和烃,故在常温下,其化学安定性较好,但不如芳香烃。
在一定的高温条件下,烷烃容易分解并生成醇、醛、酮、醚、羧酸等一系列氧化产物。
税烃的密度最小,粘温性最好,是燃料与润滑油的良好组分。
正构烷与异构烷虽然分子式相同,但由于分子结构不同,性质也有所不同。
异构烷烃较碳原子数相同的正构烷烃沸点要低,且异构化愈甚则沸点降低愈显着。
另外,异构烷烃比正构烷烃粘度大,粘温性差。
正构烷烃因其碳原子呈直链排列,易产生氧化反应.,即发火性能好,它是压燃式内燃机燃料的良好组分。
但正构烷烃的含量也不能过多,否则凝点高,低温流动性差。
异构烷由于结构较紧凑,性质安定,虽然发火性能差,但燃烧时不易产生过氧化物,即不易引起混合气爆燃,它是点燃式内燃机的良好组分。
2.环烷烃环烷烃的化学结构与烷烃有相同之处,它们分子中的碳原子之间均以一价相互结合,其余碳价均与氢原子结合。
其碳原子相互连接成环状,故称为环烷烃。
由于环
烷烃分子中所有碳价都己饱和,因而它也是饱和烃。
环烷烃的分子通式为CnH2n。
环烷烃具有良好的化学安定性,与烷烃近似但不如芳香烃。
其密度较大,自燃点较高,辛烷值居中。
它的燃烧性较好、凝点低、润滑性好,故也是汽油、润滑油的良好组分。
环烷烃有单环烷烃与多环烷烃之分。
润滑油中含单环烷烃多则粘温性能好,含多环烷烃多则粘温性能差。
3.芳香烃芳香烃是一种碳原子为环状联结结构,单双键交替的不饱和烃,分子通式有CnH2n-6、CnH2n-12、CnH2n-18等。
它最初是由天然树脂、树胶或香精油中提炼出来的,具有芳香气味,所以把这类化合物叫做芳香烃。
芳香烃都具有苯环结构,但芳香烃并不都有芳香味。
芳香烃化学安定性良好,与烷烃、环烷烃相比,其密度最大.自燃点最高,辛烷值也最高,故其为汽油的良好组分。
但由于其发火性差,十六烷值低,故对于柴油而言则是不良组分。
润滑油中若含有多环芳香烃则会使其粘温性显着变坏,故应尽量去除。
此外,芳香烃对有机物具有良好的溶解力,故某些溶剂油中需有适当含量但因其毒性较大,含量应予控制。
4.不饱和烃不饱和烃在原油中含量极少,主要是在二次加工过程中产生的。
热裂化产品中含有较多的不饱和烃,主要是烯烃,也有少量二烯烃,但没有炔烃。
烯烃的分子结构与烷烃相似,即呈直链或直链上带支链。
但烯烃的碳原子间有双价键。
凡是分子结构中碳原子间含有双价键的烃称为烯烃,分子通式有CnH2n、
CnHo2n-2等。
分子间有两对碳原子间为双键结合的则称为二烯烃。
烯烃的化学安定性差,易氧化生成胶质,但辛烷值较高,凝点较低。
故有时也将热裂化馏分(含有烯烃、二烯烃)掺入汽油中以提高其辛烷值;掺人柴油中以降低其凝点。
但因烯烃安定性差,这类掺合产品均不宜长期储存,掺有热裂化馏分的汽油还应加入抗氧防胶剂。
(三)石油中的非烃化合物:石油中的非烃化合物含量虽少,但它们大都对石油炼制及产品质量有很大的危害,是燃料与润滑油的有害成分,所以在炼制过程中要尽可能将它们去除。
非烃类化合物主要有,含硫化合物、含氧化物、含氮化合物、胶质与沥青质。
各种非烃化合物的基本性质
(四)石油的分类及其性质:
石油的分类方法主耍有以下几种。
l.工业分类法
在工业上通常按石油的相对密度将其分为四类坝表1-1所列。
2.商品分类法
(
l)按含硫量分类按含硫量之不同,可将原油分为三类,见表1-2所列。
(2)按含蜡量分类 --般是在石油中取出一馏分,其粘度值为 53mm2/s(50`C),然后测其凝点。
当凝点低于一6'C时,称为低蜡原油;当凝点在一15'C一20'C时,称为含蜡原油;当凝点大于时,称为多蜡原油。
(3)按含胶质分类以重油(沸点高于300‘C的馏分)中胶质含量来分。
含胶质量小于17%,称为低胶质原油;贪胶质量在18%一35%,称为含胶质原油;含胶质量大小35%,称为多胶质原油。
3.化学分类法
?化学分类法是根据特性因素值*的不同进行分类,见表1-3
4.关键馏分分类法
按关键馏分分类,可将原油分为七类,即:石蜡基、石蜡一中间
基、中间一石蜡基、中间基、中间一环烷基、环烷一中间基、环烷基。
5.原油的--些基本性质
具有代表性的大庆原油属低硫石蜡基原油,口前已开采酌原油以低硫石蜡基居多。
这种原
油,硫含量低,含蜡量高,凝点高,能生产出优质的煤油、柴油、溶剂油、润滑油及商品石蜡,直馏汽油的感铅性好。
辽河原油的硫含量低,轻质馏分多,属于低硫中间石蜡基,是一种较好的原油。
其汽油馏分辛烷值高,渣油经氧化后可制石油建筑沥青。
胜利原油胶
质含
量高,相对密度较大,含蜡量高.属含硫中间基。
汽油馏分酌感铅性好,且富含环烃与芳香烃,故也是催化重整的良好原料。
柴油馏分可生产轻柴油与专用柴油,但因硫含量、氮含量及徽度较高,故需适当精制J闰滑油馏分的脱蜡油经适度精制可生产车用机油、变压
器油及机械油等,如经深度精制,则可制取柴油机油。
有的原油硫含量高,胶质含量高,属含硫石蜡基。
其直馏汽油馏分产率高,感铅性也好。
柴油馏分的十六烷值高,闪点高,硫含量高,酸度大,经精制后. 可生产轻柴油与专用柴油。
润滑油馏分中,有一部分组分的粘度指数在90以上,是生产内燃机油的良好的原料。
有的原油硫含量低,含蜡量较高,属低硫环烷一中问基。
其汽油馏分感铅性好,且也富含环烷烃与芳香烃,故也是催化重整的良好原料。
柴汕馏分的凝点及硫含量均较低,酸度较大,产品需碱洗。
减压渣油经氧化后可生产石油建筑沥青。
另有些低凝原油硫含量低、含蜡量也低,属低硫中问基。
适于生产一些特殊性能的低凝产品,同时还可提取环烷酸是不可多得的宝贵资源。