地基与基础分部工程质量控制资料核查记录文本
- 格式:doc
- 大小:190.50 KB
- 文档页数:10
单位(子单位)工程质量控制资料核查记录
(地基基础分部)
GB50300—2001
表G.0.1-2
续表
单位(子单位)工程质量控制资料核查记录
(主体结构分部)
GB50300—2001
表G.0.1-2
单位(子单位)工程质量控制资料核查记录
(装修分部)
GB50300—2001
续表
单位(子单位)工程质量控制资料核查记录
(屋面分部)
GB50300—2001
表G.0.1-2
单位(子单位)工程质量控制资料核查记录
(给排水分部)
GB50300—2001
表G.0.1-2
单位(子单位)工程质量控制资料核查记录
(电气分部)
GB50300—2001
续表
【本文档内容可以自由复制内容或自由编辑修改内容期待你的好评和关注,我们将会做得更好】
感谢您的支持与配合,我们会努力把内容做得更好!。
地基基础分部工程质量控制资料核查记录项目名称:XXX工程工程位置:XXX地区施工单位:XXX公司日期:XXXX年XX月XX日一、地基基础工程质量控制资料核查情况1.设计文件核查情况:a.设计文件完备、正确,并获得相关设计单位签章认可。
b.设计文件与工程实际情况相符。
2.施工方案核查情况:a.施工方案详细、合理,符合相关规范要求。
b.施工方案与设计文件相符,并获得相关部门的批准。
3.材料试验报告核查情况:a.材料试验报告齐全,并获得相关检测机构签章认可。
b.材料试验报告结果符合规范要求。
4.施工工序控制资料核查情况:a.土方开挖控制资料齐全,包括土方开挖方案、测量记录等。
b.填方与挖方的平衡控制符合设计要求。
c.围护结构安装控制资料齐全,包括围护结构安装方案、焊接记录等。
d.地基处理工序控制资料齐全,包括地基处理方案、施工记录等。
e.混凝土浇筑工序控制资料齐全,包括浇筑方案、施工记录等。
5.监测数据核查情况:a.监测数据准确、完整,并获得相关监测机构签章认可。
b.监测数据与设计要求相符。
6.施工质量验收记录核查情况:a.施工过程中的质量验收记录齐全、完整。
b.施工质量验收结果符合规范要求,并获得相关部门的验收批准。
二、存在问题及处理情况1.在施工过程中发现了设计文件与实际情况不符的问题,已与设计单位进行了沟通和修改,并获得其确认。
2.部分材料试验报告的结果不符合规范要求,已要求施工单位重新进行相关检测,并提交新的试验报告。
3.对于施工工序控制资料的填写不规范、不完整的问题,已对施工人员进行了培训,并要求重新整理相关资料。
4.部分监测数据存在误差,已与监测机构进行核实,并要求重新测量并提交新的监测数据。
三、总结通过对地基基础分部工程质量控制资料的核查记录,发现了部分问题,并采取了相应的措施进行处理。
在后续的施工中,将进一步加强对质量控制资料的监督和管理,确保施工质量的有效控制和改进。
施工负责人签名:XXX。
表3.0.13-1 地基与基础分部(子分部)工程质量控制资料核查记录
编号:
表3.0.13-2 主体结构分部(子分部)工程质量控制资料核查记录
编号:
表3.0.13-3 建筑装饰装修分部(子分部)工程质量控制资料核查记录
编号:
表3.0.13-4 建筑屋面分部(子分部)工程质量控制资料核查记录
编号:
表3.0.13-5 建筑给排水及采暖分部(子分部)工程质量控制资料核查记录
编号:
表3.0.13-6 建筑电气分部(子分部)工程质量控制资料核查记录
编号:
表3.0.13-7 通风与空调分部(子分部)工程质量控制资料核查记录
编号:
【本文档内容可以自由复制内容或自由编辑修改内容期待你的好评和关注,我们将会做得更好】。
地基基础分部工程质量控制核查记录
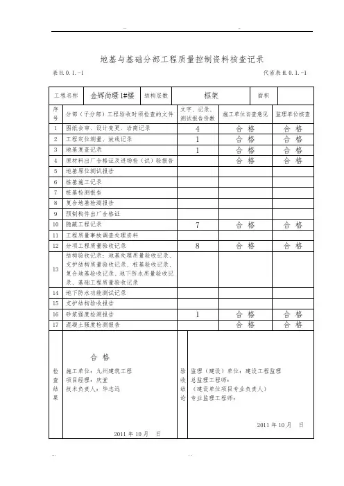
地基根基分部工程质量控制资料核查记录
单位〔子单位〕工程名称
包括子分部工程名称桩基子分部、混凝土根基子分部、砌体根基子分部、地下防水子分部施工单位云南正荣装修工程
序资料名称份数核查建议核查人
号
1施工图会审、设计更改、洽谈记录设计更改程序切合要求
2施工组织设计〔施工方案〕及技术交底记录施工方案已审批
3工程定位丈量、放线记录定位丈量正确、放线记录齐
全
4地基验槽记录查罢手续齐备
5原资料、构配件出厂质量证明文件及进场查验记录钢筋、商品砼、砖有合格证
及进场查收记录
6钢筋连结性能检测报告钢筋焊接试验合格
7隐蔽工程查收记录隐蔽工程查收记录已签认
8沙浆、混凝土配合比通知及开盘判定记录齐备、有效
9混凝土强度、抗渗检测报告砼抗压、抗渗检测结果切合
设计要求
10沙浆强度检测报告沙浆检测结果切合设计要
求
11大概积混凝土专项施工方案及控制记录测温记录切合要求
12桩位完工查收记录及完工图桩位查收记录手续齐备,竣
工图已达成
13施工记录真切有效
14查验批、分项、子分部、分部工程查收记录质量查收记录切合标准规
定
15工程质量事故及事故检查办理资料
16其余必需的文件和记录
施工齐备、有效监理总监理工程师:
单位工程经理〔注册建筑师〕:〔建〔建设单位工程技术负责人〕:
检查公司技术负责人:设〕年代日
建议年代日单位
查收
建议
云南省住宅和城乡建设厅印制。
地基与基础分部工程安全和功能检验资料核查及主要功能抽查记录地基与基础分部工程是建筑工程中的重要组成部分,其安全性和功能性检验资料是确保该工程质量可靠的重要依据。
在地基与基础分部工程的施工过程中,我们需要对其安全性和功能性的检验资料进行核查,并进行主要功能的抽查记录。
1.安全性检验资料核查(1)地基勘测报告:核查地基勘测报告中的地质情况、土壤承载力等相关指标是否符合设计要求,检查地基处理的合理性。
(2)地基处理措施:核查施工单位是否按照设计要求进行地基处理,包括挖土、回填、加固等措施的合理性。
(3)基础钢筋工程质量检验报告:核查基础钢筋的质量检验报告,包括钢筋的材质、直径、拉力、焊接质量等指标是否符合设计要求。
(4)基础混凝土工程质量检验报告:核查基础混凝土的质量检验报告,包括混凝土的强度、密实度等指标是否符合设计要求。
(5)基础与地下管线及电缆通道的交底记录:核查地下管线和电缆通道的施工交底记录,包括位置、埋深、保护措施等是否符合设计要求。
2.功能性检验资料核查(1)地基沉降观测资料:核查地基沉降观测的资料记录,包括测点位置、初始高程、每次观测的变形量等是否符合规范要求。
(2)基础防水层工程质量检验报告:核查基础防水层的工程质量检验报告,包括防水材料的质量、施工工艺、抗渗性能等是否符合设计要求。
(3)基础隔热层工程质量检验报告:核查基础隔热层的工程质量检验报告,包括隔热材料的质量、施工工艺、隔热效果等是否符合设计要求。
(4)基础排水系统工程质量检验报告:核查基础排水系统的工程质量检验报告,包括排水管道的质量、施工工艺、排水效果等是否符合设计要求。
(5)地基与基础的局部杂物处理记录:核查地基与基础施工过程中的局部杂物处理记录,包括土方开挖中的杂物清理、废弃物处理等是否符合规范要求。
在核查完安全性和功能性检验资料后,我们还需要进行主要功能的抽查记录,以确保地基与基础分部工程的质量可靠。
主要功能抽查记录应包括以下内容:-基础标高:测量基础标高,确保其符合设计要求。
地基与基础分部工程质量控制资料核查记录项目名称:XXX工程工程地点:XXX市XXX区一、核查目的本次核查旨在核实地基与基础分部工程质量控制资料的准确性和完整性,确保工程质量符合相关规范和标准的要求。
二、核查范围1.地基的填筑与处理措施;2.基础的施工与试验记录;3.地下管线的布置与保护措施;4.地基与基础的验收记录;5.环境保护措施的落实情况等。
三、核查内容针对以上资料范围,进行如下核查内容:1.核实地基填筑与处理措施是否符合设计要求,是否按照规范进行;2.核对基础施工与试验记录是否齐全,是否合理;3.核查地下管线布置与保护措施是否符合规范要求;4.核对地基与基础的验收记录是否完备,是否符合验收标准;5.核实环境保护措施是否科学合理。
四、核查方法1.阅读相关工程资料,对照相关规范和标准,逐项核对;2.视察工地现场,观察地基与基础施工情况,与工程现场负责人进行沟通;3.对关键物料和设备进行抽样检验,核实其质量合格证明;4.查阅相关验收报告和实测数据,验证其准确性和合理性。
五、核查结果1.地基填筑与处理措施:√通过核查,地基填筑与处理措施符合设计要求,按照规范进行施工。
2.基础施工与试验记录:√通过核查,基础施工与试验记录齐全,合理。
3.地下管线布置与保护措施:√通过核查,地下管线布置与保护措施符合规范要求。
4.地基与基础的验收记录:√通过核查,地基与基础的验收记录完备,符合验收标准。
5.环境保护措施的落实情况:√通过核查,环境保护措施科学合理。
六、核查结论通过核查,本次地基与基础分部工程质量控制资料符合相关规范和标准的要求,并且施工过程中各项质量控制措施得到了有效执行,工程质量得到了有效保障。
七、存在问题与建议经核查发现,本次地基与基础分部工程质量控制资料准确且完整,暂无存在问题和改进建议。
八、其他事项无。
九、核查人员核查人员:XXX核查日期:XXXX年XX月XX日十、附件清单1.地基填筑与处理措施资料2.基础施工与试验记录资料3.地下管线布置与保护措施资料4.地基与基础的验收记录资料。