路面结构设计
- 格式:doc
- 大小:167.50 KB
- 文档页数:6
高速公路短路基路面的结构设计如果短路基路面的结构设计出现不合理的情况, 就会对整体的施工质量造成影响, 不利于整个工程的建设。
为了避免这种情况的出现, 需要对短路基的结构特点进行分析, 结合整个工程的实际需求进行科学设计, 为提升整个建筑工程的质量奠定基础, 提高短路基结构的安全性和稳定性。
在此基础上, 要对结构设计方案进行优化和完善, 实现对每个施工环节质量的有效控制, 以此促进整体经济效益的提升。
一、高速公路短路基的特点1.施工难度大短路基通常位于桥梁和隧道之间, 位置分散、长度较短, 大部分为高填方和深挖方, 施工难度大, 给现场施工带来挑战。
作为施工单位和施工人员, 首先应该重视现场地形地质勘查, 结合现场施工做好勘查设计工作, 有效指导短路基施工。
2.压实质量无法保证压实度对短路基应用质量有着直接影响, 但是在地形条件比较复杂的区域, 特别是山区地区, 短路基一般处于比较陡峭的地区, 许多大型机械设备无法使用, 只能应用小型机械或者是通过人工操作的方法来开展压实工作, 这就无法保证压实质量, 在应用的过程中容易出现沉降现象。
3.沉降现象严重压实度无法得到保障就会导致路基填料不均匀, 不同部位的性能和刚度存在着较大的差异, 在后续施工中会出现不均匀沉降现象。
如果没有采取针对性的措施进行处理, 则会对整个高速公路的路面造成影响, 不利于后续的应用。
高速公路上的大型车辆比较多, 对路面的影响比较大, 如果公路本身存在问题, 在外界环境的影响下, 很容易出现开裂的情况, 影响应用效率, 也存在一定的安全隐患。
二、高速公路短路基面层结构设计1.面层结构的选择水泥混凝土面层刚度大, 可以弥补短路基压实度控制难的问题, 缓解路面不均匀沉降带来的路面损坏。
但短路基压实度不够、不均匀沉降严重, 容易导致混凝土面板局部压力过度集中,出现早期损坏, 制约车辆安全顺利通行。
而在混凝土面层掺入钢纤维并形成钢纤维混凝土, 能增强路面的抗裂、抗弯拉、抗疲劳性能, 促进工程质量提升, 设计中需要重视它的应用。
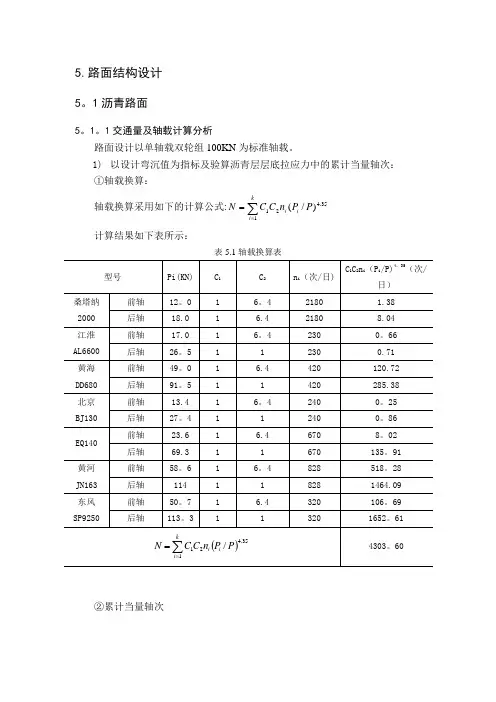
5.路面结构设计5。
1沥青路面5。
1。
1交通量及轴载计算分析路面设计以单轴载双轮组100KN 为标准轴载。
1) 以设计弯沉值为指标及验算沥青层层底拉应力中的累计当量轴次: ①轴载换算:轴载换算采用如下的计算公式:=N ∑=ki i i P P n C C 135.421)/(计算结果如下表所示:表5.1轴载换算表②累计当量轴次根据《公路沥青路面设计规范JTG D50—2006》,高速公路沥青路面的设计年限取15年,四车道的车道系数是取0。
5。
累计当量轴次:()111365t e N N γηγ⎡⎤+-⨯⎣⎦=()[]189188305.060.430336506449.0365106449.0115=⨯⨯⨯⨯-+=(次)2) 验算半刚性基层层底拉应力中的累计当量轴次 ①轴载换算验算半刚性基层层底拉应力轴载换算公式:812'1')/('P P n C C N i ki i ∑==计算结果如下表所示:表5。
2 轴载换算结果(半刚性基层层底拉应力)②累计当量轴次参数取值同上,设计年限是15年,车道系数取0。
5。
累计当量轴次:()111365t e N N γηγ⎡⎤+-⨯⎣⎦=()[]321652575.087.731636506449.0106449.0115=⨯⨯⨯-+=(次)5。
1。
2结构组合设计及材料选取1) 拟订路面结构组合方案根据规定推荐结构,并考虑到公路沿途有大量碎石且有石灰供应,路面结构面层采用沥青混凝土(取18cm ),基层采用水泥碎石(取20cm),下基层采用石灰土(厚度待定).另设20cm 厚的中粗砂垫层. 2) 拟订路面结构层的厚度由于计算所得的累计当量轴载达到了500万次,按一级路的路面来设计,由设计规范《公路沥青路面设计规范JTG D50—2006》规定高速公路、一级公路的面层由二层至三层组成。
采用三层式沥青面层,表面层采用细粒式密级配沥青混凝土(厚度为4cm),中面层采用中粒式密级配沥青混凝土(厚度为6cm ),下面层采用粗粒式密级配沥青混凝土(厚度为8cm )。
6种路面结构的具体设计指标路面结构是道路工程中至关重要的组成部分,不同类型的路面结构在设计时需要考虑各种因素,以确保道路的安全性、耐久性和经济性。
本文将详细介绍六种常见的路面结构,包括沥青混凝土路面、水泥混凝土路面、碎石路面、沥青封层路面、复合型路面和透水路面的设计指标,并探讨其在不同应用场景中的特点和优势。
一、引言路面结构是道路工程中的一个重要组成部分,其设计需要考虑到交通流量、环境条件、土壤特性等多方面因素。
在不同的道路工程中,选择合适的路面结构对于提高道路的使用寿命、减少维护成本具有关键作用。
本文将详细介绍沥青混凝土路面、水泥混凝土路面、碎石路面、沥青封层路面、复合型路面和透水路面这六种常见路面结构的设计指标,并探讨它们在不同应用场景中的特点和优势。
二、沥青混凝土路面设计指标:沥青层厚度:通常应根据交通流量、车辆类型和地理位置确定,以确保足够的承载能力和耐久性。
基层材料:应选择合适的基层材料,如碎石、沙土,以提供均匀的支撑和排水性能。
沥青配合比:应根据气候条件和交通负荷合理确定,以确保路面的稳定性和耐久性。
应用场景:沥青混凝土路面广泛应用于城市道路、高速公路等场景,适用于中到高交通流量和各种气候条件。
三、水泥混凝土路面设计指标:混凝土强度等级:根据道路等级和交通流量确定,以满足承载要求。
膨胀缝和工程缝设计:以控制混凝土的开裂,提高路面的耐久性。
基层处理:应确保基层的均匀性和稳定性,以防止变形和沉降。
应用场景:水泥混凝土路面适用于需要较高承载能力和较长使用寿命的道路,如高速公路、机场跑道等。
四、碎石路面设计指标:碎石种类和尺寸:应选择合适的碎石种类和尺寸,以提供均匀的支撑和排水。
碎石层厚度:根据交通流量和基层条件确定,以确保路面的稳定性和耐久性。
基层处理:应保证基层的排水性能和稳定性,以防止碎石沉降和泥泞。
应用场景:碎石路面适用于低交通流量和轻型车辆的场景,如农村道路、停车场等。
五、沥青封层路面设计指标:沥青封层厚度:通常较薄,以提供耐水、防护和抗滑的性能。
1沥青路面设计1.1路面设计原则①路面设计应根据使用要求和气候、水文等自然条件,结合当地实际经验进行。
②在满足交通量和使用要求的前提下,应因地制宜,选择合理方案。
③结合当地实际,在路面设计方案中应用有效的新材料、新工艺、新技术。
④路面设计方案应注重环境保护和施工人员的健康安全。
⑤为提高路面工程质量,应进行机械化施工。
⑥高速公路和一级公路的路面不得分期修建。
1.2新建沥青路面设计1.2.1设计标准①由《公路沥青路面设计规范》(JTG D50-2017)可得,路面结构的目标可靠度和目标可靠指标不应低于表1.1的规定1.1目标可靠度和目标可靠指标公路等级 高速公路 一级公路 二级公路 三级公路 四级公路目标可靠度(%) 95 90 85 80 70目标可靠指标β 1.65 1.28 1.04 0.84 0.52②该公路为二级公路,根据《公路沥青路面设计规范》(JTG D50-2017)的规定(如下表1.2所示)路面结构设计年限为12年。
1.2路面结构设计使用年限(年)公路等级 设计使用年限 公路等级 设计使用年限高速公路、一级公路 15 三级公路 10 二级公路 12 四级公路 8③采用下表1.3的参数,标准荷载为BZZ-100。
表1.3设计轴载的参数1设计轴载(KN) 轮胎接地压强(Mpa)单轮接地当量圆直径(mm)两轮中心距(mm)100 0.70 213.0 319.51.2.2交通荷载参数分析①根据《公路沥青路面设计规范》(JTG D50-2017)附录A.1车型分类。
②交通数据调查该项目交通量见表1.4,交通增长率为7.0%,方向系数取0.5,可靠度系数β取为1.04,根据《公路沥青路面设计规范》(JTG D50-2017)采用水平3的车道系数,根据表1.5取为1.0。
表1.4 交通组成交通组成 交通量(辆/日) 车型 交通组成 交通量(辆/日) 车型 小客车 739 小 跃进NJ131105 小66 中大客车 285 大 五十铃NPR595G北京BJ130 250 小 江淮196 中HF140A交通SH361 102 大 江淮HF150155 中太拖拉138 83 大 东风KM340189 中85 特大 金杯SY132 395 小 东风SP9135B46 特大 金杯SY450 345 小 五十铃EXR181L1.5 车道系数单向车道数 1 2 3 ≥4高速公路 - 0.70-0.85 0.45-0.60 0.40-0.50其他等级公路 1.00 0.50-0.75 0.50-0.75 - 各类车型技术参数见表1.6。
公路路面结构设计计算示例一、刚性路面设计交通组成表车型前轴重后轴重后轴数后轴轮组数后轴距(m )交通量小客车1800 解放CA10B 19.40 60.85 1 双—300 黄河JN150 49.00 101.60 1 双—540 交通SH361 60.00 2×110.00 2 双130.0 120 太脱拉138 51.40 2×80.00 2 双132.0 150 吉尔130 25.75 59.50 1 双—240 尼桑CK10G39.2576.001双—1801)轴载分析路面设计双轮组单轴载100KN⑴以设计弯沉值为指标及验算面层层底拉力中的累计当量轴次。
①轴载换算:161100ni i iisP N N 式中:s N ——100KN 的单轴—双轮组标准轴载的作用次数;i P —单轴—单轮、单轴—双轮组、双轴—双轮组或三轴—双轮组轴型i 级轴载的总重KN ;i N —各类轴型i 级轴载的作用次数;n —轴型和轴载级位数;i —轴—轮型系数,单轴—双轮组时,i=1;单轴—单轮时,按式43.031022.2iiP 计算;双轴—双轮组时,按式22.051007.1iiP ;三轴—双轮组时,按式22.081024.2iiP 计算。
轴载换算结果如表所示车型iP iiN 16)(PP N i i i解放CA10B 后轴60.85 1 3000.106 黄河JN150前轴49.00 43.03491022.2540 2.484 后轴101.6 1540696.134 交通SH361前轴60.00 43.03601022.2120 12.923 后轴2110.0022.052201007.1120118.031太脱拉138 前轴51.40 43.0340.511022.2150 1.453 后轴280.00 22.051601007.1150 0.969 吉尔130 后轴59.50 1 240 0.059 尼桑CK10G后轴76.00118002.230 161)(PP N Ni i ini 834.389注:轴载小于40KN 的轴载作用不计。
路面结构设计方案一、概述路面结构设计是指在道路工程中,根据道路的使用要求和地理环境特点,选择合适的材料和结构形式,设计出适用于不同道路类型和交通量的路面结构。
路面结构设计的主要目标是确保道路的安全、舒适和使用寿命,并减少路面损坏和维护成本。
本文将介绍路面结构设计的一般原则和常用的材料和结构形式,以及一些设计注意事项。
二、路面结构设计的一般原则1.根据交通量和设计使用寿命,确定路面层的厚度和材料。
一般来说,高交通量的道路需要较厚的路面层和耐久性较好的材料,而低交通量的道路可以选择较薄的路面层和经济性较好的材料。
2.根据地理环境特点,确定路面结构形式。
例如,在寒冷地区,需要采用保温层来保护路面免受冻融损坏的影响;在潮湿地区,需要采用排水设施来确保路面排水通畅。
3.根据车辆类型和速度,确定路面的平整度和抗滑性要求。
一般来说,高速公路需要更高的平整度和抗滑性,以适应高速行驶的车辆。
4.考虑施工和维护的便利性。
在设计路面结构时,需要考虑材料的可获得性和施工技术的可行性,以及维护和修复的便利性,以降低维护成本。
三、常用的路面材料和结构形式1.沥青路面沥青路面是一种常用的路面材料,具有良好的弹性和抗水性能,并且施工简便。
沥青路面结构一般由基层、底面、中面和面层组成,其中面层通常采用厚度较大的沥青混凝土,以提供足够的耐久性和抗水性能。
2.混凝土路面混凝土路面是一种耐久性较好的路面材料,适用于承受重载车辆和高交通量的道路。
混凝土路面结构一般由基层、底面和面层组成,其中面层通常采用较高强度的混凝土,以提供足够的承载能力和耐久性。
3.砂石路面砂石路面是一种经济性较好的路面材料,适用于低交通量和低速道路。
砂石路面结构一般由基层和面层组成,其中面层通常采用砾石或碎石,以提供足够的承载能力和排水性能。
四、路面结构设计的注意事项1.考虑径流和排水。
在设计路面结构时,需要充分考虑路面的排水性能,确保雨水能够及时排出,以避免路面因积水而损坏。
1 路面结构设计1.1 交通分析三级公路的设计基准期为20年,其可靠度设计设计标准安全等级为三级临界荷位处的车辆轮迹横向分布系数取0.62,取交通量年增长率为3%,换算100KN 的单轴双轮组荷载作用的标准荷载N S 为:161100⎪⎭⎫ ⎝⎛=∑=i i n i i s P N N δ=161006.1014000.1⎪⎭⎫ ⎝⎛⨯+1610085.604000.1⎪⎭⎫ ⎝⎛⨯+1622.05)100802(4001601007.1⨯⨯⨯⨯⨯-- =608辆/日设计基准期内的设计车道标准荷载累计作用次数N e :N e =ηrt r s g g N 365)1)1((⨯-+=62.0%3365)1%)31((60820⨯-+=370410⨯属于重交通。
g r :交通量年平均增长率 t:设计基准期 η:临界荷位处的车辆轨迹横向分布系数。
1.2 初拟路面结构相应于安全设为三级的变异水平等级为中级。
根据二级公路重交通等级和中级变异水平,初拟普通混凝土面层厚度为0.22米,基层选用水泥稳定粒料,厚0.18米,垫层为0.15米,低剂量无机结合料稳定土。
普通混凝土的平面尺寸为宽3.5米,长4米,纵缝为设拉杆平缝,横缝为不设传力杆的假缝。
1.3 路面材料参数确定取重交通等级的普通混凝土面层弯拉强度标准值为5.0Mpa,相应的弯拉弹性模量标准值为31Gpa 。
根据中湿路基路床顶面回弹模量经验参考值,取低剂量无机结合料稳定土垫层,回弹模量为600Mpa ,水泥稳定粒料基层回弹模量1300Mpa. 计算基层顶面当量回弹模量:E x =22212221h h h E h E +±=222215.018.015.060018.01300+⨯±⨯=1013Mpa D x =1212322311h E h E ++12211221)11(4)(-+⨯+h E h E h h =1215.06001218.0130033⨯+⨯+12)15.0600118.013001(4)15.018.0(-⨯+⨯⨯+ =2.57(MN .m )==3/12x g x E D h )(312.01013/27.2123m =⨯ a=6.22(1-1.51(45.0)(-o x E E )=6.22⨯(1-1.51(45.0)301013(-)=4.293 b=1-1.4455.0)(-ox E E =1-1.4455.0)301013(-=0.792 E t =ah b x E o 3/1)(o x E E =4.293⨯0.312792.0⨯30⨯3/1)3013.0(=163(MPa) 普通混凝土的刚度半径, r=0.537h =3/t C E E 0.537⨯0.22⨯=3165/310000.67(m)1.4 荷载疲劳应力标准轴载在临界荷位处产生的荷载应力:ps σ=0.077r 66.0h 2-=0.077⨯0.67766.00.222-=1.259(MPa)因纵缝为设拉杆平缝,接缝传荷能力的应力折减系数k f =0.87 ,考虑设计基准期内荷载应力累计疲劳作用的疲劳应力系数k f =N n e =(3.7⨯106)057.0=2.368,根据公路等级,综合考虑偏载荷动载等因素对路面疲劳损坏影响的综合系数荷载疲劳应力k c =1.20荷载疲劳应力:)(11.3259.12.1168.287.0MPa k k k ps c f r pr =⨯⨯⨯==σσ1.5 温度疲劳应力V 区最大温度梯度,取88(0C/m ),板长4m,L/r=5.97,查表取混凝土h=0.22m,B X =0.71,最大温度梯度时混凝土板的温度翘曲应力m σtm σ=X gc c B hT E a 2=28822.0310001015⨯⨯⨯⨯-)(13.271.0MPa =⨯ 计算温度疲劳应力系数,自然区划分为V 区a=0.871,b=0.071,c=1.287K t ==⎥⎥⎦⎤⎢⎢⎣⎡-⎪⎪⎭⎫ ⎝⎛b f a f c r tm tm r σσ515.0071.00.513.2871.013.20.5287.1=⎥⎥⎦⎤⎢⎢⎣⎡-⎪⎭⎫ ⎝⎛ 温度疲劳应力=tr σt K =tm σ0.51513.2⨯=1.10MPa二级公路的安全等级为三级,相应于三级安全等级的变异水平为中级,目标可靠度为85%,由目标可靠度和变异水平等级可确定可靠度系数=t r 1.113()MPa f MPa r r tr pr r 0.576.4)18.111.3(13.1=≤=+⨯=+σσ,因此,所选普通混凝土面层结构(0.22)可以承受设计基准期荷载应力和温度应力的综合作用。
市政道路路面结构及路基设计市政道路是指城市内的交通道路系统,其设计涉及到路面结构和路基设计。
路面结构是指道路的表层结构,用于承受车辆荷载和提供行车平稳性,而路基设计是指道路基础及其边坡的设计,用于承受道路荷载并保持路基的稳定性。
路面结构设计包括以下几个部分:1. 道路基础层:道路基础层一般由碎石、砂土等材料构成,用以提供路面的稳定性和排水功能。
基础层的厚度和材料的选择应根据地理条件和交通流量来决定。
3. 路面面层:路面面层是道路最上层的材料,通常由沥青混凝土或水泥混凝土构成。
面层应具有耐磨性、抗滑性和排水性能,以确保行车的平稳性和安全性。
4. 路肩:路肩是指道路两侧的边坡,通常由碎石、草坪等材料构成。
路肩的设计应考虑到排水和边坡稳定性,并根据交通流量和道路类型来确定宽度。
路基设计是指道路基础及其边坡的设计,主要包括以下几个方面:1. 车行道路基的设计:车行道路基是指路面结构下方的土层,用以提供支撑和承载能力。
路基设计应考虑到土壤的类型和强度,以及排水和稳定性的要求。
2. 路基边坡设计:路基边坡是指道路两侧的边坡,用以保持路基的稳定性并防止坍塌。
边坡的设计应考虑到土壤的稳定性、水分含量和坡度,并采取相应的措施来加固和保护边坡。
3. 排水系统设计:道路设计中的排水系统是为了确保道路在降雨等情况下的排水能力,防止水泄漏和积水。
排水系统设计应包括雨水收集、排水管道和排水沟等设施的设置。
市政道路的设计涉及到路面结构和路基设计,其中路面结构包括道路基础层、路面底层、路面面层和路肩的设计,而路基设计主要包括车行道路基的设计、路基边坡设计和排水系统设计。
这些设计要素的合理安排能够提高道路的使用寿命和安全性。
市政道路路面结构及路基设计市政道路路面结构及路基设计是城市道路建设中非常重要的一环,它直接关系到城市道路的使用寿命和安全性。
本文将从市政道路路面结构及路基设计的概念、目的、材料选择等方面进行探讨,希望能够为城市道路建设提供一些参考和指导。
市政道路路面结构是指城市道路的路面部分,其设计目的是确保道路具有足够的耐久性、平整度和抗滑能力,以保障道路交通安全、便捷和舒适。
路基是指路面下的支撑结构,它的设计目的是在保持路面平整的前提下,分散和传导车辆荷载,防止地基变形和沉降,同时保持路基排水和散热的性能。
1. 路面材料选择市政道路路面材料通常包括沥青混凝土、水泥混凝土和砾石混凝土。
沥青混凝土因其施工方便、修补容易和抗滑性能好而被广泛应用于城市道路路面,尤以中小规模道路为主;水泥混凝土主要用于高速公路和大型桥梁等路面结构较为复杂的场所;砾石混凝土则常用于较为简陋的乡村道路。
2. 路基材料选择市政道路路基材料主要包括石灰土、粉土、粉砂土、碎石等。
这些材料的选择应根据地质条件、荷载要求、排水条件以及施工成本等多方面进行综合考虑,以确保路基的稳定性和耐久性。
1. 路面结构施工路面结构的施工主要包括路基处理、基层铺设、面层铺设和路面养护等环节。
路基处理是确保路面平整度和排水性能的关键环节,而基层和面层的铺设则需要严格控制施工质量和厚度,以确保路面的耐久性和平整度。
2. 路基设计施工路基设计施工主要包括路基填筑、路基加固和路基排水等环节。
路基填筑是确保路面平整度和稳定性的基础,而路基加固和排水则是为了防止路基沉降和破坏,以确保路基的使用寿命和安全性。
1. 路面结构的管理和维护市政道路路面结构管理和维护主要包括定期巡查、修补和养护等环节。
定期巡查是发现路面损坏和变形的关键环节,而修补和养护则是保障路面使用寿命和安全性的重要手段。
市政道路路面结构及路基设计是城市道路建设中非常重要的一环,它直接关系到道路的使用寿命和安全性。
路面结构设计计算示例假设设计的道路是一条双车道,每个车道宽度为3.5米,两车道之间有一个2米的隔离带。
道路设计速度为80公里/小时,预计的交通流量为每日2000辆标准轿车,设计年限为20年。
首先要确定路面的结构厚度。
根据设计速度和预计交通流量,可以查阅相关标准或使用计算公式得到各层材料的厚度。
基层材料的厚度一般根据地质条件进行评估。
假设地质条件较好,基层材料厚度设为30厘米。
底基层材料的厚度一般根据交通量进行评估。
根据路面设计速度和交通流量,查阅相关标准,得到底基层材料厚度为18厘米。
素土加固层的厚度一般根据地质条件和道路基层材料的承载力进行评估。
假设地质条件一般,素土加固层厚度设为20厘米。
底面层的厚度一般根据交通量进行评估。
根据路面设计速度和交通流量,查阅相关标准,得到底面层厚度为12厘米。
面层的厚度一般根据交通量进行评估。
根据路面设计速度和交通流量,查阅相关标准,得到面层厚度为8厘米。
接下来要确定各层材料的选用。
根据交通流量和地理位置等条件,结合相关标准,一般选择适当的沥青混凝土作为面层材料,水泥混凝土作为底面层和底基层材料,再结合级配要求,选择合适的石料。
最后要计算各层材料的数量。
根据路面宽度、材料厚度和道路长度等信息,可以计算出各层材料的体积,并通过材料的密度计算出材料的重量。
通过重量和单位重量计算可以得到各层材料的数量。
以上是一个简化的路面结构设计计算示例。
实际的路面结构设计过程更为复杂,需要考虑更多的因素,如地质条件、交通流量、交通组成等。
在实际的设计中,还需要进行各项试验和检测,以确保设计方案的合理性和可行性。
课程名称:学生姓名:学生学号:专业班级:指导教师:年月日路面结构设计计算1 试验数据处理1。
1 路基干湿状态和回弹模量1.1。
1 路基干湿状态路基土为粘性土,地下水位距路床顶面高度0.98m~1。
85m。
查路基临界高度参考值表可知IV5区H1=1。
7~1。
9m,H2=1.3~1。
4m,H3=0.9~1.0m,本路段路基处于过湿~中湿状态.1。
1.2 土基回弹模量1)承载板试验表1.1 承载板试验数据承载板压力(MPa)回弹变形(0。
01mm)拟合后的回弹变形(0.01mm)0。
02 20 100。
04 35 250.06 50 410。
08 65 570。
10 80 720.15 119 剔除0.20 169 剔除0.25 220 剔除计算路基回弹模量时,只采用回弹变形小于1mm的数据,明显偏离拟合直线的点可剔除。
拟合过程如图所示:路基回弹模量:2101011000(1)4nii nii pDE lπμ===-=∑∑2)贝克曼梁弯沉试验表1。
2 弯沉试验数据测点 回弹弯沉(0.01mm )1 1552 1823 1704 1745 1576 2007 1478 1739 172 10 207 11 209 12 210 13 172 14170根据试验数据:l =∑li n =155+⋯+17014=178.4315.85(0.01mm)S =s=√∑(li−l )2n−1=20。
56(0.01mm )式中:l ——回弹弯沉的平均值(0。
01mm);S —-回弹弯沉测定值的标准差(0.01mm ); l i ——各测点的回弹弯沉值(0。
01mm ); n —-测点总数。
根据规范要求,剔除超出(2~3)l S ±的测试数据,重新计算弯沉有效数据的平均值和标准差.计算代表弯沉值:1174.79 1.64515.85200.86(0.01mm)a l l Z S -=+=+⨯=l 1=l +z a s =178.43+1.645×20.56=212.25Z a 为保证率系数,高速公路、一级公路取2.0,二、三级公路取1。
路面结构设计计算路面结构设计是指在公路、高速公路、机场跑道等工程中,根据交通荷载、地基条件等因素,合理设计路面层的厚度、材料和结构形式,以保证路面的承载能力、耐久性和使用寿命,提高路面的舒适性和安全性。
路面结构设计计算涉及到多个主要因素,包括交通荷载、地基支撑能力、材料力学性质等。
首先需要确定交通荷载,包括轮压、车速、车辆类型等因素。
根据交通荷载的大小,可以通过经验公式或软件计算得出所需的路面厚度。
在计算路面厚度时,需要考虑地基的支撑能力。
通过地基的土壤力学性质测试,可以获取地基的承载力指标。
根据地基的承载力和所需的路面荷载,可以计算出所需的路面厚度。
一般情况下,路面厚度需要超过地基的支撑能力,以确保路面的稳定性和安全性。
材料力学性质也是路面结构设计的重要因素之一。
根据不同的材料,其抗拉强度、弯曲强度、抗剪强度等性质是不同的。
在路面结构设计中,需要根据材料的力学性质,计算出所需的材料厚度和强度。
另外,路面结构设计还需要考虑路面的排水性能和抗冻性能。
合理的路面排水系统可以防止积水,避免路面的冰冻和裂缝。
在计算中,需要考虑排水系统的设计和施工要求,以确保路面的排水性能和抗冻性能。
此外,路面结构设计还需要考虑路面的舒适性和噪音控制。
通过采用合适的路面结构形式和材料,可以减少车辆行驶时的噪音和振动,提高驾驶的舒适性和行车的安全性。
综上所述,路面结构设计计算是一项复杂而重要的任务,需要考虑多个因素,包括交通荷载、地基支撑能力、材料力学性质、排水性能、抗冻性能、舒适性等。
通过合理的设计计算,可以保证路面的承载能力、耐久性和使用寿命,提高路面的舒适性和安全性,为行车提供良好的交通条件。
路面结构设计新建广东惠州惠东至东莞常平高速公路(K16+000-K17+500),道路路基宽度为34.5米,全长1.5千米,结合近几年马惠州、东莞经济增长及人口增长的情况,根据近期的交通量预测该路段的年平均交通量为5800辆/日,交通量平均年增长率γ=4%。
路面结构设计为沥青混凝土路面结构,设计年限为15年。
一、交通量分析交通组成及各车型汽车参数如表1:表1车型前轴重(KN)后轴重(KN)后轴数后轴轮组数前轮轮组数交通量黄河JN15049 101.6 1 双单1392解放CA10B19.40 60.85 1 双单2900东风EQ14023.70 69.2 1 双单928太拖拉13851.40 2⨯80 2 双单232小汽车11.5 23 1 单单348路面设计以双轮组单轴载100KN为标准,当以设计弯沉为指标时及验算沥青层层底拉应力时,凡大于25kN的各级轴载P i的作用次数N i按下式换算成标准轴载P的当量作用次数N的计算公式为:35.412 1∑=⎪⎭⎫⎝⎛=kiii PPNCCN式中:N——标准轴载当量轴次数(次/d);N i——被换算的车型各级轴载作用次数(次/d);P——标准轴载(kN);P i——被换算车型的各级轴载(kN);C1——被换算车型的各级轴载系数,当其间距大于3m时,按单独的一个轴计算,轴数系数即为轴数m,当其间距小于3m时,按双轴或多轴计算,轴数系数为C1=1+1.2(m-1);C2——被换算车型的各级轴载轮组系数,单轮组为6.4,双轮组为1.0,四轮组为0.38。
当以半刚性层底拉应力为设计指标时,标准轴载当量轴次数N:812 1∑=⎪⎭⎫⎝⎛''=kiii PPNCCN式中:1C'——轴数系数2C'——轮组系数,单轮组为18.5,双轮组为1.0,四轮组为0.09。
轴载小于40KN 的特轻轴重对结构的影响可以忽略不计,所以不纳入当量换算,即小汽车的当量换算轴载忽略不计。
沥青路面设计初期交通量的轴载分配及换算表(以弯沉为标准时)35.4121∑=⎪⎭⎫⎝⎛=ki i i P P N C C N =2714.00(次)沥青路面设计初期交通量的轴载换算表(以半刚性层底拉应力为标准时)8121∑=⎪⎭⎫⎝⎛''=ki i i P P N C C N =1907.00(次)该新建道路为城市主干道,采用沥青路面,设计年限为15年,交通增长率为4%,既γ=0.04,又该路设计为双向六车道,查《公路工程沥青混凝土路面设计规范》(JTG_D50-2006)表3.1.6得车道系数η=0.4。
设计年限内累计交通量N e : ηγγ1365]1)[(N i N t e ⨯-+=4.036500.714204.0]1)04.01[(15⨯⨯⨯-+==7934227=7.93⨯106(次/车道) ηγγ1365]1)[(N i N t e ⨯-+='4.036500.190704.0]1)04.01[(15⨯⨯⨯-+==5575008=5.58⨯106(次/车道)查《公路工程沥青混凝土路面设计规范》(JTG_D50-2006)表3.1.8,由于设计年限内累计交通量4×106次/车道<N e =7.93⨯106(次/车道)<12×106次/车道,所以该设计路段的交通等级属于中等交通。
该路面一个车道上大客车以及中型货车以上各种货车日平均交通量N h =2181(辆/d/车道),由于设计年限内大客车以及中型货车以上各种货车日平均交通量1500(辆/d/车道)<N h =2181(辆/d/车道)<3000(辆/d/车道)所以该设计路段属于重交通,根据我国沥青路面交通等级的划分办法得出该设计路面为重交通等级。
二、初拟路面结构1、确定土基回弹模量设计路段属亚热带海洋性季风气候,雨量充沛,日照时间长,气候特点表现为高温、多雨,湿润、霜期短,雨旱季明显。
据区域资料,年平均气温21.6-22℃,最高38.4℃,最低气温1.0℃。
多年平均雨量1850mm ,最大日雨量403.8mm ;受季风影响,降水具有雨量多、强度大、季节长、雨日多、时程及分布不均等特点。
潮湿系数0.98~1.15,为湿度充足带,平均稠度c ω=0.9;因此该路基处于潮湿状态,根据公路自然区划可知惠莞高速处于Ⅳ7区,根据查表法确定土基回弹模量设计值为39MPa 。
2、路面结构组合及各层厚度的确定根据惠莞高速功能性质及《公路沥青路面设计规范》(JTG_D50-2006),结合工程经验与典型案例,综合考虑初步确定路面结构组合与各层结构厚度如下:方案一:4cm 的配细粒式沥青混凝土+6cm 配中粒式沥青混凝土+8cm 配粗粒式沥青混凝土+?cm 水泥稳定碎石基层+20cm 水泥石灰砂砾土垫层,以水泥稳定碎石为设计层。
方案二:4cm 的配细粒式沥青混凝土+8cm 密级配中粒式沥青混凝土+15cm 密级配沥青碎石+?cm 水泥稳定碎石基层+18cm 级配砂砾垫层,以水泥稳定碎石为设计层。
3、路面设计弯沉值d l 和抗拉结构强度系数K该公路为高速公路,面层为沥青混凝土,采用半刚性基层,公路等级系数A c 取1.0;面层为沥青混凝土面层,面层类型系数As 取1.0;基层为水泥稳定碎石,因此路面结构类型系数AB 为1.0。
路面设计弯沉值d l : B s c d A A A N l 2.0e 600-==600⨯(7.93⨯106)-0.2⨯1.0⨯1.0⨯1.0 =25.02(0.01mm ) 抗拉结构强度系数K :沥青混凝土面层c S A N K /09.022.0e = 无机结合料稳定集料c S A N K /35.011.0e = 无机结合料稳定细粒土c S A N K /45.011.0e = 容许拉应力sK spR σσ=,sp σ--路面结构材料的极限抗拉强度(MPa )。
4、路面材料配合比设计和设计参数的确定 (1)材料的确定:半刚性基层所用集料取自沿线料场,结合料沥青选用A 级90号,上面采用SBS 改性沥青,技术指标均符合《公路沥青路面施工技术规范》(JTG_F40-2004)相关规定。
(2)路面材料劈裂强度测定:根据设计配合比,选取工程用各种原材料,测定规定稳定和龄期的材料劈裂强度。
按照《公路工程沥青及沥青混合料试验规程》与《公路工程无机结合料稳定材料试验规程》中的方法进行测定,结果如下表3。
表3材料名称 细粒式沥青混凝土 中粒式沥青混凝土 粗粒式沥青混凝土 密级配沥青碎石 水泥稳定碎石 水泥石灰砂砾土 劈裂强度(MPa )1.21.00.80.60.60.4(3)路面材料抗压回弹模量的确定:根据设计配合比,选取工程用各种原材料制件,测定设计参数。
按照《公路工程无机结合料稳定材料试验规程》中规定的项目顶面法测定半刚性材料的抗压回弹模量。
按照《公路工程沥青及沥青混合料试验规程》中规定的方法测定沥青混合 半刚性材料抗压回弹模量测定与参数取值 表4料的抗压回弹模量;测定20℃、15℃的抗压回弹模量,各种材料的试验结果与设计参数分别见表4、表5。
沥青材料抗压回弹模量测定与参数取值 表5 材料名称 细粒式沥青混凝土 中粒式沥青混凝土 粗粒式沥青混凝土密级配沥青碎石 20℃抗压回弹模量(MPa ) 14001200978120015℃抗压回弹模量(MPa )2000 1800 1320 1400(4) 路面各结构层容许拉应力的确定:结构层材料名称NeAc Ks σsp σR (MPa ) 细粒式沥青混凝土 7.93⨯106 1.0 2.965 1.2 0.40 中粒式沥青混凝土 7.93⨯1061.02.96510.34材料名称 水泥稳定碎石 水泥石灰砂砾土级配砂砾 抗压回弹模量(MPa )17001591250粗粒式沥青混凝土 7.93⨯1061.02.965 0.8 0.27 密级配沥青碎石 7.93⨯106 1.0 2.965 0.6 0.290 水泥稳定碎石 5.58⨯106 1.0 1.933 0.6 0.31 水泥石灰砂砾土5.58⨯1061.02.4850.40.16(5) 路面结构层厚度确定:①方案一的路面结构厚度确定该结构层为半刚性基层,沥青路面的基层系数为1.0。
计算路面结构表面弯沉值l s :当水泥稳定碎石厚H 4=20cm 时,路面结构表面弯沉值l s =25.02(0.01mm)<l d ;层底拉应力MPa MPa 40.0197.011=<-='σσ,MPa MPa 34.0048.022=<-='σσ,MPa MPa 27.0-0.03933=<='σσ,MPa MPa 31.0053.044=<='σσ , MPa MPa 16.0161.05=>='σσ,因此水泥稳定碎石厚H 4=20cm 不符合要求。
当水泥稳定碎石厚H 4=21cm 时,路面结构表面弯沉值l s =21.5(0.01mm)<l d ;层底拉应力MPa MPa 40.0197.011=<-='σσ,MPa MPa 34.0048.022=<-='σσ,MPa MPa 27.0-0.03933=<='σσ,MPa MPa 31.0053.044=<='σσ , MPa MPa 16.0156.05=<='σσ,因此水泥稳定碎石厚H 4=20cm 符合要求。
验算路面最小防冻厚度:H=40+60+80+210+200=590mm>H '=500mm(路面最小防冻厚度) 因此路面总厚度满足防冻要求。
②方案二的路面结构厚度确定该结构层为柔性基层与半刚性基层组合,沥青层较厚,沥青路面的基层系数为1.45。
计算路面结构表面弯沉值l s :当水泥稳定碎石厚H 4=20cm 时,路面结构表面弯沉值l s =24.9(0.01mm)<l d ;层底拉应力MPa MPa 40.0218.011=<-='σσ,MPa MPa 34.0032.022=<-='σσ,MPa MPa 20.00.01233=<='σσ,MPa MPa 31.0179.044=<='σσ,因此水泥稳定碎石厚H=20cm符合要求。
4验算路面最小防冻厚度:H=40+80+150+210+180=660mm>H =500mm(路面最小防冻厚度) 因此路面总厚度满足防冻要求。
(6)方案优选考虑材料选取方便以及经济花费少等因素,选取方案一作为该路段的路面结构,因此该路段的路面路面结构图如下图1:----------------------------------------细粒式沥青混凝土 40 mm----------------------------------------中粒式沥青混凝土 60 mm----------------------------------------粗粒式沥青混凝土 80 mm----------------------------------------水泥稳定碎石 210 mm----------------------------------------水泥石灰砂砾土 200 mm----------------------------------------新建路基图1 沥青混凝土路面结构图。