钢管杆通用设计说明书
- 格式:doc
- 大小:108.50 KB
- 文档页数:9
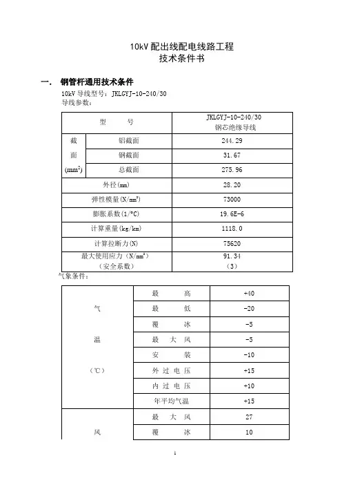
10kV配出线配电线路工程技术条件书一.钢管杆通用技术条件10kV导线型号:JKLGYJ-10-240/30导线参数:地质条件:亚粘土,可塑地下水位1.5米地耐力:8吨/米2二.10kV四回路钢管杆型具体型式1.(10kV四回路电缆终端杆)(1)呼称高: 13米(2)转角度数: 0°(3)导线三角型排列(4)水平档距60m,垂直档距60m。
(5)10kV电缆终端,制做四回避雷器安装、电缆固定支架、隔离开关支架、真空开关支架、FTU支架;(6)10kV电缆型号:YJV22-8.7/15-3*300(直径91毫米);(7)电缆保护管规格:外径200mm,壁厚6mm,长度3m;(8)电缆避雷器规格:HY5WS-12.7;2.(10kV四回89度转角杆)(1)呼称高: 13米(2)转角度数:89°(3)导线三角型排列(4)水平档距60m,垂直档距60m。
(5)10kV电缆终端,制做四回避雷器安装、电缆固定支架、隔离开关支架、真空开关支架、FTU支架;(6)10kV电缆型号:YJV22-8.7/15-3*300(直径91毫米);(7)电缆保护管规格:外径200mm,壁厚6mm,长度3m;(8)电缆避雷器规格:HY5WS-12.7;3.(10kV四回8度终端耐张)(1)呼称高: 13米(2)转角度数:8°(3)导线三角型排列(4)水平档距60m,垂直档距60m。
(5)10kV电缆终端,制做四回避雷器安装、电缆固定支架、隔离开关支架、真空开关支架、FTU支架;(6)10kV电缆型号:YJV22-8.7/15-3*300(直径91毫米);(7)电缆保护管规格:外径200mm,壁厚6mm,长度3m;(8)电缆避雷器规格:HY5WS-12.7;4.(10kV四回90度终端耐张双向“ T”)(1)呼称高: 13米(2)转角度数:90°(3)导线三角型排列(4)水平档距80m,垂直档距80m。
安全技术/建筑施工输电线路钢管杆施工指导书一、钢管杆的选用1、钢管杆在设计、制造、施工、运行维护等方面技术要求较高,并且造价也相对较高,因此,使用时应根据工程实际情况,严格控制钢管杆的使用范围,一般情况下应尽量少采用钢管杆。
在使用钢管杆时要尽量减少环形焊缝。
2、应根据工程实际情况以及钢管杆的特点,通过技术经济比较,选定合适的导地线安全系数、杆塔档距、呼高、锥度、挠度等技术参数,以确保线路安全运行,并降低工程造价。
3、钢管杆目前型式较多,有圆型和多棱型;等径和锥型;连接型式有法兰连接、插接和焊接连接。
使用时应根据工程特点、使用情况和运行经验,选择技术先进、工艺成熟、质量容易把关的钢管杆结构型式。
4、选用用时应认真对钢管杆制造厂家进行考察,选择设计、制造能力过硬,工艺完善,具备相应生产资质的厂家,并把好钢管杆出厂质量验收关。
5、钢管杆使用必须有齐全的图纸资料、技术文件,内容必须完整正确,满足设计、施工安装、运行和维护的要求,并做好归档。
6、今后进入我公司的钢管杆必须具有安全保证书,使用单位要进行认真核查并存档备查。
对已进入我公司的钢管杆制造厂的生产资质、质量全过程控制、焊接技术标准、工艺以及检测手段等方面进行评估,确定能否继续使用其产品。
二、钢管杆的设计1、钢管杆设计应遵循和满足《架空送电线路钢管杆设计技术规定》(DL/T5130-2001)以及其他相关的技术规定最新版本的标准要求。
2、钢管杆的结构强度设计应由有资质的单位设计,设计单位应提供钢管杆的结构强度计算书和有关设计、制造图纸。
3、按一般流程,钢管杆由制造厂根据使用单位提供的技术参数(包括导地线型号及安全系数、回路数、转角度数、结构尺寸等)、气象条件、地质条件等进行设计、加工(包括基础部分的设计),制造厂应同时对钢管杆的设计、加工质量负责,但使用单位必须严格对制造厂设计的图纸进行审核把关。
4、钢管杆设计时应考虑到施工、运行、维护所需的必要的安全防护措施。
辽宁科技大学钢管课程设计说明书学院﹑系:专业班级:学生姓名:指导教师:2015 年01 月9 号目录一、钢管设计任务书 (1)二﹑前言 (1)三、Ф140机组生产工艺概述 (2)(一)主要设备 (2)(二)工艺流程 (3)(三)工艺要求 (3)1.原料 (3)2.剪断 (4)3.加热 (5)4.热定心 (5)5.穿孔 (6)6.轧管 (6)7.均整 (7)8.定(减)径机 (8)9.冷却 (9)10.矫直 (10)11.吹风 (10)12.切头 (10)13.检查与包装 (11)四、轧制表的制定 (12)(一)轧管机 (12)(二)穿孔机 (12)(三)均整机 (14)(四)定径机 (14)(五) 轧制表绘制 (18)五、穿孔机设计、力能参数及强度校核 (20)5.1 穿孔机的轧辊设计 (20)5.2穿孔机顶头设计 (22)5.3 穿孔机能力参数计算 (22)六、结语 (29)一、钢管设计任务书设计题目:管材课程设计成品尺寸:Ф127×20坯料尺寸:Ф130材质:45#指导教师:目的要求:学生通过课程设计将综合利用所学的专业基本理论,基本知识和基本技能,解决一定的工程实际问题,从而使理论联系实际,使专业知识进一步得到巩固,并深化和扩大。
要求学生独立查阅文献资料,独立完成设计和相关的计算、校核。
培养学生具备独立开展工作并解决工程设计问题的基本能力。
具体内容:独立查阅管材产品及相关产业的文献资料,了解国内、外发展现状;在指导老师的指导下,根据实习工厂的管材生产工艺流程,掌握各生产工序的情况及重要的设备参数,针对给定的典型产品规格,计算并编制轧制表,根据设计结果计算穿孔机力能参数,设计穿孔机工具,校核轧辊强度。
二﹑前言无缝钢管是一种具有中空截面、周边没有接缝的圆形、方形、矩形钢材。
是用钢锭或实心管坯经穿孔制成毛管,然后经热轧、冷轧或冷拔制成。
无缝钢管具有中空截面,大量用作输送流体的管道,钢管与圆钢等实心钢材相比,在抗弯抗扭强度相同时,重量较轻。
第六篇35kV架空线路标准设计(无冰区钢管杆部分)第1章设计说明概述1.1气象条件35kV线路是最基本的配电线路,在全国应用最为广泛,其设计气象条件变化较大。
为了简化设计, 根据南方电网五省区的气象条件,结合《66kV及以下架空电力线路设计规范》中的典型气象区,考虑到经济性、安全性和通用性,本标准设计最大设计风速采用离地10m高,30年一遇10min平均最大风速,分别取25 m/s、30 m/s 和35 m/s;综合考虑南方电网五省区2008年冰灾后工程设计冰厚的取值情况,以及钢管杆在城网使用中的特性,钢管杆的设计不考虑覆冰的工况。
35kV配电线路标准设计共分为A、B、C、D、E、F 、G等7个气象区,钢管杆的标准设计只取其中E、F、G 三种气象条件。
具体标准设计气象组合如表1.1-1所示。
表1.1-1 35kV架空线路标准设计气象条件气象组合条件 A B C D E F G大气温度(0C)最高气温40 40 40 40 40 40 40 最低气温-10 -10 -20 -20 0 0 0 最大风速-5 -5 -5 -5 20 20 20 设计覆冰-5 -5 -5 -5 0 0 0 安装-5 -5 -10 -10 5 5 5 大气过电压15 15 15 15 15 15 15 内部过电压15 15 15 15 20 20 20 年平均气温15 15 15 15 20 20 20风速(m/s)最大风速25 25 25 25 25 30 35设计覆冰10 10 15 15 0 0 0安装情况10 10 10 10 10 10 10大气过电压10 10 10 10 10 10 15内部过电压15 15 15 15 15 15 18设计覆冰(m m) 5 10 20 30 0 0 0冰的密度(g/cm3) 0.9 0.9 0.9 0.91. 2 导地线1.2.1导地线截面本次标准设计导线选用LGJ—150/25、LGJ—240/30型两种钢芯铝绞线,地线选用铝包钢绞线LBGJ-50-27AC和LBGJ-55-27AC。
第六篇35kV架空线路标准设计〔无冰区钢管杆部分〕第1章设计说明概述1.1气象条件35kV线路是最基本的配电线路,在全国应用最为广泛,其设计气象条件变化较大。
为了简化设计, 根据南方电网五省区的气象条件,结合《66kV及以下架空电力线路设计标准》中的典型气象区,考虑到经济性、安全性和通用性,本标准设计最大设计风速采用离地10m高,30年一遇10min平均最大风速,分别取25 m/s、30 m/s 和35 m/s;综合考虑南方电网五省区2008年冰灾后工程设计冰厚的取值情况,以及钢管杆在城网使用中的特性,钢管杆的设计不考虑覆冰的工况。
35kV配电线路标准设计共分为A、B、C、D、E、F 、G等7个气象区,钢管杆的标准设计只取其中E、F、G 三种气象条件。
具体标准设计气象组合如表1.1-1所示。
表1.1-1 35kV架空线路标准设计气象条件1. 2 导地线1.2.1导地线截面本次标准设计导线选用LGJ—150/25、LGJ—240/30型两种钢芯铝绞线,地线选用铝包钢绞线LBGJ-50-27AC 和LBGJ-55-27AC。
240mm2导线的杆塔地线荷载按钢绞线GJ-55考虑,150mm2导线的杆塔地线荷载按钢绞线GJ-50考虑。
本次设计中导线安全系数按10.0考虑,地线安全系数按12.0考虑。
杆塔设计选用钢芯铝绞线及镀锌钢绞线主要数据参数如表1.2-1所示:表1.2-1 设计选用钢芯铝绞线及镀锌钢绞线主要数据参数1.3 绝缘配合1.3.1 绝缘配合原则依照GB50061-2010《66kV及以下架空电力线路设计标准》和DL/T620-1997《交流电气装置的过电压保护和绝缘配合》进行绝缘设计,使线路能在工频电压、操作过电压和雷电过电压等各种情况下安全可靠地运行。
在一般35kV线路的绝缘设计上,以防污染设计为主,由于35kV主要用于城郊,大量的线路处于Ⅱ级污秽区,考虑到环境日益恶化的实际情况,对于本次35kV无冰区钢管杆标准设计我们选择处于Ⅲ级污秽区进行绝缘配合设计,中性点直接接地系统爬电比距不小于3.2㎝/kV〔对应系统额定电压〕,中性点非直接接地系统取上述值1.2倍。
35kV-110kV输电线路钢管杆通用设计技术要求说明书(征求意见稿)二〇一〇年六月目录1 总论 (1)1.1 目的和原则 (1)1.2 设计依据 (1)1.2.1 主要规程规范 (1)1.2.2 国家电网公司的有关规定 (2)2 主要设计原则 (2)2.1 设计气象条件 (3)2.2 导线和地线 (3)2.3 绝缘配合及防雷保护 (4)2.4 塔头布置 (8)2.5 联塔金具 (8)2.6 杆塔设计一般规定 (9)2.7 杆塔规划 (9)2.8 杆塔荷载 (10)2.9 杆塔使用材料的原则和要求 (10)附录 1 35~110kV 输电线路钢管杆通用设计主要设计原则及模块划分和编号附录 2 35~110kV 输电线路钢管杆通用设计修订模块主要技术条件附录 3 联塔金具标准件图例附录 4 35~110kV 输电线路钢管杆通用设计模块杆塔规划使用条件附录 5 输电线路通用设计钢管杆制图和构造规定1 总论1.1 目的和原则目前,输电线路设计相关国家标准、行业规范即将颁布实施。
为进一步深化标准化建设,公司组织开展本地区输变电工程通用设计(35~110kV 线路部分)修订和应用工作。
本次修订充分借鉴已有的成果,应用即将颁布执行的新版设计标准,应用“两型三新”、全寿命周期设计、高强钢等新技术、新材料。
为了满足通用设计成果标准化、统一化、规范化的要求,公司颁布制定了《35~110kV 输电线路钢管杆通用设计修订主要设计原则及模块划分和编号》。
1.2 设计依据1.2.1 主要规程规范《110kV~750kV 架空输电线路设计规范》(GB50545-2010)《重覆冰区架空输电线路设计技术规程》(DL/T5440-2009)《高压架空送电线路和发电厂、变电所环境污秽分级及外绝缘选择标准》(GB16434-1996)《圆线同心绞架空导线》(GB/T1179-2008)《铝包钢绞线》(YB/T124-1997)《交流电气装置的过电压保护和绝缘配合》(DL/T620-1997)《高海拔污秽地区悬式绝缘子片数选用导则》(DL/T562-1995)《架空送电线路杆塔结构设计技术规定》(DL/T5154-2002)《钢结构设计规范》(GB50017-2003)《建筑结构荷载规范》(GB50009-2001)《架空送电线路钢管杆设计技术规定》(DL/T5130-2001)《输电线路铁塔制图和构造规定》(行标报批)《碳素结构钢》(GB/T700-2006)《低合金高强度结构钢》(GB/T1591-2008)《紧固件机械性能螺栓、螺钉和螺柱》(GB/T3098.1-2000)《紧固件机械性能螺母粗牙螺纹》(GB/T3098.2-2000)《紧固件机械性能螺母细牙螺纹》(GB/T3098.4-2000)1.2.2 国家电网公司的有关规定国家电网公司十八项电网重大反事故措施(试行)》(国家电网生计[2005]400 号);《国家电网公司安全工作规程(线路部分)》(国家电网安监[2009] 664号);《协调统一基建类和生产类标准差异条款(输电线路部分)》(办基建〔2008〕1 号);《国家电网公司新建线路杆塔作业防坠落装置通用技术规定》(试行)(国家电网基建[2010]184 号)。
***电力工程有限责任公司********工程***电力工程有限责任公司********工程项目部年月批准:时间:年月日审核:时间:年月日编制:时间:年月日一般施工方案(措施)报审表工程名称:编号:SJSX2-SG01-005注本表一式3份,由施工项目部填报,监理项目部、施工项目部各存1份。
目录一、工程概况及适用围................................................................. - 5 -1.1工程概况 ................................................................. - 5 -1.2地质、地形地貌及水文状况 ................................................. - 5 -1.3交通运输情况 ............................................................. - 6 -1.4自然环境 ................................................................. - 6 -1.5铁塔配置 ................................................................. - 7 -二、编制依据......................................................................... - 8 -三、作业流程......................................................................... - 8 -四、工艺流程及主要质量控制点......................................................... - 8 -4.1作业准备 ................................................................. - 9 -4.2施工准备 ................................................................ - 10 -4.3技术准备 ................................................................ - 10 -4.4吊车就位 ................................................................ - 10 -4.5地面组装 ................................................................ - 10 -4.6构件吊装 ................................................................ - 11 -4.7钢管杆检修 .............................................................. - 11 -五、危险点辨识及预控措施............................................................ - 11 -六、工艺质量要求.................................................................... - 13 -七、质量通病防治措施................................................................ - 14 -八、强制性条文...................................................................... - 15 -九、质量控制措施及检验标准.......................................................... - 15 -9.1质量控制措施 ............................................................ - 15 -9.2质量控制表 .............................................................. - 17 -9.3检验标准 ................................................................ - 17 -一、工程概况及适用围1.1工程概况本工程为*********工程,线路起自待建南安220kV时潮变110kV门型架,分别终止于110kV玉榜线#42、#54水泥杆附近并作为本期开断点。
110kV钢管杆技术规范书110kV线路工程钢管杆招标技术规范书(审定版)批准:审核:校对:编写:目录1. 概述 (2)2. 钢管杆制造技术条件 (4)2.1技术要求 (4)2.2产品质量合格证 (18)2.3标识、包装、运输、贮存 (18)2.4有关试验及检查验收方法 (19)2.5资料交付 (22)2.6售后服务 (23)2.7钢管杆加工统一说明 (23)附表钢管杆招标数量 (24)1. 概述本技术规范书适用于110kV横县~六景线路新建工程。
本工程线路器材,除满足本技术条件书外,尚应满足现行有关标准及规范,当出现不统一情况或采用其它标准时,需提交设计认可。
钢管杆制造时除应满足现行有关标准和规程外,尚应满足本条件书。
钢管杆包括ZG1F直线杆、JGG1F转角杆、JGG2F转角杆、JGG3F转角杆,共4种钢管杆。
1.1工艺质量所采购的钢材及加工工艺应符合技术文件和施工图要求,采用国内最先进的制造工艺。
投标厂家提供的所有钢管杆应是全新的,是根据业主批准的施工图、有关技术文件和计划工期加工的。
不能因施工图和技术文件的遗漏、疏忽和不明确而解脱中标方提供最高等级钢管杆和工作质量的责任。
倘若发现不正确之处,中标方必须通知招标单位,在差异问题未纠正之前仍进行的任何工作,应由中标方负责。
产品质量至少应达到SDZ025-87《输电线路铁塔质量分等标准》中一等品等级要求外,还应符合《110~500kV架空电力线路工程施工质量检验及评定标准》等考核标准。
1.2 遵循的标准和规范中标方在生产制造中除按施工图指定的规范之外,还必须遵照以下标准的最新版本:1.3计量单位在施工图和技术文件中使用的计量单位采用公制单位,温度采用摄氏度。
1.4投标厂家应提供的文件1.4.1钢管杆制造所遵守的技术规范和工艺标准1.4.2生产进度表中标方应在中标后10天内向招标方提交1份详细的生产进度表。
生产进度表应以图表形式说明,应包括物资采购、审图放样、钢管杆加工及试组装、批量生产、质量检验及包装发运等项目。
钢管杆技术质量作业指导书Q/GD.Z02-2003.A钢管杆制造通用工艺规程ZG-15南京盖迪电力器材有限公司Q/GD.Z02-2003.A钢管杆制造通用工艺规程ZG-15一、总则:1、为了规范我公司的钢管杆生产工艺,提供生产过程中工艺技术管理依据,结合有关标准,特制定本规程。
2、本规程适用于我公司钢管杆及其附件的生产制造。
3、本规程与设计图纸、技术文件和标准等有关技术文件同时使用,如本规程与设计图纸、技术文件发生冲突时,按设计图纸、技术文件执行。
二、下料工艺规定:1、执行材料领用制度。
2、下料前要移植材料标识,做好材料追踪记录。
3、筒体下料一头放工艺余量,划线与切头都以筒体小头边为基准。
4、当筒体直径小于等于400mm时,料厚小于等于8mm时,不开坡口;料厚大于等于10mm时,开外坡口。
当筒体直径大于400mm时,料厚小于等于18时,不开坡口;料厚大于等于20时,开内坡口。
5、下料时根据板厚和筒体直径决定是否切出坡口角度β(当10≤δ≤12时,β为25°±2°;当14≤δ≤18时,β为20°±2°;当20≤δ≤25时,β为15°±2°),钝边由清渣打磨时磨出P值(2~4)mm。
(见图一、图二)Q/GD.Z02-2003.AZG-156、切割完后,气割工必须清除割渣、补焊、打磨切割缺陷。
7、筒体下料检验要求:(1)切割表面不得有裂纹,分层夹渣等缺陷。
(2)筒体坯料尺寸要求小头宽度B1-3,大头宽度B2+3,对角线L ±3(见图三)(3)坡口面角度应该符合2.5规定。
8、板材厚度δ≤12mm时,可以采用剪板机下料,下料后须校直、去毛刺。
9、型材下料可以锯割或冲剪。
角钢端部垂直度P≤3(图a),钢管端面垂直度P≤3。
(图b)10、法兰尺寸内径允许偏差值勤3~-6,外径允许念偏差值±3。
11、气割规范:(见表一;表二)ZG-15表二三、卷圆:1.在W11-25×2000三辊卷板机或W12-25×2000四辊卷板机上拖头(预弯头)。
【技术规范标准】公司钢管杆技术规范通用部分修改xxxx年xx月xx日xxxxxxxx集团企业有限公司Please enter your company's name and contentv招标编号:XXXX-XXXX河南省电力公司集中规模招标采购XXXXXXXXXXX输变电工程钢管塔(钢管杆)招标文件(技术规范通用部分)河南省电力公司XXXX年X月目录1 总则 (2)1.1 一般规定 (2)1.2 投标人应提供的资格文件 (3)1.3 工作范围 (4)1.4 标准和规范 (4)1.5 必须提交的技术数据和信息 (5)1.6 交货 (6)2 杆塔加工技术要求和性能参数 (6)2.1 概述 (6)2.2 技术要求和性能参数 (6)2.3 螺栓与防卸螺栓 (16)2.4 其它技术说明 (16)2.5 产品质量合格证 (16)2.6 标志、包装、运输 (16)2.7 工厂检验和监造 (17)2.8 目的站检验 (18)2.9 现场检验 (18)2.10 技术服务 (18)2.11质量保证 (19)附录A 供货业绩 (20)附录B 主要生产设备清单 (20)附录C 主要试验设备清单 (20)附录D 零部件、焊接件检测抽样方案 (21)1总则1.1一般规定1.1.1投标人应仔细阅读本技术规范(技术规范通用和专用部分)在内的招标文件阐述的全部条款。
投标人提供的杆塔制造技术规范应符合本技术规范所规定的要求。
1.1.2投标人必须有权威机关颁发的ISO–9000管理体系认证书或等同的质量保证体系认证证书。
1.1.3对投标人的资质要求见招标文件商务部分。
1.1.4本规范书提出了有关本工程使用杆塔的图纸放样、原材料采购、杆塔构件加工、杆塔试组装、质量检验、包装及运输、售后服务等方面应执行的技术标准及要求。
1.1.5投标人提供的产品质量应达到《输电线路铁塔质量分等标准》(SDZ025-87)中一等品要求,同时满足《110kV~500kV架空电力线路工程施工质量及评定规程》(DL/T5168-2002)的要求。
500kV钢管杆标准技术标书编号:2011060520114103中国南方电网有限责任公司2011年06月目录1 总则 (1)2 工作范围 (2)2.1工程概况 (2)2.2范围和界限 (2)2.3服务范围 (2)3 应遵循的主要标准 (3)4 技术要求 (4)4.1材质要求 (4)4.2外观及精度要求 (6)4.3防腐要求 (6)4.4焊接要求 (7)4.5构造要求 (8)4.6挠度控制 (8)4.7其他要求 (9)4.8试拼与试装检查技术要求 (9)5试验及验收 (10)5.1 概述 (10)5.2 试验 (10)5.3 验收 (10)6技术文件要求 (10)6.1 一般要求 (10)6.2设计联络 (11)7监造、标识及包装、运输及贮存、安装及质量保证 (11)7.1监造 (11)7.2标识及包装 (11)7.3运输及贮存 (12)7.4安装指导 (12)7.5质量保证 (13)8备品备件及专用工具 (13)9主要材料来源 (13)10技术差异表 (14)11投标方需说明的其他问题 (14)1 总则1.1 本招标技术文件适用于中国南方电网有限责任公司(项目单位填写)电网建设工程项目采购的500kV钢管杆,提出了钢管杆的图纸放样、原材料采购、紧固件采购、铁塔构件加工、铁塔试组装、质量检验、包装及运输、售后服务等方面应执行的技术标准及要求。
1.2 本招标技术文件提出的是最低限度的技术要求,并未对一切技术细节作出规定,也未充分引述有关标准和规范的条文,投标方应提供符合本技术规范引用标准的最新版本标准和本招标文件技术要求的全新产品,如果所引用的标准之间不一致或本招标文件所使用的标准如与投标方所执行的标准不一致时,按要求较高的标准执行。
1.3 如果投标方没有以书面形式对本招标技术文件的条文提出异议,则意味着投标方提供的设备完全符合本招标技术文件的要求。
如有异议,不管是多么微小,都应在报价书中以“对招标技术文件的意见和同招标技术文件的差异”为标题的专门章节中加以详细描述。
220kV钢管杆招标文件(技术规范通用部分)2015年月目录1总则 (1)1.1一般规定 (1)1.2投标人应提供的资格文件 (1)1.3工作范围 (2)1.4标准和规范 (2)1.5必须提交的技术数据和信息 (3)1.6交货 (3)2铁塔加工技术要求和性能参数 (3)2.1概述 (3)2.2技术要求和性能参数 (3)2.3螺栓与防卸螺栓 (9)2.4其他技术说明 (10)2.5产品质量合格证 (10)2.6标志、包装、运输 (10)2.7工厂检验和监造 (10)2.8目的站检验 (11)2.9现场检验 (11)2.10技术服务 (11)附录A 货物需求明细表 (11)附录B 技术差异表 (12)附录C 供货业绩 (12)附录D 主要生产设备清单 (12)附录E 主要试验设备清单 (12)附录F 零部件、焊接件检测抽样方案 (13)1总则1.1一般规定1.1.1投标人应具备招标公告所要求的资质,具体资质要求详见招标文件的商务部分。
1.1.2投标人应仔细阅读本技术规范通用部分和专用部分在内的招标文件阐述的全部条款。
投标人提供的铁塔制造技术规范应符合本技术规范所规定的要求。
1.1.3本规范书提出了有关本工程使用铁塔的图纸放样、原材料采购、铁塔构件加工、铁塔试组装、质量检验、包装及运输、售后服务等方面应执行的技术标准及要求。
1.1.4本招标文件提出的是最低限度的技术要求,并未对一切技术细节做出规定,也未充分引述有关标准和规范的条文,投标人应提供符合本技术规范引用标准的最新版本标准和本招标文件技术要求的全新产品,如果所引用的标准之间不一致或本招标文件所使用的标准如与投标人所执行的标准不一致时,按要求较高的标准执行。
1.1.5投标人提供的产品质量应达到《输电线路铁塔制造技术条件》(GB 2694—2003)、《输变电钢管结构制造技术条件》(DL/T 646—2006)等标准要求,同时满足《钢结构工程施工质量及验收规范》(GB 50205—2001)的要求。
110KV双回路架空线钢管杆通用设计说明书一、设计依据及范围1.设计依据1.2 规程、规范:《110~750kV架空送电线路设计技术规定》(报批稿)《110~500kV架空送电线路设计技术规程》(DL/T 5092-1999)《架空送电线路钢管杆设计技术规定》(DL/T5130-2001)《送电线路基础设计技术规定》(DL/T5219-2005)2.设计内容110KV架空送电线路双回路钢管杆以及与杆型对应的基础、绝缘子串、金具的通用设计及概算编制。
本次通用设计共完成13种杆型的设计,其中悬垂型3种、耐张型10种,详见下表:二、气象条件根据《110~750kV架空送电线路设计技术规定》(报批稿),选取钢管杆线路在各运行状况下的气象参数。
对于最大覆冰的取值,由于钢管杆线路一般都处于平地,故按轻冰区取值。
其它气象参数采用浙江省输电线路设计第Ⅰ气象区参数。
最大风速取V=33m/s,导线覆冰值C=5mm,地线覆冰取值C=10mm。
各设计气象条件组合详见下表:注:上表中基本风速高度均取离地10m、括号内为地线覆冰值三、导地线1.导地线选型根据最近几年来我省110KV线路最常用的导线型号,选择钢管杆通用设计导线型号为LGJ-300/40钢芯铝绞线。
根据《110~750kV架空送电线路设计技术规定》(报批稿)中导地线配合标准且结合“两型三新全寿命”理念,避雷线选用JLB20A-80铝包钢绞线。
2. 导地线主要技术参数及使用最大使用应力3. 设计档距根据钢管杆线路特征,设定导地线使用档距:水平档距Lp=150米,垂直档距Lv=160米,最大档距Lmax=190米。
四、绝缘配合设计1.根据浙江省电力公司文件(浙电生【2008】363号):关于印发《浙江电网污区分布图(2007)执行规定》的通知,通用设计钢管杆线路按《浙江电网污区分布图(2007版)》中的Ⅲ级污秽区设计,导线绝缘水平须满足泄漏比距大于2.8cm/kV的要求。
新村变~车河工业园10-35千伏线路工程钢管杆组立作业指导书批准:审核:编写:李文辉广西广能工程有限公司河池供电局配网工程项目部二0一一年六月目录一、工程概况及适用范围二、编写依据三、作业流程四、安全风险辨析与预控五、作业准备六、作业方法七、质量控制措施及检验标准1、工程概况及适用范围1.1工程简述1.线路改造起于110kV新村变,南丹车河镇工业园区金山厂附近(将10kV龙马线23、24号开Ⅱ接入新双回10kV线路)。
架空线路导线型号LGJ-240/30,全长为2.6km,四回杆塔设计,本期架设10kV、35kV线路各架设2回;电缆线路型号YJV22-3×300-26/35,全长2×0.22km;YJV22-3×300-8.7/15,全长2×0.22km。
2本工程使用的铁塔共使用10基型号分别为:JGUS1-12、JGUS1-15、JGUS3-12、JGUS3-15、JGUS3-18、ZGUS-15、ZGUS-20;钢管杆共使用10基型号分别为:SGJ1-12、SGJ3-12、SGJ3-15、SGJZ-12;水泥杆共使用1基型号为:NJ1-15。
2、编写依据3、作业流程3.1吊车吊装钢管杆作业(工序)流程图4、安全风险辨析与预控工作前安全风险辨析及预控措施表施工单位检查人:监理单位检查人:日期:日期:注1:对存在风险且控制措施完善填写“√”,存在风险而控制措施未完善填写“×”,不存在风险则填写“___”,未检查项空白。
注2:安全风险辨析与控制措施表在有新的风险因素及控制措施时可增加补充。
5、作业准备5.1人员配置人员配置表6、作业方法6.1施工准备6.1.1材料准备对进入现场的杆材应进行清点和检验,保证进场材料质量符合相关要求。
6.1.2技术准备6.1.2.1 钢管杆基础必须经中间检查验收合格,基础混凝土的抗压强度不允许低于设计强度的70%。
6.1.2.2 钢管杆接地装置施工完毕,具备与杆身可靠连接的条件。
范围本规定规定了钢管杆设计的准则,及提出了制造安装的主要要求。
适用于新建220kV及以下电压等级交直流架空送电线路无拉线钢管杆结构设计。
引用标准下列标准包含的条文,通过在本标准中引用而构成为本标准的条文。
本标准出版时,所示版本均为有效。
所有标准都会被修订,使用本标准的各方应探讨使用下列标准最新版本的可能性。
GB1300—77 焊接用钢丝GB2694—1981 输电线路铁塔制造技术条件GB50061—1997 66kV及以下架空电力线路设计规范GB700—1988 碳素结构钢GB985—1988 气焊、手工电弧焊及气体保护焊焊缝坡口的基本形式与尺寸 GB986—1988 埋弧焊焊缝坡口的基本形式与尺寸GB3098.1—1982 紧固件机械性能螺栓、螺钉和螺柱GB/T1591—1994 低合金高强度结构钢GB/T3098.2—1982 紧固件机械性能螺母GB/T—5117—1995 碳钢焊条GB/T—5118—1995 低合金钢焊条GB/T9793—1997 金属和其他无机覆盖层热喷涂锌、铝及其合金GBJ17—1988 钢结构设计规范DL/T5092—1999 110~550kV架空送电线路设计技术规程DL/T646—1998 输电线路钢管杆制造技术条件总则•本规定遵照GB50061、DL/T5092中有关杆塔结构设计的主要原则编制。
•钢管杆设计采用以概率理论为基础的极限状态设计方法,用可靠度指标度量钢管杆的可靠度。
在规定的各种荷载组合作用下或变形的限值条件下,满足线路安全运行的要求。
•钢管杆的设计应考虑制造工艺、施工方法(包括运输安装)以及运行维护和环境等因素。
•钢管杆的设计应满足强度、稳定、刚度等方面的要求。
设计采用新理论或新结构型式,当缺乏运行经验时,应经过试验验证。
•在进行钢管杆设计时,除应按本规定执行外,应符合现行国家标准和电力行业标准有关规定的要求●术语和符号●术语●重冰区(Heavy ice area)设计冰厚为20mm及以上地区。
110KV双回路架空线钢管杆通用设计说明书一、设计依据及范围1.设计依据1.2 规程、规范:《110~750kV架空送电线路设计技术规定》(报批稿)《110~500kV架空送电线路设计技术规程》(DL/T 5092-1999)《架空送电线路钢管杆设计技术规定》(DL/T5130-2001)《送电线路基础设计技术规定》(DL/T5219-2005)2.设计内容110KV架空送电线路双回路钢管杆以及与杆型对应的基础、绝缘子串、金具的通用设计及概算编制。
本次通用设计共完成13种杆型的设计,其中悬垂型3种、耐张型10种,详见下表:二、气象条件根据《110~750kV架空送电线路设计技术规定》(报批稿),选取钢管杆线路在各运行状况下的气象参数。
对于最大覆冰的取值,由于钢管杆线路一般都处于平地,故按轻冰区取值。
其它气象参数采用浙江省输电线路设计第Ⅰ气象区参数。
最大风速取V=33m/s,导线覆冰值C=5mm,地线覆冰取值C=10mm。
各设计气象条件组合详见下表:注:上表中基本风速高度均取离地10m、括号内为地线覆冰值三、导地线1.导地线选型根据最近几年来我省110KV线路最常用的导线型号,选择钢管杆通用设计导线型号为LGJ-300/40钢芯铝绞线。
根据《110~750kV架空送电线路设计技术规定》(报批稿)中导地线配合标准且结合“两型三新全寿命”理念,避雷线选用JLB20A-80铝包钢绞线。
2. 导地线主要技术参数及使用最大使用应力3. 设计档距根据钢管杆线路特征,设定导地线使用档距:水平档距Lp=150米,垂直档距Lv=160米,最大档距Lmax=190米。
四、绝缘配合设计1.根据浙江省电力公司文件(浙电生【2008】363号):关于印发《浙江电网污区分布图(2007)执行规定》的通知,通用设计钢管杆线路按《浙江电网污区分布图(2007版)》中的Ⅲ级污秽区设计,导线绝缘水平须满足泄漏比距大于2.8cm/kV的要求。
110KV双回路架空线钢管杆通用设计说明书一、设计依据及范围1.设计依据1.2 规程、规范:《110~750kV架空送电线路设计技术规定》(报批稿)《110~500kV架空送电线路设计技术规程》(DL/T 5092-1999)《架空送电线路钢管杆设计技术规定》(DL/T5130-2001)《送电线路基础设计技术规定》(DL/T5219-2005)2.设计内容110KV架空送电线路双回路钢管杆以及与杆型对应的基础、绝缘子串、金具的通用设计及概算编制。
本次通用设计共完成13种杆型的设计,其中悬垂型3种、耐张型10种,详见下表:二、气象条件根据《110~750kV架空送电线路设计技术规定》(报批稿),选取钢管杆线路在各运行状况下的气象参数。
对于最大覆冰的取值,由于钢管杆线路一般都处于平地,故按轻冰区取值。
其它气象参数采用浙江省输电线路设计第Ⅰ气象区参数。
最大风速取V=33m/s,导线覆冰值C=5mm,地线覆冰取值C=10mm。
各设计气象条件组合详见下表:注:上表中基本风速高度均取离地10m、括号内为地线覆冰值三、导地线1.导地线选型根据最近几年来我省110KV线路最常用的导线型号,选择钢管杆通用设计导线型号为LGJ-300/40钢芯铝绞线。
根据《110~750kV架空送电线路设计技术规定》(报批稿)中导地线配合标准且结合“两型三新全寿命”理念,避雷线选用JLB20A-80铝包钢绞线。
2. 导地线主要技术参数及使用最大使用应力3. 设计档距根据钢管杆线路特征,设定导地线使用档距:水平档距Lp=150米,垂直档距Lv=160米,最大档距Lmax=190米。
四、绝缘配合设计1.根据浙江省电力公司文件(浙电生【2008】363号):关于印发《浙江电网污区分布图(2007)执行规定》的通知,通用设计钢管杆线路按《浙江电网污区分布图(2007版)》中的Ⅲ级污秽区设计,导线绝缘水平须满足泄漏比距大于2.8cm/kV的要求。
2.悬垂串采用合成绝缘子,机械破坏荷重不小于70kN,干弧距离不小于1.1米,上下两侧安装均压环,采用双联悬垂串。
3.耐张串采用70kN标准绝缘子,单片泄漏距离320mm,结构高度146mm,盘径255mm,每联采用10片,实际泄漏比距达到2.909cm/kV,采用双联耐张串。
4.耐张型钢管杆采用悬挂点固定式防风偏合成绝缘子,根据省电力公司生产部《架空输电线路跳线防风偏反措会议纪要》有关规定配置。
五、钢管杆头部尺寸设计1.根据《110~750kV架空送电线路设计技术规定》(报批稿),本次通用设计钢管杆头部尺寸设计满足以下条件:1.1 导线最小水平距离要求:按导线使用条件,计算得双回路线路导线最小水平间距D=3.5米。
1.2 导线间隙圆:考虑杆身安装爬梯、横担安装拉杆等因素,同时考虑在带电作业时,工作人员活动范围为0.5米。
按要求绘制导线间隙圆,确定横担的必需长度。
110KV线路带电部分与杆塔构件的最小间隙具体如下表:1.3 导地线水平偏移要求:上下层相邻导线间、地线与相邻导线间的水平偏移,按不小于0.5米设计。
1.4 导线最小垂直线间距离满足大于3.5米的要求。
1.5 转角杆外角侧考虑线路转角引起的导线(引流线)偏移。
2. 本次通用设计钢管杆头部尺寸,详见《钢管杆单线图》。
六、防雷接地、导地线防振设计1. 保护角根据《110~750kV架空送电线路设计技术规定》(报批稿),110KV双回路线路杆塔上地线对边导线的保护角不大于10°。
通用设计悬垂型、耐张型钢管杆,避雷线对边导线的保护角均在9.5°左右。
2. 档距中间导地线之间垂直距离本次通用设计在导地线横担垂直距离、导地线应力配合设计时,考虑在线路档距中央,导线与地线间的垂直距离,满足下式校验(计算条件为:气温+15℃,无风、无冰)。
S≥0.012L+1式中 S——导线与地线间的距离,m;L——档距,m。
3. 防雷设计同时关系到钢管杆头部尺寸设计。
4.接地本次通用设计的钢管杆,可以根据其基础形式确定接地方式。
采用钢管桩基础的钢管杆,可以利用桩体接地;采用混凝土基础的钢管杆,在混凝土承台四周敷设接地装置。
5. 钢管杆线路导地线防振本次通用设计导线年平运行应力在拉断应力的16%以下,避雷线年平运行应力在拉断应力的12%以下,符合不需要防振措施的要求。
因此,钢管杆线路不需要设置防振锤或护线条。
七、钢管杆主材选择及主杆强度、挠度设计值1.主材选择:本次通用设计钢管杆主材选用按美国标准《结构用轧制钢板、型钢、钢板桩及钢棒的一般要求》(ASTM A6)制造的Gr.65高强度板。
与Q345、Q420等传统杆塔材料相比较,Gr.65钢板具有强度高、级差小、镀锌效果好的特点。
Gr.65钢板的级差为1mm,利于设计优化,节省钢材;Gr.65钢板的热浸镀锌不仅厚度均匀、色差小,而且镀锌附着强,这是Gr.65钢板区别与其他钢板的最大特点。
Gr.65钢板的部分技术参数见下表:②在ASTM A6标准规定范围内,可以满足任何附加条件2. 主杆强度设计值根据钢管杆荷载特性及Gr.65高强度板的使用性能,确定主杆钢板强度设计值为420Mpa。
但由于当钢管杆荷载、杆高较大时,杆身结构不受强度控制,而是受挠度控制,因此,通常主杆计算最大应力在380~390Mpa左右。
3. 主杆挠度设计值根据《架空送电线路钢管杆设计技术规定》(DL/T5130-2001)并结合《110~750kV架空送电线路设计技术规定》(报批稿),计算风速为5m/s、气温为15℃时运行工况下的钢管杆长期荷载,并计算长期荷载下的杆身挠度。
悬垂型钢管杆的长期荷载杆顶挠度控制在杆身全高的5‰;耐张型钢管杆控制在15‰。
八、钢管杆构件特征及防腐设计1. 主杆1.1 所有杆型主杆均采用正16边形断面,根据结构强度、挠度要求设计适当的锥度。
本次通用设计各种杆型的梢径及锥度如下表:1.2 悬垂型钢管杆杆段之间采用套接的形式,耐张型钢管杆杆段之间采用法兰连接形式。
1.3 考虑杆段受加工、运输、镀锌等条件限制,杆段最大设计长度控制在12.0米以内。
2. 横担2.1 所有杆型的横担采用矩形断面,呈锥形。
2.2 在杆身上设置横担支座,用螺栓将横担固定在支座中。
2.3 横担上平面与杆身轴线垂直,设置斜拉杆以保证横担的水平度。
3. 防腐设计钢管杆主杆及所有构件均采用热浸镀锌防腐措施。
九、基础设计1. 地质条件本次通用设计钢管杆基础设计时,以沿海地区常见的地质状况为设计地质条件,及地基为淤泥质粘土,流塑~软塑状,土的内摩阻角设计值为10°,桩周土侧阻力加权平均值为8Kpa。
土的天然容重15kn/m3,地下水位高标0.0m。
2. 基础形式基础采用钢管桩、钻孔灌注桩两种形式。
基础形式的选择,主要考虑了基础的运输、施工条件。
2.1 钢管桩基础2.1.1 基础选择首选钢管桩基础,钢管桩基础具有占地小的优点,符合钢管杆线路的架线走廊要求。
2.1.2 钢管桩可加工成环形截面或正24边形截面,钢管杆与钢管桩采用插入式锚固方法,钢管桩内径较钢管杆根径大150mm左右,根据上部荷载和地质条件设计桩长。
2.1.3 钢管桩一般采用成孔植桩法或锤击夯入法两种施工方法。
由于输电线路基础施工往往存在场地条件差、搬场频繁的特点,因此,需要大型机械设备进场的锤击夯入施工不适宜这一特点,而成孔植桩法是钢管桩施工最常用的方法。
2.1.4 成孔植桩法采用钻孔灌注桩施工机械,按设计桩径在地基中成孔后将钢管桩放入孔内,桩内回填塘渣、桩外灌注水泥浆以增加桩与地基间的摩阻力。
然后按杆身插入深度在桩内设置200mm厚的块石灌浆垫层,杆根在垫层上就位后,先用三角楔四点固定,再用C25细石砼固定。
为增加桩的稳定性,在桩端设置C20混凝土包方。
2.1.5 钢管桩及其附件采用Q235钢板,沿桩长1~2道纵向焊缝,采用热浸镀锌防腐。
2.2 钻孔灌注桩基础2.2.1 当用作基础的钢管桩直径和桩长随着钢管杆根径和荷载增加到一定量时,其加工运输以及施工都十分困难甚至无法实现,因此采用钻孔灌注桩加承台的基础形式。
2.2.2 桩基根据上部荷载大小设计成2桩和4桩两种,由于转角杆荷载方向往往与线路方向垂直,承台长边放置在线路垂直方向,因此,线路路径及杆位选择时应综合考虑基础尺寸。
2.2.3 采用钻孔灌注桩基础的钢管杆根部设计成法兰,采用地脚螺栓锚固在基础主柱上。
地基螺栓在主柱中埋置时,采用与法兰盘尺寸一致的定位板定位,以便钢管杆安装。
2.2.4 基桩直径按1.0m设计,由于没有针对性的地质报告,桩长设计时按摩擦桩设计。
十、单基钢管杆本体造价1.根据本次通用设计的杆型编制工程概算,因为无具体的工程,只做包括钢管杆、导地线、基础、绝缘子串、金具组成的本体部分的造价分析。
2. 钢管杆及钢管桩材料价格均按12000元/吨直接进入本体;导线价格按16800元/吨进入本体,按21000元/吨补差;地线按17508元/吨直接进入本体;地方性材料按宁波市2008年第七期信息价直接进入本体;运距只计列0.2公里人力运输;地形按100%平地计算;地质按100%普通土计算。
3.单基钢管杆工程本体总费用如下表:4.钢管杆线路架线工程19.5万元/公里。
. .。