广东省原种猪场现场审核表
- 格式:doc
- 大小:317.00 KB
- 文档页数:21
广东省农业厅关于进一步加强种畜禽管理工作的通知(一)文章属性•【制定机关】广东省农业厅•【公布日期】2009.04.23•【字号】•【施行日期】2009.04.23•【效力等级】地方规范性文件•【时效性】现行有效•【主题分类】种植业正文广东省农业厅关于进一步加强种畜禽管理工作的通知各地级以上市、县(市、区)农业(畜牧兽医)局:为进一步加强种畜禽生产经营管理,规范生产经营行为,维护生产经营者的合法权益,促进我省畜牧业持续健康发展,根据《中华人民共和国畜牧法》(以下简称《畜牧法》)和《广东省种畜禽生产经营许可证发放和畜禽养殖备案办法(试行)》(以下简称《办法》)等法律法规,我厅组织修订了广东省种畜禽场现场验收标准,现印发给你们,并就进一步加强种畜禽管理工作提出如下意见,请遵照执行。
一、充分认识加强种畜禽管理的必要性种畜禽是畜牧业生产的基础,是促进畜禽生产标准化、规模化的关键。
加强种畜禽生产经营管理,做好种畜禽生产经营许可证发放和种畜禽场现场审核,是深入贯彻落实《畜牧法》的重要内容,对加快依法治牧进程,规范种畜禽市场秩序,完善畜禽良种繁育体系,维护广大畜牧业生产经营者的合法权益具有十分重要的意义。
近年来,国家和省不断强化种畜禽管理力度,2006年7月国家颁布的《畜牧法》对种畜禽的选育和生产经营进行了严格规范,2007年我省依据《畜牧法》,制订了《办法》,对我省种畜禽生产经营许可证的分级核发等做出了明确规定。
全省认真贯彻落实《畜牧法》和《办法》,依法治牧能力逐步增强,有力保障和提高了我省的种畜禽质量。
为做好种畜禽生产经营许可证核发和种畜禽场现场审核工作与以上法律法规的衔接,进一步提升我省种畜禽管理水平,我厅组织修订了广东省种畜禽场现场验收标准,并对种畜禽生产经营许可证申请表和申报书的格式与内容进行了相应调整(见附件1-7)。
各地要充分认识加强种畜禽管理的必要性,严格按照本通知要求,进一步做好种畜禽生产经营许可证核发和种畜禽场现场审核,促进我省种畜禽产业健康有序发展。
附件1:编号:( )粤广东省种畜禽生产经营许可证申请表(原种猪场)申报类型:首次() 换证()其他()申报单位:(公章)注册地址:生产地址:联系电话:传真:电子邮件:联系人:填报日期:年月日广东省农业厅制填表说明一、本表为申请原种猪场种畜禽生产经营许可证使用。
二、核心群和繁殖群种猪来源指引进或自留,引进的要说明供种国家、地区(或单位)及日期。
三、统一计量单位:窝重、个体重、日增重均为kg,达100kg体重日龄为天,日增重为g,膘厚为mm,眼肌面积为cm2,屠宰率、后腿比例、瘦肉率为%。
四、胴体瘦肉率指屠宰测定头数的平均值。
五、存栏核心群和繁殖群种猪指申报时的存栏数。
六、种猪繁殖、生长发育与屠宰性能是指近三年来种猪生产性能测定和繁殖记录统计结果。
七、本表一式四份,申请单位、省、市、县级畜牧兽医行政主管部门各存一份。
说明:1. 初次申报不填写此表;2. 种猪产销数量以许可证有效期限内分年填写;3. 销售地区指县(区)以上地区;4. 品种指杜洛克、长白、大白(约克)、二元杂及其他品种。
附件2:编号:( )粤广东省种畜禽生产经营许可证申请表(种猪扩繁场)申报类型:首次() 换证()其他()申报单位:(公章)注册地址:生产地址:联系电话:传真:电子邮件:联系人:填报日期:年月日广东省农业厅制填表说明一、本表为申请种猪扩繁场种畜禽生产经营许可证使用。
二、种猪来源指引进或自留,引进的要说明供种国家、地区(或单位)及日期。
三、统一计量单位:窝重、个体重、日增重均为kg。
四、种猪存栏指申报时的种猪存栏数。
五、种猪繁殖性能是指近三年来种猪繁殖记录统计结果。
六、本表一式三份,申请单位、市、县级畜牧兽医行政主管部门各存一份。
说明:1. 初次申报不填写此表;2. 种猪产销数量以许可证有效期限内分年填写;3. 销售地区指县(区)以上地区;4. 品种指二元杂及其他品种。
附件3:编号:( )粤广东省种畜禽生产经营许可证申请表(原种禽场、祖代种禽场)申报类型:首次() 换证()其他()申报单位:(公章)注册地址:生产地址:联系电话:传真:电子邮件:联系人:填报日期:年月日广东省农业厅制填表说明一、本表为申请原种、祖代种禽场种畜禽生产经营许可证使用。
种畜禽生产经营许可证现场审核表(商品代仔畜生产场、禽蛋孵化场)
申报类型:首次() 换证()其他()
申报单位:(公章)注册地址:
生产地址:
联系电话:
传真:
电子邮件:
联系人:
填报日期:年月日
从化市畜牧兽医渔业局制
说明
一、此表由从化市畜牧兽医渔业局统一制定。
二、本表由验收组成员填写。
三、填报内容应客观真实,不得随意涂改。
四、由市畜牧兽医行政主管部门批准成立现场考核验收组,验收组由局畜牧科、兽医科、动物卫生监督所、辖区畜牧兽医站派人组成,成员至少2人具备中级以上技术职称或硕士学历以上畜牧兽医专业技术人员,具有较丰富的有关被审查企业生产产品的专业知识。
五、验收组成员必须高效廉洁、客观公正、严守秘密,维护验收工作的科学性、公正性和权威性。
六、验收组采取现场察看、审阅资料、听取汇报等方式进行。
种畜禽生产经营许可证现场审核内容。
广东省农业厅关于开展第一批省重点生猪养殖场审核工作的通知文章属性•【制定机关】广东省农业厅•【公布日期】2012.03.30•【字号】粤农函[2012]247号•【施行日期】2012.03.30•【效力等级】地方规范性文件•【时效性】现行有效•【主题分类】农产品质量安全正文广东省农业厅关于开展第一批省重点生猪养殖场审核工作的通知(粤农函〔2012〕247号)各地级以上市农业(畜牧兽医)局,顺德区经济促进局:第一批100家省重点生猪养殖场自2009年初挂牌以来,对提高我省生猪生产能力、保障畜产品安全有效供给,推进生态与健康养殖、加快畜牧业转型升级做出了突出贡献。
根据《关于组织申报第一批广东省重点生猪养殖场的通知》(粤农电〔2009〕10号)“广东省重点生猪养殖场称号有效期三年,期满后由省农业厅重新组织评定”的规定,我厅决定开展第一批省重点生猪养殖场届满审核工作。
现将有关事项通知如下:一、请各地依照《广东省重点生猪养殖场申报条件、评定程序和管理要求》,对辖区内的第一批省重点生猪养殖场进行届满审核,内容包括:养殖场的生产经营情况、生产标准化和规模化水平、疫病防控能力、环境保护以及管理规范化情况等。
对符合广东省重点生猪养殖场条件和管理要求相关规定的,我厅继续授予“广东省重点生猪养殖场”称号;同时,请将新建或改扩建后,符合省重点生猪养殖场条件的养殖场汇总上报作为备选。
各地要认真开展审核工作,加强对省重点生猪养殖场的监管,我厅将组织对审核情况进行抽查。
二、在审核过程中发现不符合要求或搬迁等情况的,应说明存在问题,经我厅复核确定后,将予以摘牌处理。
被摘牌后空缺的名额,原则上在本市范围内组织符合条件的生猪养殖场申报,按程序评选产生;如本市没有申报符合条件的生猪养殖场,由省农业厅进行调整。
三、请于4月10日前将第一批省重点生猪养殖场审核表、省重点生猪养殖场推荐汇总表、广东省重点生猪养殖场申报表各一式一份报省畜牧兽医局,同时发送电子版。
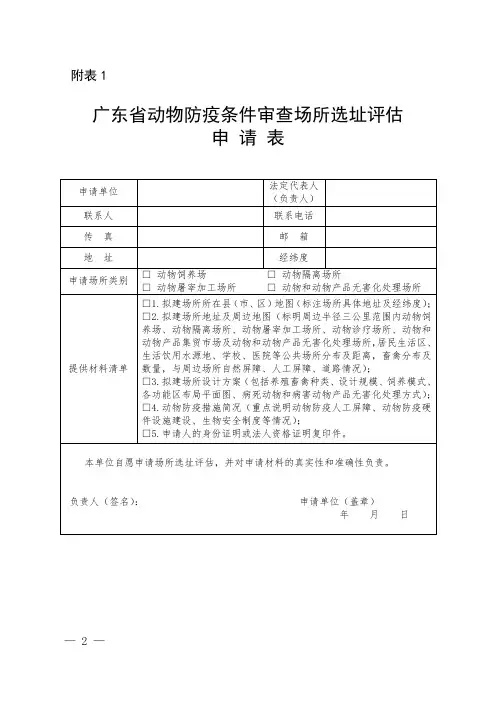
附表1广东省动物防疫条件审查场所选址评估申请表— 2 —— 3 —附表2广东省动物饲养场、动物隔离场所动物防疫条件选址综合评估表— 4 —备注:1.综合得分为各评估项目得分之和,评审专家根据评估项目各自评定,最终得分取平均分。
2.综合评估分值在80分以上(含80分)的,评估结论为“符合动物防疫选址条件”。
达不到80分的,但通过改进设施条件能达到的,由专家提出整改意见,申请方同意并承诺实施的,评估结论为“整改后符合动物防疫选址条件”。
整改期限为一个月,整改措施得到落实后,经专家组确认合格后视同“符合动物防疫选址条件”。
其他为“不符合动物防疫选址条件”。
3.第2-4项采用承诺方式评分,专家组当面征询被评估单位负责人员是否承诺场所建设后能达到评分细则的要求,承诺的,给予计分;不承诺的,不予计分。
被评估单位负责人员同时在评分细则栏进行承诺签名。
若场所建成后达不到评估得分要求的,不予审查办理《动物防疫条件合格证》。
— 5 —附表3广东省动物屠宰加工场所、动物和动物产品无害化处理场所动物防疫条件选址综合评估表— 6 —备注:1.综合得分为各评估项目得分之和,评审专家根据评估项目各自评定,最终得分取平均分。
2.综合评估分值在80分以上(含80分)的,评估结论为“符合动物防疫选址条件”。
达不到80分的,但通过改进设施条件能达到的,由专家提出整改意见,申请方同意并承诺实施的,评估结论为“整改后符合动物防疫选址条件”。
整改期限为一个月,整改措施得到落实后,经专家组确认合格后视同“符合动物防疫选址条件”。
其他为“不符合动物防疫选址条件”。
3.第2-5项采用承诺方式评分,专家组当面征询被评估单位负责人员是否承诺场所建设后能达到评分细则的要求,承诺的,给予计分;不承诺的,不予计分。
被评估单位负责人员同时在评分细则栏进行承诺签名。
若场所建成后达不到评估得分要求的,不予审查办理《动物防疫条件合格证》。
— 7 —公开方式:主动公开抄送:省司法厅。
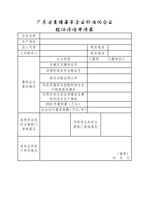
畜禽屠宰生产许可现场验收审核表企业名称: .申请类别:设立□迁址□增项□其他□企业类别:生猪屠宰□牛屠宰□羊屠宰□禽屠宰□生产地址: .联系人: .联系电话: .审核日期:年月日 .二〇年填写说明一、本表用于畜禽屠宰生产许可现场审核。
二、审核组由市级农业农村局牵头组织,由农业农村、生态环境、民族宗教及其他相关单位三名以上人员组成,审核组成员应当熟悉畜禽屠宰管理法规、屠宰加工工艺、畜产品质量检验、生态环境及民族宗教等专业知识和规定。
三、审核表由审核组成员使用蓝色或黑色签字笔填写,不得随意涂改。
现场审核工作结束后,审核表由市级畜牧兽医管理部门存档。
四、在进行现场审核的同时,还应当就企业申报材料与企业现场的一致性进行符合性检查。
五、现场审核及符合性检查同时满足要求的,在表2的审核结论一栏中打“√”,不符合要求的打“×”并在备注栏逐一注明原因;不涉及的审核内容,在审核结论一栏注明“不涉及”。
符合性检查中存在问题的,必要时留存影像、文字等相关证据。
六、审核组应当根据现场审核情况提出审核意见,审核意见应当包括对申请企业的总体评价以及相关建议等内容。
表1审核组成员及审核意见表2××省生猪定点屠宰厂(场)现场验收审核标准10项以上C项不符合,不得通过现场验收审核。
表3 现场审核汇总表注:受审核企业不涉及的审核细目不计入实际审核数量。
表4 现场审核不合格项目汇总表对以上存在的不合格项目,在前整改完毕,在整改完毕并经当地县区农业农村局验收合格后,由屠宰企业向市农业农村局提交整改落实报告及相关资料(图片、照片)。
审核组组长(签字):企业法人(负责人)(签字):成员:成员:年月日。
附件2:四师畜禽定点屠宰厂(场)现场审核表企业名称:(公章)企业地址:负责人:(签字)联系电话:序号审核项目审核内容审核依据审核方式现场验收结论符合不符合1 基本要求必备条件进厂(场)屠宰的畜禽,应当持有产地动物卫生监督机构出具的《动物检疫合格证明》。
《生猪屠宰管理条例实施办法》第十一条现场查验厂(场)设立应符合自治区畜禽定点屠宰厂(场)设置规划要求。
《生猪屠宰管理条例》第六条查看《设置规划》厂址选择厂址周围应有良好的环境卫生条件,厂区应远离受污染的水体。
并应避开产生有害气体、烟雾、粉尘等污染源的工业企业或其他产生污染源的地区或场所。
GB50317-2009《猪屠宰与分割设计规范》3.1.2现场查验厂(场)不得建在居民稠密的地区。
GB 12694《肉类加工厂卫生规范》4.1.2现场查验水源条件应当有与屠宰规模相适应的充足水源,水质符合国家规定的城乡引用水卫生标准。
1.《生猪屠宰管理条例》第八条第(一)项2.《生猪屠宰管理条例实施办法》第七条(一)项查验半年内《生产水检验报告》厂(场)区布局生产区各车间的布局与设施必须满足生产工艺流程和卫生要求,厂(场)内清洁区与非清洁区应严格分开。
GB50317-2009《猪屠宰与分割设计规范》3.2.2现场查验2 设施要求屠宰设施屠宰厂(场)应当设有待宰间、屠宰间、急宰间和独立检疫室,厂房建设符合国家规范。
1.《生猪屠宰管理条例》第八条(二)2.《动物防疫条件审查办法》第十二条(七)项3.《屠宰场建筑规范》现场查验无害化和污染物处理有病害畜禽及畜禽产品无害化和污染物处理设施。
1.《生猪屠宰管理条例》第八条(六)2.《新疆维吾尔自治区畜禽屠宰管理条例》第十条(二)、(三)项现场查验清洗、消毒设施应设热水和冷水洗手设施,并备有洗手剂。
车间内应设有清洗、消毒设施,有消毒药品,并应有充足的冷、热水源。
1.《生猪屠宰管理条例实施办法》第七条(五)项2.新疆维吾尔自治区《畜禽屠宰管理条例》第十条(二)项3.GB 12694《肉类加工厂卫生规范》4.6.4.1 、4.6.4.3现场查验3 设备要求生产设备具有畜禽屠宰、冷藏设备。
动物饲养场、养殖小区动物防疫条件现场审查表项目类别内容审查结果审查说明选址动物饲养场、养殖小区填写距离生活饮用水源地500米以上;是否距离动物屠宰加工场所500米以上;距离动物及动物产品集贸市场500米以上;距离动物诊疗场所200米以上;距离种畜禽场1000米以上;动物养殖场(养殖小区)之间距离不少于500米;距离动物隔离场所、无害化处理场所3000米以上;距离城镇居民区、文化教育科研等人口密集区500米以上;距离公路、铁路等主要交通干线500米以上;布局动物饲养场、养殖小区填写场区周围建有围墙;场区出入口处设置与门同宽,长4米、深0.3米以上的消毒池;生产区与生活办公区分开;生产区与生活办公区有隔离设施;生产区入口处设置更衣消毒室(配备紫外线消毒灯);各养殖栋舍出入口设置消毒池或消毒垫;生产区内清洁道、污染道分设;生产区内各养殖栋舍之间距离应在5米以上或有隔离设施。
设施设备动物饲养场、养殖小区填写场区入口处配置消毒设备;生产区有良好的采光、通风设施设备;圈舍地面和墙壁选用适宜材料,以便清洗消毒;配备疫苗冷冻(冷藏)设备、消毒和诊疗等防疫设备的兽医室,或者有兽医机构为其提供相应服务;有与生产规模相适应的无害化处理设施设备;有与生产规模相适应的污水污物处理设施设备;有相对独立的引入动物隔离舍;有相对独立的患病动物隔离舍;人员动物饲养场、养殖小区填写动物饲养场、养殖小区应当有与其养殖规模相适应的执业兽医或乡村兽医从事动物饲养的工作人员不得患有相关的人畜共患传染病。
制度动物饲养场、养殖小区填写免疫制度;用药制度;检疫申报制度;疫情报告制度;消毒制度;无害化处理制度;畜禽标识制度;养殖档案;1。
11 2供水设施生产设施地面与排水天花板1.生产车间应依生产作业流程,有序而整齐的配置。
生产过程生产车间-或①表面涂层-或②白色或浅色防水材料构筑 -或③食品级不锈钢顶棚 墙壁与门窗1331 3 3包装车间查:洗手步骤及现场实施情况13•鞋底消毒设备(或换鞋设备)要求 ① 一般食品工厂要求员工进入生产、包装车间需换工作鞋② 即食性成品工厂制造车间入口必须有泡鞋池供清洗消毒鞋底;消毒剂需要定期更换,若使用氯化合物消毒剂,其有效游离余氯 浓度应经常保持在200ppm 以上;需保持干燥之作业场所则必须设置换鞋设施。
查:现场设施*14.在适当且方便之地点设独立男女分开更衣室。
生产车间入口 包装车间入口查:现场设施15.更衣室设施要求:储物柜、紫外线灯管或臭氧(各1分);保持清洁 查:现场设施*16.食品制造用水应符合饮用水水质标准,非使用自来水者,应设置净水或消毒设备。
17.不与食品接触非饮用水(如冷却水、污水或废水等)之管路系 统与食品制造用水之管路系统,应以颜色明显区分,并以完全分离1 之管路输送,不得有逆流或相互交接现象。
18. 地下水源应与污染源(化粪池、废弃物堆置场等)保持15米以上之距离,以防污染。
2. 生产车间应有足够空间,安置设备、卫生作业或储存食品、物料 等。
(生产、包装、各1分)2杳:各功能作业区现场3. 地面应使用非吸收性、不透水、易清洗消毒之材料铺设,如水磨石、树脂等。
4•地面应平坦光滑、不得有破损,有适当的排水斜度、不易积水,地面与墙面连接处,有适当弧度,不得存在卫生死角。
5. 现场的排水系统应有适当的过滤设施、止逆设施、防臭设施(防水弯、水封等)6•生产作业区现场屋顶应易清扫、可防止灰尘储积,减少结露或成片剥落等情形发生,包装车间-或①表面涂层-或②白色或浅色防水材料构筑-或③食品级不锈钢顶棚 7•天花板应保持干净,且没有破损;8. 蒸汽、水等配管不得设于食品暴露之直接上空,否则应有能防止尘埃及凝结水等掉落之装置或设施。
广东省农业厅关于进一步加强种畜禽管理工作的通知(二)文章属性•【制定机关】广东省农业厅•【公布日期】2009.04.23•【字号】•【施行日期】2009.04.23•【效力等级】地方规范性文件•【时效性】现行有效•【主题分类】种植业正文续(一)附件6:注1:具体格式见附件7;注2:种猪扩繁场和父母代种禽场除外;注3:新建场除外。
注4:原种猪场、原种禽场、祖代种禽场和种牛场的动物防疫合格证须由省级畜牧兽医行政主管部门颁发(广州、深圳可由市级畜牧兽医行政主管部门颁发)。
注5:原种猪场、原种禽场、祖代种禽场、种牛场的企业变更申请证明须由市级畜牧行政主管部门出具,生猪扩繁场和父母代种禽须有县级畜牧行政主管部门出具。
注6:企业自愿提供。
附件7:编号:()粤种畜禽生产经营许可证申报书申报类型:首次()换证()其他()申报单位名称:单位注册地址:单位生产地址:联系电话:传真:电子邮件:联系人:填报日期:年月日广东省农业厅制说明:年生产种畜禽数量按申报前一年情况填写,新建企业可不填写。
说明:设备主要包括生产设备(猪场:分娩、保育、育肥、降温、采精设备等,种禽场:育雏、育成、育种和孵化设备等,种牛场:挤奶机、贮奶罐和TMR设备等),性能测定设备,实验室检测设备以及场内供水、供电、污水处理设备,本表可加页。
说明:本表可加页。
说明:本表可加页。
附件8:种畜禽生产经营许可证编号格式根据《农业部关于加强种畜禽生产经营管理工作的通知》(农牧畜发〔1998〕80号)要求,我省种畜禽生产经营许可证编号统一格式为:()粤+①+②+③+④。
此编号为全国统一格式,不得随意增减。
有关事项说明如下:1.()括号内填写发证年份。
例:(2009)表示2009年发证。
2. ①代表各市代码,一律用大写英文字母表示。
我省各地市代码如下:A广州、B深圳、C 珠海、D汕头,E佛山、F韶关、G湛江、H肇庆、J江门、K茂名、L惠州、M梅州、N汕尾、P河源、Q阳江、R清远、S东莞、T中山、U潮州、V揭阳、W云浮。
兽药产品现场审核表
一、审核信息
•审核日期: [填写日期]
•审核人: [填写姓名]
•审核对象: [填写公司/机构名称]
二、基本信息
1. 兽药产品信息
•产品名称: [填写产品名称]
•产品批次: [填写批次号]
•生产日期: [填写生产日期]
•有效期至: [填写有效期]
•生产厂家: [填写生产厂家]
•生产地址: [填写生产地址]
2. 兽药成分
•主要成分: [填写主要成分及含量]
•辅助成分: [填写辅助成分及含量]
三、品质控制
1. 外观
•颜色: [描述产品颜色]
•气味: [描述产品气味]
•状态: [描述产品状态]
2. 包装
•包装完整性: [描述包装是否完好]
•标签清晰度: [描述标签是否清晰可辨]
四、生产环境
1. 生产车间
•清洁情况: [描述生产车间清洁度]
•通风情况: [描述生产车间通风情况]
•温度湿度: [记录温度湿度情况]
2. 生产设备
•设备状态: [描述设备运行状况]
•设备清洁度: [描述设备清洁情况]
五、验收记录
1. 来料验收
•原料检验证书: [是否有原料检验证书]
•原料外观: [描述原料外观情况]
2. 在制品检验
•在制品检测记录: [记录在制品检测情况]
六、审核结论
[填写具体审核结论,是否合格,存在哪些问题等]
七、审核人签名
审核人:日期:
[审核人姓名] [日期]
以上为兽药产品现场审核表,经审核结果如上所示。
附件3:
生猪定点屠宰资格审核清理工作表格二:
生猪定点屠宰资格联合审核表
县/ 市/ 省表格编号:审核日期:年月日企业名称:企业地址:联系电话:
商务主管部门:(公章)环境保护主管部门:(公章)
农业部门:(公章)
填表说明:
1.本表供县级、市级、省级生猪定点屠宰资格审核清理机关审核或抽查复核时使用。
审核时,请在符合或不符合栏打勾,审核人签字确认并加盖部门公章。
2.依据《生猪屠宰管理条例》规定的生猪定点屠宰企业设立条件,本表中审核项目区分为标★项目与不标★项目。
凡标★的为重点审核项目,必须严格按照审核原则审核,凡标★项目(经企业整改后)不符合者必须取消生猪定点屠宰资格;其余项目可依据相关法律法规和标准,结合审核原则与实际情况,在保证肉品质量安全和环境卫生的前提下,基本符合审核原则要求的,可判定为符合。
3.本表中《条例》指《生猪屠宰管理条例》(国务院令2008年第525号),《实施办法》指《生猪屠宰管理条例实施办法》(商务部令2008年第13号)。
附件9:
广东省原种猪场现场审核表
申报类型:首次() 换证()其他()
申报单位:(公章)注册地址:
生产地址:
联系电话:
传真:
电子邮件:
联系人:
填报日期:年月日
广东省农业厅制
说明
一、此表由广东省农业厅统一制定。
二、本表由验收组成员填写。
三、填报内容应客观真实,不得随意涂改。
四、由省畜牧兽医管理部门批准成立原种猪场现场考核验
收组,验收组由5-7人组成,成员须具备中级以上技术职称,具有较丰富的有关被审查企业生产产品的专业知识。
五、验收组成员必须高效廉洁、客观公正、严守秘密,维
护验收工作的科学性、公正性和权威性。
六、验收组采取现场察看、审阅资料、听取汇报等方式进
行。
评审组成员签到表
附件10:
广东省种猪扩繁场现场审核表
申报类型:首次() 换证()其他()
申报单位:(公章)注册地址:
生产地址:
联系电话:
传真:
电子邮件:
联系人:
填报日期:年月日
广东省农业厅制
说明
一、此表由广东省农业厅统一制定。
二、本表由验收组成员填写。
三、填报内容应客观真实,不得随意涂改。
四、由市畜牧兽医管理部门批准成立种猪扩繁场现场考核
验收组,验收组由5-7人组成,成员须具备中级以上技术职称,具有较丰富的有关被审查企业生产产品的专业知识。
五、验收组成员必须高效廉洁、客观公正、严守秘密,维
护验收工作的科学性、公正性和权威性。
六、验收组采取现场察看、审阅资料、听取汇报等方式进
行。
评审组成员签到表
广东省种猪扩繁场现场审核汇总表。