高性能的通用变频器
- 格式:docx
- 大小:10.15 KB
- 文档页数:2
工业自动化 | 电梯 | 新能源汽车 | 工业机器人 | 轨道交通HVD100系列高性能变频器HVD100系列是汇川技术适用于供热、给水、风机、水处理等风机水泵类行业。
并为这类行业提供行业需要的控制功能。
高性能、高品质、高功率密度设计,以及在易用性、可维护性、环保性、安装空间和设计标准等方面的显著提升,可进一步优化用户的使用体验。
Contents 目录产品优势技术参数外形尺寸技术规范选配件端子接线图公司介绍03 07 08 12 14 15 16全球通用满足包括欧洲,北美,印度等在内的380-480V三相电网需求。
符合国际标准的宽电压设计满足欧盟C3,C2等要求,对于EMC要求高的场合可以提供综合解决方案。
更高的安全及认证,CE、UL、CUL、ROHS,满足高端用户的设备出口认证要求。
注:部分机型UL认证还在进行中。
03/04结构紧凑天生小谐波,对笨重的高谐波方案say No!18.5G/22P及以上系列都可以内置H级绝缘等级,可有效提高变频器的输入侧功率因数,提高整机效率和热稳定性,有效消除高次谐波和对外传导辐射干扰,消除直流电抗器外置的安全隐患和占用电气安装空间的困扰。
内置直流电抗器精细化设计,体积减少30%最大减少体积30%,减少安装面积70% ( 110kW 单个);选用新一代IGBT模块技术,结温高,功率密度大,机器体积更小,能量更大。
0.4G/0.75P - 75G/90P内置制动单元;制动能力强:短时制动能力可达1.1~1.4倍变频器额定功率;制动保护更全面、智能化:具有制动电阻短路保护、制动回路过流保护、制动管过载保护、制动管直通检测等。
完善的直流制动回路方案性能卓越智能节能功能飞车启动通过电压磁通矢量算法,实现对输出电压的闭环控制;在电机转矩要求低时,根据负载电流减小励磁电流;最大化的提高电机效率;减少电机损耗 ,减小能量损耗。
可避免因直接启动造成的过流故障,实现平稳启动;可减少瞬间停电对生产的影响;可减少对电网的冲击。
当心SD680系列高性能通用变频器使用说明书目录第一章概况1.1 变频器的综合技术特性..........................................................- 5 -1.2 变频器的铭牌说明..................................................................- 5 -1.3 变频器系列机型......................................................................- 6 -1.4 变频器外形尺寸......................................................................- 7 - 第二章开箱检查第三章拆卸和安装3.1 变频器运行的环境条件..........................................................- 8 -3.2 变频器安装间隔及距离..........................................................- 9 -3.3 外引键盘的安装尺寸............................................................- 10 - 第四章接线4.1 外围设备的连接图................................................................- 11 -4.2接线端子图.............................................................................- 11 -4.3标准接线图.............................................................................- 13 -4.4断路器、电缆、接触器规格一览表.....................................- 13 -4.5 主回路的连接........................................................................- 14 -4.6 控制回路的连接..................................................................- 17 -4.6.1 注意事项......................................................................- 17 -4.6.2 控制板端子说明..........................................................- 17 -4.7 符合EMC要求的安装指导.................................................- 18 -4.7.1 EMC一般常识.............................................................- 18 -4.7.3 EMC安装指导.............................................................- 18 -4.7.3.1 噪声抑制...................................................................- 19 -4.7.3.2 现场配线...................................................................- 19 -4.7.3.3 接地...........................................................................- 19 -4.7.3.4 漏电流.......................................................................- 19 - 第五章键盘操作与使用说明5.1 键盘布局..............................................................................- 21 -5.2 键盘功能说明......................................................................- 21 -5.3 LED数码管及指示灯说明.................................................- 22 -5.4 键盘显示状态......................................................................- 22 -5.5 键盘操作方法......................................................................- 24 -SD680系列高性能通用变频器使用说明书FE行业应用扩展参数组(定长控制)...................................- 143 - FF 厂家参数..............................................................................- 144 - 故障代码....................................................................................- 146 - 监控参数组.................................................................................- 147 -SD680系列高性能通用变频器使用说明书第一章概况1.1 变频器的综合技术特性●输入输出特性◆输入电压范围:380/220V±15%◆输入频率范围:47~63Hz◆输出电压范围:0~额定输入电压◆输出频率范围:0~600Hz●外围接口特性◆可编程数字输入:6路输入◆可编程模拟量输入:AI1:0~10V输入;AI2:0~10V或0/4~20mA输入◆开路集电极输出:2路输出◆继电器输出:1路输出◆模拟量输出:AO1: 0~10V输出;AO2:0/4~20mA或0~10V输出●技术性能特性◆控制方式:无传感器矢量控制、矢量化V/F控制◆过载能力:150%额定电流 60s;180%额定电流 10s◆起动转矩:无传感器矢量控制:0.5Hz/150% (SVC)◆调速比:无传感器矢量控制:1:100◆速度控制精度:无传感器矢量控制:±0.5%最高速度◆载波频率:1.0K~15.0KHz●功能特性◆频率设定方式:数字设定、模拟量设定、串行通讯设定、多段速、PID设定等。
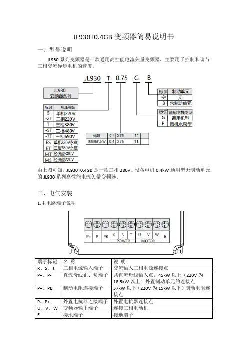
JL930T0.4GB变频器简易说明书一、型号说明JL930系列变频器是一款通用高性能电流矢量变频器,主要用于控制和调节三相交流异步电机的速度。
由上图可知,JL930T0.4GB是一款三相380V、设备电机0.4kW通用型无制动单元的JL930系列高性能电流矢量变频器。
二、电气安装1.主电路端子说明2.变频器主回路接线方式配线注意事项:(1)输入电源R、S、T:a、变频器的输入侧接线,无相序要求。
b、外部功率配线的规格和安装方式需要符合当地法规及相关IEC标准要求。
c、功率线缆配线请根据功率电流大小选择对应尺寸的铜导线。
(2)直流母线P+、P-:a、注意刚停电后直流母线P+、P-端子有残余电压,须等CHARGE灯熄灭,并确认停电10分钟后才能进行配线操作,否则有触电的危险。
b、37kW以上选用外置制动组件时,注意P+、P-极性不能接反,否则导致变频器损坏甚至火灾。
c、制动单元的配线长度不应超过10m。
应使用双绞线或紧密双线并行配线。
d、不可将制动电阻直接接在直流母线上,可能会引起变频器损坏甚至火灾。
(3)制动电阻连接端子P+、PB:a、30kW以下且确认已经内置制动单元的机型,其制动电阻连接端子才有效。
b、制动电阻选型参考推荐值且配线距离应小于5m。
否则可能导致变频器损坏。
(4)外置电抗器连接端子P、P+ :a、37kW及以上功率变频器、电抗器外置,装配时把P、P + 端子之间的连接片去掉,电抗器接在两个端子之间。
(5)变频器输出侧U、V、W:a、外部功率配线的规格和安装方式需要符合当地法规及相关IEC标准要求。
b、变频器输出侧不可连接电容器或浪涌吸收器,否则会引起变频器经常保护甚至损坏。
c、电机电缆过长时,由于分布电容的影响,易产生电气谐振,从而引起电机绝缘破坏或产生较大漏电流使变频器过流保护。
电机电缆长度大于100m时,须在变频器附近加装交流输出电抗器。
(6)接地端子E:a、端子必须可靠接地,接地线阻值必须少于0.1Ω。
ED3100系列变频器使用说明书(V1.1)深圳市易驱变频技术有限公司地址:深圳市福田区八卦三路光纤工业小区3栋8楼前言感谢您使用深圳市易驱变频技术有限公司生产的ED3100系列高性能矢量控制变频器。
ED3100系列变频器是深圳市易驱变频技术有限公司采用全新理念在ED3000系列的基础上自主开发的一款无速度传感器电流矢量型的变频器。
在提高稳定性的前提下增加了电机参数自辩识、模拟量电流输出、开关量输出、灵活的频率给定方式并可以实现多种频率给定方式的在线切换、参数在线修改、脉冲频率给定、掉电参数存储、摆幅固定、摆幅可变的摆频控制、RS485通讯等一系列实用、先进的功能。
为设备制造商和终端客户提供了集成度高的一体化解决方案,对降低系统的采购和运营成本,提高系统可靠性具有极大的帮助。
在使用ED3100系列变频器之前,请变频器使用者及相关技术人员仔细阅读使用说明书,以确保能正确安装和操作ED3100系列变频器,使变频器发挥其最佳性能。
本说明书如有改动,请以新版为准,恕不另行通知。
读者对象本使用说明书适合以下人员阅读变频器安装人员、工程技术人员(电气工程师、电气操作工等),设计人员请确保此使用说明书到达最终用户手中。
本书约定符号约定注意由于没有按要求操作,可能造成中等程度伤害或轻伤的场合。
危险由于没有按要求操作,可能造成死亡或重伤的场合-目录-第一章概要1.1 产品确认------------------------------------------------(5)1.2 安全注意事项------------------------------------------(6)1.3 使用注意事项------------------------------------------(8)1.4 报废注意事项------------------------------------------(9)规范及订货须知第二章产品产品规范及订货须知2.1 变频器系列型号---------------------------------------(10)2.2 产品技术规范------------------------------------------(11)2.3 变频器的外观说明------------------------------------(13)2.4 外型尺寸------------------------------------------------(13)2.5 选配件---------------------------------------------------(17)第三章变频器的安装及配线3.1 变频器的安装环境-------------------------------------(19)3.2 变频器面板的拆卸和安装----------------------------(20)3.3 变频器配线的注意事项-------------------------------(20)3.4 主回路端子的配线-------------------------------------(21)3.5 基本运行配线图----------------------------------------(25)3.6 控制回路配置及配线----------------------------------(27)3.7 符合EMC要求的安装指导--------------------------(31)第四章变频器的运行及操作说明4.1 变频器的运行-----------------------------------------(33)4.2 键盘的操作与使用-----------------------------------(34)4.3 变频器的上电-----------------------------------------(38)第五章功能参数表5.1 表中符号说明-----------------------------------------(39)5.2功能参数表--------------------------------------------(39)第六章功能参数表详述6.1 基本参数(P0.00-P0.23)---------------------------(56)6.2 电机与矢量控制参数(P1.00-P1.15)------------(66)6.3 辅助运行参数(P2.00-P2.43)---------------------(69)6.4 用户管理界面参数(P3.00-P3.09)---------------(78)6.5 开关量输入输出参数(P4.00-P4.16)------------(79)6.6 模拟输入输出参数(P5.00-P5.16)---------------(88)6.7 过程PID控制参数(P6.00-P6.14)---------------(93)6.8 可编程运行参数(P7.00-P7.18)------------------(100)6.9 通讯参数(P8.00-P8.04)---------------------------(105)6.10保护参数(P9.00-P9.03)--------------------------(107)6.11高级功能参数(PA.00-PA.06)-------------------(109)第七章故障诊断及处理7.1 故障现象对策--------------------------------------------(112)7.2 故障记录查询--------------------------------------------(112)7.3 故障复位--------------------------------------------------(112)故障代码以及对策-------------------------------------- (113)第八章保养和维护8.1 日常保养及维护-----------------------------------------(116)8.2 定期保养及维护-----------------------------------------(116)8.3 变频器的保修--------------------------------------------(117)第一章 概 要1.1 产品确认开箱时,请认真确认:在运输中是否有破损或刮伤损坏现象,本机铭牌的额定值是否与您的订货要求一致。
E2000系列变频器是一款高性能矢量控制型通用变频器,适用于交流异步感应电机和永磁同步电机调速控制,具有良好的动态性能,丰富的应用功能,进一步强化产品的可靠性和对环境的适应性。
本使用手册简要介绍了E2000系列变频器的产品特性、安装接线、参数设定及操作使用的有关事项,务请妥善保管。
本公司致力于产品的不断改善和功能升级,手册提供资料如有变更,恕不一一通知。
会在公司网站()上进行公布。
如果使用中发生故障,请与厂家或经销商联系。
一、安全注意事项 (1)1.1安全注意事项 (1)1.2使用前 (6)1.3产品设计执行标准 (9)二、产品简介 (10)2.1产品型号命名规则 (10)2.2功能代号命名规则 (10)2.3产品铭牌 (13)2.4产品外观 (14)2.5技术规范 (17)2.6选配件 (19)三、控制面板介绍 (20)3.1控制面板概述 (20)3.2控制面板及安装支架结构尺寸 (23)3.3控制面板操作说明 (25)3.4参数设置方法 (26)3.5功能码区内与区间的切换方法 (27)3.6面板显示内容介绍 (28)四、安装接线 (29)4.1外围接线图 (29)4.2变频器安装 (31)4.3接线 (31)4.4控制端子功能简介 (34)4.5主回路的电压、电流和功率的测量方法 (39)4.6功率回路推荐配线 (41)4.7保护导体(地线)的截面积 (44)4.8总体接线示意图 (44)4.9传导和辐射干扰对策 (46)五、简易操作与运行指南 (52)5.1产品基本知识 (52)5.2简易操作指南 (53)5.3基本控制运行指南 (59)六、功能参数 (67)6.1基本参数 (67)6.2运行控制 (78)6.3多功能输入输出端子 (92)6.4模拟量输入输出 (105)6.5脉冲输入输出控制 (110)6.6多段速度控制 (115)6.7辅助功能 (120)6.8故障与保护 (131)6.9电机参数区 (137)6.10通讯参数 (145)6.11PID参数区 (150)6.12保留参数区 (157)6.13转矩控制参数区 (157)6.14第二电机参数区 (161)6.15显示参数区 (161)七、保养和维护 (164)7.1日常保养和维护 (164)7.2定期维护 (164)7.3变频器易损件更换 (165)7.4变频器的储存 (165)附录1 常见故障处理 (166)附录2 供水系统参考连线图 (170)附录3 产品一览表及结构型式一览表 (173)附录4 制动电阻选型表 (179)附录5 通讯手册 (181)附录6 功能码速查表 (193)附录7 通用编码器扩展卡使用说明 (236)附录8 主/从控制调试 (244)附录9 输入滤波器型号及尺寸 (250)升级记录: (256)敬告用户: (257)安全注意事项一、安全注意事项本章对与本产品相关的安全注意事项进行说明。
前言感谢您购买深圳市易驱电气有限公司开发生产的GT20系列变频器!GT20系列变频器是一款通用高性能变频器,具备低频力矩大、电机参数自辨识、最优加减速控制等先进的控制性能;具备满足不同工艺要求的功能,如多段速控制、简易PLC控制、PI控制、定长控制、下垂控制、自动节能运行、灵活的频率给定方式,多样的频率组合方式以及组合算法等一系列实用的功能。
可用于机床、线缆、纺织、造纸、食品、包装、化工、市政工程等自动化生产设备的驱动,满足不同工业设备对性能、功能的需求。
在使用本变频器之前,请变频器使用者及相关技术人员仔细阅读本手册,以确保能正确安装和操作变频器,使变频器发挥其最佳性能。
本用户手册如有改动,请以新版为准,恕不另行通知。
高性能变频器用户手册资料版本:V1.1本产品执行标准:本产品的设计、生产制造参照了最新版本的国家标准(GB或GB/T)及国际电工委员会标准(IEC)及国际单位制(SI),其相关部分技术参数可以满足的国家标准(GB或GB/T)及国际电工委员会标准(IEC)标准要求。
主要依据标准:GB/T12668.2-2002调速电气传动系统第2部分一般要求----低压交流变频电气传动系统额定值的规定GB12668.3-2012调速电气传动系统第3部分----产品电磁兼容性标准及其特定的试验方法GB12668.501-2013调速电气传动系统第5部分安全要求电气、热和能量GB/T2423.1-2008电工电子产品环境试验第1部分----试验方法试验A:低温GB/T2423.2-2008电工电子产品环境试验第2部分----试验方法试验B:高温GB/T2423.3-2016电工电子产品环境试验规程试验Cab----恒定湿热试验GB/T2423.4-2008电工电子产品环境试验规程试验Db----交变湿热GB/T2423.22-2012环境试验第2部分:试验方法试验N:温度变化GB/T2423.7-2018环境试验第2部分:试验方法试验Ec:粗率操作造成的冲击GB/T4798.1-2005电工电子产品应用环境条件第1部分:贮存GB/T4798.2-2008电工电子产品应用环境条件第2部分:运输GB/T4798.3-2007电工电子产品应用环境条件第3部分:有气候防护场所固定使用读者对象本使用说明书适合以下人员阅读变频器安装人员、工程技术人员(电气工程师、电气操作工等)、设计人员等请确保此用户手册到达最终用户手中。
前言首先感谢您购买EV510系列高性能电流矢量变频器!EV510系列高性能矢量变频器是一款通用高性能电流矢量变频器,主要用于控制和调节三相交流异步电机的速度和转矩,支持多种 PG卡等,功能强大。
可用于纺织、造纸、拉丝、机床、包装、食品、风机、水泵及各种自动化生产设备的驱动。
本说明书介绍了EV510系列高性能电流矢量变频器的功能特性及使用方法,包括产品选型、参数设置、运行调试、维护检查等,使用前请务必认真阅读本使用手册。
注意事项◆本使用手册中的图例仅为了说明,可能会与您订购的产品有所不同。
◆本公司致力于产品的不断改善,产品功能会不断升级,所提供的资料如有变更,恕不另行通知。
◆如果你使用中有问题,请与本公司各区域代理商联系,或直接与本公司客户服务中心联系。
拿到产品时,请确认如下项目:确认项目确认方法与订购的商品种类、型号是否一致请确认EV510侧面的名牌是否有部件损坏或受损的地方查看整体外观,检查运输中是否受损螺丝等紧固部分是否有松动必要时,用螺丝刀检查一下说明书、保修卡及其他配件EV510使用手册及相应配件目录前言....................................................... - 1 -第一章安全信息及注意事项.................................... - 4 -1.1安全事项 (4)1.2注意事项 (5)第二章产品信息 ............................................. - 6 -2.1命名规则 (6)2.2铭牌 (6)2.3EV510变频器系列 (6)2.4技术规范 (8)2.5变频器各部件名称说明 (10)2.6产品外型尺寸图 (10)2.7变频器的日常保养与维护 (13)2.8制动组件选型指南 (15)第三章机械与电气安装....................................... - 17 -3.1机械安装 (17)3.2电气安装 (17)3.3接线端子图 (20)3.4标准接线图 (23)第四章操作显示与应用举例................................... - 26 -4.1操作与显示界面介绍 (26)4.2功能码查看、修改方法说明 (27)第五章功能参数表 .......................................... - 28 -5.1基本功能参数简表 (28)5.2监视参数简表 (55)第六章参数说明 ............................................ - 57 -P1组第一电机参数 (62)P2组矢量控制参数 (63)P3组V/F控制参数 (65)P4组输入端子 (68)P5组输出端子 (74)P6组启停控制 (77)P7组键盘与显示 (80)P8组辅助功能 (81)P9组故障与保护 (89)PA组过程控制PID功能 (91)PB组摆频、定长和计数 (95)PC组多段指令及简易PLC功能 (96)PD组通讯参数 (99)PP组用户密码 (99)A0组转矩控制和限定参数 (99)A2组第2电机参数 (101)A5组控制优化参数 (101)A6组AI曲线设定 (102)第七章 EMC(电磁兼容性)................................... - 104 -7.1常见EMC问题解决建议 (104)第八章故障诊断及对策...................................... - 105 -8.1变频器试运行前的调整指南 (105)8.2故障报警及对策 (106)8.3常见故障及其处理方法 (109)EV510 通讯数据地址定义..................................... - 111 -I.1EV510功能码数据 (111)I.2EV510非功能码数据 (111)MODBUS通讯协议............................................ - 113 -J.1协议内容 (113)变频器功能更改说明 ........................................ - 120 -供水专用宏模式应用案例..................................... - 123 -品质保证与产品保修条例..................................... - 125 -第一章安全信息及注意事项安全定义:在本手册中,安全注意事项分以下两类:危险:由于没有按要求操作造成的危险,可能导致重伤,甚至死亡的情况;注意:由于没有按要求操作造成的危险,可能导致中度伤害或轻伤,及设备损坏的情况;请用户在安装、调试和维修本系统时,仔细阅读本章,务必按照本章内容所要求的安全注意事项进行操作。
前言首先感谢您购买使用汇川技术开发生产的MD500系列变频器!MD500系列变频器是一款通用高性能电流矢量变频器,主要用于控制和调节三相交流异步电机的速度和转矩,是MD380系列的技术升级产品。
MD500采用高性能的矢量控制技术,低速高转矩输出,具有良好的动态特性、超强的过载能力,具备用户可编程功能及后台软件监控、通讯总线功能,支持多种编码器类型,组合功能丰富强大,性能稳定。
可用于纺织、造纸、拉丝、机床、包装、食品、风机、水泵及各种自动化生产设备的驱动。
初次使用对于初次使用本产品的用户,应先认真阅读本手册。
若对一些功能及性能方面有所疑惑,请咨询我公司的技术支持人员,以获得帮助,对正确使用本产品有利。
符合标准见EMC问题整改部分。
版本变更记录MD500系列通用变频器综合手册版本变更记录版本变更记录MD500系列通用变频器综合手册目录前言 (2)版本变更记录 (4)安全注意事项 (9)第一章产品信息 (15)1.1 铭牌及型号 (15)1.2 各部件说明 (16)第二章系统连接 (21)2.1 MD500系统连接图 (22)2.2 MD500系统构成说明 (23)第三章安装与接线 (24)3.1 安装 (24)3.1.1 安装环境 (24)3.1.2 安装空间与方向 (25)3.1.3 壁挂式和嵌入式安装 (27)3.1.4 机柜内安装 (30)3.1.5盖板的拆卸与安装 (39)3.2 接线 (42)3.2.1 标准接线图 (42)3.2.2 主回路端子功能说明及注意事项 (43)3.2.3 主回路端子分布及尺寸 (48)3.2.4 主回路接线工具要求 (58)3.2.5 控制板 (60)3.2.6 控制回路端子分布 (61)3.2.7控制回路端子接线说明 (62)3.2.8控制回路端子电缆尺寸机紧固力矩 (68)3.2.9 外引操作面板线缆走线 (69)3.2.10 接线检查表 (69)第四章面板操作 (70)4.1 面板操作说明 (70)4.2 LED操作面板介绍 (70)4.2.1功能指示灯 (70)4.2.2 LED显示区 (71)4.2.3 键盘按钮功能 (72)4.2.4参数查看、修改方法 (72)4.2.5 参数组成 (74)4.2.6 参数查阅 (75)4.2.7 多功能按键操作 (79)4.3 LCD操作面板介绍 .........................................80第五章基本操作与试运行 . (82)5.1 快速调试指南 (82)5.2 变频器调试总流程图 (83)5.3 接通电源前确认事项 (86)5.4 接通电源后显示状态确认 (86)5.5 参数初始化 (86)5.6 电机控制方式选择依据 (87)5.7 频率指令选择 (87)5.7.1 操作面板数字设定 (87)5.7.2 模拟量输入(AI) (88)5.7.3 数字脉冲输入(DI5) (90)5.7.4 主频率通讯给定 (90)5.7.5 多段速指令 (91)5.8 启动和停机命令 (92)5.8.1 操作面板启停 (92)5.8.2 端子启停(DI) (92)5.8.3 通讯启停 (95)5.9 启动过程设置 (95)5.9.1 启动方式选择 (95)5.9.2 启动频率 (96)5.10 停机过程设置 (97)5.10.1 停机方式选择 (97)5.10.2 停机直流制动 (98)5.11 加减速时间设置 (98)5.12 观察运行状态 (99)5.12.1 数字量输出DO (99)5.12.2 模拟量输出AO (100)5.13 自学习 (101)第六章参数说明 (103)6.1运行指令设定方法 (103)6.2频率指令输入方法 (108)6.2.1选择主频率指令的输入方法 (108)6.2.2 通过“操作面板”设定主频率(数字设定) (110)6.2.3 通过“模拟量”设定主频率 (110)6.2.4 通过“脉冲”设定主频率 (115)6.2.5 通过“多段指令”设定主频率 (116)6.2.6 通过“简易PLC”设定主频率 (119)6.2.7 通过“PID”设定主频率 (121)6.2.8 通过“通讯”设定主频率 (125)6.2.9选择辅助频率指令的输入方法 (126)6.2.10选择主、辅频率叠加指令的输入方法 (128)6.2.11运行指令绑定主频率指令 (129)6.2.12频率指令极限(频率设定) (130)6.2.13低于下限频率动作设定 (130)6.3启停方法 (131)6.3.1启动方法 (131)6.3.2 停止方式 (133)6.3.3加减速时间和曲线设定 (134)6.4 电机调谐 (136)6.5.控制性能 (139)6.5.1 V/F曲线的设定 (139)6.5.2变频器输出电流(转矩)限制 (141)6.5.3变频器过压失速抑制 (142)6.5.4 提高V/F运行性能 (143)6.5.5 速度环 (144)6.5.6 矢量控制转差调节 (144)6.5.7 SVC速度反馈稳定性 (145)6.5.8 转矩上限 (145)6.5.9电流环参数说明 (148)6.5.10 提高弱磁区性能 (148)6.5.11 FVC运行及性能提升 (148)6.5.12辅助控制参数 (150)6.6保护功能 (150)6.6.1启动保护 (150)6.6.2 电机过载保护设定 (151)6.6.3缺相保护设定 (152)6.6.4故障复位 (153)6.6.5故障动作保护选择 (153)6.6.6电机过热保护选择 (154)6.6.7瞬时停电连续运行(瞬停不停) (154)6.6.8掉载保护 (155)6.6.9过速保护 (156)6.6.10速度偏差过大保护 (156)6.6.11欠压点、过压点设定、快速限流保护 (156)6.7监视 (156)6.8 工艺功能 (163)6.8.1定长控制功能 (163)6.8.2计数功能 (164)6.8.3第二电机参数 (164)6.8.4用户可编程多功能卡功能 (166)6.8.5主从控制 (170)6.9输入输出端子 (175)6.9.1 数字输入端子功能(DI) (175)6.9.2 数字输出端子功能(DO) (178)6.9.3 虚拟数字输入端子功能(VDI) (181)6.9.4 虚拟数字输出端子功能(VDO) (182)6.9.5 模拟量输入端子 (183)6.9.6 模拟量、脉冲输出端子 (184)6.10通讯 (187)6.10.1 读写参数 (188)6.10.2读取状态参数 (190)6.10.3控制命令 (191)6.10.4设定频率、转矩 (193)6.10.5控制数字输出(DO、RELAY、FMR) (193)6.10.6控制模拟量输出、高速脉冲输出(AO、FMP) 1946.10.7初始化参数 (194)6.11辅助功能 (194)6.11.1点动运行 (194)6.11.2跳频、正反转死区时间、反向频率禁止 (195)6.11.3 用户定制参数 (197)6.11.4 频率检测(FDT) (197)6.11.5频率到达检出幅度 (198)6.11.6 加减速时间切换频率点 (198)6.11.7 任意到达频率检测值 (199)6.11.8 零电流检测 (199)6.11.9输出电流超限 (200)6.11.10 任意到达电流 (200)6.11.11 定时功能 (201)6.11.12 AI1电压保护上下限 (201)6.11.13 模块温度 (201)6.11.14 散热风扇 (201)6.11.15 休眠与唤醒 (202)6.11.16 本次运行达到时间 (202)6.11.17 输出功率校正 (202)6.11.18 急停减速时间 (202)第七章故障诊断及对策 (203)7.1 安全注意事项 (203)7.2 变频器试运行前的调整指南 (203)7.3 变频器的警报及故障显示 (205)7.4 故障发生后变频器的再起动方法 (205)7.5 故障报警及对策 (206)7.6常见故障及处理方法 (210)第八章日常保养与维护 (212)8.1 日常保养 (212)8.1.1 日常检查项目 (213)8.2定期检查 (214)8.2.1 定期检查项目 (214)8.2.2 主回路绝缘测试 (215)8.3变频器易损件更换 (215)8.3.1 易损件寿命 (215)8.3.2 冷却风扇的使用数量 (216)8.3.3 冷却风扇更换 (217)8.3.4 滤波电解电容 (220)8.4变频器的存储 (220)8.5变频器的保修说明 (221)第九章规格与选型 (222)9.1 MD500 变频器技术规格与尺寸 (222)9.1.1 技术规格 (222)9.1.2 外型与安装尺寸 (227)9.2选配件一览表 (231)9.3 嵌入式安装支架及开孔尺寸(选配件) (232)9.4 底部安装支架尺寸 (243)9.5 线缆、断路器、接触器选型指导 (244)9.6 交流输入电抗器选型指导 (251)9.7 EMC滤波器选型指导 (259)9.7.1 标准EMC滤波器 (259)9.7.2 简易EMC输入滤波器 (264)9.7.3 安规电容盒和磁环 (266)9.8 制动组件选型指导 (268)9.8.1 制动电阻阻值的选择 (268)9.8.2 制动电阻功率的选择 (268)9.8.3 制动组件选型表 (269)9.8.4 制动单元外形与安装尺寸 (271)9.8.5 AFE单元外形与安装尺寸 (271)9.9 交流输出电抗器选型指导 (271)9.10 DV/DT电抗器选型指导 (277)9.11 输出磁环选型指导 (279)9.12 适配电机选型指导 (280)9.13 外引操作面板安装尺寸 (282)9.13.1 MD32NKE1外引操作面板 (282)第十章应用案例 (283)10.1 主频率源+辅助频率源设定频率应用 (283)10.2 简易PLC的应用 (285)10.3 多段速频率设定频率应用 (287)10.4 模拟量给定恒转矩控制应用 (289)10.5 Modbus- RTU通讯控制应用 (291)10.6 CANLink 3.0总线通讯应用 (293)10.7 张力控制的PID功能应用 (296)10.8 恒压供水闭环PID应用 (298)10.9 Profibus-DP通讯应用 (301)第十一章选配卡 (305)11.1 扩展卡的安装与功能说明 (305)11.1.1 扩展卡的安装 (305)11.1.2 扩展卡的功能说明 (306)11.2 多功能扩展卡的使用 (307)11.2.1 MD38IO1端子分布与功能说明 (307)11.2.2 MD38IO2端子分布与功能说明 (310)11.2.3 MD38IO3端子分布与功能说明 (311)11.2.4 MD38PC1(可编程卡)端子分布与功能说明 31211.2.5 接线及注意事项 (314)11.3 通讯扩展卡的使用 (315)11.3.1 CANlink扩展卡(MD38CAN1)端子分布与功能说明 (315)11.3.2 CANopen扩展卡(MD38CAN2)端子分布与功能说明 (317)11.3.3 RS-485扩展卡(MD38TX1)端子分布与功能说明31911.3.4 Profibus-DP扩展卡(MD38DP2)端子分布与功能说明 (322)11.3.4 Profinet 通讯扩展卡(MD500-PN1)端子分布与功能说明 (325)11.4 编码器扩展卡的使用 (326)11.4.1 编码器扩展卡规格 (326)11.4.2 多功能PG卡(MD38PGMD) (328)11.4.3 旋转变压器PG卡(MD38PG4) (330)11.4.4 PG卡屏蔽层接地说明 (331)11.4.5 EMC指导 (331)附录A 国外标准对应 (332)A.1 对应欧洲标准时的注意事项 (332)A.1.1 符合低电压指令的条件 (332)A.1.2 符合EMC指令的条件 (334)A.1.3 EMC标准介绍 (334)A.1.4 电缆要求及布线 (335)A.1.5 漏电流抑制 (335)A.1.6 常见EMC问题解决建议 (336)A.2 对应UL标准时的注意事项 (336)附录B 通讯 (341)B.1 通讯数据地址定义 (341)B.1.1 MD500参数数据 (341)B.1.2 MD500非参数数据 (342)B.2 Modbus通讯协议 (344)B.2.1 应用方式 (344)B.2.2 总线结构 (344)B.3 通讯资料结构 (345)B.4 参数参数地址标示规则 (347)B.5 FD组通讯参数说明 (350)附录C 功能参数表 (351)C.1 基本功能参数简表 (351)C.2 监视参数简表 (379)安全注意事项MD500系列通用变频器综合手册安全注意事项安全声明 ◆在安装、操作、维护产品时,请先阅读并遵守本安全注意事项。
海利普变频器HLP-C100系列操作手册一、简介海利普变频器HLP-C100系列是一款高性能、通用型变频器,适用于各种场合的交流电机调速。
本操作手册提供了有关HLP-C100系列变频器的详细操作说明,包括安装、接线、参数设置、操作和故障处理等。
二、安装与接线1. 安装1. 将变频器安装在干燥、通风良好、无腐蚀性气体和尘埃的环境中。
2. 确保变频器的工作电压与被控电机的额定电压相符。
3. 遵循变频器接线图进行接线,确保接线正确无误。
2. 接线1. L、N端子接电源线,U、V、W端子接电机线。
2. 接好地线,确保安全。
3. 如需外接控制信号,请根据接线图连接相应的控制信号线。
三、参数设置1. 启动模式1. 短接STOP和RUN端子,将变频器置于手动控制模式。
2. 通过面板上的方向键和确认键,设置参数。
2. 参数设置四、操作1. 启动1. 接通电源,确保变频器面板上的POWER指示灯亮起。
2. 通过面板按键或外部控制信号,启动电机。
2. 停止1. 通过面板按键或外部控制信号,停止电机。
五、故障处理1. 常见故障2. 故障排除1. 参照故障现象和可能原因,进行故障诊断。
2. 根据诊断结果,采取相应的处理方法。
六、注意事项1. 在操作变频器前,请确保已切断电源,以免发生意外。
2. 请勿将变频器暴露在高温、潮湿、腐蚀性气体和尘埃环境中。
3. 定期对变频器进行维护,确保正常运行。
七、技术支持如在使用过程中遇到问题,请随时与我们联系,我们将竭诚为您提供技术支持。
电话:400-xxx-xxxx地址:xxx。
CD1800系列高性能通用控制变频器用户手册产品版本: V1.0深圳市凯迪华能技术有限公司版权所有,保留一切权利在没有得到本公司书面许可时,任何单位和个人不得擅自摘抄、复制本书(软件等)的一部分或全部,不得以任何形式(包括资料和出版物)进行传播。
深圳市凯迪华能技术有限公司地址:深圳市宝安区新安44区物业大厦四楼邮编:518052公司网址:客户服务热线:*************技术支持专线:*************E-mail:******************1出版说明内容提要本手册对凯迪华能CD1800系列通用变频器的安装、使用、维护进行了全面系统的阐述。
本手册可作为采用CD1800系列变频器进行系统设计的参考资料。
读者对象:用户变频器设计工程师工程维护人员用户技术支持人员2目录序言------------------------------------------5 安全注意事项---------------------------------6 第一章概况-----------------------------------7 1.1 安全注意事项----------------------------7 1.2 开箱检查----------------------------------8 1.3 安装注意事项----------------------------8 1.4 使用注意事项----------------------------9 1.5 报废注意事项----------------------------9 1.6 变频器综合技术说明------------------10 1.7 变频器铭牌说明------------------------13 1.8 CD1800系列型号-----------------------14 第二章变频器安装-------------------------15 2.1 变频器的安装运行环境---------------15 2.1.1 温度-------------------------------------15 2.1.2 湿度-------------------------------------15 2.1.3 海拔高度-------------------------------15 2.1.4 其他-------------------------------------15 2.2 变频器安装间隔------------------------16 2.3 操作面板尺寸---------------------------17 2.4 外型及尺寸------------------------------18 2.5 盖板的开合------------------------------19第三章配线----------------------------------20 3.1 外围设备的连接图---------------------21 3.2 接线端子图------------------------------22 3.2.1 主回路端子----------------------------22 3.2.2 控制回路的端子----------------------22 3.3 标准接线图------------------------------253.4 断路器、电缆、接触器规格表------283.5 制动电阻选型指南---------------------283.6 EMC安装指导---------------------------29第四章操作及显示-------------------------314.1 操作面板说明---------------------------314.1.1 面板示意图----------------------------314.1.2 按键功能说明-------------------------324.1.3 LED数码管和指示灯说明----------324.2 操作面板显示说明---------------------334.2.1 变频器初始化状态-------------------334.2.2 停机参数显示状态-------------------334.2.3 运行参数显示状态-------------------334.2.4 功能码参数设定状态----------------344.2.5 故障报警显示状态-------------------344.3 操作面板的操作流程------------------344.3.1 状态参数的显示切换----------------344.3.2 功能码参数的设置-------------------354.3.3 一般运行的给定频率设定----------354.3.4 用户密码的设定操作----------------354.3.5 用户密码的解锁操作----------------364.3.6 多功能键运行操作-------------------36第五章参数功能详细说明----------------375.1 F0组基本功能------------------------375.2 F1组:运行功能----------------------425.3 F2组:启停功能组-------------------455.4 F3组输入端子----------------------4835.5 F4组输出端子----------------------53 5.6 F5组输出和显示功能--------------55 5.7 F6组多段速及简易PLC功能----59 5.8 F7组 PID功能参数-----------------61 5.9 F8组通信功能-----------------------64 5.10 F9组电机参数、v/f控制参数--65 5.11 FA组保护与过载------------------67 5.12 FB组保留---------------------------71 5.13 FC组保留---------------------------71 5.14 FD组配套用户组 ---------------71 5.15 FE用户密码--------------------------71 5.16 FF组厂家参数-----------------------71 第六章 ModBus通信协议------------------726.1 总线结构 ------------------------------72 6.2协议数据格式 --------------------------726.2.1通信数据格式-------------------------726.2.2命令指令及资料字描述-------------736.2.3 校验方式------------------------------756.3 协议内容 -------------------------------766.3.1 读取地址------------------------------766.3.2 写入参数地址------------------------78第七章常见故障现象与处理办法------807.1常见故障及其处理方法---------------837.2操作异常及对策------------------------84第八章保养和维护------------------------868.1日常维护 --------------------------------868.2定期维护---------------------------------878.3变频器易损件更换---------------------888.4变频器的存贮---------------------------888.5变频器的保养---------------------------88第九章功能参数简表---------------------894序言感谢您选用深圳市凯迪华能技术有限公司CD1800系列高性能通用控制变频器。
汇川h5u脉冲方向指令
汇川H5U是一种高性能的通用型变频器,用于控制交流电机的速度和转向。
脉冲方向指令是一种常见的控制方式,用于控制变频器的运行。
在汇川H5U变频器中,脉冲方向指令通常是通过外部脉冲信号来实现的。
具体来说,当接收到脉冲信号时,变频器会根据脉冲的频率和方向来调整电机的转速和转向。
在实际的应用中,脉冲方向指令通常需要通过编程或者外部控制设备来生成,并通过数字输入端口或者通讯接口输入到汇川H5U 变频器中。
通过合理设置变频器的参数,可以实现不同频率和方向的脉冲信号对电机的精确控制。
除了脉冲方向指令外,汇川H5U变频器还支持多种其他控制方式,比如模拟信号控制、串行通讯控制等,用户可以根据实际需求选择合适的控制方式来实现对电机的精确控制。
总的来说,脉冲方向指令是汇川H5U变频器常用的控制方式之一,通过合理设置参数和外部输入脉冲信号,可以实现对电机的精确速度和方向控制。
希望这个回答能够帮助你理解汇川H5U变频器脉冲方向指令的相关内容。
NVF2通用变频器产品样本产品概述NVF2通用变频器是一种高性能的电力传动设备,广泛应用于各类机械设备中,能够有效控制电机的转速和转矩。
本产品具有良好的稳定性、高效能和灵活性,适用于各种工业领域。
产品特点1. 高精度控制:NVF2通用变频器采用先进的控制算法和高性能芯片,能够实现电机的精确控制,提供稳定的转速和转矩输出。
2. 广泛应用范围:本产品可以与各种电机配套使用,适用于不同的工艺要求和应用场景,如机械设备、水泵、风机等。
3. 多种控制方式:NVF2通用变频器支持多种控制模式,包括速度闭环控制、扭矩控制和位置控制,可以根据实际需求选择合适的控制方式。
4. 高性能保护功能:本产品具有过流、过压、欠压、过载等多种保护功能,能够有效保护电机和设备的安全运行。
5. 简单易用:NVF2通用变频器具有用户友好的界面和操作系统,可通过面板操作或远程控制实现参数设定和监控,操作简单方便。
技术参数1. 输入电源:单相AC220V或三相AC380V,频率50Hz/60Hz2. 输出电压范围:0~输入电压3. 输出频率范围:0Hz~400Hz4. 控制方式:V/F控制、矢量控制、直接转矩控制5. 额定功率范围:0.4kW~500kW6. 过载能力:150%额定电流1分钟7. 过载能力:180%额定电流10秒钟8. 环境温度:-10℃~40℃9. 适用海拔:不超过1000m10. 非同步电机控制效果:速度调整范围在0.5%以内11. 效率:≥98%安全注意事项使用前请仔细阅读本产品的用户手册,并正确安装和调试设备。
不得私自拆卸或改装本产品,避免发生故障或安全事故。
使用过程中如遇到任何异常情况,请立即停止使用,并联系售后服务人员进行处理。
使用本产品时应遵守相关的电气安全规范和操作规程,确保人身安全。
NVF2通用变频器作为一种高性能的电力传动设备,具有高精度控制、广泛应用、多种控制方式、高性能保护功能和简单易用等特点。
MD500系列通用变频器简易手册 (500-630kW) 前 言 - 1 -前 言首先感谢您购买使用汇川技术开发生产的MD500系列变频器!MD500系列变频器是一款通用高性能电流矢量变频器,主要用于控制和调节三相交流异步电机的速度和转矩。
MD500采用高性能的矢量控制技术,低速高转矩输出,具有良好的动态特性、超强的过载能力,具备用户可编程功能及后台软件监控、通讯总线功能,支持多种编码器类型,组合功能丰富强大,性能稳定。
可用于供热、陶瓷、化工、天然气、风机、水泵等自动化生产设备的驱动。
本手册主要介绍MD500系列500kW~630kW 机型(以下简称T13机型)。
图A 标准机柜 图B 带辅助配电柜机柜产品外观图前 言 MD500系列通用变频器简易手册 (500-630kW)- 2 -手册说明对于初次使用本产品的用户,应先认真阅读本手册。
若对一些功能及性能方面有所疑惑,请咨询我公司的技术支持人员,以获得帮助,对正确使用本产品有利。
符合标准本手册不随产品发货,如需另行订购,请与您的产品销售商联系。
本手册为简易手册,主要介绍产品信息,安装接线,故障处理,日常维护等,如需更详细的指导资料,可查阅《MD500系列通用变频器综合手册》,资料编码:19010287。
获取路径如下:登录汇川技术官网(),点击“服务与支持”→“资料下载”→输入需要查询手册名称,下载PDF文件。
MD500系列通用变频器简易手册 (500-630kW) 版本变更记录- 3 -目 录 MD500系列通用变频器简易手册 (500-630kW)目 录前 言 (1)版本变更记录 (3)安全注意事项 (6)1 产品信息 (10)1.1 铭牌与型号说明 (10)1.2 各部件说明 (11)1.3技术规格 (12)1.4产品尺寸 (15)2 系统连接 (17)2.1 系统构成说明 (17)2.2选配件一览表 (18)2.3 熔断器、EMC滤波器(C2 )、输入电抗器选型指导 (19)2.4 外置制动单元选型指导 (19)2.4.1 制动电阻阻值的选择 (19)2.4.2 制动电阻功率的选择 (19)2.4.3 制动单元选型表 (20)2.4.4 外置制动单元安装 (21)2.5外引操作面板 (22)2.5.1 MD32NKE1外引LED操作面板 (22)2.5.2 MDKE9外引LCD操作面板 (22)3 机械安装 (24)3.1 机械安装注意事项 (24)3.1.1 运输 (24)3.1.2 机械安装检查表 (25)3.2 安装 (26)3.2.1 准备工作 (26)3.2.2 未拆包装前的搬运 (28)3.2.3 安装所需工具 (29)3.2.4 拆开包装 (29)3.2.5 拆卸栈板 (30)3.2.6 包装拆封后的搬运 (31)4 电气安装 (32)MD500系列通用变频器简易手册 (500-630kW) 目 录4.1电气安装检查 (32)4.2 符合EMC要求的安装布线 (32)4.3.1 规范说明 (32)4.3.2 布线建议 (33)4.3 标准接线图 (36)4.4主回路端子接线说明 (37)4.5 控制回路端子说明 (39)5 面板操作 (41)5.1 面板介绍 (41)5.2 按键说明 (41)5.3功能指示灯 (42)6 基本操作与试运行 (43)6.1 快速调试指南 (43)6.2 接通电源前确认事项 (43)6.3 接通电源后显示状态确认 (44)6.4 参数初始化 (44)6.5 电机控制方式选择依据 (45)6.6 调谐 (45)7 故障处理 (47)7.1 故障报警及对策 (47)7.2常见故障及处理方法 (51)8 日常保养与维护 (53)8.1 日常保养 (53)8.2定期检查 (53)8.3变频器易损件更换 (54)8.3.1 易损件寿命 (54)8.3.2冷却风扇更换 (54)8.3.3冷却液添加和更换 (57)8.3.4防水挡板安全软管放置 (59)8.3.5防尘棉更换 (60)8.4变频器的存储 (61)附录A 参数表 (62)A.1 基本功能参数简表 (62)A.2 监视参数简表 (88)附录B 柜内电气接线图 (90)安全注意事项 MD500系列通用变频器简易手册 (500-630kW)- 6 -安全注意事项安全声明1) 在安装、操作、维护产品时,请先阅读并遵守本安全注意事项。
高性能的通用变频器
1 一般通用变频器的局限性
采用一般的通用变频器给异步电动机供电时,可以实现无级平滑调速,
起动和停车都很方便。
但是,调速时有静差,精度不高,调速范围不过1:10 左右,而且也不能像直流调速系统那样提供很高的动态性能。
2 高性能通用变频器的控制策略
要实现高动态性能,必须充分研究电机的物理模型和动态数学模型。
现
在常用的高性能控制策略有矢量控制和直接转矩控制两种。
矢量控制系统的特点是:采用由转子磁链决定d-轴方向的dq 同步旋转坐
标系,把异步电机的定子电流分解为其励磁分量和转矩分量,得到类似于直流
电机的转矩模型,再采取措施把非线性系统变换成两个独立的转速和转子磁链
的子系统,从而模仿直流电机分别用PI 调节器进行控制。
选用高精度的光电码盘转速传感器时,矢量控制系统的调速范围可达1:1000,动态性能也很好。
但按转子磁链定向会受电机参数变化的影响而失真,从而降低了系统的调速性能,采用智能化调节器可以克服这一缺点,提高系统的鲁棒性。
直接转矩控制系统舍去比较复杂的旋转坐标变换,仅在两相静止坐标系
上构成转矩和定子磁链的反馈信号,并用双位式砰-砰控制代替线性调节器来控制转矩和定子磁链,根据二者的变化选择电压空间矢量的PWM(SVPWM)开关
状态,以控制电机的转速。
这种系统控制结构简单,转矩响应快,又避免了转
子参数变化的影响。
但砰-砰控制会使输出转矩产生脉动,影响系统的低速性能。
从理论基础上看,矢量控制系统和直接转矩控制系统都是基于异步电动
机动态数学模型进行控制的。
在两相坐标系上的异步电动机具有4 阶电压方程。