光纤电流互感器
- 格式:ppt
- 大小:8.87 MB
- 文档页数:19
NAE-GL 系列全光纤电子式电流互感器应用与校验目录1NAE-GL 系列产品的整体方案整体方案关于数字化变电站过程层的传感设施主要包含三个部分内容:电子式电流互感器,电子式电压互感器和归并单元,以下图。
而关于电子式电流、电压互感器而言也分别包含了传感部分和电气部分。
当前市场上电子式电流互感器产品主要有低功耗线圈实现的电子式电流互感器( LPCT )、用罗氏线圈来实现的有源型电子式电流互感器、磁光玻璃实现的电子式电流互感器以及鉴于全光纤的电子式电流互感器等几类,都有一些实质运转或挂网的经验;电子式电压互感器的产品主要有电容分压式电子互感器,电感变压式电子互感器两类,工程化过程中也有一些实质运转的经验。
图过程层传感设施功能块框图全光纤电子式互感器应用功能与连结图示出了过程层传感设施应用功能与连结表示图。
能够看出,电流光纤敏感环经过光纤与电流电气单元相连结,电压敏感源经过障蔽电缆(对电容分压式电子互感器而言)或光缆(对光晶体作为敏感源而言)与电压电气单元相连。
电气单元一方面接受来自归并单元的同步时钟信号对数据进行同步,另一方面将测定的数据传递到归并单元中。
电气单元还留有通信接口,用于同当地的手持考证终端进行信息互换,用来检验电流、电压的数值等数据。
归并单元接受来自外面的时钟对时信号,也发出多路时钟同步信号用于电气单元内数据同步;归并单元接受来自多路电气单元的数据,办理后输出多路数据信号用于有关的保护和丈量等使用。
图过程层传感设施应用功能与连结表示图NAE-G 系列产品的型号选择型号选择订货须知订货时,除了上述型号选择的信息外,还应该关注以下的信息。
2NAE-GL 系列全光纤电子式电流互感器纲要由国电南瑞科技股份有限企业(以下简称“国电南瑞” )、北京航时节代光电科技有限企业(隶属于中国航天九院,以下简称“航时节代”)结合建立的南瑞航天(北京)电气控制技术有限企业(以下简称“南瑞航天”)作为国电南瑞光学技术的科研开发基地,在光纤陀螺技术的基础上,经过多年的研发和技术累积,成功开发出全光纤电子式互感器,获得了多项科技成就。
光纤电流互感器生产工艺光纤电流互感器(Fiber Optical Current Transducer,简称FOCT)是一种光纤电流互感器(Fiber Optical Current Transducer,简称FOCT)是一种利用光纤作为传感元件的电流测量设备。
它将电流信号转换为光信号,通过光纤传输到光接收器,再将光信号转换回电信号,从而实现对电流的测量。
光纤电流互感器具有抗电磁干扰、绝缘性能好、传输距离远等优点,因此在电力系统、工业自动化等领域得到了广泛的应用。
光纤电流互感器的生产工艺主要包括以下几个步骤:1. 光纤选材:光纤电流互感器的传感元件是光纤,因此光纤的性能直接影响到互感器的性能。
常用的光纤材料有石英玻璃、聚合物等。
石英玻璃光纤具有损耗低、抗电磁干扰性能好等优点,但价格较高;聚合物光纤具有成本低、柔韧性好等优点,但损耗较大。
根据实际应用需求选择合适的光纤材料。
2. 光纤制备:光纤制备包括光纤拉制和光纤切割两部分。
光纤拉制是将光纤预制棒在高温下拉伸成细丝的过程,需要控制拉伸速度、温度等参数以保证光纤性能。
光纤切割是将拉制的光纤按照规定的长度进行切割的过程,需要保证切割端面平整、无损伤。
3. 光源选择:光源是光纤电流互感器的核心部件,其性能直接影响到互感器的测量精度和稳定性。
常用的光源有半导体激光器、发光二极管(LED)等。
半导体激光器具有波长稳定、功率高等优点,但价格较高;LED具有成本低、寿命长等优点,但波长稳定性较差。
根据实际应用需求选择合适的光源。
4. 光探测器选择:光探测器是将光信号转换为电信号的关键部件,其性能直接影响到互感器的测量精度和稳定性。
常用的光探测器有光电二极管(PIN)、雪崩光电二极管(APD)等。
光电二极管具有响应速度快、线性度好等优点,但灵敏度较低;雪崩光电二极管具有灵敏度高、响应速度快等优点,但线性度较差。
根据实际应用需求选择合适的光探测器。
5. 光学组件设计:光学组件是光纤电流互感器的核心部分,其设计直接影响到互感器的测量精度和稳定性。
引言近年来,传感器在朝着灵敏、精确、适应性强、小巧和智能化的方向发展。
在这一过程中,光纤传感器这个传感器家族的新成员倍受青睐。
光纤具有很多优异的性能,例如:抗电磁干扰和原子辐射的性能,径细、质软、重量轻的机械性能;绝缘、无感应的电气性能;耐水、耐高温、耐腐蚀的化学性能等,它能够在人达不到的地方(如高温区),或者对人有害的地区(如核辐射区),起到人的耳目的作用,而且还能超越人的生理界限,接收人的感官所感受不到的外界信息。
1 光纤电流传感器1.1 光纤电流传感器概述光纤电流传感器是一种新型的电流传感器,与电磁式电流互感器相比,基于光学、微电子、微机技术的光纤式电流传感器(OFCT),具有无铁心、绝缘结构简单可靠,体积小、重量轻、线性度好、动态范围大、无饱和现象,输出信号可直接与微机化计量及保护设备接口等优点。
这些优点既满足、推动了电力系统的发展,而且应用前景十分广阔。
当线偏振光(见光的偏振)在介质中传播时,若在平行于光的传播方向上加一强磁场,则光振动方向将发生偏转,偏转角度ψ与磁感应强度B和光穿越介质的长度l的乘积成正比,即ψ=VBl,比例系数V 称为费尔德常数,与介质性质及光波频率有关。
偏转方向取决于介质性质和磁场方向。
上述现象称为法拉第效应。
1845年由M.法拉第发现。
由于光在光纤中,一边反射,一边行进,偏振波相应于曲线的形状会出现旋转。
针对此现象,在光纤的一端设置一块镜面导致光纤中光线的往返,借助光的来回往返,成功补偿和解决了偏振波的旋转问题。
将铅玻璃光纤用于传感器元件,并结合利用镜面的方法,只需把光纤卷绕在载流导体上,用于电流计测的反射型传感器就基本完成。
其次,开发了调制程度的平均处理与信号处理方式,这有利于特性的稳定及噪音的抑制。
此外,对光源、受光元件、信号传输光纤等种类与传感器特性的关系进行了研究,而且,慎重选择了旨在降低成本和实现小型化的传感器制作技术。
目前,光纤传感器技术正朝实用化的方向进展,以适应电力系统的广泛需求。
全光纤电流互感器的原理
全光纤电流互感器(FOCT,Fiber Optic Current Transformer)是一种利用光纤传输信号来测量和监测电流的装置。
其原理基于电流通过导体产生的磁场对光纤的影响。
具体原理如下:
1. 光纤传感器:光纤传感器由一对光纤组成,其中一条光纤作为发送光纤,用来发送光信号;另一条光纤作为接收光纤,用来接收光信号。
2. 光调制器:发送光纤连接到光调制器,光调制器一般采用光电二极管。
当电流通过光调制器产生的电路时,它会产生电流的变化。
这种变化会导致光调制器中的光发生调制,即光的强度发生变化。
3. 磁场感应:将电流通过被测导体上,即可产生一个与电流成正比的磁场。
当电流通过导体时,磁场会穿过光纤传感器的某一部分。
这个磁场的变化会导致光纤产生剪切应力。
4. 剪切应力的传递:剪切应力会传递给接收光纤,导致接收光纤中的光发生相应的调制。
通过测量接收光纤中光的强度变化,可以得到电流大小,实现电流的测量和监测。
全光纤电流互感器具有抗电磁干扰、高精度、宽带宽等特点,适用于高压、大电流等复杂环境中对电流的测量和监测。
NXCT 全光纤电流互感器绿色、低炭、环保、节能 智能化电网的重要基石! 智能化电网的重要基石!TechnologyGRID阿海珐输配电 ITR 拥有丰富的技术资源支 持RPV Italy RMM Mexico ITR+Capacitors Bushing RMW USA ITR RMG Brazil ITR+Coil阿海珐输配电 AREVA T&D 互感器集团 ITR LINENxtPhase O/E ITRITR+Bushing+Capacitors+Air Core Coil阿海珐输配电互感器(上海)有限公司RMC China ITR+Bushing +CapacitorRMK India RML Germany ITRRMT Finland Nokian CapacitorsITR+Coil+BushingPresentation title - 01/01/2010 - P 2© ALSTOM 2010. All rights reserved. Information contained in this document is provided without liability for information purposes only and is subject to change without notice. No representation or warranty is given or to be implied as to the completeness of information or fitness for any particular purpose. Reproduction, use or disclosure to third parties, without express written authority, is strictly prohibited.电流互感器分类电磁式电流互感器 (材料耗用大,绝缘复杂)混合型光电互感器 (有源式光电互感器 ) 电 流 互 感 器 在高压侧采用Rogwski线圈, 将被测电流转换成电压信号 ,再将电压信号转换成光信号传输。
220kV光纤电流互感器(一)项目简介1.1 立项理由、意义和目的改革开放以来,由于实行了多渠道集资办电的政策,电力工业的发展速度和规模在我国历史上是空前的,在全世界也是少有的。
截止1997年底,我国的装机容量和发电量跃居世界第二位,进入电力大国的行列。
虽然我国电网主网架在向500KV电压等级发展,但还未形成有足够输电能力的主网架。
1988年以来,尽管每年装机容量达到1000万KV以上,年平均发电量的增长率也接近11%,但缺电局面并没有完全扭转,仍成为制约国民经济发展的重要因素之一。
目前我国超高压输电设备和技术与发达国家相比,还比较落后。
因此,对我国高压输变电设备提出合理可行的改造、产品更新、已刻不容缓。
电流和电压互感器是输电线路中最基本的最重要的检测设备,其作用是就是将输电线路上的高电压和大电流数值降到可以用仪表直接测量的数值,以便于用仪表直接进行测量。
互感器除用作测量外,还为各种监控及保护设备提供电信号,以监控电力系统的运行。
传统的电压和电流互感器是电磁感应式的,具有类似变压器的结构。
随着电力系统传输的电力容量的增加,电压等级越来越高,它们暴露出一系列固有的缺点:1.绝缘结构越来越复杂,产品的造价也越来越高,产品重量大,支撑结构复杂。
2.电磁式电流互感器固有的磁饱和现象,使二次电流严重畸变,严重影响继电保护设备的运行,造成拒动或误动。
3.输出为模拟量,不利于电力系统的数字化进程。
利用现代光电子技术发展起来的数字式光纤电压和电流互感器具有许多优点:1.绝缘结构简单;重量轻(约为电磁式的1/10);体积小。
2.没有铁心,不会发生饱和,二次电流不会发生畸变,这将有利于差动保护、过流保护等继电保护设备的运行。
3.输出为数字量,省去中间的CT和PT,可以大为简化现有的继电保护设备,有利于电力系统的数字化进程。
4.可利用GPS全球定位系统,给互感器的数字输出量打上统一时标,有利于大电力系统运行状态的实时监控。
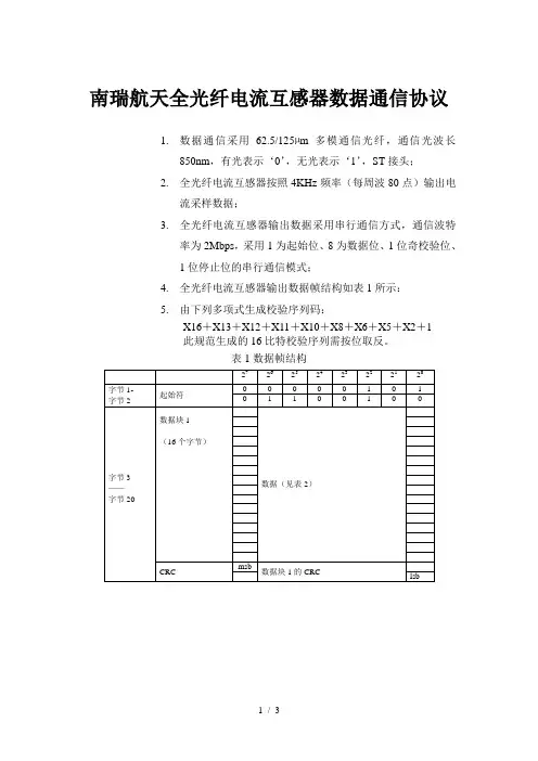
南瑞航天全光纤电流互感器数据通信协议
1.数据通信采用6
2.5/125µm多模通信光纤,通信光波长
850nm,有光表示‘0’,无光表示‘1’,ST接头;
2.全光纤电流互感器按照4KHz频率(每周波80点)输出电
流采样数据;
3.全光纤电流互感器输出数据采用串行通信方式,通信波特
率为2Mbps,采用1为起始位、8为数据位、1位奇校验位、
1位停止位的串行通信模式;
4.全光纤电流互感器输出数据帧结构如表1所示:
5.由下列多项式生成校验序列码:
X16+X13+X12+X11+X10+X8+X6+X5+X2+1
此规范生成的16比特校验序列需按位取反。
表1数据帧结构
表1 (续)
注:CRC为“循环冗余码”,msb为“最高位”,lsb为“最低位”。
表4 状态字 #1(StatusWord #1)
友情提示:部分文档来自网络整理,供您参考!文档可复制、编辑,期待您的好评与关注!。
系列全光纤电流互感器介绍全光纤电流互感器是一种利用光纤传感技术实现电流测量的设备,其具有高精度、抗干扰能力强、体积小、重量轻、安装方便等优点。
相比传统电流互感器,全光纤电流互感器在测量过程中可以实现远距离传输和免疫干扰等特性。
全光纤电流互感器通常由光纤传感单元、信号处理单元和控制单元组成。
光纤传感单元是全光纤电流互感器的核心部分,其主要由光纤传感元件、光源和检测器组成。
信号处理单元负责将传感单元采集到的光信号进行处理和转换,转化为电信号。
控制单元负责对光纤电流互感器进行控制和监控。
全光纤电流互感器相比传统电流互感器的一个显著优势是其抗干扰能力强。
传统电流互感器在测量过程中受到电磁干扰的影响较大,从而可能导致测量结果的不准确。
而全光纤电流互感器采用光纤传感技术,光纤可以有效阻隔电磁干扰的影响,从而保证测量结果的准确性。
另外,全光纤电流互感器具有高精度的特点。
在测量过程中,由于电流的微弱变化可以通过光纤传感单元敏感地检测到,因此可以实现较高的测量精度。
在电力系统等对电流变化要求较高的场合中,全光纤电流互感器可以提供更为可靠和准确的测量结果。
全光纤电流互感器的体积小、重量轻,安装方便。
由于采用光纤传感技术,传感单元无需直接与电流被测体相连,极大地简化了安装过程。
相比传统电流互感器,全光纤电流互感器的体积更小、重量更轻,可以适用于空间有限和重量有限的场合,提高了设备的使用便捷性。
此外,全光纤电流互感器还具有较长的传输距离。
光纤的传输距离可以达到几十公里,因此可以实现对远距离电流信号的测量。
这使得全光纤电流互感器适用于电力系统等需要远距离传输信号的场合。
在实际应用中,全光纤电流互感器主要用于电力系统、电气设备故障监测和终端用电监测等领域。
在电力系统中,全光纤电流互感器可以监测电流信号,并提供给控制单元进行实时监测和分析,从而实现对电网运行状态的实时监控。
在终端用电监测中,全光纤电流互感器可以用于记录并监测用户实际用电情况,帮助用户进行用电分析和能源管理。
光纤电流传感器故障诊断实验分析综述在光纤电流传感器故障诊断中,为了防止出现误判,需要进行标定实验先测量出在正常运行时由于温度的影响,光路中传输光的光功率波动范围。
根据本文第二章搭建的实验平台,首先进行标定实验测定光纤电流传感器在不同温度下正常运行时光功率的范围,以此为正常参考范围值。
若输出光功率在正常参考范围内,则判断为正常;否则,则判定为故障。
然后进行验证实验测试本文所设计的方法是否能正确检测出光纤电流传感器所出现的各类故障。
1.1.1标定实验为了避免正常情况下由于温度对光功率的影响而引起故障误判,我们首先对FOCS进行了温度循环实验[36],确定了FOCS在温度变化为-40℃~70℃下正常工作时的光功率变化范围,由此确定了光功率的正常波动范围。
温升实验按照国家标准《电子式电流互感器GB/T 20840.8--2007》,实验场地的环境温度为20℃,符合标准中的10℃和30℃之间,当地海拔为397米,符合标准中正常使用条件下海拔不超过1000米的要求。
供电电源的电压、电流、频率、纹波等满足相关技术要求。
温升测量使用18B20温度传感器,光纤电流传感器采集单元和光纤圈均置于温箱内。
待测电流等效值为320A,光纤电流传感器采集单元输出两路信号给计算机LabVIEW,分别为测量电流值和光功率值。
在第二章所搭建的实验平台上,用于需要进行温度循环试验,增加了温箱。
为了满足所需要的温度变化范围和速率,所采用的温箱的最大温度变化范围为-40℃至100℃,温度最快变化速率为5℃/min。
首先在室温下(20℃)将光纤电流传感器采集单元和传感光纤圈均放入温箱,为了使温度传感器测得的温度为传感器采集单元的温度,18B20传感头贴着传感器采集单元外壳放置,温度传感器采集单元不耐高温,需要摆放在温箱外,传输线穿过温箱穿线孔与传感头相连。
计算机两个串口分别与温度传感器采集单元、光纤电流传感器采集单元相连,以便完成对实时测量温度数据和传感器输出的光功率值和测量电流值的传输。
光纤电流互感器1 光纤电流互感器光纤电流互感器是一种基于光学技术的特殊测量仪器,用于进行电流的高精度测量,目前应用在各种现代的电力检测系统中,特别是可以为生产者提供安全、可靠、经济、高效的电力测量工具,有效解决手动测量电流时低效、安全性差以及代价高等问题。
2 主要特点* 可完成高精度电流测量光纤电流互感器具有高精度的测量功能,精度高达0.5%,检测能力高达50μA,可以非常准确地测量出所需要的数据。
* 有效降低测量过程中带来的危险与普通电流测量仪器相比,光纤电流互感器在测量过程中可以很大程度的降低部分危险,因为检测的是两路光纤,具有一定的爆炸防护作用,可以避免给检测人员带来安全隐患。
* 操作简便、易于安装集成光纤电流互感器采用了一体化技术,只要将两个光纤连接到电流传感器上,就能够实现电流的测量,在安装方面非常简单,对于对于对技术不熟悉的操作者也非常容易上手。
3 广泛应用光纤电流互感器广泛应用在农业,电力,机械,环境监测,铁路等行业。
它是一种非常先进的测量仪器,能够精确地测量出所需要的电流信号,可以有效地提升工作效率,有助于保护电网与用户安全,减少对环境的危害。
4 实际应用在机电行业,光纤电流互感器可以用来测量大型机器传送带的运行情况,为机电设备的维护保养提供有效的数据支持,准确判断设备是否出现故障,帮助提高机电设备的工作效率。
在现代能源行业,光纤电流互感器可以用于电力检测和跟踪,比如监测某一地区的用电情况,具体的数据信息可以被及时的传输给电力公司,便于精准的控制服务,提高了服务的安全稳定性。
5 结论光纤电流互感器的出现,为电力行业带来了新的管理方式,使测量更加准确、便捷,在安全、经济、高效方面无疑有很大的提升。
希望今后可以更进一步地推广应用,让更多人受益。
光纤电流互感器技术综述本文介绍了光纤电流传感器的技术发展,光纤电流传感器的分类、测量原理及优缺点,以及相关专利申请分析。
标签:光纤电流传感器;全光纤式;混合式;块状玻璃式1 引言随着电力行业的飞速发展,对电流测量精度的要求越来越高,传统的电磁感应式电流互感器不断显露出它的局限性:精度不高、绝缘性不够、易受电磁干扰、重量太大、体积惊人、价格昂贵、以及容易保护误动作等[1]。
光纤电流互感器正是为了克服电磁感应式电流互感器的缺点而研制的,光纤电流互感器具有以下的优点:绝缘性能好,抗电磁干扰能力强,测量准确度高,体积小,重量轻,测量动态范围大,频带宽,因此,光纤电流互感器具有极大的研究和应用前景[2-3]。
2 光纤电流互感器的技术发展国外方面,80年代初,美国采用日本、德国的相关研究资料,在超高压电力系统领域进行块状结构的光纤电流互感器方案研究,并成功实现了161KV的继电保护的挂网运行。
美国国家标准与技术研究所采用YIG 晶体作为磁光材料进行光纤电流传感器研制,并于90 年后期一些相关研制单位推出了挂网实验报告。
1996 年,美国3M 公司全新推出了全光纤电流传感器模块,使光纤电流传感器进一步得到发展。
日本研究了500KV以及100OKV高压电网测量用的光纤电流互感器,还进行了600OV至500KV电压等级的光学电流互感器的研究。
和国外相比,国内对于光学电流互感器的研究起步较晚。
80年代末,清华大学和沈阳互感器厂合作研发了光纤电流互感器,并在四平成功挂网运行,获得了国内首次成功挂网运行的成绩。
燕山大学于2001年成功研制了国家标准GB1208-1997规定的0.2级精度的混合式光纤电流互感器,通过试验并取得了良好的试验结果。
中国电科院、南瑞继保、南瑞航天电气等单位不断努力研制全光纤型电流互感器,并有少量产品应用于实际工程当中[4]。
3 光纤电流互感器的分类及测量原理光纤电流互感器是以法拉第磁光效應为基础,以光纤为传输介质的电流计量装置,通过测量入射光强、光波在通过磁光材料时其偏振面在电磁场的作用而发生旋转后的出射光强来间接确定被测电流的大小,其分类也因标准不同而各异,现在常用的分类标准有:偏振面旋转角度的检测方法、传感机理和所用的传感材料[5]。