基于单片机的RS-232C串行通信接口设计
- 格式:doc
- 大小:292.00 KB
- 文档页数:14
基于RS232串行通信的设计【摘要】PC机与单片机相结合在工业监控、数据采集和实时控制系统中应用广泛。
其中,单片机系统作为从机进行数据采集和执行控制,而PC机作为主机进行发送命令、实时检测、数据存储、动态显示等工作。
因此,主从机之间的通讯至关重要。
而串行口具有连接简单、使用灵活方便、数据传递可靠等优点。
文中介绍了AT89C52单片机与PC机之间串行通讯实现,包括硬件结构、通讯协议及软件设计.单片机部分由C语言实现,PC机部分了用VC++语言的MSComm控件及调用WindowsAP I函数来实现通讯。
,实现数据的快速发送和接收,实时自动控制准确、快速、该系统简单、经济、稳定、实用性强并已成功应用于实际系统中。
【关键词】串行通讯;RS232;PC;单片机;MSComm控件一、引言在电动机控制系统中,单片机系统作为从机进行数据采集和执行控制,而PC机作为主机进行发送命令、实时检测、数据存储、动态显示等工作。
串行口具有连接简单、使用灵活方便、数据传递的特点,使其成为主从机之间通讯的主流。
目前主要的串行通讯接口有RS-232,RS-485,USB接口,IEEE-1394等。
RS-485对传输数据具有很强抗噪能力,所以它通常被用于工业生产中。
USB接口和IEEE-1394具有速度快,但一些计算机和操作系统不支持此类接口。
RS-232被定义为一种在低速率串行通讯中增加通讯距离的单端标准,具有适中的价格和良好的系统的实用性,RS-232是最广泛地用作在PC计算机串行接口和通讯行业,所以它是最适宜的是一个通信端口。
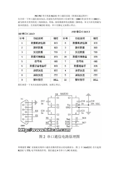
二、串口通讯的硬件设计PC机和单片机连接时两者的串口电平不同,PC机的是RS-232C电平,而单片机是TTL电平,因此需要通过电平转换的措施才能连接。
系统中采用MAXIM公司生产的MAX3232型芯片进行电平转换来完成串口通信。
MAX3232芯片中的变压器装置能够把TTL和RS-232C两种电平进行相互转换。
内容提要单片机是一种集成在电路芯片,是采用超大规模集成电路技术把具有数据处理能力的中央处理器CPU随机存储器RAM、只读存储器ROM、多种I/O口和中断系统、定时器/计时器等功能(可能还包括显示驱动电路、脉宽调制电路、模拟多路转换器、A/D转换器等电路)集成到一块硅片上构成的一个小而完善的计算机系统。
单片机又称单片微控制器,它不是完成某一个逻辑功能的芯片,而是把一个计算机系统集成到一个芯片上。
相当于一个微型的计算机,和计算机相比,单片机只缺少了I/O设备。
概括的讲:一块芯片就成了一台计算机。
它的体积小、质量轻、价格便宜、为学习、应用和开发提供了便利条件。
同时,学习使用单片机是了解计算机原理与结构的最佳选择。
单片机内部也用和电脑功能类似的模块,比如CPU,内存,并行总线,还有和硬盘作用相同的存储器件,不同的是它的这些部件性能都相对我们的家用电脑弱很多,不过价钱也是低的,一般不超过10元即可......用它来做一些控制电器一类不是很复杂的工作足矣了。
我们现在用的全自动滚筒洗衣机、排烟罩、VCD 等等的家电里面都可以看到它的身影!......它主要是作为控制部分的核心部件。
它是一种在线式实时控制计算机,在线式就是现场控制,需要的是有较强的抗干扰能力,较低的成本,这也是和离线式计算机的(比如家用PC)的主要区别。
单片机是靠程序运行的,并且可以修改。
通过不同的程序实现不同的功能,尤其是特殊的独特的一些功能,这是别的器件需要费很大力气才能做到的,有些则是花大力气也很难做到的。
一个不是很复杂的功能要是用美国50年代开发的74系列,或者60年代的CD4000系列这些纯硬件来搞定的话,电路一定是一块大PCB板!但是如果要是用美国70年代成功投放市场的系列单片机,结果就会有天壤之别!只因为单片机的通过你编写的程序可以实现高智能,高效率,以及高可靠性!由于单片机对成本是敏感的,所以目前占统治地位的软件还是最低级汇编语言,它是除了二进制机器码以上最低级的语言了,既然这么低级为什么还要用呢?很多高级的语言已经达到了可视化编程的水平为什么不用呢?原因很简单,就是单片机没有家用计算机那样的CPU,也没有像硬盘那样的海量存储设备。
AT89C51单片机与PC机串行通信的接口实现[摘要] 本文介绍了AT89C51单片机与PC机采用RS232C标准进行串行通信的接口实现。
在接口中采用MAX232作电平转换电路,简单的通信协议,PC 机用VB编程,AT89C51单片机采用中断收发方式。
文章给出了相应通信接口电路与程序。
[关键词] 通信协议RS232C 通信接口电路通信接口程序AT89C51是一种带4K字节可编程可擦除只读存储器(FLASH FPEROM)和128字节的存取数据存储器(RAM)的低电压,高性能CMOS8位微处理器。
采用了ATMEL公司的高密度、不容易丢失存储技术,与MCS-51系列的单片机兼容。
具有集成程度高、系统结构简单、价格低廉等优点被广泛应用到控制领域中。
但是在复杂的数据处理、良好的人机交互等方面不能满足需要,常采用PC 机与AT89C51单片机进行通信,AT89C51单片机(下位机)实时采集数据传送给PC机(上位机)处理,然后接收PC机处理的结果,并进行相应的控制的方式来弥补。
本文介绍单片机与PC机进行串行通信的一种接口实现。
一、接口电路的设计(一)接口逻辑电平的转换在PC机系统大都装有异步通信适配器,为标准的RS-232C接口。
RS-232C 为负逻辑,用+3V~+15V表示逻辑“0”, 用-3V~-15V表示逻辑“1”。
AT89C51单片机采用正逻辑TTL电平0和+5V.所以AT89C51与PC机通信时必须进行电平转换。
转换的方法有多种。
常采用MAXIM公司生产的专用的双向电平转换集成电路MAX232。
MAX232引脚排列与外围电路如图1所示。
图1MAX引脚及外围接口图(二)通信接口电路本文采用可靠性高的MAX232作电平转换芯片,选择其中一对发送器与接收器,PC机的串行口与MAX232的电平端口相连,MAX232的逻辑电平端口与单片机的串行口相连,接口电路如图2所示。
图2PC机与AT89C51通信接口图二、通信接口程序(一)通信协议PC机与AT89C51进行通信必须有一定的通信协议,本文采用简单的通信协议。
基于单片机的RS-232C串行通信接口设计课程设计任务书课程名称专业综合课程设计院(系)专业课程设计时间: 2011 年1 月3 日至2011 年 1 月14 日课程设计的内容及要求:利用WAVE仿真器、8051单片机开发基于单片机的RS-232C串行通信系统,实现单片机与PC机的通讯,要求实现数据收发功能.具体要求如下:(1)按以上要求制定设计方案,并绘制出系统工作框图;(2)按要求设计单片机系统,给出电路原理图;(3)用仿真器及单片机系统和PC机进行程序设计与调试;(4)接受PC机发送数据,并将其会发给PC机;指导教师年月日负责教师年月日学生签字年月日目录0. 前言 (1)1. 总体方案设计 (2)2. 硬件电路的设计 (2)2.1 单片机介绍 (2)2.2 串口基本结构介绍 (3)2.3 电平转换电路设计 (4)2.4 整体电路设计 (5)3 软件设计 (6)3.1 串行通信的实现 (6)3.2 流程框图 (6)4.联合调试 (7)5. 课设小结及进一步设想 (7)参考文献 (9)附录I 元件清单 (10)附录II 整体电路图 (11)附录III 源程序清单 (12)杨毅沈阳航空航天大学自动化学院摘要:随着计算机技术特别是单片机技术的发展,单片机的应用领域越来越广泛,单片机在工业控制、数据采集以及仪器仪表自动化等许多领域都起着十分重要的作用。
但在实际应用中,在要求响应速度快、实时性强、控制量多的应用场合,单个单片机往往难以胜任,这时使用多个单片机接合PC机组成分布式系统是一个比较好的解决方案。
这样,单片机的数据通信技术就变得十分重要,在某种程度上说,掌握了单片机的数据通信技术也就是掌握了单片机的核心应用技术。
现在单片机及PC机在结构、性能和经济上为实现远程串行通信提供了很好的条件,串行通信是指按照逐位顺序传递数据的通信方式,由于仅需三根传输线传送信息且通信距离相对较远,所以在控制领域的现场监测、分布控制等场合有着重要的应用价值。
基于C语言的RS232串口通信的设计RS232是一种常见的串行通信接口,广泛用于计算机与外部设备之间的数据传输。
RS232串口通信涉及到多个方面的设计,包括串口参数设置、数据的发送与接收等。
本文将以C语言为基础,介绍如何设计一个基于RS232串口通信的程序。
接下来,我们需要编写数据发送和接收的函数。
数据的发送包括两个步骤:打开串口和发送数据。
首先,我们需要打开串口,并设置好相应的参数。
在C语言中,可以通过打开文件的方式来打开串口设备文件。
例如,可以使用`fopen(`函数打开串口设备文件:```FILE* serial_port = fopen("/dev/ttyS0", "w");if(serial_port == NULL)printf("Failed to open the serial port.\n");return -1;```然后,我们可以使用`fprintf(`函数将数据写入串口设备文件,实现数据的发送:```fprintf(serial_port, "Hello, RS232!\n");```数据的接收与数据的发送类似,也包括两个步骤:打开串口和接收数据。
我们仍然可以使用`fopen(`函数打开串口设备文件,并设置好相应的参数。
然后,可以使用`fgets(`函数从串口设备文件中读取数据:```char buffer[1024];fgets(buffer, sizeof(buffer), serial_port);printf("Received Data: %s", buffer);```需要注意的是,当数据到达串口时,我们需要设置好超时时间,以免数据接收阻塞程序执行。
在C语言中,可以通过设置串口设备文件的文件描述符来设置超时时间。
最后,我们需要在程序中循环调用数据发送和接收的函数,实现数据的循环传输。
RS-232实现单片机与PC间的串行通信串行通信是计算机与外设之间数据传输的一种方式。
RS-232是一种经典的串行通信标准,它被广泛应用于单片机与PC之间的通信。
什么是RS-232协议RS-232是一种串行通信接口标准,它定义了单片机与外设之间信号的电气特性、传输协议和机械连接方式。
RS-232标准的发展可以追溯到20世纪60年代,在数十年的时间里,它成为了计算机与外设之间最常见的传输方式之一。
RS-232标准规定了单片机与PC之间使用的物理连接、数据传输的时序和控制信号等方面的细节。
它定义了一组信号电平和电气特性,用于在两个设备之间传输数据。
RS-232标准的物理层使用了DB-9或DB-25连接器,其中DB-9连接器是最常见的。
在RS-232协议中,数据被分割成小的数据包进行传输。
每个数据包由一个起始位、数据位、奇偶校验位和一个或多个停止位组成。
这些位用于将数据解释为字符并将其传输到目的地设备。
如何使用RS-232实现单片机与PC间的串行通信要使用RS-232实现单片机与PC间的串行通信,需要实现以下几个方面:1.物理连接:使用RS-232标准定义的连接器,将单片机和PC连接起来。
2.电气特性:保证单片机和PC之间的电气特性匹配。
3.传输协议:使用RS-232标准定义的数据传输协议,将数据从单片机发送到PC,或者从PC发送到单片机。
4.数据编码:将数据编码为RS-232标准定义的数据格式。
以上所有方面都需要实现正确,才能使单片机与PC间的串行通信正常进行。
RS-232实现单片机与PC间的串行通信的优缺点RS-232协议是单片机与PC间串行通信的经典标准,它具有以下优缺点:优点:1.稳定性高:RS-232协议信号电平的质量非常高,能够保证数据传输的稳定性和可靠性。
2.延迟低:RS-232协议传输速度相对较慢,但延迟非常低,能够及时传输数据。
3.成本低:RS-232协议使用简单、成本低廉,适合开发者在项目中广泛使用。
沈阳航空航天大学课程设计(论文)题目基于单片机的RS-232C串行通讯接口设计班级 9407102学号 2009040701067学生姓名徐茂哲指导教师张晓东沈阳航空航天大学课程设计任务书课程名称专业综合课程设计院(系)自动化学院专业测控技术与仪器班级9407102 学号2009040701067 姓名徐茂哲课程设计题目基于单片机的RS-232C串行通讯接口设计课程设计时间: 2012 年12月29 日至2013 年1月11 日课程设计的内容及要求:利用8051单片机开发RS-232C串行通信系统,利用Modbus通信协议,实现单片机与PC机的通信,要求实现数据收发功能。
具体要求如下:(1)按以上要求制定设计方案,并绘制出系统工作框图;(2)按要求设计单片机系统,给出电路原理图;(3)用单片机系统和PC机进行程序设计与调试;(4)接收PC机发送数据,并将其回发给单片机;指导教师年月日负责教师年月日学生签字年月日目录0. 前言 01. 总体方案设计 (1)2. 硬件电路的设计 (1)2.1 单片机系统 (1)2.2 MAX232芯片 (4)2.3 整体电路设计 (5)3 软件设计 (7)4.联合调试 (6)5. 课设小结及进一步设想 (8)参考文献 (9)附录I 元件清单 (10)附录II 整体电路图 (10)附录III 源程序清单 (12)基于单片机的RS-232C串行通讯接口设计徐茂哲沈阳航空航天大学自动化学院摘要:本文主要设计了一个基于RS-232C的单片机串行通讯接口系统,利用Modbus通信协议,实现单片机与PC机的通信,要求实现数据收发功能。
关键字:RS-232C;数据发送;数据接收;LED显示;单片机与PC机串行通信。
0.前言计算机的发展对通信起了巨大的推动作用,计算机和通信紧密结合构成了灵活多样的通信控制系统,也可以构成强有力的信息处理系统,这样对社会的发展产生了深远的影响。
随着电子技术和计算机技术的发展,特别是单片机的发展,使传统的测量仪器在原理、功能、精度及自动化水平等方面发生了巨大的变化,形成了一种完全突破传统概念的新一代测试仪器——智能仪器。
51单片机与PC的RS232接口串行通信实现研究-大学毕业论文毕业设计学位论文范文模板参考资料目录一概述 ................................................ ........... 41.1 引言 ................................................ ............41.2 设计目的和意义 ................................................ ..4二方案功能详述及论证 ............................................. 52.1 方案功能详述 ................................................ ....52.1.1 总体功能设计 ................................................ ..52.1.2 具体功能模块设计 (52).2 方案论证 ................................................ ........5三系统硬件设计 ................................................ ... 93.1 选用设备和设计总框图 ............................................93.2串行接口通信硬件线路图 .........................................93.3 电源电路 ................................................ .......113.4 主要芯片说明 ................................................ ...113.4.1 单片机 AT89C51 概述...........................................113.4.2 MAX232 芯片简介: (14)3.4.3 RS232 串行接口简介 ..........................................16四系统软件设计 ................................................ .. 184.1 波特率的设置 ................................................ ...184.2 系统软件设计参考程序如下 .......................................194.3 系统软件仿真 ................................................ ...204.4 系统程序流程图 .................................................22五结论与展望 ................................................ .... 23参考文献 ................................................ ......... 23 摘要本文设计了一种采用 51 系列单片机与采用了 MAX232 芯片的 PC 通过标准的RS232 接口实现串行通信的功能。
实验三串行口通信实验一、实验目的1、掌握单片机串行口的工作原理及工作方式;2、掌握单片机串行口波特率的设置方法;3、掌握单片机串行口查询方式程序的设计方法。
二、实验内容及要求1、单片机的串行口经RS-232 电平变换后和PC 机相连;2、单片机系统的晶振频率选择11.0592MHz,串行口设置为9600bps、无校验位、8 位数据位、1 位停止位(简记为N81)模式;3、单片机采用查询方式收发数据,将PC 机送来的除回车/换行之外的数据加1 后送回。
三、实验设备硬件:PC 机,nKDE-51 单片机实验教学系统;软件:Keil C51 集成开发环境,FlashMagic 单片机程序烧写软件。
四、实验原理及步骤MCS-51 串行口的结构、原理及各种工作方式参阅教材相关内容。
本实验使用串行口工作方式1,通过定时器1(T1)产生波特率时钟,通过查询串行口收发中断标志RI 和TI 来判断单片机串行口数据收发的状态。
步骤如下:1、创建新项目:Project—New Project—命名、存储—CPU类型(philips P89C52X2)2、创建新程序:编译程序—完成后保存为“.c”格式3、添加程序:Target1—Source Group—add……(程序)4、检测程序:Project—Build Target5、选择烧录程序的方式(右键点target1--opption):output—Creat Execulate:Dubug Information Browse、Creat HexDebug 右侧选择use “Keil Monitor-51 Driver”6、选择程序执行点:在Debug程序烧路后,在开始执行的程序断点上鼠标右键—Set Program Counter7、Go执行五、实验过程1. 电路连接PC 机串行口为RS-232 标准的串行接口,用-15V~-5V 表示1,+5V~+15V 表示0,而单片机的串行口为TTL 电平,+5V 表示1,0V 表示0,因此单片机的串行口不能直接和PC 机的串行口相连,必须经过电平变换才能和PC 机通信。
RS-232接口与单片机串行通信程序单片机的串行口是非常有用的,通过他我们可以把单片机系统的数据传回电脑处理或者接受电脑传过来的数据而进行相应的动作,下面我就给大家介绍上一下电脑的RS-232 接口与单片机串行通信程序设计方法,51hei 上还有很多这样的文章大家去搜索下。
RS-232 简介:在串行通讯时,要求通讯双方都采用一个标准接口,使不同的设备可以方便地连接起来进行通讯.RS-232-C 接口(又称EIA RS-232-C)是目前最常用的一种串行通讯接口. (“RS-232-C”中的”-C”只不过表示RS-232 的版本,所以与”RS-232”简称是一样的)它是在1970 年由美国电子工业协会(EIA)联合贝尔系统,调制解调器厂家及计算机终端生产厂家共同制定的用于串行通讯的标准.它的全名是”数据终端设备(DTE)和数据通讯设备(DCE)之间串行二进制数据交换接口技术标准”该标准规定采用一个25 个脚的DB-25 连接器,对连接器的每个引脚的信号内容加以规定,还对各种信号的电平加以规定.后来IBM 的PC 机将RS232 简化成了DB-9 连接器,从而成为事实标准.而工业控制的RS-232 口一般只使用RXD,TXD,GND 三条线.下面,让我们使用S51 增强型单片机实验板来开发一个简单的串口通信实验程序,这是一个串口通信综合实验,需要全套餐客户的相关配件配合才能完成。
通过该实验程序,我们可以检测实验板串口的状态,接收计算机发送来的数据,然后再发送回计算机,如果程序中发送和接收窗中显示的字符相同,则说明实验板的串口是良好的,能够正常收发数据,另外单片机接收计算机的控制指令,根据控制指令来控制实验板上的继电器动作。
首先让我们来看看我们做的通讯软件的实际效果。
RS-232 接口与单片机串行通信程序设计的界面图 1 注:当前按键:“K”,按键的ASC 码:“75”,按键的16 进制码:。
课程设计任务书课程名称专业综合课程设计院(系)专业课程设计题目基于单片机的RS-232C串行通信接口设计课程设计时间: 2011 年1 月3 日至2011 年 1 月14 日课程设计的内容及要求:利用W A VE仿真器、8051单片机开发基于单片机的RS-232C串行通信系统,实现单片机与PC机的通讯,要求实现数据收发功能.具体要求如下:(1)按以上要求制定设计方案,并绘制出系统工作框图;(2)按要求设计单片机系统,给出电路原理图;(3)用仿真器及单片机系统和PC机进行程序设计与调试;(4)接受PC机发送数据,并将其会发给PC机;指导教师年月日负责教师年月日学生签字年月日目录0. 前言 (1)1. 总体方案设计 (2)2. 硬件电路的设计 (2)2.1 单片机介绍 (2)2.2 串口基本结构介绍 (3)2.3 电平转换电路设计 (4)2.4 整体电路设计 (5)3 软件设计 (6)3.1 串行通信的实现 (6)3.2 流程框图 (6)4.联合调试 (7)5. 课设小结及进一步设想 (7)参考文献 (9)附录I 元件清单 (10)附录II 整体电路图 (11)附录III 源程序清单 (12)基于单片机的RS-232C串行通信接口设计杨毅沈阳航空航天大学自动化学院摘要:随着计算机技术特别是单片机技术的发展,单片机的应用领域越来越广泛,单片机在工业控制、数据采集以及仪器仪表自动化等许多领域都起着十分重要的作用。
但在实际应用中,在要求响应速度快、实时性强、控制量多的应用场合,单个单片机往往难以胜任,这时使用多个单片机接合PC机组成分布式系统是一个比较好的解决方案。
这样,单片机的数据通信技术就变得十分重要,在某种程度上说,掌握了单片机的数据通信技术也就是掌握了单片机的核心应用技术。
现在单片机及PC机在结构、性能和经济上为实现远程串行通信提供了很好的条件,串行通信是指按照逐位顺序传递数据的通信方式,由于仅需三根传输线传送信息且通信距离相对较远,所以在控制领域的现场监测、分布控制等场合有着重要的应用价值。
关键字:单片机、PC机、串行口、通信0.前言在各种单片机应用系统的设计中,如智能仪器仪表、各类手持设备、GPS接收器等,常常遇到计算机与外界的信息交换,即通讯。
通信的基本方式可分为并行通信与串行通信两种。
并行通信是将组成数据的各位同时传送,并通过并行门(如P1口等)来实现。
在并行通信中,数据传送线的根数与传送的数据位数相等,传送数据速度快,但所占用的传输线位数多。
因此并行通信适合短距离通信。
串行通信是指数据一位一位地按顺序传送。
串行通信通过串行口来实现。
在全双工的串行通信中,仅需要一根发送线和一根接收线,串行通信可大大节省传送线路的成本,但数据传送速度慢。
因此,串行通信适合于远距离通信。
目前,在许多单片机应用系统中,上、下位机分工明确,作为下位机核心器件的单片机往往只负责数据的采集和通信,而上位机通常以基于图形界面的Windows系统为操作平台,为便于查询和保存数据,还需要数据库的支持,如在测控系统中使用SQL Server数据库。
现阶段这种应用的核心便是数据通信,它包括单片机和上位机之间、客户端和服务器之间以及客户端和客户端之间的通信,而在单片机和上位机之间的数据通信则是整个系统的基础。
单片机和PC的通信是通过单片机的串口和PC机之间的硬件连接实现。
鉴于PC 机具有强大的监控和管理功能,单片机则具有快速以及容易控制的特点,在数据量不大、传输要求不高的情况下,一般都采用给PC机配置的RS-232标准串行接口COM1、COM2等相连接来实现应用系统与PC机之间的数据交换。
1. 总体方案设计PC机与单片机之间可以由RS-232C、接口相连,在PC机系统内部装有异步通信适配器,利用它可以实现异步串行通信。
该适配器的核心元件是可编程的Intel 8250芯片,它使PC机有能力与其他具有标准的RS-232C接口的计算机或设备进行通信。
而51单片机本身具有一个全双工的串行口,因此只要配以电平换换的驱动电路、隔离电路就可以组成一个简单的通信接口。
同样,PC机和单片机之间的通信也分为双机通行与多机通信。
数据通信的硬件上采用3线制,将单片机和PC串口的3个引脚(TXD、RXD、GND)分别连在一起,即将PC机和单片机的发送数据线TXD与接收数据线RXD交叉连接,两者的地线GND直接相连,而其他信号线如握手信号线均不用,采用软件握手的方式。
这样既可以实现预定的任务又可以简化电路设计。
PC机和单片机最简单的连接时零调制三线经济系。
这是进行全双工通信所必需的最少线路,因为51单片机输入、输出电平为TTL电平,但由于单片机的TTL逻辑电平和RS-232的电气特性完全不同,RS-232的逻辑0电平规定为+5~+15V之间,逻辑1电平为-5~-15V 之间,因此在将PC机和单片机的TXD和RXD交叉连接时必须进行电平转换,这里我选用的是MAX232电平转换芯片。
其原理框图为图 1图1串口通信原理图2. 硬件电路的设计2.1 单片机介绍标准型89系列单片机是与MCS-51系列单片机兼容的。
在内部含有4KB或8KB可重复编程的Flash存储器,可进行1000次擦写操作。
全静态工作为0-33MHz,有3级程序存储器加密锁定,内含有128-256字节的RAM、32条可编程的I/O端口、2-3个16位定时器/计数器,6-8级中断,此外有通用串行接口、低电压空闲模式及掉电模式。
AT89C51相当于将8051中的4KB ROM换成相应数量的Flash存储器,其余结构、供电电压、引脚数量及封装均相同,使用时可直接替换。
AT89C51在内部采用40条引脚的双列直插式封装,引脚排列如图2所示:图2 AT89C51芯片引脚2.2 串口基本结构介绍单片机的串行口的功能是与外部器件进行串行数据通信。
串行口电路也称为通用异步收发器(UART)。
从原理上说,一个UART包括发送器电路、接收器电路和控制电路。
8051单片机的UART已集成在其中,构成一个全双工串口,全双工通信是指同时可以作双向通信,两个即可同时发送、接收,又可同时接收、发送。
其示意图如图3所示。
这个口即可以实现串行异步通信,也可以作为同步移位寄存器使用。
图3 全双工通信示意图8051的串行口通过引脚RXD(P3.0串行口数据接收端)和引脚TXD(P3.1串行口数据发送端)与外部设备进行串行通信。
其中共有两个串口双缓冲寄存器(SBUF),一个是发送寄存器,一个是接收寄存器,以便8051能以全双工方式进行通信。
串行发送时,从片内总线向发送SBUF写入数据;串行接收时,从接收SBUF向片内总线读出数据。
它们都是可寻址的寄存器,但因为发送与接收不能同时进行,所以给这两个寄存器赋一同一地址99H。
在接收方式下,串行数据通过引脚RXD进入,由于在接收寄存器之前还有移位寄存器,从而构成了串行接收的双缓冲结构,以避免在数据接收过程中出现帧重叠错误,即在下一帧数据来时,前一帧数据还没有走。
在发送方式下口,串行数据通过引脚TXD发出。
与接收数据情况不同,发送数据时,由于CPU是主动的,不会发生帧重叠错误,因此发送电路就不需要双缓冲结构,这样可以提高数据发送速度。
2.3 电平转换电路设计和其他的单片机器件一样,作为单片机的标准外围电路,串口的电平转换也有专用的芯片,但也可以使用三极管自行调整电平匹配。
本次设计我主要采用专用芯片进行电平转换的方法。
目前较为广泛的是使用集成电路转换器件,如MC1488、SN75150芯片可完成TTL电平到EIA电平的转换,而MC1489、SN75154可实现EIA电平到TTL电平的转换。
MAX232芯片可完成TTL和RS-232C的双向电平转换。
在这里我采用的芯片是MAX232。
如图4图4 电平转换芯片MAX232在电气特性上RS-232C采用负逻辑,要求高、低两信号间有较大的幅度,标准规定为:逻辑‘1’:-5~-15V ,逻辑‘0’:+5~+15V 。
而单片机的信号电平与TTL电平兼容,逻辑1大于+2.4V,逻辑0为0.4V以下。
很显然,RS-232C信号电平与TTL电平不匹配,为了实现两者的连接,必须进行电平转换。
MAX232C为单一+5V供电,内置自升压电平转换电路,一个芯片能同时完成发送转换和接收转换的双重功能。
MAX232 的引脚主要为5个部分:(1)外接电容:有5个外接电容、进行电压匹配和电源去耦。
(2)TTL的输入:电路TTL电平的输入引脚——11和10引脚,连接单片机的TXD输出端口。
(3)TTL的输出:电路TTL电平的输出引脚——12和9引脚,连接单片机的RXD输出端口。
(4)RS-232的输入:两路RS-232电平的输入引脚——13和8引脚,连接RS-232的TXD 的输出端口。
(5)RS-232的输出:两路RS-232电平的输出引脚——14和7引脚,连接RS-232的RXD 的输出端口。
通过MAX232的TTL和RS-232 的输入/输出端口,自动地调节了单片机串口的TTL电平信号和RS-232的串行通信信号的电平匹配。
电平转换芯片与单片机的连接电路如下:地址分配和连接:只列出和系统相关的、关键部分的单片机与各个模块管脚的连接和相关的地址分配。
MAX232的11引脚:MAX232 的TTL电平输入引脚,连接单片机的TXD,TTL串口输入信号。
MAX232的12引脚:MAX232的TTL电平输出引脚,连接单片机的RXD、TTL串口输入信号。
MAX232的14引脚:MAX232 的RS-232电平输出引脚,连接RS-232的RXD,RS-232的串口输入信号。
MAX232的13引脚:MAX232 的RS-232电平输入引脚,连接RS-232的TXD,RS-232的串口输出信号。
MAX232和单片机串口连接的电路如图5。
图5 MAX232和单片机串口连接电路图2.4 整体电路设计PC机和单片机最简单的连接时零调制三线经济系。
这是进行全双工通信所必需的最少线路,因为51单片机输入、输出电平为TTL电平,但由于单片机的TTL逻辑电平和RS-232的电气特性完全不同,RS-232的逻辑0电平规定为+5~+15V之间,逻辑1电平为-5~-15V 之间,因此在将PC机和单片机的TXD和RXD交叉连接时必须进行电平转换,这里我选用的是MAX232电平转换芯片。
将PC机键盘的输入发送给单片机,单片机收到PC机发来的数据后,会送统一数据给PC机。
并在屏幕中显示出来。
只要屏幕中显示出来的字符与所键入的字符相同,说明二者之间的通信正常。
总串行通信图为图6所示图6 串行通信电路图3 软件设计将PC机键盘的输入发送给单片机,单片机收到PC机发来的数据后,会送统一数据给PC机。