饲料和饲料添加剂生产企业现场检查表 (1)
- 格式:doc
- 大小:39.00 KB
- 文档页数:4
饲料生产企业现场检查表
xx市畜牧兽医局 2017饲料检查第号
企业名称证书编号
受检企业法定
联系电话
代表人或负责
人
生产地址
主要产品
检查日期年月日
姓名单位执法证号检查人员
检查意见:
根据国务院《饲料和饲料添加剂管理条例》、农业部《饲料和饲料添加剂生产许可管理办法》和《饲料生产企业许可条件》,年月日,检查组一行对企业进行现场检查,通过查阅档案和询问,现场查看该企业生产场地、生产设备、质量检验、管理制度、产品标签和生产环境等方面,提出以下意见:
上述内容,本人已认真阅读。
本人同意检查组认定的不合格检查项目。
本企业承诺:将按要求采取措施,在年月日完成整改,并将有关整改情况书面报告本地饲料办。
受检企业代表签字(盖章):年月日
1。
饲料和饲料添加剂生产企业监督检查报告
企业名称:
许可证编号:
审查合格证编号:
安全卫生合格证编号:
所属区县:
表1 基本情况表
表2 检查情况表
饲料和饲料添加剂生产企业现场检查表企业名称(全称盖章):
3
4
5
6
饲料标签检查部分
注:关键项(A)全部符合, 且重要项(B)少于3项(含3项)不符合,则判定为合格;关键项(A)一项不符合或重要项(B)三项以上不符合,则判定为不合格。
检查中发现企业涉嫌违反饲料管理法规情况记录
(第页,共页)
检查时间:年月日
受检企业名称:
受检企业许可证书编号:
检查地点:
事实记录:
注:检查组应保存相关证据连同本记录一并交回。
检查组组长(签字)企业负责人(签字)。
填表说明一、本表适用于饲料质量安全管理规范实施企业的现场检查。
二、现场检查组成员应当熟悉检查内容、检查方法与检查标准,明确检查任务分工。
三、本表由检查组负责填写。
应当使用蓝色或黑色签字笔填写,字迹工整,不得随意涂改。
现场检查结束后,本表由市农业局存档。
县级饲料管理部门和企业可以复制留存。
四、检查结果标注符合要求的,在表2中“检查结果”的“符合”一栏中标注“√”。
基本符合要求的,在“基本符合”一栏中标注“√”;不符合要求的,在“不符合”一栏中标注“√”;“基本符合”和“不符合”的,在“存在问题”一栏中详细记录与检查细目及标准所对应的问题的描述以及客观证据等信息,包括企业在现场管理和人员方面存在的问题(若信息较多可使用附表做相应记录)。
如有不涉及的检查细目,在“不涉及”栏中标注“√”。
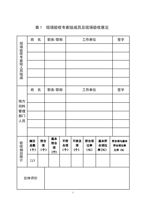
五、检查结果统计∑—细目总数;F—符合项总数;J—基本符合项总数;B—不涉及项总数;A f—符合项比率,A f=F/(∑-B)×100%;A J—基本符合项比率,A J=J/(∑-B)×100%。
六、现场检查意见现场检查意见分为符合、基本符合、不符合,在表1的相应位置标注“√”。
具体标准如下:(1)符合:A f≥70且A f+A J≥90,即企业能够满足《饲料质量安全管理规范》的要求;(2)基本符合:A f≥60且A f+A J≥80,即企业基本满足《饲料质量安全管理规范》的要求;(3)不符合:企业达不到上述标准,即企业尚未满足《饲料质量安全管理规范》的要求。
在检查过程中,企业在原料采购与管理、生产过程控制、产品质量控制等三个重要评价项目中若存在重大缺陷,不能满足企业质量管理体系正常运行要求的,检查意见为“不符合”。
表1现场检查组成员及现场检查意见生产企业名称及生产地址、联系方式、许可证明文件表 2企业饲料质量安全管理规范现场检查记录表一、原料采购与管理项目检查方法 细目 规范要求 存在问题检查结果符合 基本 不符 不涉符合 合 及(一) 1.询问企业相关人员如何 供应商评 有供应商评价和再评价制度。
饲料和饲料添加剂生产企业监督检查记录表 企业名称
企业负责人联系电话
生产地点与许可证是否相符许可证编号
生产类别(产品)
检查内容及存在问题
场地、设备、人员等
许可条件变化情况
统计上报情况
安全生产(含职业卫生)情况
预混料、配合料、浓缩料企业《饲料
质量安全管理规范》执行情况
原料查验或检验记录
原料采购记录
(原料通用名称及商品名称、生产企
业或者供货者名称、联系方式、产
地、数量、生产日期、保质期、查验
或者检验信息、进货日期、经办人)
生产记录
产品留样观察记录
出厂检验情况
包装与标签情况
上一次受检整改落实情况
以上整改项目限日内整改完毕,将书面整改报告和证明材料报当地饲料行政管理部门,经审核合格后,由当地饲料监督管理部门进行现场验收。
企业同意,负责人签名(盖章):检查人员检查部门
检查部门电话检查日期。
表1 现场验收专家组成员及现场验收意见
表2
饲料质量安全管理规范示范企业现场验收细目表
3
4
册管理的国产(进口)原料
抽查原料查验记录。
需行政许可的原料,
料供应商提供的质量检验
报告是或自行检验结果或
委托检验报告,
料或出入库记录进行对照
检查。
5.抽查原料的主要卫生指
标定期检测结果及原料安
全性评价报告。
委托检测
的,查看受委托检测机构的
计量认证或实验室认可证
书及附表复印件。
6
7
8
9
4.查看热敏性原料、
化学品管理的原料和药物
饲料添加剂的贮存管理情
况。
10
3.在小料配料间,
小料及中间品的器具或包
装物.
4。
配料仓溜管等生产设备的
清洗效果.
5。
查看生产现场。
.
管理
2
制定环境要求.
3
情况.
4
产品贮存隔离情况。
附件2编号:()—()—()—()饲料和饲料添加剂生产企业现场检查表企业名称:生产许可证号:生产地址:产品类别:饲料添加剂□混合型饲料添加剂□添加剂预混合饲料□单一饲料□浓缩饲料、配合饲料、精料补充料□检查日期:年月日中华人民共和国农业部制二○一四年填表说明一、本表用于记录饲料和饲料添加剂生产企业现场检查情况。
二、检查内容包括:企业基本生产条件、企业生产行为规范性、企业履行法定义务情况。
三、受检企业在同一生产地址持有1个以上生产许可证的,仅选择其中1种生产许可类型进行检查。
四、本表由检查组成员使用蓝色或黑色签字笔填写。
封面编号由4个数据项组成,即:X-XXXX-X-XX,X填写企业所在省(自治区、直辖市)简称;XXXX填写检查的年代号;X填写检查生产许可证类别,1为饲料添加剂,2为混合型饲料添加剂,3为添加剂预混合饲料,4为浓缩饲料、配合饲料、精料补充料,5为单一饲料;XX填写本省本年度检查该类企业的顺序号。
五、检查组成员在检查开始前应提前熟悉检查方法与要求,做好检查任务分工,明确检查组长。
六、每个企业检查时间不少于3小时。
检查组应根据检查内容合理分配时间,必要时可根据实际情况调整检查内容。
七、检查方式包括座谈、询问,查阅企业相关文件与记录,现场检查企业厂区、生产车间、检验化验室、原料库及成品库等。
八、检查过程中发现企业存在涉嫌违法情形的,应当留存必要的文字、影像等资料。
九、检查组应当在检查记录一栏详细记录检查情况,对于存在的问题,应记录问题的具体表现形式。
对于涉及制度、记录等方面的检查内容,应同时检查制度是否执行到位、记录是否完备。
十、本表由检查组成员填写,检查结束后复印分别交由受检企业和企业所在地饲料管理部门留存。
检查表原件由省级饲料管理部门留存备查。
十一、检查结论一栏由检查组对企业的整体情况进行综合判定。
对于检查中发现的问题,检查组应及时通报企业所在地饲料管理部门、提出整改措施建议并向省级饲料管理部门报告。
附表一、饲料和饲料添加剂生产企业检查记录附表一填表说明1. 证号:审查合格证、安全卫生合格证、生产许可证号或进口登记许可证。
2. 原料及用药情况:主要检查是否有无“三无”产品、有无国家明令停用、禁用和淘汰的以及未经审定公布的添加物。
3. 生产及检化验设备:生产厂区环境、库房清洁程度和码放是否整齐、标识是否清晰、化验室是否设有仪器室、操作室、留样室(区),检测仪器是否有有效的计量检定证书等规定。
4. 记录情况包括:原料和成品检验记录、原料来源/使用登记记录、生产记录、销售记录、仪器使用记录、留样观察记录、防止交叉污染的程序和记录、产品销售记录等。
5. 持证上岗情况:检化验人员、中央控制室操作工及其他特有工种(维修工、电工、司炉工等)须持证上岗。
6. 标签与包装:原料和产品是否有标签以及标签和包装是否符合规定等。
7.检查人员及执法证件号:至少2人签字。
8. 其它情况:以上内容以外的其它情况。
附表二、饲料和饲料添加剂经营企业检查记录附表二填表说明1.场所、人员及制度情况:饲料经营企业是否符合《饲料和饲料添加剂管理条例》对饲料经营企业的基本规定,即是否有与经营饲料、饲料添加剂相适应的仓储设施;是否具备饲料、饲料添加剂使用、贮存、分装等知识的技术人员;是否有必要的产品质量管理制度等。
2. 经营产品情况:登记经营门(店)所销售的主要饲料和饲料添加剂产品,生产企业、证号、生产日期等情况。
3. 购销记录情况:包括经营产品的购进记录和产品的销售记录等情况。
4.标签与包装情况:销售的产品标签和包装是否规范,产品是否超过保质期等情况。
5.检查人员及执法证件号:至少2人签字。
6. 其它情况:以上内容以外其它情况。
饲料和饲料添加剂生产企业监督检查表仓储管理B1仓储管理建立原料和产品仓储管理制度(规定库位规划、堆放方式、垛位标识、库房盘点、环境要求、虫鼠防范、库房安全、出入库记录)B2 建立库位规划B3原料出入库记录(原料名称、包装规格、生产日期、供应商简称或代码、入库数量和日期、出库数量和日期、库存数量、保管人)B4产品出入库记录(产品名称、规格或等级、生产日期、入库数量和日期、出库数量和日期、库存数量、保管人)B5不同产品的垛位之间保持相当距离,按照“一垛一卡”的原则对原料实施垛位标识卡(标明原料名称、产地或供应商代码、垛位总量、已用数量、检验状态)管理B6特殊原料管理不合格产品和过期产品隔离存放并有清晰标识B7对维生素、微生物和酶制剂等热敏物质的贮存温度实施监控,填写并保存热敏物质的温度监控记录(设定温度、实际温度、监控时间、记录人)B8 监控中发现实际温度超出设定温度范围的,采取有效措施及时处置B9按危险化学品管理的饲料添加剂贮存间(柜),设立清晰的警示标识,双人双锁管理B10建立长期库存原料质量监控制度(监控方式、监控内容、监控频次、异常情况界定、处置方式、处置权限、监控记录)B11填写并保存长期库存原料监控记录(原料名称、监控内容、异常情况描述、处置方式、处置结果、监控日期、监控人)机构人员C1培训建立人员培训制度和年度培训计划(培训对象、培训内容、培训方式、考核方式、效果评价、培训记录)C2 每年对员工进行至少2次饲料质量安全知识培训,填写并保存培训记录C3培训记录(培训对象、内容、师资、日期、地点、考核方式、考核结果)C4建立记录管理制度(记录表单的编制、格式、编号、审批、印发、修订、填写、存档、保存期限)C5 设立技术、生产、质量、采购、销售机构C6人员要求有许可条件要求的企业,技术、生产、质量机构配备专职负责人,学历或职称满足要求C7 技术、生产、质量、采购、销售机构负责人熟悉饲料法规和相关的专业知识C8 检验化验员等特有工种资质满足要求C9 检验化验员具备检验工作操作技能其他J1运输运输车辆清洁J2 罐装车辆做到专车专用生产管理E1 当前生产设备及辅助设备设施完好且满足生产要求E2 有生产工艺设计文件(生产工艺流程图、工艺说明、生产设备清单)E3生产工艺设定如下工艺参数:粉碎工艺设定筛片孔径,混合工艺设定混合时间,制粒工艺设定调质温度、蒸汽压力、环模规格、环模长径比、分级筛筛网孔径,膨化工艺设定调质温度、模板孔径E4 按《饲料质量安全管理规范》要求建立了各岗位操作规程和生产记录表单E5 岗位操作工熟悉本岗位操作规程E6 生产记录内容齐全E7 按照“无药物的在先、有药物的在后”原则制定生产计划E8在执行上述生产计划时,对生产线进行清洗,清洗料如回用明确标识并回置于同品种产品中E9 盛放小料及中间品的器具或包装物明确标识,不交叉混用E10现场管理生产设备定期清理E11 生产现场整洁,有防鸟、防鼠措施E12 生产现场原料、中间产品、返工料、清洗料、不合格品等分类存放,清晰标识E13 生产现场存在其它不规范现象E14 配方管理建立配方管理制度(配方设计、审核、批准、更改、传递、使用)E15 配方设计相关人员熟悉饲料法规及限制性规定E16 配料单体现了配方管理制度的相关规定E17标签管理建立产品标签管理制度(标签设计、审核、保管、使用、销毁)E18 产品标签专库(柜)存放,专人管理E19 抽查产品标签内容符合《饲料标签》标准的规定E20 标签保管员熟悉标签管理程序E21混合机最佳混合时间的实验记录完备(混合机编号、混合物料名称、混合次数、混合时间、检验结果、最佳混合时间、检验日期、检验人)E22按规定进行混合均匀度验证,有验证记录(产品名称、混合机编号、混合时间、检验方法、检验结果、验证结论、检验日期、检验人)E23 设备管理建立生产设备管理制度(采购与验收、档案管理、使用操作、维护保养、备品备件管理、维护保养记录、维修记录)E24建立生产设备档案,关键生产设备档案实行一机一档,关键设备档案包括基本信息表(名称、编号、规格型号、制造厂家、联系方式、安装日期、投入使用日期)、使用说明书、操作规程、维护保养记录、维修记录等内容E25制定粉碎机、混合机、制粒机、膨化机、空气压缩机等关键设备操作规程(开机前准备、启动与关闭、操作步骤、关机后整理、日常维护保养),员工执行到位E26建立关键设备维护保养记录(设备名称、设备编号、保养项目、保养日期、保养人)E27建立关键设备维修记录(设备名称、设备编号、维修部位、故障描述、维修日期、维修人)E28 特种设备锅炉、压力容器等特种设备通过安全检查E29 计量秤、地磅、压力表等测量设备进行定期检定或校验E30 设备维修人员熟悉设备维修情况质量控制F1 实验室布局及仪器设备放置科学合理,各功能间面积满足检验需要F2 当前主要检验仪器设备完好且满足开展检验工作要求F3质量巡查建立现场质量巡查制度(巡查位点、巡查内容、巡查频次、异常情况界定、处置方式、处置权限、巡查记录)F4填写并保存现场质量巡查记录(巡查位点、巡查内容、异常情况描述、处置方式、处置结果、巡查时间、巡查人)F5 出现异常情况能依据相关记录进行追溯F6依标生产生产产品所执行企业标准在备案有效期内,生产产品所执行的国家标准、行业标准有效F7 企业根据产品质量标准实施出厂检验F8产品检验记录(产品名称或编号、检验项目、检验方法、检验过程、检验结果、检验日期、检验人)F9 保存2年以内的产品出厂检验记录和主成分指标检验记录F10留样管理每周按规定抽取至少5个批次的产品进行主成分检验:(一)维生素预混合饲料:两种以上维生素;(二)微量元素预混合饲料:两种以上微量元素;(三)复合预混合饲料:两种以上维生素和两种以上微量元素;(四)浓缩饲料、配合饲料、精料补充料:粗蛋白质、粗灰分、钙、总磷F11建立产品留样观察制度(留样数量、留样标识、贮存环境、观察内容、观察频次、异常情况界定、处置方式、处置权限、到期样品处理、留样观察记录)F12保存产品留样观察记录(产品名称或代号、生产日期或批号、保质截止日期、观察内容、异常情况描述、处置方式、处置结果、观察日期、观察人)F13 留样观察室满足样品存放的需要,留样保存时间超过产品保质期1个月F14 如果留样观察产品出现异常,能追溯和进行有效处置F15不合格品管理建立不合格品管理制度(不合格品界定、标识及贮存、处置方式、处置权限、处置记录)F16填写并保存不合格品处置记录(不合格品的名称、数量、不合格原因、处置方式、处置结果、处置日期、处置人)F17 不合格品能进行追溯和处置F18建立检验管理制度(人员资质与职责、样品抽取与检验、检验结果判定、检验报告编制与审核、产品质量检验合格证签发)。
附件2
编号:()—()—()—()
饲料和饲料添加剂生产企业
现场检查表
企业名称:
生产许可证号:
生产地址:
产品类别:饲料添加剂□混合型饲料添加剂□
添加剂预混合饲料□单一饲料□
浓缩饲料、配合饲料、精料补充料□检查日期:年月日
中华人民共和国农业部制
二○一四年
填表说明
一、本表用于记录饲料和饲料添加剂生产企业现场检查情况。
二、检查内容包括:企业基本生产条件、企业生产行为规范性、企业履行法定义务情况。
三、受检企业在同一生产地址持有1个以上生产许可证的,仅选择其中1种生产许可类型进行检查。
四、本表由检查组成员使用蓝色或黑色签字笔填写。
封面编号由4个数据项组成,即:X-XXXX-X-XX,X填写企业所在省(自治区、直辖市)简称;XXXX填写检查的年代号;X填写检查生产许可证类别,1为饲料添加剂,2为混合型饲料添加剂,3为添加剂预混合饲料,4为浓缩饲料、配合饲料、精料补充料,5为单一饲料;XX填写本省本年度检查该类企业的顺序号。
五、检查组成员在检查开始前应提前熟悉检查方法与要求,做好检查任务分工,明确检查组长。
六、每个企业检查时间不少于3小时。
检查组应根据检查内容合理分配时间,必要时可根据实际情况调整检查内容。
七、检查方式包括座谈、询问,查阅企业相关文件与记录,现场检查企业厂区、生产车间、检验化验室、原料库及
成品库等。
八、检查过程中发现企业存在涉嫌违法情形的,应当留存必要的文字、影像等资料。
九、检查组应当在检查记录一栏详细记录检查情况,对于存在的问题,应记录问题的具体表现形式。
对于涉及制度、记录等方面的检查内容,应同时检查制度是否执行到位、记录是否完备。
十、本表由检查组成员填写,检查结束后复印分别交由受检企业和企业所在地饲料管理部门留存。
检查表原件由省级饲料管理部门留存备查。
十一、检查结论一栏由检查组对企业的整体情况进行综合判定。
对于检查中发现的问题,检查组应及时通报企业所在地饲料管理部门、提出整改措施建议并向省级饲料管理部门报告。
十二、省级饲料管理部门应根据检查组反馈情况,督促地方饲料管理部门对问题企业进行监督整改;必要时,可根据本表记录内容对企业整改情况进行复查。
检查结论:
整改意见:
检查组成员签字:
企业意见:
本企业同意()/ 不同意()检查结论。
如不同意具体理由如下:
法定代表人(企业负责人)签字:(企业公章)
检查组成员信息
姓名工作单位联系方式(电话)。