常压储罐检测收费标准
- 格式:xls
- 大小:21.00 KB
- 文档页数:1
附件2:云南省特种设备检验检测收费标准目录一、特种设备定期检验收费标准(一)锅炉检验收费标准1.锅炉检验和设计文件鉴定收费标准2.锅炉水处理检验收费标准(二)压力容器检验收费标准1.固定式压力容器检验收费标准2.移动式压力容器(罐车、罐式集装箱)检验收费标准3.气瓶检验收费标准(三)压力管道检验收费标准(四)电梯检验收费标准(五)起重机械检验收费标准(六)客运索道检验收费标准(七)游乐设施检验收费标准(八)场(厂)内专用机动车辆检验收费标准二、特种设备监督检验收费标准(一)按定率计算(二)按定额计算1、气瓶安装监督检验收费标准2、电梯安装、维修、改造监督检验收费标准3、起重机械安装、维修、改造监督检验收费标准三、特种设备进出口监督检验收费标准四、高耗能特种设备(锅炉)能效测试收费标准五、专项检验检测收费标准(一)安全阀校验收费标准(二)无损检测收费标准(三)理化检测、应力测试收费标准云南省特种设备检验检测收费标准一、特种设备定期检验收费标准(一)锅炉检验收费标准(二)压力容器检验收费标准1.固定式压力容器检验收费标准2.移动式压力容器(罐车、罐式集装箱)检验收费标准3.气瓶检验收费标准(三)压力管道检验收费标准(五)起重机械检验收费标准(六)客运索道检验收费标准(七)游乐设施检验收费标准(八)场(厂)内专用机动车辆检验收费标准二、特种设备监督检验收费标准1.气瓶安装监督检验收费标准2.电梯安装、维修、改造监督检验收费标准3.起重机械安装、维修、改造监督检验收费标准三、特种设备进出口监督检验收费标准四、高耗能特种设备(锅炉)能效测试收费标准五、专项检验检测收费标准(一)安全阀校验收费标准(二)无损检测收费标准(三)理化检测、应力测试收费标准。
压力容器年检收费标准压力容器是一种用于储存或运输气体、液体或蒸汽的设备,因其特殊的使用环境和功能,需要定期进行年检以确保安全可靠。
而在进行年检时,收费标准也是大家比较关心的一个问题。
下面将为大家介绍一下压力容器年检的收费标准。
首先,压力容器年检的收费标准是由国家相关部门制定的,主要根据压力容器的类型、规模、工作压力等因素来确定。
一般来说,压力容器年检的收费包括检验费、材料费、人工费等内容。
具体收费标准还需根据实际情况来确定,下面将以常见的几种压力容器为例,介绍其年检收费标准。
对于常见的气体储存容器,年检收费标准主要根据容器的容积和工作压力来确定。
一般来说,小型气体储存容器的年检费用相对较低,大型气体储存容器的年检费用相对较高。
此外,如果容器内储存的气体种类较为特殊或危险,年检费用也会相应增加。
对于液体储存容器,年检收费标准也主要与容器的容积和工作压力相关。
与气体储存容器相比,液体储存容器的年检费用一般会更高一些,因为液体的储存更加复杂,需要更严格的检验标准和更多的人工成本。
此外,对于蒸汽锅炉等压力容器设备,年检收费标准也会有所不同。
蒸汽锅炉等设备由于工作环境的特殊性,年检费用相对较高,因为需要更加严格的检验和更多的人工成本。
需要注意的是,以上所述的年检收费标准仅为一般情况下的参考,具体收费标准还需根据实际情况来确定。
另外,在进行年检时,建议选择正规的检测机构或单位进行,以确保检测的准确性和可靠性。
总的来说,压力容器年检的收费标准主要根据容器的类型、规模、工作压力等因素来确定,一般包括检验费、材料费、人工费等内容。
在进行年检时,建议选择正规的检测机构或单位进行,以确保检测的准确性和可靠性。
希望以上内容能够对大家有所帮助。
压力容器检验收费(一)压力容器检验:(二)说明:1、盛装有害介质或内部需清洗的容器,按该容器检验费的30%加收;2、检验后需修理复检的,按表列相应检验费的30%加收;3、外部检验按内外部检验费的30%计收;4、换热容器抽芯检验收费双方面议;5、现场组装的压力容器,其检验收费按设备(现场组装)工程费的4%收取;液化石油气站的安装检验收费按安装工程费的2%收取;6、高压、超高压容器检验费按下列公式计算(元/台):①当V<1立方米时,按10P收费(P的单位为兆帕);②当V≥1立方米时,按7P 收费(P的单位为兆帕);③P指工作压力;④水压试验按每台1000元收费。
7、管壳式余热锅炉的检验费可按表列容积相应标准的3倍收取。
特种设备安全检测文章来源:江西质监网类别:特种设备安全发布时间:06-07-31 【大中小】2、起重机械吊辅具说明:1、抓斗起重机安全检测加收20%。
2、高温有毒有害作业场所起重机安全检测加收20%。
3、凡有付钩、双小车、双司机室、电磁吸盘的起重机按以上标准加收20%。
4、电动葫芦案单梁起重机收费的50%收费。
5、环链葫芦按单梁起重机的70%收费。
6、自升塔式起重机加收20%。
7、桥门式起重机收费以5吨为基准,每增加5吨加收20%。
8、门座式、塔式起重机、汽车起重机以起重力矩5吨·米加收检测费20%。
9、单梁起重机收费以起重量3吨为基准,每增加3吨加收20%。
3、电梯说明:1、收费标准以5层为基数,每增加一层加收5%。
2、年审检测按标准80%收费。
3、进口电梯按标准加收40%。
4、简易升降机按以上标准的40%收取。
4、自动扶梯说明:1、自动扶梯以提升高度4米为基准,每提高0.5米加收10%,2、进口梯收费按以上价格的180%收取。
5、厂内运输车辆6、特种设备出厂产品说明:1、特种内设备新安装或新设备使用前的检测收费按各表所列收费增加25%。
2、游艺设备安全性能的验收检测按其造价的1%收费。
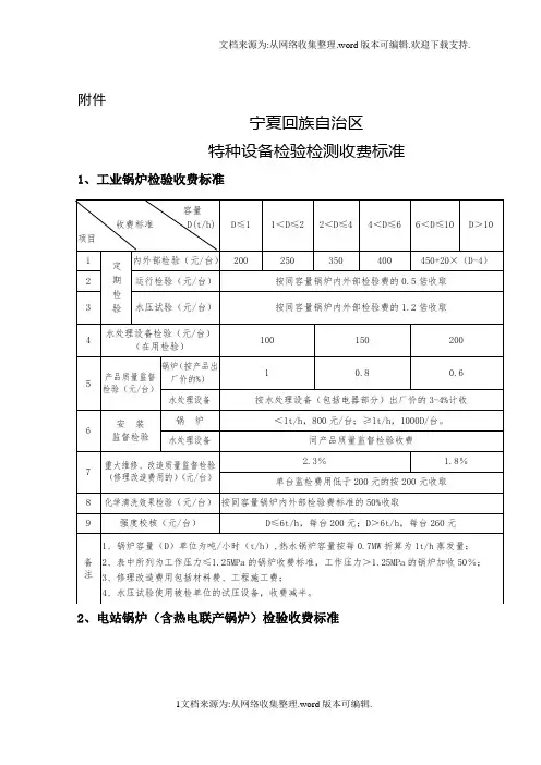
附件宁夏回族自治区特种设备检验检测收费标准1、工业锅炉检验收费标准2、电站锅炉(含热电联产锅炉)检验收费标准3、进出口锅炉、压力容器安全质量监督检验收费标准(1)进口锅炉、压力容器安全性能监督检验费按该设备到岸价的0.8-1.0%收取。
(2)出口锅炉、压力容器安全性能监督检验费按国内同类产品出厂价格的0.8-1.0%收取。
(3)单台进出口锅炉、压力容器监督检验费低于260元的按260元收取。
4、锅炉水质分析收费标准5、压力容器检验收费标准6、罐车检验收费标准7、医用氧舱检验收费标准(1)现场安装质量监督检验费每台按工程总造价的1%计收;(2)一年期定期检验按舱容人数(n),100(9+ n)元/台收取;(3)三年期检验,配套压力容器按压力容器收费标准执行。
8、气瓶检验收费标准9、压力管道检验收费标准10、电梯检验收费标准11、起重机械检验收费标准12、厂内机动车辆检验收费标准13、客运架空索道检验收费标准(1)单线固定抱索器监督检验5000元/台;(2)单线固定抱索器定期检验按监督检验的50%收取;注:改造、重大维修后的检验按相应类别的检验标准收取。
14、游艺机及游乐设施检验收费标准15、无损探伤收费标准16、理化金相试验收费标准文档来源为:从网络收集整理.word版本可编辑.欢迎下载支持.1、本通知中特种设备指《中华人民共和国特种设备安全法》和《特种设备安全监察条例》中所指涉及生命安全、危险性较大的锅炉、压力容器(含气瓶)、压力管道、电梯、起重机械、客运索道、大型游乐设施、场(厂)内专用机动车辆。
2、特种设备现场安装、组装监督检验分段验收的,安装竣工后的验收不另行收费。
3、检验现场的准备与清理及无损探伤表面的清理工作的费用由受检单位支付。
4、凡使用受检验单位工具、设施、设备进行检验、检测、试验的,收费减半。
5、特种设备检验机构在单程200公里以外检验时发生的差旅费按财政部门规定的现行差旅费标准由受检单位支付。
注:1、D 为锅炉蒸发量(小型和常压热水锅炉也按蒸发量折算)。
2、热水锅炉以每 0 。
7 兆瓦(60×104卡/时)折算为蒸发量 1 吨/时。
3 、 锅炉整机指不包括鼓、引风机、给水泵、除尘器以及水处理设备。
4 、 销售价含材料费和安全附件。
收费标准(元/台) 按产品销售价 1.0% 按产品销售价 1.2% 按产品销售价 1.4%汽(火)车槽车 按产品销售价 1 。
5%注: 1、容器类别按《压力容器安全技术监察规程》规定进行分类。
一、二、三类压力容器产品销售价含材料费和安全附件,不包括填充物料.2、汽(火)车槽车、按罐体(含安全附件)的销售价计算收费。
3、散装、组装大型容器(包括球罐)的现场监检,按设备总价的1.5%或者安装工程总费用的 3%收取。
4、不锈钢及有色金属容器制作的设备按上述标准的50%收取。
5、医用氧舱安装监检费按产品销售安装价的 1 。
5%收取。
1、凡新、改、扩建压力管道的安装监检,按其工程总造价(含材料费)的 2~3%收取。
(1)、工程总造价在 100 万元以下(含 100 万元),按 3%收取,且不低于 1000 元。
(2)、工程总造价在 100 万元至 300 万元(含 300 万元),按 2.5 %收取。
(3)、工程总造价在 300 万以上,按 2 %收取。
2 、压力管道元件制作按其销售价收取, A 、B 级分别收取 3%和 4%。
注:各类钢瓶、实行批量性监督检验时,按该批产品总数销售价计收.收费标准(元/只) 按产品销售价 0.8% 按产品销售价 0 。
6% 按产品销售价 0 。
7%气瓶类别 焊接、无缝钢瓶 液化石油气钢瓶 溶解乙炔气钢瓶收费标准(元/台)按锅炉整机销售价 1 。
4%按锅炉整机销售价 1 。
2% 按锅炉整机销售价 1 。
0%锅炉蒸发量(吨/时)D ≤1 1<D ≤4 D >4备注 每台至少 60 元 每台至少 100 元 每台至少 150 元产品名称 一类压力容器 二类压力容器 三类压力容器注:安装(含修理改造)工程费为安装合同确定的总费用(含材料费)。
附件:特种设备检验收费项目和标准第一部分承压类特种设备检验收费标准一、锅炉检验收费标准(二)工业锅炉安装过程、改造过程、重大维修监督检验收费标准单位:元/台(三)电站锅炉安装过程、改造过程、重大维修监督检验收费标准单位:元/吨(三)锅炉定期检验收费标准1、工业锅炉检验收费标准2、电站锅炉检验收费标准单位:元/吨(一)压力容器1、压力容器产品制造过程监督检验收费标准一、二、三类压力容器定期检验超高压容器定期检验收费标准(二)医用氧舱医用氧舱定期检验及安装监检收费标准单位:元/台(三)汽车罐车、铁路罐车检验收费标准三、压力管道检验收费标准(一)压力管道元件制造质量监督检验收费标准压力管道元件制造质量监督检验收费按受检产品设备价的1.0%收取。
(二)钢制压力管道安装过程监督检验及全面检验收费标准单位:元/台五、设计技术资料审查收费标准第二部分机电类特种设备检验收费项目和标准一、电梯类收费标准(二)监督检验收费标准精选范本二、起重机械检验收费标准(一)起重机械定期检验及验收检验精选范本精选范本2、臂架起重机定期检验精选范本精选范本(二)起重机械监督检验收费标准三、厂(场)内机动车辆类收费标准(一)定期检验(二)验收检验四、大型游乐设施类收费标准(二)游乐设施监督检验收费标准第三部分其他检验收费项目和标准一、各类气瓶检验收费标准二、锅炉水质分析项目收费标准三、有机热载体炉介质检验收费标准四、安全阀离线校验收费标准3一、特种设备作业人员理论考试收费标准理论考试50元/人。
二、特种设备作业人员实践考试收费标准(一)特种设备安全管理实践考试(锅炉、压力容器、气瓶充装、压力管道、电梯、起重机械、厂内机动车、大型游乐设施):100元/人(二)电梯、起重机械安装维修实践考试:320元/人;(三)电梯、起重机械、场内机动车、大型游乐设施操作司机实践考试:100元/人(其中岸边集装箱起重机、轮胎式集装箱门式起重机、桥式抓斗式起重机、港口门座起重机、通用桥式起重机械司机操作考试200元/人);(四)锅炉、压力容器、气瓶充装、压力管道、水处理操作实践考试压力容器、气瓶充装、压力管道:100元/人;锅炉:180元/人;水处理:200元/人;电站锅炉:200元/人;(六)锅炉、压力容器、压力管道焊工实践考试碳钢250元/人、不锈钢600元/人,PE管热熔对焊接(BW-J-d)600元/人、PE管热熔对焊接(BW-J-D)1900元/人、PE管电熔承焊焊(EW-Z-C)750元/人。
附件河北省特种设备检验收费标准一、承压类(一)符号和系数说明A ——锅炉、压力容器产品监督检验特种设备总造价元(含增值税)。
对锅炉应扣除烟囱与电气部分,锅炉制造监检还应扣除送引风机。
W——额定功率千瓦(KW)Q——额定热功率兆瓦(MW)V——公积容积立方米(m3)D——额定蒸发量吨/小时(t/h)(1吨/小时等同于O.7MW)S——最大透照厚度毫米(mm)(二)收费项目及标准1.锅炉、压力容器产品监督检验2.压力管道安装监检收费当压力管道安装施工工程总造价≤5000万时按1%收取,当压力管道安装施工工程总造价>5000万时,超出部分按O.8%收取。
3.进口锅炉压力容器安全性能监督检验(1)进口锅炉压力容器安全性能检验:成批检验时按设备到岸价的1%,且每台设备不少于2000元;单台设备检验时,按该设备到岸价的2%,且不少于3000元;瓶类产品批量检验时,按总到岸价的l%,但每批不少于500元。
对于旧设备在上述基础上加收100%。
(2)进口锅炉压力容器如需赴制造国进行监造时,全部费用由报检单位负责。
(3)报检单位不能提供或合约中未规定进口锅炉压力容器的设计、制造、检验境外规范、标准时,加收20%的检验费。
(4)进口锅炉压力容器安全性能检验不合格,需对索赔后的设备进行检验时,按本条第l款另行收费;进口设备在国内修理后的检验按设备到岸价的0.5%收取费用,其他情况的检验由双方商定。
(5)随机文件翻译、检验现场的准备与清理工作(达到检验条件要求)由报检单位负责(含费用)。
4.锅炉设计文件鉴定、节能审查收费二、机电类(一)起重设备检验1.桥式、门式等起重机检验2.机械式停车设备检验3.塔式起重机检验元/台4.升降机检验(二)电梯检验(三)场(厂)内机动车辆检验(四)客运索道检验(五)大型游乐设施检验三、其他事项(一)远程收费标准。
对于外出检验单程超过15公里时,每超过10公里检验费加收5%,但最多不超过50%。
山东省特检院收费标准要点山东省特种设备检验研究院烟台分院收费标准明细表承压类焊工收费标准锅炉检验收费标准锅炉介质、离子交换树脂分析及水处理设备调试等收费标准各类气瓶定期检验收费标准压力容器产品安全质量监督检验收费标准注:(1)对一、二、三类压力容器若按标准计算收费不足50元,按50元收取监检费用。
(2)大型压力容器现场组装安全质量监督检验费按现场安装费总额的2%收取。
(3)压力管道检验收费:依据质检锅函[2007]17号文件,实行双方协议收费。
安全阀维修及校验收费标准注:1、本项的工作内容包括:解体、除锈垢、研磨阀芯、阀座、组装调试、定压铅封,如需做其他修理或更换部件另行收费,更换零部件费用,另行收费。
2、如需到现场校验,按上述标准1.5倍收费。
3、对接触有毒、易燃介质的安全阀,其收费按上表加收20-30%计费。
4、静重式安全阀每台60元。
在用液化气体槽(罐)车检验收费标准注:1、无损探伤项目按相应项目价格计算。
2、无损探伤打磨费另计。
3、安全阀、液面计、紧急切断装置及其它附件的修理、更换费用另计。
特种设备作业人员培训收费标准为了更好的贯彻落实国务院颁布的《特种设备安全监察条例》及国家质检总局下发的《特种设备作业人员监督管理办法》要求,提高从事特种设备安装、维修、保养、操作等作业人员及其相关管理人员的专业技术素质和安全操作技能,做到持证上岗,确保特种设备安全运行,保障人身和财产安全。
山东省特种设备检验研究院烟台分院以委托培训方式对全市范围内从事特种设备作业人员进行培训。
注:1.收取的培训费主要用于支付培训的办公经费、资料费、场地租金、教师授课费用、考试发证、实习实验、水电消耗、管理费、税金等。
相同作业种类内每增加一项,增项费用150元。
2.考试结束后,考试机构应当在20个工作日内将考试结果告知申请人,考试合格人员,发证部门应当在5个工作日内对考试机构报送材料的进行审查,对同意受理的,发证部门应当在20个工作日内完成审核批准手续。
附件2:内蒙古自治区承压类特种设备检验检测收费标准一、锅炉检验收费标准(一)锅炉产品安全性能监督检验收费标准注:(1)表中D为蒸汽锅炉额定蒸发量,单位t/h;(2)热水锅炉额定功率按0.7MW相当于蒸汽锅炉额定蒸发量1t/h计算;(3)单台锅炉监检费低于200元的按200元收取;(4)锅炉产品出厂价系指锅炉本体及其附属设备(包括炉排/布风板/燃烧器、送风机、引风机、平台扶梯、钢架、烟囱、水处理设备、除氧设备、补水泵、循环水泵、除尘设备等与安全有关的部件)的出厂价;(5)委托的产品监造参照本收费标准收取监造费。
(二)锅炉安装监督检验收费标准表2 锅炉安装监督检验收费标准注:(1)工程总造价为锅炉设备安装工程施工费(包括锅炉本体、基础、炉排/布风板/燃烧器、送风机、引风机、平台扶梯、钢架、烟囱、水处理设备、除氧设备、补水泵、循环水泵、除尘设备、压力管道、分汽缸/分、集水器等与安全有关部件的安装工程施工费、安装时购置的材料费及分包项目费);(2)散装锅炉安装检验收费按上表收费标准加收20%;(3)单台锅炉安装监检费低于200元的按200元收取;(4)委托的前期检验参照本收费标准及单项检验收费标准收取前期检验费。
(三)锅炉定期检验收费标准表3 锅炉定期检验收费标准注:(1)本表为工作压力小于或等于1.25MPa锅炉定期检验收费标准,工作压力大于1.25MPa且小于等于3.82MPa的锅炉定期检验收费按上述收费标准加收50%,大于3.82MPa且小于等于9.8MPa的锅炉定期检验收费按上述收费标准加收80%,大于9.8MPa的锅炉定期检验收费按上述收费标准加收120%;(2)每四台模块锅炉(D≤0.2)为一组,每组检验费按上表D<1收取;(3)锅炉化学清洗监督检验收费标准按内、外部检验费的80%收取;(4)水处理设备检验收费标准按公称直径φ≤700mm收取200元,Φ>700mm收取300元;(5)耐压试验由受检单位提供试验设备、交通工具和操作人员时,按收费标准的30%收取;(6)检验时增加的规程、规范规定的必要时进行的无损检测、力学性能试验、化学成分分析、金相分析、安全附件校验、安全保护装置检测等项目,按相应项目的收费标准收取;(7)热水锅炉定期检验费按0.7MW相当于蒸汽锅炉1t/h定期检验费收取。
压力容器检验收费标准压力容器是一种用于存储或传递液体、气体或蒸汽的设备,通常用于工业生产过程中。
由于其特殊的工作环境和功能,压力容器的安全性和可靠性至关重要。
为了确保压力容器的安全运行,对其进行定期的检验是必不可少的。
而对于压力容器检验的收费标准,也是大家十分关注的问题。
下面,我们就来详细了解一下压力容器检验的收费标准。
首先,压力容器检验的收费标准是根据国家相关法律法规和标准制定的。
一般来说,压力容器检验的收费标准包括检验费、材料费、人工费等方面的费用。
其中,检验费是指对压力容器进行检验所需要支付的费用,包括检验设备的使用费、检验人员的工资以及相关的管理费用等。
材料费是指对于需要更换或者使用的检验材料所需要支付的费用,比如检验用的试剂、标准物质等。
人工费则是指对检验人员的工资费用。
其次,压力容器检验的收费标准还会受到一些其他因素的影响。
比如,压力容器的类型、容积大小、工作压力等因素都会对检验费用产生影响。
一般来说,对于容积较大、工作压力较高的压力容器,其检验费用会相对较高。
此外,不同的检验机构、地区也会对检验费用产生一定的影响,因此在选择检验机构时,也需要考虑其收费标准。
另外,压力容器检验的收费标准也会随着时间的推移而发生变化。
随着科技的发展和法律法规的更新,对于压力容器的检验标准也会不断进行修订和完善,因此检验费用也会有所调整。
因此,在进行压力容器检验时,需要及时了解最新的收费标准,以便做好相应的准备。
最后,作为压力容器的使用单位或者压力容器制造单位,应当对压力容器的检验费用保持足够的重视。
在进行压力容器检验时,不仅要选择有资质、信誉良好的检验机构,还要对检验费用进行合理的预算和安排,以保证压力容器的安全运行。
综上所述,压力容器检验的收费标准是一个十分重要的问题,对于保障压力容器的安全运行具有重要意义。
在进行压力容器检验时,需要根据国家相关法律法规和标准,选择合适的检验机构,并对检验费用进行合理的预算和安排,以确保压力容器的安全性和可靠性。
压力容器检验收费标准压力容器在工业生产中扮演着至关重要的角色,为了确保其安全运行,定期进行检验是必不可少的。
而检验收费标准则是关系到企业成本和检验机构服务质量的重要因素。
接下来,让我们详细了解一下压力容器检验收费的相关情况。
压力容器检验收费通常涵盖了多个方面的费用,包括检验人员的人工成本、检测设备的使用费用、报告出具的费用等等。
具体的收费标准会因地区、检验机构、压力容器的类型和规格等因素而有所不同。
一般来说,小型压力容器的检验费用相对较低,而大型、复杂的压力容器检验费用则会较高。
这是因为大型压力容器的检验需要更多的人力、物力和时间投入。
例如,一个简单的小型储气罐的检验费用可能在几百元到上千元不等;而一个大型的化工反应釜的检验费用可能会达到数万元甚至更高。
检验机构的资质和声誉也会对收费产生影响。
具有较高资质和良好声誉的检验机构,由于其技术水平和服务质量更有保障,收费可能会相对较高。
但这也意味着企业能够获得更可靠、更专业的检验服务。
在收费标准的制定过程中,还会考虑到检验项目的复杂程度。
常见的检验项目包括外观检查、无损检测(如射线探伤、超声波探伤、磁粉探伤等)、耐压试验、气密试验等。
不同的检验项目所需的技术和设备不同,因此收费也有所差异。
例如,射线探伤的费用通常会高于磁粉探伤,因为射线探伤需要更专业的设备和防护措施,而且对操作人员的技术要求也更高。
此外,检验的周期也会影响收费。
加急检验通常需要额外收取费用,因为这会打乱检验机构的正常工作安排,增加人力和资源的投入。
对于一些特殊类型的压力容器,如高温、高压、剧毒介质的容器,检验收费标准也会相应提高。
这是由于这类容器的检验风险较大,需要采用更先进的检测技术和更严格的检验标准。
在实际的检验过程中,企业还需要承担一些间接费用,比如为检验做准备工作所产生的费用,如容器的清洗、拆卸和安装等。
这些费用虽然不直接包含在检验收费中,但也是企业在进行压力容器检验时需要考虑的成本。
特种设备检验收费项⽬和标准附件:特种设备检验收费项⽬和标准第⼀部分承压类特种设备检验收费标准⼀、锅炉检验收费标准(⼀)⼯业锅炉产品制造过程监督检验收费标准(⼆)⼯业锅炉、电站锅炉安装过程、改造过程、重⼤维修监督检验收费标准(三)锅炉定期检验收费标准1、⼯业锅炉检验收费标准单位:2、电站锅炉检验收费标准单位:元⼆、压⼒容器检验收费标准(⼀)压⼒容器1、压⼒容器产品制造过程监督检验收费标准单位:2、压⼒容器安装过程、改造过程及重⼤维修监督检验收费标准单位:3、压⼒容器定期检验收费标准单位:(⼆)超⾼压容器检验收费标准1、超⾼压容器安装过程监督检验收费标准超⾼压容器安装过程监督检验收费按⼯程总造价的1.0%收取,超⾼压⽔晶釜安装过程监督检验费1500元/台。
2、超⾼压容器定期检验收费标准单位:(三)医⽤氧舱医⽤氧舱定期检验及安装监检收费标准单位:(四)汽车罐车、铁路罐车检验收费标准三、压⼒管道检验收费标准(⼀)压⼒管道元件制造质量监督检验收费标准压⼒管道元件制造质量监督检验收费按受检产品设备价的1.0%收取。
(⼆)钢制压⼒管道安装过程监督检验及定期检验收费标准单位:元/(三)PE管压⼒管道安装过程监督检验及定期检验收费标准四、进⼝承压类特种设备安全性能监督检验收费标准单位:元/五、设计技术资料审查收费标准第⼆部分机电类特种设备检验收费项⽬和标准⼀、电梯类收费标准(⼀)定期检验与验收检验(⼆)监督检验收费标准⼆、起重机械检验收费标准(⼀)起重机械定期检验及验收检验1、桥(门)式等起重机定期检验2、臂架起重机定期检验(⼆)起重机械监督检验收费标准三、⼚(场)内机动车辆类收费标准(⼀)定期检验(⼆)验收检验四、⼤型游乐设施类收费标准(⼀)定期检验(⼆)游乐设施监督检验收费标准第三部分其他检验收费项⽬和标准⼀、各类⽓瓶检验收费标准⼆、锅炉⽔质分析项⽬收费标准三、有机热载体炉介质检验收费标准单位:元/四、安全阀离线校验收费标准单位:元/五、⽆损检测和其他检测项⽬收费标准(现场检测)六、理化、⾦相试验收费标准七、汽车运输液体危险货物常压容器(罐体)检验收费标准3第四部分特种设备作业⼈员考试收费项⽬和标准⼀、特种设备作业⼈员理论考试收费标准理论考试50元/⼈。
附件:黑龙江省特种设备检验检测收费项目及收费标准一、特种设备监督检验(一)产品制造安全性能监督检验(无损检测费另计): 1、锅炉产品注:①锅炉产品制造安全性能监督检验收费按被检锅炉产品出厂价(不包括鼓、引风机、除尘器及给水设备价值)的百分比收费;若出厂价明显低于市场销售价的,按市场销售价的百分比收费。
②热水锅炉和有机热载体锅炉按0.7MW (60×104Kcal/h)折算为1吨/时,余热锅炉以受热面积每30m 2折算为1吨/时。
③每台锅炉最低收费不低于300元。
最高不超过450,000元。
④进出口锅炉按锅炉出厂价的1.2%收费。
2、压力容器产品 (1)固定式压力容器(2)移动式压力容器注:①被检压力容器产品(含搪玻璃、环氧树脂、橡胶衬里等容器)出厂价包括本体和安全附件的价格,气瓶包括瓶阀等附件的价格。
②一、二类压力容器最低收费为200元,三类压力容器最低收费为300元。
③被检产品如需要在安装现场组焊时,现场监检收费在原收费标准基础上,加收30%。
④特种气瓶指车用气瓶、低温绝热气瓶、纤维缠绕气瓶和非重复充装气瓶。
⑤医用氧舱的监检收费按一类容器收费标准执行。
⑥进出口压力容器按其出厂价的1.2%收费。
3、压力管道元件产品压力管道元件产品制造质量监督检验收费标准按被检验产品出厂价的0.8%收费。
4、机电类特种设备产品注:游乐设施销售价格超过500万元的,按产品销售价的0.4%收费。
(二)特种设备安装安全性能监督检验1、锅炉安装:注:①锅炉安装安全性能监督检验收费按安装锅炉设备(包括汽水、燃烧、烟风及除尘系统、炉墙砌筑及安全附件)及安装施工总造价乘以收费系数计算收费,且最少不低于500元。
②修理改造检验费按修理改造费用2%收费,且不低于300元。
2、压力容器安装按设备及安装施工总造价的1.3%计算收费。
一、二类压力容器维修改造收费按设备改造维修总造价的2%收费,且不低于300元。
三类压力容器维修改造收费按设备改造维修总造价的5%收费,且不低于500元。
钢制常压容器检测收费标准
一、储罐底板的声发射在线检测、漏磁扫描检测、罐体的宏观检查、沉降度测量、垂直度测量
二、储罐焊缝的无损检测
按照江苏省统一收费标准执行 苏价费【1996】106号,常用的检测方法收费如下:
1)磁粉检测:39元/米;2)渗透检测:40元/米;3)超声检测:30元/米;4)射线检测:50元/张;超声测厚:4元/点三、真空侧漏
1)内大角焊缝:80元/米;2)对接或搭接焊缝:40元/米。
每台1000元起
四、安装委托检验
按8元/立方米计算
五、总的检验费用
罐内及登高检验项目乘以系数1.1,总检验费用为各项检测、检验费用之和再乘以差旅系数(省内1.1,省外1.2)。