常压储罐年度检查内容
- 格式:doc
- 大小:12.50 KB
- 文档页数:2
注:年度检查工作完成后,检查人员根据实际检查情况按上表出具检查报告,对有危及储罐安全的情况应及时上报并采取措施,必要时,进行全面评价。
储罐基础年度检查项目表注:年度检查工作完成后,检查人员根据实际检查情况按上表出具检查报告,对有危及储罐安全的情况应及时上报并采取措施,必要时,进行全面评价。
6附录:常压储罐密封系统检査项目表所属机位:设备位号:检查报告编号!适用的储耀型式检晝内容结栗检査发现的问题问題处理与评价养注駁响不犬继续便用需修理或虫换宦期检顼fl 年ffi检査项II所有储罐设备运荷中圧西发生过趙温超储悄况是占储雒仆质是俗发生变化是占人孔、排河口、第-道法兰连接处足否存在泄漏外浮顶羅运行中浮盘是否出现过卡涩现象绘否档甬板是習缺拥、变形是香冷则浮盘顶部的介质含輦是否超标(根辦储隽咲际怙呪幵痕)是杏橡胶遵是杏力在麻坑*械帳、聂胀,鮫介质浸湃怙况;弹性填充物是否存在变形先弹的惜况是否橡胶板是骨存住裂綴、破损、榊皱、堆积零悄况内/外浮顶储縫内哦是否杼在毛剌、欠角等障硏物是否橡胶換和Mi壓Z间杲否星巒貼件无町见缝晾£否橡胶板与罐壁的巒封情况.蠻求樣胶板与iS壁的接触検度不得小于礴体圆周怏的90%.最大的不接触fuj隙不得超过6mm.M否椅責及评价结论□允许运疔□监督运行□牺停运行□停止运行检杳人;审核人「椅査口期】附录1阴极保护系统年度检查表附录2阴极保护定期检验与评价表所属单位:—检测单位:__________________________6 附录:2:定期检验-宏观检查记录表附录附录4:定期检验-涂料电阻率检测记录附录:定期检验防腐涂层漏点检测记录附录1:呼吸阀在线检查项目表审核人: 检查人: 检验日期:附录2:呼吸阀定期检验项目表审核人: 检验人: 检验日期:5附录:仪表系统定期检验项目表检查人:检查时间:注:1、运行保障中心负责填写。
2、检查内容:引下线是否发生断裂、损伤、脱焊、锈蚀、松动。
一、年度检测计划1.定期检查:每年至少进行一次定期检查,包括外观检查和内部检查。
外观检查主要是检查储罐外壁的腐蚀、漏油等情况;内部检查主要是通过开启检查孔,检查储罐内部的液位、液体渗漏、气体分析等情况。
2.地基检查:定期对储罐的地基进行检查,包括地基沉降、地基稳定性等情况。
3.安全阀检查:检查安全阀的工作状态和压力调整情况,确保其正常工作。
4.泄漏检查:检查储罐的密封性能,防止泄漏发生。
5.阀门检查:检查储罐的进出口阀门的密封性能,确保其正常开启和关闭。
6.涂层检查:检查储罐内部和外部的涂层状况,有无腐蚀、开裂等情况。
7.管道检查:检查储罐与管道的连接情况,有无渗漏、松散等情况。
8.环境检查:检查储罐周围环境是否符合安全要求,有无易燃、易爆等物质的存在。
以上是常压储罐的年度检测计划的主要内容,每年均需按照上述计划进行检测,并及时记录检测结果和处理情况,以便进行后续的维护工作。
二、维修计划1.紧急维修:对于重要部件的故障或损坏,应立即进行紧急维修,确保储罐的正常运行。
2.定期维护:定期对储罐进行维护,包括清洗、涂层修补、密封件更换等工作,确保储罐的正常使用。
维护工作的时间间隔应根据储罐的使用情况和检测结果来确定。
3.检修计划:定期对储罐进行全面的检修,包括拆卸部件、更换老化的部件、修补受损的部件等工作。
检修计划的时间间隔应根据储罐的使用情况和检测结果来确定。
4.检修记录:对每次维修和检修都应进行详细的记录,包括维修的内容、时间、人员等。
这些记录对于后续的维护工作和故障排查都具有重要的参考价值。
以上是常压储罐的维修计划的主要内容,每年均需按照上述计划进行维修,并及时记录维修结果和处理情况,以便进行后续的防腐工作。
1.表面防腐:定期对储罐外表面进行防腐处理,包括腐蚀层的清除、涂层的修补等工作。
防腐处理的材料和方法应根据储罐的材质和使用环境来确定。
2.内部防腐:定期对储罐内部进行防腐处理,包括清洗、喷涂防腐涂层等工作。
常压储罐定期检验及结果评价1范围1.1 本标准规定了钢制焊接常压储罐的定期检验和结果评价的要求。
1.2 本标准适用于储存石油、石化产品及其他类似液体的常压立式圆筒形钢制焊接储罐罐体及其基础的定期检验,包括年度检验和全面检验。
1.3其它常压或低压(工作压力小于0.1Mpa)储罐的定期检验可参照本标准执行。
2规范性引用文件下列文件对于本文件的应用是必不可少的。
凡是注日期的引用文件,仅注日期的版本适应于本文件。
凡是不注日期的引用文件,其最新版本(包括所有的修改单)适应于本文件。
SHS 01012 常压立式圆筒形钢制焊接储罐维护检修规程SY/T 5921 立式圆筒形钢制焊接原油罐修理规程JB/T 10764 无损检测常压金属储罐底板声发射检测及其评价JB/T 10765 无损检测常压金属储罐底板漏磁检测方法JB/T 4730 承压设备无损检测3 一般要求3.1年度检验,是指为了确保常压储罐罐体在检验周期内的安全而实施的运行过程中的在线检查,每年至少一次。
常压储罐罐体的年度检验可以由设备管理人员进行,也可以由检验检测机构(以下简称检验机构)的专业检验人员进行。
3. 2全面检验,是按一定的检验周期对常压储罐进行的较为全面的检验。
对于常压储罐全面检验,检验单位应当根据常压储罐的使用情况、失效模式选择检验方法,检验方法可采用在线检验方法或停工检验方法,对于储罐群或罐区内的储罐,其定期检验还可采用基于风险的检验方法。
3.2.1在线检验是指常压储罐在运行过程中的检验。
储罐顶板和壁板的在线检验是指从储罐外侧进行的宏观检查、腐蚀状况检测和焊缝无损检测等,其检测结果评价方法与停工检验相同。
储罐底板的在线检验是指底板的腐蚀状况检测,检测方法执行JB/T 10764-2007《无损检测常压金属储罐底板声发射检测及其评价》,检测结果评价方法执行本标准第6章有关条款规定。
3.2.2停工检验是指常压储罐停工清罐时的检验,其检验结果评价方法执行本标准第6章有关条款规定。
常压储罐定期检验及结果评价1范围1.1 本标准规定了钢制焊接常压储罐的定期检验和结果评价的要求。
1.2 本标准适用于储存石油、石化产品及其他类似液体的常压立式圆筒形钢制焊接储罐罐体及其基础的定期检验,包括年度检验和全面检验。
1.3其它常压或低压(工作压力小于0.1Mpa)储罐的定期检验可参照本标准执行。
2规范性引用文件下列文件对于本文件的应用是必不可少的。
凡是注日期的引用文件,仅注日期的版本适应于本文件。
凡是不注日期的引用文件,其最新版本(包括所有的修改单)适应于本文件。
SHS 01012 常压立式圆筒形钢制焊接储罐维护检修规程SY/T 5921 立式圆筒形钢制焊接原油罐修理规程JB/T 10764 无损检测常压金属储罐底板声发射检测及其评价JB/T 10765 无损检测常压金属储罐底板漏磁检测方法JB/T 4730 承压设备无损检测3 一般要求3.1年度检验,是指为了确保常压储罐罐体在检验周期内的安全而实施的运行过程中的在线检查,每年至少一次。
常压储罐罐体的年度检验可以由设备管理人员进行,也可以由检验检测机构(以下简称检验机构)的专业检验人员进行。
3. 2全面检验,是按一定的检验周期对常压储罐进行的较为全面的检验。
对于常压储罐全面检验,检验单位应当根据常压储罐的使用情况、失效模式选择检验方法,检验方法可采用在线检验方法或停工检验方法,对于储罐群或罐区内的储罐,其定期检验还可采用基于风险的检验方法。
3.2.1在线检验是指常压储罐在运行过程中的检验。
储罐顶板和壁板的在线检验是指从储罐外侧进行的宏观检查、腐蚀状况检测和焊缝无损检测等,其检测结果评价方法与停工检验相同。
储罐底板的在线检验是指底板的腐蚀状况检测,检测方法执行JB/T 10764-2007《无损检测常压金属储罐底板声发射检测及其评价》,检测结果评价方法执行本标准第6章有关条款规定。
3.2.2停工检验是指常压储罐停工清罐时的检验,其检验结果评价方法执行本标准第6章有关条款规定。
常压金属储罐管理规定第一章总则第一条为加强常压金属储罐设备的管理工作,依据国家相关法律、法规和《炼油化工企业设备管理制度》,制定本规定。
第二条本规定适用于炼油与化工分公司归口管理的炼化企业的常压金属储罐设备及所属部件的设计、选型、采购、制造、安装、使用、检验、修理、改造、更新、报废等方面的管理工作。
第三条本规定是对常压金属储罐设备管理的基本要求,各企业在生产、技术引进与开发,新、改、扩建项目和设备管理中,必须严格执行国家有关法律、法规及本规定。
第二章管理职责第四条炼油与化工分公司按照《炼化企业设备管理制度》的规定,依据其职责,全面管理各地区公司常压金属储罐设备工作,指导各地区公司不断改进和加强常压金属储罐设备管理工作,提高常压金属储罐设备技术和管理水平。
第五条各地区公司应建立健全常压金属储罐设备管理体系,明确各级、各部门、各单位的职责,保证常压金属储罐设备全过程管理的落实。
各地区公司设备管理部门是常压金属储罐设备的主管部门,负责常压金属储罐设备全过程管理,应设专(兼)职技术人员负责常压金属储罐设备的管理工作。
第六条设备主管部门主要职责:(一)贯彻执行常压金属储罐设备有关的法律、法规及本规定。
(二)制定常压金属储罐设备的安全管理规章制度,参与审查工艺操作规程和岗位操作规程。
(三)组织或参与常压金属储罐设备的设计、选型、采购、安装、使用、检验、修理、改造的全过程管理。
(四)组织生产装置建立常压金属储罐设备台账,完善相关常压金属储罐设备的资料。
检修、改造后及时整理归档,实行动态管理。
(五)根据实际检验周期编制检验计划,确定检验单位并组织实施。
(六)参与常压金属储罐设备管理人员和操作人员的培训和管理工作;(七)组织或参与常压金属储罐设备失效原因的调查、分析和处理。
1(八)组织或参与常压金属储罐设备事故应急预案的编制及演练工作;(九)推广应用新工艺、新技术、新设备、新材料,不断提高常压金属储罐设备的技术装备与管理水平(十)负责常压金属储罐设备管理工作的检查与考核。
常压储罐年终总结1. 前言常压储罐是一种用于存储和运输液体或气体的设备,广泛应用于石油、化工、医药等行业。
本文将对常压储罐的年终工作进行总结,包括工作亮点、遇到的问题及解决方案、改进措施等内容。
2. 工作亮点在过去的一年中,我们的团队在常压储罐的设计、制造和维护方面取得了一些重要的亮点。
以下是其中的几个方面:2.1 技术创新我们引入了一些新的技术和工艺,提高了常压储罐的性能和安全性。
例如,我们使用了新型的防腐材料,延长了储罐的使用寿命;采用了先进的自动化控制系统,提高了储罐的操作效率。
2.2 质量管控我们注重质量管控,严格遵守相关的标准和规范。
通过严格的质量检查和测试,确保了每个常压储罐的质量和可靠性。
我们的产品经过了多次严苛的实验和现场测试,得到了用户的高度评价。
2.3 优质服务我们始终将客户的需求放在首位,提供了优质的售前咨询和售后服务。
在常压储罐的安装调试和日常维护过程中,我们积极与客户沟通,解决了各种问题,使客户对我们的产品和服务充满信心。
3. 遇到的问题及解决方案在工作中,我们也遇到了一些问题,但通过团队的努力和合作,我们成功地找到了解决方案,保证了工作的顺利进行。
3.1 设计优化问题在常压储罐的设计过程中,我们面临着一些设计优化的问题。
通过与设计师和工程师的深入讨论和研究,我们成功地解决了这些问题,并对设计方案进行了优化和改进。
3.2 安全隐患问题常压储罐作为储存液体或气体的设备,安全隐患是我们必须重视和解决的问题。
我们加强了安全培训和意识教育,完善了安全管理制度,提高了工作人员的安全意识和应急处理能力,有效地预防了安全事故的发生。
4. 改进措施为了进一步提高常压储罐的设计和制造水平,我们制定了一系列的改进措施,以适应市场的需求和客户的要求。
4.1 技术研发我们将加大对常压储罐相关技术的研发力度,引入更多的先进技术和工艺,提高储罐的性能和可靠性。
我们将与科研机构和高校合作,开展联合研究项目,不断推动常压储罐技术的创新和发展。
常压储罐管理制度公司安全环保管理部门应严格执行国家有关安全生产和环保法规,加强对储罐的安全监管和环境保护工作。
负责组织储罐的安全评估和风险评估,制定相应的应急预案和措施。
对储罐运行中发生的安全事故进行调查和处理,提出相应的改进措施。
同时,负责储罐周边环境的保护和治理工作,确保储罐运行对环境的影响最小化。
常压储罐是公司重要的设备之一,为了确保储罐的安全、稳定、长周期运行,公司制定了常压储罐管理制度。
该制度适用于容积100m3及以上的常压立式圆筒形钢制焊接储罐,其他金属储罐可参照执行。
各部门应加强储罐全员、全过程管理,积极采用国内外先进的设备管理方法和维修技术,不断提高储罐设备管理和维修技术水平。
储罐管理是保证公司安全生产的重要环节,各部门、各单位必须加强常压储罐的管理工作。
公司设备管理部是储罐的主管部门,负责储罐的全过程管理,包括设计、购置、安装、使用、维修、改造、更新和报废等各个环节。
生产管理部门应严格执行相关规定,确保储罐正常运行。
安全环保管理部门应加强对储罐的安全监管和环境保护工作。
为了达到储罐使用寿命长、维修费用低、综合效能高的目标,各部门应建立完善的常压储罐管理网络和管理责任制,全面履行管理职责。
同时,针对储罐运行中存在的问题,组织技术攻关,推广应用新技术、新工艺、新结构、新材料,不断提高储罐的技术管理水平。
公司将持续加强储罐管理工作,确保储罐的安全运行。
三)浮顶罐和内浮顶罐需要定期清扫,以清除油污、氧化铁等杂物。
四)储罐装有搅拌器或调合器时,必须在介质液位4米以上才能启动。
根据第二十五条规定,浮顶罐和内浮顶罐的最低液面不能低于工艺卡片规定的最低高度。
如果生产需要必须低于最低高度,生产管理部门需要书面提出工艺指标变更申请,并经设备、安全、技术等部门会签同意,报作业部技术副经理审批后才能执行。
第二十六条规定了储罐的日常巡检内容,包括观察液位、压力、温度是否正常,检查阀门是否完好,以及观察罐区内设施是否完好等。
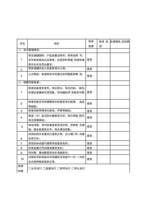
常压储罐年度检查内容一、罐体检查:检查罐顶和罐壁是否变形,有无严重的凹陷、鼓包、褶皱及渗漏穿孔。
二、罐顶、罐壁测厚检查:每年对储罐顶、壁进行一次测厚检查。
罐壁下部二圈板的每板板沿竖向至少测2点,其他圈板的测点可沿盘梯选择,每圈板至少选择1个测点。
测厚点宜固定,设有测量标志并编号。
三、配件、附件检查:检查进出口阀门、人孔、清扫孔等处的紧固件是否可靠:消防泡沫管是否有油气排出,端盖是否完好;储罐盘梯、平台、抗风圈、栏杆、踏步板的腐蚀程度;储罐照明设施的完好程度。
四、焊缝检查:用5-10倍的放大镜视察罐体焊缝,尤其要重点检查壁板与边缘板之间角焊缝及下部二圈板的纵、环焊缝及T形焊缝;注意检查进出口接管与罐体的连接焊缝有无渗漏和裂纹。
若边缘版已做防水处理,没有异常可不检查角焊缝。
五、浮顶检查:检查浮顶浮舱渗漏及其腐蚀程度,转动扶梯、导向装置是否灵活好用;密封系统、浮顶排水装置、量油管、导向管有无异常。
六、防腐、保温(冷)层及防水檐检查:检查罐体外部防腐层有无脱落、起皮等缺陷,保温(冷)及防水檐是否完好。
若发现保温(冷)层破损严重,应检查罐壁的腐蚀程度。
七、基础检查:检查储罐基础有无下沉,散水坡有无损坏,沥青封口是否完好。
八、防雷防静电电阻测试:每年在四月对储罐的接地设施进行测试,接地设施的接地电阻不能大于10欧。
对内浮顶罐要做好静电连接导线的检查,确保连接良好。
九、防火堤检查:检查防火提有无缺口、塌陷、裂缝,管线穿墙是否用非燃烧材料封实,隔油阀门是否完好,是否在常闭状态,防火提是否有油污污染的表土等。
十、外部检查有生产车间组织进行,至少每年检查一次,检查情况记录在年检记录上,年检查出的问题必须尽快整改,如因条件暂时不允许整改的,订有监控使用措施。
设备科2014-10。
常压储罐监测与维护的标准和方法常压储罐指的是在常温、常压下存储液体或气体的容器。
由于常压储罐在长期使用过程中可能出现安全隐患,因此需要进行监测和维护以确保使用安全。
本文将介绍常压储罐监测与维护的标准和方法。
一、常压储罐监测标准和方法1. 罐壁厚度监测监测常压储罐的罐壁厚度是确保容器结构安全的重要方法。
常压储罐的罐壁厚度监测可以通过超声波测量、磁粉探伤和射线探伤等非破坏性检测方法进行。
定期对罐壁进行检测,及时发现并修复存在的腐蚀、磨损和疲劳等问题。
2. 焊缝监测焊缝是常压储罐结构的关键部位,对其进行监测可以确保罐体的完整性和安全性。
常用的方法包括超声波测厚、涡流检测和射线探伤等技术,通过检测焊缝是否存在裂纹、气孔、夹渣等缺陷,及时采取修复措施。
3. 液面监测常压储罐中的液体储存量直接关系到设备的安全性,因此对液面进行实时监测是重要的。
可以使用液位计、浮子开关、压力传感器等装置实时监测液面的高度变化,一旦超出安全范围,及时采取应对措施,如加入或排出液体,以确保液位处于安全状态。
4. 环境监测常压储罐所处的环境条件对其运行和安全有重要影响,因此需要进行环境监测。
监测的指标包括温度、湿度、氧气含量等。
定期检测环境参数,及时采取保护措施如防腐、保温等,以延长储罐的使用寿命。
二、常压储罐维护标准和方法1. 清洁和涂覆常压储罐使用一段时间后,罐壁可能会积累污垢,造成腐蚀和疲劳等问题。
因此,定期对罐壁进行清洁和涂覆是常规维护措施之一。
清洁过程中要注意选择合适的清洁剂,避免对罐壁造成损害。
涂覆时要选择耐腐蚀的涂料,进行防护和修复。
2. 检修和维护附件常压储罐的附件包括阀门、管道、仪表等,这些设备的正常运行对储罐的安全和有效运行至关重要。
定期检修和维护附件,包括清洁、润滑和更换损坏的零部件等,以确保其正常运行。
3. 检查泄漏泄漏是常压储罐常见的安全隐患之一,因此需要定期进行泄漏检查。
检查包括检查阀门、管道和连接部位是否存在泄漏问题。
常压储罐的使用和维护管理制度第二十一条各部门储罐的使用和维护应按照《石油化工设备维护检修规程》中的《常压立式圆筒形钢制焊接储罐维护检修规程》(SHS01012-2004)的规定执行,加强对储罐使用和维护工作的管理,建立健全储罐操作、使用、维护规程和岗位责任制,并严格执行。
当储存介质或运行环境发生变化时,应对操作规程和岗位责任制及时进行修定。
第二十二条储罐的操作人员应通过技术培训,考核合格后方可上岗作。
重点做好以下工作。
(一)、现场工作人员应严格执行巡回检查制度,定时按巡回检查路线和标准对储罐进行检查,防止跑、混、冒顶和突沸等事故发生,认真填写运行、交接班等相关记录。
(二)、保持储罐及附件的完整、清洁,加强静密封点管理,努力降低泄漏率,做到文明生产。
(三)、严格执行储罐定期维护保养制度,加强日常检查,发现问题及时处理,提高储罐的完好水平。
封存、闲置储罐应按有关规定采取相应的保护措施,定期进行检查。
第二十三条储罐发生以下现象时,操作人员应按照操作规程采取紧急措施,并及时报告车间管理人员及作业部生产调度:(一)、浮顶、内浮顶罐的浮盘沉没,或转动扶梯错位、脱轨。
(二)、浮顶罐浮顶排水装置泄漏。
(三)、浮顶罐浮盘大量积液。
(四)、储罐基础信号孔或基础下部发现渗液。
(五)、液位自动报警系统失灵。
(六)、罐底翘起。
(七)、重质油罐突沸冒罐。
(八)、接管焊缝出现裂纹或阀门、紧固件损坏、难以保证安全生产。
(九)、罐体发生裂纹、泄漏、鼓包、凹陷等异常现象,危及安全生产。
(十)、发生火灾直接威胁储罐安全生产。
第二十四条储罐在操作过程中应注意的事项:(一)、储罐透光孔在生产过程中应关闭严密。
(二)、在检尺取样后应将量油孔盖盖严。
(三)、浮顶罐浮船上的油污、氧化铁等杂物应定期清扫。
(四)、装有搅拌器或调合器的储罐, 必须在介质液位4 米以上方可启动搅拌器或调合器。
第二十五条浮顶罐和内浮顶罐正常操作时,其最低液面不能低于工艺卡片规定的最低高度。
常压储罐检修规程1检修周期和检修内容中修:12个月大修24—36个月。
具体检修日期可根据监测状况和实际生产计划安排进行。
2检修内容2.1 中修2.1.1 消除跑、冒、滴、漏。
2.1.2 清洗或更换液位计。
2.1.3 修理或更换进、出口及排污阀门。
2.1.4 疏通清理冷却水盘管、蒸汽盘管。
2.1.5 清理罐内沉淀物、结晶物。
2.1.6 检查修理搅拌器。
2.1.7 检查修理安全阀、放空阻火器、防火呼吸器。
2.1.8 检查修理险雷和防静电装置。
2.1.9 修补防腐层和绝热层。
对外部检查中发现的其他问题进行处理。
2.2 大修2.2.1 包括中修项目。
2.2.2 修理贮罐内件。
2.2.3 对发现有裂纹、严重腐蚀等部位,相应修补或更换筒节。
2.2.4 根据内外部检验的要求,以及经过修补或更换筒节后,进行试漏或液压试验。
2.2.5 全面除锈防腐、保温。
2.2.6 对贮罐内外部检验中发现的其他问题进行处理。
3 检修方法及质量标准3.1 贮罐修理的一般要求3.1.1 贮罐的修理,如开孔、焊补、更换筒节等,应根据《钢制化工容器设计技术规定》(CDl30A)和《钢制焊接常压容器技术条件》(JB2880)及其他有关标准、规范制定具体施工方案并经单位技术负责人批准。
3.1.2修理所用的材料(母材、焊条、焊丝、焊剂等)和阀门,应具有质量证明书并复验合格。
利用旧的材料、阀门、紧固件时,必须检验合格后方可使用。
3.1.3装配贮罐的紧固件应涂润滑材料。
紧螺栓时,应按对角依次拧紧。
3.1.4非金属垫片一般不得重复使用。
选用垫片时,应考虑介质的腐蚀性。
3.1.5贮罐修理经检验合格后,方可进行防腐保温工作。
3.2在用贮罐存在不合格缺陷的修复方法及质量标准3.2.1打磨法消除缺陷3.2.1.1贮罐焊处和母材表面或近表面的缺陷,采取打磨方法消除后,若剩余的最小壁厚仍大于,只要进行圆滑过渡(坡度1:4),一般可以不必焊补。
3.2.1.2贮罐简体不包括腐蚀裕量的最小厚度6mm按下列方法确定(不包括球形贮罐):a.对于碳素钢和低合金钢贮罐:当内经Di≤3800mm时,δmin=2Di/1000 mm, 且不小于3mm;当内经Di>3800mm时,δmin=Di/1000+4 mm。
常压罐整治总结第1篇通过专项整治,建立健全建材产品质量监管体系,加强建材生产企业的质量监管,督促企业认真履行建材产品质量的主体责任,强化行业自律。
严厉打击以假充真、以次充好、以不合格产品冒充合格产品的违法行为,切实维护消费者合法权益。
确保我县“安居工程”、“新农村建设”等建筑工程质量,促进我县经济又好又快地发展。
(一)开展预应力混凝土空心板、砖等生产加工企业全面检查。
对本辖区内的所有预应力混凝土空心板、砖等建材产品生产企业进行一次全面整治,检查重点为以下四个方面内容:一查企业原辅料进厂把关。
重点检查企业加工原辅料进厂是否进行登记,查验相关合格证明(钢筋、水泥等主要原材料必须具备生产许可证、检验报告)、主要原料是否建立进厂检验制度;二查生产条件。
重点检查企业是否应当具备相应的检验能力和条件,满足质量检验要求。
企业是否按标准组织生产,是否建立了生产记录台帐;三查产品出厂。
重点检查企业产品是否经检验合格出厂,产品标识是否符合有关要求,是否建立销售台帐;四查企业技术资料。
产品标准是否齐全,是否具备合格的产品质量检验报告等。
(二)开展预应力混凝土空心板、砖等产品监督抽样检查。
1、检查时间:20xxx年7月15日——10月30日。
2、抽样要求:一是监督抽样一律凭本文件、质量技术监督抽样单实施抽样,所抽样品按《省实施_产品质量法办法》第七条执行,由受检单位提供。
抽样人员不得少于2人,抽样单必须逐项准确清晰填写,由抽样单位和被抽样单位双方签字,并加盖公章。
二是各有关企业应积极配合检查工作,任何单位和个人不得拒绝检查,对拒绝检查的将依据产品质量法有关规定进行查处。
3、检验费用专项监督检查的检验费用按《省物价局省财政厅关于制定我省产品质量监督检验收费标准及有关问题的通知》有关标准执行,由受检企业承担。
专项整治从20xx年7月15开始至10月底前完成。
分为三个阶段:质计所调查摸底,提供建材生产企业名单。
结合全县建材企业特点,质量监督科负责制定建材产品专项整治工作方案,明确目标、任务、重点、步骤和要求。
常压储罐年度检查内容
一、罐体检查:检查罐顶和罐壁是否变形,有无严重的凹陷、鼓包、褶皱及渗漏穿孔。
二、罐顶、罐壁测厚检查:每年对储罐顶、壁进行一次测厚检查。
罐壁下部二圈板的每板板沿竖向至少测2点,其他圈板的测点可沿盘梯选择,每圈板至少选择1个测点。
测厚点宜固定,设有测量标志并编号。
三、配件、附件检查:检查进出口阀门、人孔、清扫孔等处的紧固件是否可靠:消防泡沫管是否有油气排出,端盖是否完好;储罐盘梯、平台、抗风圈、栏杆、踏步板的腐蚀程度;储罐照明设施的完好程度。
四、焊缝检查:用5-10倍的放大镜视察罐体焊缝,尤其要重点检查壁板与边缘板之间角焊缝及下部二圈板的纵、环焊缝及T形焊缝;注意检查进出口接管与罐体的连接焊缝有无渗漏和裂纹。
若边缘版已做防水处理,没有异常可不检查角焊缝。
五、浮顶检查:检查浮顶浮舱渗漏及其腐蚀程度,转动扶梯、导向装置是否灵活好用;密封系统、浮顶排水装置、量油管、导向管有无异常。
六、防腐、保温(冷)层及防水檐检查:检查罐体外部防腐层有无脱落、起皮等缺陷,保温(冷)及防水檐是否完好。
若发现保温(冷)层破损严重,应检查罐壁的腐蚀程度。
七、基础检查:检查储罐基础有无下沉,散水坡有无损坏,沥青封口
是否完好。
八、防雷防静电电阻测试:每年在四月对储罐的接地设施进行测试,接地设施的接地电阻不能大于10欧。
对内浮顶罐要做好静电连接导线的检查,确保连接良好。
九、防火堤检查:检查防火提有无缺口、塌陷、裂缝,管线穿墙是否用非燃烧材料封实,隔油阀门是否完好,是否在常闭状态,防火提是否有油污污染的表土等。
十、外部检查有生产车间组织进行,至少每年检查一次,检查情况记录在年检记录上,年检查出的问题必须尽快整改,如因条件暂时不允许整改的,订有监控使用措施。
设备科
2014-10。