罐式集装箱的安全措施
- 格式:docx
- 大小:20.59 KB
- 文档页数:5
第一节总则一、为规范集装箱装卸作业的安全管理,使之有章可依,防止和减少安全生产事故发生,制定本规程。
二、集装箱装卸作业的所有工作人员必须遵守本规程。
第二节一般要求三、从事集装箱装卸作业的人员应接受专业技术培训,特别是安全操作规程和技能的培训,并应经考核合格。
四、安排合适数量的作业人员,作业人员必须穿戴好安全帽、救生衣等,作业前4小时不喝酒。
(改:严禁酒后上岗作业。
)五、作业前司机对桥吊、门机、龙吊等操作机械及钢丝绳、吊具等工索具进行例行检查,确保符合安全要求。
六、在作业前和作业中,装卸工对集装箱外形结构、可活动的零部件和箱上货物的栓固情况等进行检查,避免吊运时因为箱结构损坏、零部件跌落、货物栓固不牢引发各种意外。
七、卸船前装卸工先检查锁、销、链等各种集装箱捆绑加固工具是否完全拆除;留意箱体有无损坏(特别是箱顶)或漏水、漏油及异味等情况,如发现异常,要报告现场管理人员,不可擅自作业。
八、作业装卸人员应明确集装箱类型、载重和所载货物特性,采取以下相关措施:1、区分空箱和重箱;2、对箱上货物超长、超宽、超高的集装箱以及其他有特殊装卸要求的集装箱,要制定相应的装卸作业方案;3、危险货物集装箱应按有关规定或标准进行装卸和储存。
九、装卸工人应注意作业时的人身安全,根据作业环境采取安全措施:1、在指挥和配合机械作业时,注意作业机械的动态,站在安全、显眼的位置,当心、避让吊物;2、不可在作业区内休息、躺卧;3、与作业无关的人员和车辆不准进入作业区域;4、采取措施,尽量避免在箱顶、船舶船舷、船尾等危险位置上进行栓固件装拆作业,必要时可采用作业吊篮,作业人员在篮内进行装拆栓固件。
若受作业条件限制,应采取有效的防跌落措施和设施,其包括:(1)上下箱顶时不徒手攀爬登高,应使用安全的吊具、吊笼和其它登高设施;上“开顶箱”要注意安全,不要站在箱顶的帆布上,严防坠落。
(2)在箱顶使用敲杆拨动转锁,或在船舷、船尾进行装拆作业时,应使用安全带,并正确使用.4、人员和车辆不准在集装箱下方作业、停留和穿行。
罐式集装箱结构介绍
罐式集装箱,顾名思义,就是一种外形类似罐子的集装箱。
它是一种特殊的货物运输容器,通常用于运输液体、散装货物或粉状物料。
相比于普通集装箱,罐式集装箱具有独特的结构和特点,使其在特定领域内有着广泛的应用。
罐式集装箱通常采用圆筒形设计,能够有效减少货物在运输过程中的晃动和摇晃,确保货物的安全性。
同时,圆筒形设计也有利于提高集装箱的稳定性,减少货物在装卸过程中的损坏风险。
此外,罐式集装箱内部通常会配备专门的密封装置,确保液体或粉状货物不会泄漏,保证货物的完整性。
罐式集装箱的结构相对简单,通常由上下两个圆筒形部分组成,中间连接部分为梯形或矩形。
这种设计不仅易于制造和维护,还能够最大限度地利用空间,提高货物运输的效率。
另外,由于罐式集装箱的结构较为坚固,能够承受较大的压力,因此在运输危险品或易燃易爆物品时更加安全可靠。
除此之外,罐式集装箱通常会配备特殊的填充和排空装置,方便货物的装卸和运输。
填充装置通常位于集装箱的顶部,可以通过泵或管道将液体或粉状货物注入集装箱内;排空装置则位于集装箱的底部,可以将货物从集装箱内排出。
这种设计不仅能够减少人工操作,提高工作效率,还能够减少货物的损耗和浪费。
总的来说,罐式集装箱结构简单、稳定,具有良好的密封性和安全性,适用于液体、散装货物或粉状物料的运输。
在现代物流运输中,罐式集装箱已经成为不可或缺的重要工具,为各种行业的货物运输提供了便利和保障。
随着科技的不断发展和进步,相信罐式集装箱在未来会有更广泛的应用和更大的发展空间。
afety n ironment安全环保682023 / 08 中国石化燃油加油机超检定周期使用违反国家相关法律法规,预警系统的开发提前对管理人员进行提示,避免出现超检定周期。
数据自动采集,极大降低了数据录入出错概率,有利于加油机检定工作管理。
该系统可扩展至库站需要检定的其他安全数质量设备、计量器具检定管理,利用信息化、智能化手段实现送检预警、风险预警、数据上传、分类统计报表等功能,对各类计量器具检定、核查等进行大数据分析,形成直观趋势图,为安全数质量类设备计量器具质量评估、检定工作质量、管理效率提升提供可靠依据。
(作者单位:广西石油分公司)危险化学品槽罐车运输安全防范和应急处置□ 童建斌 孙志刚据网络信息显示,截至2021年下半年,我国从事危险化学品道路运输的企业达到1.3万家,危险化学品运输车辆超过57万辆,每年通过道路运输的危险化学品超过3亿吨,经济发达地区城市周边每日在道路上行驶的危险化学品运输车辆可达上万辆,这些流动的危险源一旦发生泄漏灾害事故,往往会造成爆炸燃烧、人员中毒、环境污染等严重后果。
综合国内外统计数据,危险化学品运输事故占到危险化学品事故总数的30%-40%。
危险化学品运输事故的危害危险化学品槽罐车主要用于运输液化石油气、成品油、保险粉等气、液、固体危险化学品。
按照车体槽罐的结构,主要分为:常压罐车,液化气体罐车,冷冻液化气体罐车,压缩气体罐车,罐式集装箱车。
如发生交通运输事故主要存在以下危害:燃爆性:危险化学品一般具有闪点低、爆炸极限范围宽、下限低的特点,运输中常以液态或气态带压液相储存,如发生泄漏,扩散迅速,与空气形成爆炸性混合物,遇火花、明火等即可引发火灾爆炸。
2012年10月6日,湖南怀化常吉高速地穆庵隧道口一辆液化石油气槽罐车侧翻,处置过程中突然泄漏并引发爆炸,造成3名消防人员殉职,2人受伤。
毒害性:压缩气体和液化气体均具窒息性,苯、酸类等具毒性或腐蚀性,这些物质运输途中发生道路事故,极易导致人员窒息、中毒、灼伤、烧伤,处置中如防护不当,可造成次生伤害。
集装箱、槽罐车装卸危险货物的安全要求装卸危险货物是一个高风险的任务,需要严格遵守安全要求。
在集装箱和槽罐车的装卸过程中,以下是一些常见的安全要求。
1. 人员培训:所有参与装卸危险货物的员工都应接受相关培训,包括危险货物的性质、潜在风险、安全操作规程和紧急情况处理等方面的知识。
员工应定期接受培训和复习,以保持对安全要求的理解和熟悉。
2. 个人防护装备:所有装卸危险货物的人员应佩戴适当的个人防护装备,包括安全帽、防护眼镜、防护面罩、防护手套和防滑鞋等。
这些装备的使用能够降低意外事故的风险,并保护员工免受危险物质的伤害。
3. 装卸区域安全:装卸危险货物的区域应设有明显的标识和警告标志,以提醒所有人员和外来访客注意周围环境的危险性。
区域内应保持整洁有序,以减少绊倒和滑倒的风险。
紧急出口和疏散通道应保持清晰和易于访问。
4. 装卸设备:使用的装卸设备必须经过定期检查和维护,确保其运行正常和安全可靠。
操作人员应熟悉设备的使用方法和安全操作规程,并保持设备的良好状态。
在使用装卸设备时,应遵循相关的操作和安全指南。
5. 货物包装:危险货物应按照相关法规正确包装和标记。
包装材料应足够强固,以防止泄漏或溢出。
标记和标签应明确显示货物的性质和危险特性,以便在装卸过程中做出适当的处理和防护措施。
6. 操作手册:装卸危险货物的地点应设有操作手册,详细描述各种货物的处理程序和安全要求。
操作手册应易于理解和访问,并且应根据需要进行更新。
7. 废物处理:在装卸过程中产生的废物和污染物应按照相关法规进行妥善处理。
废物应正确分类、封装和储存,并交由专业的废物处理公司处理。
8. 紧急应急处置:在装卸危险货物的过程中,可能会发生意外事故或紧急情况。
所有参与装卸的人员应熟悉应急处置计划和程序,并且能够迅速采取适当的措施以保护自己和他人的安全。
综上所述,装卸危险货物的安全要求十分重要。
通过员工培训、个人防护装备、装卸区域安全、装卸设备维护、货物包装和标记、操作手册、废物处理和紧急应急处置等措施的综合应用,可以最大程度地降低装卸危险货物时发生事故的风险,确保工作场所的安全和员工的身体健康。
国际标准罐式集装箱
国际标准罐式集装箱是一种用于运输液体、气体等货物的特殊集装箱,它具有
统一的尺寸和结构,便于各种交通工具的装卸和运输。
国际标准罐式集装箱通常用于运输化工品、食品、石油、液化气等液体货物,其设计和制造需要符合国际标准,以确保安全、高效的运输。
首先,国际标准罐式集装箱的尺寸一般为20英尺或40英尺,与普通集装箱相比,它的外形更加长而窄,这是为了适应液体货物的运输需求。
在设计上,国际标准罐式集装箱通常采用不锈钢或铝合金材料制造,以确保货物在运输过程中不受污染和腐蚀。
同时,它还配备有防漏装置和安全阀等设备,以确保货物的安全运输。
其次,国际标准罐式集装箱在运输过程中需要符合严格的安全标准和规定。
在
装载液体货物之前,必须对集装箱进行严格的清洗和消毒,以确保货物的卫生和安全。
在运输过程中,司机和装卸工人需要严格遵守操作规程,确保货物的安全装卸和运输。
此外,国际标准罐式集装箱还需要定期进行检验和维护,以确保其设备和结构的完好和稳定。
最后,国际标准罐式集装箱在全球范围内得到了广泛的应用和推广。
它不仅在
海运、铁路运输中得到了广泛应用,还在陆路运输和管道运输中发挥了重要作用。
在国际贸易中,国际标准罐式集装箱为液体货物的运输提供了便利和保障,为全球经济的发展做出了重要贡献。
总之,国际标准罐式集装箱作为一种专门用于液体货物运输的特殊集装箱,具
有统一的尺寸和结构,符合严格的安全标准和规定,在全球范围内得到了广泛的应用和推广。
它为液体货物的运输提供了便利和保障,为全球经济的发展做出了重要贡献。
危险货物集装箱堆场安全规范
通常包括以下几点:
1. 堆场布局规划:堆场应根据不同危险货物的性质和危险等级进行分类、分区和布置,确保危险货物之间的隔离,并设置合适的通道和消防通道。
2. 堆场围界设置:堆场应设立合适的围栏或墙壁,限定出入口,并配备门禁系统,确保非授权人员无法进入。
3. 安全标识标志:堆场内应设置明显的安全警示标志,包括化学品分类标志、危险品标志、紧急处理标志等,提醒工作人员和访客注意安全。
4. 防火措施:堆场应配备灭火器材,并设置灭火器的放置位置和紧急联络电话,保证能够及时有效地应对火灾事故。
5. 危险货物储存规范:根据危险货物的性质,堆场应设置专门的存放区域,确保不同危险品之间的隔离,并采取合适的储存方式,如储罐、储桶等。
6. 消防设施:堆场应配备灭火设备,如消防喷淋系统、水泡等,以便在火灾发生时迅速扑灭火势。
7. 人员培训和管理:堆场工作人员应接受相关的危险货物安全培训,了解危险品的特性和应急处理方法,并建立健全的危险品管理制度和安全操作规程。
8. 应急预案:堆场应建立完善的应急预案,包括火灾、泄漏、事故等各种应急情况的处理程序和责任分工,以确保能够及时、有效地应对突发事故。
9. 定期检查和维护:堆场应进行定期的安全检查,并及时修复破损的设施和设备,确保堆场的安全运营。
以上是危险货物集装箱堆场的一些安全规范,具体规定可能会根据不同地区和国家的法律法规有所不同,因此在实际操作中需要遵守当地的相关规定。
集装箱堆场的安全规定集装箱堆场针对不同的货物种类设定有不同的管理区域和措施。
一般集装箱在水里能保持____小时的水密,所以一般的风吹雨打是没有任何问题的。
首先,集装箱不怕雨淋,因为是密闭状态,除非箱顶有破损,所以在大多数集装箱港区和堆场有专门人员从事查看箱顶的工作。
其次,集装箱分重箱(有货物)和空箱(无货物)之分,一般来讲重箱最多只能堆到____只高,因此无需担心大风刮落。
而空箱可以堆到____只高,且没有货物,自重较轻,大风天气极有可能吹落,但是空箱往往百只以上堆在一起,以长方形密布紧挨在一起,相互作用力下形成一定的抗风力,只需简单采取外围固定即可。
还有,危险品集装箱必须堆存在危险品堆场,堆场有监控、喷淋、巡检等措施,危险品箱堆存规定不得超过____只高,且高危危险品不得堆在上层,因此不会倒地。
另外,危险品送入集装箱前必须加外包装,一般为密闭桶装后集中打包,再恶劣的天气也不怕损坏或泄漏。
而危险品集装罐(通常存储气态、液态等)外层充有惰性气体,更加安全。
对于特种箱比如危险品有专门的堆栈,危险品堆栈一般在特殊的仓库里里面有专用的消防、安全设备检测危险品货物。
在6级以下的风力的情况下,____个高-____个高的集装箱是不会被吹倒的,如有必要会在箱子底部安装底锁固定,在大风情况下比如台风来的时候就需要采取特别措施了,比如安装档风墙和设定固定锁保证安全。
主要包括以下几个方面:1. 堆放规定:集装箱堆放应符合安全稳定原则,禁止堆放不符合规格、破损、变形、失稳的集装箱;堆放高度不得超过规定的限制;堆放应保持一定的间隔,便于设备操作和消防通道的设置。
2. 集装箱标志:堆场内的集装箱应按照国际标准进行标识和标志,包括集装箱号码、尺寸、负荷等级以及堆场编号等。
3. 火灾预防:集装箱堆场应设置消防设施,包括消防水囊、消防栓、灭火器等。
同时,应定期进行消防器材的检查和维护,并定期组织消防演练。
4. 安全防护:堆场内应设置围栏和门禁系统,限制非堆场人员的进入,并且堆场内应设有监控摄像头,及时监控堆场内的情况。
LNG罐式集装箱水运风险识别及防控措施分析LNG罐式集装箱水运是指在集装箱中装载液化天然气(LNG)进行水上运输的一种方式。
由于LNG具有高压、易燃、易爆等特点,因此在进行LNG罐式集装箱水运时,存在一定的风险。
为了确保安全运输,必须对这些风险进行识别,并采取相应的防控措施。
LNG罐式集装箱水运存在的风险包括:1. 高压风险:LNG在液化状态下的压力很高,如果集装箱中的压力超过承受范围,就有可能发生爆炸。
如果在运输过程中发生泄漏,会导致内部压力迅速降低,可能引发爆炸。
2. 泄漏风险:LNG是一种易挥发的液体,如果发生泄漏,会导致LNG迅速蒸发产生大量的天然气。
LNG的低温还会引起周围物体的冻结和破裂。
3. 火灾风险:LNG是易燃物质,一旦发生火灾,火势很快会蔓延到集装箱内部,进一步引发爆炸。
为了防控这些风险,需要采取以下措施:1. 保持罐内压力稳定:通过罐内通风系统,监测和控制集装箱内部的压力,确保其在安全范围内。
2. 定期检查和维护:对LNG罐式集装箱进行定期的检查和维护,确保其密封性和机械性能,防止泄漏和破裂的发生。
3. 密封和绝热措施:加强集装箱的密封性能,防止LNG的泄漏和蒸发。
在集装箱内部设置绝热材料,降低温度变化引起的物体冻结和破裂。
4. 防火措施:安装火警报警系统和自动喷水系统,及时发现和扑灭火灾。
加强员工的消防培训,提高应对火灾的能力。
5. 充分准备应急方案:制定详细的应急预案,包括疏散和救援计划等。
还应进行演练,提高应急响应的效率和准确性。
LNG罐式集装箱水运具有一定的风险,但只要采取适当的防控措施,可以最大限度地降低这些风险。
通过加强安全管理和技术措施,确保LNG罐式集装箱水运的安全可靠性,保障人员生命财产的安全。
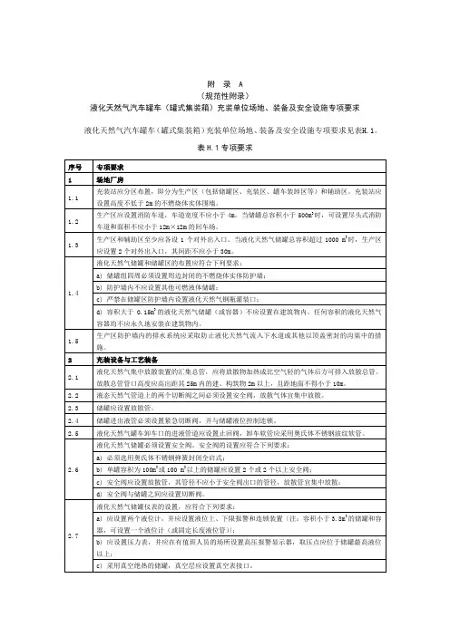
罐式集装箱专项安全技术要求
1 基本要求
(1)罐式集装箱的制造单位除按照市场监管总局的规定取得相应的特种设备制造许可资质外,对于参与海运、国际联运或者海关监管的罐式集装箱的制造单位还应当按照国务院交通运输行业监督管理部门的规定取得相应的产品制造许可资质;
(2)罐式集装箱的外廓尺寸、性能参数、结构强度、刚度等应当符合相关标准的规定。
2 设计
2.1 设计参数
2.1.1 充装液化天然气介质的罐式集装箱的真空绝热罐体,采用自增压卸液方式的,其内容器的设计压力一般不得大于1.0MPa。
2.1.2 道路罐箱罐体容积和长度尺寸限值
(1)道路罐箱的外廓长度尺寸不得大于13716mm,外廓高度尺寸不得大于2438mm;
(2)带绝热结构罐体的内容器内直径不得大于2200mm,其他罐体内直径不得大于2350mm。
2.2 结构设计。
罐式集装箱标准
罐式集装箱是一种用于运输液体、气体和散装货物的特殊集装箱,它具有密封性好、安全性高、运输效率高等特点,被广泛应用于海上、陆上和铁路运输领域。
为了确保罐式集装箱的安全运输和使用,国际上制定了一系列的标准和规范,以保证罐式集装箱的设计、制造、检验和运输过程中的安全性和可靠性。
首先,罐式集装箱的设计和制造需要符合相关的标准和规范。
这些标准包括罐式集装箱的结构强度、密封性能、防腐蚀措施、防爆措施等方面的要求。
设计和制造罐式集装箱的企业需要严格按照这些标准进行操作,确保罐式集装箱在使用过程中不会出现漏液、爆炸等安全问题。
其次,罐式集装箱的检验和维护也需要按照标准进行。
在罐式集装箱投入使用前,需要进行严格的检验,确保其符合相关标准要求。
在使用过程中,需要定期对罐式集装箱进行维护和检查,以确保其安全可靠地运输液体、气体和散装货物。
此外,罐式集装箱的运输和装卸也需要遵守相关的标准和规范。
在罐式集装箱的运输过程中,需要采取相应的安全措施,确保罐式集装箱在运输过程中不会发生倾覆、碰撞等意外情况。
在罐式集装箱的装卸过程中,也需要严格按照标准操作,以确保操作人员的安全和罐式集装箱的完好性。
总的来说,罐式集装箱标准的制定和执行,对于保障液体、气体和散装货物的安全运输起着至关重要的作用。
只有严格遵守相关标准和规范,才能确保罐式集装箱在运输和使用过程中不会出现安全问题,从而保障人们的生命财产安全和环境保护。
希望各相关企业和机构能够重视罐式集装箱标准的执行,共同为安全运输贡献力量。
罐式车安全管理制度第一章总则第一条为加强罐式车的安全管理工作,确保道路交通安全,保障人民生命财产安全,制定本制度。
第二条本制度适用于所有使用罐式车进行运输的单位及从业人员。
第三条罐式车指装有罐体的货车,主要用于运输液体、气体、粉体等货物。
第四条罐式车安全管理工作应当遵循“安全第一、预防为主、综合治理”的原则,不断提升安全管理水平。
第二章责任分工第五条罐式车的所有权单位应当明确责任部门,建立健全安全管理机构,配备专职安全管理人员,并制定罐式车安全管理制度。
第六条安全管理机构的主要职责包括负责罐式车的安全管理工作、制定、实施安全生产计划、监督检查罐式车的安全装备和设施等。
第七条使用罐式车进行运输的单位应当建立罐式车安全管理制度,明确安全管理责任人,配备专职安全管理人员,定期开展安全培训、演练。
第八条从业人员应当遵守交通法规和相关安全规定,加强自身安全意识,熟悉罐式车的驾驶技术和安全操作规程。
第九条罐式车的驾驶员应当具备相应的驾驶证件,定期进行体检和培训考核,保持良好的驾驶状态。
第三章安全管理措施第十条罐式车在行驶过程中应当定期检查安全装备和设施,确保完好有效。
第十一条罐式车应当配备防爆、泄漏报警、紧急刹车等安全设备,定期检测、维护。
第十二条罐式车在装载危险货物时,应当按照相关规定进行操作,遵守装卸货流程,确保安全。
第十三条罐式车应当定期进行安全演练,处理应急情况,提高处理能力和应变能力。
第十四条对于发生事故的罐式车,应当立即停止运输,进行安全检查,排除隐患,查明原因,并及时报告。
第十五条罐式车从业人员应当加强安全教育,定期开展安全培训,提高安全意识和应急处置能力。
第四章监督检查第十六条地方交通运输部门应当加强对罐式车的安全监管,定期检查罐式车的安全装备和设施的完好情况。
第十七条监管部门应当对从业人员进行定期考核,对安全管理工作进行评估,发现问题及时处理。
第十八条对于未按照规定进行安全管理的单位和个人,监管部门应当依法处罚,下达整改通知书。
集装箱船舶运输罐式危险品集装箱的安全管理近年来我国内贸集装箱运输发展迅速,所开创的海运罐式危险品集装箱运输,具有广阔的发展前景。
为保障罐式危险品集装箱运输安全,笔者依据国际危规和国家有关法规,结合集装箱船舶安全管理要求,编制了罐式危险品集装箱运输安全操作规定,并多次组织大型集装箱船舶批量载运罐式危险品集装箱,得到主管机关的认可。
本文介绍船舶运输罐式危险品集装箱安全管理操作的基本要点。
1 罐式危险品集装箱罐式集装箱是载运液体危险品货物、液化气体危险品货物、粉状和颗粒状介质危险品货物的专用集装箱。
2 危险品罐箱的载运原则和安全管理2.1 罐箱的积载2.1.1 所有罐箱,不论满箱或空箱、载运危险品或非危险品均应装载舱面,严禁装载于舱内。
2.1.2 所有承运的罐箱不论满箱或空箱、货物为危险品或非危险品,都必须具有托运人提供的货物名称、危险品级别、副标志、联合国编号、重量、生产地点以及出运港口、到达港口、目的地等详细信息。
2.1.3 危险品罐箱,不论满箱或空箱,均按照满箱状态时危险品对应等级进行处置。
除非空罐箱经过洗箱并由专业机构认定符合有关要求且能够达到非危险品状态时,方能作为普通罐式集装箱运输。
2.1.4 所承运的危险品罐箱箱体必须持有符合国家或主管机关认可的有效检验合格证明和相关单证。
2.1.5 集装箱海上运输经营部门应根据船舶航次具体货载及抵港卸箱、等待装船危险品罐箱数量,结合船存危险品货箱与其他预计装船危险品货箱的隔离要求,符合罐式危险品集装箱积载甲板舱面的要求,测算并确定船舶该航次所能装载危险品罐箱的计划数量,并委托相关代理向主管机关报批。
2.1.6 承运船舶大副应对配载计划进行核实,并报船长批准后实施装载。
2.1.7 为减少集装箱装箱、卸箱和运输过程中的意外,危险品罐箱仅积载于舱面上第一层,远离船员生活区并保持距船舶烟囱尽量远的安全距离。
2.2 危险品罐箱装船手续及危险品标识2.2.1 装港代理单位应严格执行装货港港口当局对危险品罐箱运输的有关规定,并按要求办妥相关申报的一切必要的手续。
第一章总则第一条为确保罐式集装箱在运输、装卸、储存等过程中的安全,防止事故发生,保障人员生命财产安全,特制定本制度。
第二条本制度适用于公司所有罐式集装箱的运输、装卸、储存、维护及管理工作。
第三条罐式集装箱安全管理工作遵循“预防为主、安全第一”的原则。
第二章组织与管理第四条公司设立安全管理部门,负责罐式集装箱安全管理制度的具体实施和监督检查。
第五条安全管理部门职责:1. 制定罐式集装箱安全管理制度,并监督执行;2. 对罐式集装箱进行定期检查,确保其符合安全标准;3. 对违反安全管理制度的行为进行纠正和处罚;4. 组织开展安全教育培训,提高员工安全意识;5. 定期向公司领导汇报罐式集装箱安全管理工作情况。
第六条各部门职责:1. 严格执行罐式集装箱安全管理制度,确保运输、装卸、储存等环节的安全;2. 配合安全管理部门开展安全检查和教育培训工作;3. 及时发现和报告安全隐患,确保及时整改。
第三章罐式集装箱安全管理要求第七条罐式集装箱应符合国家标准,具有相应的安全证书。
第八条罐式集装箱在运输、装卸、储存过程中,应遵循以下要求:1. 运输车辆应具备良好的制动性能和稳定性,驾驶员应持有相应资格;2. 装卸作业应遵守操作规程,确保作业安全;3. 储存场地应保持通风、干燥,远离火源、热源,防止罐体受热膨胀;4. 定期检查罐体密封性,确保无泄漏;5. 对罐式集装箱进行定期维护保养,确保设备正常运行。
第九条罐式集装箱发生事故或存在安全隐患时,应立即停止使用,并及时报告安全管理部门。
第四章培训与教育第十条公司应定期组织罐式集装箱安全教育培训,提高员工安全意识。
第十一条培训内容应包括:1. 罐式集装箱安全管理制度;2. 罐体结构、性能及操作规程;3. 事故预防及应急处置;4. 安全操作技能。
第五章监督与检查第十二条安全管理部门应定期对罐式集装箱进行监督检查,确保安全管理制度落实到位。
第十三条监督检查内容包括:1. 罐式集装箱是否符合安全标准;2. 运输、装卸、储存等环节是否安全;3. 员工是否具备安全操作技能。
罐式集装箱标准罐式集装箱是一种用于运输液体、气体和散装货物的特殊集装箱,它具有标准尺寸、结构和设计,以满足国际运输和贸易的需求。
罐式集装箱标准在国际贸易中起着至关重要的作用,它们为货物的安全运输和高效装卸提供了保障。
本文将介绍罐式集装箱标准的相关内容,包括尺寸标准、设计要求和使用注意事项。
首先,罐式集装箱的尺寸标准是按照国际标准组织的规定进行设计的。
一般来说,罐式集装箱的长度为20英尺或40英尺,宽度和高度也有相应的标准尺寸。
这些尺寸标准的制定是为了确保罐式集装箱可以与其他标准集装箱兼容,便于在不同的运输工具上进行装卸和运输。
此外,罐式集装箱的设计也需要符合国际运输危险品的规定,以确保液体和气体货物的安全运输。
其次,罐式集装箱的设计要求包括结构强度、密封性能和防腐蚀等方面。
在运输液体和气体货物时,罐式集装箱的结构必须具有足够的强度,以承受货物的重量和运输过程中的振动和冲击。
同时,罐式集装箱的密封性能也至关重要,它需要能够有效地防止液体和气体的泄漏,确保货物在运输过程中不会受到污染或损坏。
此外,罐式集装箱还需要具有良好的防腐蚀性能,以延长其使用寿命并确保货物的安全运输。
最后,使用罐式集装箱时需要注意一些事项。
首先,货物的装载和卸载必须按照相关规定进行,以确保操作安全和货物完整。
其次,运输液体和气体货物时需要特别注意罐式集装箱的密封性能,避免货物泄漏造成污染或危险。
最后,罐式集装箱的维护和保养也是非常重要的,定期检查和维修可以确保其使用性能和安全性。
总之,罐式集装箱标准在国际贸易中具有重要意义,它们为液体、气体和散装货物的运输提供了基本保障。
通过严格的尺寸标准、设计要求和使用注意事项,罐式集装箱可以确保货物的安全运输和高效装卸,促进国际贸易的发展和合作。
希望本文能够帮助大家更加了解罐式集装箱标准,并在实际运输中加以应用和遵守。
罐式集装箱检验安全须知罐式集装箱是国际贸易中常见的一种运输方式,但在使用时需要注意安全问题。
本文将介绍罐式集装箱检验时需要注意的安全事项。
一、概述罐式集装箱是一种密封的金属容器,用于运输化学品、液体、气体等物质。
罐式集装箱可以在陆地、海洋、铁路和空运中使用,适用范围广泛。
但是,由于其运输的物质大多为危险品,因此在使用过程中需要特别注意安全问题。
1.1 安全所在安全是罐式集装箱最重要的特征之一。
罐式集装箱在设计和生产时必须考虑多种安全因素,如抗压、抗震、耐腐蚀等,以确保运输期间的安全。
1.2 设计标准罐式集装箱设计必须符合国际标准,如微量吸收游离辐射标准(TIR)、联合国欧洲经济委员会的技术规定(UNECE)、国际海事组织的规则(IMO)等。
这些标准确保产品安全可靠,符合运输要求。
二、罐式集装箱检验安全须知在罐式集装箱检验时,为了确保人身安全和防止污染环境、物质泄漏等情况的发生,需要遵守以下安全须知。
2.1 事前准备在进行罐式集装箱检验之前,必须对检验现场进行安全评估,确定安全措施和必要的防护措施。
检验人员必须做好防护措施,如佩戴防护手套、鞋子、眼镜、呼吸器等。
2.2 检验过程进入罐式集装箱之前,必须关闭所有进出口。
在检查前应用闻嗅法大致判断货物是否泄漏,检查前可在罐式集装箱内点燃一根长木棍,并借助火焰判断内部是否有可燃气体或有毒气体。
在罐式集装箱内,检验人员必须佩戴防护手套、鞋子、眼镜、呼吸器等。
检验过程中不得吸烟、喝水、饮料,禁止食用,以免中毒或污染货物。
在接触货物时必须小心谨慎,不得碰触液体或进入装满货物的区域。
检验人员必须按照规定正确地使用检验工具,并注意避免工具与罐式集装箱表面摩擦。
2.3 操作安全在对罐式集装箱进行操作时,必须遵循正确的操作规程。
不可在罐式集装箱顶部进行操作,不要使用尖锐的工具对罐式集装箱上的液体或气体进行刺激或接触。
2.4 物品安全在罐式集装箱内不得携带危险品、易燃物、易爆物、异味物等,以免对检验过程造成危险和污染。
安全管理之罐式集装箱的安全措施罐式集装箱是一种主要用于运输液体、气体和其他危险品的专用集装箱。
由于运输的是危险品,因此在运输过程中必须采取安全措施来保障人身财产安全。
本文将介绍罐式集装箱的安全措施。
罐式集装箱应符合的标准•液体罐式集装箱应符合国家《液体罐式集装箱技术条件》标准。
•液体罐式集装箱应符合相关的国家法律法规。
•液体罐式集装箱设计应满足运输要求,具有良好的机械性能和稳定性。
•罐式集装箱内应有相应的标记和提示文字,以提醒运输人员注意安全。
罐式集装箱运输时的安全措施装货前的安全措施在装货前,需要进行仔细的检查和准备工作,以确保罐式集装箱的安全:•检查罐式集装箱的外观和内部结构是否完好。
•确认罐式集装箱上的阀门、管道、泄压装置、消防设施、减压阀等装置是否正常工作。
•确认罐式集装箱上的标记是否齐全和清晰。
装货时的安全措施在装货时,需要采取以下安全措施:•采用专业作业人员进行装卸作业,并使用合适的设备,防止装载和卸载过程中发生意外事故。
•严格控制装卸速度,以避免因卸货速度过快导致油管破裂、泄露等情况的发生。
•装卸前,需要关闭部分管道,避免运输物料的直接流入油罐,造成油罐压力急剧上升,导致油罐爆炸或泄漏。
运输中的安全措施在运输过程中,需要采取以下安全措施:•运输人员需要根据运输的物品特性和要求,合理安排车速、运行路线和行驶时间,以避免在运输过程中发生意外事故。
•运输人员需要随时检查罐式集装箱的阀门、管道、泄压装置、消防设施、减压阀等装置的正常工作情况,并根据需要进行调整和修理。
•运输人员应随时注意罐式集装箱内的液位和压力,避免因液位过高或压力异常导致安全事故。
•运输过程中需要定期检查罐式集装箱的上盖板、密封垫片等部件,是否处于良好的状态。
•在罐式集装箱运输过程中,应严格按照规定的安全标准和操作程序进行操作,确保运输安全。
卸货后的安全措施在卸货后,需要采取以下安全措施:•卸货后,需要重新检查罐式集装箱的外观和内部结构是否完好。
罐式集装箱的安全措施
在我国已经成为当前世界上造箱大国的今天,有的企业正在为开发特种集装箱如保温箱、罐式箱、平台箱和台架箱做探索工作。
在这些特种箱当中,涉及作业安全的突出者,莫过于罐式集装箱了。
鉴于罐式集装箱所装运货物的危险性,必须从标准制订、设计构思、工艺流程、制造品质和检验发证等各个方面严格要求,要有充分的技术措施以确保其作业的安全性。
按照国际海事组织IMO对罐式集装箱类别的划分如下:
IMO1型用于液态化学品的罐箱Pw≥1.75bar
IMO2型用于危险险性较低化学品1.0bar≤P<1.75bar
IMO5型用于其它危险性较低的化学品罐箱
IMO3型用于普通液态或气态罐车
IMO4型用于化学品的罐车
第 1 页
本文部分内容来自互联网,不为其真实性及所产生的后果负责,如有异议请联系我们及时删除。