扩底墩基础设计方法探讨
- 格式:doc
- 大小:150.50 KB
- 文档页数:5
桥墩扩大基础施工方案桥墩扩大基础施工方案一、工程概况本项目是对已建成的桥墩进行扩大基础施工,旨在增强桥墩的承载力和稳定性。
桥墩扩大基础施工是一个复杂的工程,在施工过程中需要考虑多种因素,包括土地条件、河流水位、交通安全等。
二、施工原理1.在现有桥墩的周围,使用挖掘机进行土方开挖,将土方开挖到指定的深度和面积。
2.根据需要,为新的桥墩基础添加适当的加固和增强措施,如钢筋等。
3.对现有桥墩进行扩大处理,通过专业的技术手段将桥墩扩大到预定尺寸。
4.在扩大基础的基础上,进行新的桥墩施工和连接,确保扩大后的桥墩与原有桥墩无缝衔接。
5.根据设计要求,对新的桥墩进行巩固和稳定处理。
三、施工步骤1. 桥墩周边的准备工作,包括清理工地、确保施工区域安全等。
2. 挖掘机进行土方开挖,将原有土方清理出来,至指定的深度和面积。
3. 根据设计要求,在桥墩周围的土方中加入适当的加固和增强措施,确保基础的稳定性。
4. 使用专业的技术手段对现有桥墩进行扩大处理,将桥墩扩大到预定尺寸。
5. 在扩大基础的基础上,进行新的桥墩施工和连接,确保扩大后的桥墩与原有桥墩无缝衔接。
6. 对新的桥墩进行巩固和稳定处理,包括加固桥墩结构、灌注混凝土等。
7. 施工结束后,进行验收,确保扩大基础施工满足设计要求和施工标准。
四、安全措施1.建立严格的施工安全管理制度,包括施工人员的专业培训、工地安全警示标语设置等。
2.合理安排施工时间,避免在河流水位较高或天气恶劣的情况下进行施工。
3.对施工现场进行监测,确保土方开挖和基础施工的稳定性。
4.施工现场设置警示标志,确保过往车辆和行人的安全。
5.使用专业的施工设备和工具,确保施工人员的安全。
五、施工周期桥墩扩大基础施工是一项复杂的工程,根据具体情况而定,一般需要几个月到一年的时间来完成。
通过以上方案,可以有效地对桥墩进行扩基施工,增强桥墩的承载力和稳定性,确保桥梁的安全使用。
在施工过程中,要严格按照设计要求和施工标准进行施工,同时加强施工安全管理,确保施工人员的安全。
人工挖孔扩底墩基础在建筑工程领域,基础的选择和设计至关重要,它直接关系到建筑物的稳定性和安全性。
人工挖孔扩底墩基础作为一种常见的基础形式,具有独特的特点和优势,在众多工程项目中得到了广泛的应用。
人工挖孔扩底墩基础,顾名思义,是通过人工挖掘的方式形成孔桩,并在底部进行扩大处理,以增加基础的承载能力。
这种基础形式通常适用于地质条件较好、地下水位较低的地区,对于一些中小型建筑物或者对基础承载要求较高的结构来说,是一种较为经济实用的选择。
从施工过程来看,人工挖孔扩底墩基础的施工相对较为简单。
首先,需要根据设计要求确定孔位,并在地面上进行标记。
然后,施工人员通过手动挖掘的方式,逐步向下掘进。
在挖掘过程中,要注意保持孔壁的稳定性,防止坍塌事故的发生。
为了达到这一目的,通常会采用混凝土护壁等措施。
当挖到设计深度后,再对孔底进行扩大处理,形成扩底部分。
最后,在孔内放置钢筋笼,并浇筑混凝土,完成基础的施工。
与其他基础形式相比,人工挖孔扩底墩基础具有许多显著的优点。
其一,它能够适应各种复杂的地质条件。
无论是土层、岩层还是土岩组合地层,都可以采用这种基础形式。
其二,施工过程中对周围环境的影响较小。
由于是人工挖掘,不需要大型机械设备,因此产生的噪音和振动都相对较小,对周边建筑物和居民的生活影响不大。
其三,施工质量易于控制。
施工人员可以直接观察到孔内的情况,及时发现问题并进行处理,从而保证基础的质量。
其四,成本相对较低。
相比一些大型基础施工方法,人工挖孔扩底墩基础不需要大量的机械设备和材料投入,能够有效降低工程造价。
然而,人工挖孔扩底墩基础的施工也并非毫无挑战。
在施工过程中,安全问题是最为关键的。
由于是在地下作业,存在着坍塌、中毒、触电等多种安全隐患。
因此,施工单位必须制定严格的安全管理制度,为施工人员配备必要的安全防护设备,并加强安全教育和培训。
同时,要做好通风、排水等工作,确保施工环境的安全。
在设计方面,人工挖孔扩底墩基础需要考虑众多因素。
桥梁工程中扩大基础施工技术探讨摘要:我国城市基础建设取得了很大发展,通过不断提升桥梁基础施工技术及质量管控办法,为以后的有关工程建设提供有力依据。
桥梁施工中由于外部环境及地质条件受限的情况下,应考虑扩大基础应用,本文对在工程项目中无法冲击成孔或爆破成孔,而采用扩大基础施工技术应用进行详细描述,以下内容供同行参考。
关键词:桥梁工程;扩大基础;施工技术1扩大基础施工技术阐述通常情况下,扩大基础施工技术在桥梁工程中,指的是能够承载重量的基础板受到上层建筑的承受力之后,在实际工程中,基础建设的方式明显的得到了扩充。
因此,面对这种情况就需要施工单位使用基础施工措施以及施工技术,对于具体的问题进行具体的分析,同时还需要施工单位在开展基坑方向、中心线以及高程的复合等各项工作的过程中,结合当地的水文特征、地质结构、施工单位的实际情况以及施工现场等进行各项工作的开挖设计。
因此,在施工单位确定要开展支护力案、开挖坡度以及防排水措施之前,需要做好对当地土质结构的研究,因此,才能实现对不同技术的开挖,确保工程项目在建设的过程中能够很好的应用到各项技术,从而也便于对扩大基础施工技术进行有效的管理。
2桥梁工程施工方法2.1前期准备基坑底部尺寸与设计平面相比每边都要加宽0.5m以上,便于进行支撑、排水及立模板建设,如果坑壁垂直没有积水,就无需进行加宽处理,可直接将坑壁当作基础模板。
2.2基坑开挖由于没有对坑壁位置进行支撑,黏土位于半干或硬塑状态,基坑顶端没有活动荷载能力,土质相对松散的基坑其坑深不能超过0.5米,土质密度一般的基坑深度不能超过1.25米,土质密实度强的基坑深度不能大于2.0米。
基坑深度在5米以内,土壤水分合理,可运用挖掘斜坡坑壁或以坡度比值为依据挖掘阶梯状坑壁,每级阶梯高度不宜超过0.75米,并可以将其作为人工运土台阶。
当基坑深度大于5米时,就要对坑壁坡度进行有效调节或增加平台数量。
如果土质温度对坑壁稳定性造成一定影响,就要运用符合这一湿度条件的天然坡度或加固坑壁。
扩底墩基础施工方案及工艺方法(一)施工工艺:放线定位及高程→开挖第一节墩孔土方→支护壁模板附加钢筋→浇注第一节护壁混凝土→检查墩位(中心)→轴线架设垂直运输架→安装卷扬机械木辗轴→安装吊桶,活动盖板、水泵等→开挖吊运第二节墩孔士方(修边)→第二节护壁模板(放附加钢筋)→浇注第二节护壁混凝土→检查墩位(中心)轴线→逐层往下循环作业→土质验收→开挖扩底部分→检查验收→浇注封底混凝土→吊放并校定钢筋笼,安放串桶和溜槽→浇注桩身混凝土。
(二)施工方案1、定位、放线方法:依据现场建筑轴线控制网和基础桩基平面布置图,确定好墩位中心,以桩基半径或桩基尺寸撒石灰线作为桩基开挖尺寸线,桩基线定好之后,必须经有关部门复查,办好预验手续后开挖。
2、挖土方方法:第一节护壁土方采用人工开挖从上至下逐层进行,先挖中间部分的土方,然后扩及周边,有效控制开挖截面尺寸,每节的高度应根据土质好坏及操作条件而定,一般以0.8~1.0m 为宜。
3、安装护壁钢筋、模板方法:桩基孔土方开挖符合要求后,应及时安装护壁钢筋,支护壁模板,防止孔壁塌方。
护壁模板采用薄钢(木)板、圆钢、角钢拼装焊接成弧形工具式内钢板,每节分节 4 块,采取拆上节支下节的方式重复周转使用,模板之间用卡具、扣件(木条、钉)连接固定。
为方便操作主设水平支撑,支护模板前应涂刷隔离剂。
第一节护壁以高出地坪150~200mm 为宜,便于挡土、挡水,桩位轴线和高程均应标定在第一节护壁上口,护壁厚度一般比下面井壁厚增加100~150mm。
4、浇筑护壁混凝土要求:护壁模板每支完一节检查符合要求后,应及时浇筑护壁混凝土,采用人工浇筑、人工捣实。
5、检查桩基中心、标高方法:每节的护壁做好以后,然后用十字线对中,吊线坠向井底投放,以半径尺寸检查孔壁的垂直平整度,随之进行修整,井深必须以基准点为依据,逐根进行引测,保证墩孔轴线位置,标高、截面尺寸满足设计要求。
6、安装垂直运输架方法:第一节墩孔成孔以后,在孔上口架设垂直运输支架,要求搭设稳定、牢固。
桥梁扩大根底工程施工方法探析桥梁扩大根底工程施工方法探析摘要:桥梁上部承受的各种荷载,通过桥台或桥墩传至根底,再由根底传给地基。
根底是桥梁下部结构的重要组成局部,因此,根底工程在桥梁结构物的设计与施工中,占有极为重要的地位,它对结构物的平安使用和工程造价有很大的影晌。
本论文主要介绍桥梁扩大根底施工方法,如定位放样、基坑开挖、基坑排水、基底处理以及浇筑根底结构物等施工工序。
关键词:桥梁根底;施工方法Abstract: The upper part of the bridge under various loads, to the base through the abutment or pier, then based on. Foundation is an important part of the lower part of the bridge structure, therefore, the design and construction of the bridge structure in foundation engineering, occupies a very important position, it to the structure safety and engineering cost has a great influence. This paper mainly introduces the bridge foundation construction method, such as construction layout, excavation, foundation pit drainage, substrate processing and laying foundation structures such as construction process.Key words: bridge foundation; construction method中图分类号:TU74一、根底的定位放样在基坑开挖前,先进行根底的定位放样工作,以便正确的将设计图上的根底位置准确的设置到桥址上。
浅谈建筑物人工挖孔扩底墩基础的施工桑梓榕一、前言人工挖孔扩底墩基础一般适用于浅部地基土质较差或原有建筑物影响、场地受到限制等相关情况,具有施工设备简单、无噪音振动、价格经济合理、地质情况直观及施工质量易近代等优点,本文结合一工程实例,对人工挖孔扩底墩基础的施工工艺、质量控制及安全防范措施进行简单的阐述。
二、人工挖孔扩底墩基础的施工工艺,质量控制及安全防范措施由新疆通汇建设(集团)一分公司101项目承建的昌吉州人民医院综合病房楼工程,采用扩底墩设计施工,扩底墩直径1.2m~1.5m,扩大头直径1.5m~ 2.0m,嵌固深度0.5m~0.8m,墩身长10.5m~15.5m。
1、施工准备(1)施工前先将施工场地进行平整,以便测量防线,定好桩位。
(2)按照施工图纸设计要求进行测量放线,找出基准点,经行定位确定控制网。
(3)将人工挖孔用小型工具,及提升用小型机具准备就绪。
(4)开挖前对职工及有关技术人员进行书面及口头技术交底,及安全交底。
2、施工方法⑴扩底墩的施工程序为挖孔-护壁-浇灌砼,其构造为墩头,墩身及扩大头,扩大头底部须支承在可靠的持力层上。
⑵搭设作业架平整场地,搭围护栏杆,搭放平台及提升架子安装开口滑轮,及小型绞车。
⑶挖孔施工找准扩底墩中心,按图纸设计要求进行挖孔,随挖孔进行校正,以防偏心开挖,为确保操作安全,由于土质较好,没有产生坍塌,就没有采取坍塌护壁措施。
⑷在挖扩大头时,应先挖到设计要求标高处,再进行扩大头开挖及墩锅底开挖。
⑸结构用钢筋制作、安装按设计要求制作钢筋笼,螺旋筋接头单面焊10d焊接,并且与主筋点焊相连,制作好后运至孔口,用吊葫芦吊放到孔内,若钢筋笼超过5m,且配制筋较大时,可在井口搭设作业架,且在作业架上直接制作焊接,无误后,直接吊放到孔内。
⑹浇灌混凝土采用硅酸盐商品混凝土,我们采用了钢串桶进行灌注,孔3m 以上砼由于落差冲压已将砼挤密实不做振捣,3m以上分层浇灌墩身直到顶,并采用振动棒振捣密实。
人工挖孔扩底墩基础一、施工准备1、施工前先将施工场地进行平整,以便测量防线,定好桩位。
2、按照施工图纸设计要求进行测量放线,找出基准点,经行定位确定控制网。
3、将人工挖孔用小型工具,及提升用小型机具准备就绪。
4、开挖前对职工及有关技术人员进行书面及口头技术交底,及安全交底。
二、工艺流程:放线定墩位及高程→开挖第一节墩孔土方→支护壁模板放附加钢筋→浇筑第一节护壁混凝土→检查墩位(中心)轴线→架设垂直运输架→安装电动葫芦(卷扬机或木辘轳)→安装吊桶、照明、活动盖板、水泵、通风机等→开挖吊运第二节墩孔土方(修边)→先拆第一节支第二节护壁模板(放附加钢筋)→浇第二节护壁混凝土→检查墩位(中心)轴线→逐层往下循环作业→开挖扩底部分→清孔→检查验收→吊放钢筋笼→放混凝土溜筒(导管)→浇筑墩身混凝土(随浇随振)。
三、施工方法:1、放线定墩位及高程:在场地三通一平的基础上,依据建筑物测量控制网的资料和基础平面布置图,测定墩位轴线方格控制网和高程基准许点。
确定好墩位中心,以中点为圆心,以墩身半径加护壁厚度为半径画出上部(即第一步)的圆周。
撒石灰线作为墩孔开挖尺寸线。
孔位线定好之后,必须经有关部门进行复查,办好预检手续后开挖。
2、开挖第一节墩孔土方:开挖墩孔应从上到下逐层进行,先挖中间部分的土方,然后扩及周边,有效地控制开挖孔的截面尺寸。
每节的高度应根据土质好坏、操作条件而定,一般以0.5~1m为宜。
3、支护壁模板附加钢筋:为防止墩孔壁坍方,确保安全施工,成孔设置井圈,其种类有素混凝土和钢筋混凝土两种。
以现浇钢筋混凝土井圈为好,与土壁能紧密结合,稳定性和整体性能均佳,且受力均匀,可以优先选用。
当墩孔直径不大,深度较浅而土质又好,地下水位较低的情况下,也可以采用喷射混凝土护壁。
护壁的厚度应根据井圈材料、性能、刚度、稳定性、操作方便、构造简单等要求,并按受力状况,以最下面一节所承受的土侧压力和地下水侧压力,通过计算来确定。
扩大基础施工措施探讨
要】扩大基础是相对于桩基础而言的,也是历史很悠久的基础结构形式。
具体来说,就是在桥墩下面逐级放大基础,让桥梁的重量逐步分散扩展到土基。
就像砌围墙那样,围墙的基础必须比围墙本身还要宽大,而且基础每砌一层砖,就要放大一下基础面积。
这个就是扩大基础。
关键词】扩大基础;施工;措施
1.测量放样
在测量工作正式开始前,需要对施工场地进行平整,接着对经过设计单位复测满足要求的水准点和导线点,选用经过校核的水准仪和全站仪开始施工放样工作。
在勘测阶段对桥位建立合适准确的控制网,与此同时,对测量过程的精确度进行严格的控制,确保定线放样要求。
如果放样点过于少时需要及时的给以补充。
利用控制网准确的放出桥墩的位置,将基础轴线、地面标高和边线位置准确无误的定出。
测量工作完成后需要报监理工程师验收,满足要求后才能开始下一工序的施工。
基坑开挖前,依据设计图提供的勘探资料,先估算渗水量,选择施工方法和排水设备,采用集水坑排水方法施工时按集水坑底应比基坑底面标高低50~100cm,以降低地下水位保持基底无水,抽水设备可采用电动或内燃的离心式水泵或潜水泵,采用人工降低地下水位。
为避免雨水冲坏坑壁,基坑顶四周应做好排水,截住地表水,基坑下口开挖的大小应满足基础施工的要求,渗水的土质,基底平面尺寸可适当加宽50cm~100cm,便于设置排水沟和安装模扳,其它情况可放小。
新疆移动乌鲁木齐北京路机房楼工程扩底墩专项施工方案编制人:审核人:审批人:编制日期:2007年6月14日新疆移动乌鲁木齐北京路机房楼工程扩底墩施工方案一、工程概况该工程拟建场地位于北京路西侧、苏州路南侧,乌鲁木齐北京路新疆移动通信有限公司院内,拟建建筑物为一栋地上11层的机房楼,带1层地下室。
采用混凝土框架剪力墙体系,基础采用人工挖孔灌注桩,一柱一桩。
二、工程地质条件及水文地质条件场地地形平坦,地貌单元为乌鲁木齐和冲洪积扇,总体地势有南向北倾斜,场地总体地形较平坦。
据勘察结果,该拟建场地地层主要由杂填土、圆砾、粉质粘土、粉砂组成。
拟建场地地层由上至下分述如下:①杂填土:杂色,由植物腐殖质,生活垃圾、建筑垃圾及少量碎石组成,厚度0.6—1.5m。
②粉质粘土:呈不均匀分布,埋深0.8—0.9m,厚度0.5—0.7m,黄褐色、稍湿,硬塑。
③圆砾:为拟建场地主要持力层,埋深0.6—1.5m,最大可见厚度13.6m,青灰色,中密—密实,稍湿。
④粉砂:呈夹层或透镜体分布与圆砾层中,埋深3.5—3.7m,厚度0.6—3.3m,黄褐色,颗粒较均匀,稍密、稍湿,局部为粉土。
勘察期间,在桩底以下20米深度范围内未见地下水出露,开挖基底面在地下水位以上受地下水影响较小。
三、桩基方案设计的依据1)该工程的岩土工程勘察报告2)桩基础的施工设计图纸3)《建筑桩基技术规范》(JGJ94-94)4)《混凝土结构设计规范》(GB 50010-2002)...5)《混凝土结构施工及验收规范》(GB50204-92)6)《建筑地基基础设计规范》(GB5007-2002)7)《土木结构工程实用手册》,黑龙江科学技术出版社,2001 8)《建筑地基与基础施工手册》,中国建筑工业出版社,(第二版)四、施工方案(一)、扩底墩概况根据扩底墩的设计图纸,49根扩底墩的设计工作量如下表所示:表4—1 扩底墩工作量设计表其中桩身灌注强度为C35的商品混凝土。
扩底墩基础设计方法探讨摘要墩基础的设计方法在现行规范中没有明确的规定,造成了土木工程设计中的浪费或安全隐患。
本文分析了墩基础在岩石和非岩石地基中的受力机理和破坏模式,认为不能简单地按墩基础墩径比确定其承载力计算方法,应根据墩端地基土的特性合理确定,并提出了墩基础必须满足的独立基础和桩基础的设计构造要求。
关键词扩底墩基础,承载力,设计构造1. 引言大直径挖孔墩基础起源于美国,日本自20世纪30年代以来就开始应用,我国70年代最先在沿海一带使用,至今已有30多年历史。
由于大直径挖孔扩底墩具有承载力高,质量易于保证,施工速度快,无噪音,无振动等特点,在工业与民用建筑工程中得到广泛的应用。
目前,对于墩基础的设计尚无统一的认识,设计内容和概念不明确,造成浪费或安全隐患,本文结合墩基础的破坏模式和受力机理,拟就墩基础的设计方法和原则作一些分析探讨。
2. 墩基础的定义文[1]规定:桩长小于6 m及3L D 时按墩基础设计,但没有明确计算方法。
文[2]对于大直径墩基础,其设计原理是按深埋的独立基础进行计算的,可以不列入桩基范围。
文[3]将墩基础列为深基础的一种,是在地下用人工或机械开挖的大直径孔中浇灌混凝土而成的基础,并指出墩基础由于其直径较一般桩径大,埋深又比浅基础深,因此在荷载作用下与土相互作用机理也有其特点,尤其在墩底有扩大头的情况,不能简单地套用桩基和浅基础在极限荷载作用下土体破坏的可能模式。
文[4]指出:墩基是就地开出的坑孔内浇灌混凝土而成的深基础,从荷载传递性质来看,墩基和桩基并无本质的差别。
这两类基础的最大区别,只在于施工方法有所不同而已。
从以上文献可以看出,墩基础从学术概念上来讲,就是一种深基础,但其承载力应根据受力模式综合确定,按桩长来定义墩基础仅是一个工程概念。
本文认为文[1]仅用桩长来定义墩基础,而大多设计人员又按照文[2],设计原理按深埋的独立基础进行计算,造成较大的浪费,构造也不合理。
工民建工程的深墩基础设计探讨随着城市化的不断推进,大量的工民建工程项目开始兴建,人们对这些工程的桩基础设计越来越关注。
深墩基础是一种适用于大型建筑和桥梁等工程的基础形式,具有载荷能力强、变形小、稳定性好等优点。
本文将对深墩基础的设计进行探讨。
一、深墩基础的定义深墩基础是将墩身伸入较深地下并固定在地层中,通过墩身向下扩底或与锤子共振沉桩的方法,将载荷反向耗散至地下的一种基础形式。
二、深墩基础的设计要素1.确定墩高、墩径和下沉值墩高的高低会直接影响深墩基础的承载力,墩体直径主要与地基巩固效果和荷载传递效果相关联,下沉值的合理比率与墩体直径有着直接的联系。
确定这些要素需要对勘察土层、荷载特性和生产技术进行充分分析和考察。
2.墩沉计算在深墩基础设计中,墩沉计算是至关重要的一步。
墩沉与墩长、锤击能量、土体状况及前后桩身间的距离等要素有关。
具体的计算方法通常需要应用到锤击试验、定位探测、视频监测等资料。
3.选择墩身形式墩身形式包括方形墩、圆形墩、六角形墩等形式。
一般而言,桥梁墩通常采用圆形或六角形,而建筑工程常用方形。
三、深墩基础的不足与改进深墩基础的设计存在一些不足之处,主要表现在以下方面:1.深墩基础会扰动周边土层,极易损害周围已有的建筑物。
2.深墩基础的承载能力与投资成本不成比例。
目前不少深墩基础工程承载能力与成本构成约为1∶3。
针对深墩基础的不足,我们可以通过优化设计,改进工艺,提高工程质量等措施来改进。
1.通过合理的勘察设计来提高工程质量,优化施工工艺,提供合理的资金投入,意味着可以在减少扰动危害的同时,降低工程S造成的不必要支出。
2.通过复合式基础和单桩基础等方式来代替深墩基础,以达到更加节约、环保的目的。
四、深墩基础的市场应用深墩基础是当前大型建筑和桥梁等工程的重要基础形式之一,目前已经涉及到了铁路、桥梁、码头、混凝土棚户区改造等多个领域。
越来越多的工程项目选择深墩基础形式就是基于它的技术优越性和适应力。
墩基础施工组织设计及对策基础施工组织设计及对策是确保基础施工工程质量的重要环节,它涉及到施工组织设计的合理与否、施工组织设计中的难点与关键等问题。
本文将探讨基础施工组织设计及对策。
基础施工组织设计是指根据工程的特点和施工任务的要求,确定施工工序及各施工单项工程的施工方法、施工步骤、施工顺序、施工周期及施工数量,制定施工方案和施工计划,以及确定施工班组的组织结构和人员配置等。
而对基础施工组织设计进行合理的对策则包括以下几个方面:1.综合施工方案设计:根据项目的实际情况和各项技术要求,通过综合施工方案设计,确保施工进度和施工质量。
设计方案要充分考虑降低成本和提高效率的因素,合理规划施工工序和施工顺序。
2.施工工序选择:根据基础工程的具体要求,选择适合的施工工序和施工方法。
在选择施工工序时,需要综合考虑工程的技术要求、施工的安全性和经济性等因素,并进行科学分析和评估。
3.施工组织管理:合理划分施工区域,制定详细的施工计划,并根据实际情况进行适时调整。
严格执行施工人员管理制度,确保施工人员的素质和施工质量。
加强施工安全管理,确保施工过程中的安全。
4.资源调配:根据施工需要,合理配置施工人力、机械设备和材料资源,确保施工进度和施工质量。
优化资源使用效率,避免资源浪费。
5.加强质量控制:制定完善的施工质量控制计划,严格执行质量控制措施,确保施工质量符合设计要求。
加强质量监督,及时发现和处理施工过程中的质量问题,确保基础工程的质量。
6.加强沟通协调:建立良好的沟通机制,加强施工单位内部的沟通协调,解决施工过程中的问题。
与监理单位和相关部门及时沟通,及时解决相关问题,确保施工进度和质量。
7.加强技术培训:加强施工人员的技术培训,提高他们的技术水平和施工能力。
关注新技术、新工艺的学习和应用,提高施工效率和施工质量。
以上是基础施工组织设计及对策的一些建议,通过合理的施工组织设计和有效的对策实施,能够有效地提高基础施工工程的质量和效率。
扩底墩基础设计方法探讨摘要墩基础的设计方法在现行规范中没有明确的规定,造成了土木工程设计中的浪费或安全隐患。
本文分析了墩基础在岩石和非岩石地基中的受力机理和破坏模式,认为不能简单地按墩基础墩径比确定其承载力计算方法,应根据墩端地基土的特性合理确定,并提出了墩基础必须满足的独立基础和桩基础的设计构造要求。
关键词扩底墩基础,承载力,设计构造1. 引言大直径挖孔墩基础起源于美国,日本自20世纪30年代以来就开始应用,我国70年代最先在沿海一带使用,至今已有30多年历史。
由于大直径挖孔扩底墩具有承载力高,质量易于保证,施工速度快,无噪音,无振动等特点,在工业与民用建筑工程中得到广泛的应用。
目前,对于墩基础的设计尚无统一的认识,设计内容和概念不明确,造成浪费或安全隐患,本文结合墩基础的破坏模式和受力机理,拟就墩基础的设计方法和原则作一些分析探讨。
2. 墩基础的定义文[1]规定:桩长小于6 m及3L D 时按墩基础设计,但没有明确计算方法。
文[2]对于大直径墩基础,其设计原理是按深埋的独立基础进行计算的,可以不列入桩基范围。
文[3]将墩基础列为深基础的一种,是在地下用人工或机械开挖的大直径孔中浇灌混凝土而成的基础,并指出墩基础由于其直径较一般桩径大,埋深又比浅基础深,因此在荷载作用下与土相互作用机理也有其特点,尤其在墩底有扩大头的情况,不能简单地套用桩基和浅基础在极限荷载作用下土体破坏的可能模式。
文[4]指出:墩基是就地开出的坑孔内浇灌混凝土而成的深基础,从荷载传递性质来看,墩基和桩基并无本质的差别。
这两类基础的最大区别,只在于施工方法有所不同而已。
从以上文献可以看出,墩基础从学术概念上来讲,就是一种深基础,但其承载力应根据受力模式综合确定,按桩长来定义墩基础仅是一个工程概念。
本文认为文[1]仅用桩长来定义墩基础,而大多设计人员又按照文[2],设计原理按深埋的独立基础进行计算,造成较大的浪费,构造也不合理。
本文从基础破坏模式和构造要求出发,结合规范有关要求,探讨墩基础的设计原则和方法。
3. 墩基础的受力机理和破坏模式扩底墩基础下的地基变形和破坏模式既不同于扩展式基础,也不同于桩基础[5]。
浅基础破坏模式分为整体剪切破坏、局部剪切破坏和刺入破坏三种;桩基础则基本上属于整体剪切破坏和刺入破坏。
而扩底墩基础在竖向荷载作用下,地基土以竖向压缩变形为主,伴随有少量侧向挤压,即使在大变形时也无连续滑动面,墩周围表层土更无明显隆起现象,可归属为局部剪切破坏和刺入破坏。
扩底墩承载力以端承力为主,墩底压密影响深度为两倍扩底直径,压应力大致以持力层土的内摩擦角向下扩散。
扩底端的周围为拉应力区,荷载大时出现伞形拉裂缝,而且在扩大头上方有脱空现象。
其上土体松胀,但由于拱作用或土的粘聚力作用而不致塌落。
墩基础的竖向承载力主要由墩底土层承载力决定,勘察报告一般提供墩端地基承载力和墩端阻力,而且两者相差一般较大,究竟取何值,一直困扰设计人员。
本文分岩石和非岩石土层,从墩基础破坏模式来探讨其取值的合理性。
1) 非岩石土层的地基承载力和桩端阻力非岩石土层中的桩端阻力和桩侧阻力存在着“深度效应”的作用,也就存在着桩端阻力和桩侧阻力的“临界深度”的问题。
当基础相对埋深L d (L 为墩长,d 为墩身直径)较大时,基底以下的塑性变形区逐渐向基底以上扩展。
当相对埋深很大时,连续破坏面为一梨形封闭区。
从破坏模式来看,墩端的极限承载力,不但与桩端下一定深度内的土有关,而且也受到桩端以上一定深度厚度内土的影响,桩端要进入持力层一定的深度,才能保证连续破坏面为一梨形封闭区,并埋于土中而不冒出地面,此时可按桩基设计;否则,连续破坏面不能封闭而反映到地表面,使地面形成隆起,桩端土层不能充分发挥竖向承载力的作用而使墩丧失稳定性,此时其承载力应取土层地基承载力。
2) 岩石土层的地基承载力和桩端阻力岩石地基中的墩基础又称嵌岩墩,嵌岩墩的特点是墩和岩体连接成一个受力整体。
由于岩石土层岩体强度超过桩身混凝土强度,墩基础承载力一般由桩身强度控制。
一般认为,对于工业与民用建筑来说,岩石地基的承载力与基础埋深和底面尺寸无关,文[5]规定,当桩端无沉渣时,桩端岩石承载力特征值和基础岩石地基承载力特征值都是按岩基载荷试验方法或者可根据室内饱和单轴抗压强度计算而确定的,岩石地基中同层次、同位置、同面积的桩端岩石承载力和岩石基础的地基承载力是相同的。
岩石地基上的桩端承力和埋置深度无关,不存在天然土层中的桩的“深度效应”问题,只存在和岩石风化程度、岩石构造和岩石完整性等有关的问题。
4. 墩基础的竖向承载力确定墩基础竖向承载力最好通过静载试验确定的,但此方法时间长、费用高。
目前,墩基础设计所采用的计算方法均属于近似法即采用经验公式计算,其计算结果与实际受力情况有一定的差异。
评定分析扩底墩基础的承载力,可参照别列赞采夫模型试验结果:该试验结果用相对埋深H/B 将基础划分为特浅埋基础(00.5H B ≤≤)、浅埋基础(0.5 1.5 2.0H B ≤≤~)、深埋基础( 1.5 2.0H B >~)和特深埋基础(34H B >~)。
由于上覆土体的超载影响,地基极限承载力随H/B 的增加而增大。
扩底墩基础多在24H B ≤≤范围内,说明其承载力介于浅基础与桩基础之间,当墩基础与深基础和桩基础的界限不明确时,应分别按深基础和大直径桩基础计算承载力,承载力宜通过分析勘察报告提供土层承载力和桩端阻力综合确定。
4.1. 按深基础计算墩基础竖向承载力墩基础的竖向承载力按文[6]式5.2.4计算确定,即()()30.5a ak b d m f f b d ηγηγ=+-+-式中:a f ——修正后的墩底持力层的地基承载力特征值;ak f ——墩底持力层的地基承载力特征值;b η, d η——基础宽度和埋置深度的地基承载力修正系数,按基底下土的类别确定;γ——基础底面以下土的重度(3kN/m ),地下水以下取浮重;b ——基础底面宽度(m ),当基础底面宽度小于3 m 时按3 m 取值,大于6 m 时按6 m 取值; m γ——基础底面以上土的加权平均重度(3kN/m ),位于地下水位以下的土层取有效重度;d ——为基础埋置深度,一般自室外地面标高算起。
4.2. 按大直径桩基础计算墩基础竖向承载力墩基础竖向承载力按文[7]式5.3.6计算确定,即2a uk R Q =uk sk pk si sik i p pk P Q Q Q u q l q A ψψ=+=+∑∑a R ——单桩竖向极限承载力标准值,/kN ;uk Q ——单桩竖向极限承载力标准值,/kN ;sk Q ——总极限侧阻力标准值,/kN ;pk Q ——总极限端阻力标准值,/kN ;u ——桩身周长,/m ;sik q , pk q ——桩侧第i 层土极限侧阻力标准值、桩端极限端阻力标准值,/kPa ;si ψ, p ψ——大直径桩侧阻力、端阻力尺寸效应系数;按以上两种方法计算的墩基础承载力,由于墩端土层的承载力取值不同造成两者承载力相差较大。
4.3. 墩基础的有效摩阻长度从有扩大头墩基础的受力模式来看,扩底端的周围为拉应力区,荷载大时出现伞形拉裂缝,而且在扩大头上方有脱空现象,墩基础扩大头以上一定范围的土层不能为墩基础提供侧阻,因此,扩底墩的有效摩阻长度应比墩身长度适当减小,减小长度按文[3]一般取1.0 2.0d ~ (d 为墩身直径)。
4.4. 桩侧阻力、端阻力尺寸效应系数墩基础应参考大直径桩进行设计,当墩端持力层为非岩性土层时,其静载实验Q-S 曲线均呈缓变型,反映出其端阻力以压剪变形为主导的渐进破坏,桩侧桩成孔后产生应力释放,孔壁出现松弛变形,导致侧阻力有所降低,侧阻力随桩径增大呈双曲线减小[6],因此,大直径墩基础承载力应考虑墩端阻力和墩侧阻力尺寸效应折减系数。
桩侧阻力、端阻力尺寸效应系数不仅与土性特征有关,还分别与桩身直径和扩底端直径有关有关。
如表1。
5. 墩基础的其他设计内容1) 墩身混凝土强度应满足桩的承载力设计要求。
应符合文[6]第5.8.2的要求,即c c ps N f A ψ≤式中:N ——荷载效应基本组合下的桩顶轴向压力设计值,kN ;c ψ——基桩成桩工艺系数,干作业非挤土灌注桩:0.9c ψ=;泥浆护壁和套管护壁非挤土灌注桩:0.70.8c ψ=~;c f ——混凝土轴心抗压强度设计值,N/mm 2;ps A ——桩身截面面积,2π4ps d A =,d 为桩身直径。
2) 墩基础扩大头处的受冲切承载力墩基础通过桩身将上部荷载传至扩大头,扩大头的直径一般比桩身直径大的多,因此在墩基础变阶处,应按扩展基础的要求验算抗冲切和抗剪承载力。
分别符合[7]第8.2.8条和8.2.9条的有关要求。
3) 当墩基础的混凝土强度等级小于其上部的柱的混凝土强度等级时,尚应按[8]的有关规定验算墩基础顶面的局部受压承载力。
4) 当墩基础受力层范围内存在软弱下卧层时,应按[7]第5.2.7条进行验算。
5) 当墩基础端部为非岩石时,应验算墩基础沉降,沉降验算应按[7]第5.3节的有关规定计算。
Table 1. The size effect coefficient of large diameter piles表1.大直径灌注桩尺寸效应系数ψ(0.8/d)1/5(0.8/d)1/3桩侧阻力尺寸效应系数siψ(0.8/D)1/4(0.8/D)1/3桩端阻力尺寸效应系数p注:表中d为桩身直径,D为扩底直径。
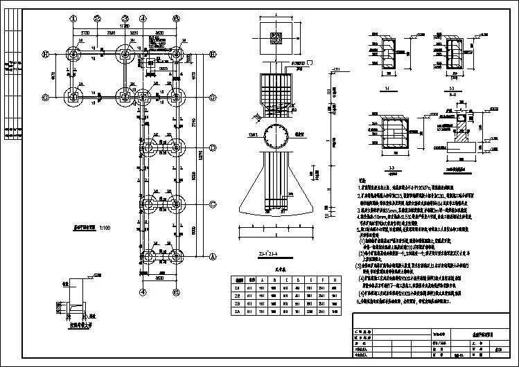
Figure 1. Structure of pier foundation图1. 墩基础构造6. 墩基础的相关构造要求如图1,墩基础介于独立基础和桩基础之间,其构造要求应同时满足两者要求。
1) 墩身最小直径不应小于0.8 m,扩底端直径与桩身直径之比D/d,应根据承载力要求及扩底端侧面和桩端持力层土性特征以及扩底施工确定,一般要求尽量发挥桩身承载力,挖孔墩不应大于3,钻孔墩不应大于2.5。
2) 扩底端侧面的斜率应根据实际成孔及土体自立条件确定,a/h c可取1/4~1/2,砂土可取1/4,粉土、黏性土可取1/3~1/2。
3) 扩低端底面在非岩性土中宜呈锅底形,矢高h b可取(0.15~0.20) D。
4) 扩底端侧面与锅底端部交接处宜采用竖直段h d过渡,其长度约为0.2 m,确保混凝土浇注质量和桩端承载力。
5) 因墩基础承载力较高,墩基础宜采用一柱一墩,部分荷载较大柱下也可采用多墩,墩间间距应同时满足:墩身中心间距应大于3 d,而扩底墩中心间距应大于1.5 D及净距大于1.5米。
6) 墩基础进入持力层的深度h宜按桩基础控制,应根据土质按下列要求确定:粘性土、粉土不宜小于2 d,砂土不宜小于1.5 d,碎石类土不宜小于1 d,嵌岩桩不宜小于0.4 d且不小于0.5 m。