6-垂直绿化基质配比
- 格式:pdf
- 大小:3.40 MB
- 文档页数:24
垂直绿化施工组织方案随着城市化进程的加速,人口快速增长带来了土地供应紧张、城市热岛效应、生态环境恶化等问题。
为了改善城市生态环境,墙面绿化成为了一种重要的举措。
墙面绿化是指在建筑墙体、围墙、桥柱、阳台、窗台等处进行垂面式绿化,是一项高新技术,具有更大的空间,可以让城市变得更加绿色。
墙面绿化不仅可以缓解城市热岛效应,使建筑物冬暖夏凉,还能显著吸收噪音、滞纳灰尘、净化空气,增加绿量,显著改善城市生态环境。
在进行墙面绿化施工前,需要做好以下准备工作:1.材料准备:墙面绿化主要用到苗木类如鸭脚木、红花继木、排骨草等,还需要毛毡、PVC板、中性硅硐结构胶等材料。
需要提前确定采购清单,以方便采购及时购买回。
2.人员准备:组建一个由有经验的工程师组成的项目部,确定最具实力的施工队,并确保工程施工阶段熟练的技术工人不得少于10人,以确保工期及质量目标如期实现。
3.机械准备:盘点仓库,确定所需机械设备是否能正常运转,不能正常运转或缺乏的机械设备及时维修好或购买,以满足施工需要。
4、在施工前,必须进行现场踏勘,确定临时用电、用水接驳点、水管和线管走向。
同时,要与总包配合,主动支付相关配合费。
还要检查临水临电是否正常供应,如有问题及时解决。
确定临时道路是否通畅,根据道路与作业面之间的距离确定材料临时存放点。
基本原则是尽量减少二次转运,即使转运也是在可以使用机动车的地方。
若确实需要二次人工转运,则应利用机动将其运至转运所需人工最少的地方放置。
5、为避免施工过程中出现的尺寸、轴线等与图纸不符等问题影响工期,我司在该部位施工前,组织专业人员对特色凳山梯现已完成结构轴线、标高、立面尺寸进行全面复核。
如果发现现场实际尺寸标高与图纸有较大出入,及时通知监理及甲方,请求甲方监理协调及时解决。
6、本程高差约1.5-4米,平均2.8米左右,考虑施工便利,拟采用门式脚手架8副,可根据施工需要随时移动。
脚手架底部支承在可靠硬地上,局部松软土质上垫板处理。
城市高架路垂直绿化花盆及花卉苗木种植
方案
本绿化工程采用氧化镁花盆和花卉苗木种植。
为确保质量符合要求,成品氧化镁花盆由专业厂家定制,并在监理、设计和甲方共同审定合格后大量购买。
为了保证工期,这些工作需要在正式开工之前完成。
氧化镁花盆和花卉苗木一起运至本公司的苗圃基地,进行栽植和养护。
苗圃基地具有足够大的空间和交通便利。
由于种植在高架桥上,花盆中基质的选择和配比非常讲究、合理、科学。
基质从花盆底层向上层依次为50cm厚陶粒层、400mmDN20 PVC透气管和种植土(田园土78%+椰糠2%+黄
粘土20%)。
红花三角梅和混花色三角梅被选为高架桥的绿化美化植物品种。
这些植物具有抗污染、抗病害、生长粗犷等特性,花色鲜艳、花期长、有悬垂效果,比较适宜作为考虑桥梁绿化整饰的种植植物。
所有苗木都应经过设计、监理、业主三方查验同意后方可起苗进场,符合国家规定和质量标准。
苗木运输和假植需要严格按照设计要求进行,确保种类、品种、规格等完全符合要求。
苗木装运时应轻抬、轻卸、轻装、轻放,不得拉、拖,保持苗袋土球不破损碎裂,枝叶保持完好。
园林植物栽培与养护基质的配制
园林植物栽培与养护基质的配制是一项非常重要的工作,它直接
影响到植物的生长发育和养护效果。
以下是几个常见的配制方法:
1. 混合土配制法:根据不同的植物种类和生长习性,选用适宜
的土壤和有机材料进行混合,一般采用泥炭、腐叶土和珍珠岩等配合
使用,按一定比例混合即可。
2. 减重型基质配制法:也是采用泥炭、珍珠岩等材料,但在混
合时要注意将其中的部分比例用膨胀石英替代,从而减轻基质重量。
3. 水培式基质配制法:此类基质主要由粉状材料组成,包括珍
珠岩粉、蛭石粉等,其主要作用是提供植物所需营养,同时保持水分。
4. 营养液基质配制法:此法适用于水生植物和室内盆栽,主要
是利用营养液来提供植物所需营养,将培养介质只作为支撑植物的物质,并将其置于营养液中生长。
无论采用何种基质配制方法,都需要根据不同植物的生长要求和
环境条件进行选择,以提高植物生长效果。
同时,还需要注意基质的
通气性、保水性和排水性等指标的控制。
垂直绿化无土栽培基质的现状与研发作者:钟山张漓杉龙腾发袁俊徐朝瑜陈继清来源:《科技创新导报》2015年第31期摘要:该文介绍了建筑物墙面绿化(垂直绿化)中植物生长基质的应用。
着重阐述了轻型无土栽培基质在城市垂直绿化工程中的应用,并进一步论述了无土栽培基质基本性能和发展情况。
最后提出了利用农林废弃物加工成的新型栽培基质应用于我国城市垂直绿化,从而为垂直绿化在城市建筑中的更好应用起到推动作用。
关键词:垂直绿化生长基质无土栽培基质中图分类号:S317 文献标识码:A 文章编号:1674-098X(2015)11(a)-0176-02建筑物垂直绿化是指采用植物攀附、容器固定、种植毯贴植和容器垂吊等方式在建筑物的立面和构筑物的表面实现绿化,从而增加城市绿化覆盖,改善城市生态环境。
垂直绿化具有吸附尘埃、净化空气、降低室内噪音、保温隔热、降低建筑物能耗、缓解城市热岛效应的功能,具有广阔的发展前景[1]。
但是垂直绿化植物生长空间和环境和地面完全不同。
生长基质需要有较好的稳固性,考虑到建筑物的承重以及种植的养护和维护难度,还要有较大的容重比,较好的保水、养分缓释、及良好的透水透气性。
1 当前垂直绿化植物生长基质的应用情况当前国内外用于垂直绿化的植物生长基质以具备水、肥、汽、热等肥力特性的类土壤材料为主。
采用自然土壤、添加调理剂的改良土壤、天然矿物、工业或农业有机废弃物的再利用制成品为植物栽培基质。
这类基质虽然提供了植物生长必需的无机矿物质元素但易风化、肥力持续时间短、水土流失严重。
单一的无机或有机材料无法取代满足垂直绿化的需求(表1)。
由上述各类材料混合制成的基质成为垂直绿化的首选。
这类混合材料在一定程度上满足了垂直绿化对基质保肥蓄水的要求,也有一定的疏松透气性和排水性,但基础密度还是比较大。
2 新型直绿化植物生长基质的研发以有机合成泡沫基质作为土壤改良剂在农业、园林种植领域得到了广泛的应用。
利用脲甲醛泡沫基质具有富含缓释养分,吸水保水性强,移栽时无须带土等优点,不仅有效地解决异地铺装草坪表土流失问题,还缓解了对日益紧张的水资源的要求。
北京市园林绿化局关于下发《北京市垂直绿化建设和养护质量要求及投资测算》的通知文章属性•【制定机关】北京市园林绿化局•【公布日期】2012.03.27•【字号】京绿城发[2012]6号•【施行日期】2012.03.27•【效力等级】地方规范性文件•【时效性】现行有效•【主题分类】城市建设正文北京市园林绿化局关于下发《北京市垂直绿化建设和养护质量要求及投资测算》的通知(京绿城发〔2012〕6号)各区、县园林绿化主管部门:按照《北京市人民政府关于推进城市空间立体绿化建设工作的意见》(京政发〔2011〕29号)的要求,在充分调研的基础上,我局组织编制了《北京市垂直绿化建设和养护质量要求及投资测算》,现予印发,并就有关事项加以说明,以指导开展垂直绿化工程建设和养护管理工作,提高本市垂直绿化建设和管理水平,促进本市垂直绿化事业健康、可持续发展。
一、严格垂直绿化建设工程质量和安全管理1. 开展垂直绿化不能影响建筑物或构筑物的强度及其它功能需要。
2. 垂直绿化栽植形式应优先采用地栽形式,不具备地栽条件的可采用辅助设施,如增设栽植池或使用特殊容器等形式实现栽植。
3. 为实施垂直绿化工程而配套的构筑物及其他设施,应符合国家及北京市现行有关标准、规范的规定。
4. 垂直绿化建设及养护除应符合本通知相关要求外,还应符合国家和北京市现行的有关标准、规范的规定。
二、推荐投资标准垂直绿化工程费用因栽植形式不同、植物种类差异及灌溉方式不同而产生一定变化,本次投资测算已给出取费区间,各单位应根据实际情况进行工程费用测算。
推荐按下述标准预算:地栽式垂直绿化工程费用为每延米130元,种植池栽式垂直绿化工程费用为每延米 310元,成品种植容器栽式垂直绿化工程费用为每延米450元;采用水车浇灌方式的垂直绿化养护费用为每延米每年32.6元(养护水源为绿化用水),采用滴灌方式的垂直绿化养护费用为每延米每年 15.6元(养护水源为绿化用水)。
三、适用范围《北京市垂直绿化建设和养护质量要求及投资测算》之质量要求适用于本市范围内的垂直绿化建设工程。
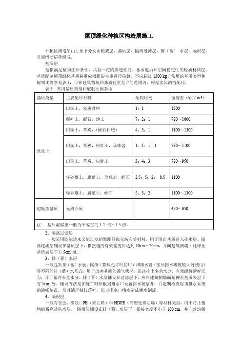
屋顶绿化种植区构造层施工种植区构造层由上至下分别由植被层、基质层、隔离过滤层、排(蓄)水层、隔根层、分离滑动层等组成。
基质层是指满足植物生长条件,具有一定的渗透性能、蓄水能力和空间稳定性的轻质材料层。
基质配制屋顶绿化基质荷重应根据湿容重进行核算,不应超过1300 kg/常用的基质类型和配制比例参见表8,可在建筑荷载和基质荷重允许的范围内,根据实际酌情配比。
表8 常用基质类型和配制比例参考基质类型主要配比材料配制比例湿容重(kg/m3)田园土,轻质骨料1:1 1200腐叶土,蛭石,沙土7:2:1 780~1000田园土,草炭,(蛭石和肥)4:3:1 1100~1300田园土,草炭,松针土,珍珠岩1:1:1:1 780~1100改良土田园土,草炭,松针土3:4:3 780~950轻砂壤土,腐殖土,珍珠岩,蛭石 2.5:5:2:0.5 1100轻砂壤土,腐殖土,蛭石5:3:2 1100~1300超轻量基质无机介质450~650注:基质湿容重一般为干容重的1.2 倍~1.5倍。
2、隔离过滤层一般采用既能透水又能过滤的聚酯纤维无纺布等材料,用于阻止基质进入排水层。
隔离过滤层铺设在基质层下,搭接缝的有效宽度应达到10cm~20cm,并向建筑侧墙面延伸至基质表层下方5cm 处。
3、排(蓄)水层一般包括排(蓄)水板、陶砾(荷载允许时使用)和排水管(屋顶排水坡度较大时使用)等不同的排(蓄)水形式,用于改善基质的通气状况,迅速排出多余水分,有效缓解瞬时压力,并可蓄存少量水分。
排(蓄)水层铺设在过滤层下。
应向建筑侧墙面延伸至基质表层下方5cm 处。
铺设方法见图施工时应根据排水口设置排水观察井,并定期检查屋顶排水系统的通畅情况。
及时清理枯枝落叶,防止排水口堵塞造成壅水倒流。
4、隔根层一般有合金、橡胶、PE(聚乙烯)和HDPE(高密度聚乙烯)等材料类型,用于防止植物根系穿透防水层。
隔根层铺设在排(蓄)水层下,搭接宽度不小于100 cm,并向建筑侧墙面延伸15cm~20cm。
山西墙面垂直绿化施工方案一、背景介绍墙面垂直绿化技术是一种利用植物在垂直墙面上生长,形成绿化景观的方法。
在城市中,垂直绿化可以改善城市环境,净化空气,增加氧气含量,提供休闲空间,增加生态效益等。
本方案旨在介绍山西墙面垂直绿化的施工方案,使山西的建筑墙面也能拥有绿色的生态环境。
二、施工准备1.材料准备:–墙面垂直绿化模块–壤土、有机肥料–植物种子或苗木–报废塑料瓶、布袋等作为种植容器–防渗漏材料–水泥、砂、石灰等建筑材料2.设备准备:–植物种植工具–水龙头–管道、水泵等灌溉设备–吊篮、爬升设备等施工工具三、施工步骤1.墙面修复:–对墙面进行修复,填补裂缝,处理墙面表面坑洞等损坏情况。
–刷上适当的底漆,增加墙面的附着力。
2.安装防渗漏材料:–在墙面上安装防渗漏层,以防止水分渗透到结构内部。
–选择合适的防渗漏材料,如防水薄膜、防水涂料等。
3.安装垂直绿化模块:–根据墙面大小和设计要求,选择合适的垂直绿化模块进行安装。
–将垂直绿化模块固定在墙面上,确保模块牢固可靠。
4.填充土壤和肥料:–在每个垂直绿化模块中填充适宜的土壤和有机肥料,以提供植物生长所需的养分和水分。
–根据不同植物的需求,选择合适的土壤配比和肥料种类。
5.植物种植:–根据设计要求,选择适合山西气候条件的植物种子或苗木。
–在垂直绿化模块的土壤中进行种植,按照适当的密度和间距进行布置。
6.灌溉和养护:–建立合理的灌溉系统,确保植物能够获得足够的水分。
–定期对植物进行养护,修剪枝叶、清除杂草等。
四、施工注意事项1.经常性检查墙面结构的稳固性,确保垂直绿化模块的牢固性。
2.注意墙面的防水问题,及时修复漏水情况,避免墙面受潮。
3.植物的选取要考虑山西地区的气候特点和植物生长的要求。
4.灌溉系统要设计合理,避免水分的积聚或过少。
5.定期清理植物长出的杂草,修剪枝叶,确保垂直绿化的整洁和美观。
五、效果预期通过山西墙面垂直绿化施工方案的实施,可以实现以下效果: - 提供城市内的绿化景观,改善城市环境质量。
一、工程背景随着城市化进程的加快,城市绿化已成为提升城市品质、改善居民生活环境的重要举措。
庭院垂直绿化作为一种新型绿化形式,不仅可以美化环境,还能节约土地资源,提高庭院空间的利用率。
本方案旨在为庭院垂直绿化工程施工提供一套科学、合理的施工流程和注意事项。
二、工程目标1. 实现庭院垂直绿化,提高庭院绿化覆盖率;2. 保证绿化植物成活率,形成稳定的植物群落;3. 提升庭院景观效果,美化居住环境;4. 确保施工质量,降低后期维护成本。
三、施工准备1. 工程资料:庭院平面图、立面图、绿化设计图、施工图等;2. 施工材料:绿化植物、种植基质、固定材料、排水设施等;3. 施工工具:挖掘机、推土机、洒水车、喷雾机、喷枪等;4. 人员组织:项目经理、技术员、施工员、绿化员等。
四、施工流程1. 施工前准备:根据设计图纸,确定绿化植物种类、数量、位置等;2. 土地整理:对庭院地面进行平整,清除杂草、杂物,确保土壤肥沃;3. 种植槽开挖:按照设计要求,开挖种植槽,槽深一般为植物根系的2-3倍;4. 种植基质填充:将种植基质填充至种植槽,确保基质均匀、密实;5. 植物种植:按照设计要求,将绿化植物种植于种植槽中,注意植物间距;6. 固定材料安装:将固定材料安装于植物周围,确保植物稳定;7. 排水设施设置:设置排水设施,防止植物根系积水;8. 浇水、施肥:根据植物生长需求,进行浇水和施肥;9. 植物养护:定期进行修剪、除草、病虫害防治等养护工作;10. 施工验收:完成施工后,组织相关部门进行验收。
五、施工注意事项1. 施工前,需对施工人员进行技术交底,确保施工人员掌握施工工艺和质量要求;2. 种植槽开挖时,注意保护地下管线、电缆等设施;3. 种植基质应选用适合植物生长的优质材料,保证植物成活率;4. 植物种植时,注意植物朝向、间距,确保植物生长空间;5. 固定材料应选用耐腐蚀、耐老化材料,确保植物稳定;6. 排水设施应设置合理,防止植物根系积水;7. 施工过程中,注意节约用水、用电,降低施工成本;8. 施工完成后,及时进行养护工作,确保绿化效果。
快看叶菜立体栽培要想好,合适的基质厚度和配比少不了!摘要作者团队就层架式立体基质栽培在基质铺设厚度、基质配比和追肥等环节进行了一系列试验,总结出了一套日光温室叶用莴苣层架式立体基质培技术,现介绍如下,供大家参考。
栽培层架制作栽培层架主要由30 mm×50 mm的多功能角钢组装而成,长1.5 m、宽0.5 m、高1.5 m,共分4层,自上到下依次为1、2、3、4层,层间距均为0.45 m,最下层距地面0.15 m,连接处用螺丝进行固定,各层间用铁片支撑。
为了提高承重能力和减少水分流失,在各层间铺设纱窗和黑膜。
立体层架图基质铺设厚度以育苗基质与羊粪(3:2)复混基质为主,采用春、夏两季温室栽培,研究了不同基质厚度(6、10、14 cm)对叶用莴苣根系环境和产量的影响。
基质厚度影响叶用莴苣的根系环境由图可知,晴天6 cm处理的叶用莴苣根系温度的日较差最大,并且升温和降温都很迅速,而10 cm和14 cm处理的根系温度变化幅度相对较小。
阴天时根系温度日变化幅度均较小,10 cm和14 cm处理的根系最低温均高于6 cm处理,具有一定的保温作用。
不同基质厚度处理下根系温度的日变化对叶用莴苣单株干鲜重的影响由图可以看出,10 cm和14 cm处理的单株鲜重及干重差异不大,但均显著高于6 cm处理。
春季试验中,10 cm和14 cm处理的单株鲜重分别比6 cm处理高45.4%、47.8%,达到了100.3 g和102.0 g,且两处理间差异不显著。
同时,单株干重与其鲜重保持着相同的变化规律,10 cm和14 cm处理的单株干重差异不显著,均高于6 cm处理。
夏季试验与春季试验结果基本一致。
不同基质厚度对叶用莴苣单株鲜重和干重的影响从上述结果可知,基质厚度10 cm和14 cm处理叶用莴苣的根系环境稳定,生长差异较小,均显著优于基质厚度6 cm处理。
综合考虑栽培架承重及成本,认为10 cm厚度的基质适用于叶用莴苣层架式栽培。
山西立体绿化固化基质的制作过程山西立体绿化固化基质,作为现代城市绿化的重要组成部分,不仅能够美化城市环境,还能够起到保护生态环境、调节气候等多种作用。
下面就给大家介绍一下山西立体绿化固化基质的制作过程。
1. 原材料准备首先,需要准备好原材料。
通常使用的原材料包括硅酸盐水泥、珍珠岩、矿渣粉、膨胀珍珠岩、膨化硅酸铝等,这些材料的选用要求环保、无毒、无害,同时具有适当的物理力学性能。
2. 材料配比将准备好的原材料根据一定比例进行混合。
一般情况下,硅酸盐水泥、矿渣粉、膨化硅酸铝的配比为4:4:2,珍珠岩、膨胀珍珠岩各占20%。
同时,需要对混合材料进行适当的搅拌和过筛,以确保混合均匀。
3. 模具制作根据需要制作不同尺寸和形状的模具。
通常选用的材料是铝合金、塑料或玻璃钢等,这些材料具有重量轻、耐腐蚀、易成型等特点。
4. 模具油漆处理在制作模具之前,需要对模具表面进行油漆处理,以确保混凝土材料能够顺利脱模。
通常采用的油漆是脱脂棕榈油或硅脂油等。
5. 混凝土填充把混合好的材料倒入预先准备好的模具之中。
在倒入混合材料之前,一定要在模具底部铺上适当的分层材料,以便于固化和排水。
6. 养护为了确保混凝土材料能够完全固化,需要进行适当的养护工作。
一般来说,采用喷淋水的方式对混凝土进行湿润,这样可以使混凝土表面不开裂、不脱皮。
同时,还需要在混凝土表面覆盖一定厚度的防蒸发材料,以防止水分的挥发。
7. 脱模当混凝土材料完全固化后,可以进行脱模操作。
这时,需要轻轻敲击模具,使其与混凝土材料分离,然后将模具缓缓倾斜即可脱模。
经过以上的制作过程,山西立体绿化固化基质就能够制作完成了。
该材料具有质轻、透气、透水、保水性能好等特点,可以在城市建设中发挥重要作用。
窗台垂直绿化施工方案范本1. 引言窗台垂直绿化是指在建筑窗台上进行垂直绿化的一种方式。
它不仅可以增加建筑的美观度,还可以改善环境,提供氧气,吸收有害物质,减少噪音和空气污染等。
本文档旨在提供窗台垂直绿化施工方案的范本,以便在实际施工中能够有一个参考。
2. 施工材料及工具在进行窗台垂直绿化施工之前,我们需要准备以下材料和工具:•绿化植物:选择适合窗台垂直绿化的植物,如常见的藤本植物、灌木植物等。
•垂直种植容器:选择适合窗台垂直绿化的种植容器,可以是塑料盆、金属支架等。
•基质材料:选择适合植物生长的基质材料,如泥土、腐殖土等。
•支架材料:选择适合窗台垂直绿化的支架材料,如金属支架、竹木支架等。
•灌溉系统:选择合适的灌溉系统,如滴灌系统、喷灌系统等。
•工具:如铲子、剪刀、扳手、螺丝刀等。
3. 施工步骤3.1 准备工作1.测量窗台尺寸:首先需要测量窗台的尺寸,包括长度、宽度和深度,以便确定适合的种植容器和支架材料。
2.清理窗台:清理窗台表面的灰尘、杂草等杂物,以保证施工的顺利进行。
3.2 安装支架1.根据窗台尺寸选择合适的支架材料,并进行加工处理。
2.使用螺丝刀等工具将支架材料固定在窗台上,确保其牢固稳定。
3.3 种植绿化植物1.挑选适合窗台垂直绿化的绿化植物,并优先选择当地适应性良好的品种。
2.选择适合的垂直种植容器,并在容器底部设置排水孔,用于排除多余的水分。
3.在容器中倒入适量的基质材料,将绿化植物根部放入基质中,并用基质材料填充周围空隙,确保根系牢固。
4.根据种植容器尺寸和窗台空间的大小,合理安排绿化植物的位置和数量,保证整体美观。
3.4 安装灌溉系统1.根据实际情况选择合适的灌溉系统,并进行安装。
2.将灌溉系统的出水口安装在窗台附近,并确保水流能够覆盖到所有的绿化植物。
3.连接水源,并进行试验,确保水流稳定和适量。
3.5 养护和管理1.定期检查窗台垂直绿化的状态,包括绿化植物的生长状况、灌溉系统的运行状况等。