统计学期末复习计算题
- 格式:doc
- 大小:269.00 KB
- 文档页数:23
统计学期末考试题库及答案一、选择题(每题2分,共20分)1. 总体参数与样本统计量的主要区别在于:A. 数值大小B. 是否具有确定性C. 是否可测量D. 是否随机2. 下列哪个不是描述性统计的内容?A. 均值B. 方差C. 标准差D. 抽样3. 正态分布的特点是:A. 均值、中位数、众数相等B. 均值、方差、标准差相等C. 均值、方差、众数相等D. 中位数、方差、众数相等4. 以下哪个是参数估计中的点估计?A. 置信区间B. 标准误差C. 样本均值D. 样本方差5. 假设检验的基本步骤不包括:A. 建立假设B. 选择检验统计量C. 计算P值D. 确定样本容量二、填空题(每题2分,共10分)6. 统计学中,数据分为________和________。
7. 相关系数的取值范围是________。
8. 统计学中的“大数定律”指的是________。
9. 抽样分布中的t分布适用于________。
10. 回归分析中,决定系数(R²)的取值范围是________。
三、简答题(每题5分,共20分)11. 简述中心极限定理的含义。
12. 解释什么是标准正态分布,并说明其特点。
13. 说明什么是置信区间,并解释其在统计推断中的作用。
14. 描述线性回归分析的基本原理。
四、计算题(每题10分,共40分)15. 给定一组数据:2, 3, 5, 7, 11,请计算其均值、中位数和标准差。
16. 假设某工厂产品的重量服从正态分布,均值为50克,标准差为2克。
如果从该工厂随机抽取100个产品,求这100个产品的平均重量的95%置信区间。
17. 已知两组数据X和Y的相关系数为0.8,X的样本均值为10,样本标准差为2,Y的样本均值为15,样本标准差为3。
请计算线性回归方程。
18. 假设进行一项实验,得到以下数据:组1平均值为5,标准差为1;组2平均值为7,标准差为2。
如果进行两独立样本t检验,求t值和P值。
五、论述题(每题10分,共10分)19. 论述在实际研究中,如何选择合适的统计方法来分析数据,并举例说明。
统计学期末综合测试一、单项选择题(每小题1分,共20分)1、社会经济统计的数量特点表现在它是().A一种纯数量的研究B从事物量的研究开始来认识事物的质C从定性认识开始以定量认识为最终目的D在质与量的联系中,观察并研究社会经济现象的数量方面2、欲使数量指标算术平均法指数的计算结果、经济内容与数量指标综合法指数相同,权数应是( )。
ABCD3、如果你的业务是销售运动衫,哪一种运动衫号码的度量对你更为有用( ).A均值 B中位数 C众数 D四分位数4、某年末某地区城市人均居住面积为20平方米,标准差为8。
4平方米,乡村人均居住面积为30平方米,标准差为11。
6平方米,则该地区城市和乡村居民居住面积的离散程度().A 乡村较大 B城市较大C 城市和乡村一样 D不能比较5、某厂某种产品生产有很强的季节性,各月计划任务有很大差异,今年1月超额完成计划3%,2月刚好完成计划,3月超额完成12%,则该厂该年一季度超额完成计划( )。
A 3%B 4%C 5%D无法计算6、基期甲、乙两组工人的平均日产量分别为70件和50件,若报告期两组工人的平均日产量不变,乙组工人数占两组工人总数的比重上升,则报告期两组工人总平均日产量().A上升 B下降 C 不变 D可能上升也可能下降7、同一数量货币,报告期只能购买基期商品量的90%,是因为物价()。
A上涨10。
0% B上涨11。
1% C下跌11.1% D下跌10.0%8、为消除季节变动的影响而计算的发展速度指标为( )。
A环比发展速度 B年距发展速度 C定基发展速度 D平均发展速度9、计算无关标志排队等距抽样的抽样误差,一般采用()。
A简单随机抽样的误差公式 B分层抽样的误差公式C等距抽样的误差公式 D整群抽样的误差公式10、我国统计调查方法体系改革的目标模式是以( )为主体。
A抽样调查B普查C统计报表D重点调查11、设总体分布形式和总体方差都未知,对总体均值进行假设检验时,若抽取一个容量为100的样本,则可采用()。
统计学计算题复习(学生版)统计学复习提纲一、期末考卷题型1. 单项选择题;2. 多项选择题;3. 简答题4. 计算题二、知识点复习1. 统计学分类、指标、变量、参数、统计量等概念,以及各种统计图形;2.统计数据的相关内容,以及测量数据分布的测度的描述;平均数、中位数和众数的计算公式。
3. 调查的各种方式; 4. 组距数列的相关概念。
5. 置信区间的相关概念,以及单个总体均值、比例、方差的区间估计;6. 估计单个总体均值、比例时的样本容量的计算公式;7. 单个总体均值、比例、方差的假设检验;8. 相关系数和回归系数的相关知识;9. 一元、二元回归模型的EXCEL操作结果的解释以及模型的建立和检验;10. 时间序列的各种分类;平均速度等指标、移动平均法的概念等;平均发展水平的计算和季节指数的计算; 11.统计指数的相关概念,制作综合指数要点和原则,综合指数、平均指数的计算。
1统计学计算题复习一.平均数、中位数和众数的计算和三者之间的关系1.算术平均数。
也叫均值,是全部数据的算术平均,是集中趋势的最主要测度值。
主要适用于定距数据和定比数据,但不适用于定类数据和定序数据。
2.众数。
众数是一组数据中出现次数最多的变量值,用Mo表示。
主要用于测度定类数据的集中趋势。
组距式数列确定众数,是先根据出现次数确定众数所在组,然后利用下列公式计算众数的近似值:M?L?0f?f?1?i (f?f?1)?(f?f?1) 3.中位数。
中位数是一组数据按从小到大排序后,处于中间位置上的变量值,用Me表示。
主要用于测度定序数据的集中趋势。
分组数据计算中位数时,先根据公式N确定中位数所在的组,然后用下列公式计算2N?Sm?1中位数的近似值: M?L?2?i efm4.众数、中位数和算术平均数的关系 x?Me?Mo,数据是对称分布; x<Me<Mo,数据是左偏分布; x>Me>Mo,数据是右偏分布。
例题1:某地区有下列资料:人均月收入400以下400~500 500~600 600~700 700~800 800~900 900以上合计要求计算算术平均数、众数、中位数。
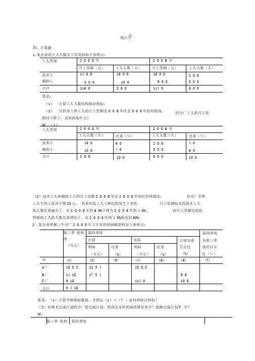
四、计算题1.某企业的工人人数及工资资料如下表所示:(2)技术工人和辅助工人的月工资额2 0 0 6年比2 0 0 5年相比有所提高,但全厂全体工人平均工资却下降20元, 其原因是工人工种结构发生了变化。
月工资额较高的技术工人的人数比重减少了,从2 0 0 5年的6 0%下降为2 0 0 6年的4 0%; 而月工资额比较低的辅助工人的人数比重增加了,由2 0 0 5年的4 0%提高到60%。
2 .某企业所属三个分厂2 0 0 5年下半年的利润额资料如下表所示:要求:(1)计算空格指标数值,并指出(1)〜(7 )是何种统计指标?(2)如果未完成计划的分厂能完成计划,则该企业的利润将增加多少?超额完成计划多 少?解:八、统计学要求:(1) 计算工人人数结构相对指标:(2) 分析各工种工人的月工资额2 0 0 6年比2 0 0 5年均有提高,额却下降了,其原因是什么? 但全厂工人的月工资(1) :表中(1) (2) (4)为总量指标,(3) (5) (5)为结构相对指标,(6)为计划完成情况相对指标, (2) B 分厂计划利润1 7 2 4万元,实际只完成1 6 3 7.划,则该企业的利润将增加8 6.2万元(1 7 2 4 — 1 6 3 成计划 1 7 8. 2 9 万元,(4135.8 + 8 6. 2 ) 超额4. 41%.(178.29/4043.71=4.41 %)3 .某地区商业局下属 20个零售商店,某月按零售计划完成百分比资料分组如下:要求:计算该局平均计划完成程度。
-200 + 1000 + 800 2000 工 ----- 二 ------------------ 二 -------- =107 61%P 附 2001000 ^SOO 1358.56'7 両帀 rB4 .某企业1999年某月份按工人劳动生产率高低分组的有关资料如下:(6) (7)为相对指标。
其中(3)(7)为动态相对指标。
统计学期末考试试题(一)1、一个统计总体( d )A、只能有一个标志B、只能有一个指标C、可以有多个标志D、可以有多个指标2、调查某大学2000名学生学习情况,则总体单位是( C )A 、2000名学生B、2000名学生的学习成绩C、每一名学生D、每一名学生的学习成绩3、某地进行国有商业企业经营情况调查,则调查对象是( b )。
A、该地所有商业企业B、该地所有国有商业企业C、该地每一国有商业企业D、该地每一商业企业4、以下哪种调查的报告单位与调查单位是一致的( C )。
A、工业普查B、工业设备调查C、职工调查D、未安装设备调查5、某市进行工业企业生产设备普查,要求在7月1日至7月10日全部调查完毕,则这一时间规定是( b )。
A、调查时间B、调查期限C、标准时间D、登记期限6、某连续变量分为5组:第一组为40——50,第二组为50——60,第三组为60——70,第四组为70——80,第五组为80以上,则( B )A、50在第一组,70在第四组B、60在第三组,80在第五组C、70在第四组,80在第五组D、80在第四组,50在第二组7、已知某局所属12个工业企业的职工人数和工资总额,要求计算该局职工的平均工资,应该采用( a )A、简单算术平均法B、加权算术平均法C、加权调和平均法D、几何平均法8、用水平法检查长期计划完成程度,应规定( B )A、计划期初应达到的水平B、计划期末应达到的水平C、计划期中应达到的水平D、整个计划期应达到的水平9、某地区有10万人,共有80个医院。
平均每个医院要服务1250人,这个指标是( C )。
A、平均指标B、强度相对指标C、总量指标D、发展水平指标10、时间序列中,每个指标数值可以相加的是( b )。
A、相对数时间序列B、时期数列C、间断时点数列D、平均数时间序列11、根据时间序列用最小平方法配合二次曲线,所依据的样本资料的特点是( b )。
A 、时间序列中各期的逐期增长量大体相等B 、各期的二级增长量大体相等C 、各期的环比发展速度大体相等D 、各期同比增长量的大体相12、红星机械厂计划规定,今年甲产品的单位产品成本比去年降低4%,实际执行的结果降低了5%,则该产品单位成本降低计划完成程度的算式为C )。
统计学期末考试题库及答案一、单项选择题(每题2分,共20分)1. 统计学中,数据的收集方法不包括以下哪一项?A. 观察法B. 实验法C. 调查法D. 推理法答案:D2. 以下哪一项不是统计数据的类型?A. 定量数据B. 定性数据C. 时间序列数据D. 空间数据答案:D3. 在统计分析中,以下哪一项不是描述性统计的内容?A. 数据的集中趋势B. 数据的离散程度C. 数据的分布形态D. 数据的预测分析答案:D4. 以下哪个统计量用于描述数据的离散程度?A. 平均数B. 中位数C. 众数D. 标准差答案:D5. 相关系数的取值范围是?A. -1到1之间B. 0到1之间C. -1到0之间D. 0到正无穷答案:A6. 以下哪一项是统计推断的主要内容?A. 描述性统计B. 概率论C. 假设检验D. 数据收集答案:C7. 以下哪一项不是非参数统计分析的方法?A. 卡方检验B. 秩和检验C. 符号检验D. t检验答案:D8. 在回归分析中,以下哪一项不是回归模型的基本组成部分?A. 因变量B. 自变量C. 误差项D. 常数项答案:D9. 以下哪一项不是时间序列分析的主要方法?A. 移动平均法B. 指数平滑法C. 回归分析D. 聚类分析答案:D10. 以下哪一项不是多元统计分析的内容?A. 聚类分析B. 判别分析C. 因子分析D. 描述性统计答案:D二、多项选择题(每题3分,共30分)11. 以下哪些是统计学的主要分支?A. 描述性统计B. 推断性统计C. 应用统计学D. 理论统计学答案:A, B, C, D12. 在统计学中,以下哪些是常见的概率分布?A. 正态分布B. 二项分布C. 泊松分布D. 均匀分布答案:A, B, C, D13. 以下哪些是统计学中用于描述数据集中趋势的统计量?A. 平均数B. 中位数C. 众数D. 方差答案:A, B, C14. 以下哪些是统计学中用于描述数据离散程度的统计量?A. 极差B. 标准差C. 方差D. 变异系数答案:A, B, C, D15. 以下哪些是统计学中用于描述数据分布形态的统计量?A. 偏度B. 峰度C. 标准差D. 四分位数间距答案:A, B, D16. 在统计推断中,以下哪些是常见的假设检验方法?A. Z检验B. t检验C. F检验D. 卡方检验答案:A, B, C, D17. 以下哪些是时间序列分析中常用的方法?A. 移动平均法B. 指数平滑法C. 自回归模型D. 季节性分解答案:A, B, C, D18. 在多元统计分析中,以下哪些是常用的方法?A. 聚类分析B. 判别分析C. 主成分分析D. 因子分析答案:A, B, C, D19. 以下哪些是统计学中用于数据可视化的方法?A. 条形图B. 折线图C. 散点图D. 饼图答案:A, B, C, D20. 以下哪些是统计学中用于数据预处理的方法?A. 数据清洗B. 数据转换C. 数据归一化D. 数据降维答案:A, B, C, D三、判断题(每题2分,共20分)21. 统计学中的样本量越大,估计的准确性就越高。
期末复习题一、判断题(把正确的符号“√”或错误的符号“×”填写在题后的括号中。
)1.社会经济统计的研究对象是社会经济现象总体的各个方面。
(×)2.在全国工业普查中,全国企业数是统计总体,每个工业企业是总体单位。
(×)3.总体单位是标志的承担者,标志是依附于单位的。
(√)4.在全国工业普查中,全国工业企业数是统计总体,每个工业企业是总体单位。
(×)5.全面调查和非全面调查是根据调查结果所得的资料是否全面来划分的(×)。
6.调查单位和填报单位在任何情况下都不可能一致。
(×)7.对全同各大型钢铁生产基地的生产情况进行调查,以掌握全国钢铁生产的基本情况。
这种调查属于非全面调查。
(√)8.统计分组的关键问题是确定组距和组数(√)9.总体单位总量和总体标志总量是固定不变的,不能互相变换。
(×) 10.相对指标都是用无名数形式表现出来的。
()11.国民收入中积累额与消费额之比为1:3,这是一个比较相对指标。
(×)12.抽样推断是利用样本资料对总体的数量特征进行估计的一种统计分析方法,因此不可避免的会产生误差,这种误差的大小是不能进行控制的。
(×)13.从全部总体单位中按照随机原则抽取部分单位组成样本,只可能组成一个样本。
(×) 14.在抽样推断中,作为推断的总体和作为观察对象的样本都是确定的、唯一的。
(×) 15.抽样估计置信度就是表明抽样指标和总体指标的误差不超过一定范围的概率保证程度。
(√) 16.在其它条件不变的情况下,提高抽样估计的可靠程度,可以提高抽样估计的精确度。
(×) 17.施肥量与收获率是正相关关系。
(×) 18.计算相关系数的两个变量都是随机变量(√) 19.利用一个回归方程,两个变量可以互相推算(×) 20.数量指标作为同度量因素,时期一般固定在基期(×)。
第三章 统计资料的整理 五.练习题试按计划完成程度作如下的分组表:2.今有某车间40名工人日产量资料如下(单位:件);80,90,63,97,105,52,69,78,109,98,92,83,83,70,76,75,94,81,85,100,70,88,73,78,64,88,61,81,98,89,96,64,75,88,108,82,67,85,95,58(1) 试编制等距数列,并计算各组频率(提示:以50-60件为第一组) (2)绘制次数分布直方图和折线图。
第四章总量指标和相对指标 五、计算题1.某企业今年计划产值比去年增长5%,实际计划完成108%,问今年产值比去年增长多少?2.我国2001年高校招生及在校生资料如下:(2)计算普通高校与成人高校招生人数比;(3)计算成人高校在校生数量占所有高校在校生数量的重。
(2)计算2001年进出口总额比例相对数及出口总额增长速度; (3)分析我国进出口贸易状况。
4.根据下列资料,计算强度相对数的正指标和逆指标,并根据正指标数值分析该地区5.某公司下属三个企业有关资料如下表,试根据指标之间的关系计算并填写表中所缺数第六章 动态数列习题五、计算题1.某公司某年9月末有职工250人,10月上旬的人数变动情况是:10月4日新招聘12名大学生上岗,6日有4名老职工退休离岗,8日有3名青年工人应征入伍,同日又有3名职工辞职离岗,9日招聘7名营销人员上岗。
试计算该公司10月上旬的平均在岗人数。
(2)分别计算该银行2005年第一季度、第二季度和上半年的平均现金库存额。
(2)计算该地区2001—2005年间的平均国民生产总值。
(3)计算2002—2005年间国民生产总值的平均发展速度和平均增长速度。
(2)计算该企业第四季度劳动生产率。
(2)应用最小平方法配合趋势直线,并计算各年的趋势值。
第七章统计指数习题五、计算题1.某市1999年第一季度社会商品零售额为36200万元,第四季度为35650万元,零售物价下跌0.5%,试计算该市社会商品零售额指数、零售价格指数和零售量指数,以及由于零售物价下跌居民少支出的金额。
统计学原理期末复习(计算题)1.某单位40名职工业务考核成绩分别为:68 89 88 84 86 87 75 73 72 6875 82 97 58 81 54 79 76 95 76 71 60 90 65 76 72 76 85 89 9264 57 83 81 78 77 72 61 70 81单位规定:60分以下为不及格,60─70分为及格,70─80分为中,80─90 分为良,90─100分为优。
要求:(1) 将参加考试的职工按考核成绩分组并编制一张考核成绩次数分配表; (2)指出分组标志及类型及采用的分组方法;(3)根据整理表计算职工业务考核平均成绩; (4)分析本单位职工业务考核情况。
解:(1)(2)分组标志为”成绩”,其类型为"数量标志”;分组方法为:变量分组中的开放组距式分组,组限表示方法是重叠组限;(3)平均成绩:77403080==∑∑=f xf x (分)(4)本单位的职工考核成绩的分布呈两头小, 中间大的" 正态分布”的形态,平均成绩为77分,说明大多数职工对业务知识的掌握达到了该单位的要求。
2.某车间有甲、乙两个生产组,甲组平均每个工人的日产量为36件, 标准差为9.6要求:⑴计算乙组平均每个工人的日产量和标准差;⑵比较甲、乙两生产小组哪个组的日产量更有代表性? 解:(1) 50.291001345343538251515=⨯+⨯+⨯+⨯==∑∑fxf X (件)986.8)(2=-=∑∑ffX x σ(件)(2)利用标准差系数进行判断: 267.0366.9===X V σ甲 305.05.29986.8===XV σ乙 因为0.305 〉0。
267故甲组工人的平均日产量更有代表性.3.采用简单随机重复抽样的方法,在2000件产品中抽查200件,其中合格品190件。
要求:(1)计算合格品率及其抽样平均误差(2)以95。
45%的概率保证程度(t=2)对合格品率和合格品数量进行区间估计。
统计学基础期末考试复习题及答案1.指标是说明总体特征的,标志是说明总体单位特征的,所以()。
(分值:A.标志和指标之间的关系是固定不变的B.标志和指标之间的关系是可以变化的(正确答案)C.标志和指标都是可以用数值表示的D.只有指标才可以用数值表示2.统计最基本的职能是()。
(分值:A.信息职能(正确答案)B.咨询职能C.反映职能D.监督职能3.“统计” 一词的三种涵义是()。
(分值:A.统计活动.统计资料和统计学(正确答案)B.统计调查.统计整理和统计分析C.统计设计.统计分析和统计预测D.统计方法.统计分析和统计预测4.统计活动过程一般由四个环节构成,即()。
(分值:A.统计调查.统计整理.统计分析和统计决策B.统计调查.统计整理.统汁分析和统计预测C.统计设计.统计调查.统计审核和统计分析D.统计设计.统计调查.统计整理和统计分析(正确答案)5.调查某市职工家庭的生活状况时,统计总体是()0 (分值:A.该市全部职工家庭(正确答案)B.该市每个职工家庭C.该市全部职工D.该市职工家庭户数7.由于电子计算机的广泛使用,手工汇总已没有必要使用了。
对错(正确答案)8.对某市工程技术人员进行普查,该市工程技术人员的工资收入水平是数量标©对(正确答案)错9.对我国主要粮食作物产区进行调查,以掌握全国主要粮食作物生长的基本情况,这种调查是重点调查。
对(正确答案)错10.我国人口普查的总体单位和调查单位都是每一个人,而填报单位是户。
对(正确答案)错11.调查单位和填报单位在任何情况下都不可能一致。
对错(正确答案)12.社会经济统计工作的研究对象是社会经济现象总体的数量方面。
对(正确答案)错13.全面调查包拈普查和统计报表。
对错(正确答案)14.由《中国统计年鉴》获得的数据属于直接的统计数据。
对错(正确答案)15.普查具有调查费用低,时效性高,适应面广,准确性高等特点。
对错(正确答案)16.普查一般要规定统一的标准调查时间,以避免调查数据的重复和遗漏。
统计学期末复习题库一、选择题1. 在统计学中,用于描述数据集中趋势的度量是()。
A. 方差B. 标准差C. 平均数D. 中位数2. 以下哪个选项不是统计学中的概率分布?()A. 正态分布B. 二项分布C. 泊松分布D. 均匀分布3. 相关系数的取值范围是()。
A. -1 到 1B. 0 到 1C. -∞ 到∞D. 0 到∞4. 以下哪个选项是参数估计中的概念?()A. 样本均值B. 总体均值C. 样本方差D. 总体方差5. 假设检验的目的是()。
A. 确定总体参数的确切值B. 检验总体参数是否等于某个特定值C. 计算样本数据的方差D. 预测未来数据的趋势二、填空题1. 统计学中的________是指数据的离散程度。
2. 在统计学中,________分布是描述数据分布形态的一种方法。
3. 统计学中,________是用来衡量两个变量之间线性关系强度和方向的统计量。
4. 统计学中,________估计是指用样本统计量来估计总体参数的过程。
5. 进行假设检验时,如果检验结果拒绝了零假设,则我们认为________。
三、简答题1. 简述统计学中的抽样误差及其对数据分析的影响。
2. 描述统计学中回归分析的基本步骤。
3. 什么是置信区间?它在统计推断中的作用是什么?4. 解释什么是假设检验,并举例说明其在实际研究中的应用。
5. 统计学中,如何确定样本量的大小?四、计算题1. 给定一组数据:10, 12, 15, 18, 20。
计算这组数据的平均数和标准差。
2. 假设某次调查中,一个样本的均值为50,标准差为10,样本容量为30。
计算该样本的95%置信区间。
3. 某公司对员工满意度进行调查,调查结果显示,员工满意度与工作年限呈正相关。
如果相关系数为0.5,解释这意味着什么。
4. 一家公司想要检验其新产品的销售额是否高于行业平均水平。
如果零假设是销售额等于行业平均水平,备择假设是销售额高于行业平均水平,使用t检验进行假设检验。
统计学期末考试试卷一、选择题(每题2分,共20分)1. 统计学中,用于描述数据集中趋势的度量是()。
A. 方差B. 标准差C. 平均数D. 中位数2. 在统计分析中,以下哪项不是数据的类型()。
A. 定性数据B. 定量数据C. 离散数据D. 连续数据3. 以下哪个选项是统计学中用于描述数据分布形状的统计量()。
A. 均值B. 众数C. 峰度D. 偏度4. 假设检验中,用于确定拒绝或不拒绝原假设的临界值是()。
A. 显著性水平B. 置信区间C. P值D. 检验统计量5. 回归分析中,用于衡量自变量对因变量影响大小的统计量是()。
A. 相关系数B. 回归系数C. 决定系数D. 标准误差6. 在统计学中,以下哪项不是描述数据离散程度的度量()。
A. 极差B. 四分位距C. 标准差D. 均值7. 以下哪项是用于衡量数据分布中心趋势的统计量()。
A. 方差B. 标准差C. 众数D. 极差8. 统计学中,用于描述数据分布的对称性的统计量是()。
A. 均值B. 众数C. 偏度D. 峰度9. 在统计分析中,以下哪项不是数据的类型()。
A. 定类数据B. 定序数据C. 定距数据D. 定比数据10. 以下哪个选项是统计学中用于描述数据分布形状的统计量()。
A. 均值B. 众数C. 峰度D. 偏度二、填空题(每题2分,共20分)1. 统计学中,用于描述数据离散程度的度量之一是________。
2. 在统计分析中,数据的类型包括定性数据和________。
3. 统计学中,用于描述数据分布形状的统计量之一是________。
4. 假设检验中,用于确定拒绝或不拒绝原假设的临界值是________。
5. 回归分析中,用于衡量自变量对因变量影响大小的统计量是________。
6. 在统计学中,用于描述数据分布中心趋势的统计量之一是________。
7. 统计学中,用于描述数据分布的对称性的统计量是________。
8. 在统计分析中,数据的类型包括定类数据、定序数据、定距数据和________。
统计学原理期末复习题一、判断题(对的打“√”,错的打“×”。
每题2分,共计10分)1、离散变量的数值包括整数和小数。
(×)错2、全面调查只适用于有限总体的调查。
(√)对3、人口普查可以经常进行,所以它属于经常性调查。
(×)错4、在等距数列中,组距的大小与组数的多少成反比。
(√)对5、在确定组限时,最小组的下限应高于最小变量值。
(×)错6、全国人均国民生产总值,属于强度相对数。
(√)对7、某企业工人劳动生产率,计划提高5%,实际提高10%,则劳动生产率的计划完成度为104.76%(√)对8、已知一组数列的方差为9,离散系数为30%,则其平均数等于30%。
(×)错9、任何一个事件,它的概率有可能存在大于1的情况。
(×)错10、抽样调查的目的在于用抽样指标去推断总体指标。
(√)对11、已知两个变量直线回归方程为:,则可断定这两个变量之间一定存在正相关关系。
(√)对12、在计算综合指数时,要求同度量因素不变。
(√)对13、某地人均粮食产量为800千克,人均粮食消费量为400千克,这两个指标都是强度相对指标。
(×)错二、单选题(每题2分,共计20分)1、统计总体最基本的特征是(B )A、数量性B、同质性C、综合性D、差异性2、统计总体的同质性是指( D )A、总体单位各标志值不应有差异B、总体单位各项指标都是同类性质的指标C、总体全部单位在所有标志上具有同类性质D、总体全部单位在某一个或几个标志上具有同类性质3、划分全面调查与非全面调查的标志是(B )A、资料是否齐全B、调查单位是否全部C、调查时间是否连续D、调查项目是否齐全4、在非全面调查中,最完善、最有科学根据的调查方法是(C )A、重点调查B、典型调查C、抽样调查D、普查5、调查工业企业设备情况时,工业企业是(C)A、调查对象B、调查单位C、报告单位D、调查单位和报告单位6、某连续变量,其末组为开口组,下限为500;又知其邻组的组中值为480,则其末组的组中值为(D )A、490B、500C、510D、5207、某种商品的年末库存额是(D )A、时期指标和实物指标B、时点指标和实物指标C、时期指标和价值指标D、时点指标和价值指标8、人口自然增长率,属于(C )A、结构相对数B、比较相对数C、强度相对数D、比例相对数9、平均数反映了总体分布的(A )A、集中趋势B、离中趋势C、长期趋势D、基本趋势10、下列指标中,不属于平均数的是(A )A、某省人均粮食产量B、某省人均粮食消费量C、某企业职工的人均工资收入D、某企业工人劳动生产率11、标准差的大小取决于(D )A、平均水平的高低B、标志值水平的高低C、各标志值与平均水平离差的大小D、各标志值与平均水平离差的大小和平均水平的高低12、把全部产品分为一级品、二级品和三级品,其中一级品占全部产品的比重为70%,则这个70%属于(B )A、平均数B、结构相对数C、具有某一属性的单位数在总体中的成数PD、不具有某一属性的单位数在总体中的成数q13、几位学生的某门课成绩分别是67分、78分、88分、89分、96,易知学生成绩的平均数是( CA、84B、78C、83.6D、9614、A类股票的平均收益率是25%,标准差是5%;B类股票的平均收益率是30%,标准差是5.7%。
四、计算题(共50分。
其中1小题10分;2小题15分;3小题10分;4小题15分)1.根据以往生产数据,某种产品的废品率为2%。
如果要求95%的置信区间,估计误差不超过4%,应该抽取多大的样本?根据已知条件P=2%,96.12=αZ ;E=4%=⨯=⨯=-⋅=122584.30016.096.196.1)1(2222EP P Z n α4704试用指数体系法分析销售额的变动。
(1)销售额变动 %116750870011==∑=∑q p q p K pq )(1207508700011万元=-=∑-∑q p q p (2)销售量指数 %93.11075083200000010==∑∑=∑=∑q p q Kp q p q p K q)(827508320010万元=-=∑-∑q p q p(3)销售价格指数 %57.10483287000111011==∑∑=∑∑=q kp q p q p q p K p )(38832870101万元=-=∑-∑q p q p (4)指数体系绝对数 120万元=82万元+38万元 相对数 116%=110.93%×104.57%(5)文字说明:该商店三种商品销售额报告期比基期增长了16%,增加120万元。
这是由销量和价格两因素变动引起的。
其中,价格固定在每种商品各自的基期水平,由于销量的变动使得总销售额比基期提高了10.93%,增加82万元;把销量固定在每种商品各自的报告期水平,由于价格的变动使得总销售额比基期提高了4.57%,增加了38万元。
试计算该企业第二季度平均每月全员劳动生产率。
(10分)解:第二季度平均每月总产值)(12203137011201170万元=++=∑=n a a第二季度平均每月职工人数1421214321-+++=b b b b b)(8.631.7219.67.05.621千人=⨯+++⨯=该企业第二季度平均每月全员劳动生产率bac =()人元千人万元/12.17948.61220==(1)计算相关系数,判断其相关程度;(2)建立以总成本为因变量的回归直线方程,并预测当木材消耗量为2.5米3时,总成本将达到多少千元?4、①r=2222)()(∑∑∑∑∑∑∑-⋅--y y n x x n yx xy n =0.75 中度正相关②b==--∑∑∑∑∑22)(x x n y x xy n 0.758a=y -b x =1.265 x Y c 758.0265.1+=当x=2.5时,总成本16.35.2758.0265.1=⨯+=c y (千元)。
统计学期末复习第四章动态数列一、单项选择题1.动态数列的构成要素是()A.变量和次数 B.时间和指标数值 C.时间和次数 D.主词和宾词2.动态数列中,每个指标数值可以相加的是()A.相对数动态数列 B.时期数列 C.间断时点数列 D.平均数动态数列3.定基增长速度与环比增长速度的关系是()A.定基增长速度等于相应的各个环比增长速度的算术和B.定基增长速度等于相应的各个环比增长速度的连乘积C.定基增长速度等于相应的各个环比增长速度加1后的连乘积再减去1D.定基增长速度等于相应的各个环比增长速度连乘积加1(或100%)4.假定某产品产量2017年比2012年增加35%,则2017年比2011年的平均发展速度为()A.5%35 B.6%35 C.5%135 D.6%1355.某企业五年销售收入如下:200万元,220万元,250万元,300万元,320万元则平均增长量为()A.5120 B.4120 C.5200320 D.42003206.某市2017年末有人口750万人,有零售商业网点3万个,则该市商业网点密度指标是()A.2.5千人/个 B.250人/个 C.0.25个/千人 D.250个/人7.年距增长速度的计算公式是()A.年距增长量/最初水平 B.逐期增长量/最初水平C.逐期增长量/前期水平 D.年距增长量/上年同期发展水平8.动态数列中的发展水平()A.只能是总量指标 B.只能是相对指标 C.只能是平均指标 D.上述三种指标均可9.增长1%的绝对度值是()A.水平指标 B.速指标 C.水平与速度相结合的指 D.什么也不是10.某农贸市场土豆价格2月分比1月份上升5%,3月份比2月份下降2%,,则3月份土豆与1月份相比()A.提高2.9% B.提高3% C.下降3% D.下降2%百度文库@山山1224走四方,获取最新最全资源:大学期末复习资料,本科论文二、判断题1.两个相邻的定基发展速度之商等于相应的环比发展速度。
第四章 统计特征值1.某车间工人日生产零件分组资料如下:(2)说明该数列的分布特征。
解:()()()())(71.6571.560105080408060111个=+=⨯-+-+=⋅-+-+=+--i f f f f L M o)(6556010806022006021个=+=⨯-+=⋅-+=-i f S N L M m m e)(5.6420012900个===∑∑fxfx因为o e <M <M x,所以,该数据分布属于左偏分布。
2.某公司所属三个企业生产同种产品,2002年实际产量、计划完成情况及产品优质品率资料如下:(2)该公司实际的优质品率。
解:(1)产量计划完成百分比:%95.9320.5325008.02501.11502.1100250150100==++++==∑∑x m m x(2)实际优质品率:%8.9650048425015010098.025096.015095.0100==++⨯+⨯+⨯==∑∑fxf x3.某企业2003年一、二季度生产某产品产量资料如下:(2)由于质量变化而给该企业带来的收益(或损失)。
解:(1)平均等级:)(22.150********310027501111级=++⨯+⨯+⨯==∑∑f xf x)(5.1100300600100330026001222级=++⨯+⨯+⨯==∑∑fxf x二季度比一季度平均等级下降0.28级。
(2)由于质量下降而带来的损失:)(33.1683501007505080010012507501800111元=++⨯+⨯+⨯==∑∑f pf p)(153510030060010080030012506001800222元=++⨯+⨯+⨯==∑∑fpf p()())(148330100033.16831535212元-=⨯-=⋅-∑f p p由于产品质量下降而损失148330元。
4.某区两个菜场有关销售资料如下:解:)(82.2200556505.315008.219505.22200150019502200元==++++==∑∑x m m x 甲)(98.257.221366005.330008.219505.21650300019501650元==++++==∑∑x m m x 乙乙菜场比甲菜场平均价格高0.16元,理由是销售量结构变动影响。
5.某班同学《统计学》成绩资料如下:解:17.73604390===∑∑fxf x (分)()39.126006.92052==-=∑∑ffx x σ(分)17.017.7339.12===x V σσ或17%6.根据下表资料,试用动差法计算偏度系数和峰度系数,并说明其偏斜程度和峰度:解:5350570156020501040=⨯+⨯+⨯+⨯==∑∑fxf x (只)9504050)(2==-=∑∑ffx x σ(只)144507200)(33==-=∑∑ffx x V 1481750740850)(44==-=∑∑ff x x V20.091443333===σαV26.29148174444===σαV属于轻微的右偏分布,属于平顶峰度。
7.计算5、13、17、29、80和150这一组数据的算术均值、调和均值和几何均值,并比较它们之间的大小。
解:496150802917135=+++++==∑nx x41.1515018012911711315161=+++++==∑xn H M97.261508029171356=⨯⨯⨯⨯⨯=∏=n M x G x <<G H M M第六章 抽样推断1.、某地区粮食播种面积共5000亩,按不重复抽样方法随机抽取了100亩进行实测。
调查结果,平均亩产为450公斤,亩产量的标准差为52公斤。
试以95的置信度估计该地区粮食平均亩产量的区间。
解:2.某地对上年栽种一批树苗共3000株进行了抽样调查,随机抽查的200株树苗中有170株成活。
试以95.45%的概率估计该批树苗的成活率的置信区间和成活总数的置信区间。
解:45004000%;90%80≤≤≤≤NP P3.某公司有职工3000人,现从中随机抽取60人调查其工资收入情况,得到有关资料如下:(2)试以0.9545的置信度估计月收入在1000元及以上工人所占比重。
解:(1)996.31元 – 1080.35元;(2)50.89%-75.77%4.对一批产品按不重复抽样方法抽选200件,其中废品8件。
又知道抽样总体是成品总量的1/20,当概率为95.45%时,可否认为这一批成品的废品率低于5%? 解:不能。
废品率的置信区间为:1.3% - 6.7%5.某企业从长期实践得知,其产品直径X 是一随机变量,服从方差为0.05的正态分布。
从某日产品中随机抽取6个,测得其直径分别为14.8,15.3,15.1,15,14.7,15.1(单位:厘米)。
在0.95的置信度下,试求该产品直径的均值的置信区间。
解:14.96cm – 15.04cm6.某厂对一批产品的质量进行抽样检验,采用重复抽样抽取样品200只,样本优质品率为85%,试计算当把握程度为95%时优质品率的区间范围。
解: 80.1% - 89.9%7.检验某食品厂本月生产的10000袋产品的重量,根据上月资料,这种产品每袋重量的标准差为25克。
要求在95.45%的概率保证程度下,平均每袋重量的误差范围不超过5克,应抽查多少袋产品? 解:99袋8.某企业对一批产品进行质量检验,这批产品的总数为5000件,过去几次同类调查所得的产品合格率为93%、95%和96%,为了使合格率的允许误差不超过3%,在99.73%的概率下应抽查多少件产品? 解: 651件第九章 统计指数1.某企业生产三种产品的单位成本与产量资料如下:(2)计算各种产品的产量个体指数;(3)计算三种产品总成本指数及增加额;(4)计算三种产品单位成本总指数及由于单位成本变动对总成本的影响额;(5)计算三种产品产量总指数及由于产量变动对总成本的影响额;(6)用上述(3)~(5)的结果验证指数体系。
解:(1)~(2)答案见下表:(4)单位成本总指数:(5)产量总指数:(6)指数体系:108%=91.84%×117.6%300元=(-360元)+660元2.某商店三种商品的销售量与销售额资料如下:解:3.手机、空调、电脑和彩电的销售价格下调。
某家电公司这四种商品价格下调幅度及调价后一个月的销售额资料如下:几?由于价格下调使该商品在这四种商品的销售中少收入多少万元?解:四种商品价格平均下调了9.02%,少收入52.54万元。
4.根据指数之间的关系计算回答下列问题:(1)某企业2002年产品产量比2001年增长了14%,生产费用增长了10.8%,问2002年产品单位成本变动如何?(2)某公司职工人数增加7%,工资水平提高了8.4%,工资总额增长多少?(3)商品销售额计划增长10%,而销售价格却要求下降10%,则销售量如何变化?(4)价格调整后,同样多的货币少购买商品10%,问物价指数是多少?解:基本公式如下:,单位成本下降2.81%;,工资总额增长15.99%;,销售量应增长22.22%;,物价指数为111.11%。
5.某公司职工按年薪分为四个档次,其年薪与工人数资料如下:和工人结构变动对平均年薪变动的影响。
解:%85.111%15.94%30.1058600.44360.51622.58600.41622.54360.51001⨯=⨯=⨯=nn x x x x x x第十章 相关与回归1.对10户居民家庭的月可支配收入和消费支出进行调查,得到资料如下:(单位:百元)(2)计算消费支出与可支配收入的相关系数并说明其相关程度。
解:r = 0.98776,为高度正相关.2.某公司8个所属企业的产品销售资料如下:(1)计算相关系数,测定产品销售额和利润之间的相关方向和相关程度;(2)确定自变量和因变量,并求出直线回归方程;(3)计算估计标准误差;(4)根据回归方程,指出当销售额每增加1万元,利润额平均增加多少?(5)在95%的概率保证下,当销售额为1200万元时利润额的置信区间。
解:(1)r = 0.9865,呈高度正相关;(2)自变量为产品销售额,y = -8.34+0.078x(3)4.2 (4)0.078 (5)77.03~93.493. 对某一资料进行一元线性回归,已知样本容量为20,因变量的估计值与其平均数的离差平方和为585,因变量的方差为35,试求:(1)变量间的相关指数R;(2)该方程的估计标准误差。
解:(1) r = 0.91 (2) 2.534. 已知:试求:(1)相关系数r;(2)回归系数;(3)估计标准误差S。
解:(1) r = 0.95 (2)b = 1.08 (3) 3.455.设有资料如下表所示:甲、乙两位评酒员对10种品牌白酒的主观排序解:r= 0.7 拒绝原假设,说明两位评酒员的评审顺序显著相关。
s六、计算题(每小题10分,共50分)1、1999年某月甲、乙两市场某商品价格、销售量和销售额资料如下:试分别计算该商品在两个市场上的平均价格。
解:在甲市场上的平均价格:在乙市场上的平均价格为:3、已知:要求:(1)计算变量x与变量y间的相关系数;(2)建立变量y倚变量x变化的直线回归方程。
(要求写出公式和计算过程,结果保留四位小数。
)、解:(1)计算相关系数:(2)设配合直线回归方程为:4、某地区对某种商品的收购量和收购额资料如下:试求收购量总指数和收购价格总指数。
解:5、某商店1990年各月末商品库存额资料如下:又知1月1日商品库存额为63万元。
试计算上半年、下半年和全年的平均商品库存额。
解:(1)该商店上半年商品库存额:(2)该商店下半年商品库存额:(3)该商店全年商品库存额:。