测量小灯泡电阻实验报告单
- 格式:doc
- 大小:29.00 KB
- 文档页数:3
伏安法测小灯泡电功率、电阻实验报告
实验目的,通过伏安法测量小灯泡的电功率和电阻,加深对电路中电功率和电阻的理解。
实验器材,电源、电阻箱、电流表、电压表、小灯泡。
实验步骤:
1. 将电阻箱接入电路中,调节电阻箱阻值,使电流表示数为适当值。
2. 测量电路中的电压,记录下电压值。
3. 测量电路中的电流,记录下电流值。
4. 根据电压和电流的测量值,计算小灯泡的电功率。
5. 根据电压和电流的测量值,计算小灯泡的电阻。
实验结果:
电压值,9V。
电流值,0.3A。
电功率,P=IV=9V0.3A=2.7W。
电阻,R=V/I=9V/0.3A=30Ω。
实验结论,通过本次实验,我们成功测量了小灨泡的电功率和
电阻。
实验结果表明,小灯泡的电功率为2.7瓦特,电阻为30欧姆。
这些结果与理论值相符合,验证了伏安法在测量电功率和电阻方面
的可靠性。
存在问题及改进措施,在实验过程中,我们注意到电流表和电
压表的示数有些抖动,可能会对实验结果产生一定的影响。
为了提
高测量的准确性,我们可以尝试使用更精确的仪器进行测量,并减
小外界干扰的影响。
实验人员签名,___________ 日期,___________。
物理实验报告
班级:_____ 姓名:________ 学号:______ 实验日期:________ 同组者:______________________ 指导教师:__________
实验名称:测量小灯泡的电阻
实验目的:正确使用伏安法测小灯泡的电阻
实验器材:电压表、电流表、电源、开关、滑动变阻器、小灯泡、导线若干。
实验原理:R=U/I
实验步骤及结论
1.根据电路图连接电路。
2.调节滑动变阻器,使电流表变为某一适当值,读出此时的电流值和电压值,把数据填入记录表格中。
3. 调节滑动变阻器,使电流表变为另一适当值,读出此时的电流值和电压值,把数据填入记录表格中。
4. 再次调节滑动变阻器,读出此时的电流值和电压值,把数据填入记录表格中。
记录并处理数据
四、整理实验器材。
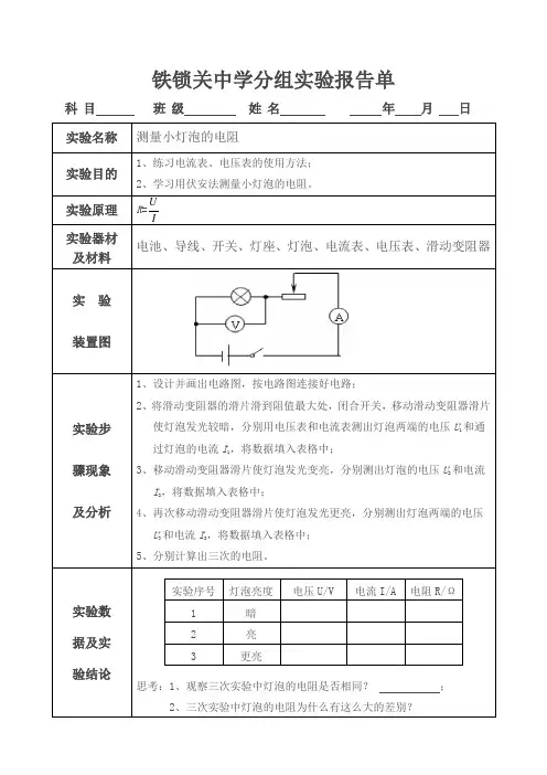
铁锁关中学分组实验报告单
科 目 班 级 姓 名 年 月 日 实验名称 测量小灯泡的电阻
实验目的 1、练习电流表、电压表的使用方法; 2、学习用伏安法测量小灯泡的电阻。
实验原理 R =
I
U 实验器材 及材料 电池、导线、开关、灯座、灯泡、电流表、电压表、滑动变阻器
实 验 装置图
实验步 骤现象 及分析
1、设计并画出电路图,按电路图连接好电路;
2、将滑动变阻器的滑片滑到阻值最大处,闭合开关,移动滑动变阻器滑片
使灯泡发光较暗,分别用电压表和电流表测出灯泡两端的电压U 1和通过灯泡的电流I 1,将数据填入表格中;
3、移动滑动变阻器滑片使灯泡发光变亮,分别测出灯泡的电压U 2和电流
I 2,将数据填入表格中;
4、再次移动滑动变阻器滑片使灯泡发光更亮,分别测出灯泡两端的电压
U 3和电流I 3,将数据填入表格中; 5、分别计算出三次的电阻。
实验数 据及实 验结论
思考:1、观察三次实验中灯泡的电阻是否相同? ; 2、三次实验中灯泡的电阻为什么有这么大的差别?
实验序号 灯泡亮度
电压U/V
电流I/A 电阻R/Ω
1 暗
2 亮 3
更亮。
实验原理:R=U/I实验目的:用电压表、电流表测量小灯泡的电阻。
仪器和材料:电流表、电压表、电池组,滑动变阻器、单刀开关、导线若干、小灯泡。
实验步骤:1. 按照电路图连接电路2. 检查无误后,闭合开关s,调节滑动变阻器的滑片,使电流表、电压表有一组合适的示数,并填入实验数据记录表。
3. 在移动滑片改变通过小灯泡的电流和它两端的电压,测两组I、U值,分别填入表格中。
4. 根据3组I、U值,计算出相应的3个电阻值,求出小灯泡电阻的平均值。
5. 整理器材实验记录试验次数电压U(V)电流(A)电阻(Ω)R平均值(Ω)123实验原理:P=UI,用电压表测小灯泡两端的电压,用电流表测小灯泡中的电流,利用公式P=UI计算电功率,在额定电压下测出的电功率就是额定功率.这是物理学中常用的一种间接测量方法,这种方法又被称为伏安法实验目的:用电压表、电流表测量小灯泡的电功率。
仪器和材料:电源、滑动变阻器、电压表、电流表、小灯泡及灯座、开关、导线若干.实验步骤1.按没计的电路图连接实物,并设计实验记录表格.2.检查电路无误后,闭合开关S,移动滑动变阻器的滑片P,此时注意观察电压表的示数,当电压表的示数等于小灯泡的额定电压时,停止滑动,并记下电流表的示数.代入P=UI公式算出小灯泡的额定功率.3.调节滑动变阻器,使小灯泡两端的电压为额定电压的1.2倍,观察小灯泡的发光情况,并记下电压表和电流表的示数,代入公式P=UI,算出小灯泡此时的实际功率.4.调节滑动变阻器,使小灯泡两端电压低于额定电压,观察小灯泡的发光情况.并记下电压表和电流表的示数,代入公式P=UI,算出小灯泡此时的实际功率.5.整理实验器材.注意:在进行实验时应注意以下几点:①电源电压应高于小灯泡的额定电压,例如,测定额定电压为2.5 V的小灯泡的电功率时至少要选两节干电池串联作电源.②电压表的量程应大于小灯泡的额定电压,电流表的量程要大于小灯泡正常工作电流.③滑动变阻器允许通过的最大电流要大于灯泡的正常工作电流,而滑动变阻器的最大电阻值应与小灯泡的电阻差不多,以使调节效果明显.④根据串联分压原理进行判断,准确熟练地调节滑动变阻器,使小灯泡在等于额定电压、略高于额定电压的和低于额定电压三种条件下发光.尤其在做第二次实验时,需小心调节滑动变阻器,以免因实验电压超过额定电压太多而烧坏灯泡.⑤开始连接电路时,要使开关断开,闭合开关前,要把滑动变阻器滑片置于最大阻值处.⑥开始实验前,要检查电路并试触,实验结束,要先断开开关,再整理电路。
· ·
7.3 测量小灯泡的电阻 2010.04.09
班级 姓名 同组姓名
反馈练习
1、一个约20Ω的电阻,接在4节干电池串联的电源上,要测这个电阻中的电流和两端电压,则电压表的量程应选 ,电流表量程应选 。
2、如图:是某同学设计测电阻的电路,图中①是 表, ②是
表。
为使①表的读数减小,滑片P 应向 移动。
为使②表
的读数增加P 应向 移动。
达标检测
下图是某同学为测量小灯泡的电阻而连的电路。
1.他的连接有哪些错误?
2.改正电路后,测得两表示数如图:电压为,电流为。
3.计算出灯泡的阻值为Ω。
思考题:
1.在做“测小灯泡电阻”的实验中,当开关闭合后,若电压表有示数,电流表示数为零,移动滑动变阻器滑时,电压表示数基本没变化,其原因可能是()A.滑动变阻器接触不良B.开关接触不良
C.小灯泡两端短路D.灯泡的钨丝断了
2.现在要测一个未知电阻的阻值R x,手边已有的器材有:电源、开关、导线,一个已知阻值的电阻R0。
要求再选用一种电表即可测出的R x电阻值。
说出你所选用的是哪种电表?并设计电路写出你的具体做法?
作业:完成本节新课堂。
【初二物理实验】初二物理实验小灯泡电阻的实验报告初二大家开设了物理这门新课,物理这门学科是建立在实验基础上的,做实验能够加深大家对物理知识点的记忆,从而更加牢固的掌握物理知识点,为此下面为大家带来【初二物理实验】初二物理实验小灯泡电阻的实验报告这篇内容,希望大家能够认真阅读。
物理实验:伏安法测电阻》实验记录表①伏安法测电阻实验器材.②实验步骤了解电路元件、实验图电路图,接连电路.③实验内容:a) 检查准备,接通电路:闭合电路电键.b) 改变变阻器阻值,读表填数.将滑动变阻器的滑片向左稍微移动一点,将电表的读数(电压值、电流值),分别填入对应的空栏中(电脑上,以及下面的表中):实验次数电压(V) 电流(A) 电阻() 平均电阻()1 ....2 ...3 ...c) 确认数据,测得电阻.点击软件中的确认按钮,显示电阻值(按照欧姆定律自动计算),填入上表.若读数误差太大,或量程有误,则会在相应的位置显示读数有误,请重新读表填入.d) 改变电流,重复实验.将滑动变阻器的滑片分别移向中间和靠左端,重复读表填数.e) 数据分析总结.当实验进行三次,即分三次输入测得的电压、电流值,并显示电阻值后,软件自动进入伏安法测电阻实验数据分析页面.观察分析结果,选定选择题答案.④实验总结.根据实验过程和结果,经小组讨论后,填写下表.其中实验心得应包含:1、对欧姆定律的认识,2、实际实验与模拟实验的比较,3、使用软件模拟的体会.1、电路中有哪些电路元件,它们各有什么作用?2、实验证明,对一定的导体来说,即在________不变时,流经_______ 电流与加在________ 电压成比.3、为什么每次实验的数据会有差异?4、被测电阻的平均阻值有什么实际意义?5、实验心得:⑤班级交流.本小组参加交流的代表为:【初二物理实验】初二物理实验小灯泡电阻的实验报告这篇内容为大家带来过了,希望大家能够在实验中提高自己的物理知识水平,从而在考试中取得好成绩。
伏安法测小灯泡电功率、电阻实验报告英文回答:Objective:The objective of this experiment is to determine the power and resistance of a small light bulb using the voltage-current (V-I) method.Materials:Small light bulb。
Variable power supply。
Ammeter。
Voltmeter。
Connecting wires。
Multimeter (optional)。
Procedure:1. Connect the circuit as shown in the diagram.2. Set the power supply to zero volts.3. Turn on the power supply and slowly increase the voltage until the light bulb turns on.4. Record the voltage and current using the voltmeter and ammeter.5. Continue increasing the voltage in small increments and recording the corresponding values.6. Plot a graph of voltage versus current.Calculations:1. The power of the light bulb is calculated using the formula:```。
P = V I。
```。
where:P is the power in watts。
V is the voltage in volts。
I is the current in amperes。
略阳县两河口初级中学物理实验报告
班级:姓名:实验日期
实验名称:伏安法测量小灯泡的电阻
一、实验目的
1.运用欧姆定律,会用电流表和电压表测量小灯泡的电阻。
2.理解电阻是导体本身固有特性,了解灯丝的电阻特点。
二、实验器材
2.5V的小灯泡、电流表、电压表、滑动变阻器、电源、开关,导线若干。
三、实验过程及结论
1.按照电路图连接好实验电路。
2.调节滑动变阻器,使小灯泡两端的电压等于2.5V。
读出此时电流表的示数,填入下表。
3.调节滑动变阻器,使小灯泡两端的电压等于2V。
读
出此时电流表的示数,填入下表。
4. 调节滑动变阻器,使小灯泡两端的电压低于2V。
读出此时电压表、电流
表的示数,填入下表。
5.计算出小灯泡的电阻(结果保留两位小数)
实验次序电压U/V 电流I/A 电阻R/Ω
1
2
3
6.实验结论:
(1)小灯泡正常发光时的电阻等于Ω。
(2)电阻是导体本身的一种特性,本次实验小灯泡的电阻变化是由变化引起的。
四、整理实验器材。
1电阻的测量实验报告新知一 伏安法定义:用电压表和电流表分别测出电路中某一导体两端的电压和通过的电流就可以根据欧姆定律导出公式算出这个导体的电阻,这种用电压表电流表测电阻的方法叫伏安法。
新知二 伏安法测定值电阻R x 的阻值1、实验目的: 用电流表、电压表测量定值电阻的阻值2、实验原理: 由欧姆定律得R=U/I3、需要测量的物理量: 定值电阻两端的电压和通过定值电阻的电流4、实验电路5、实验器材:电源、开关、导线若干、电流表、电压表、电阻、滑动变阻器(滑动变阻器的作用是: 改变被测电阻两端的电压,同时又保护电路 ) 6、步骤:①:按电路图连接电路(断开开关,将滑动变阻器的滑片移到阻值最大处)。
②:检查电路无误后,闭合开关,调节滑动变阻器的滑片使电压表的指针指到合适的位置读出电压表、电流表的示数,计算出测得的电阻值并将测量数值填入表格中。
③调节滑动变阻器,另测几组电压和电流 ,计算出测得的电阻值并将测量数值填入表格中。
④求出电阻的平均值。
⑤断开开关,整理器材 7、将实验数据记录在下表 实验次数 电压U/V 电流I/A 电阻R/Ω 电阻R x 的平均值 1 2 3 新知三 伏安法测小灯泡电阻 (1)实验目的:用电流表、电压表测小灯泡L 的电阻 (2) 实验原理: 由欧姆定律得R=U/I (3) 需要测量的物理量: 小灯泡 两端的电压和通过小灯泡的电流 (4)电路图:(5)实验器材:电源、开关、导线若干、电流表、电压表、小灯泡、滑动变阻器 (滑动变阻器的作用是: 改变小灯泡两端的电压,同时又保护电路 )(6)步骤:①:按电路图连接电路(断开开关,将滑动变阻器的滑片移到阻值最大处)。
②:检查电路无误后,闭合开关,调节滑动变阻器的滑片使电压表的指针指到合适的位置读出电压表、电流表的示数,将测量数值填入表格中③调节滑动变阻器,另测几组电流和电压的数值并将测量数值填入表格中④:计算出每次测量得的电阻值并填入表格中⑤断开开关,整理器材(7)记录表格:◆实验中注意事顼: (1)连接实物时,连线不能交叉,开关应 断开 ;滑动变阻器滑片置于 阻值最大处,目的是防止短路引起电流过大保护电路 。