微机综保-开关柜二次图 煤压机原理图1
- 格式:dwg
- 大小:572.43 KB
- 文档页数:1
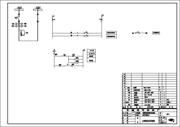
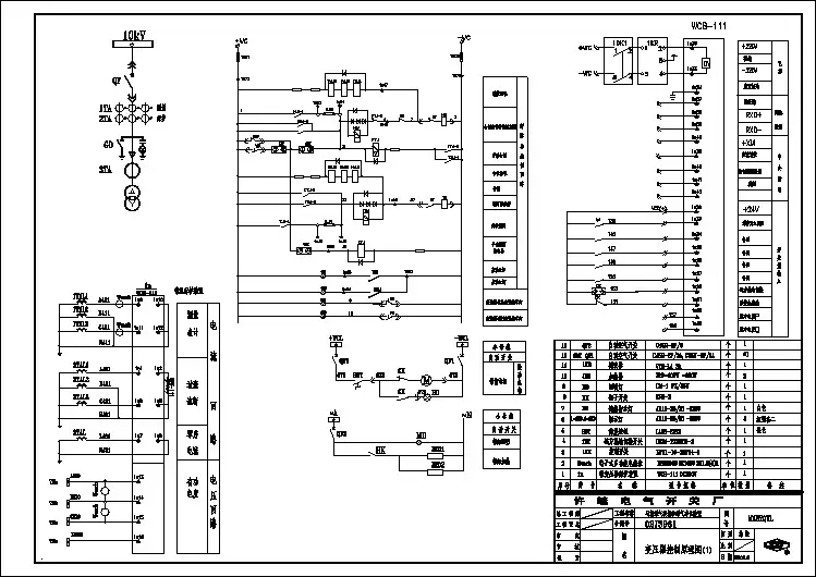
一、二次回路的定义由二次设备互相连接,构成对一次设备进行监测、控制、调节和保护的电气回路称为二次回路二次回路在词典中的解释:在电气系统中由互感器的次级绕组、测量监视仪器、继电器、自动装置等通过控制电缆联成的电路。
用以控制、保护、调节、测量和监视一次回路中各参数和各元件的工作状况。
用于监视测量表计、控制操作信号、继电保护和自动装置等所组成电气连接的回路均称为二次回路或称二次接线。
二、二次回路的组成指对一次设备的工作进行监视、控制、测量、调节和保护,所配置的如:测量仪表、继电器、控制和信号元件,自动装置、继电保护装置、电流、电压互感器等,按一定的要求连接在一起所构成的电气回路,称为二次接线或称为二次回路。
一次回路的组成由发电机、变压器、电力电缆、断路器、隔离开关、电压、电流互感器、避雷器等构成的电路,称为一次接线或称为主接线。
三、二次回路的分类1、按电源性质分交流电流回路---由电流互感器(TA)二次侧供电给测量仪表及继电器的电流线圈等所有电流元件的全部回路。
交流电压回路---由电压互感器(TV)二次侧及三相五柱电压互感器开口三角经升压变压器转换为220V供电给测量仪表及继电器等所有电压线圈以及信号电源等。
直流回路---使用所变输出经变压、整流后的直流电源。
蓄电池---适用于大、中型变、配电所,投资成本高,占地面积大。
2、按用途区分测量回路、继电保护回路、开关控制及信号回路、断路器和隔离开关的电气闭锁回路、操作电源回路。
操动回路---包括从操动(作)电源到断路器分、合闸线圈之间的所有有关元件,如:熔断器、控制开关、中间继电器的触点和线圈、接线端子等。
信号回路---包括光字牌回路、音响回路(警铃、电笛),是由信号继电器及保护元件到中央信号盘或由操动机构到中央信号盘。
四、二次回路识图常用的继电保护接线图包括:继电保护的原理接线圈、二次回路原理展开图、施工图(二次回路又称背面接线图、盘面布置图)。
1、看图A、"先看一次,后看二次"。
一、二次回路的定义由二次设备互相连接,构成对一次设备进行监测、控制、调节和保护的电气回路称为二次回路二次回路在词典中的解释:在电气系统中由互感器的次级绕组、测量监视仪器、继电器、自动装置等通过控制电缆联成的电路。
用以控制、保护、调节、测量和监视一次回路中各参数和各元件的工作状况。
用于监视测量表计、控制操作信号、继电保护和自动装置等所组成电气连接的回路均称为二次回路或称二次接线。
二、二次回路的组成指对一次设备的工作进行监视、控制、测量、调节和保护,所配置的如:测量仪表、继电器、控制和信号元件,自动装置、继电保护装置、电流、电压互感器等,按一定的要求连接在一起所构成的电气回路,称为二次接线或称为二次回路。
一次回路的组成由发电机、变压器、电力电缆、断路器、隔离开关、电压、电流互感器、避雷器等构成的电路,称为一次接线或称为主接线。
三、二次回路的分类1、按电源性质分交流电流回路---由电流互感器(TA)二次侧供电给测量仪表及继电器的电流线圈等所有电流元件的全部回路。
交流电压回路---由电压互感器(TV)二次侧及三相五柱电压互感器开口三角经升压变压器转换为220V供电给测量仪表及继电器等所有电压线圈以及信号电源等。
直流回路---使用所变输出经变压、整流后的直流电源。
蓄电池---适用于大、中型变、配电所,投资成本高,占地面积大。
2、按用途区分测量回路、继电保护回路、开关控制及信号回路、断路器和隔离开关的电气闭锁回路、操作电源回路。
操动回路---包括从操动(作)电源到断路器分、合闸线圈之间的所有有关元件,如:熔断器、控制开关、中间继电器的触点和线圈、接线端子等。
信号回路---包括光字牌回路、音响回路(警铃、电笛),是由信号继电器及保护元件到中央信号盘或由操动机构到中央信号盘。
四、二次回路识图常用的继电保护接线图包括:继电保护的原理接线圈、二次回路原理展开图、施工图(二次回路又称背面接线图、盘面布置图)。
1、看图A、"先看一次,后看二次"。
一、二次回路的定义由二次设备互相连接,构成对一次设备进行监测、控制、调节和保护的电气回路称为二次回路二次回路在词典中的解释:在电气系统中由互感器的次级绕组、测量监视仪器、继电器、自动装置等通过控制电缆联成的电路。
用以控制、保护、调节、测量和监视一次回路中各参数和各元件的工作状况。
用于监视测量表计、控制操作信号、继电保护和自动装置等所组成电气连接的回路均称为二次回路或称二次接线。
二、二次回路的组成指对一次设备的工作进行监视、控制、测量、调节和保护,所配置的如:测量仪表、继电器、控制和信号元件,自动装置、继电保护装置、电流、电压互感器等,按一定的要求连接在一起所构成的电气回路,称为二次接线或称为二次回路。
一次回路的组成由发电机、变压器、电力电缆、断路器、隔离开关、电压、电流互感器、避雷器等构成的电路,称为一次接线或称为主接线。
三、二次回路的分类1、按电源性质分交流电流回路---由电流互感器(TA)二次侧供电给测量仪表及继电器的电流线圈等所有电流元件的全部回路。
交流电压回路---由电压互感器(TV)二次侧及三相五柱电压互感器开口三角经升压变压器转换为220V供电给测量仪表及继电器等所有电压线圈以及信号电源等。
.直流回路---使用所变输出经变压、整流后的直流电源。
蓄电池---适用于大、中型变、配电所,投资成本高,占地面积大。
2、按用途区分测量回路、继电保护回路、开关控制及信号回路、断路器和隔离开关的电气闭锁回路、操作电源回路。
操动回路---包括从操动(作)电源到断路器分、合闸线圈之间的所有有关元件,如:熔断器、控制开关、中间继电器的触点和线圈、接线端子等。
信号回路---包括光字牌回路、音响回路(警铃、电笛),是由信号继电器及保护元件到中央信号盘或由操动机构到中央信号盘。
四、二次回路识图常用的继电保护接线图包括:继电保护的原理接线圈、二次回路原理展开图、施工图(二次回路又称背面接线图、盘面布置图)。
1、看图A、先看一次,后看二次。