基于UG的螺旋桨的曲面造型
- 格式:pdf
- 大小:1.16 MB
- 文档页数:30
SHIP ENGINEERING 船舶工程V ol.32 No.4 2010 总第32卷,2010年第4期基于UG二次开发的船用螺旋桨参数化建模方法与实现唐英1,王志坚1,杨凯2(1.北京科技大学机械工程学院,北京 100083;2.中国电子科技集团公司第45研究所,三河 065201)摘 要:船用螺旋桨的建模方法是将二维初始型值点导入通用CAD软件,通过多步操作得出三维空间数据,完成整个造型过程.这种方法不但操作繁琐,而且效率低.在研究了船用螺旋桨参数化建模方法的基础上,采用对UG进行二次开发的方法,编制出船用螺旋桨参数化建模的功能模块.通过给定船用螺旋桨的主要几何参数,计算出初始型值点,进行坐标变换,将其从平面坐标系还原到空间真实位置.另外给出桨叶叶梢缺失部分数据的NURBS拟合补充方法,并在进行光顺处理后,最终生成船用螺旋桨的三维模型.关键词:船用螺旋桨;UG二次开发;自由曲面;参数化建模中图分类号:U664.33 文献标志码:A 文章编号:1000-6982 (2010) 04-0052-04Parametrical Modeling Method and Implementation of MarinePropeller Based on UG SoftwareTANG Ying1, W ANG Zhi-jian1, Y ANG Kai2(1.School of Mechanical Engineering, Beijing Science and Technology University, Beijing 100083, China; 2.The 45thResearch Institute of China Electronics Technology Group Corporation, Sanhe 065201, China)Abstract:Marine propeller is a type of part with free-form surface. Traditional modeling method of marine propeller needs to export the origin data into CAD software, converting the origin 2D point data to the 3D point data after several steps and then complete the modeling process. This method is time-consuming and inefficiency.With parametrical modeling technology, functional package for marine propeller modeling based on UG software is developed and introduced in the paper. In the developed package, some key structural parameters of marine propeller are inputted firstly and then the 2D point data and the 3D surface data are calculated automatically. To build the 3D model of the propeller part, firstly the coordinate transformation operation from a 2D coordinate system to a 3D reference system is needed to recover the points in its 2D drawing to their true position in 3D model. And then, point data at the tip of propeller are added with NURBS fitting method. After smoothing calculation of the surface, the 3D model of the marine propeller is completed.Key words: marine propeller; UG Software; free-form surface; parametrical modeling0 引言船用螺旋桨是典型的自由曲面类零件,一般由桨叶和桨毂两部分构成.桨毂外形通常较为简单,是近似的圆锥体或圆柱体,而桨叶形状非常复杂.除极少数情况外,桨叶形状无法用简单数学公式进行描述,而是用许多离散点的坐标值来表示,这种用来表示形状的离散点称为型值点.每个桨叶叶片的型值点通常多达数百个,有时甚至更多.从二维图纸的型值点到最终三维模型的建立,其间需经过偏移、旋转、生成曲线、生成曲面等多步操作.大量数值的计算处理工作和繁冗复杂的操作过程使船用螺旋桨建模过程不仅费时费力,且容易出现差错.鉴于目前针对船用螺旋桨设计建收稿日期:2009-10-27;修回日期:2010-01-20作者简介:唐英(1967-),女,副教授,博士后,主要从事机械制造与自动化方面的科研与教学工作. DOI:10.13788/ki.cbgc.2010.04.013模的专用软件价格昂贵且适用面窄,本文在UG的基础上进行二次开发,开发出船用螺旋桨建模的专用功能模块.目的是在充分发挥UG强大功能优势的同时,回避通用软件操作繁琐复杂的弊端,降低对使用人员的技能要求,大幅缩短建模时间,提高工作效率.1 船用螺旋桨建模参数的选取[1]船用螺旋桨的主要参数包括直径、螺距(面螺距)、盘面比、桨叶切面类型、叶数、毂径比和后倾角等,它们共同决定了船用螺旋桨的形状.直径:船用螺旋桨无前后运动的旋转时,桨叶最外端形成的圆形轨迹直径称为船用螺旋桨直径,以D 表示(R表示半径).它是确定船用螺旋桨大小的直接参数,并且和其它参数一起,决定船用螺旋桨的形状.螺距:船用螺旋桨桨叶叶面通常是螺旋面的一部分.如果叶面是等螺距螺旋面的一部分,则称为等螺距船用螺旋桨,反之称为变螺距船用螺旋桨.AU型船用螺旋桨是等螺距螺旋桨,螺距以P表示.盘面比:盘面比也是描述船用螺旋桨形状的一个重要参数,以a E表示.盘面比的大小实质上表示桨叶宽窄程度.在相同叶数下,盘面比越大,桨叶越宽.桨叶切面:与船用螺旋桨轮毂共轴的圆柱面与桨叶相截所得的截面称为螺旋桨叶切面,简称叶切面,它决定了船用螺旋桨叶片的局部形状,一般都是将其从圆柱面展为平面后给出轮廓尺寸.不同类型的船用螺旋桨,其叶切面轮廓有所不同.对于AU系列船用螺旋桨主要分AU、MAU、AU W、MAU W四种类型.叶数:普通船用螺旋桨常为3~6个叶片.一般情况下,各个桨叶形状完全相同且沿圆周方向等间距分布.以Z表示,则每两个相邻叶片之间间隔弧度均为2π/Z.毂径比:轮毂直径和船用螺旋桨直径的比值称为毂径比,以d h/D表示.AU型船用螺旋桨的毂径比一般取0.18,即d h = 0.18D.后倾角:后倾角目的在于增大桨叶与船体的间隙,以减小船用螺旋桨诱导的船体振动,以ε表示.后倾角不能取得过大,通常小于15°,本文计算时取ε=10°.因此,可以选取直径、螺距、盘面比、叶数、桨叶切面类型这几个重要参数,作为船用螺旋桨参数化建模中允许用户给定的参数.2 建模流程图1为船用螺旋桨三维建模的流程图.通过选取和输入船用螺旋桨的主要参数,即船用螺旋桨类型(包括叶数和桨叶切面类型)、直径、螺距和盘面比的数据,程序在后台自动进行数据的计算和处理,最终生成船用螺旋桨的三维模型.图1 船用螺旋桨三维建模流程2.1 二维型值点的计算选取和输入船用螺旋桨的主要参数后,利用螺旋桨要素表、桨叶轮廓尺寸表和叶切面尺寸表[1],即可计算出母线到叶片随边的距离、母线到叶片导边的距离、叶片宽度、叶片厚度、导边至最厚点的距离及各个叶切面型值点的二维坐标值,这些数据就是传统二维图纸中给出的数据信息.2.2 型值点的坐标转换二维型值点是不可以直接用于三维建模的,因为它们都是在局部平面坐标系内的数值.因此,首先需要将各半径处的叶切面二维平面型值点还原到对应的三维空间坐标系中,就是将各切面对应“缠绕”到与桨毂共轴线的圆柱面上去.对于船用螺旋桨型值点从平面局部坐标系到空间全局坐标系的坐标变换公式,张宏伟等给出了详细推导过程[2],这里简述该数学模型的建立方法并直接引用其推导结果.如图2所示,R i为某一叶切面对应半径,OH为基线,φ为螺距角,θ为纵斜角,因为通常情况下桨叶都向后倾斜,所以此处的纵斜角就是基本参数中的后倾角.坐标系OXYZ是全局坐标系,OXY平面与轮毂平面平行.O1X1Y1Z1坐标系与OXYZ平行,O1点为基线与圆柱面的交点.坐标系O2X2Y2Z2中,O2点为螺旋线与叶切面的切点,O2Z2轴经过叶切面厚度处.O2UVW坐标系的规定如图2中所示(U轴垂直于纸面,故在图中未标出),该坐标系可以通过旋转与O2X2Y2Z2坐标系重合.M 为叶切面轮廓上任意一点,A 点为O 1在圆柱底面的投影点,B 点为M 在圆柱底面的投影点.图2(b)为圆柱面展开而成的平面,其中M 1、A 1、B 1分别与图2(a)中的M 、A 、B 点相对应.Ψ为图2(a)中AB 所夹劣弧对应的圆心角,劣弧AB 的长度与图2(b)中线段A 1B 1的长度相等.图2 船用螺旋桨坐标变换原理图式(1)~式(3)为根据图2中几何模型推导出的坐标变换公式,可以将桨叶型值点由平面局部坐标转换成为空间全局坐标.式中L 为导边至最厚处的长度,即线段O 1O 2的长度.通过带入相关数据进行计算,即可完成坐标转换过程,得到各切面处型值点的三维空间坐标.()22cos cos sin cos i i X R Y Z L R φφφ=−+⎡⎤⎣⎦(1)()22sin cos sin cos i i Y R Y Z L R φφφ=−+⎡⎤⎣⎦(2)22sin cos sin tan i Z Y Z L R φφφθ=++− (3) 2.3 叶顶叶根型值点的计算对于AU 系列船用螺旋桨来说,二维图纸中的叶切面尺寸表包括从0.2R ~0.95R 共9个切面的数据,通过计算得到的三维型值点缺少0.95R 以上的叶稍部分数据和0.2R 以下至轮毂处的数据,故不能生成完整的桨叶曲面.这两部分缺失的型值点可用下述方法计算得出:将各叶切面叶面部分的两个端点数据提取出来,加上一个叶梢尖点坐标数据,采用NURBS 样条将这些点拟合成一条空间曲线[3],进而对该条曲线0.95R 至叶梢的曲线段离散成若干型值点,以此作为叶面叶梢部分的型值点;对于0.2R 以下至轮毂缺失的叶面部分,可添加一定半径的圆弧数据点,以实现叶面根部与轮毂间的平滑过渡,这样做符合加工图纸中的实际要求.叶背曲面的情况和叶面曲面处理方法完全相同.这样就有了决定桨叶表面形状的所有空间型值点. 2.4 桨叶的光顺从几何造型的角度来说,计算出所有的空间型值点,就可以得到满足造型所需的全部数据信息.但是,从船用螺旋桨设计和加工的实际要求出发,造型结果必须满足对工件表面光滑程度的要求,因此,允许在一定范围内对其表面进行光顺处理.光顺后生成的曲面会与光顺前的空间型值点产生偏离,必须对其偏离程度进行检验以确保精度.2.5 生成三维模型分别拟合出叶面和叶背曲面之后,将叶片进行缝合、填充,再生成一个轮毂.然后通过圆周阵列的方法,围绕轮毂生成数个完全相同的桨叶.通过上述五个环节,就基本完成了船用螺旋桨的参数化造型工作.当然,还可以根据实际需要,对叶面与叶背曲面交界处进行圆角处理,构造其它细节特征.3 二次开发功能模块设计本文在UG 基础上进行二次开发定制专用功能模块.UG 作为大型通用CAD/CAE/CAM 集成化软件之一,目前广泛应用于各个行业中[4].UG 不是针对特定产品开发出的专用软件,因此难以很好地应对船用螺旋桨造型方面的工作需求,从而导致建模过程操作繁冗复杂,效率低下.如果以UG 软件为平台开发出专用模块,则可在很短的时间内完成建模工作.本文设计的功能模块用户界面如图3所示.该对话框通过UG/Open UIStyler 创建.图3 船用螺旋桨建模功能模块界面在用户界面首先选择船用螺旋桨类型,再输入螺旋桨直径、螺距、盘面比这些参数,单击“生成单个叶片型值点”按钮,程序就会自动调用对应的UG/Open API 函数,通过后台计算,生成所有二维和三维型值点数值.与此同时,程序后台会将数据保存至本地磁盘,用户可以根据需要,对指定目录下存放的数据文件进行修改.经核对无误后,单击“生成螺旋桨立体模型”按钮,程序会自动读取本地磁盘内的数据文件,Z YX O Z 2Z 1 X 1Y 1 X 2Y 2O 2 O 1 R 1 Z 2 Y 2Y 1Z 1 O 1 O 2M 1A 1 B 1V W A H B M (a)(b) Ψ θ φ完成三维模型的创建工作.图4中示意了桨叶叶面的构造过程,它包括三维型值点的生成、各切面型值点曲线的产生、叶顶曲线的补充以及光顺后的曲面生成几个部分.如2.4节中所述,为了保证最终生成的表面满足精度要求,需要对光顺后的曲面进行误差分析.将光顺前的三维型值点与光顺后生成的曲面导入Imageware 软件,该软件会计算出各型值点到曲面的距离,以各点距离中的最大值,作为误差进行精度评估.图5中显示的桨叶所属船用螺旋桨直径为4.74m ,根据比较结果可看出,光顺后生成的曲面与光顺前三维型值点的偏离值分布在4.8×10-4mm 到-5.26×10-4mm 之间.一般认为,造型精度应该比加工精度至少高一个数量级,参考国标中船用螺旋桨的加工精度要求[5],对于直径为4.74m 的船用螺旋桨来说,由于光顺产生10-4mm 数量级的偏离误差完全能够满足造型精度的要求.图4 桨叶叶面的生成过程图5 Imageware 中显示的比较结果图6为在选择不同参数下分别生成的船用螺旋桨三维模型,这里轮毂部分用一个空心圆锥体来表示.实际上也可以根据需要,将轮毂设计成其它形式.图6 不同参数时生成的船用螺旋桨建模过程中用到的UG 主要函数及功能如下:UF_STYLER_ask_value ( ):获取用户界面中输入的参数值;UF_CURVE_create_point ( ):根据坐标值在UG 中生成点;UF_MODL_create_fitted_spline ( ):通过型值点拟合样条曲线;UF_CURVE_smooth_spline_data ( ):光顺样条曲线;UF_MODL_create_thru_curves ( ):依次通过曲线串生成曲面.4 结论本文通过详细介绍船用螺旋桨的几何参数和建模流程,系统阐述了船用螺旋桨的参数化建模方法,主要步骤包括二维型值点的计算、型值点的坐标转换、叶顶叶根型值点的计算和桨叶的光顺,最终生成三维模型.并在UG 软件基础上,开发出专用的参数化造型功能模块.只需在用户界面上选择和输入相关参数信息,就可以快速生成船用螺旋桨的三维模型,经检验其精度远高于加工要求.该模块操作简单,功能实用,大大提高了船用螺旋桨的建模效率.参考文献:[1] 盛振邦, 刘应中. 船舶原理[M]. 上海: 上海交通大学出版社, 2004.[2] 张宏伟, 王树新, 侯巍, 等. 螺旋桨三维建模方法研究[J]. 机床与液压, 2006(5): 60-62.[3] 施法中. 计算机辅助几何设计与非均匀有理B 样条[M].北京: 高等教育出版社, 2001.[4] 侯永涛, 丁向阳. UG/Open 二次开发与实例精解[M]. 北京: 化学工业出版社, 2007.[5] GB 12916-91. 船用金属螺旋桨技术条件[S]. 北京: 中国标准出版社, 1992.类型:MAU4-40 直径:4m 螺距:3m 盘面比:0.4 类型:MAU5-80 直径:4m 螺距:4m盘面比:0.8类型:MAU6-55直径:4m 螺距:4m 盘面比:0.55 (a)各叶切面 空间型值点(b) 各叶切面型值点连成的曲线 (c) 补充缺失部分后所有叶切面曲线(d) 生成的叶面曲面(带光顺)。
第35卷 第4期大连海事大学学报Vol.35 N o.4 2009年11月Journal of Dalian Maritime University N ov., 2009文章编号:1006-7736(2009)04-0121-03基于UG Grip的船用螺旋桨三维建模关键技术程 东1,朱新河1,邓金文2(1.大连海事大学轮机工程学院,辽宁大连 116026; 2.中国船级社广州分社,广州 510000)摘要:为建立精确的船用螺旋桨三维模型,采用UG Grip二次开发技术探讨了船用螺旋桨三维建模的关键技术,实现了对桨叶叶尖、导(随)边缘过渡、防鸣音随边、根部过渡等关键部位的合理处理,建立了精确的三维螺旋桨模型.关键词:船用螺旋桨;三维模型;UG G rip;防鸣音中图分类号:U664.31 文献标志码:AKey technologies for3D modeling of marinepropeller based on UG GripCHENG Dong,ZHU Xin-he,DENG Jin-wen(1.Marine Eng ineering College,Dalian M aritime University,Dal ian116026,China;2.Guangzhou B ranch,China ClassificationSociety,Guangzhou510000,China)A bstract:T o establish a precise3D model of marine propeller, the key technolo gies fo r3D modeling of marine propeller were studied by using UG G rip seco ndary development,and a precise 3D model with co rrect treatment of blade tip,fillets of leading edge and trailing edge,anti-singing edge and blade root fillets w as established.Key words:marine propeller;3D mo del;UG G rip;anti-sing ing0 引 言建立完善的船用螺旋桨三维模型是实现螺旋桨铸造过程模拟、铸造砂型制作、数控加工等工艺过程的关键和难点,也是实现螺旋桨强度分析、特性分析的基础.国内不少学者对螺旋桨的三维造型方法进行了研究[1-4],但所建模型均未涉及叶尖、导(随)边缘过渡、防鸣音处理、根部过渡等关键技术.目前常用的三维模型设计软件主要有Pro E、UG NX、MDT 等.其中,UG NX(UG)是当今世界上先进的、紧密集成的、面向制造业的三维CAD CAM CAE高端软件之一,被众多制造商广泛应用于工业设计、工程仿真和数字化制造等领域.尤其是UG Grip的二次开发功能为用户提供了方便和功能扩展的空间.因此,本文拟采用UG Grip的二次开发技术自动实现螺旋桨的三维建模,并对桨叶的边缘和根部等关键部位进行合理处理,以建立精确的船用螺旋桨三维模型.1 船用螺旋桨三维建模的关键技术1.1 螺旋桨三维造型方法螺旋桨三维建模时,通常先建立桨叶的模型,再进行桨毂的造型,然后进行两者之间的过渡连接.桨叶的形状由轮廓参数和型值参数决定.桨叶轮廓参数主要包括截面半径、螺距、后倾值(角)等.图1 桨叶截面参数图1为桨叶截面型值参数示意图.图中C为叶截面型宽,CLE为导边到基线的距离(辐射参考系的距离),SS为吸力面型值点到螺距线的距离,PS 为压力面型值点到螺距线距离.造型时先构造出压力面和吸力面曲线,再对导边和随边进行过渡圆角处理.其中RLE、R TE为导边和随边的过渡圆角半径,Y TE、Y LE为过渡圆圆心到螺距线的距离.建立三维模型时,需将二维型值点转换为三维空间坐标点,再在立体空间中构造出桨叶的各个截面轮廓,然后利用BSURF命令构造出整个桨叶的外表面.三维空间坐标转换公式如下[5]:x=r cos((l-h tan)cosr)收稿日期:2009-08-25.作者简介:程 东(1972-),男,安徽宿州人,博士,副教授,E-mail:chddmu@.y =r sin ((l -h tan )cosr )z =P θ2π+h cos -r tan φθ=(l -h tan )cosr其中:r 为切面半径;h 为型值点到螺距线的距离;l为型值点到基线的距离; 为螺距角;φ为后倾角;P 为螺距.螺旋桨工艺型值参数较多,人工输入较为繁琐.为此,可事先将上述参数存入一个tx t 文件,然后利用FETCH 命令在执行程序时读出上述数据,便可实现模型的自动建立.1.2 导边、随边过渡圆的处理螺旋桨叶片切面运转于非均匀的尾流场中,叶切面边缘处圆弧的大小对螺旋桨的性能有极大的影响,特别对空泡性能的影响较大.因此螺旋桨边缘的圆弧处理正确与否,将严重影响螺旋桨的性能.通常设计单位只提供螺旋桨轮廓参数和叶面型值参数,桨叶边缘部分没有型值点参数,只有过渡圆角半径和圆心,且各个半径处的圆角半径各不相同.本文在二维坐标系统中首先根据各截面型值点构造出上下表面曲线,然后通过FILLET 指令根据已知的过渡圆角半径和圆心构造出过渡曲线.导边、随边过渡圆的圆心坐标分别为(RLE ,YLE )、(C -R TE ,Y TE ),如图2(a )所示.最后对过渡曲线进行离散处理,生成若干个点作为圆角部位的型值点[图2(b )],以便于与叶面、叶背的型值点拟合出各个半径处封闭的截面曲线.图2 桨叶边缘的过渡圆1.3 随边抗鸣音处理鸣音产生的主要原因是桨叶随边产生的漩涡频率恰好与桨叶的固有频率相近,使叶片发生弹性振动.常用的抗鸣音处理方法有:①加厚法:将桨叶随边中部加厚,使由桨叶随边发出的一系列漩涡引起的振动频率低于桨叶本身的固有频率.②减薄法:将桨叶随边中部减薄,使由桨叶随边发出的一系列漩涡引起的振动频率高于桨叶本身的固有频率.③特殊构造法:特殊构造法有多种,可以在随边部分粘贴一排小圆块,或把桨叶随边做成锯齿形,或者将桨叶的随边做成抗鸣音边.本文采用的抗鸣音边如图3所示.造型时先根据型值参数求出点A (0,TE 2)、点B (0,-TE 2)和m 点坐标(C -X TE ,0),通过m 点做一条垂直螺距线chord 的直线M 1M 2,求出直线M 1M 2与该截面的上下两条叶面曲线的交点M 1和M 2,连接M 1A 和M 2B ,对该两条直线进行离散,并在该两条直线上各选取4个点作为新的型值点.图3 抗鸣音边1.4 桨叶根部的过渡处理完成叶根的过渡处理,建立一个完善的螺旋桨三维模型是实现后期数控加工和应力分析的基础.图4 桨叶根部的过渡为减少应力集中,设计时叶根部有时采用两个过渡半径.图4中,R I 为第一过渡半径,H 为该半径的过渡起始处;R II 为第二过渡半径.当只有一个过渡半径时,R I =0.另外,多数大型螺旋桨设计时只给出最大截面的过渡半径R 0,而实际沿周向不同区域的过渡半径值不同.结合实际生产经验,本文所采用的过渡半径变化规律如图5所示(叶面、叶背相同).所122 大连海事大学学报 第35卷 形成的桨叶根部的过渡曲面如图6所示.图5 过渡半径R沿根部的变化图6 根部的过渡曲面1.5 桨叶尖部的处理上述方法所形成的三维桨叶模型的尖部并没有实现密封.为形成完整、封闭的三维实体,为后续的螺旋桨模型特性分析奠定基础,必须对桨叶的尖部进行合理处理.首先将导边和随边的边缘轮廓线过渡连接,形成如图7所示的桨叶尖端曲线,然后利用导边过渡曲线、随边过渡曲线、压力面曲线、吸力面曲线及桨叶尖端的过渡曲线,根据SSURF 命令形成桨叶尖端表面.图7 桨叶尖端曲面的形成方法1.6 模型特性分析将上述形成的桨叶尖部、桨叶表面及根部的过渡曲面缝合,并进行复制旋转.绘制完桨毂后形成的三维螺旋桨模型如图8所示.在此基础上可利用ANLSIS 命令进行螺旋桨的特性分析,计算其体积、重量,为螺旋桨铸造工艺参数的确定奠定基础.图8 三维螺旋桨模型2 结 论本文采用UG Grip 二次开发技术探讨了船用螺旋桨三维建模的关键技术,实现了对桨叶叶尖、导(随)边缘过渡、防鸣音随边、根部过渡等关键部位的合理处理,建立了精确的三维螺旋桨模型,为船用螺旋桨的三维建模提供一条有效的途径,也为船用螺旋桨的制造、加工和特性分析奠定了基础.参考文献(References ):[1]张振金,薛兆鹏.利用U G G RIP 构建螺旋桨三维数字模型[J ].现代制造工程,2009(2):52-55.[2]李艳聪,郑清春,薛兆鹏.基于UG Grip 的螺旋桨三维设计技术研究[J ].天津理工学院学报,2003,19(1):40-43[3]张宏伟,王树新,侯 巍,等.螺旋桨三维建模方法研究[J ].机床与液压,2006(5):60-63.[4]谢云平,张 伟,李 娟.基于NA PA 的螺旋桨几何造型和图形生成方法研究[J ].江苏科技大学学报:自然科学版,2009,23(1):9-12[5]姚 山,麻春英,徐艳丽,等.复杂曲面船用螺旋桨铸造工艺三维参数化设计[J ].铸造,2006,55(10):1004-1006.123第4期 程 东,等:基于UG Grip 的船用螺旋桨三维建模关键技术 。
南京工程学院先进制造技术工程中心本科毕业设计(论文)开题报告题目:基于UG的战斗机航模的曲面设计与加工专业:机械设计制造及其自动化班级:D机加工081学号:学生姓名:陈铭亚指导教师:赵建峰2012年3 月10 日本科毕业设计(论文)开题报告学生姓名陈铭亚学号专业机械设计制造及其自动化指导教师姓名赵建峰职称高级实验师所在院系先进制造技术工程中心课题来源自拟课题课题性质工程设计课题名称基于UG的战斗机航模的曲面设计与加工毕业设计的内容和意义一、毕业设计的具体内容:1、调研并熟悉课题及有关资料,写出开题报告。
2、用UG CAD绘制出战斗机航模的曲面模型。
3、用UG CAM实现战斗机航模曲面模型的虚拟加工。
4、战斗机航模曲面模型的数控加工。
5、翻译有关外文资料6、撰写毕业设计说明书(论文)二、本课题研究的意义:1、空军对战争的贡献首先在于能出动飞机攻击敌人的地面目标为陆军扫清地面障碍战斗机对战争的直接贡献就是保护自己的攻击机轰炸机不被敌方战斗机所消灭这就是争夺制空权的作用造防空炮则属于“以地制空”的战术范畴历史已经证明单纯靠高射炮和防空导弹来防御敌机是无法抵挡住敌人的最终还是要靠战斗机才能有效消灭进犯的敌机而且高射炮和防空导弹只能用于防空作战无法掩护我军飞机攻击敌人只有招架之功没有还手之力2、国防是国家生存与发展的安全保障。
国防是随着国家的产生而产生的,基本职能是维护国家主权、领土完整和独立。
国防教育是国家产生后,由于国防的需要而产生的教育活动。
历史和现实一再告诉人们,国防教育是建没和巩固国防的基础,对于国家的兴衰和存亡,具有十分重要的作用。
当今世界上许多国家,包括发达国家和发展中国家,几乎都把加强国防教育作为一项基本国策常抓不懈,而且普遍把青少年学生作为教育重点。
在中国历史上,国防教育作为关系国家安全与发展的战赂之举,可谓源远流长。
重视学生军事教育和训练是中华民族的一项优良传统,并留下了极为丰富的历史文献资料。
基于ug的两种造型方法
郝竞
【期刊名称】《科技信息》
【年(卷),期】2012(000)003
【摘要】在勺子的造型过程中,本文介绍了两种基于ug的造型方法.比较了两种方法的优缺点,讨论了ug在实现曲面间G1连接的注意事项.
【总页数】1页(P188)
【作者】郝竞
【作者单位】菏泽学院机电工程系山东菏泽 274000
【正文语种】中文
【相关文献】
1.基于UG/GRIP的涡轮叶片辅助造型方法
2.基于Pro/E及UG的轮胎模具花纹造型方法研究
3.基于Pro/E及UG的轮胎模具花纹造型方法研究
4.基于UGNX的航空发动机叶片造型方法研究
5.用于HRR雷达在非高斯杂波中进行起伏目标检测的基于Hough变换的两种算法之比较
因版权原因,仅展示原文概要,查看原文内容请购买。
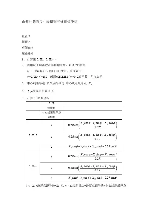
由桨叶截面尺寸表得到三维建模坐标直径D螺距P后倾角θ螺距角φ1、 计算出0.2R 、0.3R ……2、 利用反正切函数计算出螺距角:以0.2R 举例φ-0.2R=ATAN(P/(2*π*0.2R)),弧度表示φ-0.2R/π*180°或用=DEGREES(φ-0.2R)函数,角度表示3、 中心线距导边-最厚点距导边=中心线距最厚点=H X4、 h X =最厚点距导边-X5、 计算0.2R-0坐标注:h X =最厚点距导边-X ;H X =中心线距导边-最厚点距导边=中心线距最厚点6、叶梢坐标7、通过延伸插值得到0.1R处的叶宽、最大叶厚、最大叶厚至导边、中心线至导边,再用第5步计算。
螺旋桨UG中建模1、导入三维坐标2、连接样条曲线,随边点-导边点-随边点;连接螺旋桨轮廓3、将螺旋桨轮廓打断于叶梢点:编辑-曲线-分割曲线,类型选“在结点处”,选择曲线,结点方法选“选择结点”,确定。
或者采用添加点然后重新绘制两条样条曲线的方式,添加点:插入-基准/点,选择几何体中选择要添加点的样条曲线,等弧长定义中点数输入需要的点即可。
4、建立螺旋桨包面:主曲线—叶梢点+桨叶切面;次曲线—随边+导边+随边。
5、将桨叶表面封闭起来:插入-网格曲面-N边曲面-外环选择曲线即可裁去上述封闭曲面多余部分:修剪片体-目标选择片体-边界对象选择边界曲线-选择区域保留!6、桨叶片体缝合:插入-组合-缝合,选择需要缝合的片体即可7、阵列桨叶:阵列特征-选择特征(选桨叶包面)-布局(选圆形)-旋转轴(选桨榖对称轴)-角度方向(间距选数量和节距,数量选叶数,节距角为360/n),确定。
阵列后可能所有桨叶多余的片体都要修剪—此功能好像不成功或者采用旋转功能:编辑-移动对象-运动选角度-角度72°-结果复制原先的-非关联副本数48、建立桨榖。
目测回转的曲线为拍照CAD得到。
回转-选择曲线-指定矢量(选桨榖对称轴)-其他默认即可。
基于UG的系列船用螺旋桨三维建模和数控编程技术研究船用螺旋桨是船舶推进系统中至关重要的部件,其影响着船舶的航行性能和能效。
为了提高船舶的推进效率和节能减排,需要对船用螺旋桨进行优化设计和制造。
在这个过程中,基于UG软件的三维建模和数控编程技术成为了不可或缺的工具。
UG(Unigraphics)是一款功能强大的三维设计软件,具有先进的建模和分析功能,可以实现复杂曲面的建模和细节设计。
利用UG软件,可以对船用螺旋桨进行精确的三维建模,包括叶片的设计、螺旋桨的结构等。
通过建模过程,可以快速生成螺旋桨的几何形状,并进行各种仿真分析,验证设计是否符合要求。
在完成三维建模后,需要进行数控编程,将设计好的螺旋桨转化为机器能够识别和加工的代码。
数控编程是将设计好的零件信息转换成机器指令的过程,需要考虑到机床的加工能力和工艺要求。
通过UG软件的CAM功能,可以进行数控编程,生成加工路径和刀具轨迹等信息,确保螺旋桨的加工质量和效率。
同时,基于UG的系列船用螺旋桨三维建模和数控编程技术研究还可以实现以下几个方面的优势:1.提高设计效率:利用UG软件的智能建模和分析功能,可以快速设计出符合要求的螺旋桨,减少设计周期和成本。
2.提高加工精度:通过数控编程生成的加工路径可以实现高精度的加工,保证螺旋桨的形状和尺寸准确度。
3.优化性能:通过三维建模和仿真分析,可以对螺旋桨的结构和叶片形状进行优化设计,提高船舶的推进性能和节能效果。
4.减少人为错误:数控编程可以减少人为的操作错误和误差,提高加工的一致性和稳定性。
总的来说,基于UG的系列船用螺旋桨三维建模和数控编程技术研究对提高船用螺旋桨的设计制造效率和质量具有重要的意义。
随着船舶工业的不断发展和技术的进步,这些技术将会在航运领域发挥更大的作用,为船舶的推进性能和安全提供更好的支持。
ug螺旋面构造UG软件中的螺旋面构造是指通过UG软件中的工具和功能,以螺旋线为基础,实现三维螺旋面的构建和设计。
螺旋面在工程设计中具有广泛的应用,可以用于制作螺旋桨、螺旋弹簧、螺旋管道等各种零部件和设备。
UG软件是一款强大的三维建模软件,具有丰富的建模工具和功能。
通过UG软件中的螺旋线功能,我们可以轻松地创建一条螺旋线,然后利用UG软件中的曲面功能,将螺旋线扩展成为一个完整的螺旋面。
在UG软件中打开一个新的零件文件,选择绘图功能,然后在平面上绘制一条螺旋线。
螺旋线的参数可以根据实际需要进行调整,如螺距、升高、圈数等。
绘制好螺旋线后,我们可以使用UG软件中的曲面功能,将螺旋线扩展成为一个螺旋面。
UG软件中的曲面功能可以根据螺旋线的形状和参数,自动创建一个与螺旋线相匹配的曲面。
通过调整曲面的参数,我们可以实现不同形状和尺寸的螺旋面设计。
同时,UG软件还提供了丰富的曲面编辑工具,可以对螺旋面进行进一步的修改和调整,以满足不同的设计要求。
在螺旋面构造过程中,我们还可以利用UG软件中的特征功能,对螺旋面进行特征化处理。
例如,可以在螺旋面上添加孔洞、凸起、倒角等特征,以实现更加复杂和多样化的设计需求。
UG软件的特征功能非常强大,可以大大提高螺旋面的设计效率和精度。
除了基本的构造功能,UG软件还提供了许多辅助工具和功能,用于优化和完善螺旋面的设计。
例如,可以利用UG软件中的分析工具,对螺旋面进行形状分析和检测,以确保设计的准确性和稳定性。
此外,UG软件还提供了模拟和仿真功能,可以对螺旋面进行力学性能和工艺性能的分析,以指导设计和制造过程。
总的来说,UG软件中的螺旋面构造功能非常强大和灵活,可以满足各种复杂和多样化的设计需求。
通过合理利用UG软件中的工具和功能,我们可以轻松地实现三维螺旋面的构建和设计,提高设计效率和精度。
螺旋面在工程设计中的应用非常广泛,对于提高产品质量和降低生产成本具有重要意义。
因此,掌握UG软件中的螺旋面构造技术,对于工程设计人员来说是非常重要的。
摘要船用螺旋桨是船舶动力系统的核心,其桨叶曲面是典型的自由曲面,设计和加工的质量直接影响螺旋桨的性能,而螺旋桨复杂的工作环境也对其建模及制造精度提出了更高的要求。
船用螺旋桨从设计到加工的过程复杂繁琐、周期较长,因此需要建立能够综合考虑螺旋桨设计、分析以及加工的螺旋桨参数化数学模型,并基于参数化模型对螺旋桨开展后续各项研究工作,以达到缩短螺旋桨的设计制造周期、提高生产效率的目的。
本文以实现螺旋桨参数化设计到数控加工为目的,建立了螺旋桨桨叶曲面的参数化方程,基于参数方程求解所得点建立了螺旋桨三维实体模型;以提高螺旋桨敞水效率为目的,对螺旋桨相关结构参数进行优化并进行了水动性能仿真;分析并制订了螺旋桨数控加工工艺,基于参数化模型编写了数控加工程序并进行了数控加工仿真与实验。
具体内容如下:在分析船用螺旋桨结构及成型原理的基础上,建立螺旋桨切面参数方程并推导了二维切面到三维空间的坐标转换公式,建立了桨叶曲面的参数化数学模型。
求解方程得到桨叶表面指定精度下的数据点,将其导入UG中建立三维实体模型。
对比传统由型值点所建立的螺旋桨模型,参数化方法建立的模型表面光顺性更优。
以螺旋桨最大敞水效率为目标,对螺旋桨盘面比、螺距比和进速系数等参数进行优化,得到了螺旋桨给定工况下的最佳匹配参数,优化后螺旋桨敞水效率提高了约3.18%。
对螺旋桨进行了水动性能仿真,验证了优化桨的敞水效率;分析了螺旋桨相关参数纵倾角和侧斜对螺旋桨敞水性能的影响。
分析螺旋桨的数控加工工艺,对加工阶段进行了划分,确定了毛坯、刀具、走刀方式等。
判断加工中干涉与过切情况,建立了刀具与工件间几何关系,研究了无干涉的刀具路径算法,基于桨叶的参数化数学模型计算了粗精加工的刀具轨迹,并通过后置处理将刀位信息转化为数控加工程序。
建立数控加工仿真环境,导入数控加工程序进行了数控加工仿真,仿真结果验证了刀具轨迹及数控程序,且螺旋桨获得较好的精度和表面质量。
最后在五轴数控机床上进行了加工实验。
基于UG三元整体叶轮曲面造型的研究1 绪论1.1 论文背景一些复杂的物体表面,如汽车车身、飞机机身、汽轮机叶片、模具型面等呈流线型自由曲面。
所谓自由曲面是指不能用基本立体要素(棱柱、棱锥、球、一般回转体、有界平面等)描述的呈自然形状的曲面,必须根据空间自由曲线和自由曲面的理论进行计算。
自由曲面形状复杂,不能用简单的曲面数学模型来表示,许多年来人们不断的探索方便、灵活、实用的自由曲面的造型方法。
而且具有自由曲面的零件的生产,一般来说是单件或小批量生产,传统的加工方法是由毛坯制造、砂轮打磨、样件检验等主要工序组成,这个过程周期一般较长,工人劳动强度大,而且不易保证加工精度,材料和工装设备浪费现象严重近年来,随着大量进口数控机床的引进和国产数控机床的研制,目前我国拥有的数控机床和加工中心中,三坐标机床占主流,四轴或五轴联动的数控加工机床也在逐渐涌现。
这些使得具有自由曲面的零件的加工精度和加工效率都得到了很大的提高,而加工难度和劳动强度也随之大幅度减小。
虽然目前出现了许多CAD/CAM软件,但是其普及程度并不高。
一方面是因为这些软件所提供的通用模块并不完全符合实际生产的需要,另一方面一些数控机床附带软件其各个模块大多都进行了封装,只能完成某些特定的功能,用户无法对其进行二次开发以添加满足用户实际需要的功能,用户只能向软件开发公司定制,制约了对核心技术的掌握和生产的发展。
自由曲面的制造己开始迈入计算机辅助制造的行列,要进行自由曲面的数控加工,首要任务是进行自由曲面的构造。
这就对自由曲面的造型技术提出了较高的要求。
由于工程实际中给定型值点的自由曲面型面是典型的三维曲面,求解数控加工此类曲面的关键在于构造满足数控加工需要的自由曲面。
自由曲线曲面造型方法经历了参数样条方法,孔斯曲面,贝塞尔曲面,B样条曲面,直到当前CAD/CAM系统中曲面造型的主流方法:NURBS曲面造型方法。
NURBS造型方法通过控制点建立自由曲面的数学模型,统一了有理曲面和非有理曲面的数学描述,而且可以通过调整局部的控制点和权因子曲面造型理论的主流方法[2]。
基于UG的船用螺旋桨CAD∕CAM计算机仿真系统的开发与建模UG( Unigraphics )是美国Siemens PLM Software公司产品——NX软件的前身,是流传甚广的三维实体造型和计算机辅助设计/计算机辅助制造(CAD/CAM)软件,被广泛应用于航天、汽车、模具、机械等行业领域。
船用螺旋桨是电力船或者航行性质高的船只必备的部件。
船用螺旋桨的设计对于电力船的航行性能影响非常大。
本文通过UG软件的开发与建模,着重介绍船用螺旋桨CAD/CAM计算机仿真系统的开发过程。
首先,编写代码实现开发。
在UG软件中,我们通过编写代码实现自己想要的功能。
因此在本项目中,通过编写代码实现了海船用螺旋桨的几何建模和翼型的绘制。
其次,进行参数化建模。
在参数化建模中,通过输入参数,就可以实现螺旋桨的自由开发和结构分析,其中包括几何造型分析、二次开发等。
参数化建模在设计中可以极大的提高设计效率,让我们快速的调整参数,得到我们想要的设计效果。
然后,进行仿真分析。
利用UG软件中开发的仿真模块,对海船用螺旋桨的结构强度和气动加热效果进行有限元分析和CFD分析,得到更加精确的设计参数。
仿真分析可以有效的避免了螺旋桨的结构问题,确保了螺旋桨的功能和性能。
最后,进行自动化加工。
在自动化加工中,通过插入CAM刀路,直接生成数控机床的加工程序,再通过数控机床进行加工,从而实现了自动化的加工。
自动化加工可以有效地提高加工效率,通过数控机床实现加工,使我们的螺旋桨制作更加精确和可靠。
总之,我们通过UG软件的开发与建模,实现了一个完整的CAD/CAM计算机仿真系统,对螺旋桨进行了全流程的设计与制造,从而达到高效、快捷、精确的设计与生产效果。
虽然开发过程中存在一定的技术难点,但是通过不断的努力和钻研,我们相信这个系统可以得到更广泛的应用,为电力船的发展做出贡献。
在这里,我们将对以下数据进行分析:1. 中国人口增长率2. 中国GDP增长率3. 全球二氧化碳排放量4. 美国失业率5. 日本年平均气温1. 中国人口增长率自1970年代以来,中国的人口增长率一直呈下降趋势。
文章编号:1009-3486(2005)04-0104-04螺旋桨桨叶计算机实体造型方法研究①陈艳锋,吴新跃(海军工程大学船舶与动力学院,湖北武汉430033)摘 要:提出了一种螺旋桨桨叶造型的新方法———采用UG 软件对螺旋桨桨叶进行精确实体缝合造型法,充分利用M atlab 与U G 的接口技术,对桨叶截面曲线的形成进行了优化,提高了造型精度,得到了光顺的螺旋桨桨叶的三维实体模型,为螺旋桨的性能优化及数控精加工创造了条件.关键词:螺旋桨;U G 软件;桨叶;实体造型中图分类号:U 664.33 文献标识码:AOn way of 3D solid modeling of propeller leafCH EN Yan -feng ,WU Xin -yue(College o f Nav al Architecture and Pow er ,Naval Univ.of Eng ineering ,Wuhan 430033,China )A bstract :This paper puts forw ard a new method of making 3D solid modeling of the pro peller leaf ,and applies sew ing to m ake the mo del by UG softw are based on the leaf ′s section ,and optimizes the pro cess of drawing points fo r making section curve through the I /O of Matlab and UG ,meanwhile improves the precisio n o f the mo del and a lubricity m odel o f the propeller leaf is g otten.The method pro vides co nditions fo r the im provement of the propeller perfo rmances and NC machining.Key words :propeller ;UG softw are ;leaf ;3D solid mo deling螺旋桨[1](见图1)作为船舶动力的核心部件,长期工作在水下,使用环境非常恶劣.任何设计和制图1 螺旋桨的组成图造中的缺陷都可能导致工作效率的降低,甚至带来重大经济损失.为此,在螺旋桨的设计、分析和制造中较早地就应用了CAD /CAM 技术来解决一些传统的设计和制造手段所无法或很难解决的问题.而所有研究改进工作的开展,都需要以建立完善的螺旋桨几何模型为基础,特别是桨叶的实体模型.在几何造型技术中,根据不同的设计对象和应用的不同,可采用线框、曲面和实体等造型方法.如型线样板的设计和加工一般只需二维线框模型[2],而计算桨叶质量、惯性矩等几何特性时,就需要建立实体模型.由于实体模型中包含了设计对象的所有几何信息[3],各种应用中所需要的线框或曲面信息都可直接从实体模型中提取.因此,建立桨叶的实体模型是解决各种设计、分析和制造问题的关键.由于一般CAD /CAM 软件中的实体造型功能比较适合形状比较规则的零件造型,而桨叶的实体造型中涉及到复杂度很高的自由曲面构造,并要解决好曲面至实体的转换问题,有相当大的难度.因此,在桨叶的实体造型过程中,对造型软件的选择及造型技巧的处理显得尤为重要.否则,会导致造型的失败 第17卷 第4期 2005年8月 海军工程大学学报 JO U RN A L O F NA V A L U NI VERSI T Y O F ENG IN EERIN G Vo l.17 N o.4 A ug.2005 ①收稿日期:2005-01-29;修订日期:2005-03-05作者简介:陈艳锋(1980-),男,硕士生.或模型的不理想.由于螺旋桨具有这样的复杂结构,其生产制造早期是利用实样木模进行铸造加工[4],精度较差.随着对船舶性能要求的提高,对螺旋桨加工精度提出了新的要求,数控加工技术应运而生.目前,桨叶叶面的加工精度的提高有赖于计算机实体造型精度的提高,而在实体造型研究中过去人们过多地关注造型的效率,如文献[5]给出了一种快速生成螺旋面的方法,但在螺旋桨的造型精度方面的研究却较少,目前未见关于螺旋桨精确实体造型方法的报道.文中就螺旋桨桨叶的精确造型进行了详细的分析,提出了一种实用的造型方法———基于UG 软件[6]的缝合法,进一步应用Ma tlab 编程技术[7],对作图坐标的转化提出了一种优化方法,所编程序可用于螺旋桨桨叶的数控精加工,可大大提高螺旋桨的加工精度.1 实体造型根据图纸上标出的各个截面上若干点的实际坐标,把各个截面上的点做出来,用光滑曲线连接各点,得到截面的形状,再将各个截面移到相应的位置,通过缠绕、直纹面、缝合等命令,得到桨叶的三维实体造型,即缝合法造型.1.1 绘制截面曲线根据螺旋桨剖面型值表依次输入第1个截面的所有坐标,依次选择插入(Insert )—曲线(Curve)— 图2 截面拟合曲线由点生成样条(Spline By Points ),其中曲线阶次(Curve Degree )的设置较为重要,由于高阶插值是不稳定的[5],因此当插值节点很多时,往往改用分段低阶插值.但是,分段低阶插值只能保证插值曲线在插值节点处的连续性,而不能保证整条曲线在插值节点处的光滑性.这在应用上,不能满足工程设计中的精度要求,因此采用样条插值,从而可得到在连接点处有连续曲率的光滑样条曲线.本文作图中采用3次样条曲线进行拟合,样条函数S (x )可作如下描述.设在区间[a ,b ]上给出一组节点a =x 0<x 1<…<x n =b 和一组相应函数值y 0,y 1,…,y n ,如果函数S (x )满足:①在每个子区间[x i -1,x i ](i =1,2,…,n -1)上,S (x )是一个不超过三次的多项式.②S (x )=y i (i =0,1,…,n ).③S (x )在[a ,b ]上具有二阶连续导数.此时,S (x )即为在节点{x i ,i =0,1,…,n }上插值于y 的三次样条函数.在UG 软件中依次用三阶样条曲线连接各点形成光滑的拟合曲线,这样一个截面的光滑平面曲线就得到了(见图2).同样的方法和步骤可以得到其它截面的闭合曲线.1.2 确定截面位置以X -Y 平面上截面半径r 为0.267R (R 为螺旋桨轮廓半径)的截面曲线为例,先将其沿X 轴负方向移动(Edit —T ransfo rm —M ove )b 2(b 2=400.35mm ),再沿Z 轴方向向上移动605.1mm ,然后以Z 轴为旋转中心轴,将截面曲线顺时针转过对应的几何螺距角β=arctan P 2πr=50.65°(P 为螺距),最后将所得曲线沿Y 轴正方向移动i g (i g =11.47mm ),其它截面曲线的获得依此法进行.1.3 桨叶实体成型选择插入—曲线操作(Curve Ope ration )—缠绕/展开(Wrap /Unw arp )命令,依次选取移动后的各截面曲线进行操作,得到一簇柱面曲线(见图3),然后选择插入—自由形式特征(Free Fo rm Feature )—直纹面命令(Ruled ),依次选择各柱面曲线确定之后,即可形成实体造型外表面,再选择插入—特征操作(Feature Operation )—缝合(Sew ),从而得到桨叶的三维实体造型(见图4). 105 第4期 陈艳峰等:螺旋桨桨叶计算机实体造型方法研究 图3 柱面曲线图4 桨叶三维立体图2 改 进利用上述方法进行描点耗时较多,而且容易出错,笔者作图时,将各点的参数进行分析,在M atlab 中编写了源程序,利用UG 与Matlab 接口,将源程序文件导入UG ,从而自动绘出各点实际坐标,精确描出拟合曲线,提高了精度,节省了大量时间.M atlab 描点的程序流程图如图5所示,部分源程序如下:……fo r i =8∶15xp (i ,∶)=cos (thet1(i )∶(thet2(i )-thet1(i ))/10∶thet2(i ))*re (i )+re (i );y p (i ,∶)=sin (thet1(i )∶(thet2(i )-thet1(i ))/10∶thet2(i ))*re (i );b (i -7,∶)=[xian (i ,12∶-1∶1)xp (i ,∶)xian (i ,1∶12)(xian (i ,13)+xian (i ,12))/2xian (i ,13)xian (i ,13)(xian (i ,13)+xian (i ,12))/2xian (i ,12)]-b1(i );c (i -7,∶)=[bei (i ,12∶-1∶1) yp (i ,∶) mian (i ,∶)mian (i ,12)-3.5/2-3.54.54.5+bei (i ,12)/2bei (i ,12)];endr f =-a tan (p./(2*p i *r ));……fo r i =18∶18i[xet (∶,i )ye t (∶,i )zt (∶,i )xut (∶,i )yut (∶,i )zrt (∶,i )sin (xc /r (16))*r (16)co s (x c /r (16))*r (16)zc ]end 图5 M atlab 实现精确坐标描述流程图106 海 军 工 程 大 学 学 报 第17卷 用缝合法造型有3点值得注意:(1)如何将图纸所给的柱坐标高效精确地转换为直角坐标.这一点是进行桨叶造型的重点,更是难点,本文给出了解决方法———Matlab 中编程实现.(2)截面选取时怎样保证它们切矢的方向一致.可这样来处理:形成截面曲线时按照固定的顺序连接各点,起始点应是对应的.选取截面曲线时,点击其同一侧,确认时将鼠标稍微向外移动一点,这样就能保证截面的方向一致,可以顺利形成直纹面.(3)在形成实体时,由于图纸数据有限,对桨叶顶面描述数据的处理是所有造型中都遇到的问题,处理是否得当,对造型精度有一定影响.作者根据螺旋桨的总体数据,按照一定比例添加了一个面,从而使其顶部光滑过渡,得到光顺的桨叶实体造型.3 结 论(1)要处理好类似螺旋桨桨叶这样的复杂零件造型,必须把握3点:①在造型过程中灵活应用各种功能,使造型过程尽量简洁,并保持良好的可编辑性.②要了解零件的结构特点和工艺要求.③具有一定的造型理论基础,这一点对于复杂曲面造型尤为重要.(2)从实际出发,将所给坐标描绘出来,利用缠绕、直纹面、缝合等命令实现了桨叶的三维实体造型.这种方法成功应用了逆向思维,准确把握了图纸中坐标的涵义,精度较高,方法易于掌握,就描点耗时较多的缺点,进行了改进,提高了造型效率与精度.(3)在UG 软件中对螺旋桨桨叶的三维实体模型赋予材料,测试其质量,理论与实际质量的误差仅在1%之内,造型精度较高.经过实体造型,为后续螺旋桨性能分析计算及优化创造了条件.参考文献:[1] 王国强,盛振邦.船舶推进[M ].上海:上海交通大学出版社,1995.[2] 吴新跃,朱石坚.人字齿轮传动的振动理论分析模型[J ].海军工程大学学报,2001,13(5):13-19.[3] 杨关良,徐小杰.O penG L 在舰艇实景仿真中的应用研究[J ].海军工程大学学报,2004,16(6):53-56.[4] 罗光汉.螺旋桨叶的坐标方程描述及划线作图[J ].铸造,1998,(5):45—46.[5] 李艳聪,郑清春,薛兆鹏.基于U G /G rip 的螺旋桨三维设计技术研究[J ].天津理工学院学报,2003,(1):40—43.[6] 曾向阳,谢国明,王学平.U GN X 高级开发实例[M ].北京:电子工业出版社,2004.[7] 王沫然.M atlab6.0与科学计算[M ].北京:电子工业出版社,2001.107 第4期 陈艳峰等:螺旋桨桨叶计算机实体造型方法研究 。