交叉口信号配时概要
- 格式:doc
- 大小:605.79 KB
- 文档页数:19
市政工程规范要求道路交叉口信号灯的设置与配时交通拥堵是城市面临的一个常见问题。
为了有效管理交通流量并提高交通安全性,道路交叉口信号灯的设置与配时成为市政工程规范的重要一环。
本文将探讨市政工程规范要求道路交叉口信号灯的设置与配时的相关要点。
一、道路交叉口信号灯的设置道路交叉口信号灯的设置需要根据交通流量、可行驶速度和交通安全需求来确定。
常见的道路交叉口信号灯包括直行、左转和右转灯,其中直行灯和左转灯较为常见。
设置信号灯的目的是为了确保交通的有序流动,减少交通事故的发生。
在规划道路交叉口信号灯时,需要考虑以下几个因素:1. 交通流量:根据交通流量的大小来确定信号灯的数量和类型。
交通流量大的交叉口通常需要设置更多的信号灯来分流车辆,保证交通的顺畅。
2. 可行驶速度:根据交通流速来确定信号灯的间隔时间,以确保车辆能够及时通过交叉口。
3. 交通安全:根据交通事故的发生情况,对交叉口的信号灯设置进行调整。
例如,在事故高发地段,可以增加信号灯的数量,设置右转箭头灯等措施。
二、道路交叉口信号灯的配时道路交叉口信号灯的配时是指根据交通流量和道路情况来设置信号灯显示的时间长度。
信号灯的配时需要满足以下几个要求:1. 绿灯时间:绿灯时间需要根据交通流量来确定。
交通流量大的道路,绿灯时间应该适当延长,以确保车辆能够顺利通过交叉口。
同时,绿灯时间也应该根据不同时间段的交通流量进行调整,例如高峰时段和非高峰时段。
2. 黄灯时间:黄灯时间是指红灯过渡到绿灯的时间。
黄灯时间需要足够长,以给驾驶员提供减速和停车的时间。
根据交通流速和视距,黄灯时间通常设置在3-5秒内。
3. 红灯时间:红灯时间需要根据交通流量和其他道路情况来确定。
红灯时间的设置应保证车辆能够安全停下来,并给其他方向的车辆提供通过的机会。
除了上述要求,道路交叉口信号灯的配时还需要考虑行人信号灯的设置。
行人信号灯的时间应与车辆信号灯协调,以保证行人的交通安全。
总结:道路交叉口信号灯的设置与配时是市政工程规范中的重要内容。
四、交通设计与改善方案4.1 交通设计方案4.2 交通组织改善4.2.1 信号配时的计算(1)迎江路与和州大道交叉口相位方案为:①南北向直行和右转②南北向专用左转③东西向直行和右转④东西向专用左转。
交叉口信号相位如图4.1所示,交叉口信号相位配时如图4.2所示。
图4.1 迎江路与和州大道交叉口信号相位图图4.2 迎江路与和州大道交叉口现在信号相位配时图交叉口各进口道的流量及通行能力如表4.1所示。
流量比q y s=,式中q-小时流量,s-通行能力。
经计算,各进口道的流量比如表4.2所示。
根据图4.1、表4.2,可以得出:第一相位的流量比取0.2352,第二相位的流量比取0.1415,第三相位的流量比取0.1991,第四相位的流量比取0.0945。
总流量比:12340.23520.14150.19910.09450.6703Y y y y y =+++=+++= 已知起动损失时间3s L s =,黄灯时长3A s =,绿灯间隔时间3I s =。
信号周期内总的损失时间1()(333)12ns kk kL L I A ==+-=+-=∑∑s因此,最佳信号周期0 1.55 1.5*1252370110.67030.3297L C Y ++====--s 一个周期总的有效绿灯时间为:0701258e G C L =-=-=s 第一相位的有效绿灯时间为:110.235258200.6703e e y g G Y =⨯=⨯=s 第二相位的有效绿灯时间为:220.141558120.6703e e y g G Y =⨯=⨯=s 第三相位的有效绿灯时间为:330.199158180.6703e e y g G Y =⨯=⨯=s第四相位的有效绿灯时间为:440.09455880.6703e e y g G Y =⨯=⨯=s 第一相位的显示绿灯时间:11203320e s g g L A =+-=+-=s 第二相位的显示绿灯时间:22123312e s g g L A =+-=+-=s 第三相位的显示绿灯时间:33183318e s g g L A =+-=+-=s 第四相位的显示绿灯时间:448338e s g g L A =+-=+-=s 第一相位的显示红灯时间:1017020347r C g A =--=--=s 第二相位的显示红灯时间:2027012355r C g A =--=--=s 第三相位的显示红灯时间:3037018349r C g A =--=--=s 第四相位的显示红灯时间:404708359r C g A =--=--=s 交叉口信号相位配时如图4.3所示。
交叉⼝信号配时摘要道路交叉⼝是指两条或两条以上道路的相交处。
车辆、⾏⼈汇集、转向和疏散的必经之地,为交通的咽喉。
因此,正确设计道路交叉⼝,合理组织、管理交叉⼝交通,是提⾼道路通⾏能⼒和保障交通安全的重要⽅⾯。
此次交叉⼝信号灯控制配时的调查地点是西南路和五⼀路交叉⼝。
该交叉⼝地处市区西南部,属于平⾯⼗字型交叉⼝。
西南路⽅向路段为双向五车道;五⼀路⽅向由东向西黄线以北是五车道,黄线以南是五车道,五⼀路由西向东黄线以北是两车道,黄线以南是三车道。
周围分布饭店、居民住宅区、净⽔⼚等,是⼀个⾮常重要的交叉⼝,并且西南路是主⼲道。
本组通过实际观测的⽅法测得了道路交叉⼝的交通流量等信息。
西南路车流量⽐五⼀路车流量⼤很多,在五⼀路⽅向均有左转车流,西南路只在南进⼝存在左转车流,另外在五⼀路西路⼝和西南路南路⼝均有直⾏加右转相位。
且西南路南进⼝的左转仅限公交且车流量极少。
到⽬前为⽌,定时信号的配时⽅法在国际上主要有英国的WEBSTER法,澳⼤利亚ARRB法及美国HCM法等。
我们在《交通管理与控制》课本中已经学会了webster法和HCM法,我国有停车线法和冲突点法等⽅法。
随着研究不断深⼊,定时信号的配时⽅法也在进⼀步的改进。
本设计采⽤的⽅法以英国的WEBSTER法为主。
本次设计本⼩组分⼯合作,共采集了车道宽、交通流量、车头时距、信号灯信号显⽰及周期等数据。
并且对数据作出了运算整理.摒弃了有问题的数据,保证使⽤严谨的数据进⾏运算.关键字道路交叉⼝,信号配时,WEBSTER法,相位,课程设计。
⽬录第⼀章现状交通调查1.1西南路与五⼀路交叉⼝现状概况 (1)1.2交通流量调整 (2)1.3交叉⼝⼏何尺⼨调查 (2)第⼆章信号相位分析2.1实地观测 (3)2.2理论依据 (5)2.3具体算法步骤 (5)2.4必要性分析结果 (6)第三章制定配时⽅案3.1信号配时⽅案原理 (7)3.2程序计算结果 (8)第四章延误分析及服务⽔平测定4.1延误估算⽅法 (10)4.2服务⽔平 (10)第五章结果分析5.1结果对⽐ (12)第⼀章现状交通调查1.1 西南路/五⼀路交叉⼝现状概况道路交叉⼝是指两条或两条以上道路的相交处。
交通信号配时总结交通信号配时是城市道路交通管理的重要环节,合理的交通信号配时方案能够提高交通效率,减少交通拥堵,确保交通安全。
本文将对交通信号配时的原则、方法以及影响因素进行总结和讨论。
一、交通信号配时的原则1. 协调性原则:交通信号配时应该协调各个路口的信号灯变换,避免造成拥堵和停滞现象。
2. 公平性原则:交通信号配时应该使所有车辆和行人在合理的时间内得到平等的通行机会,避免某些道路拥堵导致其他道路通行畅顺。
3. 冲突性原则:交通信号配时应该避免车辆、行人、自行车等不同交通参与方发生冲突,减少交通事故的发生。
二、交通信号配时的方法1. 定时配时法:根据交通流量和车辆通行速度确定信号灯显示时间,例如黄灯、红灯的时间长度。
该方法适用于交通流量稳定的道路。
2. 检测配时法:通过交通流量检测设备,实时监测道路上的交通情况,并根据监测数据自动调整信号灯的配时。
该方法适用于交通流量变化较大的道路。
3. 阶段配时法:将交通流量较大的路口按照时间先后划分为不同的阶段,每个阶段内配时相同,阶段间切换时根据交通流量实时调整。
该方法适用于复杂路口。
三、交通信号配时的影响因素1. 交通流量:交通流量的大小决定了信号灯配时的长短,高峰期交通流量大时,信号灯的红灯时间应相应增加,以保证道路通行效率。
2. 路口类型:不同类型的路口(如直行、左转、右转等)对信号配时有不同的要求,需要根据具体情况进行调整。
3. 路口布局:路口的布局、车道数量、转弯半径等因素都会影响交通信号配时的决策,要考虑到车辆通行的顺畅和安全。
4. 交通流特点:交通流的组成情况(车辆、行人、自行车等)、交通流的流向以及道路的拥堵情况等都需要考虑在信号配时中。
结论交通信号配时是一个复杂而重要的问题,需要根据实际情况综合考虑交通流量、路口类型、路口布局和交通流特点等多种因素。
合理的交通信号配时方案能够提高交通效率,减少交通事故的发生,为城市交通管理提供有效的支持。
交叉口信号配时设计实验心得交叉口信号配时设计是城市交通管理中的重要环节,通过合理的信号配时可以提高交通效率和减少拥堵。
以下是一些实验心得,供参考:1.数据收集与分析:在进行交叉口信号配时设计之前,需要进行详细的数据收集,包括道路流量、车辆类型、行驶速度等。
这些数据对于进行合理的信号配时方案很重要。
同时,对原有信号配时进行分析,找出潜在的问题和改进点。
2.多方面考虑:在设计信号配时方案时,需要考虑多个因素,如道路交通流量的峰值时间、不同方向的流量比例、行人流量、公交优先等。
合理平衡不同交通参与者的需求,尽量减少交通拥堵和延误。
3.交通仿真模型:在信号配时设计之前,可以利用交通仿真软件模拟不同的配时方案,并评估其效果。
通过模拟可以预测交叉口的交通流量、延误时间等指标,为实际设计提供参考。
4.配时参数优化:选择合适的信号配时参数是关键。
研究不同的信号相位时长、绿灯时间、黄灯时间和红灯时间的组合,进行多次实验或仿真,以找到最优的配时参数组合。
5.实地验证与调整:将设计的信号配时方案在实际交叉口进行试验,并及时收集数据进行效果验证。
根据实地验证的结果,及时调整配时方案,优化交通流动。
6.经验积累与持续改进:交叉口信号配时设计需要积累经验,并根据实际效果进行持续改进。
持续监测和评估交通状况,对信号配时进行调整和优化,以适应不同条件和需求的变化。
请注意,交叉口信号配时设计涉及到很多复杂的因素和变量,单次实验可能难以得出完全准确和适用于所有情况的结果。
因此,建议在设计过程中综合考虑多个因素,并结合实际情况进行调整和优化。
道路交叉口处信号灯的黄灯时间和优化配时问题-文档道路交叉口处信号灯的黄灯时间和优化配时问题在道路交叉口,都会设置红绿灯,为了让那些正行驶在交叉路口或离交叉路口太近而无法停车的车辆通过路口,红绿灯转换中间还要亮起一段时间的黄灯,近几年,国内很多城市已经对路口信号灯灯序及黄灯闪烁时间进行了“标准化”设置。
以保山市为例,将黄灯过渡信号时间统一设置为3 s,那么如何优化配时问题至关重要。
怎么设置科学合理的路标,才能让驾驶员作出正确的决策,避免由徘徊在停车还是继续前进的两难中引起的交通违法、交通事故。
为此,本文将研究如下两个优化配时问题:1)在给定的黄灯过渡信号时间下,在什么位置设立停车路标,即优化配置停车距离问题;2)要正确作出停车还是继续驾驶的决策,司机应在停车路标处以什么样的速度驾驶。
即速度的优化配时问题。
1 黄灯时间确定的数学模型下面给定一个道路交叉口,如图1。
图1 车辆在十字路口的平面示意图1.1 模型假设及符号说明1)设十字路口的长度为L,车身长度为l,停车线的路标为s,停车距离为吨ds。
2)设驾驶员反映时间T1,汽车通过十字路口时间T2,距停车线距离的驾驶时间T3,刹车的时间和距离为Tb、db,则黄灯应亮时间为T=T1+T2+T3。
3)设汽车质量为m,刹车摩擦因数为,g为重力加速度。
4)汽车从刹车时经过时间t的行驶距离为x(t),速度为v(t),且记汽车到路标s处的时刻为t=0时刻,且记v(0)=v0。
1.2 模型的建立由牛顿第二定律,刹车过程应满足如下微分方程:1.3 模型的求解对式(1)积分,将初始条件代入得显然,停车线(路标)s处是驾驶员在看到黄灯后确定停车还是继续通过路口的临界线。
黄灯时间应包含当汽车驾驶到s出时,驾驶员仍按速度v0均速通过的时间,即根据资料[4],各种路面与轮胎之间的动摩擦因数见表1。
表1 路面与轮胎之间的动摩擦因数对于模型(7)中的系数,取重力加速度g=10m/s2,路面类型为=0.8,驾驶员的反应时间T1=1.5s,典型车身长度为l=4m,路口宽度L设为10m~40m,不同黄灯过渡信号时间、不同路口宽度下,模型(7)算出优化配置速度v0及停车距离 ds的值。
《交通信息与控制》配时方案报告学号 2010010130班级结02姓名胡皓宇一、设计目的:为下图所示交叉口进行路口车道划分设计及信号控制方案设计:1)运用上课所学知识以及课外自习知识,进行人工计算配时。
2)使用synchro进行建模优化配时。
3)对人工计算配时结果与synchro优化配时结果进行对比,说明异同点。
4)整理生成synchro运行的结果及synchro文件,完成人工计算的作业报告和与synchro对比的说明报告。
二、交叉路口概况1)路口尺寸概况:路口机动车道的道路总宽20米,转弯半径15米。
进口道坡度为0。
进口道车速限制40km/h。
需控制路口饱和度低于0.9。
直左车道:1700辆/小时;直右车道:1750辆/小时;直左右车道:1500辆/小时(1)今年调查的按照今年调查取值;(2)今年没调查,去年调查了的按照去年调查的取值;(3)两年都没调查的,按照给定的参考值取值。
4)个人高峰小时流量:三、人工计算配时基于上课所学知识,由优化配时基础理论知识进行验算。
以下计算过程中不考虑非机动车。
具体优化过程可见于“人工计算配时”文件夹下的文件。
1)第一次验算:第一次验算结果:饱和度大于0.9,需要重新渠化和修改车道数以满足饱和度小于0.9的条件。
2)第二次验算:第二次验算结果:饱和度仍然大于0.9,但有所减少需要继续渠化或修改车道数以满足饱和度小于0.9的条件。
3)第三次验算:第三次验算结果:饱和度小于0.9,但过于接近0.9,继续渠化或改变车道数。
4)第四次验算:第四次验算结果:饱和度为0.76,小于0.9。
结果可接受。
5)人工计算结果分析:周期、饱和度、延误及相位分配如下:四、Synchro计算配时1)交叉路口建模:2)路口信息输入:3)配时结果输出:通过Optimize进行周期长和配时优化。
Synchro相关输出文件在“synchro计算配时”文件夹下。
结果如下:路口车道划分:南北方向共7条车道。
信号配时课程设计题目:院(系):专业班级:学号:学生姓名:指导教师:教师职称:起止时间:课程设计任务及评语院(系):教研室:目录1 课程设计的目的和要求 01.1课程设计的目的 01.2课程设计的基本要求 02 中央大街与南宁路交叉口交通设计 02.1中央大街与南宁路交叉口简介 02.2中央大街与南宁路交叉口数据调查 (1)2.2.1 中央大街与南宁路交叉口几何数据 (1)2.2.2 中央大街与南宁路交叉口交通数据 (2)2.3中央大街与南宁路交叉口目前交通设计情况分析 (5)2.3.1 中央大街与南宁路交叉口交通现状 (5)2.3.2 中央大街与南宁路交叉口设置交通控制信号依据 (5)2.4 重新设计 (6)2.4.1 交叉口渠化 (6)2.4.2 平峰信号配时方案设计 (6)2.4.3 平峰配时参数计算 (7)2.4.4 平峰配时方案验证 (9)2.4.5 新旧交叉口渠化比较分析 (11)参考文献 (12)附表 (13)课程设计总结 (15)1 课程设计的目的和要求1.1课程设计的目的城市交通管理与控制课程设计,是交通工程专业课程设计的一部分,是交通工程专业高年级学生进行的专业实践课程。
课程设计目的在于让学生比较全面的掌握交叉口信号灯配时的设计和优化方法,巩固课堂上所学过的交通管理与控制知识,对城市道路平面交叉口进行交通设计,锻炼我们综合运用所学专业知识解决实际问题的能力,进而使我们具备简单的工程设计及实践动手能力。
1.2课程设计的基本要求本课程设计对象为锦州市某一实际道路交叉口进行交通设计,要求我们进行实际交通数据调查,独立完成设计的各部分内容。
并进行相关资料查阅,有自己的见解,在课程设计结束时交一份详细的课程设计说明书。
2 中央大街与南宁路交叉口交通设计2.1中央大街与南宁路交叉口简介本小组进行的是锦州市中央大街与南宁路交叉口的交通设计,中央大街地处锦州市商业繁华地带。
中央大街与南宁路交叉口四周分布着交通银行、中大购物广场和中国银行以及锦州华联家具广场的,交叉口交通较为复杂,是一个比较旧的交叉口。
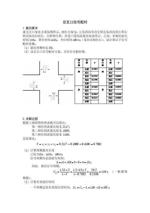
交叉口信号配时1.题目要求某交叉口渠化方案如图所示,相位方案为:①东西向专用左转②东西向直行和右转③南北向直行、右转和左转,各进口道的流量比如表所示,已知:各相位损失时间l=3s ,黄灯时间A=3s ,全红时间AR=4s (设在③相位后),试计算以下信号配时参数:(1)最佳周期时长C0;(2)该交叉口信号配时方案,并作信号配时图。
2.求解过程根据上面的图形和表格可以得出:第一相位的流量比取0.2117;第二相位的流量比取0.1669;第三相位的流量比取0.4106:总流量比:7892.04106.01669.02117.0321=++=++=y y y Y(1)计算周期最佳长度已知l=3s ,A=3s ,AR=4s信号周期内总的损失时间:13433=+⨯=+=AR nl L s因此,最佳信号周期: 1162108.05.247892.015135.1155.10==-+⨯=-+=Y L C s (一般都取整数)。
(2)计算有效绿灯时间一个周期总的有效绿灯时间为:103131160=-=-=L C G e s第一相位的有效绿灯时间为:8.217892.01669.010311=⨯=⨯=Y y G g e e s 第二相位的有效绿灯时间为:6.277892.02117.010322=⨯=⨯=Y y G g e e s 第三相位的有效绿灯时间为:6.537892.04106.010333=⨯=⨯=Y y G g e e s (3)计算各相位实际显示绿灯时间第一相位的显示绿灯时间:8.21338.21111=-+=-+=A l g g e s 第二相位的显示绿灯时间:6.27336.27222=-+=-+=A l g g e s 第三相位的显示绿灯时间:6.53336.53333=-+=-+=A l g g e s 第一相位:绿灯 22s 黄灯 3s 红灯 91s 第二相位:绿灯 28s 黄灯 3s 红灯 85s 第二相位:绿灯 53s 黄灯 3s 红灯 60s(4) 配时图如下:第一相位第二相位第三相位。
四、交通设计与改善方案4.1 交通设计方案4.2 交通组织改善4.2.1 信号配时的计算(1)迎江路与和州大道交叉口相位方案为:①南北向直行和右转②南北向专用左转③东西向直行和右转④东西向专用左转。
交叉口信号相位如图4.1所示,交叉口信号相位配时如图4.2所示。
图4.1 迎江路与和州大道交叉口信号相位图图4.2 迎江路与和州大道交叉口现在信号相位配时图交叉口各进口道的流量及通行能力如表4.1所示。
进口道车道流量(小时)q 通行能力s北左转24 1029 直行249 1059 直右14 1125南左转283 2000 直行257 1200 直右113 1139流量比q y s=,式中q-小时流量,s-通行能力。
经计算,各进口道的流量比如表4.2所示。
根据图4.1、表4.2,可以得出:第一相位的流量比取0.2352,第二相位的流量比取0.1415,第三相位的流量比取0.1991,第四相位的流量比取0.0945。
总流量比:12340.23520.14150.19910.09450.6703Y y y y y =+++=+++= 已知起动损失时间3s L s =,黄灯时长3A s =,绿灯间隔时间3I s =。
信号周期内总的损失时间1()(333)12ns kk kL L I A ==+-=+-=∑∑s因此,最佳信号周期0 1.55 1.5*1252370110.67030.3297L C Y ++====--s 一个周期总的有效绿灯时间为:0701258e G C L =-=-=s 第一相位的有效绿灯时间为:110.235258200.6703e e y g G Y =⨯=⨯=s 第二相位的有效绿灯时间为:220.141558120.6703e e y g G Y =⨯=⨯=s 第三相位的有效绿灯时间为:330.199158180.6703e e y g G Y =⨯=⨯=s第四相位的有效绿灯时间为:440.09455880.6703e e y g G Y =⨯=⨯=s 第一相位的显示绿灯时间:11203320e s g g L A =+-=+-=s 第二相位的显示绿灯时间:22123312e s g g L A =+-=+-=s 第三相位的显示绿灯时间:33183318e s g g L A =+-=+-=s 第四相位的显示绿灯时间:448338e s g g L A =+-=+-=s 第一相位的显示红灯时间:1017020347r C g A =--=--=s 第二相位的显示红灯时间:2027012355r C g A =--=--=s 第三相位的显示红灯时间:3037018349r C g A =--=--=s 第四相位的显示红灯时间:404708359r C g A =--=--=s 交叉口信号相位配时如图4.3所示。
交叉口行人信号相位配时一、行人相位组成完整的行人相位包括行人绿灯(WALK)、行人闪(FD W)和行人红灯(DW)3部分.在行人绿灯时间里,行人离开路缘石或路肩进入人行横道,按照指示的方向穿过道路;在行人闪时间里,没有进入人行横道的行人不允许再进入人行横道,而已经进入人行横道的行人可以继续通过人行横道或者到达安全岛,因此,行人闪时间也称作行人清空时间;显示红灯时,不允许任何行人通行.当行人与右转车辆冲突时,也可用闪动的绿灯信号代替绿灯.行人相位通行时间包括行人绿灯时间和行人清空时间2部分.1.1行人绿灯时间行人绿灯时间应该使得在一个周期内所有等待的行人离开路缘石进入交叉口.行人绿灯放行时间包括2部分:反应时间和人群通过路缘石进入人行横道的时间,即式中:WALK为行人绿灯时间,s;为行人反应时间,s;为行人绿灯信号开始时等待的人数,一般等于一个周期行人的到达量,人;为行人流率,即单位时间单位宽度内通过某一断面的人数,人/(m*s);为人行横道的有效宽度,m.1.2行人闪时间行人闪时间起到清空行人的作用,使在行人绿灯时间末尾进入人行横道的行人在冲突车流获得绿灯显示前通过冲突点.式中:FDW为行人闪时间,s;为行人穿越的长度,m;为行人15%位平均速度,m/s.3行人相位时间与机动车相位时间的关系1.3行人相位时间行人相位时间等于行人绿灯时间和行人闪时间之和,即求得的行人相位时间为行人相位最小时间,,,机动车相位时间T是指相位绿灯显示时间g和相位间隔时间I的和,I包括黄灯时间Y和全红时间AR,有时只有黄灯时间,即在行人相位和机动车直行相位同时设置的情况下,T不能小于行人相位最小时间,即根据行人清空时间和相位间隔时间的关系,将行人相位时间和机动车相位时间的关系分为2种情况:(1)禁止任何行人在相位间隔时间通行,行人只能利用机动车相位绿灯时间清空,即行人闪与机动车绿灯同时结束,行人红灯和机动车黄灯同时启亮;(2)在相位间隔时间内可以清空行人,即行人闪与机动车全红(黄灯)时间同时结束,行人红灯和机动车红灯同时启亮.相位间隔时间不用作行人清空时间相位间隔时间用作行人清空时间二、行人相位时间与机动车相位时间的关系2.1 当相位绿灯显示时间大于行人相位最小绿灯时间时如果机动车相位时间足够长,且绿灯显示时间不小于行人相位最小时间,则行人相位时间可与机动车绿灯时间同时结束,也可与全红时间同时结束,可选用以下两种形式(1)行人相位时间与机动车绿灯时间同时结束若,无需对行人绿灯时间WALK和行人绿灯闪时间FD W 进行调整,分别根据式(2)和(3)计算;如果,维持FD W不变,根据对WALK进行调整。
交叉口信号配时 IMB standardization office【IMB 5AB- IMBK 08- IMB 2C】信号配时课程设计题目:院(系):专业班级:学号:学生姓名:指导教师:教师职称:起止时间:课程设计任务及评语目录1课程设计的目的和要求课程设计的目的城市交通管理与控制课程设计,是交通工程专业课程设计的一部分,是交通工程专业高年级学生进行的专业实践课程。
课程设计目的在于让学生比较全面的掌握交叉口信号灯配时的设计和优化方法,巩固课堂上所学过的交通管理与控制知识,对城市道路平面交叉口进行交通设计,锻炼我们综合运用所学专业知识解决实际问题的能力,进而使我们具备简单的工程设计及实践动手能力。
课程设计的基本要求本课程设计对象为锦州市某一实际道路交叉口进行交通设计,要求我们进行实际交通数据调查,独立完成设计的各部分内容。
并进行相关资料查阅,有自己的见解,在课程设计结束时交一份详细的课程设计说明书。
2中央大街与南宁路交叉口交通设计中央大街与南宁路交叉口简介本小组进行的是锦州市中央大街与南宁路交叉口的交通设计,中央大街地处锦州市商业繁华地带。
中央大街与南宁路交叉口四周分布着交通银行、中大购物广场和中国银行以及锦州华联家具广场的,交叉口交通较为复杂,是一个比较旧的交叉口。
中央大街和南宁路的路面标线很难看清。
经过实地调查和观测,中央大街为双向四车道,对向行驶的机动车分离,机动车与非机动车没有分离,道路宽度为30m,南宁路是双向二车道,对向行驶的机动车没有分离,机动车与非机动车也没有分离,道路宽度为9m。
中央大街正在修路,使现有的道路宽度变窄,中央大街与南宁路交叉口是一个无信号控制的交叉口,仅在早、晚高峰时才产生一些轻微的拥堵。
比较特殊的是,南宁路在6点以后为锦州古塔夜市,此时南宁路已无机动车行驶,而中央大街由于南宁路过往人流非常大,而导致过了晚高峰以后造成拥堵现象。
中央大街与南宁路交叉口数据调查中央大街与南宁路交叉口几何数据通过我们对中央大街与南宁路交叉口的步行测量和观测得知该交叉口的几何数据如下表所示:中央大街与南宁路交叉口的示意图如下图所示图1交叉口示意图中央大街与南宁路交叉口交通数据通过对中央大街与南宁路交叉口的实地调查可以得到以下几方面:1)当前中央大街与南宁路交叉口车辆到达情况。
经整理得到的信号配时数据表:相位图:改善前的信号配时图:道号 12 3 4直 左 右 直 左 右 直 左 右 直 左 右 高峰小时交通量 56721825970831313441231695286146设计小时流量 669 260 344 116 96 168 411 148 204 96 102 188饱和流量 1650 1550 1550 1650 1550 1550 1650 1550 1550 1650 1550 1550流量比0.40550.16770. 2219 0.07030.06190.10840.24910.09550.13160.05820.06580.12 13计算过程: 1、最大流量比之和0.64350.40550.16770.0703y3y2y1Y =++=++= 因为 Y<0.9 所以该方案可行 2、信号总损失时间s 93)-3(3)A I (L 3s L =+∑=++∑=k3、周期时长s 520.6435-155x9.1Y-155L .1C=+=+=4、总有效绿灯时间43s 9-52-0eG===LC5、各相位有效绿灯时间 由Yy Gg ieei⨯=得s e 5g1= ,s e 11g2= ,s e 27g3=6、各相位显示绿灯时间 由 l Agj jejj+=-g得:s 5g1= ,s 11g2= ,s 27g3=第一相位的绿灯时长过短,应加适当加长,根据实际情况和行人过街需求将第一相位的路灯时长改为13秒,总的周期时长为60秒,所以最终确定的各相位显示绿灯时长如下s 13g1= ,s 11g2= ,s 27g3=7、信号配时图。
7 交通信号配时设计1定时交通信号配时设计的内容与程序1.1配时设计内容单个交叉口定时交通信号配时设计内容应包括:确定多段式信号配时时段划分、配时时段内的设计交通量、初始试算周期时长和交通信号相位方案、信号周期时长、各相位信号配时绿信比、估评服务水平及绘制信号配时图。
1.2改建、治理交叉口配时设计程序示于图1.2。
1.3新建交叉口,在缺乏交通量数据的情况下,十字交叉口,建议先按表1.3所列进口车道数与渠化方案选取初步试用方案;T 形交叉口,建议先用三相位信号;然后根据通车后实际交通各流向的流量调整渠化及信号相位方案。
表1.3 新建十字形交叉口建议试用方案2定时交通信号配时设计的时段划分2.1单个交叉口定时交通信号配时应按每天交通量的时变规律采用多段式信号配时。
2.2分段视实际情况可从早高峰时段、下午高峰时段、晚高峰时段、早、晚低峰时段、中午低峰时段及一般平峰时段等各时段中选取。
2.3各时段信号配时方案,按所定不同时段中的设计交通量分别计算。
3定时交通信号配时设计的设计交通量3.1信号配时设计的设计交通量,须按各配时时段内交叉口各进口道不同流向分别确定。
3.2交叉口各进口道不同流向的设计交通量须取:各配时时段中的高峰小时中的最高15分钟流率换算的小时交通量,宜用实测数据,按下式计算:mn mn Q q d 154⨯= (3.2-1)式中:mn d q —— 配时时段中,进口道m 、流向n 的设计交通量(pcu/h)mn Q 15——配时时段中,进口道m 、流向n 的高峰小时中最高15分钟的流率(pcu/15min)无最高15分钟流率的实测数据时,可按下式估算:()mnmnd PHF Q q mn =(3.2-2)式中:mn Q —— 配时时段中,进口道m 、流向n 的高峰小时交通量(pcu/h )()mn PHF —— 配时时段中,进口道m 、流向n 的高峰小时系数;主要进口道可取0.75,次要进口道可取0.84交通信号相位设定4.1信号相位必须同交叉口进口道车道渠化(即车道功能划分)方案同时设定。
信号配时课程设计题目:院(系):专业班级:学号:学生姓名:指导教师:教师职称:起止时间:课程设计任务及评语院(系):教研室:目录1 课程设计的目的和要求 (1)1.1课程设计的目的 (1)1.2课程设计的基本要求 (1)2 中央大街与南宁路交叉口交通设计 (1)2.1中央大街与南宁路交叉口简介 (1)2.2中央大街与南宁路交叉口数据调查 (2)2.2.1 中央大街与南宁路交叉口几何数据 (2)2.2.2 中央大街与南宁路交叉口交通数据 (3)2.3中央大街与南宁路交叉口目前交通设计情况分析 (6)2.3.1 中央大街与南宁路交叉口交通现状 (6)2.3.2 中央大街与南宁路交叉口设置交通控制信号依据 (6)2.4 重新设计 (7)2.4.1 交叉口渠化 (7)2.4.2 平峰信号配时方案设计 (7)2.4.3 平峰配时参数计算 (8)2.4.4 平峰配时方案验证 (10)2.4.5 新旧交叉口渠化比较分析 (12)参考文献 (13)附表 (14)课程设计总结 (16)1 课程设计的目的和要求1.1课程设计的目的城市交通管理与控制课程设计,是交通工程专业课程设计的一部分,是交通工程专业高年级学生进行的专业实践课程。
课程设计目的在于让学生比较全面的掌握交叉口信号灯配时的设计和优化方法,巩固课堂上所学过的交通管理与控制知识,对城市道路平面交叉口进行交通设计,锻炼我们综合运用所学专业知识解决实际问题的能力,进而使我们具备简单的工程设计及实践动手能力。
1.2课程设计的基本要求本课程设计对象为锦州市某一实际道路交叉口进行交通设计,要求我们进行实际交通数据调查,独立完成设计的各部分内容。
并进行相关资料查阅,有自己的见解,在课程设计结束时交一份详细的课程设计说明书。
2 中央大街与南宁路交叉口交通设计2.1中央大街与南宁路交叉口简介本小组进行的是锦州市中央大街与南宁路交叉口的交通设计,中央大街地处锦州市商业繁华地带。
中央大街与南宁路交叉口四周分布着交通银行、中大购物广场和中国银行以及锦州华联家具广场的,交叉口交通较为复杂,是一个比较旧的交叉口。
中央大街和南宁路的路面标线很难看清。
经过实地调查和观测,中央大街为双向四车道,对向行驶的机动车分离,机动车与非机动车没有分离,道路宽度为30m ,南宁路是双向二车道,对向行驶的机动车没有分离,机动车与非机动车也没有分离,道路宽度为9m 。
中央大街正在修路,使现有的道路宽度变窄,中央大街与南宁路交叉口是一个无信号控制的交叉口,仅在早、晚高峰时才产生一些轻微的拥堵。
比较特殊的是,南宁路在6点以后为锦州古塔夜市,此时南宁路已无机动车行驶,而中央大街由于南宁路过往人流非常大,而导致过了晚高峰以后造成拥堵现象。
2.2中央大街与南宁路交叉口数据调查2.2.1 中央大街与南宁路交叉口几何数据通过我们对中央大街与南宁路交叉口的步行测量和观测得知该交叉口的几何数据如下表所示:中央大街与南宁路交叉口的示意图如下图所示图1 交叉口示意图2.2.2 中央大街与南宁路交叉口交通数据通过对中央大街与南宁路交叉口的实地调查可以得到以下几方面:1)当前中央大街与南宁路交叉口车辆到达情况。
当前交叉口在早高峰与晚高峰中,车流量较大,晚高峰车流量更大一些。
此交叉口没有信号灯设置,不能对车辆进行有效地分流,在交叉口有冲突点很多,易发生拥堵和交通事故,且中央大街正在施工作业,如不对交叉口合理的布置,此处的交通隐患非常多。
2)中央大街与南宁路交叉口东西进口平峰交通量的调查,结果详见表2、3。
表3 中央大街与南宁路交叉口西进口平峰交通量调查表3)中央大街与南宁路交叉口东西各进口道饱和流率的调查。
到中央大街与南宁路交叉口实地进行饱和流率的调查,具体方法是:绿灯亮起后,将前三辆放过停车线,从第四辆开始计数,直到绿灯期间最后一辆为止,先算东西各进口道饱和流率,再计算其他各进口道饱和流率。
由于中央大街与南宁路交叉口无交通信号,故选择在高峰期,当车辆能形成车流时,根据东西方向的南宁路道路上正在过车,南北方向的中央大街道路上的车辆需要排队等候,等到南北方向开始经过时,我们将前三辆放过停车线,从第四辆开始计数,直到下一次东西方向通车而南北方向停车等候时,这一期间最后一辆通过为止。
根据饱和流率的公式为:3600⨯=tnS 计算的各进口道的饱和流率如下: 饱和流率的公式为:3600⨯=t nS 东进口直左右车道:1800360032161=⨯=S (pcu/h ) 1858360031162=⨯=S (pcu/h )1974360031173=⨯=S (pcu/h )1920360030164=⨯=S (pcu/h )1738360029145=⨯=S (pcu/h )取平均值: 1858554321=++++=S S S S S S 东直左右(pcu/h )西进口直左右车道:2291360033211=⨯=S (pcu/h ) 2280360030192=⨯=S (pcu/h ) 2439360031213=⨯=S (pcu/h ) 2160360030184=⨯=S (pcu/h ) 2285360029195=⨯=S (pcu/h ) 取平均值: 2291554321=++++=S S S S S S 西直左右(pcu/h )南进口直右转车道:2206360031191=⨯=S (pcu/h )3222671360031233=⨯=S (pcu/h )2312360028184=⨯=S (pcu/h )1929360029145=⨯=S (pcu/h )取平均值: 2206554321=++++=S S S S S S 南直右(pcu/h )南进口左转车道: 1626360031141=⨯=S (pcu/h ) 1614360029132=⨯=S (pcu/h ) 1688360032153=⨯=S (pcu/h ) 1510360031134=⨯=S (pcu/h ) 1575360032145=⨯=S (pcu/h ) 取平均值: 1603554321=++++=S S S S S S 南左(pcu/h )北进口直右车道: 2057360028161=⨯=S (pcu/h ) 2025360032182=⨯=S (pcu/h ) 2110360029173=⨯=S (pcu/h ) 2234360029184=⨯=S (pcu/h ) 1688360032155=⨯=S (pcu/h ) 取平均值: 2023554321=++++=S S S S S S 北直右(pcu/h )北进口左转车道: 2160360030181=⨯=S (pcu/h ) 2250360032202=⨯=S (pcu/h )1986360029163=⨯=S (pcu/h )3242156360025155=⨯=S (pcu/h )取平均值: 2138554321=++++=S S S S S S 北左(pcu/h )2.3中央大街与南宁路交叉口目前交通设计情况分析2.3.1 中央大街与南宁路交叉口交通现状根据实地观测,目前由于中央大街现在正在修路,使路面宽度变窄,现在无交通信号灯。
中央大街与南宁路交叉口的交通是以道路的类型等级为主要标准,中央大街做为干路,道路上车辆比较多,而优先通行。
南宁路为支路,道路上的车辆比较少,而让干路中央大街先行,南宁路本路段上的车辆在干路上车辆较少时,穿插通过中央大街到达对面的路面上。
由于目前的交叉口没有信号灯,支路上的驾驶员有不避让干路上车辆直接驶入干道的现象,而极易发生交通事故。
另外在南宁路上为锦州夜市地点,到晚上人流非常大,使得中央大街拥堵不堪。
2.3.2 中央大街与南宁路交叉口设置交通控制信号依据目前中央大街与南宁路早高峰时车辆拥堵现象不明显,车辆延误时间短,而晚高峰时延误较大,由于此处曾设置过信号灯,交通信号装置还在,致使有些驾驶员到达此处时仍然停车等待。
高峰时由于无信号灯设置,交叉口冲突点会增多,易发生交通事故。
根据实际测量同时出现了下列三种情况:(1)停车标志管制的次路进口道上,单向一条车道的总停车延误大于4车∙h ; (2)在次路同一进口道上,一条车道的单向流量大于100辆/h ; (3)在1h 内进入本交叉口的总流量大于800辆/h 。
2.4 重新设计2.4.1 交叉口渠化根据实际观测和现有交叉口的状况,新渠化设计南北进口为双向4车道,东西进口为双向2车道,由调查数据分析确定交叉口相位,并根据交叉口实际情况,在交叉口适当位置添加相应的交通标志及标线,合理的安置交通信号灯。
中央大街与南宁路交叉口新的渠化图如图5所示:图2 中央大街与南宁路交叉口新的渠化图2.4.2 平峰信号配时方案设计进行重新设计成3相位,相位图如图6所示。
图3 新设计的相位图2.4.3 平峰配时参数计算配时参数计算:包括流量比、绿灯间隔时间、相位损失时间、最佳周期时长、有效绿灯时长、最短绿灯时长;根据对中央大街与南宁路交叉口的实际观测的数据分析可知,该交叉口应该设置三个相位,其三个相位分别为: 第一相位 南北方向的直右转 第二相位 南北方向的直左右转 第三相位 东西方向的直左右转(1)各进口道的设计交通量:东进口直左右车道: 338497=⨯=东直左右q (pcu/h ) 南进口直右行车道: 5484137=⨯=南直右q (pcu/h ) 南进口直左右转车道:5604140=⨯=南直左右q (pcu/h ) 西进口直左右车道: 6324158=⨯=西直左右q (pcu/h ) 北进口直右行车道: 5324133=⨯=北直右q (pcu/h ) 北进口直左右车道: 4764139=⨯=北直左右q (pcu/h ) 则在东西进口:西直左右q >东直左右q 632=东西直左右q (pcu/h ) 在南北进口: 南直右q >北直右q 548=南北直右q (pcu/h ) 南直左右q >北直左右q 560=南北直左右q (pcu/h )(2)各进口道的设计饱和流量: 根据饱和流量的公式为: 3600⨯=tnS 的计算和比较可得: 东进口直左右车道: 1858=东直左右S (pcu/h ) 南进口直右行车道: 2206=南直右S (pcu/h ) 南进口直左右转车道:1603=南直左右S (pcu/h ) 西进口直左右车道: 2291=西直左右S (pcu/h ) 北进口直右行车道: 2023=北直右S (pcu/h ) 北进口直左右转车道:2138=北直左右S (pcu/h )则在东西进口:2291=西直左右S >1858=东直左右S 2291=东西直左右S (pcu/h ) 在南北进口: 2206=南直右S > 2023=北直右S 2206=南北直右S (pcu/h )2138=北直左右S > 1603=南直左右S 2138=南北直左右S (pcu/h ) (3)各进口道的流量比、周期时长、总有效绿灯时间:2484.022065481===南北直右y y 2912.019235602===南北直左右y y 2759.022916323===东西直左右y y 总流量比:Y=1y +2y +3y =0.2484+0.2912+0.2759=0.8155 <0.9 绿灯间隔时间:s at u zI +=355+==4s总损失时间: ∑-+=)(A I l L =(3+4-3)*3=12s 信号周期时长: Y L C -=10=8155.0112-=66s 总有效绿灯时间:L G G e -=0=66-12=54s(4)各相位有效绿灯时间:Yy y G g e e ],max[111 '=s g g e e 17548155.02484.01=⨯==南北直右s g g e e 18548155.02912.02=⨯==南北直左右 s g g e e 16548155.02759.03=⨯==东西直左右 (5)各相位的绿信比: 0C g eii =λ 258.066171===南北直右λλ 288.066182===南北直左右λλ 273.066163===东西直左右λλ (6)各相位显示绿灯时间:l A g g e +-=l A g g g e +-==11南北直右=17-3+4=18s l A g g g e +-==22南北直左右=18-3+4=19sl A g g g e +-==33东西直左右=16-3+4=17s(7)最短绿灯时间:I l l g vp -+=7min s 124197=-+= 2.4.4 平峰配时方案验证(1)通行能力验算:通行能力验算公式为:i i i S C λ=,由公式可得:东进口车道的通行能力东直左右东东东S S C 3λλ===0.271*1858=504(pcu/h ),而338=东q (pcu/h ),即 东C >东q ,则东进口车道满足通行能力; 南进口直右行车道的通行能力南直右南直右南直右南直右S S C 3λλ===0.258*2206=652(pcu/h ),而548=南直右q (pcu/h ),即 南直右C >南直右q ,则南进口直右行车道满足通行能力;南进口直左右车道的通行能力南直左右南直左右南直左右南直左右S S C 2λλ===0.288*1603=625(pcu/h ),而560=南直左右q (pcu/h )即,南直左右C >南直左右q ,则南进口直左右车道满足通行能力。