焦炉煤气污染物计算
- 格式:doc
- 大小:36.50 KB
- 文档页数:1
1、燃料燃烧过程中废气排放量及污染物的测算⑴用煤作燃料时燃料燃烧废气排放总量(万标立方米)=燃料耗用量(吨)x0.8燃料燃烧过程中二氧化硫排放量(千克)=燃料耗用量(吨)x8x( 1-脱硫效率)燃料燃烧过程中烟尘排放量(千克)=燃料耗用量(吨)xl000x灰分xdfhx(l—除尘效率“(1—cfh)注:本公式适用煤粉炉、沸腾炉、抛煤机炉,其他炉型应去掉分母讣算。
通常dfh取20%,cfh取30%。
燃料燃烧过程中氮氧化物排放量采用排污系数法,见表1。
⑵用天然气作燃料时燃料燃烧废气排放总量(万标立方米)=燃料耗用量(万立方米)x 15.3燃料燃烧过程中二氧化硫产生量(千克)=燃料耗用量(万立方米)x6.3燃料燃烧过程中烟尘排放量(千克)=燃料耗用量(万立方米)x2.86燃料燃烧过程中氮氧化物排放量采用排污系数法,见表1。
⑶用油作燃料时柴油:燃料燃烧废气排放总量(万标立方米)=燃料耗用量(吨)xl.56重油:燃料燃烧废气排放总量(万标立方米)=燃料耗用量(吨)xl,42燃料燃烧过程中二氧化硫排放量(千克) = 2x燃料耗用量(吨)x1000x(1-脱硫效率)燃料燃烧过程中氮氧化物排放量釆用排污系数法,见表1。
几个常用的系数供参考(排污系数)烧一吨煤,产生1600xS%千克SO2, 1.万立方米废气,产生200千克烟尘。
烧一吨柴油,排放2000xS%千克SO2, 1・2万立米废气;排放1千克烟尘。
烧一吨重油,排放2000xS%千克SO2, 1.6万立米废气;排放2千克烟尘。
大电厂,烟尘治理好,去除率超98%,烧一吨煤,排放烟尘3・5千克。
普通企业,有治理设施的,烧一吨煤,排放烟尘1075千克;砖瓦生产,每万块产品排放40-80 千克烟尘;12-18千克二氧化硫。
规模水泥厂,每吨水泥产品排放3・7千克粉尘;1千克二氧化硫。
乡镇小水泥厂,每吨水泥产品排放12・20千克粉尘;1千克二氧化硫。
物料衡算公式:1吨煤炭燃烧时产生的S02量=1600xS千克;S含硫率,一般0.6-1.5%o若燃煤的含硫率为1%,则烧1吨煤排放16公斤S02o 1吨燃油燃烧时产生的S02量= 2000xS千克;S含硫率,一般重油1.5-3%, 柴油0・5・0・8%。
燃气锅炉氮氧化物排放量计算公式燃气锅炉作为一种常见的供热设备,其排放的氮氧化物对环境造成了一定的污染。
为了减少这种污染,我们需要了解燃气锅炉氮氧化物排放量的计算公式。
一、氮氧化物(NOx)的定义和成因氮氧化物是指氮氧化物化合物中的氮氧化合物,主要包括一氧化氮(NO)、二氧化氮(NO2)和三氧化二氮(N2O3)。
燃气锅炉燃烧过程中,空气中的氮和氧在高温下发生反应生成氮氧化物。
其中,一氧化氮主要由燃料中的氮气氧化而成,而二氧化氮主要是一氧化氮与空气中的氧气反应生成的。
二、计算公式燃气锅炉氮氧化物排放量的计算公式通常可以分为两个部分:燃料中氮的氧化和燃气锅炉燃烧过程中氮氧化物的生成。
1. 燃料中氮的氧化燃料中的氮气在燃烧过程中会氧化生成一氧化氮。
燃料中的氮含量可以通过燃料分析来确定。
假设燃料中的氮含量为N1(单位:kg/kg),则燃料中氮的氧化量可表示为:NOx1 = N1 × 44/28其中,44为NO的分子量,28为N2的分子量。
2. 燃气锅炉燃烧过程中氮氧化物的生成燃气锅炉燃烧过程中,氮氧化物的生成与燃料中的氮气含量、燃烧温度和燃烧过程中的氧气浓度有关。
氮氧化物的生成量可表示为:NOx2 = a × (O2 - O2ref) + b × (N2 - N2ref)其中,a和b为系数,O2为燃烧过程中的氧气浓度,O2ref为标准氧气浓度,N2为燃料中的氮气浓度,N2ref为标准氮气浓度。
根据实际燃烧过程和燃料特性的不同,a和b的值会有所差异。
这些值可以通过实验或者经验公式来确定。
三、减少氮氧化物排放的方法为了减少燃气锅炉氮氧化物的排放量,可以采取以下措施:1. 优化燃烧过程:合理调整燃气锅炉的燃烧参数,确保燃烧效率高,减少氮氧化物的生成。
2. 使用低氮燃烧技术:采用低氮燃烧器等低氮燃烧技术,可以有效降低燃气锅炉的氮氧化物排放量。
3. 排放后处理:采用氮氧化物排放后处理设备,如SCR技术(Selective Catalytic Reduction,选择性催化还原技术)等,可以将氮氧化物转化为无害物质。
关于大气污染物排放量的计算煤和油类燃烧产生大量烟气和烟尘,烟气中主要污染物有尘、二氧化硫、氮氧化物和一氧化碳等。
各种污染物排放量的经验数据和计算方法如下:通常情况下,煤中的可燃性硫占全硫分的70%~90%,一般取80%。
根据硫燃烧的化学反应方程式可以知道,在燃烧中,可燃性硫氧化为二氧化硫,1克硫燃烧后生成2克二氧化硫,其化学反应方程式为:S+O2=SO2根据上述化学反应方程式,有如下公式:G=2×80%×W×S%×(1-η)=16WS(1-η)G——二氧化硫排放量,单位:千克(Kg)W——耗煤量,单位:吨(T)S——煤中的全硫分含量η——二氧化硫去除率,%【注:燃油时产生的二氧化硫排放量G=20WS(1-η)】例:某厂全年用煤量3万吨,其中用甲地煤1.5万吨,含硫量0.8%,乙地煤1.5万吨,含硫量3.6%,二氧化硫去除率10%,求该厂全年共排放二氧化硫多少千克。
解:G=16×(15000×0.8+15000×3.6)×(1-10%)=16×66000×0.9=950400(千克)经验计算:根据生产过程中单位产品的经验排放系数进行计算,求得污染物排放量的计算方法。
只要取得准确的单位产品的经验排放系数,就可以使污染物排放量的计算工作大大简化。
因此,我们要通过努力,不断地调查研究,积累数据,以确定各种生产规模下的单位产品的经验排放系数。
如生产1吨水泥的粉尘排放量为20~120千克。
废气:燃烧1吨煤,排放9000~12000万Nm3燃烧废气;燃烧1吨油,排放100 00~18000万Nm3废气,柴油取小值,重油取大值。
SO2:燃烧1吨煤,产生16S千克SO2。
S为燃煤硫份,一般为0.6~1.5%。
如硫份为1.5%时,燃烧1吨煤产生24千克SO2 。
燃烧1吨油,产生20S千克SO2。
S为燃油硫份,一般为重油0.5~3.5%,柴油0.5~0.8%。
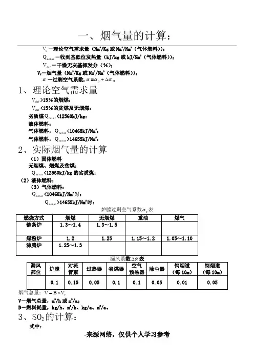
一、烟气量的计算:0V -理论空气需求量(Nm 3/Kg 或Nm 3/Nm 3(气体燃料)); ar net Q ⋅-收到基低位发热量(kJ/kg 或kJ/Nm 3(气体燃料)); daf V -干燥无灰基挥发分(%);V Y -烟气量(Nm 3/Kg 或Nm 3/Nm 3(气体燃料)); α-过剩空气系数,α=αα∆+0。
1、理论空气需求量y V -烟气总量,m 3/h 或m 3/a ;B -燃料耗量,kg/h 、m 3/h 、kg/a 、m 3/a 。
3、SO 2的计算:式中:2SO M -二氧化硫的产生量(t/h );B -燃料消耗量(t/h );C -含硫燃料燃烧后生产的SO 2份额,一般取0.8; ar S -燃料收到基含硫量(%); 64-SO 2相对分子质量; 32-S 相对分子质量。
SO 2的产生浓度(mg/m 3):4、烟尘的计算式中:烧一吨柴油,排放2000×S %千克SO2,1.2万立米废气;排放1千克烟尘。
烧一吨重油,排放2000×S %千克SO2,1.6万立米废气;排放2千克烟尘。
大电厂,烟尘治理好,去除率超98%,烧一吨煤,排放烟尘3-5千克。
普通企业,有治理设施的,烧一吨煤,排放烟尘10-15千克;砖瓦生产,每万块产品排放40-80千克烟尘;12-18千克二氧化硫。
规模水泥厂,每吨水泥产品排放3-7千克粉尘;1千克二氧化硫。
乡镇小水泥厂,每吨水泥产品排放12-20千克粉尘;1千克二氧化硫。
物料衡算公式:1吨煤炭燃烧时产生的SO2量=1600×S千克;S含硫率,一般0.6-1.5%。
若1,柴油?按燃用民用型煤和原煤分别采用不同的系数计算:民用型煤:每吨型煤排放1~2公斤烟尘原煤:每吨原煤排放8~10公斤烟尘一、工业废气排放总量计算1.实测法当废气排放量有实测值时,采用下式计算:Q年=Q时×B年/B时/10000式中:Q年——全年废气排放量,万标m3/y;Q时——废气小时排放量,标m3/h;B年——全年燃料耗量(或熟料产量),kg/y;B时2.1)/kg] 当当b.c.当式中:V0—燃料燃烧所需理论空气量,m3(标)/kg或m3/m3;QL—燃料应用基低位发热值,kJ/kg或kJ/(标)m3。
焦炉装煤烟尘成分的监测与计算赵光明李斌晋日亚(中北大学化工与环境学院,太原030051)因焦炉装煤烟尘中的污染物占炼焦过程中全部污染物的50%~60%。
所以,治理焦炉装煤烟尘是非常重要的环节。
但对于焦炉装煤烟尘量的计算更为重要,不仅关系到治理效果,还关系到设备能力和设备选型,并直接影响工程费用、基建投资及投产后的操作费用。
监测焦炉装煤烟尘主要成分的浓度,并计算分析其排放量也非常重要,特别是有毒有害的多环芳烃,直接关系到焦炉操作工人的身心健康。
但国内外文献尚未对焦炉装煤烟尘中的颗粒物、CO、 SO2 、H2S、水气、多环芳烃等浓度的全面监测与排放量计算的研究。
本课题对装煤烟尘主要污染物进行了监测与计算,可为焦炉装煤烟尘的治理工程提供理论依据。
1 焦炉装煤烟尘量的计算1.1 焦炉装煤烟尘的来源焦炉装煤时,炭化室内产生大量烟尘,致使炭化室内压力在短时间内突然上升,部分烟尘不能及时从上升管导出,而从装煤孔喷出。
装煤烟尘的主要来源为:(1) 装煤时炭化室中被填充煤置换出的空气;(2) 入炉煤与高温炉墙接触时,煤中的挥发物产生裂解而生成的荒煤气;(3) 煤中水分在炉内高温下蒸发生成的水蒸汽;(4) 平煤过程中从小炉内门进入炉内的空气;(5) 烟尘从装煤孔逸出时夹带的细煤粉。
1.2 焦炉装煤烟尘量的计算不同的焦炉设备,其烟气量的计算方法不同。
现以最普通的6m焦炉为例,初步计算每孔炭化室的装煤烟尘量。
6m焦炉每孔炭化室的装煤量为29吨, 每吨煤在炼焦过程中的煤气发生量为320~340m3。
根据经验与实测,装煤烟尘的产生速率约为结焦过程中烟气产生速率的7倍。
结焦时间按18h计算,则装煤烟尘的产气速率V1可按下式计算。
V1 = 7GV0/T =(7×29×330)/18 = 3722 m3/h (1)取整值为3700 m3/h式中:G -每孔炭化室的装煤量,取29吨V0 -炼焦过程中每吨煤的煤气发生量,取设计的平均值330m3T -结焦时间,取18h焦炉每孔炭化室的装煤、平煤时间共计为3min左右,则在装煤、平煤过程中,焦炉产生的烟尘量V2为:V2 =(3700×3)/60 =185m3 (2)目前,我国通用的焦炉设计中,都采用了高压氨水喷射消烟装炉技术,装煤时在上升管根部形成一定吸力,炭化室内的烟尘约有60%由上升管吸入集气管,其余的40%从装煤孔逸出。
燃料燃烧污染物计算一、燃料燃烧产生烟尘量的物料衡算方法燃料燃烧时产生的烟尘中包括黑烟和飞灰两部分,黑烟是未完全燃烧的物质,以游离态碳(即碳黑)和挥发物为主,绝大部分是可燃物质,黑烟的粒径一般在0.01—1微米之间。
飞灰是烟尘中不可燃矿物灰分的微粒,粒径一般在1微米以上,它们的产生量与燃料成分、设备、燃烧状况有关。
常用的烟尘量测算办法有燃煤—飞灰计算法和林格曼黑度与烟尘浓度对照法。
1、燃煤—飞灰计算法燃煤—飞灰计算法公式如下:G sd= B .A .d fh .(1 - η)/(1 - C fh)G sd–烟尘排放量,kg ;B –耗煤量,kg;A –煤中灰份含量,%;d fh–烟气中烟尘占灰分量的比率,%,其值与燃烧与方式有关,可参考表1;η- 除尘系统的除尘效率,各种除尘器效率可参考表2选取,未装除尘器时,η= 0;C fh- 烟尘中可燃物的比率,%,烟尘中可燃物的含量C fh一般可取40%,煤粉炉可取8%,沸腾炉可取25%。
表1烟尘中的灰占煤灰分之百分比d fh值各类除尘器的除尘效率η表一般燃煤灰份(A)取28%,烟尘中可燃物的百分含量(C fh)取40%。
在不考虑除尘效率情况下,锅炉不同燃煤方式燃用时的烟尘产污系数见表3。
表3锅炉不同燃煤方式燃用时的烟尘产污系数(kg/t煤)最终计算公式为:G sd= 0.19 .B 。
(1-η), (kg、kg、d fh=40% )二、燃料燃烧产生二氧化硫量的物料衡算方法1、煤炭中硫的成分可分为可燃硫和非可燃硫,可燃硫约占全硫分的80%。
煤燃烧后产生的二氧化硫的排放量计算公式如下:Cso2 = 2 。
80% 。
B 。
S 。
(1 - η)2、燃油燃烧后产生的二氧化硫的排放量计算公式如下:Cso2 = 2 。
B 。
S 。
(1 - η)Cso2 -- 二氧化硫排放量,kg;B –消耗的燃料煤(油)量,kg;S –燃料中的全硫分含量,%;η- 脱硫装置的二氧化硫去除率,%,各种脱硫技术的平均效果见表5。
燃煤锅炉排放烟尘二氧化硫当氧化物一氧化碳的计算方法1.烟尘排放计算方法烟尘是指燃煤锅炉燃烧过程中产生的可见颗粒物。
烟尘的计算方法主要包括两种:传统方法和连续排放监测法。
传统方法是通过对废烟中的烟尘进行捕集和称重来计算排放浓度。
具体步骤如下:1)在烟气排放口安装捕集装置,用于收集废烟中的颗粒物。
2)将捕集到的颗粒物经称重后,得到烟尘的质量。
3)根据质量与废气体积的比例关系,计算烟尘排放浓度。
连续排放监测法则是通过安装在线监测设备,实时监测烟气中的烟尘含量。
具体步骤如下:1)在烟气排放口安装在线烟尘监测仪器。
2)监测仪器会实时测量烟气中的烟尘含量,通过采样和物理或化学分析获得准确的烟尘浓度。
2.二氧化硫排放计算方法二氧化硫是燃煤锅炉燃烧过程中产生的主要气体污染物。
其计算方法主要根据燃煤的硫含量和燃烧效率来确定。
计算公式如下:SO2排放量(kg)= SO2浓度(mg/m³)× 排放气体体积(m³) / 1000SO2浓度可以通过连续排放监测法进行实时监测,也可以通过常规方法取样后进行分析。
3.氮氧化物排放计算方法氮氧化物是燃煤锅炉燃烧过程中产生的主要气体污染物,包括氮氧化物(NOx)和一氧化氮(NO)。
其计算方法主要依赖于燃煤的氮含量和燃烧条件。
计算公式如下:NOx排放量(kg)= NOx浓度(mg/m³)× 排放气体体积(m³) / 1000NOx浓度可以通过连续排放监测法进行实时监测,也可以通过常规方法取样后进行分析。
4.一氧化碳排放计算方法一氧化碳是燃煤锅炉燃烧过程中产生的有害气体。
其计算方法主要依赖于燃煤的碳含量和燃烧效率。
计算公式如下:CO排放量(kg)= CO浓度(mg/m³)× 排放气体体积(m³) / 1000CO浓度可以通过连续排放监测法进行实时监测,也可以通过常规方法取样后进行分析。
需要注意的是,上述计算方法只是一种近似估算,准确的排放量需要结合实际监测和化验结果进行计算。
各类污染物计算方法本页仅作为文档封面,使用时可以删除This document is for reference only-rar21year.March各类污染物计算方法1、污染物排放(1)工业废水排放量指厂区所有排口排放到企业外部的废水量。
包括生产废水、外排的直接冷却水、清无不分流的间接冷却水、混排的生活污水。
(2)工业废水排放达标量指废水中COD、氨氮、悬浮物指标达到国家或地方排放标准的外排废水量,包括未经处理达标的、经水处理设施处理达标的,以及经污水处理厂处理达标的。
2、COD、氨氮排放量计算污染物排放量(吨)=废水量(吨)×排放口污染物的平均浓度(mg/l)×10-6 3、SO2排放量计算实测:SO2排放量(吨)=废气排放量(m3)×污染物平均浓度(mg/m3)×10-9估算:1、燃煤:SO2排放量(吨)=×燃煤量×含硫率×(1-脱硫率)2、燃油:SO2排放量(吨)=2×燃煤量×含硫率×(1-脱硫率)4、排尘排放量计算实测:烟尘排放量(吨)=废气排放量(m3)×污染物平均浓度(mg/m3)×10-9估算:烟尘(吨)=万吨耗煤量×625×去除率烟尘=1000*耗煤量(吨/月)*煤中的灰分(%)*灰分中的烟尘*[1-除尘效率(%)]/1-烟尘中的可燃物(%)5、工业粉尘排放量计算实测:工业粉尘(吨)=排尘系统风量(m3)×污染物平均浓度(mg/m3)×系统运行时间×10-9估算:产品产量×排污系统6、工业固体废物产生量指企业生产过程中产生的固体状、半固体状和高浓度液体废物。
包括危险废物、冶炼废渣、炉渣、煤矸石、尾矿、放射性废物和其他废物。
2。
燃煤燃气、锅炉废气so2/nox/烟尘、废水COD/BOD/SS/氨氮等污染物排放计算公式一、序号项目平均浓度(毫克/升)备注CODcr油类1宾馆及带客房的饭店6001502不带客房的饭店1000200 3小面饭店8000250 4美容、理发店8005浴室2006商场240不包含餐饮餐饮业及商场年废水排放量可按年用新鲜水量的80%计;美容、理发店和浴室等行业年废水排放量可按年用新鲜水量的85%计。
二、废气部分1、年废气排放量Q=P•BQ—某一锅炉、茶炉、大灶或工业窑炉年废气排放量(万标立方米/年)B——该锅炉、茶炉、大灶或工业窑炉年燃料消耗量(吨/年)P——该锅炉、茶炉、大灶或工业窑炉废气排放量的排放系数。
各种燃料废气排污系数炉型P 燃料茶炉、大灶(含炮台炉)小于 4 吨锅炉备注手烧型链条等煤粉炉沸腾炉无烟煤1.0730.8400.7810.7370.650链条、振动、往复炉排具有相同的排污系数烟煤 1.0960.8030.8050.7610.673褐煤 1.2050.9590.8980.8510.750燃料油1.028燃料气1.393指液化气2、年烟尘排放量G=B·K·(1-η)G——某一锅炉、茶炉、大灶或工业窑炉年烟尘排放量(吨年)。
B——该锅炉、茶炉、大灶或工业窑炉年燃料消耗量。
煤(吨/年);燃料油(立方米/年);燃料气(百万立方米/年)。
K——该锅炉、茶炉、大灶或工业窑炉年烟尘排放量的污染系数。
η——该锅炉、茶炉、大灶或工业窑炉除尘系统的除尘效率(%)。
其中旋风除尘器除尘效率为80%左右,水膜除尘器除尘效率为90%左右。
燃煤烟尘污染系数炉型k 燃料茶炉、大灶(含炮台炉)手浇、链条炉、往复炉振动炉化铁炉抛煤机炉沸腾炉煤粉炉型煤0.0030.0710.1070.1160.1560.199煤球0.004散煤0.005燃料油、燃料气烟尘排污系数燃料种类K炉型燃料油燃料气备注电厂锅炉0.00120.2385工业锅炉0.002730.2862采暖炉0.0009520.302注:1、燃料油比重为0.92~0.98吨/立方米。
燃煤锅炉排放烟尘和二氧化硫与当氧化物一氧化碳的计算方法燃煤锅炉是一种常见的供热设备,但是它的排放会带来大量的污染物,包括烟尘、二氧化硫、氮氧化物和一氧化碳等。
计算这些污染物的排放量是重要的环境评估工作之一、以下是燃煤锅炉排放烟尘和二氧化硫与氮氧化物、一氧化碳的计算方法。
1.烟尘排放计算方法:烟尘是煤燃烧过程中产生的颗粒物,它的排放量可以通过以下公式进行计算:烟尘排放 (kg) = 燃料消耗(kg) × 烟尘产率 (g/kg)其中,燃料消耗指的是煤燃烧过程中消耗的煤的质量,烟尘产率指的是单位质量煤燃烧后产生的烟尘量。
2.二氧化硫排放计算方法:二氧化硫是煤燃烧过程中产生的主要污染物之一,其排放量可以通过以下公式计算:二氧化硫排放 (kg) = 燃料消耗(kg) × 二氧化硫含硫率 (kg/t)× 1000其中,二氧化硫含硫率指的是单位煤质量中二氧化硫的含量。
3.氮氧化物排放计算方法:氮氧化物是煤燃烧过程中产生的另一种主要污染物,其排放量可以通过以下公式计算:氮氧化物排放 (kg) = 燃料消耗(kg) × 综合排放因子 (g/kg)综合排放因子是综合考虑煤样本中氮的含量、不完全燃烧和燃烧条件等因素得到的系数。
4.一氧化碳排放计算方法:一氧化碳是煤燃烧过程中产生的有害气体之一,其排放量可以通过以下公式计算:一氧化碳排放 (kg) = 燃料消耗(kg) × 一氧化碳排放因子 (g/kg)一氧化碳排放因子是根据煤质量和燃烧条件等因素得到的系数。
需要注意的是,以上的计算方法都是在已知燃料消耗的情况下计算排放量,因此需要准确记录燃料使用量。
此外,为了准确计算排放量,还需要对煤质量进行分析,并测定煤中含硫率、氮的含量等参数。
以上是燃煤锅炉排放烟尘和二氧化硫与氮氧化物、一氧化碳的计算方法。
通过对这些污染物的排放进行计算和监测,可以及时采取相应的减排措施,保护环境、改善空气质量。
排污系数:燃烧一吨煤,排放0.9-1.2万标立方米燃烧废气,电厂可取小值,其他小厂可取大值。
燃烧一吨油,排放1.2-1.6万标立方米废气,柴油取小值,重油取大值。
①1吨煤炭燃烧时产生的SO2量=1600×S千克;S含硫率,一般0.6-1.5%。
②1吨燃油燃烧时产生的SO2量=2000×S千克;S含硫率,一般重油1.5-3%,柴油0.5-0.8%。
根据《中国环境影响评价培训教材》:燃烧1m3的柴油排放的主要大气污染物总量:氮氧化物(以NO2计)8.57kg/m3,二氧化硫10.0kg/m3,烟尘1.80kg/m3。
柴油重度取950kgf/Nm3,则项目主要大气污染物NO2、SO2和烟尘的排放系数分别为9.02kg/t、10.53kg/t、1.89kg/t。
③天然气燃烧排烟量按燃烧每立方米天然气产生烟气量为10.30Nm3/Nm3。
SO2产物系数为9.6 kg/106m3,NO2产物系数为1920 kg/106m3,烟尘产物系数为160kg/106m3,一、燃料燃烧产生烟尘量的物料衡算方法烟尘计算法公式如下:Gsd = B·A ·dfh·(1 - η)/(1-Cfh)Gsd –烟尘排放量,kg ;B –耗煤量,kg ;A –煤中的含尘量,%;dfh –烟尘中飞灰占灰分总量的份额,%,其值与燃烧方式有关,可参考表1;η- 除尘系统的除尘效率,各种除尘器效率可参考表2选取,未装除尘器时,η= 0;Cfh - 烟尘中的含碳量,%,烟尘中可燃物的含量Cfh 一般可取30%,煤粉炉可取8%,沸腾炉可取25%。
表1 烟尘中的灰占煤灰分之百分比dfh值表2 各类除尘器的除尘效率η表二、燃料燃烧产生二氧化硫量的物料衡算方法1、煤炭中硫的成分可分为可燃硫和非可燃硫,可燃硫约占全硫分的80%。
煤燃烧后产生的二氧化硫的排放量计算公式如下:G SO2 = 2 · 80% ·B ·S ·(1 - η)2、燃油燃烧后产生的二氧化硫的排放量计算公式如下:G SO2 = 2 ·B ·S ·(1 - η)G SO2 -- 二氧化硫排放量,kg;B –消耗的燃料煤(油)量,kg;S –燃料中的全硫分含量,%;η- 脱硫装置的二氧化硫去除率,%,各种脱硫技术的平均效果见表3。
节能减排有关污染物计算公式一、SO2排放量T=16×S×B×10-3×(1-n)式中:T——SO2排放量(吨)S——燃煤含硫量(%)B——燃煤消耗量(吨)n——脱硫效率例:某热电厂2006年全年耗煤75000吨,燃煤含硫量0.5%,采用文丘里水膜除尘(脱硫),脱硫效率10%。
该厂当年从烟囱排放的SO2总量为T1=16×0.5×75×103×10-3×(1-10%)=540(吨)如果将文丘里水膜除尘改为电除尘和炉内脱硫,脱硫效率为75%,则全年外排的SO2总量为T2=16×0.5×75×103×10-3×(1-75%)=150(吨)经改造除尘脱硫系统后,该厂全年减排SO2(T1-T2)=540吨-150吨=390(吨),减排率为72.2%。
二、烟尘(可吸入颗粒物)排放量式中:T——烟尘排放量(吨)B——燃煤消耗量(吨)Α——燃煤中的灰分DF——烟尘中灰份占燃料灰分的百分比(链条炉为20~30%,循环流化床炉为40~80%)e——除尘效率CF——烟尘中可燃物含量百分比(链条炉为3~5%,循环流化床炉为15~25%)仍以上例为例,其燃煤中灰分为25%,炉型为链条炉,取DF=25%,CF为3%,水膜除尘效率70%。
该厂全年外排烟尘总量为如改炉型为循环流化床(取DF为60%、CF为20%),改水膜除尘为电除尘(除尘效率95%),则该厂全年外排烟尘总量为:经炉型和除尘系统改造后,该厂全年减排烟尘(T3-T4)=1449吨-703吨=746吨,减排率为51.5%。
1。
焦化厂焦炉烟囱烟气含硫理论计算焦炉在炼焦过程中,向大气散发含有大量污染物的废气,烟囱废气污染物主要有二氧化硫和氮氧化物。
根据《炼焦化学工业污染物排放标准》(GB16171-2012)要求,2015年1月1日起,焦炉烟囱废气中二氧化硫含量(干基)限值为50mg/m3。
烟囱烟气含硫主要有三个来源:加热煤气中的H2S、串漏进燃烧室内的荒煤气以及荒煤气中的有机硫。
现根据加热煤气中H2S含量进行理论计算,估算焦炉烟囱烟气SO2排放量。
焦炉加热用煤气有焦炉煤气、高炉煤气、混合煤气三类。
现就使用这三类煤气加热时,计算烟囱烟气SO2理论含量(假设不考虑其他因素影响)。
一、焦炉煤气焦炉加热全部使用焦炉煤气时,1m3焦炉煤气与不同比例空气燃烧时,产生的废气量根据《焦化设计参考》附录12-1查得:H2S + 1.5 O2= SO2 + H2O34.08 64.06m1 /90%m x由上式得:燃烧生成的SO2的质量为:其中:m 1为脱硫塔塔后煤气H 2S 含量(mg/m 3) 故废气中SO 2含量为:其中:η---------废气中SO 2含量,mg/m 3 V----------废气量,m 3例如,某焦化厂全年煤气中H 2S 含量在100-900mg/ m 3,平均值为460mg/m 3。
(1) 当α取1.20时,V干=4.776 m 3,则烟气中SO 2含量如下:若要保证烟气中SO 2含量在50mg/m 3以下,则需保证焦炉煤气中H 2S 含量为(2)当α=1.25时,V干=4.995 m 3,则烟气中SO 2含量如下:若要保证烟气中SO 2含量在50mg/m 3以下,则需保证焦炉煤气中H 2S 含量为(3)当α=1.30时,V 干=5.212 m 3若要保证烟气中SO 2含量在50mg/m 3以下,则需保证焦炉煤气中H 2S 含量为(4)结论:根据上述数据分析,在不同空气过剩系数条件下,目前焦炉煤气中H 2S 含量较难保证烟气中SO 2含量在50mg/m 3以下。
燃煤燃气、锅炉废气so2/nox/烟尘、废水COD/BOD/SS/氨氮等污染物排放计算公式2009-5-8 5:29:02 作者:佚名 来源:中华环评网 【大 中 小】 查看评论一、废水部分 Wi=Ci×Qi×10 W ——某一排放口i 种污染物年排放量(公斤/年) Q ——该排放口年废水排放量(万吨/年) C ——该排放口i 种污染物平均浓度(毫克/升)序 号项 目平均浓度(毫克/升)备 注CODcr油 类 1 宾馆及带客房的饭店600 150 2 不带客房的饭店 1000 200 3 小面饭店 8000 250 4 美容、理发店 800 5 浴 室 200 6商 场240不包含餐饮餐饮业及商场年废水排放量可按年用新鲜水量的80%计;美容、理发店和浴室等行业年废水排放量可按年用新鲜水量的85%计。
二、废气部分 1、年废气排放量 Q=P•B Q—某一锅炉、茶炉、大灶或工业窑炉年废气排放量(万标立方米/年) B ——该锅炉、茶炉、大灶或工业窑炉年燃料消耗量(吨/年) P ——该锅炉、茶炉、大灶或工业窑炉废气排放量的排放系数。
各种燃料废气排污系数炉型 P 燃料茶炉、大灶(含炮台炉)小 于 4 吨 锅 炉 备 注手烧型链条等煤粉炉沸腾炉无烟煤1.0730.8400.7810.7370.650链条、振动、往复炉排具有相同的排污系数烟煤 1.0960.8030.8050.7610.673褐煤 1.2050.9590.8980.8510.750燃料油1.028燃料气1.393指液化气2、年烟尘排放量G=B·K·(1-η)G——某一锅炉、茶炉、大灶或工业窑炉年烟尘排放量(吨年)。
B——该锅炉、茶炉、大灶或工业窑炉年燃料消耗量。
煤(吨/年);燃料油(立方米/年);燃料气(百万立方米/年)。
K——该锅炉、茶炉、大灶或工业窑炉年烟尘排放量的污染系数。
η——该锅炉、茶炉、大灶或工业窑炉除尘系统的除尘效率(%)。
燃煤烟气污染物计算燃煤烟气污染物计算1、烟气量计算理论空气需要量:V0=1.05×(Q L/1000)+0.278 (Nm3/kg)式中:V0——理论空气需要量,Nm3/kg;Q L——燃料应用基的低位发热值, Kcal /kg。
实际空气需要量:V实= 1.04×(Q L/1000) +0.77+1.0161×(a-1) ×V0式中:V实——实际空气需要量,(Nm3/kg);Q L——燃料应用基的低位发热值, Kcal /kg;a——炉膛过剩空气系数,a一般取1.8;V0——理论空气需要量,Nm3/kg。
对于小型锅炉,可采用下列烟气量简化计算方法:V0=1.1 Q L/4182(m3(标)/kg)则实际产生总烟气量为:G=B(a+b) V0式中:B-燃煤量,kg/h;a-过剩空气系数;b-燃料系数,见下表。
燃料系数b值表2、燃煤产生的SO2可由以下公式进行计算:G=B×S×D×2×(1-η)式中:G——SO2产生量,kg/h;B——燃煤量,kg/h;S——煤的含硫量,%;D——可燃硫占全硫量的百分比,在此取80%;η——脱硫设施的二氧化硫去除率,%。
3、燃煤产生的烟尘可由以下公式进行计算:Y=B×A×D×(1-η)式中:Y——烟尘产生量,kg/h;B——燃煤量,kg/h;A——煤的灰分含量;一般20%D——烟气中烟尘占灰分量的百分数;一般10%η—除尘设施的除尘效率,%。
4、燃煤产生的NOx方法1:经验公式法。
G NO2 =1.63 B(β×N+0.000938)B——煤耗量 (kg);N——煤燃料中的含氮量(%);β——煤与N有关的系数,在普通燃烧条件下,方法2:排放系数法。
NOx:按9.08千克NOx /吨煤核算。
5、燃煤产生的炉渣方法1:排放系数法。
炉渣:按燃煤30%核算。
附件4焦化行业大气污染物核算方法本方法各主要参数分别来源于《排污申报登记实用手册》和环保部推广的山西省焦化行业污染物排放量核算办法,对于没有自动在线数据及监督性监测数据的工段,可以参考使用本办法进行排污量核定。
一、物料装卸(转运)工段主要污染物为粉尘,产尘量按物料装卸(转运)量核算,系数为3.53-6.41 kg/t煤。
排放量核算公式如下:粉尘排放量(kg)=物料装卸(转运)量(t)×物料装卸(转运)产污系数(kg/t)×[(1-污染防治设施处理率%)×污染防治设施运行率%+(1-污染防治设施运行率)]×调整系数表1:污染防治设施处理率表2:调整系数二、物料堆存工段主要污染物为粉尘,产尘量按物料堆存量核算,系数为1.48-2.02 kg/t煤·年。
排放量核算公式如下:粉尘排放量(kg)=物料堆存量(t)×物料堆存粉尘产污系数(kg/t·年)×(1-污染防治设施处理率%)÷4(按季核定,按月核定除12)×调整系数。
表3:污染防治设施处理率表4:调整系数三、备煤、煤破碎工段主要污染物为粉尘,产尘量按备煤、煤破碎量核算,系数为2.23kg/t煤。
排放量核算公式如下:粉尘排放量(kg)=煤破碎量(t)×备煤、煤破碎粉尘产污系数(kg/t)×[(1-污染防治设施处理率%)×污染防治设施运行率%+(1-污染防治设施运行率%)]。
表5:污染防治设施处理率四、装煤工段主要污染物为二氧化硫、烟尘、苯并芘,污染物排放量按焦炭生产量进行核算。
排放量核算公式如下:污染物排放量(kg)=焦炭生产量(t)×产污系数(kg/t)×[(1-污染防治设施处理率%)×污染防治设施运行率%+(1-污染防治设施运行率%)]表6:产污系数(kg/t)表7:烟尘污染防治设施处理率注:装煤过程配套装煤消烟除尘设施包括高压氨水无烟装煤、侧吸管无烟装煤、炉顶装煤消烟除尘设施(采用布袋除尘)、二合一地面站(采用布袋除尘)等。