中水回用深度处理系统操作规程
- 格式:doc
- 大小:48.00 KB
- 文档页数:8
中水回用操作规程分解一、概述中水回用是指将生活污水、工业废水经过一系列处理后,再利用于农田灌溉、景观水体充水等用途的过程。
为了确保中水回用的安全和稳定,需要建立一套严格的操作规程。
下面是中水回用操作规程的分解,以保证中水回用系统的正常运行。
二、工艺流程1.生活污水预处理:将生活污水进行沉淀除磷除氮等处理,以去除污水中的大颗粒悬浮物和有机总磷、有机氮等污染物。
2.工业废水处理:根据工业废水的性质,采用合适的工艺进行处理,去除其中的重金属、有机物等污染物。
3.中水加药处理:通过加入适量的药剂,如聚合氯化铝、过氧化氢等,进行混合和沉淀,使污水中的微小悬浮物快速沉淀。
4.中水过滤处理:采用砂滤或膜滤等方式,去除污水中的悬浮物、胶体物质等细小颗粒。
5.中水消毒处理:利用紫外线、臭氧等消毒设备,对中水进行杀菌处理,以确保回用水的卫生安全。
6.中水管网运输:将处理后的中水输送至回用水储存罐或灌溉系统等目标地点,要确保管网无泄漏、无交叉污染。
三、操作规范1.设备操作规范(1)每日开机前,检查各设备的电源、仪表、阀门等是否正常运行,如发现异常及时处理。
(2)定期对设备进行检修、清洗和维护,确保设备的正常运行。
(3)设备操作时,要按照操作说明书进行操作,禁止随意调节参数或操作不规范。
(4)设备故障时,要及时报修,并采取临时措施保证系统的正常运行。
2.水质监测规范(1)定期对回用水进行监测,包括悬浮物含量、有机物含量、重金属含量等指标。
(2)根据监测结果,及时采取相应措施,确保回用水的水质符合国家或地方的相关标准。
(3)水质监测记录要保存完整,以备随时查阅。
3.卫生安全规范(1)操作人员要佩戴适当的劳动防护用品,如口罩、手套等,避免接触污水和有害物质。
(2)操作人员要保持良好的卫生习惯,勤洗手、勤清洁工作场所,防止交叉污染。
(3)消毒设备要定期检查和维护,确保消毒效果可靠。
4.应急处理规范(1)每个操作岗位都应制定相应的应急预案,以应对突发情况。
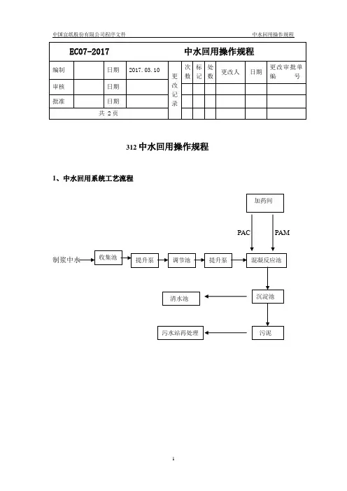
312中水回用操作规程1、中水回用系统工艺流程PAC PAM制浆中水EC07-2017 中水回用操作规程编制 日期 2017.03.10 更改记录 次数 标记 处数更改人日期 更改审批单编 号 审核 日期 批准日期共 2页收集池 提升泵 调节池 提升泵 混凝反应池 加药间沉淀池 污泥 清水池污水站再处理2、操作规程2.1 开机前准备(1)先查看上一班次各项运行记录。
(2)查看各水池的水位、处理效果及各阀门的开启位置,走向是否符合要求正确。
(3)检查药箱的液位,各加药点是否正常。
(4)检查各运行设备的运行是否正常,电气器的电压,电流是否符合要求。
(5)上班时检查沿途管道是否被杂物堵住,及时清理。
(6)查看洗皮池闸板是否符合要求。
2.2 开机处理2.2.1 先加引水,以防打空泵。
阀门均开启一半,控制好电流。
2.2.2 开启调节池推流器,使污水污泥搅拌均匀。
2.2.3 加药桶按规定比例配好PAC(15%)、PAM(1.5%)搅拌至完全溶解后开启加药泵,待药剂到达混凝反应池后,再开启调节池提升泵,把污水提升至混凝反应池,进行混凝反应。
2.2.4 查看反应池的效果和沉淀池的沉淀效果,如果效果不好要调整加药量和药的浓度。
2.2.5 要保证清水池出水符合制浆回用的要求。
2.2.6 按规定定时切换洗皮次黑液闸板并与下面污水站人员取得联系。
2.3 每班定时对沉淀池进行排泥至下面污水站,在排泥之前通知下面污水站当班人员得到同意后方可排泥。
2.4 定期对各运行设备做好保养,发现问题及时汇报。
2.5 下班前认真如实做好记录并打扫周边及室内环境卫生。
北京市通州区第三中学迁址新建工程中水处理站工程操作规程1.工程概况1.1本工程为北京市通州区第三中学中水回用工程,主要收集洗漱用水,经过生化处理后,回用于冲厕所用水。
1.2工艺流程 优质杂排水污泥池沉淀池A 生化池提升泵调节池格栅池污泥泵上清液回流机械过滤器活性碳过滤器清水池加药反洗水回流供气回 流 线工艺路线供气路线排污泥线中间水池溢流中间提升泵毛发过滤器反冲洗泵回用变频泵反冲洗线O 生化池硝化液回流化粪池溢流意外排放1.3工艺流程说明收集洗漱用水,污水中含有一定量的毛发及悬浮物,为防止其对调节池中的污水提升泵产生影响、堵塞卡壳等,在格栅池中特设格栅将其去除。
污水经格栅后自流进入调节池,在调节池出水又设有毛发过滤器将毛发去除。
调节池是作为污水水量调节和均质的设备。
由于污水排放具有时段不均匀性、时变化系数较大的特点,要使生化处理系统较均衡地运行,尽量减少其冲击负荷的影响,以达到理想的处理效果,则需设调节池,对污水水量进行调节并均质,使调节池污水提升泵始终按平均处理水量向生化系统供水。
考虑到排水的不均匀性,调节池有效容积按6-8倍设计最大流量计算。
池内末端安装潜污泵2台,用于将水提升到A生化池,一用一备。
本池中污水泵的运行受液位浮球控制。
调节池中的水位处于高液位时水泵自动启动;处于低液位时水泵自动停止。
污水经调节池后由泵提升至A生化池。
本池是利用异养型兼性微生物进行以反硝化过程为主的构筑物,功能是去除污水中的NH3-N和降解有机物。
来自调节池的原污水与从O段生化池回流的经过硝化的混合液在此池充分混合,在缺氧条件下,进行反硝化反应,污水中的反硝化菌以原污水中碳源有机物作为氢电子供体,以硝态氮作为电子受体,使回流混合液中的硝态氮及亚硝态氮中的氮被还原成氮气从水中逸出,从而达到除氮的目的。
同时水中的兼性厌氧菌可将好氧菌难以降解的大分子有机物氧化分解成易于降解的小分子有机物,可提高其可生化性,为好氧生化创造有利条件。
南车成都机车车辆有限公司 -06-2008
共1页第1页
电机中水回用设施运行操作规程
一、在中水回用设施运行前,操作人员应认真检查该设施设备是否有损坏泄漏等异常现象。
清理周边杂物,检查各阀门开、闭状态,水泵管道及中水储水池水位等。
二、中水回用提升泵采用手动控制方式。
使用时,关闭反冲洗阀门,打开回用水阀门,启动中水回用提升泵按钮。
停用中水时关闭中水提升泵。
清水池水位不得低于0.5米、高于2.2米。
三、启动、停止中水回用提升泵的时间应由使用单位电话通知(停止使用中水应尽快通知,避免管网因压力过高而损坏)。
四、中水量显示低水位时应及时补加至高水位,方法为:关闭砂滤罐排水阀,开启砂滤罐至清水池阀门,使砂滤罐出水流入清水池,至高水位时转换上述阀门。
五、中水消毒采用人工投加,使用二氯异氰尿酸钠干粉。
投加量为每池(30吨中水)200g(余氯量:≥1mg/L)。
六、中水回用设施在运行中应做好水位,设施,设备及管路的巡视检查工作。
一旦出现异常现象应停机检查和修复。
七、中水回用设施运行应严格遵守操作规程,操作记录登记在污水处理站运行记录上。
附加说明:
本规定由负责起草、解释
本规定审核人:
本规定批准人:
2008年6月30日发布2008年6月30日实施。
中水系统运行操作规程1.中水系统操作流程1)工艺单元操作规程A.班前工作:a.穿工作服做好上班准备;b.认真进行交接班,并做好交接班记录;c.在控制室对运行各单元情况进行核对,特别查清运行不正常单元;d.首先对存在问题的单元进行一次检查,排除故障,恢复正常运行;e.结合班中巡检要求,对中水站进行一次系统检查,检查运转设备润滑状况。
特别注意水泵、风机润滑油位,严禁少油、无油运转,避免设备事故。
B.操作规程a.定期清理格栅,防止污染物堵塞格栅产生污水处理事故。
b.机械格栅应按照设定时间运转,开机停机时间按工程实际状况设定。
c. 污水提升泵为液位控制自动运行方式,高位开泵、低位停泵,超位水位也可设立两台泵短期同时运行。
电控箱应有工况故障显示,设备故障发生应在8~24h内排除,防止无备泵连续运行情况发生,以杜绝运行事故。
d.机械(活性炭)过滤器应保持正常工况,视出水状况定期进行反冲清洗或检查。
e.调节池(沉淀池)设有多种不同形式,按设定方式运行,防止污泥沉积,定期将污泥外排;若作为预曝调节池时,则在池底均布安装有穿孔预曝气装置。
调节池的另一个功能是依据pH检测结果,投加药剂,调整pH处于正常的范围内。
f.厌氧处理单元的操作:厌氧操作要点是按所提供的厌氧处理指导手册要求,在完成厌氧启动(菌种培养、驯化)基础上,控制进水水质、水温,并定期进行污泥回流、搅拌,同时防止厌氧污泥流失。
g.好氧处理单元操作:好氧处理按不同条件分别设计为延时曝气活性污泥工艺和接触氧化工艺。
C.班后工作a.下班前应进行巡检,发现问题及时解决或做好记录;b.对水、气、电、药等各种管线阀门进行检查,并应处于良好的备用工况状态;c.做好交接班记录,认真交接班。
2.中水系统设备操作规程1)格栅A.栅渣应定时清除。
B.栅筛除机械工作时,应监视机电设备的运转情况,发现故障应立即停车检修。
C.清捞出的栅渣,应妥善处理和处置。
2)水泵A.根据进水量的变化和工艺运行情况,应调节水量,保证处理效果。
中水回用水处理系统工艺流程
1.预处理:首先对进入中水处理系统的原始污水进行预处理,去除其
中的大颗粒悬浮物、沉淀物和油脂等。
这一步骤通常采用物理处理方法,
如格栅、沉砂池和油脂分离器等。
2.生物处理:接下来,将经过预处理的污水送入生物处理单元进行进
一步的处理。
生物处理通过利用生物载体,如活性污泥或生物膜,将有机
物质转化为无机物质,达到去除水体中有机污染物和氨氮的目的。
常用的
生物处理方法有活性污泥法、生物膜法和固定膜反应器等。
3.深度处理:生物处理后的水体仍然含有一定的微量有机物和微生物,需要进行进一步的深度处理。
深度处理一般包括过滤、吸附和消毒等工艺。
过滤可以去除水体中较小的悬浮物和胶体颗粒,常用的过滤介质有砂滤和
活性炭等。
吸附则可以去除水体中的溶解物质,如有机物和重金属等,一
般使用活性炭或吸附树脂。
最后,对深度处理后的水体进行消毒,灭活其
中的细菌和病毒,常用的消毒方法有紫外线照射和臭氧消毒等。
4.推送与回用:最后,处理后的水体通过泵或重力送入回用系统中进
行利用。
回用的水可以用于冲洗、灌溉和其他非饮用用途。
这样不仅可以
节约淡水资源,还可以减少对环境的污染。
总的来说,中水回用水处理系统工艺流程经过预处理、生物处理、深
度处理及推送与回用的步骤,可以有效地将污水处理为符合一定水质要求
的回用水。
这种技术的应用在工业和城市生活中具有重要的意义,可以提
高水资源的利用率和保护环境。
中水回用操作规程1.引言中水回用是指将生活污水、工业废水经过处理后用于再次生活用水、工业用水或农业灌溉等用途的过程。
为了确保中水回用的安全和有效性,制定本操作规程。
本规程适用于中水回用工程的设计、建设、运营及维护。
2.设计要求2.1中水处理工艺应包括适当的物理、化学和生物处理单元。
根据不同的水质要求和用途,选择合适的工艺组合。
2.2设计中应考虑水源的水质特点,合理确定工艺处理参数以达到水质标准要求。
2.3设计中应考虑中水回用系统的管网布置,保证回用水的供应和循环利用的效率。
2.4设计中应设置中水水质监测系统,定期对回用水进行监测,确保回用水质量符合要求。
3.建设和安装3.1按照设计要求进行工程建设,确保设备的运行正常。
3.2安装电气设备时应符合相关标准,避免电气事故的发生。
3.3安装和布置管网时,应保证管道的密封性,避免漏水和二次污染的发生。
4.运营管理4.1中水回用工程应有专门的运营管理人员,具备相关的技术知识和操作技能。
4.2定期对中水处理设备进行检查和维护,确保设备正常运行。
4.3定期对中水质量进行监测,及时发现问题并采取相应的措施进行处理。
4.4建立记录和档案管理制度,对运营管理情况进行记录和归档。
4.5运营管理人员应定期接受相关培训,提高运营管理水平。
5.安全措施5.1中水回用工程应制定应急预案,并进行演练,以应对突发情况。
5.2设备维护人员在进行设备维护时应采取相应的安全措施,避免意外事故的发生。
5.3对于可能存在的危险源,应采取相应的防护措施,确保水源安全。
6.监督检查6.1监督部门应定期对中水回用工程进行监督检查,确保工程按照规程进行运营管理。
6.2对于发现的问题和隐患,监督部门应及时提出整改要求,并对整改情况进行跟踪检查。
6.3监督部门应建立巡查制度,定期对中水回用设施进行巡查,确保设施的正常运行。
7.改进措施7.1运营管理人员应根据实际情况,总结经验,提出改进措施,并进行实施。
中水回用水处理系统工艺流程:
1、预处理阶段:这个阶段主要有两个处理单元,一个处理单元是格栅,另一个处理单元是调节池,其主要用于将污水中的固体杂质进行有效的去除,同时可以将水质进行均匀处理。
2、主处理阶段:在这个阶段,污水中的溶解性有机物会得到有效的去除,因而这个阶段是关键的一个环节。
主处理一般有三种方法:生物处理法:适用于有机物含量较高的污水。
物理化学处理法:活性炭吸附是物理法,混凝沉淀技术是化学法,将这两种方法相结合对水质的处理效果非常好。
膜处理法:应用反渗透膜,或者是超滤膜进行处理,适用于水质变化大的情况。
3、后处理阶段:这个阶段的主要作用是对污水进行消毒处理,经过这个阶段处理后能够保证出水达到中水水质标准,这是一个深度处理过程。
中水回用深度处理系统操作规程中水回用深度处理系统操作规程一、总则1、为加强中水回用深度处理系统的设备管理、工艺管理和水质管理,保证中水回用系统安全正常运行,达到净化水质、处理和处置污泥、保护环境的目的,制定本规程。
2、污水处理的运行、维护及其安全除应符合本规程外,尚应符合国家现行有关标准的规定。
二、一般要求1、运行管理要求⑴运行管理人员必须熟悉本污水处理设施的处理工艺和设备的运行要求与技术指标。
⑵操作人员必须了解本设施处理工艺,熟悉本岗位设施、设备的运行要求和技术指标。
⑶本岗位应有工艺系统网络图、安全操作规程等,并示于明显部位。
⑷运行管理人员和操作人员应按要求巡视检查构筑物、设备、电器和仪表的运行情况。
⑸各岗位的操作人员应按时做好运行记录。
数据应准确无误。
⑹操作人员发现运行不正常时,应及时处理或上报主管部门。
⑺各种机械设备应保持清洁,无漏水、漏电等现象。
⑻根据不同机电设备要求,应定时检查,添加或更换润滑油或润滑脂。
2、安全操作要求⑴本岗位操作人员和维修人员必须经过技术培训和生产实践,并考试合格后方可上岗。
⑵启动设备应在做好启动准备工作后进行。
⑶电源电压大于或小于额定电压5%时,不宜启动电机。
⑷操作人员在启闭电器开关时,应按电工操作规程进行。
⑸各种设备维修时必须断电,并应在开关处悬挂维修标牌后,方可操作。
⑹清理机电设备及周围环境卫生进,严禁擦拭设备运转部位,冲洗水不得溅到电缆头和电机带电部位及润滑部位。
⑺岗位操作人员应穿戴齐全劳保用品,做好安全防范工作。
⑻应在构筑物的明显位置配备防护救生设施及用品。
⑼严禁非岗位人员启闭本岗位的机电设备。
3、维护保养要求⑴运行管理人员和维修人员应熟悉机电设备的维修规定。
⑵应经常检查和紧固各种设备连接件,定期更换易损件。
⑶各种管道阀门应定期做启闭试验。
⑷应定期检查、清扫电器控制柜,并测试其各种技术性能。
⑸在每次停泵后,应检查填料或油封的密封情况,进行必要的处理。
并根据需要填加或更换填料、润滑油、润滑脂。
中水处理回用设备安全操作及保养规程前言中水处理回用设备是一项重要的环保设施,它可以将废水中的有价值的资源进行回用,减少对环境的污染。
本规程旨在保障设备的正常运行和使用,确保操作人员的人身安全和设备的长期稳定性能,同时还能够延长设备的使用寿命。
操作规程1.设备检查在使用设备前应对设备进行检查,确保其正常运行。
主要需要检查以下几个方面:•水箱内水位是否正常;•管道是否存在渗漏;•过滤器是否清洁;•排放系统是否通畅;•是否存在应急开关。
如有任何异常,必须进行处理,方可进行正常使用。
2.停机操作设备在停机时需要进行如下操作:•先关闭供水阀门;•停用设备前须将沉淀池内明显的颗粒物、沙砾和其它物质予以清除,并将悬浮物和沉淀物一并清除;•关闭电源开关,将所有调节阀门关闭严密,然后分别关闭排液系统及回用水系统阀门;•如果设备长时间未运行,必须切断电源,并施以保养,存放在干燥、通风的地方。
3.启动操作设备启动的操作步骤如下:•首先开启给水阀门;•打开设备电源开关,在确认一切正常后,开启回用水系统阀门;•检查设备运行是否正常,若有异常情况,应立即进行修理;•正常运行后进行监测、调整和维护以确保其长期稳定性能。
4.日常操作设备在日常操作时,需要注意以下事项:•需要定期清洁设备内部,避免杂质积累损害设备;•定期检查设备的运行状态,判断设备是否存在异常,及时处理;•严禁私自拆卸、更换设备中的元件;•维护好设备的运作记录。
5.应急操作在设备发生异常时,需要进行以下操作:•立即停止设备运行;•在保证操作人员安全的前提下,寻找和修复设备异常;•若出现设备运行问题,应及时报告负责人进行处理。
保养规程1.设备保养周期设备保养应遵循“定期保养、日常保养、即时保养”的原则,具体周期如下:•日常保养:每天对设备各部位均需进行检查,如有问题立即处理;•定期保养:每月对设备处理水质、润滑油等等进行检查,判断是否需要更换;•即时保养:发现设备有异常情况,及时进行处理。
中水回用水处理系统工艺流程(一)中水回用水处理系统工艺简介中水回用水处理系统是一种节约水资源、保护环境的有效手段。
本文将详细介绍中水回用水处理的各个流程和工艺。
原水采集•水源选择:通常选择城市生活用水净化后的次生水源作为原水。
•原水质检测:对原水进行采样和实验分析,确定其水质特性。
初级处理•气浮池:通过注入气体来形成气泡,利用浮力将悬浮物浮至水面,然后通过刮板等设备将其清除。
•沉砂池:利用沉降原理,将颗粒状悬浮物通过重力沉淀至池底,再通过排泥装置将其清除。
•滤料池:使用砂石等滤料对水进行过滤,去除较小的悬浮物和一部分有机物。
生物处理•好氧处理:采用生物接触氧化技术,通过将水与接触有活性菌群的填料进行接触,利用菌群对有机物和氨氮的生物降解作用来净化水质。
•好氧硝化:利用氨氧化细菌将氨氮氧化成硝态氮。
•好氧反硝化:在硝态氮的存在下,利用反硝化细菌将硝态氮还原成氮气,达到脱氮的目的。
深度处理•膜分离:利用微孔膜、超滤膜、反渗透膜等膜元件,通过物理隔离、筛选、逆渗透等作用,将水中的溶解性固体、胶体、微生物、重金属等物质去除。
•活性炭吸附:利用活性炭对溶解性有机物的吸附作用,去除水中的有机污染物。
消毒•紫外线消毒:通过紫外线照射,破坏细菌、病毒的DNA和RNA,使其失去繁殖能力,从而达到杀灭微生物的目的。
•氯消毒:添加适量的氯化物,产生活性氯,杀灭水中的微生物。
中水回用•中水储存:将处理后的中水储存起来,以备后续使用。
•中水供应:根据需求将中水供应给适当的使用地点,如公共绿化、厕所冲洗等。
•中水监测:对中水进行定期监测,确保其符合回用水的要求。
通过以上流程的处理,中水回用水处理系统可以将污水处理成清洁的中水,达到节约水资源、保护环境的效果。
注意:本文只是简单介绍了中水回用水处理系统的各个流程,具体操作和设备细节需要根据实际情况进行调整和选择。
中水处理系统操作规程1.安全操作1.1操作前,必须戴好个人防护用品,包括安全帽、防护眼镜、耳塞、工作服等。
1.2在操作中,不得随意使用有患的设备或工具,如发现有损坏的设备,应立即上报维修部门。
1.3禁止在操作过程中或设备运行时吸烟、喧哗,以免引起火灾或设备损坏。
1.4对于有明确的设备停机维修计划,必须按照规定将设备停机,并做好相关的封锁。
1.5在操作过程中,如遇到设备异常或故障,应立即停止操作,并及时向上级汇报。
2.操作流程2.1开机前,检查中水处理系统各设备的状态,确保设备无损坏。
2.2按照系统操作手册,操作员按顺序启动各个设备,并逐一检查设备运行情况。
2.3严格控制中水进水量,根据生产需求调节进水量,保持系统运行的稳定性。
2.4定期清洗系统中的沉淀池和过滤设备,保持设备的正常运行。
2.5对设备进行定期维护保养,更换磨损的零部件,确保设备的正常使用寿命。
3.资源管理3.1对中水的处理过程中产生的废水,应按照环保要求进行处理,不能直接排放。
3.2合理利用处理过的中水,可用于生产、灌溉等方面,以减少水资源的浪费。
3.3对中水处理系统中的能源消耗进行监控和评估,提高能源利用效率。
3.4对所需的化学药剂进行精确测量和控制,减少药剂的浪费。
4.质量控制4.1定期对处理过的中水进行采样,检测中水的质量指标,确保中水的合格性。
4.2对处理过程中的各条流程进行监控,及时发现异常并采取措施进行修正。
4.3对处理后的中水进行定期的水质检测,确保中水符合生产和环保要求。
5.环境保护5.1对中水处理系统中的废水进行综合处理,确保处理后的水质达到排放标准。
5.2定期清洗设备和收集废水处理过程中的污泥,确保环境的卫生和整洁。
5.3加强对化学药剂的管理,确保药剂的安全使用,防止对环境造成污染。
5.4提倡节约用水,对系统的设计和运行进行优化,减少水资源的消耗。
以上是中水处理系统操作规程的一部分,具体的操作规程还需要根据具体的处理设备和生产工艺进行补充和完善。
中水处理系统操作的基本步骤中水处理系统是一种用于回收和再利用废水的设备,广泛应用于工业生产和城市建设等领域。
正确的操作步骤是确保中水处理系统能够有效运行和实现水资源的可持续利用的关键。
在本文中,我将介绍中水处理系统操作的基本步骤,以帮助您更好地了解和应用这一技术。
1. 步骤一:系统检查和准备在开始操作中水处理系统之前,需要对设备进行检查和准备工作。
包括检查管道连接是否稳固、泵的状态是否正常、中水处理设备是否处于运行状态等。
还需要检查废水的流量和水质指标,以确定是否需要进行前处理。
2. 步骤二:前处理前处理是指对废水进行初步处理,以去除悬浮物、油脂和固体颗粒等杂质。
常见的前处理方法包括格栅、沉淀池、颗粒物过滤器等。
在进行前处理时,需要根据水质指标进行调整和监测,确保前处理的效果符合要求。
3. 步骤三:中水处理中水处理是指对经过前处理的废水进行深度处理,以去除溶解性有机物、重金属、氮、磷等有害物质。
常用的中水处理方法包括生物处理、化学处理和物理处理等。
根据废水的性质和特点,选择适当的处理工艺和设备,并进行系统的运行和监测。
4. 步骤四:再利用和排放经过中水处理后,废水可以被再利用于工业生产、灌溉和环境绿化等领域,降低了对自然水资源的需求。
在再利用之前,需要对中水进行消毒和除臭等处理。
对于不适合再利用的废水,需要进行合规的排放,确保不对环境造成污染和影响。
5. 步骤五:运行监测和维护中水处理系统的运行监测和维护是确保其正常运行和水质稳定的重要环节。
包括定期对设备和管道进行清洗和维修、监测处理效果和水质指标、调整处理工艺参数等。
通过运行监测和维护,可以及时发现问题并采取措施,保证中水处理系统的持续运行和处理效果。
在对中水处理系统操作的基本步骤进行了介绍之后,我想分享一下对这个主题的一些观点和理解。
正确的操作步骤是确保中水处理系统能够高效运行和实现再利用的关键。
每个步骤都至关重要,任何一个环节的疏漏都可能导致系统的异常和处理效果的下降。
WHDC-ZSl滤网清洗机中水回用系统
操作规程
1 .操作人员经培训合格后,能熟练使用方准进行操作。
操作者必须严
格遵守有关安全、技术规章制度。
严禁非经培训人员擅自操作设备。
2 .联机开机前,确认是否满足使用条件,若不满足禁止开机。
3 .联机开机前,请检查净水箱是否有水。
水位是否合适,如果没水,
开机后,是否能自动补水。
4 .每次开机后,检查控制系统工作是否正常。
另外检查水处理个管路
是否正常运行,是否有渗漏堵塞等现象。
如有异常,应及时停机,立即检查,排除故障。
5 .每次开机后,请检查来自于滤网清洗机的清洗污水回流是否正常,
有无堵塞现象。
6 .工作时,请注意初滤过滤器是否有异常响声,能否正常过滤及排
污,如有异常,则要停机检查,直到排除故障。
7 .当过滤精度达不到要求时,首先用不锈钢泵对超滤膜过滤器进行
手动反冲处理,恢复其过滤性能。
如进行反冲仍然无法恢复其过滤性能,就应该对超滤膜过滤器的滤芯予以更换。
8 .经常检查管路中电磁阀动作是否正常,能否做排污动作,如果有损
坏应及时更换。
9 .污水箱无出水,应禁止启动水泵。
10 .每天下班停机后,应将污水箱的各排污阀打开,将污水排到排污
沟中。
并将倾倒斜面排污槽内的渣滓。
11 .定期对排污泵加油润滑。
12 .当室内温度接近0℃,禁止系统运行。
应将中水回用管道内的水
吹出,进行防冻处理。
中水回用池操作规程
《中水回用池操作规程》
一、前言
中水回用池是指将生产、生活、雨水收集后的废水经过处理净化后,再次利用于生产、生活、绿化等用途的设施。
为了保障中水回用池的正常运行和有效利用,制定本规程。
二、操作人员的要求
1.操作人员必须经过相关培训,了解中水回用池的运行原理、工艺流程和安全操作规程,并获得相关证书;
2.操作人员必须具备责任心和认真态度,严格按照规程操作,确保设备安全运行;
3.操作人员必须了解中水回用池的工艺特点,并熟悉设备的操作和维护。
三、操作流程
1.检查设备和管路是否正常,确保无泄漏和异常声音;
2.每日定时清理过滤器,保证过滤效果达到要求;
3.根据中水回用池的实际情况,调节池内水位和循环水量,保持水质稳定;
4.定期对设备进行检修和维护,确保设备的正常运行和使用寿命;
5.跟踪并记录中水回用池的运行数据,分析池内水质和处理效果,及时调整处理工艺。
四、安全注意事项
1.操作人员必须着装整洁,严禁穿拖鞋、短裤和带有硬物的衣物进入操作区域;
2.严格遵守操作规程,避免操作失误导致事故发生;
3.定期进行安全培训和应急演练,提高操作人员的安全意识和应急处理能力;
4.注意池内水质的变化和异常情况,及时采取措施予以解决。
五、结论
中水回用池的正常运行对于资源节约和环保具有重要意义。
操作人员必须严格按照规程操作,确保中水回用池的安全运行。
同时,应根据实际情况不断完善和优化操作规程,提高中水回用池的利用率和处理效果。
中水回用操作流程
工序一: 开机准备
1.1 开机检查,检查所有阀门、泵等设备装置均处于正常状态下后,才能
启动生产过程。
1.2 打开总电源,打开触摸屏电源及其仪表电源,启动操作系统。
1.3 对预处理、超滤、反渗透、加药等工序的生产和报警参数进行设定。
工序二:预处理
2.1 检查原水泵前后阀门开启情况,检查原水池水质,及其液位情况。
2.2 开启石英砂过滤器,活性炭过滤器以及附属水渠、水池、泵等。
3.3当砂滤罐压差大于0.1bar或活性炭罐压差大于0.15bar时,需要对
砂滤罐或活性炭罐进行反洗。
工序三:超滤处理
3.1 预处理系统的滤后水经超滤进水泵打入过滤器过滤,再进入超滤膜
组件中过滤产水
3.2正常产水前,先打开进水阀和正排阀进行开机正洗,以小流量置换
组件中原有积水或将组件注满水,再打开进水阀和产水阀正常产
水.
3.3
自动流程运行。
正洗——产水——反洗(反洗8次后改为分散洗)
——正洗——产水.
3.4 需停机时电控柜上将“超滤系统”按钮打至停止。
工序四:反渗透处理
4.1
系统按自动流程运行。
4.2 正常的启动反渗透系统,膜系统调试到正常运行状态后,应尽量连续
运行,减少系统设备的启动和停止的次数。
4.3 需停机时,在电控柜上将“反渗透系统”按钮打到停止,系统自动进
入停机状态。
工序五:正常产水,浓水处理及污泥压滤,系统关机。
备注:详细的操作流程,查阅《中水回用工程工艺操作说明书》。
中水回用深度处理系统操作规程一、总则中水回用深度处理系统是指将废水经过一系列处理工艺后,达到一定水质标准,再经过过滤、消毒等过程后,用于农田灌溉、绿化用水等回用的系统。
为确保中水回用深度处理系统的正常运行,提升水质处理效果,保护环境,制定本操作规程。
二、操作人员的要求1.操作人员应具备相关的职业资格证书,并接受系统操作培训。
2.操作人员应遵守操作规程,严格执行操作步骤。
3.操作人员应具备良好的卫生习惯,并做好个人防护。
三、操作步骤1.启动系统(1)检查设备是否完好,确保各部分连接正常。
(2)检查供电线路是否正常,防止漏电和火灾。
(3)按照设备启动顺序,逐步启动设备,确保设备运行平稳。
2.进水处理(1)根据水质情况,调整出水口阀门控制进水流量,并确保进水流量稳定。
(2)根据水质情况,调整加药系统投药量,确保出水水质符合要求。
(3)定期清洗进水管道和过滤器,防止堵塞。
3.深度处理(1)根据水质情况,调整各处理单元的操作参数,确保出水水质符合要求。
(2)定期清洗各处理单元,保证其正常运行。
(3)定期更换各种处理介质和其他耗材,保证处理效果。
4.出水处理(1)确保出水水质符合要求。
(2)对出水进行过滤、消毒等处理,确保水质安全。
5.清洗和维护(1)定期对系统设备进行清洗和维护,保证设备正常运行。
(2)检查设备运行状况,发现异常情况及时处理。
(3)保持设备周围环境干净整洁,防止灰尘和杂物进入设备。
6.记录和报告(1)每日记录设备运行情况、进出水水质、处理参数等。
(2)根据记录情况,及时调整操作参数。
(3)定期向上级主管部门上报设备运行情况和水质监测情况。
四、操作规范1.操作人员应佩戴好工作服和防护用品,严禁穿插拖鞋、裸露身体等不符合要求的服饰。
2.操作人员应严格按照操作规程进行操作,禁止擅自改变操作步骤。
3.操作人员应熟悉设备的运行原理和操作方法,保证设备的正常运行。
4.操作人员应保持设备周围环境的清洁,定期清洁设备。
中水回用深度处理系统操作规程一、总则1、为加强中水回用深度处理系统的设备管理、工艺管理和水质管理,保证中水回用系统安全正常运行,达到净化水质、处理和处置污泥、保护环境的目的,制定本规程。
2、污水处理的运行、维护及其安全除应符合本规程外,尚应符合国家现行有关标准的规定。
二、一般要求1、运行管理要求⑴运行管理人员必须熟悉本污水处理设施的处理工艺和设备的运行要求与技术指标。
⑵操作人员必须了解本设施处理工艺,熟悉本岗位设施、设备的运行要求和技术指标。
⑶本岗位应有工艺系统网络图、安全操作规程等,并示于明显部位。
⑷运行管理人员和操作人员应按要求巡视检查构筑物、设备、电器和仪表的运行情况。
⑸各岗位的操作人员应按时做好运行记录。
数据应准确无误。
⑹操作人员发现运行不正常时,应及时处理或上报主管部门。
⑺各种机械设备应保持清洁,无漏水、漏电等现象。
⑻根据不同机电设备要求,应定时检查,添加或更换润滑油或润滑脂。
2、安全操作要求⑴本岗位操作人员和维修人员必须经过技术培训和生产实践,并考试合格后方可上岗。
⑵启动设备应在做好启动准备工作后进行。
⑶电源电压大于或小于额定电压5%时,不宜启动电机。
⑷操作人员在启闭电器开关时,应按电工操作规程进行。
⑸各种设备维修时必须断电,并应在开关处悬挂维修标牌后,方可操作。
⑹清理机电设备及周围环境卫生进,严禁擦拭设备运转部位,冲洗水不得溅到电缆头和电机带电部位及润滑部位。
⑺岗位操作人员应穿戴齐全劳保用品,做好安全防范工作。
⑻应在构筑物的明显位置配备防护救生设施及用品。
⑼严禁非岗位人员启闭本岗位的机电设备。
3、维护保养要求⑴运行管理人员和维修人员应熟悉机电设备的维修规定。
⑵应经常检查和紧固各种设备连接件,定期更换易损件。
⑶各种管道阀门应定期做启闭试验。
⑷应定期检查、清扫电器控制柜,并测试其各种技术性能。
⑸在每次停泵后,应检查填料或油封的密封情况,进行必要的处理。
并根据需要填加或更换填料、润滑油、润滑脂。
⑹各种机械设备除应做好日常维护保养外,还应按设计要求或制造厂的要求进行大、中、小修。
⑺不得将维修设备更换出的润滑油、润滑脂、实验室废水及其它杂物丢入污水处理设施内。
⑻应定期检查和更换消防设施等防护用品。
⑼维修机械设备时,不得随意搭接临时动力线。
四、系统准备:1、熟悉系统流程,掌握系统运行特点;2、检查各阀门状态,确保各阀门工作正常,符合系统运转要求;3、检查系统供水状态及闭水情况,确保系统供水满足运行要求;4、检查系统出水水箱状态及闭水情况;5、检查各过滤器状态及闭水情况;6、检查各机械过滤器状态及闭水情况;7、检查各加药计量泵状态及储药箱药液液位,调整各加药计量泵出水流量;9、检查系统各液位开关工作状态,确保其动作灵活,信号输出可靠;10、准备系统运行记录;五、系统运行A、锰砂过滤器l、第一次滤料填装清洗第一次滤料填装后按反洗方式清洗滤料:打开上排阀,再打开反洗阀进水,进水量15m3/(h.m2),此过程一般需几小时,直至出水澄清,清洗时须密切注意撵水中不得有大量正常粒颗的滤料出现,否则,应立即关小反洗进水阀以防止滤料冲出。
2、正洗和运行。
滤料清洗干净后,打开下排阀及进水阀,进入正洗状态,正洗时进水控制在滤速6~8米/小时,时间约15~30分钟左右。
当出水水质达到要求后,打开出水阀,关闭下排阀进正常运行。
3、反洗过滤器工作一般时间后.由于大量悬浮物的截留使过滤器进出水压差逐渐增大,当此压差≥008MPa时,必须对过滤器进行反洗,先打来上排阀,然后打开反洗阀进水后再关闭出水阀,进水阀,反洗强度与滤料清洗时完全相同,时间约10分钟。
B、多介质过滤器l、第一次滤料填装清洗第一次滤料填装后按反洗方式清洗滤料:打开上排阀,再打开反洗阀进水,进水量15m3/(h.m2),此过程一般需几小时,直至出水澄清,清洗时须密切注意撵水中不得有大量正常粒颗的滤料出现,否则,应立即关小反洗进水阀以防止滤料冲出。
2、正洗和运行。
滤料清洗干净后,打开下排阀及进水阀,进入正洗状态,正洗时进水控制在滤速6~8米/小时,时间约15~30分钟左右。
当出水水质达到要求后,打开出水阀,关闭下排阀进正常运行。
3、反洗过滤器工作一般时间后.由于大量悬浮物的截留使过滤器进出水压差逐渐增大,当此压差≥008MPa时,必须对过滤器进行反洗,先打来上排阀,然后打开反洗阀进水后再关闭出水阀,进水阀,反洗强度与滤料清洗时完全相同,时间约10分钟。
C、超滤系统操作规程及维护保养1、超滤的手动操作1.1产水操作(1)气动阀门动作及状态确认超滤装置上的产水、浓水排放、进水气动阀开启。
气动阀门的开关通过超滤装置上的就地控制柜完成。
保证超滤处于产水状态时,再启动原水进水阀的操作,从而保证超滤运行负荷不超标。
2、冲洗操作(1)前正冲由组件进水口至浓水出口,产水阀门关闭。
(2)反洗反洗采用超滤产水作为反冲水,由组件产水口进入,浓水出口流出。
此时入口水阀和产水阀关闭。
执行此步骤时随反洗泵的投运启动次氯酸钠加药泵,投加浓度约为150PPM。
(3)后正冲由组件进水口至浓水出口,产水阀门关闭。
冲洗至出水清澈为止。
(4)化学加强反洗化学加强反洗程序在反洗过程中向反洗水中假如化学药品。
为了增加化学药品的反应时间,在彻底反洗后可增加一定时间的浸泡时间。
3、运行参数设备连续运行后应对运行参数进行调整,使之在最佳状态运行。
3.1、系统出力单台系统出力为25m3/H。
3.2、连续运行时间系统的设计运行时间为30分钟,随后应对系统进行反洗及正冲洗,并应依据季节不同、水质的变化等调整反洗周期。
3.3、反洗流量/压力每套超滤反洗水流量为60m3/H(可根据运行情况调整),反洗进水压力0.18MPA左右(必须小于0.2MPA)3.4、反洗时间反洗时间的长短和膜组件的截污量有关。
反洗时间可根据反洗排水浊度而定。
一般情况下反洗浊度应接近原水,且时间30——60秒,可根据运行情况进行适当调整。
4、化学清洗及停机保护4.1常见清洗方法4.1.1、加强反洗(此操作运行时间确定,若运行条件变差时可适当增加反洗次数,以提高膜的运行通量)4.1.2、化学加强洗清洗步骤:A、关闭产水气动阀门,水由组件进水口至浓水出口,进行前正冲。
B、开启反洗水泵,反洗水泵流量为60m3/H(,开启次氯酸钠加药泵,同时打开反洗进水阀和浓水侧反洗排放阀,从产水端向超滤装置内加入药液,从反洗排放侧排出,反洗时间一般为15-30秒。
C、加药反洗后,为了增加反应效果,进行浸泡,时间约为60-120秒。
D、化学加强反洗后,以反洗方式把清洗液从两端反洗排放口同时冲出膜组件,反洗时间约为15-30秒。
E、打开进水阀门和浓水侧反洗排放阀,以大量水流冲洗膜腔,直至出水清澈。
化学清洗药液:酸洗:一般采用PH=2的盐酸碱洗:0.5%的氢氧化钠和200PPM的次氯酸钠(PH=12)4.2.3、停机保护(1)短期停机时间少于7天则应每天对设备运行或冲洗约30分钟。
(2)当设备长期停用时,应先对设备进行彻底的冲洗和消毒,然后将膜保护剂抑菌剂注入设备中,封闭好设备所有接口以保持膜的湿润,防止设备内滋生细菌和藻类。
常用的保护剂配方是:水:甘油:亚硫酸氢钠=79:20:1,保护剂的有效期一般为一年。
(3)当设备中的超滤膜脱水后会产生不可逆的通量衰减。
切记保持膜的湿润,并注意膜的抑菌和防霉。
D、反渗透系统操作规程及维护保养一、反渗透系统操作规程1、启动与投运1.1、操作内容进行启动前的各项准备。
1.2、确认保安过滤器、超滤器和还原剂投加装置运行正常。
1.3、启动阻垢剂计量泵,开始投加阻垢剂。
1.4、依次打开反渗透装置浓水排放电动门、浓水回收门和不合格淡水排放门。
1.5、微开高压泵出口门,启动高压泵,泵运转正常后,打开高压泵出口电动慢开门,手动调节高压泵出口门,使反渗透进水流量达到设计流量。
电动慢开门的作用是控制水量上升速度,防止水量突增的高压水冲击膜组件。
1.6、调整反渗透装置的进水阀门和浓水排放门,观察反渗透膜组件的第一段进水压力表,使压逐渐升高,第—段进水压力达到1.5MPa。
1.7、调整阻垢剂计量泵流量至规定值(预计值为3.3L/h)。
1.8、当反渗透残存空气排净、淡水质量达到要求后,关闭反渗透装置不合格淡水排放门,向淡水箱供水。
1.9、运行过程中,监测有关指标,如压力、流量、温度、电导率等,不合格时应及时调整,使运行处于平稳状态。
2、停运2.1.停运的确定当遇到下列情况之一,应考虑降负荷或停止运行:①RO进水水质不合格,且短期内无法消除。
②保安过滤器、超滤装置不能正常运行,或流量不能满足反渗透装置的最低要求。
③反渗透预处理系统发生了短期内无法排除的故障。
④后续系统不需要淡水,如除盐设备不能正常运行或需要停运,淡水箱已满水等。
⑤指令停运,如检修停运、清洗停运等。
⑥反渗透装置本身发生了不能运行的故障。
2.2.停运操作步骤2.2.1、关闭高压泵电动慢开门。
2.2.2、当压力降至0.5MPa时停运高压泵。
2.2.3、关闭反渗透装置所有阀门。
3、停机冲洗反渗透装置停运后应立即用淡水置换膜元件中的浓水,防止浓水侧亚稳态过饱和溶液的结垢物质沉积。
若停运时间较短(如少于15 N 30d),则每隔1-3d低压冲洗一次;若停运时间较长,则用保护液充满反渗透装置。
(1)停机冲洗装置:主要设备为冲洗泵,扬程在0.3MPa左右。
(2)停机冲洗操作:可按下列步骤进行反渗透装置的冲洗。
①打开反渗透装置的浓水排放门、浓水回收水门、不合格淡水排放门和冲洗水进口门。
②启动冲洗水泵,调整其出口门,使流量达到规定值。
③冲洗30min后关闭反渗透装置的冲洗水进水门、浓水排放门、不合格淡水排放门和冲洗水泵出口门。
④停运冲洗水泵。
反渗透装置一般设置有程序启停装置,停用后能延时自动冲洗。
二、反渗透系统保养项目一级保养:1.检查管道阀门是否漏水,各泵的运转是否异常;2.清洁机身;二级保养:1.紧固电柜内松脱螺丝;2.整理电柜线路;3.检查中间断电器、接触器、液位开关、浮球阀是否活动灵敏,不灵活者视其程度给予更换;4.定期给电机加注润滑脂,严格按泵说明书保养;三级保养:1.检查电机、电器、泵等,性能不良者给予更换;2.整理电气线路,老化处予更换;3.反渗透装置的停机保养;4.反渗透膜组件视使用情况考虑是否更换;。