沥青砼路面危险源辨识
- 格式:doc
- 大小:215.00 KB
- 文档页数:7
沥青路面结构施工危险源辨识及分析1.1.1.危险源评价方法本项目施工风险评估采用“LEC风险法”,其考虑的危险因素有三个:发生事故或危险事件的可能性,危险作业出现频率和事故的后果。
主要是评估人员根据实际经验,对评估对象的现状情况进行分析,然后根据公式计算其危险性分数值,再按经验将危险性分数值划分危险程度等级表。
“LEC 风险法”事故风险大小计算公式为:D=L×E×C式中:D——事故风险大小L——事故发生的可能性E——暴露于风险环境的频率C——发生事故的可能后果(1)发生事故的可能性(L)事故发生的可能性L定性表达了事故发生的概率。
必然发生的事故的概率为1,规定对应的分值为10;实际上不可能事故发生的情况对应的分值为0.5;以此为基础确定其取值范围见表6.1-1。
表6.1-1 事故发生可能性(L)(2)暴露于危险环境的频繁程度(E)人员出现在危险环境中的时间越多,则危险性越大规定连续出现在危险环境的情况分数定为10,而非常罕见地出现在危险环境中分数定为0.5,将介于两者之间的各种情况规定若干个中间值,见表6.1-2。
表6.1-2 人员暴露时间(E)(3)发生事故造成的后果(C)事故造成的人身伤害与财产损失变化范围很大,对伤亡事故来说,可从极小的轻伤直到多人死亡的严重后果。
由于范围广阔,所以规定的分数值为1~100,轻伤规定分数值1,把造成十人以上死亡的可能性分数规定为100,其它情况的数值在1~100之间,见表6.1-3。
表6.1-3 事故后果严重程度(C)(4)风险值(D)根据公式D=LEC,求出风险值D,风险等级划分见表6.1-4。
表6.1-4 LEC法评估结果分级(5)处置措施一级:稍有危险,毋须采取措施且不必保留文件记录;二级:一般危险,不需要另外的控制措施,需保持现有做法并进行关注;三级:显著危险,结合实际情况,制定针对性安全控制措施;四级:高度危险,应编制安全专项方案及应急预案,施工期间,严格落实领导带班制度;五级:极其危险,应编制安全专项方案及应急预案,施工期间,严格落实领导带班制度,当风险涉及正在进行中的工作并暂时不能控制时,必须停止作业,采取应急措施。
沥青砼路面施工过程中危险源辨识与控制HazardSourceIdentificationandControI nConstructionProgressofAsphaltConcretePavement沥青砼路面施工过程中危险源辨识与控制1.沥青砼路面施工流程图天津市宝坻区交通局李建东{①编制施工组织设计}世T土厶世弃,施工1厂o,怕胃l准l\,,同一l,lJ④洒布透层油ll,溷I暑黹挫f一I圭0目△t-1-立凸盘韫加f月口11,目lr工【圭目△庄立凸垒摊椽但堇l1j/删月,日1工』崩;皿JI小,rJ盆——1I厂Q,溉害沮全输,白知浩幸,l蒸l,IIJ,I同,比面什傩tfIII普现l—I场f湘If七亳L{∽l11ll0J溉軎混全赳碾JZl—…………”—l5三22.沥青砼施工过程危险源辨识U_危险源辨识表危险源分析(.)分序项编危险源存在条分级Z口作业活动口件可能导控制0—工危险源触发条件与监督点措施_程(人/机/料/法致事故/环)Z1管理人员,方法无编制沥青砼施工组织设计事故发生AB施工组织设计的编制塞2管理人员/方法对施工组织设计无审批事故发生AB施工安全技术交底3管理人员/方法无施工安全技术交底机械伤害AB4方法/环境未设安全警示标志或将其擅自拆除车辆伤害BC施清扫下承层5方法/环境场内交通混乱,无人维护车辆伤害BC工6人员清扫人员未穿警示服车辆伤害BC1准7人员/环境洒布透层油时工作地段无人警戒机械伤害BC备8环境/方法洒油时作业范围内有人作业机械伤害BC9人员/环境施工现场使用明火或有人吸烟火灾BC洒布透层油10环境喷洒路段无警示标志机械伤害BC使用洒布车前没有检查机械,安全装置及防护,火灾I机械11人员/机械BC防火设备是否齐全伤害■●危险源辨识表危险源分析分危险源存在分级序项编口作业活动口条件可能导致控制’工危险源触发条件与监督点措施程(人/机/料/法事故/环)洒布透层油12人员/机械满载沥青的洒布车调整行驶,遇转弯,下坡不提前减速机械伤害BC 施13人员,机械运输行驶时使用加热系统机械伤害BC工14人员/方法测量钉桩对面使锤物体打击C1准15人员钢钎和其它工具随意抛掷物体打击C备测量放线16环境/方法测量人员在高压线附近工作没有保持足够安全距离触电BC17环境雷雨天气在高压线,大树下停留触电C18操作人员开动设备之前没有检查运转部位有无维护或其他人员机械伤害BC19机械/方法设备运转部件超过最大极限值机械伤害BC20机械/方法机械设备无接地和熔断装置机械伤害BC21人员/机械将未燃烧的燃油喷入干燥箱内机械伤害BC22人员/机械在机械设备上堆放工具或其他物件机械伤害C沥青混合料生产设23人员/机械机械设备作业时.操作人员擅自离岗机械伤害C24人员/机械无关人员进入生产区域和操作室机械伤害BC备操作25人员/方法检查机械时不悬挂”正在作业”警告标志机械伤害BC26人员,机械检查动力盘时没有锁上动力盘和操作盘机械伤害BC检查干燥筒,拌合机时没有切断动力盘电源或没有采27人员/机械机械伤害BC取临时防滑措施28人员/机械放成品料时.没有检查拌合机下有无人员机械伤害BC29人员没有按时检查重油罐内重油温度机械伤害BC加30方法/人员设备维修时.没有标志”正在维修”机械伤害BC31人员维修人员没有戴安全帽机械伤害BC工32机械/方法在设备运转时进行调整,维修机械伤害BC2作33人员/方法高空作业时工具随手放物体打击C业34人员/方法高空作业时传递物件抛扔物体打击C沥青混合料生产设35环境/方法六级风以上仍高空作业高空坠落BC备维修保养36人员/方法梯子缺档高空坠落BC37人员二人同时在梯子上作业高空坠落BC38机械检查设备内部时.使用明火火灾BC-环境/人员在通风不良的情况下清洗设备.且正在吸烟火灾BC3940机械手持砂轮机没有防护罩机械伤害BC41人员/机械司机无证上岗机械伤害BC42人员/机械料斗内载人机械伤害BC43人员/机械下坡脱档滑行机械伤害BC沥青混合料运输44人员/机械在制动时进行翻斗卸料车辆伤害BC(自卸汽车)45人员/机械卸料时停在下坡处车辆伤害BC46人员/机械料斗内荷载时.在车底进行作业机械伤害BC47人员/机械司机离车内燃机未熄火.或未拉紧手制动器机械伤害BC48人员/机械路面情况不好时仍高档高速行车机械伤害C现49管理/人员沥青操作人员未进行体检中毒BC场50管理/人员让对沥青过敏者从事沥青作业中毒BC3作沥青混合料摊铺业51人员沥青作业人员.皮肤外露部分不涂抹防护药膏中毒C52人员工地上不配有医务人员未达标ABC●息一危险源辨识表分危险源分析分级序项编口作业活动口危险源存在条件可能导控制工危险源触发条件与监督点措施程(人/机)致事故沥青操作工的工作服及防护用品随便摆放甚至带53人员中毒C回家54人员/机械摊铺作业时无关人员在驾驶位上逗留机械伤害BC55人员/机械摊铺机倒退时熨平板仍在工作机械伤害BC56人员/机械工作或运输时.人员在料斗内坐立或作业机械伤害BC57人员/机械混合料自卸汽车在倒车驶向摊铺机时无专人指挥机械伤害BC58人员/机械摊铺时.熨平板上站人机械伤害BC59人员/机械非操作人员攀登摊铺机机械伤害BC60人员/机械摊铺机运输时.熨平板没有用锁紧装置锁住机械伤害BC沥青混合料摊铺61人员/机械不在摊铺机完全停止时找档机械伤害BC现62人员/机械在坡道换档或空档滑行机械伤害BC场63人员/机械熨平板加热过程中无专人看管机械伤害BC364人员/机械摊铺机在工作时急剧转向机械伤害BC作65机械摊铺机在弯道作业时熨平板的端头与路缘石间距机械伤害BC业小于lOOmm在清洗料斗,刮板,螺旋运输器和熨平板时没有将66人员/机械机械伤害BC发动机熄火67人员/机械清洗摊铺机没有用柴油.或正在吸烟火灾BC检测找补68人员刚摊铺完混合料中有杂质.用手直接清除烫伤C69机械工作地段的纵坡超过压路机最大爬坡能力机械伤害BC70人员/机械用压路机牵引法强制启动内燃机机械伤害BC71人员/机械用压路机拖拉设备或物件机械伤害BC沥青混合料碾压72人员/机械两台以上压路机作业时.前后间距小于3m机械伤害BC73人员/机械压路机转移到较远工地时.用其他车辆牵引机械伤害BC74人员/机械压路机在高速行驶时接合振动机械伤害BC3.沥青砼路面施工现场危险源控制措施应详细核对设计文件.在开工前根据施工适用法规,标准的控制地段的地形,地质,水文,气象等资料.严格按照《中华人民共和国道路交通安全法》主席令第经审批的施工组织设计和安全技术交底的内容8号实施《建设工程安全生产管理条例》国务院令第施工现场总平面布置的设计和实施,应有393号利于生产,并符合安全生产,文明施工要求,符《公路工程施工安全技术规程》—95合消防,防洪,防风,防爆,防震,防雷及卫生等执行公司规章制度要求《施工组织设计编制审批制度》33-3参加施工的人员,必须接受安全教育,熟知《安全技术交底制度》和遵守本工种的各项安全技术操作规程,并应定《各工种安全操作规程》期进行安全技术考核,合格者方准上岗操作.对《安全资金保证制度》于特种作业人员,应经过专业培训,获得合格证监督检查控制要点后,方准持证上岗.●嘲加强与气象,水文等部门的联系.及时掌握气温,雨雪,风暴和汛情等预报,做好防范工作.施工现场各种安全防范设施,安全标志和警告牌等.不得擅自拆动操作人员上岗前.应按规定穿戴防护用品.施工负责人和安全检查员应随时检查劳动防护用品的穿戴情况.不按规定穿戴防护用品的人员不得上岗施工机械,电气设备作业前必须检查机械,仪表,工具等.确认完好后方准使用.有试运行要求的,应按规定进行试运行,确认正常后,方可投入使用施工机械和电气设备不得有故障运转和超负荷作业操作中发现异常情况应立即停机检查,禁止在设备运转时进行擦洗和修理,作业中严禁将头,手等深入机械行程范围内修理应由专业人员按照原厂说明书规定的条件或有关标准,规范进行.有完整的施工安全技术档案资料分级控制内容A公司级控制内容①对项目部施工组织设计进行审批.对项目部管理人员进行安全技术交底.按照施工组织设计要求对工程进行验收:②对施工人员,特殊工种人员,机械操作人员进行培训换证,检查是否持证上岗:③公司对防护设施,防护用品,警示标志,消防用品等按规定配置齐全并对其使用情况进行监督,检查:④公司安检部门对施工各环节进行定期安全检查:⑤公司领导对施工各环节安全保证措施给予充足的人力,物力保证B项目部(材料供应站)控制内容①编制施工组织设计,并报公司进行审批:②对施工过程中的危险源进行辨识.制定控制措施或编制管理方案:③对施工作业人员进行安全技术交底:④项目经理每周组织相关人员对施工过程中危险源进行检查:⑤对工程所涉及的各种机械进行验收;⑥建立安全技术档案:⑦编制安全事故应急预案并组织进行演练:⑧为现场作业人员配备合格的防护用品:⑨检查各工种操作人员有无上岗证.C对操作人员控制内容①执行安全操作规程;②学习和严格执行《公路工程施工安全技术规程》JrrJ076—;③执行日巡查规定并做好记录:④做好各操作人员应填写的各项记录.注:以上分级控制按照本企业的实际情况,对控制内容进行合理的增减.对控制的部门和人员做作出具体的安排.口2009年第10期(总第267期)尼{春鼽罱蟑詈z《∽’!10z0_《_自嗣Z0Hz自。
沥青砼路面危险源辨识沥青混凝土路面是现代城市道路建设中广泛应用的路面类型,其性能优越,使用寿命长,但随着使用时间的增长,路面上也可能存在一些安全隐患。
本文以沥青混凝土路面为研究对象,分析并辨识其危险源,以期提高道路交通安全性。
一、车辙车辙是由行驶车辆产生的轮胎摩擦路面造成的切削作用,随着车辆数量和质量的增加,车辙的深度也会逐渐加深,存在较高的交通安全风险。
车辙汇集的积水容易造成路面湿滑,影响车辆的行驶稳定性,甚至引起横向滑移,导致交通事故。
二、裂缝和局部鼓包沥青混凝土路面存在着众多的线状断裂和鼓包等问题,其形成原因可能是因为材料质量问题或者交通载荷过重等。
这些裂缝和局部鼓包是许多事故的隐患,如车辆行驶过程中,轮胎可能会落入裂缝中或者从鼓包处跳跃,导致车辆失控,发生事故。
三、油污和碎石车辆在行驶过程中会产生大量的碎石和机油等杂质,这些物质会堆积在路面上,形成路面油污和碎石危险源。
路面油污容易造成车辆打滑或刹车距离增加,容易导致车辆失控;路面碎石则可能会从车辆下方弹出,对行驶中的车辆和行人造成伤害。
四、下沉和隆起沥青混凝土路面是通过铺设施工完成的,如果施工过程中存在质量问题,路面可能会出现下沉和隆起等问题。
这些区域不仅影响行车平稳,还会对行车视线产生影响,易造成交通事故。
同时,下沉和隆起会影响路面排水,出现积水,容易造成水浸路面,影响行车安全。
五、路面状况不良路面状况不良也是沥青混凝土路面存在的一大危险源,例如路面磨损较大、路面覆盖层严重损坏等问题,这些情况如果不及时修复和处理,就会形成易发生交通事故的危险源。
沥青混凝土路面存在着许多危险源。
要想保证路面的安全性,需要进行路面定期维护、及时处理路面缺陷、增加道路标志和提高行车规范等措施。
只有对路面进行及时有效的维修、保养等工作,才能确保沥青混凝土路面的安全性和稳定性,提高行车的安全保障。
沥青施工危险源识别:安全防护不可忽视沥青施工的危险源识别沥青施工涉及一系列作业流程,包括搅拌、运输、铺设等,其中存在多种危险源,容易导致安全事故。
本文将对这些危险源进行详细识别和分析,以便采取相应的预防措施,保障施工安全。
1.高处坠落高处坠落是沥青施工中常见的危险源之一,可能导致人员伤亡和财产损失。
产生高处坠落的主要原因包括缺乏安全意识、作业前未进行检查、未正确使用安全带或无相关防护措施等。
为避免高处坠落事故的发生,应严格执行相关法规和标准,加强安全培训和监管,确保作业人员具备必要的安全意识和操作技能。
2.机械伤害沥青施工过程中,机械伤害也是一个不容忽视的危险源。
机械伤害可能发生在搅拌、运输和铺设等环节,当操作者不按规定操作或机械本身存在故障时,容易导致机械伤害事故。
为避免机械伤害,应加强对机械设备的维护和保养,定期进行检查和维修,确保其工作正常。
同时,操作者必须经过专业培训,熟练掌握机械操作技能,并严格遵守操作规程。
3.灼烫伤害在沥青施工过程中,灼烫伤害也是一个潜在的危险源。
沥青加热过程中会产生高温,相关操作如搅拌、运输和铺设等也涉及高温作业,如果防护措施不到位,容易造成灼烫伤害。
为避免灼烫伤害,应采取相应的防护措施,如穿戴高温防护服、手套、鞋等,并合理安排作业时间,避免长时间暴露在高温环境中。
4.触电伤害沥青施工中的触电伤害风险主要来自电缆铺设和用电安全等方面。
电缆破损、设备漏电或操作不当都可能导致触电事故。
为避免触电伤害,应加强对电缆和用电设备的检查和维护,确保其完好无损。
同时,操作者必须严格遵守用电安全规定,如穿戴绝缘鞋、手套等防护用品,并使用合格的电动工具。
5.静电火花沥青施工过程中,由于材料摩擦、静电感应等原因,可能产生静电火花。
静电火花遇可燃物可能导致火灾事故。
为避免静电火花风险,应采取以下措施:穿戴静电消除器或防静电服;确保工作场所地面铺设防静电材料;合理安排物料存放和使用顺序;定期检查和清理设备部件。
沥青工程危险源辨识风险评价及控制措施沥青工程是指使用沥青等材料进行路面铺设、修补以及其他相关工程的施工过程。
在沥青工程中,存在一些潜在的危险源,可能对工人和环境造成伤害和损害。
因此,进行沥青工程危险源辨识、风险评价以及控制措施是非常重要的。
本文将探讨沥青工程的常见危险源、风险评价方法和相应的控制措施。
一、常见危险源1.化学危险:在沥青工程中,常用的是石油沥青,其中存在一些有害的化学物质,如苯、甲苯等。
这些化学物质具有刺激性和毒性,对工人的呼吸系统、皮肤和眼睛有害。
2.物理危险:沥青在运输和施工过程中可能会产生高温,热辐射是一种常见的物理危险,可能导致烫伤和灼伤。
此外,由于施工现场通常比较狭窄,工人容易受到挤压、堆积和坠落等物理伤害。
3.机械危险:沥青工程中使用的机械设备,如热媒加热器、沥青搅拌机等,具有旋转部件、锯齿以及运动的链条和带子等,容易造成夹损伤。
4.火灾和爆炸:沥青在高温下易燃,一旦发生火灾和爆炸,将对工人和周围环境造成严重危害。
二、风险评价方法1.辨识危险源:通过对沥青工程的每个环节进行分析和辨识,确定可能存在的危险源。
2.评估风险:根据每个危险源的可能性和严重程度,对风险进行评估。
可能性可以根据历史事故数据、经验和专家意见进行评估;严重程度可以根据伤害的程度进行评估。
3.制定控制措施:根据评估结果,制定相应的控制措施,并确保其能有效地控制和减少风险。
三、控制措施1.防护装备:工人应佩戴适当的个人防护装备,如防护眼镜、面具、手套和防护服等,以减少化学物质和高温的伤害。
2.通风设施:在沥青储存和使用的区域内,应安装通风系统,确保室内空气流通,减少化学物质的浓度。
3.安全操作:操作人员应进行相应的培训,了解沥青工程的安全操作程序,并严格遵守相关规定。
例如,不允许在高温下进行沥青混合和搅拌。
4.灭火装备:在施工现场应设置灭火器和喷淋系统等灭火装备,以便及时进行火灾的扑灭。
5.定期检查和维护:针对沥青设备和机械设备,应进行定期检查和维护,确保设备的安全性和正常运行。
沥青砼路面施工过程危险源辨识与控制天津市宝坻区交通局李建东1、沥青砼路面施工流程图3、沥青砼路面施工现场危险源控制措施3.1适用法规、标准的控制《中华人民共和国道路交通安全法》主席令第8号《建设工程安全生产管理条例》国务院令第393号《公路工程施工安全技术规程》JTJ 076-953.2执行公司规章制度《施工组织设计编制审批制度》《安全技术交底制度》《各工种安全操作规程》《安全资金保证制度》3.3监督检查控制要点3.3.1应详细核对设计文件,在开工前根据施工地段的地形、地质、水文、气象等资料,严格按照经审批的施工组织设计和安全技术交底的内容实施。
3.3.2施工现场总平面布置的设计和实施,应有利于生产,并符合安全生产、文明施工要求,符合消防、防洪、防风、防爆、防震、防雷及卫生等要求。
3.3.3参加施工的人员,必须接受安全教育,熟知和遵守本工种的各项安全技术操作规程,并应定期进行安全技术考核,合格者方准上岗操作。
对于特种作业人员,应经过专业培训,获得合格证后,方准持证上岗。
3.3.4加强与气象、水文等部门的联系,及时掌握气温、雨雪、风暴和汛情等预报,做好防范工作。
3.3.5施工现场各种安全防范设施、安全标志和警告牌等,不得擅自拆动。
3.3.6操作人员上岗前,应按规定穿戴防护用品。
施工负责人和安全检查员应随时检查劳动防护用品的穿戴情况,不按规定穿戴防护用品的人员不得上岗。
3.3.7施工机械、电气设备作业前必须检查机械、仪表、工具等,确认完好后方准使用,有试运行要求的,应按规定进行试运行,确认正常后,方可投入使用。
3.3.8施工机械和电气设备不得有故障运转和超负荷作业。
操作中发现异常情况应立即停机检查,禁止在设备运转时进行擦洗和修理,作业中严禁将头、手等深入机械行程范围内。
修理应由专业人员按照原厂说明书规定的条件或有关标准、规范进行。
3.3.9有完整的施工安全技术档案资料。
3.4分级控制内容A公司级控制内容①对项目部施工组织设计进行审批,对项目部管理人员进行安全技术交底,按照施工组织设计要求对工程进行验收。
沥青施工的危险源识别沥青是一种常用的道路材料,广泛用于道路建设和维护。
然而,沥青施工过程中存在着一些危险源,可能对工作人员的健康和安全造成影响。
因此,识别和控制这些危险源至关重要。
以下是沥青施工中的几个常见危险源的识别和控制措施。
1.化学危害沥青施工过程中,涉及到一些有害化学物质,如苯、甲苯、二甲苯等挥发性有机物。
这些物质可能对工人的健康产生不良影响,如头晕、呼吸困难、中毒等。
识别这些危险源的措施包括:-对挥发性有机物进行全面的风险评估,确定其危害程度。
-在施工现场安装通风设备,保证空气流通,减少有害物质的浓度。
-提供必要的个人防护装备,如呼吸防护器、防护服等。
2.高温和火灾风险沥青施工需要加热沥青,这可能会引发高温和火灾风险。
识别这些危险源的措施包括:-训练工人正确操作加热设备,避免油烟和火花接触沥青。
-在加热设备周围设置防火措施,如使用防火垫、火焰监测设备等。
-建立火灾应急预案,并进行演练,以确保及时有效的应对。
3.机械伤害沥青施工中使用各种机械设备,如摊铺机、压实机等,这些设备可能造成机械伤害。
识别这些危险源的措施包括:-为工人提供适当的个人防护装备,如安全帽、耳塞、防护手套等。
-建立机械设备使用规范,确保操作人员经过培训和合格评估。
-定期检查和维护机械设备,确保其正常运行和安全操作。
4.高处坠落沥青施工中需要进行高处作业,如在桥梁上进行施工、在坡道上进行工作等,这可能造成高处坠落风险。
识别这些危险源的措施包括:-提供合适的防护设施,如安全网、安全带等,以减少高处坠落风险。
-做好现场通风和应急疏散设施的规划和布置,以应对意外情况。
5.环境污染沥青施工可能会导致环境污染,如沥青渗漏、挥发性有机物排放等。
识别这些危险源的措施包括:-坚持环境保护法律法规,规范施工过程,减少环境污染的产生。
-配备污染物泄漏应急处理设备和材料,用于及时应对泄漏事故。
-加强对沥青施工的监测和检测,确保环境达到标准要求。
路面施工危险源辨识与防控措施表路面施工危险源辨识与防控措施表在城市建设和道路维护过程中,路面施工是不可避免的一项重要工作。
然而,路面施工过程中存在着各种危险源,这些危险源可能对工人和行人的生命安全造成威胁。
对路面施工危险源的辨识与防控措施的制定显得尤为重要。
一、危险源辨识1. 人员安全路面施工过程中,工人接触到各种施工机械和设备,如挖掘机、压路机等,并处于高处作业、井下作业等环境中。
这些因素可能导致人员受伤甚至致命。
2. 交通安全路面施工区域通常位于道路上,施工现场的临时交通控制措施是确保施工人员和过往车辆安全的重要环节。
不合理的交通组织和管理可能导致交通事故的发生。
3. 噪音、扬尘和污染路面施工中机械设备的噪音、振动、尘土飞扬以及可能产生的有害气体等都会对周围环境和居民健康带来不良影响。
二、防控措施1. 人员安全防控在路面施工过程中,应确保施工人员接受相关安全培训并持有相应资质证书。
施工现场应设置明显的安全警示标识,指导工人正确使用和维护设备,佩戴相应的个人防护装备,并配备专职安全管理人员。
2. 交通安全防控对于路面施工区域,应根据实际情况制定合理的交通组织方案,设立明显的交通标志和标线,设置警示灯和路障,并派遣专人进行交通引导和监控,确保施工区域内外交通的顺畅与安全。
3. 噪音、扬尘和污染防控针对噪音、扬尘和污染等问题,应采取相应措施。
在施工现场设置噪音、振动监测设备,合理安排作业时间,使用噪音和尘土控制设备,进行现场噪声和扬尘监测,并持续改进环保措施,降低对周围环境的影响。
三、个人观点和理解路面施工危险源的辨识与防控措施的制定是保障施工人员和行人生命安全的关键环节。
在实际工作中,我认为应重点督促施工企业和相关部门遵守安全生产法律法规,强化安全生产管理,同时提高员工的安全意识和技能培训。
加强监管力度,定期开展安全检查和评估,及时发现和排除隐患,做好事故预防措施,以确保施工现场和周边环境的安全。
沥青砼路面施工过程危险源辨识与控制天津市宝坻区交通局李建东1、沥青砼路面施工流程图2、沥青砼施工过程危险源辨识3、沥青砼路面施工现场危险源控制措施3.1适用法规、标准的控制《中华人民共和国道路交通安全法》主席令第8号《建设工程安全生产管理条例》国务院令第393号《公路工程施工安全技术规程》JTJ 076-953.2执行公司规章制度《施工组织设计编制审批制度》《安全技术交底制度》《各工种安全操作规程》《安全资金保证制度》3.3监督检查控制要点3.3.1应详细核对设计文件,在开工前根据施工地段的地形、地质、水文、气象等资料,严格按照经审批的施工组织设计和安全技术交底的内容实施。
3.3.2施工现场总平面布置的设计和实施,应有利于生产,并符合安全生产、文明施工要求,符合消防、防洪、防风、防爆、防震、防雷及卫生等要求。
3.3.3参加施工的人员,必须接受安全教育,熟知和遵守本工种的各项安全技术操作规程,并应定期进行安全技术考核,合格者方准上岗操作。
对于特种作业人员,应经过专业培训,获得合格证后,方准持证上岗。
3.3.4加强与气象、水文等部门的联系,及时掌握气温、雨雪、风暴和汛情等预报,做好防范工作。
3.3.5施工现场各种安全防范设施、安全标志和警告牌等,不得擅自拆动。
3.3.6操作人员上岗前,应按规定穿戴防护用品。
施工负责人和安全检查员应随时检查劳动防护用品的穿戴情况,不按规定穿戴防护用品的人员不得上岗。
3.3.7施工机械、电气设备作业前必须检查机械、仪表、工具等,确认完好后方准使用,有试运行要求的,应按规定进行试运行,确认正常后,方可投入使用。
3.3.8施工机械和电气设备不得有故障运转和超负荷作业。
操作中发现异常情况应立即停机检查,禁止在设备运转时进行擦洗和修理,作业中严禁将头、手等深入机械行程范围内。
修理应由专业人员按照原厂说明书规定的条件或有关标准、规范进行。
3.3.9有完整的施工安全技术档案资料。
3.4分级控制内容A公司级控制内容①对项目部施工组织设计进行审批,对项目部管理人员进行安全技术交底,按照施工组织设计要求对工程进行验收。
沥青施工的危险源识别沥青施工是指在道路、桥梁、机场等地方使用沥青材料进行路面铺设的施工工艺。
这种施工方式在工程中经常使用,但也存在很多危险源。
一、作业高度危险沥青施工中有很多需要在高处进行的作业,例如铺设路面时需要爬上材料运输车辆和路面摊铺机,这些高度作业容易导致工人和材料掉落,发生事故。
二、机器设备危险沥青施工机器设备复杂,摆放位置不固定,需要工人不断进行操作、移动和调整。
这些机器设备如果操作不当,容易造成燃烧、机械伤害和爆炸等危险,对施工人员和周围环境造成严重伤害。
三、火灾和爆炸危险沥青施工中燃烧和爆炸危险性较高,因为沥青材料的蒸发过程可能会产生易燃气体和蒸汽,特别是在密闭的空间内,这些气体和蒸汽会形成混合能与空气共同达到爆炸极限。
在施工中,如果没有严格控制好火源和静电,易引起火灾和爆炸,对人员和设备造成严重威胁。
四、化学物品危险沥青本身就是一种有害化学物质,如果暴露在人体长时间内,会对呼吸系统、皮肤和眼睛造成伤害。
施工过程中,还会使用到石油产品、酸、碱等化学品,这些化学物品对人体有一定的危害,对环境污染也很严重。
五、电气危险沥青施工过程中用到的电气设备多,如振动器、路面摊铺机、开路器等都有一定的电气危险。
如果设备没有进行电气维护和修理,工作时会经常发生电气短路、漏电等故障,对人员造成巨大危害。
六、人为操作危险施工过程中,如果工人没有严格遵守安全作业规程,常常发生一些因为人为因素引起的事故。
例如使用工具不当,不穿防护衣物等行为,会对自身和周围人员造成危险。
沥青施工过程中存在很多的危险源,只有在加强施工人员的安全意识、提高工作技术并做好必要的防护措施前提下,才能最大限度地消除和降低我们在工作中的风险。
沥青砼路面危险源辨识沥青砼路面是道路建设中常见的材料,但其使用和维护需要注意潜在的危险源。
在路面使用过程中,由于外界环境以及使用习惯不同等因素,沥青砼路面可能会出现不同的问题。
这些问题会影响驾驶安全,轻者产生噪声、振动,重者可能引起事故。
因此,识别和辨认路面危险源是非常必要的。
沥青砼路面常见危险源路面龟裂路面龟裂是沥青砼路面的常见问题。
在使用过程中,由于温度变化、车辆频繁经过等原因,路面会出现龟裂现象。
这种现象不仅影响路面美观,还会影响车辆驾驶稳定性。
路面鼓包路面鼓包是指路面出现膨胀突起的现象。
鼓包的原因多种多样,可能是沥青混合料配合不当,也有可能是非正常使用导致路面收缩出现了变形。
无论是什么原因,如果不及时处理,就会影响道路的正常使用。
加油站入口油污油污是指加油站入口处被车辆漏油所留下的油渍。
这种现象对道路使用安全具有很大的威胁。
因为路面上的油渍极易导致车辆打滑,对驾驶人员可能造成伤害。
良性隧道效应良性隧道效应是指车辆行驶在某些路段时,由于环境与气流的相互交互,形成了扩大噪声对外释放的过程。
在高速公路或城市内部之间的主要道路上,怀疑震动和噪声污染非常普遍。
沥青砼路面危险源辨识的方法观察路面情况在鉴定路面危险源时,首先需要进行的是观察路面情况。
通过这种方法,可以很快地发现是否存在路面龟裂、鼓包等问题。
通过对路面的观察,及时采取措施防止危险发生。
测量路面高度测量路面高度可以帮助我们判断路面是否存在变形。
使用高度测量工具可以测出路面高度,如果存在鼓包等现象,数据会明显高于周围路面高度数据。
噪声测试噪声测试可以帮助我们鉴别良性隧道效应。
使用专业的噪音仪器可以检测在路面行驶时引起的噪声。
如果噪声超过了正常范围,就可以判断是否存在良性隧道效应。
沥青砼路面危险源处理路面龟裂处理对于路面龟裂的处理,需要采用适当的补漆材料进行随时清理。
同时,及时维修龟裂地方,处理路面裂缝的问题。
路面鼓包处理处理路面鼓包需要多方面取决于形成此问题的原因。
沥青施工的危险源识别沥青施工是道路建设中常见的一种工艺,也是一项危险较高的作业。
在沥青施工中,存在诸多危险源。
本文将分析沥青施工中的危险源,并就如何识别和避免这些危险源,提出相关的建议。
1. 危险源分析1.1 高温危险沥青施工是一项高温的作业,施工现场空气中温度会达到较高的级别。
同时,液态沥青本身也会达到高温状态,存在被烫伤的风险。
此外,与沥青接触的设备和工具也可能会因过热而产生安全隐患。
1.2 化学危害沥青在施工过程中会发生挥发,挥发的气体中含有有害物质,如苯、甲苯和二甲苯等,对人体健康产生危害。
在施工现场长时间作业,易造成作业人员中毒或患上其他病症。
1.3 机械伤害沥青施工的一大特点就是使用了各种不同的机械设备,如压路机、刮刀机等。
如果没有对这些设备进行正确维护和保养,就可能导致设备故障,进而产生变异的机械运动甚至爆炸等事故,对操作人员造成较大的机械伤害。
2. 危险源识别及避免措施2.1 高温危险识别及避免措施沥青施工作业人员需穿戴合适的安全防护服装,在施工现场空调条件不足的前提下,工人需要在必要的时间段内对作业进行必要的休息。
同时,施工现场应要求必须安排定时清理施工设备,避免设备漏油导致的高温危险。
2.2 化学危险识别及避免措施沥青施工时应尽量选择低挥发性和低毒性的沥青,减少有害物质的挥发。
施工现场要完善的通风环境,保证作业人员的呼吸系统能够得到充分的保护。
同时,作业人员应当使用合适的个人防护装备,如防毒口罩等。
2.3 机械伤害识别及避免措施沥青施工现场需要对设备进行全面的排查,发现异常情况及时处理。
在使用设备时应按照操作规程进行操作,绝不可在运作过程中随意调整设备,避免设备操作不当导致的危险。
3. 紧急处理措施3.1 高温危险的应急措施当沥青温度过高或沥青渣溅落在人体上时,工作人员首先应该将皮肤暴露在高温沥青下的部位迅速放入流动水中冷却10-15分钟。
如皮肤有烫伤可涂药膏或贴生理盐水敷料,在医院进行进一步处理。
《路面施工危险源辨识与防控措施》一、引言路面施工是一项常见的城市建设活动,它对城市交通和基础设施建设具有重要意义。
然而,路面施工中存在着各种各样的安全隐患和危险源。
为了保障施工人员和过往行人的安全,必须充分认识施工过程中可能存在的危险,并采取有效的防控措施。
本文将深入探讨路面施工危险源的辨识与防控措施,以提高大家对该主题的理解和意识。
二、路面施工危险源辨识1. 工地交通安全隐患在路面施工过程中,工地周边交通的安全隐患是不可忽视的。
这包括施工车辆与行人、私家车、公交车以及其他交通工具的交通冲突和事故风险。
2. 施工现场作业风险施工现场可能存在的地面崩塌、高空坠落、电气触电等危险,需要及时辨识和采取相应措施。
3. 危险化学品的使用与管理在路面施工过程中,有可能要使用一些危险化学品,如果管理不善或是处理不当,将会对施工现场人员的安全带来极大的危害。
4. 环境因素带来的风险路面施工的环境因素如天气、温度、气候等都有可能给施工带来不利的影响,需要及时辨识并制定应对策略。
三、路面施工危险源防控措施1. 工地交通安全控制要在施工现场周边设立合理的交通引导标示,确保施工车辆和行人、其他车辆之间的安全分流。
2. 施工现场安全管理在施工现场要设置明显的警示标识和隔离设施,保证工地周边行人和施工人员的安全。
3. 危险化学品管控对施工现场使用的危险化学品要进行严格管理,确保人员在操作过程中正确使用和妥善存放。
4. 环境因素控制建立定期检查和维护制度,确保施工设备的正常运转和环境因素对施工的影响最小化。
四、总结与展望通过对路面施工危险源的深入辨识和有效防控措施的制定,可以最大程度地减少施工现场的安全事故发生概率,保障施工人员和周边群众的生命安全。
我们也应不断完善相关标准和规定,提高施工队伍的安全素养,共同营造一个安全稳定的施工环境。
个人观点:路面施工的危险源辨识与防控措施是施工管理中必不可少的一部分,只有将安全工作抓得严密,才能确保施工过程中人员和设施的安全。
沥青路面结构施工危险源辨识及分析1.高温危害:沥青在施工过程中需要加热,高温会导致沥青变性,释放有害气体,对施工人员造成危害。
同时,沥青温度过高会引发火灾,对施工现场和人员造成重大伤害。
因此,施工现场需要设置明确的温度控制措施,确保沥青加热温度在安全范围内,并配备灭火器材和消防设施,做好防火防爆措施。
2.化学物品危害:施工过程中使用的化学物品如溶剂、油漆、胶水等存在着挥发危害,易燃易爆,对施工人员和周围环境构成危险。
应加强对化学品的储存管理,做好密闭储存和标识管理,以及在使用过程中加强通风和防护措施,确保施工现场的空气质量和工作人员的安全。
3.机械设备安全:沥青路面施工过程中使用的机械设备如铣刨机、打桩机等存在着旋转、冲击、夹击等危险,对施工人员造成伤害的风险较高。
应确保机械设备的操作人员具备相应的技能和证书,对设备进行定期检查和维护,配备安全警示标识和安全防护装置,同时加强对机械设备操作规程的教育培训,提高施工人员的安全意识。
4.墙体支护安全:在沥青路面施工过程中,可能需要进行挖掘和护壁工作,存在墙体坍塌和支护结构失稳等危险。
施工现场应进行合理的支护设计,并按照相关规范进行施工操作,加强对施工现场周围的监测和监控,确保墙体支护的稳定性,防止意外事故的发生。
5.交通安全:沥青路面施工通常需要占用车道或道路,施工现场存在着交通事故的风险。
施工单位应制定详细的交通管理方案,设置合理的交通标志和安全警示标识,配备交通警示员和施工人员,确保施工现场的交通秩序和安全,避免交通事故的发生。
综上所述,沥青路面结构施工过程中存在着高温危害、化学物品危害、机械设备安全、墙体支护安全和交通安全等多种危险源。
通过对这些危险源进行辨识和分析,可以制定出相应的安全防护措施,确保施工现场的安全和施工人员的身体健康。
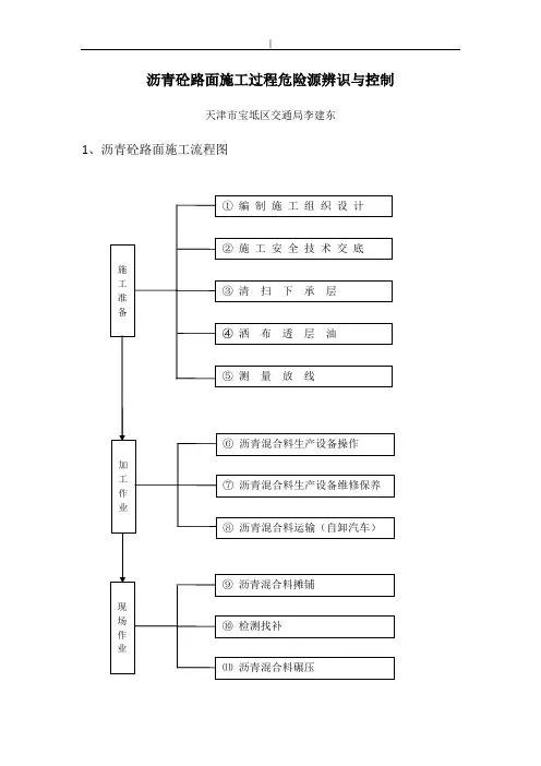
沥青砼路面施工过程危险源辨识与控制
天津市宝坻区交通局建东
1、沥青砼路面施工流程图
2、沥青砼施工过程危险源辨识
3、沥青砼路面施工现场危险源控制措施
3.1适用法规、标准的控制
《中华人民国道路交通安全法》主席令第8号
《建设工程安全生产管理条例》国务院令第393号
《公路工程施工安全技术规程》JTJ 076-95
3.2执行公司规章制度
《施工组织设计编制审批制度》
《安全技术交底制度》
《各工种安全操作规程》
《安全资金保证制度》
3.3监督检查控制要点
3.3.1应详细核对设计文件,在开工前根据施工地段的地形、地质、水文、
气象等资料,严格按照经审批的施工组织设计和安全技术交底的容实施。
3.3.2施工现场总平面布置的设计和实施,应有利于生产,并符合安全生产、文明施工要求,符合消防、防洪、防风、防爆、防震、防雷及卫生等要求。
3.3.3参加施工的人员,必须接受安全教育,熟知和遵守本工种的各项安全技术操作规程,并应定期进行安全技术考核,合格者方准上岗操作。
对于特种作业人员,应经过专业培训,获得合格证后,方准持证上岗。
3.3.4加强与气象、水文等部门的联系,及时掌握气温、雨雪、风暴和汛情等预报,做好防工作。
3.3.5施工现场各种安全防设施、安全标志和警告牌等,不得擅自拆动。
3.3.6操作人员上岗前,应按规定穿戴防护用品。
施工负责人和安全检查员应随时检查劳动防护用品的穿戴情况,不按规定穿戴防护用品的人员不得上岗。
3.3.7施工机械、电气设备作业前必须检查机械、仪表、工具等,确认完好后方准使用,有试运行要求的,应按规定进行试运行,确认正常后,方可投入使用。
3.3.8施工机械和电气设备不得有故障运转和超负荷作业。
操作中发现异常情况应立即停机检查,禁止在设备运转时进行擦洗和修理,作业中严禁将头、手等深入机械行程围。
修理应由专业人员按照原厂说明书规定的条件或有关标准、规进行。
3.3.9有完整的施工安全技术档案资料。
3.4分级控制容
A公司级控制容
①对项目部施工组织设计进行审批,对项目部管理人员进行安全技术
交底,按照施工组织设计要求对工程进行验收。
②对施工人员、特殊工种人员、机械擦作人员进行培训换证,检查是否持证上岗。
③公司对防护设施、防护用品、警示标志、消防用品等按规定配置齐全并对其使用情况进行监督、检查。
④公司安检部门对施工各环节进行定期安全检查。
⑤公司领导对施工各环节安全保证措施给予充足的人力、物力保证。
B项目部(材料供应站)控制容
①编制施工组织设计,并报公司进行审批
②对施工过程中的危险源进行辨识,制定控制措施或编制管理方案
③对施工作业人员进行安全技术交底
④项目经理每周组织相关人员对施工过程中危险源进行检查
⑤对工程所涉及的各种机械进行验收
⑥建立安全技术档案
⑦编制安全事故应急预案并组织进行演练
⑧为现场作业人员配备合格的防护用品
⑨检查各工种操作人员有无上岗证
C对操作人员控制容
①执行安全操作规程
②学习和严格执行《公路工程施工安全技术规程》JTJ 076-95
③执行日巡查规定并做好记录
④做好各操作人员应填写的各项记录
注:以上分级控制按照本企业的实际情况,对控制容进行合理的增减,对控制的部门和人员作出具体的安排。