空调维护保养记录表
- 格式:docx
- 大小:17.11 KB
- 文档页数:1
空调设备清洁和保养记录表(样本)
日期: [填写日期]
设备名称: [填写设备名称]
设备编号: [填写设备编号]
清洁记录
- 清洁日期: [填写清洁日期]
- 清洁人员: [填写清洁人员姓名]
- 清洁内容: [填写清洁内容,例如清洁过滤器、清洁蒸发器等] - 清洁备注: [填写清洁过程中的任何备注或发现的问题]
保养记录
- 保养日期: [填写保养日期]
- 保养人员: [填写保养人员姓名]
- 保养内容: [填写保养内容,例如检查制冷剂压力、检查电气连接等]
- 保养备注: [填写保养过程中的任何备注或发现的问题]
维修记录
- 维修日期: [填写维修日期]
- 维修人员: [填写维修人员姓名]
- 维修内容: [填写维修内容,例如更换零件、修复电路等]
- 维修备注: [填写维修过程中的任何备注或发现的问题]
其他记录
- 其他日期: [填写其他日期]
- 其他记录内容: [填写其他记录内容,例如设备异常情况、设备更换等]
- 其他备注: [填写其他记录过程中的任何备注或发现的问题]
总结和建议
- 总结: [填写本次记录的总结,例如设备运行状况良好、存在一些小问题等]
- 建议: [填写针对本次记录的建议,例如加强清洁频率、定期保养等]
以上是空调设备清洁和保养记录表的样本,可以根据实际情况进行填写和记录。
记录表的目的是为了及时了解设备的清洁和保养情况,确保设备的正常运行和延长其使用寿命。
空调维修保养记录表(范本)空调维修保养记录表1. 维修保养记录信息2. 维修保养记录详情2021-01-05 清洁空调滤网- 维修保养内容:- 拆卸空调滤网- 清洁滤网内部灰尘- 用清洁剂擦洗滤网- 安装回原位- 维修保养工程师:张师傅- 联系方式:56782021-02-10 更换空调压缩机- 维修保养内容:- 拆卸故障的空调压缩机- 安装新的空调压缩机- 进行压力测试- 调整制冷剂充注量- 维修保养工程师:李师傅- 联系方式:87652021-03-18 维修空调制冷系统- 维修保养内容:- 检查制冷系统压力- 寻找系统漏气点- 进行修复和充注制冷剂- 测试制冷效果- 维修保养工程师:王师傅- 联系方式:34562021-05-02 检查空调电源线连接情况- 维修保养内容:- 检查空调电源线是否连接紧固- 测试电源线是否正常供电- 修复松动或破损的电源线- 维修保养工程师:张师傅- 联系方式:56782021-06-20 清洁空调室内外机- 维修保养内容:- 拆卸空调室内外机外壳- 使用清洁剂擦洗室内外机内部- 清理室内外机的灰尘和杂物- 打磨室内外机的金属表面- 安装回原位- 维修保养工程师:李师傅- 联系方式:87652021-08-15 更换空调室内机控制面板- 维修保养内容:- 拆卸故障的空调室内机控制面板- 安装新的空调室内机控制面板- 进行测试,确保正常工作- 维修保养工程师:王师傅- 联系方式:34563. 维修保养记录总结与建议通过对以上维修保养记录的整理,可以得出以下总结及建议:- 维修保养工作按时进行,保证了空调的正常运行。
- 工程师们专业技术过硬,能够快速准确地找出故障并进行修复。
- 在维修保养过程中,工程师们保持良好的沟通,及时反馈维修情况并与客户进行沟通。
- 建议定期进行空调维修保养工作,以确保空调的长期稳定运行。
4. 签字。
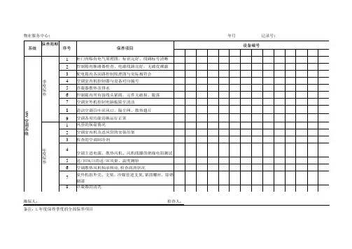
中央空调维修一级保养记录表__________________ 物业服务中心_年设备房编号_____________ 责任人______________________中央空调维修一级保养记录表物业服务中心年设备房编号责任人注:逢高级保养,低级保养可以不做。
已做,没有的项目“ /”,更换部件在备注记录。
中央空调维修一级保养记录表物业服务中心设备房编号责任人保养项目一级保养机械:检查、检测、局部解体、清洗、调整、维修更换电机:绝缘遥测电气:清扫、检查仪表、电器电子:除尘、触头研磨、更换、功能检查管道:除锈防腐阀门:渗漏、故障处理一级保养周期一级保养记录完成情况时间完成情况时间控制部分(交流接触器)清除交流接触器灭弧罩内炭化物、金属颗粒半年更换烧蚀严重的触头半年清洁铁心的脏物半年拧紧所有紧固件半年控制部分(热继电器)修整有过热、烧伤痕迹导线接头半年更换损坏的绝缘盖板半年控制部分(自动空气开关)更换损坏的灭弧罩半年清除触头表面金属小颗粒半年控制部分更换不亮的信号灯半年维修保养情况审核注:逢高级保养,低级保养可以不做。
已做,没有的项目“ /”,更换部件在备注记录。
中央空调维修二级保养记录表物业服务中心中央空调维修二级保养记录表____ 年设备房编号责任人注:逢高级保养,低级保养可以不做。
已做,没有的项目“ /”,更换部件在备注记录。
注:逢高级保养,低级保养可以不做。
已做,没有的项目“ /”,更换部件在备注记录。
中央空调维修二级保养记录表水泵房巡查记录物业服务中心设备房编号年月NO :------------- 事故报告血:事故报告人/日期: 事故原因分析简述:物业服务中心工程部主管签名/日期:服务中心意见:物业服务中心经理签名/日期:品质管理部意见:签名/日期:总经理意见:签名/日期:机电设备台帐部门:机电设备台帐零部件更换及大修记录水池(箱)清洗消毒记录表成都金茂物业管理有限公司Chrit^Du J IH M AJD Piuperij' ftluta^eTficnt Em, LTD柴油发电机运行记录表成都金茂物业管理有限公司CheitgDu JinMao Property Management Co., LTD电梯运行记录年血:成都金茂物业管理有限公司Chrit^Du J IH M AJD Piuperij' ftluta^eTficnt Em, LTD栋 号电梯<成都金茂物业管理有限公司ChciigDu JiiiMio Pmpoiy Co., LTD备注:当值班员发现电梯运行有异常时,需及时通知专业维修人员进行处理,故障情况的处理结果由维修人签字确认。
空调设备清洁和保养记录表(样本)
1. 设备信息
- 设备名称:
- 设备型号:
- 设备编号:
- 安装位置:
- 负责人:
2. 清洁记录
2.1 室内清洁
- 清洁日期:
- 清洁内容:
- 清洁过滤器
- 清洁风道
- 清洁排水管道
- 清洁室内机外壳
- 清洁室内机内部
- 清洁人员:
- 备注:
2.2 室外清洁
- 清洁日期:
- 清洁内容:
- 清洁排气口
- 清洁外部机箱
- 清洁蒸发器
- 清洁人员:
- 备注:
3. 保养记录
3.1 定期保养
- 保养日期:
- 保养内容:
- 检查制冷剂压力- 检查电气线路
- 检查电子元件
- 检查传感器
- 检查排水系统
- 检查制冷循环系统
- 保养人员:
- 备注:
3.2 维修记录
- 维修日期:
- 维修内容:
- 故障描述
- 维修过程
- 更换零件(若有)
- 维修人员:
- 备注:
4. 总结与建议
- 设备使用情况总结:
- 设备维护建议:
以上为空调设备清洁和保养记录表的样本,根据实际情况填写相关信息并保存记录。
为确保设备正常运行和延长使用寿命,定期清洁和保养是必要的。
请按照实际情况制定清洁和保养计划,并指定负责人负责执行。
空调维护巡查记录表
日期: [填写日期]
空调信息
- 空调类型: [填写空调类型,如中央空调、分体空调等] - 空调编号: [填写空调编号,唯一标识空调设备]
- 位置: [填写空调设备所在位置,如楼层、房间号等] 维护巡查内容
维护人员
- 维护人员姓名: [填写维护人员姓名]
- 维护人员签字: [维护人员在此处签字确认维护完成]
备注
[填写其他需要备注的内容,如异常情况、特殊要求等]
以上为空调维护巡查记录表,请认真填写并妥善保存。
如果有任何问题或需进一步维护,请及时联系相关人员。
感谢您的合作!。