变电站主接线图(解释)
- 格式:doc
- 大小:55.50 KB
- 文档页数:4
把变电站内的电气设备都要算上啊一次设备:主变(中性点隔离开关、间隙保护、消弧线圈成套设备)、断路器(或开关柜、GIS等)、电压互感器(含保险)、电流互感器、避雷器、隔离开关、母线、母排、电缆、电容器组(电容、电抗、放电线圈等等),站用变压器(或接地变),有的变电站还有高频保护装置二次设备:综合自动化、.、逆变0000.、小电流接地选线、站用电、直流(蓄电池)、逆变、远动通讯等等其他:支持瓷瓶、悬垂、导线、接地排、穿墙套管等等,消防装置、SF6在线监测装置等等好像有点说多了,也可能有少点的,存在差异吧35KV高压开关柜上一般都设有哪些保护各作用是什么?过电流保护:1.速断电流保护:用于保护本开关以后的母排、电缆的短路故障。
2.定时限电流保护:用于下一电压级别的短路保护。
3.反时限电流保护:作用与2相同,但灵敏度比2高。
4.电压闭锁过电流保护:防止越级跳闸和误跳闸,提高供电可靠性。
5.纵联差动电流保护:专用于变压器内部故障保护。
6.长延时过负荷保护:用于保护专用设备或者电网的过负荷运行,首选发信,其次跳闸。
零序电流保护:1.零序电流速断保护:保护线路和线路后侧设备对地短路、严重漏电故障。
2.定时限零序电流保护:保护线路和线路后侧设备的轻微对地短路和小电流漏电,监测绝缘状况。
可以选择作用于跳闸或发信。
过电压保护:1.雷电过电压保护。
2.操作过电压保护。
1、2两种过电压通常都是用避雷器来保护,可防止线路或设备绝缘击穿。
3.设备异常过电压保护:通过电压继电器和综保定值整定来实现跳闸或发信,用于保护设备在异常过压下运行造成的发热损坏。
低电压保护:瞬时低电压保护只发信不跳闸,用于避免瞬间短路或大负荷启动造成的正常设备误跳闸。
俗称躲晃电。
非电量保护:1.重瓦斯保护:用于变压器内部强短路或拉弧放电的严重故障保护。
选择跳闸。
2.轻瓦斯保护:用于变压器轻微故障的检测,选择发信报警。
3.温度保护:用于检测变压器顶层油温监测,轻超温发信报警,重超温跳闸。
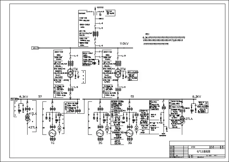
第5、6章图形,.2×8MW(a)2×10MVA1G G1TG2G2T110KV 35KV2×8MW(b)20MVAG1G 2GG110KV2T2G(c)2×8MW2×10MVAG1G 1T G35KVTMY-100X8ZN21-10/1250配CD10ⅢLZZBJ-101000/5 0.5/10P 2×(ZR-YJV 22-6/3×240)RN2-6/0.5ASFWG8000-6/4950Ue=6.3kV Ie=916.45A COSφ=0.8LZX-10Q800/5 0.5/10PJ Y N 2-10-03(改)1G励磁变(厂家配套)励磁互感器(厂家配套)JDJ-6 36 0.1√3√J Y N 2-10-17J Y N 2-10-18RN2-6/0.5A 36 0.1 0.1JDZJ-63√√3J Y N 2-10-20√ 6 0.1 0.1√333JDZJ-6RN2-6/0.5AHY5WZ-10/302G同左ZN21-10/2500配CD10ⅢLFZJ-102000/5 0.5/0.5/10/10PJ Y N 2-10-03SF9-20000/110Y,d11121±3×2.5%/6.3kV U k %=10.5%LGJ-120GW4-110DW/630左接地LW25-1261250A,40kA GW4-110DW/630双接地LCWB 6-110100/50.2/0.5/10P/10PTYD-110/ -0.07H 3√LRD-60-B 50/5GW4-110DW/630双接地JDCF-110Y5W1-100/260√110 0.1 0.13√√33GW 13-60G/400Y1W-73/15ZN21-10/630配CD10ⅢLZZBJ-10100/5 0.5/10PJ Y N 2-10-03ZR-YJV 22-6/3×50SC9-800/6.3D,yn116.3±5%/0.4kV Ud%=7LMZ1-0.5 1200/5LMZ1-0.5 1200/5SC9-800/10D,yn1110±5%/0.4kV Ud%=7ZR-YJV 22-10/3×50LZZBJ-10100/5 0.5/10PZN21-10/630配CD10ⅢJ Y N 2-10-06(改)ZR-YJV 22-10/3×5010kV外来电源J Y N 2-10-19JDZJ-10HY5WZ-17/51RN2-10/0.5A10/0.1kV0.4kVLMY100×8-40×8DW15-1200DW15-1200DW15-12000.1LMY100×8-40×8G~G~TMY-100X8GW4-110DW/630左接地图5-19 某水电站电气主接线全图图5-20 地区变电所接线8回35kV220kV4 回2×120MVA至无功补偿装置6 回2×60MVA4回2×10MVA1T图5-21 终端变电所接线4回10kV2T110kV 35kVVV22-13×50+1×251#厂变进线V 42L6-A,0~150A DT864-2,380/220V,3(6A)42L6-V,0~450V说明:BT95O9为事故照明切换板,其直流电源用VV22-1-2×4电缆引至直流屏。
110kva变电站电气主接线图分析把变电站内的电气设备都要算上啊一次设备:主变(中性点隔离开关、间隙保护、消弧线圈成套设备)、断路器(或开关柜、GIS等)、电压互感器(含保险)、电流互感器、避雷器、隔离开关、母线、母排、电缆、电容器组(电容、电抗、放电线圈等等),站用变压器(或接地变),有的变电站还有高频保护装置二次设备:综合自动化、.、逆变0000.、小电流接地选线、站用电、直流(蓄电池)、逆变、远动通讯等等其他:支持瓷瓶、悬垂、导线、接地排、穿墙套管等等,消防装置、SF6在线监测装置等等好像有点说多了,也可能有少点的,存在差异吧35KV高压开关柜上一般都设有哪些保护各作用是什么?过电流保护:1.速断电流保护:用于保护本开关以后的母排、电缆的短路故障。
2.定时限电流保护:用于下一电压级别的短路保护。
3.反时限电流保护:作用与2相同,但灵敏度比2高。
4.电压闭锁过电流保护:防止越级跳闸和误跳闸,提高供电可靠性。
5.纵联差动电流保护:专用于变压器内部故障保护。
6.长延时过负荷保护:用于保护专用设备或者电网的过负荷运行,首选发信,其次跳闸。
零序电流保护:1.零序电流速断保护:保护线路和线路后侧设备对地短路、严重漏电故障。
2.定时限零序电流保护:保护线路和线路后侧设备的轻微对地短路和小电流漏电,监测绝缘状况。
可以选择作用于跳闸或发信。
过电压保护:1.雷电过电压保护。
2.操作过电压保护。
1、2两种过电压通常都是用避雷器来保护,可防止线路或设备绝缘击穿。
3.设备异常过电压保护:通过电压继电器和综保定值整定来实现跳闸或发信,用于保护设备在异常过压下运行造成的发热损坏。
低电压保护:瞬时低电压保护只发信不跳闸,用于避免瞬间短路或大负荷启动造成的正常设备误跳闸。
俗称躲晃电。
非电量保护:1.重瓦斯保护:用于变压器内部强短路或拉弧放电的严重故障保护。
选择跳闸。
2.轻瓦斯保护:用于变压器轻微故障的检测,选择发信报警。
3.温度保护:用于检测变压器顶层油温监测,轻超温发信报警,重超温跳闸。
精心整理学习帮手精心整理学习帮手精心整理学习帮手精心整理学习帮手精心整理学习帮手精心整理学习帮手精心整理学习帮手精心整理学习帮手2×8MW(a)2×10MVA1G G1TG2G2T110KV 35KV2×8MW(b)20MVAG1G 2GG110KV2T2G(c)2×8MW2×10MVAG1G 1T G35KV精心整理 学习帮手TMY-100X8ZN21-10/1250配CD10ⅢLZZBJ-101000/5 0.5/10P 2×(ZR-YJV 22-6/3×240)RN2-6/0.5ASFWG8000-6/4950Ue=6.3kV Ie=916.45A COSφ=0.8LZX-10Q800/5 0.5/10PJ Y N 2-10-03(改)1G励磁变(厂家配套)励磁互感器(厂家配套)JDJ-6 36 0.1√3√J Y N 2-10-17J Y N 2-10-18RN2-6/0.5A 36 0.1 0.1JDZJ-63√√3J Y N 2-10-20√ 6 0.1 0.1√333JDZJ-6RN2-6/0.5AHY5WZ-10/302G同左ZN21-10/2500配CD10ⅢLFZJ-102000/5 0.5/0.5/10/10PJ Y N 2-10-03SF9-20000/110Y,d11121±3×2.5%/6.3kV U k %=10.5%LGJ-120GW4-110DW/630左接地LW25-1261250A,40kA GW4-110DW/630双接地LCWB 6-110100/50.2/0.5/10P/10PTYD-110/ -0.07H 3√LRD-60-B 50/5GW4-110DW/630双接地JDCF-110Y5W1-100/260√110 0.1 0.13√√33GW 13-60G/400Y1W-73/15ZN21-10/630配CD10ⅢLZZBJ-10100/5 0.5/10PJ Y N 2-10-03ZR-YJV 22-6/3×50SC9-800/6.3D,yn116.3±5%/0.4kV Ud%=7LMZ1-0.5 1200/5LMZ1-0.5 1200/5SC9-800/10D,yn1110±5%/0.4kV Ud%=7ZR-YJV 22-10/3×50LZZBJ-10100/5 0.5/10PZN21-10/630配CD10ⅢJ Y N 2-10-06(改)ZR-YJV 22-10/3×5010kV外来电源J Y N 2-10-19JDZJ-10HY5WZ-17/51RN2-10/0.5A10/0.1kV0.4kVLMY100×8-40×8DW15-1200DW15-1200DW15-12000.1LMY100×8-40×8G~G~TMY-100X8GW4-110DW/630左接地图5-19 某水电站电气主接线全图精心整理学习帮手精心整理 学习帮手图5-20 地区变电所接线8回35kV220kV4 回2×120MVA至无功补偿装置6 回2×60MVA4回2×10MVA1T图5-21 终端变电所接线4回10kV2T110kV 35kV第六章图形精心整理学习帮手精心整理学习帮手精心整理学习帮手精心整理 学习帮手VV22-13×50+1×251#厂变进线V 42L6-A,0~150A DT864-2,380/220V,3(6A)42L6-V,0~450V说明:BT95O9为事故照明切换板,其直流电源用VV22-1-2×4电缆引至直流屏。
2×8MW(a)2×10MVA1G G1TG2G2T110KV 35KV2×8MW(b)20MVAG1G 2GG110KV2T2G(c)2×8MW2×10MVAG1G 1T G35KV图5-18 例5-2方案接线图(a )方案5-2-1接线,(b)方案5-2-2接线,(c)方案5-2-3接线注:图5-19见:“主接线厂用电实例”图TMY-100X8ZN21-10/1250配CD10ⅢLZZBJ-101000/5 0.5/10P 2×(ZR-YJV 22-6/3×240)RN2-6/0.5ASFWG8000-6/4950Ue=6.3kV Ie=916.45A COSφ=0.8LZX-10Q800/5 0.5/10PJ Y N 2-10-03(改)1G励磁变(厂家配套)励磁互感器(厂家配套)JDJ-6 36 0.1√3√J Y N 2-10-17J Y N 2-10-18RN2-6/0.5A 36 0.1 0.1JDZJ-63√√3J Y N 2-10-20√ 6 0.1 0.1√333JDZJ-6RN2-6/0.5AHY5WZ-10/302G同左ZN21-10/2500配CD10ⅢLFZJ-102000/5 0.5/0.5/10/10PJ Y N 2-10-03SF9-20000/110Y,d11121±3×2.5%/6.3kV U k %=10.5%LGJ-120GW4-110DW/630左接地LW25-1261250A,40kA GW4-110DW/630双接地LCWB 6-110100/50.2/0.5/10P/10PTYD-110/ -0.07H 3√LRD-60-B 50/5GW4-110DW/630双接地JDCF-110Y5W1-100/260√110 0.1 0.13√√33GW 13-60G/400Y1W-73/15ZN21-10/630配CD10ⅢLZZBJ-10100/5 0.5/10PJ Y N 2-10-03ZR-YJV 22-6/3×50SC9-800/6.3D,yn116.3±5%/0.4kV Ud%=7LMZ1-0.5 1200/5LMZ1-0.5 1200/5SC9-800/10D,yn1110±5%/0.4kV Ud%=7ZR-YJV 22-10/3×50LZZBJ-10100/5 0.5/10PZN21-10/630配CD10ⅢJ Y N 2-10-06(改)ZR-YJV 22-10/3×5010kV外来电源J Y N 2-10-19JDZJ-10HY5WZ-17/51RN2-10/0.5A10/0.1kV0.4kVLMY100×8-40×8DW15-1200DW15-1200DW15-12000.1LMY100×8-40×8G~G~TMY-100X8GW4-110DW/630左接地图5-19 某水电站电气主接线全图图5-20 地区变电所接线8回35kV220kV4 回2×120MVA至无功补偿装置6 回2×60MVA4回2×10MVA1T图5-21 终端变电所接线4回10kV2T110kV 35kVVV22-13×50+1×251#厂变进线V 42L6-A,0~150A DT864-2,380/220V,3(6A)42L6-V,0~450V说明:BT95O9为事故照明切换板,其直流电源用VV22-1-2×4电缆引至直流屏。
变电站主接线图非常好变电站主接线图是一种重要的电气图形,描述了变电站中各种电气设备之间的连接方式。
这张图是变电站的基础且必需的图纸之一,它也是所有变电站设备调试和维护的基础。
一、什么是变电站主接线图?变电站主接线图又被称为总图或一次接线图。
它描述了中压电气设备和高压电气设备之间的连接和配电系统的结构。
变电站主接线图被广泛用于设计变电站、调试设备和记录现有设备。
变电站主接线图主要包括高压侧主接线图、中压侧主接线图、低压侧主接线图、系统接地图等内容。
这些内容都形成了变电站主接线图的完整结构,确保变电站的正常运行。
二、变电站主接线图的作用变电站主接线图是变电站的核心图纸之一,主要是为了:1. 保障设备安全运行通过变电站主接线图,我们可以了解到变电站设备之间的电气联系,并从中得到相应的电气参数。
这些参数对于保障设备的安全运行至关重要。
我们可以利用主接线图来识别设备问题,解决电气设备的故障和维修。
2. 提高变电站可靠性变电站主接线图能帮助我们了解电源侧和负载侧的配电系统结构,从而更好地规划电网的运行。
在变电站运行中,主接线图也能够发挥很大作用:变电站在发生故障时,我们可以通过主接线图来正确地找到故障原因,同时准确地断电,保证变电站和附近社区的安全。
3. 便于修改和更新由于变电站主接线图与变电站的实际运行有关,所以它的修改和更新非常重要。
通过主接线图,我们可以更好地进行变电站的规划和更新,避免设备更换后连接错误等问题,提高变电站主要设备的可靠性,而主接线图也可以帮助我们更好地更新变电站技术。
三、怎样编制变电站主接线图?变电站主接线图的编制涉及到许多专业知识,也与变电站的实际情况有关。
下面我们简单介绍一下编制变电站主接线图的主要步骤。
1. 收集资料和信息在编制主接线图之前,我们需要收集一些变电站的基本信息和电气资料。
首先是变电站的排列图,这一步是其中的一个重要环节,需要对变电站进行准确的绘图和测绘。
其次是收集各项高、中、低压电网的电气参数,如电压、电流及各种故障状况等。
变电站主接线图(解释)变电站⼀次系统图1、单母线接线特点:只有⼀组母线,所有电源回路和出线回路,均经过必要的开关电器连接到该母线上并列运⾏。
主要优点:接线简单、清晰,所⽤电⽓设备少,操作⽅便,配电装置造价便宜。
主要缺点:适应性差,母线故障或检修,全部回路均需停电;任⼀回路断路器检修,该回路停电。
适⽤范围:单电源的发电⼚和变电所,且出线回路数少,⽤户对供电可靠性要求不⾼的场合;10kV纯⽆功补偿设备出线(电容器、电抗器)。
2、单母线分段接线特点:与单母线接线⽅法相⽐,增加了分段断路器,将母线适当分段。
当对可靠性要求不⾼时,也可利⽤分段隔离开关进⾏分段。
母线分段的数⽬,决定于电源的数⽬,容量、出线回数,运⾏要求等。
母线分段⼀般分为2-3段。
优点:母线发⽣故障时,仅故障母线段停电,缩⼩停电范围;对重要⽤户由两侧共同供电,提⾼供电可靠性;缺点:当⼀段母线故障或检修时,与该段所连的所有电源和出线均需断开,单回供电⽤户要停电;任⼀出线断路器检修,该回路要停电。
适⽤:6~10kV,出线6回以上;35~66kV,出线不超过8回时;110~220kV,出线不超过4回时。
3、单母线分段带旁路母线接线优点:增设旁路母线,增设各出线回路中相应的旁路隔离开关,解决出线断路器检修时的停电问题。
为了节省投资,可不专设旁路断路器,⽽⽤母线分段断路器兼作旁路断路器。
因为电压越⾼,断路器检修所需的时间越长,停电损失越⼤,因此旁路母线多⽤于35kV以上接线。
适⽤:6~10kV接线⼀般不设旁路母线;35~66kV,可设不专设旁路断路器的旁路母线;110kV出线6回以上,220 kV出线4回以上,宜⽤专设旁路断路器的旁路母线;出线断路器使⽤可靠性较⾼的SF6断路器时,可不设旁路母线。
4、双母线接线优点:两条母线互为备⽤,⼀条母线检修时,另⼀条母线可以继续⼯作,不会中断对⽤户的供电;任⼀母线侧隔离开关检修时,只需断开这⼀回路即可;⼯作母线故障时,所有回路能迅速切换⾄备⽤母线⽽恢复供电;可将个别回路单独接在备⽤母线上进⾏特殊⼯作或试验;因⽽可靠性⾼,运⾏⽅式灵活,便于扩建。
2×8MW(a)2×10MVA1G G1TG2G2T110KV 35KV2×8MW(b)20MVAG1G 2GG110KV2T2G(c)2×8MW2×10MVAG1G 1T G35KVTMY-100X8ZN21-10/1250配CD10ⅢLZZBJ-101000/5 0.5/10P 2×(ZR-YJV 22-6/3×240)RN2-6/0.5ASFWG8000-6/4950Ue=6.3kV Ie=916.45A COSφ=0.8LZX-10Q800/5 0.5/10PJ Y N 2-10-03(改)1G励磁变(厂家配套)励磁互感器(厂家配套)JDJ-6 36 0.1√3√J Y N 2-10-17J Y N 2-10-18RN2-6/0.5A 36 0.1 0.1JDZJ-63√√3J Y N 2-10-20√ 6 0.1 0.1√333JDZJ-6RN2-6/0.5AHY5WZ-10/302G同左ZN21-10/2500配CD10ⅢLFZJ-102000/5 0.5/0.5/10/10PJ Y N 2-10-03SF9-20000/110Y,d11121±3×2.5%/6.3kV U k %=10.5%LGJ-120GW4-110DW/630左接地LW25-1261250A,40kA GW4-110DW/630双接地LCWB 6-110100/50.2/0.5/10P/10PTYD-110/ -0.07H 3√LRD-60-B 50/5GW4-110DW/630双接地JDCF-110Y5W1-100/260√110 0.1 0.13√√33GW 13-60G/400Y1W-73/15ZN21-10/630配CD10ⅢLZZBJ-10100/5 0.5/10PJ Y N 2-10-03ZR-YJV 22-6/3×50SC9-800/6.3D,yn116.3±5%/0.4kV Ud%=7LMZ1-0.5 1200/5LMZ1-0.5 1200/5SC9-800/10D,yn1110±5%/0.4kV Ud%=7ZR-YJV 22-10/3×50LZZBJ-10100/5 0.5/10PZN21-10/630配CD10ⅢJ Y N 2-10-06(改)ZR-YJV 22-10/3×5010kV外来电源J Y N 2-10-19JDZJ-10HY5WZ-17/51RN2-10/0.5A10/0.1kV0.4kVLMY100×8-40×8DW15-1200DW15-1200DW15-12000.1LMY100×8-40×8G~G~TMY-100X8GW4-110DW/630左接地图5-19 某水电站电气主接线全图图5-20 地区变电所接线8回35kV220kV4 回2×120MVA至无功补偿装置6 回2×60MVA4回2×10MVA1T图5-21 终端变电所接线4回10kV2T110kV 35kV第六章图形VV22-13×50+1×251#厂变进线V 42L6-A,0~150A DT864-2,380/220V,3(6A)42L6-V,0~450V说明:BT95O9为事故照明切换板,其直流电源用VV22-1-2×4电缆引至直流屏。
变电站一次系统图
1、单母线接线
特点:只有一组母线,所有电源回路和出线回路,均经过必要的开关电器连接到该母线上并列运行。
主要优点:接线简单、清晰,所用电气设备少,操作方便,配电装置造价便宜。
主要缺点:适应性差,母线故障或检修,全部回路均需停电;任一回路断路器检修,该回路停电。
适用范围:单电源的发电厂和变电所,且出线回路数少,用户对供电可靠性要求不高的场合;10kV纯无功补偿设备出线(电容器、电抗器)。
2、单母线分段接线
特点:与单母线接线方法相比,增加了分段断路器,将母线适当分段。
当对可靠性要求不高时,也可利用分段隔离开关进行分段。
母线分段的数目,决定于电源的数目,容量、出线回数,运行要求等。
母线分段一般分为2-3段。
优点:母线发生故障时,仅故障母线段停电,缩小停电范围;对重要用户由两侧共同供电,提高供电可靠性;
缺点:当一段母线故障或检修时,与该段所连的所有电源和出线均需断开,单回供电用户要停电;任一出线断路器检修,该回路要停电。
适用:6~10kV,出线6回以上;35~66kV,出线不超过8回时;110~220kV,出线不超过4回时。
3、单母线分段带旁路母线接线
优点:增设旁路母线,增设各出线回路中相应的旁路隔离开关,解决出线断路器检修时的停电问题。
为了节省投资,可不专设旁路断路器,而用母线分段断路器兼作旁路断路器。
因为电压越高,断路器检修所需的时间越长,停电损失越大,因此旁路母线多用于35kV以上接线。
适用:6~10kV接线一般不设旁路母线;35~66kV,可设不专设旁路断路器的旁路母线;110kV出线6回以上,220 kV出线4回以上,宜用专设旁路断路器的旁路母线;出线断路器使用可靠性较高的SF6断路器时,可不设旁路母线。
4、双母线接线
优点:两条母线互为备用,一条母线检修时,另一条母线可以继续工作,不会中断对用户的供电;任一母线侧隔离开关检修时,只需断开
这一回路即可;工作母线故障时,所有回路能迅速切换至备用母线而恢复供电;可将个别回路单独接在备用母线上进行特殊工作或试验;因而可靠性高,运行方式灵活,便于扩建。
缺点:出线断路器检修时,该回路要停电;投资及占地面积大;倒闸操作过程复杂,易误操作;一条母线检修,另一条单母线运行,可靠性降低。
适用:广泛应用于SF6组合电器变电站中。
35~66kV出线数目超过8回且连接电源较多、负荷较大;110~220kV出线5回以上,多采用双母线接线。
针对双母线接线缺点的解决办法:
1)、在断路器和隔离开关之间装设闭锁装置,避免隔离开关的误操作;2)、双母线分段,以缩小母线故障的影响范围;配电装置采用可靠性很高的SF6全封闭组合电器(GIS),检修周期可长达20年。
所以可以不设旁路母线解决断路器检修时的停电问题;
3)、双母线带旁路,增设旁路母线,解决断路器检修时的停电问题;母联兼作旁路断路器、一组母线带旁路、两组母线带旁路、增设旁路跨条。
4)、双母线双断路器接线;
5、双母线分段接线、双母线带旁路母线接线
优点:具有单母线分段和双母线的特点,具有较高的可靠性和灵活性,但是投资增多。
双母线分段接线广泛应用于大中型变电站的配电装置中。
适用: 220kV 110kV电压进出线回路数甚多时,也采用双母线四分段的接线。
6、双母线双断路器接线
优点:倒闸操作时只需操作断路器,不需要隔离开关的单独操作,避免了倒闸误操作的可能性;母线故障或母线切换过程中,用户无须停电,因而具有极高的可靠性和灵活性。
缺点:双断路器接线的缺点在于增加了大量的开关设备(尤其是断路器),使投资急剧增加。
适用:广泛应用于国外的超高压系统的主接线,国内极少采用。
7、3/2台断路器接线
优点:3/2台断路器接线又称一台半断路器接线,即每两回路分别经过两台断路器接至两组母线,两回路之间再设置一台联络断路器,形成一个“串”,两个回路共用三台断路器;正常运行时,所有断路器
都接通,两条母线同时工作。
任何一组母线或任何一台断路器检修,不需切换任何回路,避免了利用隔离开关的大量倒闸操作,灵活方便;任何一组母线故障时,只需自动断开与该母线相连的断路器,任何回路不会停电;甚至在一组母线检修,另一组母线故障的情况下,功率仍能继续输送;可以保证在对用户不停电的前提下,同时检修多台断路器;因而具有操作简单、运行灵活、供电可靠性较高的特点。
3/2台断路器接线须采用交叉配置的原则,电源线与出线配合成串;同时要求同名回路配置在不同串内,以避免联络断路器故障同时切除两个电源;另外还要求同名回路配置在不同侧的母线上。
广泛应用于大型发电厂和变电所的超高压配电装置中,一般进出线在6回及以上时宜采用这种接线。
缺点:投资较大,继电保护复杂。
8、4/3台断路器接线
4/3台断路器接线是由3/2接线演化而成,即每串有三回进出线,共用四台断路器。
4/3台断路器接线与3/2台断路器接线相比,可节省部分投资;但可靠性有所降低;布置也比较复杂;而且要求一个串中的三个回路的电源与负荷应当匹配,以提高供电的可靠性。
9、变压器母线组接线
各出线回路经过两台断路器分别接至两组母线上,进线变压器则直接经过隔离开关接至母线,组成变压器母线组接线。
调度灵活,电源、负荷可自由调配;安全可靠,由于变压器运行的可靠性高,因而直接与母线相连,对母线运行的可靠性不会产生影响;即使变压器故障,连接于母线上的断路器跳开,不影响其他回路供电;便于扩建;当出线回路较多时,出线可以采用3/2台断路器接线;变压器母线组接线广泛应用于远距离大容量输电系统中对系统稳定和供电可靠性要求较高的变电站中。
10、桥形接线:(内桥、外桥、多桥);
内桥接线:桥连断路器设置在变压器侧。
适用于输电线路较长,发生故障的可能性较大,而变压器操作不频繁的场合;
外桥接线:桥连断路器设置在线路侧。
适用于输电线路较短、变压器又操作频繁或双回线路接入系统环网、系统有穿越功率流经本厂的场合。
多桥接线:出线回数及变压器台数都超过2时。
主要特点:应用于两个电源、两台变压器的负荷站或变电站的负荷侧。
优点:接线清晰简单,断路器台数最少,节省投资,便于扩建。
缺点:可靠性不高;隔离开关用作操作电器,易误操作;桥断路器检修,系统开环运行;
解决:加外跨条。
适用:小容量变电站,以及最终发展为单母线分段或双母线接线的初期接线。
11、角形接线
角形接线是将母线闭合成环,各回路间利用断路器分段的接线方式。
每边含有一台断路器和两台隔离开关。
分为三角形、四角形、五角形和六角形等。
优点:任一台断路器检修都不会停电;只有在断路器检修时,隔离开关才起隔离作用,不存在误操作的可能性,故可靠性高、运行灵活、经济性好。
缺点:任一台断路器检修均需开环运行,此时若有其它元件故障,会造成非故障回路被切除、分裂运行或全部停电;运行方式改变时,支路电流变化可能较大,保护整定复杂;扩建不方便。
适用:最终规模明确的变电站110kV以上的配电装置中。
角形接线不宜超过六角。
12、单元接线或扩大单元接线
单元接线分为:发电机—变压器单元接线、发电机—变压器—输电线路。
单元接线和扩大单元接线。
优点:接线简单、设备少、操作简单、没有发电机母线,可限制短路电流、简化配电装置、降低投资、提高可靠性。
发电机与变压器容量相同、同时工作、200MW以上机组采用分相封闭母线。
广泛应用于大容量机组的发电厂。