砌体结构设计范例
- 格式:doc
- 大小:720.00 KB
- 文档页数:24
一、设计资料南京市某三层办公楼,底层层高4.59m,二、三层为3.84米,室内外高差为0.6m,建筑总高为12.27m。
(1)楼面做法:瓷砖地面,120mm厚钢筋混凝土预制板,V 型轻钢龙骨吊顶。
(2)屋面做法:三毡四油防水层,20mm厚1:3水泥砂浆找平层,150mm厚水泥蛭石保温层,120mm厚钢筋混凝土预制板,V型轻钢龙骨吊顶。
(3)墙面做法:内外墙面作20mm厚的混合砂浆粉刷后,再饰以乳胶厚漆。
(4)墙体:采用240多孔粘土砖,双面粉刷,均为20mm厚抹灰。
砖强度等级为MU10,砂浆强度等级,底层为M7.5,二~三层均为M5。
(5)门窗:采用木门、铝合金框玻璃窗,门洞尺寸:2.0m×1.2m、2.5m×1.0m、3.0m×2.5m;窗洞尺寸 1.5m×1.8m、0.8m×1.8m、1.8m×1.8m、1.5m×1.0m。
(6)地质资料:自然地表下0.5m内为素填土,素填土下1m 内为粘土,其下层为砾石层,地下水位在地表下4.5m处。
二、设计过程(一)结构承重方案的选择(1)该建筑物共三层,总高为12.27m<21m,层高分别为 4.59、3.84、3.84m;房屋的高宽比为12.27/10.24=1.198<2.5;横墙较多,可以采用砌体结构,符合《建筑抗震设计规范》的要求。
(2)变形缝的设置:该建筑物的总长度为40.24m<60m,可不设伸缩缝;根据所给地质资料,场地土均匀,可不设沉降缝;根据《建筑抗震设计规范》,可不设抗震缝。
(3)墙体布置:采用240厚多孔粘土砖。
大部分采用横强承重方案,对于开间大于 3.9m的房间,中间加设横梁,横梁跨度为4.0m,所以此设计为为纵横墙承重。
最大横墙间距为8.8m<15m,房屋的局部尺寸都满足要求。
(4)基础方案:根据上部结构形式和当地地质条件,选用墙下条形基础,基础底面做混凝土垫层。
抗震鉴定报告
砌体结构C类
学校编号:(校安办所编各学校编码)
学校名称:安徽机电工程学校
校舍名称:配电房
委托部门:安徽机电工程学校鉴定单位:浙江环宇建筑咨询有限公司检测单位:安徽城建检测科技有限公司鉴定时间:2010年5月8日
安徽省建筑科学研究设计院
二0一零年五月八日
学校名称:安徽机电工程学校
校舍名称:配电房
鉴定单位:浙江环宇建筑咨询有限公司检测单位:安徽城建检测科技有限公司
鉴定单位:
(盖章):
鉴定人:
审核人:
(注册章):
审定人:
二0一零年五月八日
目录
一、鉴定依据
二、校舍抗震鉴定基本情况汇总表
1)资料篇
2)鉴定篇
3)抗震鉴定结论
4)维修加固建议
三、工程结构检测结论
四、平面图
五、建筑现状照片
六、抗震鉴定计算书
鉴定依据:
校舍抗震鉴定基本情况汇总表
附件:结构平面图、其他说明材料。
砌体设计一、设计资料某三层办公楼平面布置图如下所示。
采用现浇混凝土楼盖,纵横向承重墙厚度均为190mm,采用单排孔混凝土小型砌块、双面粉刷,一层采用MU20砌块和Mb15砂浆,二至三层采用MU15砌块和Mb砂浆,层高3.3m一层墙从楼板顶面到基础顶面的距离为4.1m,窗洞均为1800mm×1500mm,门洞宽均为1000mm,在纵横相交处和屋面或楼面大梁支撑处,均设有截面为190mm×250mm的钢筋混凝土构造柱(构造柱沿墙长方向的宽度为250mm),图中虚线梁L1截面为250mm×600mm,两端伸入墙内190mm,施工质量控制等级为B级。
(一)确定结构构造方案及计算单元1.确定结构布置方案及计算方案根据建筑功能分区,在结构结构布置时可选择纵墙承重和纵横墙混合承重方案。
本题选择纵横墙混合承重方案。
上述结构布置方案的刚性横墙间距S=3.6m<32m。
故属刚性构造方案。
结构布置方案见上图。
2.选定计算单元在房屋层数、墙体所用材料种类、材料强度、楼面(屋面)荷载均相同的情况下,外纵墙最不利计算位置可根据墙体的负荷面积与截面面积比值来判别,经分析窗间墙的长度都为1800mm。
因此,选择进深梁下的窗间墙作为计算单元。
其剖面图如下:+-0.00350033003300900+3.300+6.600+9.900+10.80010mm 厚水磨石地面面层120m m厚现浇钢筋混凝土板结构层 10mm 厚混合砂浆抹灰层油膏嵌实三毡四油铺小石子防水层15mm 厚水泥砂浆找平层40mm 厚水泥石灰焦渣砂浆3‰找坡层100mm厚沥青膨胀珍珠岩保温层120m m厚现浇混凝土板结构层90090015009009001500900110015009006000.10010mm 厚混合砂浆抹灰层100500(二)荷载计算:(1)屋面荷载:防水层:三毡四油铺小石子 0.4kN/㎡ 找平层:15mm 厚水泥砂浆 0.3kN/㎡ 找坡层:40mm 厚水泥石灰焦渣砂浆3‰找坡 0.56kN/㎡ 保温层:100mm 厚沥青膨胀珍珠岩 0.8kN/㎡结构层:120mm 厚现浇钢筋混凝土板 3.0kN/㎡ 抹灰层:10mm 厚混合砂浆 0.17kN/㎡ 屋盖永久荷载标准值: ∑5.23kN/㎡ 屋盖可变荷载标准值 0.5kN/㎡ 由屋盖大梁传给计算墙垛计算:标准值:N 1k =G k +Q k =(5.23 kN/㎡+0.5 kN/㎡)×21×6.3m ×3.6m=65.0kN 设计值:由可变荷载控制组合:N 1=1.2G k +1.4Q k =(1.2×5.23 kN/㎡+1.4×0.5 kN/㎡)×21×6.3m ×3.6m=79.1 kN 由永久荷载控制组合:N 1=1.35G k +1.0Q k =(1.35×5.23 kN/㎡+1.0×0.5kN/㎡)×21×6.3m ×3.6m=85.7kN(2)楼面荷载:水磨石地面(10mm 面层,20mm 水泥砂浆打底,素水泥浆结合层一道) 0.65 kN/㎡ 结构层:120mm 厚现浇钢筋混凝土板 3.0 kN/㎡ 抹灰层:10mm 厚混合砂浆 0.17 kN/㎡ 楼面恒荷载标准值: ∑3.82kN/㎡楼面活荷载标准值: 1.05kN/㎡ 由楼面大梁传给计算墙垛的荷载:标准值:N 2k =G k +Q k =(3.82 kN/㎡+1.05 kN/㎡) ×21×6.3m×3.6m=55.2 kN 设计值:由可变荷载控制组合:N 2=1.2G k +1.4Q k =(1.2×3.82kN/㎡+1.4×1.05kN/㎡)×21×6.3m ×3.6m=68.7kN 由永久荷载控制组合:N 2=1.35G k +1.0Q k =(1.35×3.82kN/㎡+1.0×1.05 kN/㎡)×21×6.3m ×3.6m=70.4 kN(3)墙体自重:女儿墙重(厚190mm ,高900mm )计入两面抹灰40mm 其标准值为:N 3k =2.96 kN/㎡×3.6m ×0.9m=9.59 kN 设计值:由可变荷载控制组合:N 3=9.59 kN ×1.2=11.51 kN 由永久荷载控制组合:N 3=9.59 kN ×1.35=12.95 kN 女儿墙根部至计算截面高度范围内墙体厚190mm 其自重标准为:2.96 kN/㎡×0.6m×3.6m=6.39kN设计值:由可变荷载控制组合:N3=6.39kN×1.2=7.67 kN由永久荷载控制组合:N3=6.39 kN×1.35=8.63 kN计算每层墙体自重,应扣除窗面积,加上窗自重,铝合金窗0.25 kN/㎡对于1层墙体厚190mm计算时取基础顶面,则底层楼层高度为4.1m其自重标准值为:(3.5m×3.6m-1.8m×1.5m)×2.96 kN/㎡+1.8m×1.5×0.25kN/㎡=29.98kN设计值:由可变荷载控制组合:29.98kN×1.2=35.97 kN由永久荷载控制组合:31.98 kN×1.35=40.47 kN对于2、3层墙体厚190mm,计算高度3.3m自重标准值为:(3.3m×3.6m-1.8m×1.5m)×2.96 kN/㎡+1.8m×1.5×0.25kN/㎡=27.85kN设计值:由可变荷载控制组合:27.85 kN×1.2=33.42kN由永久荷载控制组合:27.85 kN×1.35=37.60kN(三)内力计算:楼盖、屋盖大梁截面b×h=250mm×600mm,梁端在外墙的支撑长度为190mm,不设刚性垫块,则梁端上表面有效支撑长度采用fhca 100=,对于外墙偏心距e=2h-0.4a 0。
砌体结构课程设计一、工程概况1、建筑名称:北京体育大学学生宿舍楼;2、结构类型:砌体结构;3、层数:4层;层高3.1m ;4、开间3.9m ;进深6.3m ;5、建筑分类为二类,耐火等级为二级,抗震设防烈度为8度,设计地震分组为第一组;6、天然地面以下5~10m 范围内无地下水,冰冻深度为地面以下0.8m ,推荐持力层为粘土层,地基承载力特征值ak f =170kN/m 2。
粘土层位于天然地面下2~4m 处,Ⅱ类场地;7)、内外承重墙采用240厚页岩煤矸石多孔砖,隔墙采用150厚陶粒空心砌块,屋盖、楼盖采用钢筋混凝土全现浇板。
二、荷载计算与屋面板、楼面板配筋计算1.可变荷载标准值、常用材料自重表1 可变荷载标准值标准值(2/m kN )(1)住宅、宿舍、旅馆、办公楼、医院病房、托儿所 2.0 (2)教室、试验室、阅览室、会议室 2.0 (3)食堂、办公楼中一般资料室 2.5 (4)藏书库、档案库 5.0 (5)厨房(一般的) 2.0 (6)浴室、厕所、盥洗室○1对第一项中的民用住宅 2.0 ○2对其他民用住宅 2.5 (7)走廊、门厅、楼梯○1住宅、托儿所、幼儿园 2.0 ○2宿舍、旅馆、医院、办公楼、教室、餐厅 2.5 ○3消防疏散楼梯 3.5 (8)不上人屋面 0.7 (9)上人屋面 2.0 (10)雪荷载 0.40 (11)风荷载0.452. 楼面荷载计算(88J1X1)表2 楼面板的荷载计算楼面板的荷载计算荷载编号楼○1楼○2楼○3楼○4项目宿舍(kN/m2) 走廊、门厅(kN/m2)厕所盥洗室淋浴室(kN/m²)活动室(kN/m²)楼面活荷载 2.0 2.5 2.5 2.0楼面做法楼8A 1.4 1.4楼18A 1.35 楼8F 1.9+3.42板做法板自重 2.1 2.1 2.1 3.75顶棚做法棚2B 0.07 棚7 0.136 0.136 0.136荷载计算永久荷载标准值 3.636 3.636 7.42 5.17 可变荷载标准值 2.0 2.5 2.5 2.0 荷载标准值 5.636 6.136 9.92 7.17 永久荷载设计值 4.363 4.363 8.9 6.2 可变荷载设计值 2.8 3.5 3.5 2.8 荷载设计值7.163 7.863 12.4 9.03.屋面荷载计算(88J1)表3 屋面板的荷载计算荷载编号屋①屋②屋③屋④项目活动室(kN/m2)走廊(kN/m2)宿舍(kN/m2)厕所(kN/m2)屋面荷载、雪荷载0.7 0.7 0.7 0.7 屋面做法屋13 2.8 2.8 2.8 2.8 板做法板自重 3.75 2.1 2.1 2.1 顶棚做法棚2B 0.07棚7A 0.136 0.136 0.136 永久荷载标准值 6.62 5.036 5.036 5.036可变荷载标准值0.7 0.7 0.7 0.7 荷载标准值7.32 5.736 5.736 5.736荷载计算永久荷载设计值7.944 8.937 6.043 6.799 6.043 6.799 6.043 5.799 可变荷载设计值0.98 0.686 0.98 0.686 0.98 0.686 0.98 0..686 荷载设计值9.623 7.485 7.485 7.4854.墙体荷载计算1)360厚外墙重砖砌体 19×0.365 kN/m2=6.935 kN/m2 20厚内墙抹灰 17×0.02 kN/m2=0.34 kN/m220厚外墙抹灰 17×0.02 kN/m2=0.34 kN/m27.615 kN/m22)360厚内墙重砖砌体 19×0.365 kN/m2=6.935 kN/m2 20厚内墙抹灰 17×0.02 kN/m2=0.34 kN/m220厚外墙抹灰 17×0.02 kN/m2=0.34 kN/m27.615 kN/m23)240厚内墙重砖砌体 19×0.24 kN/m2=4.56kN/m220厚内墙抹灰 17×0.02 kN/m2=0.34 kN/m220厚外墙抹灰 17×0.02 kN/m2=0.34 kN/m25.24 kN/m24)240厚外墙重砖砌体 19×0.24 kN/m2=4.56kN/m220厚内墙抹灰 17×0.02 kN/m2=0.34 kN/m220厚外墙抹灰 17×0.02 kN/m2=0.34 kN/m25.24 kN/m25)240厚女儿墙重砖砌体 19×0.24 kN/m2=4.56kN/m220厚内墙抹灰 17×0.02 kN/m2=0.34 kN/m220厚外墙抹灰 17×0.02 kN/m2=0.34 kN/m25.24 kN/m26)150厚隔墙重陶粒空心砌块 5×0.15 kN/m2 =0.75 kN/m2双面抹灰 17×0.02×2 kN/m2 =0.68 kN/m2 1.43 kN/m2三、现浇板设计各主要板块计算配筋如下1)宿舍6.3m×3.9m①荷载设计值:1.2×3.636+1.3×2.0=6.96kN/㎡ g=1.2×3.636=4.36kN/㎡ q=1.3×2.0=2.6kN/㎡ g+q/2=5.66k N/㎡ q/2=1.30 KN/㎡ P =g+q=6.96kN/m 2 ②计算跨度:(支撑长度a=120㎜) 内跨:l 01=l c1=3.9m l 02=l c2=6.3m l 01/ l 02=6/3.9=1.6<2 按双向板计算。
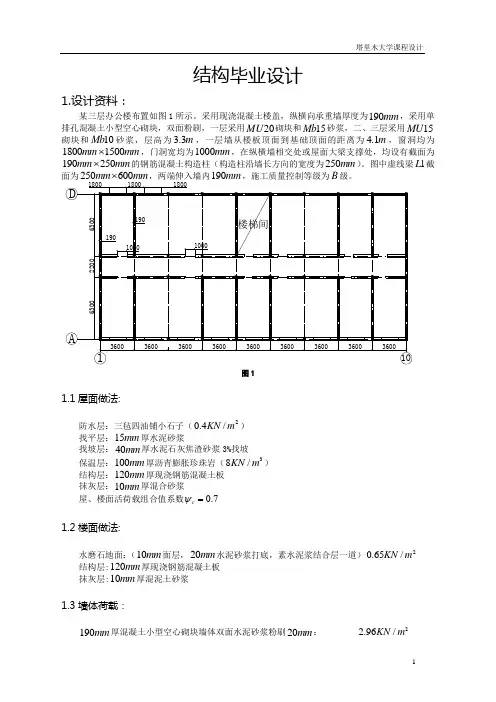
结构毕业设计1.设计资料:某三层办公楼布置如图1所示。
采用现浇混凝土楼盖,纵横向承重墙厚度为190mm ,采用单排孔混凝土小型空心砌块,双面粉刷,一层采用20MU 砌块和15Mb 砂浆,二、三层采用15MU 砌块和10Mb 砂浆,层高为3.3m ,一层墙从楼板顶面到基础顶面的距离为4.1m ,窗洞均为18001500mm mm ⨯,门洞宽均为1000mm ,在纵横墙相交处或屋面大梁支撑处,均设有截面为190250mm mm ⨯的钢筋混凝土构造柱(构造柱沿墙长方向的宽度为250mm )。
图中虚线梁1L 截面为250600mm mm ⨯,两端伸入墙内190mm ,施工质量控制等级为B 级。
图11.1屋面做法:防水层:三毡四油铺小石子(2/4.0m KN ) 找平层:15mm 厚水泥砂浆找坡层:40mm 厚水泥石灰焦渣砂浆3%找坡保温层:100mm 厚沥青膨胀珍珠岩(38/KN m ) 结构层:120mm 厚现浇钢筋混凝土板 抹灰层:10mm 厚混合砂浆屋、楼面活荷载组合值系数0.7c ψ=1.2楼面做法:水磨石地面:(10mm 面层,20mm 水泥砂浆打底,素水泥浆结合层一道)2/65.0m KN 结构层:120mm 厚现浇钢筋混凝土板 抹灰层:10mm 厚混泥土砂浆1.3墙体荷载:190mm 厚混凝土小型空心砌块墙体双面水泥砂浆粉刷20mm : 22.96/KN m铝合金窗: 2/25.0m KN1.4 设计题目楼面活荷载:(屋面活载)20.5/KN m (上人屋面)2.设计内容:2.1 确定墙体材料的种类及强度等级 2.2验算各层纵横墙的高厚比 2.3验算各承重墙的承载力3.荷载计算:由《建筑结构荷载规范》和屋面,楼面及墙面的构造做法可求出各类荷载值如下: 最不利窗间墙垛选择:L 墙垛长度A 负载面积 A/L3.1屋面做法防水层:三毡四油铺小石子:找平层:5mm 厚水泥砂浆找坡层:40mm 厚水泥石灰焦砂浆3%找保温层:100mm 厚沥青膨胀珍珠岩结构层:120mm 厚现浇钢筋混凝土板抹灰层:10mm 厚混合砂浆屋面永久荷载标准值屋面活荷载标准值 由屋盖大梁传给计算墙垛的荷载标准值设计值由可变荷载控制的组合由永久荷载控制的组合3.2楼面荷载水磨石地面(10mm 面层,20mm 水泥砂浆打底,素水泥浆结合层一道)结构层:120mm 厚现浇钢筋混凝土板抹灰层:10mm 厚混凝土砂浆楼面恒荷载标准值楼面活荷载标准值 由楼面大梁传给计算墙垛的荷载标准值设计值由可变荷载控制的组合由永久荷载控制的组合3.3墙体自重女儿墙(厚190mm ,高900mm )其标准值为:设计值由可变荷载控制的组合由永久荷载控制的组合女儿墙根部至计算截面(即进深梁底面)高度范围内的墙体厚600mm ,其自重标准值为:设计值由可变荷载控制的组合由永久荷载控制的组合计算每层墙体自重时,应扣除窗口面积,加上窗自重,墙体厚度考虑两面抹灰增加40mm 一并计算。
概括课程安排任务书籍之阳早格格创做一、安排题目砌体结构安排二、安排资料1、某砖混结构修筑物,可采用教教楼、住房楼或者宾馆,修筑仄里、刨里及梁、墙体的截里尺寸自己安排;2、屋里、楼里搞法参照《国家修筑尺度安排图集》;3、天量资料:天下火位标下-1.0,天基装载力为150MPa,该天区的基础风压值为0.55 kN /㎡.三、安排央供1、决定房屋的结构启沉规划;2、决定房屋的静力估计规划;3、流利掌握百般规划多层房屋墙体安排及墙、柱下薄比验算要领;4、认识梁端下砌体的局部受压装载力验算;5、认识过梁、挑梁的安排估计;6、掌握墙体安排中的构制央供,决定构制柱战圈梁的安插;7、认识前提结构安排;8、掌握画制结构动工图.一、安排资料某四层教教楼(无天下室)仄里剖里如图,才用1类楼盖体系,大梁尺寸250mm×500mm.墙体用MU10砖,M5砂浆砌筑,墙薄均为240mmkN/㎡,190mmkN/㎡,240mmkN/㎡,铝合金窗按025kN/㎡估计.屋里、楼里活荷载查《修筑结构荷载典型》.工程天量资料:天下火位标下-1.0,天基装载力为150MPa,kN /㎡.二、安排央供1、决定房屋的结构启沉规划;2、决定房屋的静力估计规划;3、流利掌握百般规划多层房屋墙体安排及墙、柱下薄比验算要领;4、认识梁端下砌体的局部受压装载力验算;5、认识过梁、挑梁的安排估计;6、掌握墙体安排中的构制央供,决定构制柱战圈梁的安插;7、认识前提结构安排;8、掌握画制结构动工图.剖里图示企图9.8㎡<50㎡,果此楼里活荷载没有必合剪.由于当天区的基础风压值W kN/㎡,且房屋下度小于4m,房屋总下小于18mkN/㎡,所以没有思量风载的效率.<1>采用估计单元该房屋有内、中纵墙.对付于中纵墙,相对付而止,D轴线强比A轴线墙更不利.而内纵墙,虽然走廊楼里荷载是内纵墙上的横背压力有所减少,但是梁收乘处墙体的轴背力×3=9.9㎡.<2>决定估计里积:每层墙的统制截里位于墙的顶部梁(或者板)的底里战墙矮的底里处.果为墙的顶部梁(或者板)的底里处,梁(或者板)传去的收撑压力爆收的直矩最大,且为梁(或者板)端收启处,其偏偏心启压战局部变压均为不利.而墙底的底里处启受的轴背压力最大.所以此处对付截里:1-1~6-6的启受力分别举止估计.<3>荷载估计:与一个估计单元,效率于纵墙的荷载尺度值如下:层里横荷载:×9.9+3×kN女女墙自沉:××kN二、三四楼里活荷载:××3+3×kN屋里活荷载:×kN二、三四层楼里活荷载:3×kN二、三四层墙体战窗自沉:×××××kN一层墙体战窗自沉:×××××kN<4>统制截里的内力估计:1> 第四层: ① 第四层截里1-1处:由屋里荷载爆收的轴背力波及值应试虑二种内力推拢,由可变荷载效力统制的推拢,G γ=1.2,Q γ=1.4 则(1)1N ××kN(1)11N ××kN 由永暂荷载效力统制的推拢:G γ=1.2,Q γ(2)1N ×××kN(2)11N ×××kN 果为本教教楼采与MU10,M5砂浆砌筑,查表2—4得,砌体的抗压强度安排值f=1.5MPa. 屋(楼)里均设有刚刚性垫块,0f σ≈0,1δ,此时刚刚性垫块上表面处梁端灵验收启少度0,ba(1)1M =(1)11N 0,b a ××kN/m (2)1M =(2)11N 0,b a ××kN/m (1)1e=(1)1(1)1M N =7.72108.36= (2)1e=(2)1(2)1M N =7.73110.13= ② 第四层截里2-2处轴背力为上述荷载l N 战本层墙自沉之战(1)2N ×41.35=158kN (2)2N ×kN 2>第三层① 第三层截里3-3处:轴背力为上述荷载2N 战本层楼盖荷载3l N 之战(1)3l N ××kN (1)3N kN (1)0σ=-3158100.24 1.8⨯⨯0.366MPa ,(1)0f σ=0.3661.5查表3-5,11δ()=5.74,则: 10b a (),∴(1)3M =(1)3l N 10b a (),)××kN/m(1)e=(1)3(1)3M N =7.28251.24=(2)3l N ×××kN (2)3N kN (2)0σ=-3165.96100.24 1.8⨯⨯(2)0σ=0.3851.5=0.266 查表3-5 1δ(2) ∴0b a (2),(2)3M =(2)3l N 0b a (2),)××0.106) kN/m∴(2)3e=(2)3(2)3M N =6.77253.19= ② 第三层截里4-4处轴背力为上述荷载3N 与本层墙自沉之战,(1)4N × kN (2)4N × kN 3>第二层:① 第一层截里5-5处轴背力为上述荷载4N 战本层楼盖荷载之战(1)5l N kN (1)5N kN (1)0σ=-3300.8610(0.24 1.8)⨯⨯ (1)0σ=0.6971.5=0.465 查表(1)1δ∴10b a (),(1)5M =(1)5l N ×(y-10b 0.4a (),)××0.115) kN /m(1)5e=(1)5(1)5M N=6.90394.1= (2)5l N kN(2)5N kN (2)0σ=-3309.2100.24?1.8⨯MPa (2)0σ=0.7161.5=0.478 查表3-5 (2)1δ ∴0b a (2),(2)5M =(2)5l N ×(y-0b a (2),)××0.116) kN /m(2)5e=(2)5(2)5M N=6.42396.25=② 第二层截里6-6处轴背力为上述荷载5N 与本层本层墙自沉之战(1)6N ×=4kN (2)6N × kN 3>第一层:③ 第一层截里7-7处轴背力为上述荷载4N 战本层楼盖荷载之战N l 7)1(=93.24 ②第一层截里6-6处窗间墙受压装载力验算:第一组内力:(1)6N =453.06 kN ,(1)6e =0 第二组内力:(2)6N =462.58 kN ,(2)6e =0e h=0,β=15.63 查表3-1,ϕϕ××?××310=473.04 kN >462.58 kN 谦脚央供梁端收撑处(截里5-5)砌体局部受压装载力验算: 梁端树立尺寸为740mm ×240mm ×240mm 的预制刚刚性垫块第一组内力:(1)01σMPa ,(1)5l N =93.24 kN ,0b a (1),=115mm0N =0σb A ××610=123.79 kN0N +5l N =123.79+93.24=217.79 kNE=5l N ×((1)0,b a )/(0N +5l N )×(×)/217.03=eh ,β=0H h ≤3 查表3-1得,ϕ0A =(0.74+2×)×γϕ1γf b A ××××310=222.76 kN >217.03 kN 所以谦脚央供对付于第二组内力:(2)0σMPa(2)5l N =87.23 kN 0b a (2),=116mm由于0b a (2),基础靠近且2l N 较小,所以才有此垫块亦能谦脚局压装载力的央供.N )1(7+93.24= kN(1)0σ=443072*103MPa(1)0σ= 查表(1)1δ∴10b a (), M )1(7=N l 7)1(×(y-10b0.4a (),)××0.115)=6.90 kN /me )1(7= M )1(7/N )1(7=6.90394.1mN l)2(7=87.23 kN)2(7N=309.02+87.23=396.25 kN(2)0σ=8.1*24.010*07.4523-=MPa(2)0σ== 查表3-5 (2)1δ=∴0b a (2),=7.35 M )2(7=)2(7N×(y-0b a (2),)××) kN /me )2(7==M )2(7/)2(7Nm④ 第一层截里8-8处轴背力为上述荷载N 与本层本层墙自沉之战N )1(8×kNN )2(8× kN<5>第四层窗间墙装载力验算① 第四层截里1-1处窗间墙受压装载力验算:第一组内力:(1)1N kN ,(1)1e =第二组内力:(2)1N kN ,(2)1e = 对付于第一组内力:e h =0.0720.24≤× β=0H H =3.30.24查表3-1,ϕϕfA ××××310kNkN 谦脚央供对付于第二组内力:e h =0.0710.24 E ×查表3-1,ϕϕf ××××310kNkN 谦脚央供② 第四层截里2-2处窗间墙受压装载力验算:第一组内力:(1)2N =158kN ,(1)2e =0(2)2N kN ,(2)2e =0 ·e h =0,β=13.75, 查表3-1,ϕϕfA ××××310kNkN 谦脚央供.③ 梁端收撑处(截里1-1)砌体局部受压装载力验算:梁端树立尺寸为740mm ×240mm ×300mm 的预制刚刚性垫块.b A =b a ×b b ×2m第二组内力:0σ=10.381.80.24⨯MPa ,1l N kN ,0,b a =99mm ;0N =0σb A 2/N mm ××610kN 0N +1l N =kNe=1l N 0,b a )/(0N +1l N )××=meh =0.072/0.24=0.3,β=H h≤3 查表3-1得ϕ 0A =(0.74+2×0.24)×8㎡γϕ1γf b A ××××310kN>0N +1l N kN , 谦脚央供.对付于第一组内力,由于0,b a 相等,梁端反力略小些,对付结构更有利.果此采与740×240×300mm 的刚刚性垫块能谦脚局压装载力的央供.(6)第三层窗间墙装载力验算:① 第三层截里3-3处窗间墙受压装载力验算:第一组内力:(1)3N kN ,(1)3e = 第二组内力:(2)3N kN ,(2)3e =对付于第一组内力:e h ≤×0.12= β=H h查表3-1,ϕϕfA ××××310kNkN 谦脚央供对付于第二组内力:e h γ,β查表3-1,ϕϕfA ××××310kN>253.19kN 谦脚央供②第三层截里4-4处窗间墙受压装载力验算:第一组内力:(1)4N kN ,(1)4e =0 第二组内力:(2)4N kN ,(2)4e =0e h=0,β=13.75, 查表3-1,ϕϕfA ××××310kNkN 谦脚央供梁端收启处(截里3-3)砌体局部受压装载力验算:梁端尺寸树立尺寸为740mm ×240mm ×300mm 的预制刚刚性垫块.第一组内力:10σMPa ,(1)3l N =ϕkN 0b a (1),=105mm0N =0σb A ××610=65kN 0N +3l N kNe=3l N 0,b a )/(0N +3l N )××=eh =0.046/0.24=0.19,β=H h≤3 查表3-1得:ϕ0A =(0.74+2×0.24)×8㎡γϕ1γf b A ××××310kN>0N +3l N kN 谦脚央供对付于第二组内力:(2)σMPa(2)N kN3l(2)a=106mm0,b由于第二组内力与第一组内力相近,且(2)N kN更小,3l那对付局部变压更有利,所以才有740×240×300mm的预制刚刚性垫块能谦脚局部受压装载力的央供.(7)第二层窗间墙的装载力验算:①第二层截里5-5处窗间墙受压装载力验算:第一组内力:(1)N kN,(1)5e=5第二组内力:(2)N kN,(2)5e=5对付于第一组内力:e0.6y=h≤β=0H h查表3-1,ϕϕf××××310=402kNkN谦脚央供对付于第二组内力:e0.6y=,βh≤查表3-1,ϕϕf××××310kNkN谦脚央供②第二层截里6-6处窗间墙受压装载力验算:第一组内力:(1)N=443.72kN,(1)6e=06第二组内力:(2)N=452.07 kN,(2)6e=06=0,β查表3-1,ϕehϕfA =0.78××××310 kN kN谦脚央供梁端收撑处(截里5-5)砌体局部受压装载力验算: 梁端树立尺寸为740mm ×240mm ×240mm 的预制刚刚性垫块第一组内力:(1)01σMPa ,(1)5l N =93.24 kN ,0b a (1),=115mm0N =0σb A ××610= kN 0N +5l N =+93.24= kNe=5l N ×(1)0,b a )/(0N +5l N )××0.115)meh ,β=0H h ≤3 查表3-1得,ϕ0A =(0.74+2×0.24)×γϕ1γf b A ××××310 kN 所以谦脚央供(8)第一层窗间墙的装载力验算:①第一层截里7-7处窗间墙受压装载力验算: 第一组内力:N )1(7 kN ,e )1(72m 第二组内力:)2(7NkN ,e )2(7m对付于第一组内力:e h =5且e ≤0.6y=β=0H h查表3-1,ϕϕfA ××××310kNkN 谦脚央供对付于第二组内力:e h ≤0.6y=,β查表3-1,ϕϕfA ××××310=kN>kN 谦脚央供②第一层截里8-8处窗间墙受压装载力验算: 第一组内力:N )1(8 kN ,(1)6e =0第二组内力:N )2(8 kN ,(2)6e =0eh=0,β=15.63 查表3-1,ϕϕfA ××××310 kN > kN 谦脚央供梁端收撑处(截里7-7)砌体局部受压装载力验算: 梁端树立尺寸为740mm ×240mm ×240mm 的预制刚刚性垫块第一组内力:(1)01σMPa ,(1)5l N kN ,0b a (1),mm0N =0σb A ××610kN 0N +N l7 kNE=N l 7×(1)0,b a )/(0N +N l 7)××0.115)meh /0 ,β=0H h ≤3查表3-1得,ϕ150A =(0.74+2×0.24)×γϕ1γf b A 15××××310=kN >2 kN 所以谦脚央供对付于第二组内力:(2)0σ=0.698MPaN l)2(7 kN0b a (2),=116mm由于0b a (2),基础靠近且N l 7较小,所以才有此垫块亦能谦脚局压装载力的央供.与⑤轴线上的横墙,由于横墙上启受有屋里战楼里传去的均布荷载,与1m 宽的横墙举止估计,其受荷里积:1×3.3=3.3㎡.由于该横墙为轴心受压构件,随着墙体资料,墙体下 度分歧,可之验算第二层的4-4截里战第一层的6-6截里的装载力.(1)荷载估计与一个估计单元,效率于横墙的孩子尺度值如下: ×kN/m屋里活荷载: 2×kN/m二、三、四×kN/m二、三.、四层楼里活荷载:3×kN/m 二、三、四×kN/m ×kN/m(2)统制截里内力估计 ①第二层截里6-6处:轴背力包罗屋里荷载,第四、三层楼里荷载战第二、三、四层墙体自沉,N )1(6××3×*2)kN/mN)2(6××3×*2)=kN/m②第一层截里8-8处:轴背力为上述荷载N战第二层楼里荷载及第一层墙体4自沉N)1(8××kN/mN)2(8=×××=kN/m(3)横墙装载力验算①第二层截里6-6处:=0,βϕehA=1×4㎡ϕf×××310kNkN②第二层截里8-8处:=0,β=13.75 查表3-1 ϕehA=1×4㎡ϕf×××310kNkN上述截止标明,该横墙有较大的仄安储备,隐然其余横墙的装载力均没有必验算.6、过梁安排果为此教教楼的墙下均为240mm,而二三层等下小于一层层下,所以采用第二层墙下安排过梁.墙窗洞心洁宽为,距洞心顶里500mm 处受有楼里均部荷载,楼里恒载尺度值为23.4kN m ,活载尺度值为23kN m ,安排成钢筋混泥土过梁.1> 内力估计根据跨度墙薄及荷载等收端决定过梁截里尺寸:b=240mm; h=240mm. 果墙下w h =>n 3l =,故仅思量1m 下的墙体自沉.楼里均布荷载安排值:⨯⨯⨯3⨯kN.m ⨯(1⨯⨯⨯kN.m过梁收座反力⨯1.5=. 收座核心的跨度c l =1.5 +0.24= 故与估计跨度lo= M=18P 20l =18⨯⨯21.65=1076kN.mV=12P nl =12⨯⨯kN 2> 过梁的受直装载力估计《混凝土结构安排典型》GB50010-2002:过梁采与C20混泥土c f =29.6N mm ,t f =2N mm,纵背钢筋采与HRB 335级钢筋, t f =2300N mm ;箍筋采与HPB235级钢筋,y f = 2Nmm ;去呵护墙薄度为15mms α=20M fcbh =6210.76109.6240205⨯⨯⨯s γs A =..s M fr h γ=610.76103000.941205⨯⨯⨯=1862mm 选配3 ∅10 (2362mm ) 谦脚央供.3> 过梁的装载力估计VkN<cb 0h⨯⨯240⨯kN受剪截里谦脚央供; <7t +b 0h ⨯⨯240⨯kN可按构制摆设箍筋.选配单肢箍筋∅6 @200,谦脚央供 4> 梁端砌体局部受压装载力验算 由表2-4查得f=21.5Nmm ,与0a =a=240mm,y=1.0 γ=1.25 ϕ=01A = 0a b=240⨯240=576002mm 1N =12⨯⨯kN <y γf 1A ⨯⨯57600=108kN 谦脚央供. 7墙下条形前提安排根据工程天量条件,墙下条形前提的埋深与.与少条形前提为估计单元,才有砌前提. (1)中纵墙下条形前提:R F =(××××)=108kN/mb ≥R F /a f =108/150=0.719m 与前提宽为720mm前提剖里图如下图(a )所示(2)内横墙条形前提:F××××R=103.3kN/mb≥R F/a f与前提宽为720mm.前提剖里图如下图所示:前提砖采与M10绕结页岩砖战M7.5砂浆砌筑.U8.构制步伐1>砌体结构非抗震构制步伐①完齐性步伐a.墙体转角处,纵横墙的接界处举止错缝拆砌,对付没有克没有及共时砌筑二又必须留置的临时间断处,应砌成斜槎,斜槎少度为其下度的2/3.若没有克没有及留斜槎,也可搞成曲槎,但是此时必须正在墙体内加设推结钢筋,央供是240mm墙薄为2Φ6,屡屡树立3根,沿墙下的间距400mm,埋进少度从墙的留槎处算起,每边均为600mm,终端搞成90o直钩.②预防温度正在战砌体搞缩变形引起的墙体启裂a.正在墙间树立保温层b.正在屋里或者屋里刚刚性里及砂浆找仄层树立分隔缝,其间距为6m,并与女女墙隔启,缝宽为300mm.c.正在顶层门窗洞心过梁上的火仄灰缝内树立3讲焊接钢筋网片,并应伸进过梁二端墙内650mm.③预防或者减少房屋其余部位墙体启裂的构制步伐a.正在下层窗台下砌体灰缝中树立3讲2Φ4焊接钢筋网片.b.正在墙体中树立2Φ6的推结筋,横背间距为450mm.c.沿墙体的齐下树立横背统制缝.参照文件[1] 施楚贤.砌体结构表里与安排(第二版)[M].北京:华夏修筑工业出版社,2003.[2] 砌体结构安排典型GB 50068—2001[S] .北京:华夏修筑工业出版社,2002.[3] 修筑抗震安排典型GB 50011—2001[S] .北京:华夏修筑工业出版社,2001.[4] 王社良. 结构抗震安排.武汉:武汉理工大教出版社,2002.[5] GB50009—2001 修筑结构荷载典型[S].北京:华夏修筑工业出版社,2002.[6] GB50010—2002 混凝土结构安排典型[S]. 北京:华夏修筑工业出版社,2002.[7] 沈浦死.混凝土结构安排本理(第三版).下等培养出版社,2007.[8] 苑振芳.砌体结构安排脚册[M].华夏修筑工业出版社,2002.[9] 卫军.砌体结构 [M].广州:华北理工大教出版社,2004.[10] 李国强,李杰,苏小卒.结构抗震安排(第三版)[M].北京:华夏修筑工业出版社,2009.。
目录课程设计任务书 (3)一、房屋结构承重方案 (6)二、房屋静力计算方案 (6)三、荷载统计 (6)四、墙体的高厚比验算 (7)五、墙体承载力计算 (7)六、墙下条形基础设计 (18)七、过梁计算 (20)八、挑梁计算 (22)九、抗震计算 (23)十、平面图、剖面图、计算单元 (27)砌体结构课程设计一、设计资料某四层砖混教学楼其平面、剖面如图。
图中梁和墙体的截面尺寸自己选择。
墙体荷载情况如下:(1)一、二层墙体厚370mm,采用Mul0轻骨料混凝土砌块,Mb7.5砂浆。
三、四墙厚240mm,采用Mul0轻骨料混凝土砌块,Mb5砂浆。
(2)砖墙面粉刷做法及总重量○A轴线纵向墙及①、○4轴横墙均系双面粉刷,总重5. 24kN/m2;其它○B轴纵墙为单面粉刷,总重5.07kN/m2。
(3)屋面恒荷载二毡三油绿豆砂0.35 kN/m2矿渣混凝土找平层20mm 0.4 kN/m2架空板厚25mm 0.63 kN/m2架空板支墩0.47 kN/m2圆孔板自重(含灌缝) 1.70 kN/m2梁自重25 kN/m3(4)天沟荷载二毡三油绿豆砂0.3 kN/m2沟内找平层0.46 kN/m2沟外边粉刷0.06 kN/m2天沟白重(折算成m2) 0.93 kN/m2沟内积木重0.42 kN/m2(线荷载为2.17kN/m)(5)各层楼面恒荷载细石混凝土粉面层20mm 22 kN/m3圆孔板自重 1.70 kN/m2大梁自重25 kN/m3使用活载屋面0.5 kN/m3楼面 2.0 kN/m2风载320 kN/m2木窗自重0.35 kN/m2走廊栏板重 2 kN/m2注:底层构件高度H取至室内地坪标高(0.00)以下350mm处。
根据地质资料表明,地下水位标高为-0.950m,此处的地基承载力为150MPa。
该地区的基本风压值为W0=0.55kN/m2。
二、设计要求1、确定房屋的结构承重方案;2、确定房屋的静力计算方案;3、熟练掌握各种方案多层房屋墙体设计及墙、柱高厚比验算方法;4、熟悉梁端下砌体的局部受压承载力验算;5、熟悉过梁、挑梁的设计计算;6、掌握墙体设计中的构造要求,确定构造柱和圈梁的布置;7、熟悉基础结构设计;8、掌握绘制结构施工图。
单向板肋梁楼盖设计图1—1某多层厂房的建筑平面如图1—2所示,环境类别为一类,楼梯设置在旁边m,楼盖拟采用现浇钢筋混凝的附属房屋内。
楼面均布可变荷载标准值为7kN/2土单向板肋梁楼盖。
是进行设计,其中板、次梁按考虑塑性内力重分布设计,主梁内力按弹性理论计算。
1.设计资料(1)楼面做法:水磨石面层;钢筋混凝土现浇板;20mm混合砂浆抹底。
(2)材料:混凝土强度等级C30;梁钢筋采用HRB400级钢筋,板采用HPB300级钢筋。
图 1—2 建筑平面图2.楼盖的结构平面布置主梁沿横向布置,次梁沿纵向布置。
主梁的跨度为5.7m,次梁的跨度为5.1m,主梁每跨内布置两根次梁,板的跨度为5.7/3=1.9m,l02/l01=5.7/1.9=3,因此按单向板设计。
按跨高比条件,要求板厚h 1900/30=63mm,对工业建筑的楼盖板,要求h 70mm,取板厚h=80mm。
次梁截面高度应满足h=l0/18~l0/12=5100/18~5100/12=283~425mm。
考虑到楼面可变荷载比较大,取h=400mm。
截面宽度取为b=200mm。
主梁的截面高度应满足h=l0/15~l0/10=5700/15~570010=380~570mm,取h=550mm。
截面宽度取为b=250mm。
楼盖结构平面布置见图1—3。
图 1—3 结构平面布置图3.板的设计(1)荷载板的永久荷载标准值水磨石面层 0.65kN/m280mm钢筋混凝土板 0.08×25=2.0kN/m220mm混合砂浆 0.02×17=0.34kN/m2小计 2.99kN/m2板的可变荷载标准值 7.0kN/m2永久荷载分项系数取1.2;因楼面可变荷载标准值大于4.0kN/m2,所以可变荷载分项系数应取1.3。
于是板的永久荷载设计值 g=2.99×1.2=3.59kN/m2可变荷载设计值 q=7×1.3=9.1kN/m2荷载总设计值 g+q=12.69kN/m2(2)设计简图按塑性内力重分布设计。
一、设计资料某四层办公楼,其平面图1和剖面图2所示。
采用装配式钢筋混凝土空心板屋(楼)盖,开间为m 5.3,外内墙厚均为mm 240,双面抹灰,墙面及梁侧抹灰均为mm 20,内外墙均采用MU10单排孔混凝土小型空心砌块,1层采用Mb7.5混合砂浆,一层墙从楼板顶面到基础顶面的距离为m 9.3,2-4层采用Mb5混合砂浆,层高m 6.3;基础采用砖基础,埋深m 2.1。
大梁L-1截面尺寸为mm mm 450200 ,伸入墙内mm 240;窗宽mm 2400,高mm 1500;施工质量控制等级为B 级。
图2 办公楼平面图1.1荷载资料 屋面做法:防水层:三毡四油铺小石子,2/35.0m kN 20mm 厚水泥砂浆找平层,2/4.0m kN 50mm 厚加气混凝土,2/3.0m kN120mm 厚现浇钢筋混凝土板(包括灌缝),2/20.2m kN 20mm 厚水泥白灰砂浆,2/34.0m kN 楼面做法:20mm 厚水泥砂浆找平层,2/4.0m kN 120mm 厚现浇钢筋混凝土板(包括灌缝),2/20.2m kN 20mm 厚水泥白灰砂浆,2/34.0m kN 墙体荷载:墙体拟采用MU10混凝土小型空心砌块,两侧采用20mm 砂浆抹面 铝合金窗: 2/45.0m kN 楼面活荷载:楼面活载:2/0.2m kN ,屋面活载: 2/0.2m kN (上人屋面) 1.2设计内容1、确定墙体材料的种类及强度等级。
2、验算各层纵、横墙的高厚比。
3、验算各承重墙的承载力。
图2 办公楼剖面及建筑构造图二、荷载计算由《建筑结构荷载规范》(GB50009-2012)和屋面、楼面及构造做法求出各类荷载值如下:2.1屋面荷载防水层:三毡四油铺小石子,2/35.0m kN 20mm 厚水泥砂浆找平层,2/4.0m kN 50mm 厚加气混凝土,2/3.0m kN120mm 厚现浇钢筋混凝土板,2/0.3m kN 20mm 厚水泥白灰砂浆,2/34.0m kN 钢筋混凝土进深梁mm mm 450200⨯,这算厚度mm 30(含两侧抹灰), 2/775.0m kN 屋面恒荷载标准值 2/365.4m kN 屋面活荷载标准值 2/0.2m kN 2.2楼面荷载20mm 厚水泥砂浆找平层,2/4.0m kN 120mm 厚现浇钢筋混凝土板,2/0.3m kN 20mm 厚水泥白灰砂浆,2/34.0m kN钢筋混凝土进深梁mm mm 450200⨯,这算厚度mm 30(含两侧抹灰), 2/775.0m kN 楼面恒荷载标准值 2/715.3m kN 楼面活荷载标准值 2/0.2m kN 2.3墙体荷载mm 240厚混凝土空心砌块双面水泥砂浆粉刷mm 20,2/56.3m kN铝合金窗: 2/25.0m kN 2.4横梁L-1自重m kN /25.22545.02.0=⨯⨯三、静力计算方案采用装配式钢筋混凝土空心板屋盖,最大横墙间距m m s 328.1036.3<=⨯=,查表属于刚性方案房屋;且洞口水平截面面积不超过全截面面积的3/2,风荷载较小,屋面自重较大,即外墙可不考虑风荷载的影响。
纵横墙承重砌体结构抗震设计实例【例题】某四层砖混教学楼结构,屋顶女儿墙高0.9m,局部楼梯间突出屋面,采用纵横墙混合承重体系。
除底层内廊端部设1500mmK2400mm门洞、楼层内廊端部位设1500mnrK1800mm的窗洞外,各层建筑布置基本相同,即大开问部分为教室,其余为办公室、卫生间等;外侧窗洞口1800mmx1800mm内侧门洞1000mmx2400mm(1-2轴线及7-8轴线之间门洞1200mmx2400mm),7轴线门洞900mmx2100mm砖的强度等级为MU10砂浆的强度等级为M5砌体部分容重取22kN/m3(考虑面层粉刷),墙厚为240mm楼盖屋盖均采用现浇混凝土板,构造柱截面240mm<240mm圈梁截面240mmx200mm混凝土等级为C2s荷载取值:楼面包荷载5.0kN/m2,屋面包荷载6.5kN/m2,活荷载取2.0kN/m2,屋面活荷载取0.5kN/m20抗震设防烈度为7度(设计基本地震加速度0.10g),设计地震分组为第三组,场地为田类。
图1、图2分别为底层建筑平面图,剖面图及屋顶平面图,基础顶面标高-0.80m。
图1底层建筑平面图_I多期05国段Mn|gIizaoo0MKI|2hMJUIT制血期展附间平面图图2剖面图及屋顶平面图[解]1.地震作用计算1)重力荷载代表值计算集中在各楼层标高处的各质点重力荷载代表值包括楼面(或屋面)自重的标准值、50%勺楼面?S荷载(不考虑屋面部分的活荷载);上下各半层墙重的标准值之和,第四计算层(即原屋面)需考虑全部的女儿墙重及第四层墙体的一半重量,尚须加上局部突出屋面处的半层墙重,第五计算层(即出屋面层)需考虑这部分的半层墙重。
在工程中,一般习惯用轴线尺寸进行荷载计算和强度验算,这也是出于扣除各构件重叠部分的影响,在墙体重量计算中一般不单独区分圈梁、构造柱。
下面以第二层为例列出其重力荷载代表值的计算过程,因二、三层层高一致,上下各半层墙重按相应层高的墙重计算。
四层建筑砌体结构课程设计实例第一篇:四层建筑砌体结构课程设计实例目录一.结构方案1.主体结构设计方案2.墙体方案及布置3.多层砖混房屋的构造措施二.结构计算1.预制板的荷载计算与选型2.梁的计算与设计(1)计算单元及梁截面尺寸的确定(2)计算简图的确定(3)荷载设计值(4)内力计算(5)截面配筋计算(6)斜截面承载力计算 3.墙体验算(1)墙体高厚比验算① 静力计算方案的确定② 外纵墙高厚比验算③ 内纵墙高厚比验算④ 外纵墙高厚比验算(2)纵墙承载力计算① 选定计算单元② 荷载计算③ 内力计算④ 墙体承载力计算⑤ 砌体局部受压计算(3)横墙承载力计算① 荷载计算② 承载力计算4.基础设计(1)计算单元(2)确定基础底面宽度(3)确定灰土垫层上砖基础底面宽度(4)根据容许宽高比确定基础高度课程设计计算书一、结构方案1.主体结构设计方案该建筑物层数为四层,总高度为13.5m,层高3.6m<4m;房屋的高宽比13.5/13.5=1<2;体形简单,室内要求空间小,横墙较多,所以采用砖混结构能基本符合规范要求。
2.墙体方案及布置(1)变形缝:由建筑设计知道该建筑物的总长度32.64m<60m,可不设伸缩缝。
工程地质资料表明:场地土质比较均匀,领近无建筑物,没有较大差异的荷载等,可不设沉降缝;根据《建筑抗震设计规范》可不设防震缝。
(2)墙体布置:应当优先考虑横墙承重方案,以增强结构的横向刚度。
大房间梁支撑在内外纵墙上,为纵墙承重。
纵墙布置较为对称,平面上前后左右拉通;竖向上下连续对齐,减少偏心;同一轴线上的窗间墙都比较均匀。
个别不满足要求的局部尺寸,以设置构造拄后,可适当放宽。
根据上述分析,采用以横墙承重为主的结构布置方案是合理的。
(3)墙厚(初拟底层外墙厚为370mm,其余墙厚为240mm)。
3.多层砖混房屋的构造措施(1)构造柱的设置:构造柱的设置见图。
除此以外,构造柱的根部与地圈梁连接,不再另设基础。
砌体结构设计计算书一、设计资料某四层综合商场办公楼楼盖、屋盖采用预应力钢筋混凝土空心楼板,墙体采用普通烧结砖和水泥混合砂浆砌筑。
砖的强度等级为15MU ,砂浆强度等级为5M ,施工等级为B及,外墙厚240mm ,内墙厚240mm 。
根据资料,基础买只较深且有刚性地坪。
淮安地区的基本风压为240.0m kN ,基本雪压为240.0m kN 。
二、房屋静力计算方案最大横墙间距s=9.0m<32m ,故房屋的静力计算方案为刚性方案,最大跨度>9m ,故须设置壁柱加强墙体稳定性 三、 高厚比验算1、外纵墙高厚比验算 查表Mb5的砂浆[β]=24S=9m >2H=7.2m H0=1.0H=3.6m2 、高厚比验算210.410.4 1.8/3.60.80.7sb sμ=-=-⨯=>012/ 3.6/0.2415[] 1.20.82423.04H h βμμβ===<=⨯⨯=,满足要求。
2、 内纵墙的高厚比验算210.410.4 1.8/3.60.80.7sb sμ=-=-⨯=>同外纵墙 012/ 3.6/0.2415[] 1.20.82423.04H h βμμβ===<=⨯⨯=,满足要求。
3、承重墙的高厚比验算 当无门窗洞口时,121.2, 1.2μμ==012/ 2.96/0.2412.23[] 1.2 1.22434.56H h βμμβ===<=⨯⨯=,满足要求。
4、带壁柱墙截面几何特征计算截面面积:A=2401200+490130=3.1575210mm ⨯⨯⨯ 形心位置:151200240120+130490(240+130/2)y = 3.51710153.5mm ⨯⨯⨯⨯=⨯ 惯性矩:31200153.5I=3394490216.5(1200490)(240153.5) 3.2510333mm ⨯⨯-⨯-++=⨯回转半径:96.13i mm === 折算厚度:h 3.5 3.596.13336.455T i mm ==⨯= 带壁柱的高厚比验算:012/ 4.32/0.2418[] 1.20.82423.04H h βμμβ===<=⨯⨯=,满足要求。
纵横墙承重砌体结构抗震设计实例【例题】某四层砖混教学楼结构,屋顶女儿墙高0.9 m,局部楼梯间突出屋面,采用纵横墙混合承重体系。
除底层内廊端部设1500 mm×2400 mm门洞、楼层内廊端部位设1500 mm×1800 mm的窗洞外,各层建筑布置基本相同,即大开间部分为教室,其余为办公室、卫生间等;外侧窗洞口1800 mm×1800 mm,内侧门洞1000 mm×2400 mm(1-2轴线及7-8轴线之间门洞1200 mm×2400 mm),7轴线门洞900 mm×2100 mm。
砖的强度等级为MU10,砂浆的强度等级为M5,砌体部分容重取22 kN/m³(考虑面层粉刷),墙厚为240 mm;楼盖屋盖均采用现浇混凝土板,构造柱截面240 mm×240 mm,圈梁截面240 mm×200 mm,混凝土等级为C25。
荷载取值:楼面恒荷载5.0 kN/㎡,屋面恒荷载6.5 kN/㎡,活荷载取2.0 kN/㎡,屋面活荷载取0.5 kN/㎡。
抗震设防烈度为7度(设计基本地震加速度0.10 g),设计地震分组为第三组,场地为Ⅲ类。
图1、图2分别为底层建筑平面图,剖面图及屋顶平面图,基础顶面标高-0.80 m。
图1 底层建筑平面图图2剖面图及屋顶平面图[解]1.地震作用计算1)重力荷载代表值计算集中在各楼层标高处的各质点重力荷载代表值包括楼面(或屋面)自重的标准值、50%的楼面活荷载(不考虑屋面部分的活荷载);上下各半层墙重的标准值之和,第四计算层(即原屋面)需考虑全部的女儿墙重及第四层墙体的一半重量,尚须加上局部突出屋面处的半层墙重,第五计算层(即出屋面层)需考虑这部分的半层墙重。
在工程中,一般习惯用轴线尺寸进行荷载计算和强度验算,这也是出于扣除各构件重叠部分的影响,在墙体重量计算中一般不单独区分圈梁、构造柱。
下面以第二层为例列出其重力荷载代表值的计算过程,因二、三层层高一致,上下各半层墙重按相应层高的墙重计算。
目录一、结构设计资料1.设计资料~~~~~~~~~~~~~~~~~~~~~~~~~~~~~~~~~~~~~~~~~~~~~~~~~~~~~~~~~~3二、结构设计说明1.总设计说明~~~~~~~~~~~~~~~~~~~~~~~~~~~~~~~~~~~~~~~~~~~~~~~~~~~~~~~5三、结构设计计算书1.结构设计方案~~~~~~~~~~~~~~~~~~~~~~~~~~~~~~~~~~~~~~~~~~~~~~~~~~~~~~62.结构计算~~~~~~~~~~~~~~~~~~~~~~~~~~~~~~~~~~~~~~~~~~~~~~~~~~~~~~~~~72.1外加荷载计算与预制板的选型~~~~~~~~~~~~~~~~~~~~~~~~~~~~~~~~~~~~72.2 墙体高厚比验算~~~~~~~~~~~~~~~~~~~~~~~~~~~~~~~~~~~~~~~~~~~~~~~82.3承重墙体的承载力验算~~~~~~~~~~~~~~~~~~~~~~~~~~~~~~~~~~~~~~~~~~92.4阳台及卫生间现浇楼板的计算~~~~~~~~~~~~~~~~~~~~~~~~~~~~~~~~~~~~132.5楼梯的设计~~~~~~~~~~~~~~~~~~~~~~~~~~~~~~~~~~~~~~~~~~~~~~~~~~~133.构造措施~~~~~~~~~~~~~~~~~~~~~~~~~~~~~~~~~~~~~~~~~~~~~~~~~~~~~~~~~16四、基础设计1.基础设计~~~~~~~~~~~~~~~~~~~~~~~~~~~~~~~~~~~~~~~~~~~~~~~~~~~~~~~~~21一、结构设计资料1、设计资料1.1工程概况1). 工程名称:重庆某职业技术学校宿舍楼设计2). 拟建地点:重庆市××县×镇3). 占地总面积:(见建筑施工图);4). 单栋建筑面积:(见建筑平、立、剖面图);5). 建筑层数:6层;6). 结构形式:砖混结构。
某砌体结构四层教学楼设计一、设计资料某砌体结构四层教学楼设计,其建筑平面图如图1所示,1-1剖面图如图2所示,窗间墙示意图如图3所示,。
学号:20000。
楼面活荷载标准值2kN/m8.1,5300,二层以上层高值mm3200。
C轴线房间进深mm-D屋盖、楼盖采用预应力混凝土空心板,一、二层墙体采用MU25烧结普通砖和M10砂浆砌筑,三、四层墙体采用MU20轻骨料混凝土砌块M7.5砂浆砌筑,施工质量控制等级为B级。
各层墙厚如图所示。
图中梁L-1截面为250mm×500mm,两端伸入墙内190mm,窗洞尺寸为1800mm×2100mm,门洞尺寸为900mm×2400mm 及1200mm×2400mm。
一层外纵墙厚370mm,其他墙体厚240mm;二、三、四层墙厚均为240mm。
图1建筑平面图图2 1-1剖面图图3 窗间墙示意图(一层370mm,二层240mm)二、荷载计算(一)屋面荷载35mm 厚配筋细石混凝土板2kN/m 875.0035.025=⨯三毡四油沥青防水卷材2.4kN/m 040mm 厚防水珍珠岩2kN/m 16.004.04=⨯20mm 厚1:2.5水泥砂浆找平层2kN/m 4.002.020=⨯120mm 厚预应力混凝土空心板2kN/m 2.215mm 厚板底抹灰2kN/m 255.0017.015=⨯屋面恒荷载合计 2.29kN/m 4 上人屋面活荷载标准值2.0kN/m 2屋面梁自重 2kN/m 125.35.025.025=⨯⨯(二)楼面荷载大理石面层2kN/m 42.0015.028=⨯20mm 厚水泥砂浆找平2kN/m 4.002.020=⨯120mm 厚预应力混凝土空心板2.2kN/m 215mm 厚板底抹平2kN/m 255.0017.015=⨯楼面恒荷载合计 2275kN/m .3 楼面活荷载标准值2.6kN/m 1楼面梁自重 2kN/m 125.35.025.025=⨯⨯(三)墙体、窗荷载240mm 厚墙体自重(按墙面计)2.24kN/m 5370mm 厚墙体自重(按墙面计)2.71kN/m 7500mm 厚墙体自重(按墙面计)20.52kN/m 1铝合金玻璃窗自重(按墙面计)2.4kN/m 0(四)风荷载基本风压2.45kN/m 0<2.5kN/m 0,建筑层高3.2m <4.0m ,建筑总高13.6m<24m ,故可不考虑风荷载的影响。
一、设计资料某三层教学楼(无地下室)平面剖面如图,才用1类楼盖体系,大梁尺寸250mm ×500mm 。
墙体用MU10砖,M5砂浆砌筑,墙厚均为240mm 。
屋面和楼面构造做法及相应荷载可由标准图集98ZJ001查取(自定),空心板自置按2.5 kN /㎡,190mm 厚双面粉刷,墙自重2.08 kN /㎡,240mm 厚双面粉刷墙自重5.24 kN /㎡,铝合金窗按025 kN /㎡计算。
屋面、楼面活荷载查《建筑结构荷载规范》。
工程地质资料:自然地表下0.5m 内为填土,填土下0.8秒内为粉质粘土(a f =130 MPa ),其下为1.2m 厚粘土(a f =220MPa ),再下面是砾石层(a f =355MPa )。
该地区的基本风压值为0.55 kN /㎡。
抗震设防烈度为7度,设计地震分组为第一组,II 类场地。
二、设计要求1、确定房屋的结构承重方案;2、确定房屋的静力计算方案;3、熟练掌握各种方案多层房屋墙体设计及墙、柱高厚比验算方法;4、熟悉梁端下砌体的局部受压承载力验算;5、熟悉过梁、挑梁的设计计算;6、掌握墙体设计中的构造要求,确定构造柱和圈梁的布置;7、熟悉基础结构设计;8、掌握绘制结构施工图。
设计计算书1.房屋的静力计算方案和承重体系因为本教案楼的楼盖采用1类楼盖体系,横墙的最大间距S=3.3×3=9.9m<32m,因此本房屋属刚性方案。
采用纵横墙承重体系。
2.墙体的高厚比验算<1>外纵墙高厚比验算:取轴线D 上横墙间距最大的一段外纵墙进行高厚比验算。
因为此教学楼采用M5砂浆砌筑,所以[]β=24对于第一层:H=3.75m S=3.3×3=9.9m>2H=7.5m ∴0H =1.0H=3.75m 对于第二、三层:H=3.3m S=3.3×3=9.9m>2H=6.6m ∴0H =1.0H=3.3m考虑窗洞的影响:2μ =1-0.4bs s =1-0.4×1.539.9⨯=0.82>07因为墙厚均为240mm,所以第一层0H H β==3.750.24=15.625而2μ[]β=0.82×24=19.68所以β<2μ[]β满足要求第二、三层 0H hβ==3.3/0.24=13.75<2μ[]β=19.68<2>内纵墙高厚比验算考虑门洞口的影响,选取①-②定位轴线之间的内纵墙进行验算[B]=24,2μ=1-0.4bs s =1-0.4×13.3=0.88>0.82故不必验算可知内纵墙高厚比符合要求。
目录一、结构设计资料二、结构设计说明1.总设计说明三、结构设计计算书1.结构设计方案~~~~~~~~~~~~~~~~~~~~~~~~~~~~~~~~~~~~~~~~~~~~~~~~~~~~~~62.结构计算~~~~~~~~~~~~~~~~~~~~~~~~~~~~~~~~~~~~~~~~~~~~~~~~~~~~~~~~~72.1外加荷载计算与预制板的选型~~~~~~~~~~~~~~~~~~~~~~~~~~~~~~~~~~~~72.2 墙体高厚比验算~~~~~~~~~~~~~~~~~~~~~~~~~~~~~~~~~~~~~~~~~~~~~~~82.3承重墙体的承载力验算~~~~~~~~~~~~~~~~~~~~~~~~~~~~~~~~~~~~~~~~~~92.4阳台及卫生间现浇楼板的计算~~~~~~~~~~~~~~~~~~~~~~~~~~~~~~~~~~~~132.5楼梯的设计~~~~~~~~~~~~~~~~~~~~~~~~~~~~~~~~~~~~~~~~~~~~~~~~~~~133.构造措施~~~~~~~~~~~~~~~~~~~~~~~~~~~~~~~~~~~~~~~~~~~~~~~~~~~~~~~~~16四、基础设计1.基础设计~~~~~~~~~~~~~~~~~~~~~~~~~~~~~~~~~~~~~~~~~~~~~~~~~~~~~~~~~21一、结构设计资料1、设计资料1.1工程概况1). 工程名称:重庆某职业技术学校宿舍楼设计2). 拟建地点:重庆市××县×镇3). 占地总面积:(见建筑施工图);4). 单栋建筑面积:(见建筑平、立、剖面图);5). 建筑层数:6层;6). 结构形式:砖混结构。
1.2建筑构造资料1.2.1.结构材料:墙体:采用240厚页岩实心砖墙,加混凝土构造柱及圈梁;楼盖:采用预制混凝土空心板楼(屋)盖,钢筋混凝土楼梯;基础:采用钢筋混凝土条形基础。
1.2.2. 建筑楼面做法:(1)宿舍、走道及楼梯间:由上至下构造做法:①粘贴玻化砖或踏步砖(0.55kN/m );②20厚水泥砂浆找平层(0.4kN/m );③预制混凝土空心板结构层(2)卫生间:由上至下构造做法:①水泥砂浆粘贴地面砖(0.55kN/m2 )②1.2厚JS防水涂料防水层(0.1kN/m2 )③20厚水泥砂浆找平层(0.4kN/m2 )④1:6水泥炉渣填充层(安装卫生洁具后)/(3.0kN/m2 )⑤20厚水泥砂浆保护层(0.4kN/m2 )⑥1.2厚JS防水涂料防水层(0.1kN/m2 )⑦结构层(板面下降450按同层排水处理)。
1.2.3. 建筑墙面做法:(1)外墙面:为普通抹灰、贴装饰面砖墙面(0.55kN/m2 );(2)内墙面:为普通抹灰、刮腻子、乳胶漆照面(0.34kN/m2 );1.2.4室内天棚:15mm厚水泥砂浆抹灰,刮腻子、乳胶漆照面(0.3kN/m2)。
1.2.5 屋面防水做法:由上至下构造做法:①40厚C20细石混凝土整体浇注刚性防水层(1.0kN/m2 )②20厚水泥砂浆保护层(0.4kN/m2 )③3厚2000型SBS改性石油沥青卷材防水层(0.1kN/m2)④20厚水泥砂浆找平层(0.4kN/m2)⑤1:6水泥炉渣找坡兼隔热层,平均厚度100,排水坡度按设计(1.0kN/m2)⑥30厚C20混凝土整体浇注层(0.72kN/m2);⑦结构层。
1.3可变荷载资料1.3.1 屋面为不上人屋面,活荷载标准0.5 kN/m2,无积雪、积灰荷载;1.3.2. 楼面活荷载标准值:宿舍、办公室2.0 kN/m2,楼梯、阳台及卫生间2.5kN/m2。
1.2.3 设计墙、基础的活荷载折减系数见下表:1.3.4.不考虑基本风压。
1.4地质资料场地为浅丘地带,场地按建筑单元进行平整后,基本为裸露页岩,无地质断层、裂缝、软弱夹层,地基承载力特征值为350 kPa 。
地下无侵蚀性介质,地下水位在地表下8.0m以下。
1.5材料供应1. 可就近供应MU15等级页岩砖;2. 可就近供应门窗过梁、雨棚等预制构件,可提供商品混凝土。
3.采用HPB235级、HRB335级钢筋,以及冷轧带肋钢筋、冷轧扭钢筋。
1.6 主要参数及结构计算方法根据设计任务书,不考虑结构抗震设防,亦不考虑水平风载。
二、结构设计说明1、总设计说明1.1设计规模1.1.1、本设计为宿舍楼,总建筑面积:3383m21.1.2、结构共6层,层高均为3.6米。
室内外高差0.6米。
1.2结构方案1.2.1 采用纵横墙方案。
1.2.2 楼板采用现浇楼盖或预制混凝土空心板。
楼梯为现浇板式楼梯。
1.3 设计资料1.3.1 不考虑抗震设防。
1.3.2 地质条件: 1)地基承载力特征值:350kN/m2。
2)地下水位在地表8m以下。
1.4 主要建筑结构做法1.4.1 结构材料:墙体:采用240厚MU15页岩实心砖墙,加混凝土构造柱及圈梁;楼盖:采用预制混凝土空心板楼(屋)盖,钢筋混凝土楼梯;基础:采用混凝土条形刚性基础。
1.4.2 建筑楼面做法:(1)宿舍、走道及楼梯间:由上至下构造做法:①粘贴玻化砖或踏步砖(0.55kN/m2);②20厚水泥砂浆找平层(0.4kN/m2);③预制混凝土空心板结构层(2)卫生间:由上至下构造做法:①水泥砂浆粘贴地面砖(0.55kN/ m2 )②1.2厚JS防水涂料防水层(0.1kN/ m2 )③20厚水泥砂浆找平层(0.4kN/m2)④1:6水泥炉渣填充层(安装卫生洁具后)(3.0KN/m2)⑤20厚水泥砂浆保护层(0.4kN/m2)⑥1.2厚JS防水涂料防水层(0.1kN/m2)⑦结构层(板面下降450按同层排水处理)。
1.4.3 建筑墙面做法:(1)外墙面:为普通抹灰、贴装饰面砖墙面(0.55kN/m2);(2)内墙面:为普通抹灰、刮腻子、乳胶漆照面(0.34kN/m2);1.4.4 室内天棚:15mm厚水泥砂浆抹灰,刮腻子、乳胶漆照面(0.3kN/m2)。
1.4.5 屋面防水做法:由上至下构造做法:①40厚C20细石混凝土整体浇注刚性防水层(1.0kN/m2)②20厚水泥砂浆保护层(0.4kN/m2)③3厚2000型SBS改性石油沥青卷材防水层(0.1kN/m2)④20厚水泥砂浆找平层(0.4kN/m2)⑤1:6水泥炉渣找坡兼隔热层,平均厚度100,排水坡度按设计(1.0kN/m2)⑥30厚C20混凝土整体浇注层(0.72kN/m2);⑦结构层。
三、结构设计计算书1.结构设计1.1 主体结构设计方案该建筑物层数为六层,总高度为23.7m,层高3.6m<4m;房屋的高宽比23.7/18=1.3<2;体形简单,室内要求空间小,横墙较多,所以采用砖混结构能基本符合规范要求。
1.2 墙体方案及布置1.2.1 变形缝:由建筑设计知道该建筑物的总长度32.64m<60m,可不设伸缩缝。
工程地质资料表明:场地基本为裸露页岩,无地质断层、裂缝、软弱夹层,地质均匀,邻近无建筑物,没有较大差异的荷载等,可不设沉降缝;1.2.2 墙体布置:应当优先考虑横墙承重方案,以增强结构的横向刚度。
纵墙布置较为对称,平面上前后左右拉通;竖向上下连续对齐,减少偏心;同一轴线上的窗间墙都比较均匀。
个别不满足要求的局部尺寸,以设置构造拄后,可适当放宽。
根据上述分析,采用以横墙承重为主的结构布置方案是合理的。
1.2.3 墙厚:墙厚均为240mm。
1.3、多层砖混房屋的构造措施1.3.1 构造柱的设置:构造柱的设置详见第四节“构造措施”。
除此以外,构造柱的根部与地圈梁连接,不再另设基础。
在柱的上下端500mm范围内加密箍筋为φ6@150。
构造柱的做法是:将墙先砌成大马牙槎(五皮砖设一槎),后浇构造柱的混凝土。
混凝土强度等级采用C20。
具体做法见详图。
1.3.2 圈梁设置:各层、屋面、基础顶面均设置圈梁。
横墙圈梁设在板底,纵墙圈梁下表面与横墙圈梁底表面齐平,上表面与板面齐平或与横墙表面齐平。
当圈梁遇窗洞口时,可兼过梁,但需另设置过梁所需要的钢筋。
2、结构计算判断房屋静力计算方案为刚性方案:S<32m。
2.1外加荷载计算与预制板的选型屋盖外加荷载40厚C20细石混凝土整体浇注刚性防水层 1.0kN/m220厚水泥砂浆保护层 0.4kN/m2 3厚2000型SBS改性石油沥青卷材防水层 0.1kN/m220厚水泥砂浆找平层 0.4kN/m2 1:6水泥炉渣找坡兼隔热层 1.0kN/m230厚C20混凝土整体浇注层 0.72kN/m2室内天棚0.3kN/m2屋盖外加恒荷载标准值 3.92kN/m2 屋盖活荷载标准值 0.5kN/m2楼盖外加荷载楼面地砖0.55kN/m220mm厚水泥砂浆找平层 0.4kN/m2室内天棚0.3kN/m2楼面外加恒荷载标准值 1.25kN/m2 楼面活荷载标准值 2kN/m2 屋盖的外加荷载设计值: Fd=3.92×1.2+1.4×0.5=5.4 kN/m2 楼盖的外加荷载设计值: Fd=1.25×1.2+2×1.4= 4.3 kN/m,查图集《预应力混凝土空心板》(西南04G231),选取板型号为:屋盖选取的预制板型号为:bWB3605-6和bWB3606-6楼盖选取的预制板型号为:bKB3605-5 和bKB3606-5屋盖内纵墙楼板选取的预制板型号为:bWB2405-6和bWB2406-6楼盖内纵墙楼板选取的预制板型号为:bKB2405-5和bKB2406-5b(冷轧带肋钢筋级别;CRB650级)K(表示楼面板)B36(板的标志长度;24,27,…,36,42)05(板的标志宽度;05,06,09,12)—5(外加荷载设计值等级;3,4,5,6,7,8)d(冷轧带肋钢筋级别;CRB800级)W(表示屋面板)B36(板的标志长度)05(板的标志宽度)—5(外加荷载设计值等级)2.2 墙体高厚比验算3.2.1墙体高厚比验算静力计算方案的确定:因横墙间距s=3.6m,楼(屋)盖为装配式钢筋砼楼(屋)盖,故房屋的静力计算方案为刚性方案。
(1)外纵墙高厚比验算横墙最大间距:s=3.9m墙体的计算高度确定如下:底层:其他楼层:墙厚 0.24m,内纵墙为承重墙,取有门洞的墙允许高厚比:;[β]允许高厚比,查表得:砂浆等级为M7.5时,[β]=26。
底层高厚比验算:(满足);其他各层高厚比验算:(满足);(2)内纵墙高厚比验算墙体的计算高度:横墙最大间距:s=3.6m底层:H>s=3.6m Ho=其他楼层: H=3.6m s=H Ho=墙厚 0.24m,内纵墙为承重墙,取。
有门洞的墙允许高厚比:;[β]允许高厚比,查表得:砂浆等级为M7.5时,[β]=26。