第五章 多高层钢结构房屋设计
- 格式:ppt
- 大小:20.26 MB
- 文档页数:118
钢结构多高层房屋的结构设计引言:随着城市化的发展和人口的增长,对多层房屋的需求也越来越大。
而钢结构作为一种优秀的建筑结构材料,由于其轻质、高强度、施工速度快等优势,越来越受到人们的关注和使用。
本文将讨论钢结构多层房屋的结构设计。
1.设计理念钢结构多层房屋的结构设计应该着重考虑其安全性、可靠性和经济性。
安全性是首要的考虑因素,结构设计要满足抗震、抗风等力学要求。
可靠性是指结构设计要符合建筑的使用寿命,保证其长期使用的安全和稳定性。
经济性是指通过合理的结构设计,达到减少材料和劳动力成本的目的。
2.结构类型钢结构多层房屋常见的结构类型有钢框架结构、钢筋混凝土框架结构以及混合结构。
钢框架结构是将主要承重构件采用钢材形成的框架结构,如柱、梁等,用螺栓连接构件之间的联接。
这种结构类型适用于高层建筑,具有结构轻便、施工速度快等优点,但对基础要求较高。
钢筋混凝土框架结构是将钢筋混凝土构件和钢梁、钢柱等钢结构构件结合起来形成的框架结构。
这种结构类型既有钢结构的高强度和刚度,又有钢筋混凝土的耐久性,适用于多层住宅和商业建筑。
混合结构是钢结构和其他材料(如钢筋混凝土)结合形成的结构。
这种结构类型充分发挥不同材料的优势,如钢结构的高强度和刚度,以及钢筋混凝土的耐久性和隔热性。
3.结构设计考虑因素钢结构多层房屋的结构设计应考虑以下因素:-荷载:包括自重荷载、建筑物使用荷载以及外部荷载(如风荷载和地震荷载)。
结构设计应根据实际情况合理选定荷载标准,确保结构的安全性。
-构件尺寸和截面形状:根据结构的设计荷载和受力情况,确定构件的尺寸和截面形状。
一般来说,构件的截面应满足截面抗弯强度和抗剪强度的要求。
-施工方法:钢结构多层房屋的结构设计应考虑施工的可行性和效率。
合理的施工方法能够提高施工速度,减少成本。
-防火要求:根据建筑法规和使用要求,钢结构多层房屋的结构设计应考虑防火性能。
例如,可以采用防火涂料和防火板等防火材料,提高建筑的防火性能。
多高层建筑钢结构设计高层建筑钢结构设计是指在建筑物的设计和建造过程中,运用钢材及其组合构件来构筑建筑物的承重结构,并具备抗震、耐久、安全等基本要求的一种设计方法。
下面将从材料选择、结构设计、施工等方面介绍高层建筑钢结构设计。
首先,材料选择是高层建筑钢结构设计中的关键一环。
钢材具有轻、强、抗震、耐久的优势,可以有效减轻建筑物自重,提高结构强度和稳定性,并能适应抗震要求。
常用的钢材有普通碳素结构钢、低合金高强度钢和耐候结构钢等。
根据建筑的设计载荷和使用环境,合理选择材料是保证高层建筑结构安全性和经济性的基础。
其次,高层建筑钢结构设计需要合理选择结构形式。
常见的结构形式有框架结构、桁架结构和空心管结构等。
框架结构适用于高层建筑,具有简单、系统性好、构造稳定的特点。
桁架结构适用于大跨度、大高度的建筑物,具有轻质、抗震性能好的特点。
空心管结构适用于中小高层建筑,具有重量轻、刚性好的特点。
选择适合的结构形式可以合理利用钢材的优势,提高建筑物的承载能力和稳定性。
此外,高层建筑钢结构设计需要考虑结构的抗震性能。
高层建筑常常处于复杂的地震环境中,因此,设计中需要合理配置抗震构造体系和合理选择抗震措施。
例如,采用合理的软硬比配置、增加剪力墙和加强节点连接等,可以提高建筑物的抗震性能。
最后,高层建筑钢结构的施工也是设计的重要环节。
施工中需要严格按照设计图纸执行,合理组织施工流程和施工顺序,确保钢结构的精准制作和安装。
同时,施工中要注意安全,合理配置人员和设备,采取相应的防护措施,确保施工过程中不出现事故。
综上所述,高层建筑钢结构设计应该从材料选择、结构形式、抗震性能和施工等多个方面进行考虑。
只有在这些方面做出合理的设计和施工,才能确保高层建筑的安全性和稳定性。
高层建筑的钢结构设计是一个复杂而重要的工程,需要科学的理论指导和丰富的实践经验,以满足不断增长的城市化需求。
多高层钢结构住宅设计多高层钢结构住宅设计一、引言1.1 背景随着城市化进程的加速和土地资源的日益紧张,高层住宅建筑的需求和重要性不断增长。
钢结构作为一种轻质、高强度、可重复使用的建筑结构材料,正逐渐成为高层住宅建筑的首选。
1.2 目的本旨在提供一套详细的多高层钢结构住宅设计模板范本,设计师和工程师在设计过程中充分考虑各种因素,并确保建筑的安全性、可靠性和可持续性。
二、钢结构住宅设计要点2.1 结构类型选择根据建筑高度、地质条件和使用功能,选择适合的钢结构类型,如框架结构、网架结构和桁架结构等。
2.2 结构布局设计考虑建筑的使用功能和结构的力学特性,合理布置建筑的平面布局和立面设计,确保结构的稳定性和承载能力。
2.3 施工工艺选择根据建筑的高度和施工条件,选择合适的钢结构施工工艺,如焊接工艺、螺栓连接工艺和预制化构件工艺等。
2.4 防火设计采取有效的防火措施,保证钢结构在火灾发生时的耐火性能,如采用防火涂料、防火隔热层和防火隔断等。
2.5 抗震设计根据建筑的地震烈度和设计要求,合理选取抗震措施,确保建筑在地震荷载作用下的安全性能,如设立抗震支撑、加固节点和设备等。
2.6 防腐设计考虑建筑所处环境的腐蚀性,选择合适的防腐措施,如防腐涂层、防腐液和防腐填充材料等,延长钢结构的使用寿命。
2.7 弹性变形设计根据建筑的使用要求和结构的变形特性,进行弹性变形设计,确保钢结构在荷载作用下的变形控制和使用性能。
2.8 隔音设计通过隔声板、隔音窗和隔音材料等措施,降低住宅建筑的噪音传递,提高居住舒适度。
三、附件列表本所涉及的附件如下:附件一:钢结构住宅平面布置图附件二:钢结构节点设计图附件三:钢结构施工工艺示意图附件四:钢结构防火隔断图附件五:钢结构抗震支撑计算表附件六:钢结构防腐涂层工艺参数表附件七:钢结构弹性变形控制计算图附件八:钢结构隔音设计方案图四、法律名词及注释本所涉及的法律名词及其注释如下:1. 建筑法:指中华人民共和国《建筑法》。
某多高层钢结构住宅毕业设计1. 引言本文档旨在描述某多高层钢结构住宅的毕业设计方案。
在当前城市化快速发展的背景下,高层住宅建设逐渐成为主流。
传统的混凝土结构住宅在高层建筑中存在一定的不足,例如施工周期长、自重大、难以实现灵活布局等。
因此,本文档将探讨使用钢结构作为主要结构的高层住宅设计方案,以期提供一种更优化的解决方案。
2. 设计目标本设计方案的主要目标如下:•提供一个高效的结构系统,以确保建筑物的安全性和稳定性。
•减少施工周期和成本,提高建筑物的效率和可持续性。
•实现低碳、节能的设计理念,减少对环境的影响。
•提供舒适、灵活的居住空间,满足居民的需求。
3. 设计方案3.1 结构设计钢结构作为高层住宅的主要结构系统,具有以下优势:•钢材具有较高的强度和刚度,能够承受较大的荷载。
•施工期短,能够快速搭建结构骨架。
•钢结构具有较好的可塑性和可再利用性。
•可以灵活布局,提供多样化的户型选择。
3.2 节能设计为了实现低碳、节能的设计理念,本设计方案采用以下策略:•采用优质保温材料,增加墙体和屋顶的隔热性能。
•设计合理的通风系统,利用自然通风和机械通风相结合,减少能源消耗。
•安装高效节能的照明设备和电气设备,降低能耗。
•利用太阳能电池板、地热能等可再生能源,减少对传统能源的依赖。
3.3 空间布局为了提供舒适、灵活的居住空间,本设计方案考虑以下因素:•增加空中花园和露台,提供户外活动的空间。
•设计开放式客厅和厨房,提升居住舒适度。
•充分考虑阳光的照射,设计大窗户和采光井。
4. 实施计划本设计方案的实施计划如下:1.阶段一:方案策划和设计(2个月)–收集相关资料和研究领域内的先进技术。
–制定设计目标和方案框架。
–进行结构分析和模拟计算。
2.阶段二:施工准备和材料采购(1个月)–确定施工团队和供应商。
–采购材料和设备。
–制定详细施工计划。
3.阶段三:施工和调试(6个月)–进行结构搭建和施工。
–完成电器、照明和空调等设备的安装。
钢多高层结构设计手册钢多高层结构设计手册第一章:引言1.1 本手册的目的和范围本手册旨在为工程师和设计师提供一套完整的、系统的高层钢结构设计指南,以确保高层建筑的结构安全、稳定性和经济性。
本手册适用于超过30层的高层钢结构建筑设计和施工,并且概述了一些与空间结构和特殊结构相关的内容。
1.2 现行标准和规范高层建筑的设计必须符合国家和地区的建筑设计标准和规范要求。
本手册将根据最新的标准和规范提供设计建议,并指出其中的变化和差异。
1.3 本手册的结构本手册共包括八个章节,分别是:引言、材料、结构设计、节点设计、振动控制、防火设计、耐震设计和施工。
每个章节将逐一详细介绍相关的设计原则、计算方法、核心技术和注意事项。
第二章:材料2.1 钢材的选用和使用选取合适的钢材对于高层钢结构的设计和施工至关重要。
本章将介绍常用的结构钢种类、性能、优缺点,以及如何进行合理的材料选择。
2.2 钢材的特性与应用钢材的强度、延展性、疲劳性等特性对于高层钢结构的设计和施工具有重要影响。
本章将介绍钢材的力学特性,如强度、刚度、韧性等,并探讨其在高层结构中的应用。
2.3 钢材的预应力控制预应力技术在高层钢结构中具有重要的应用价值。
本章将介绍预应力的原理、方法和控制要点,并提供实际计算案例。
第三章:结构设计3.1 弹性设计基本原理弹性设计是高层钢结构的基本设计原则。
本章将介绍弹性设计的基本概念、假设条件和计算方法,并提供详细的计算流程和示例。
3.2 塑性设计基本原理塑性设计在高层钢结构设计中具有重要的应用价值。
本章将介绍塑性设计的原理、方法、局限性和计算要点,并提供实际计算案例。
3.3 极限状态设计基本原理极限状态设计对于高层钢结构的安全性和可靠性具有重要意义。
本章将介绍极限状态设计的基本原理、设计要求和计算方法,并提供详细的计算流程和示例。
第四章:节点设计4.1 节点设计基本原理节点是高层钢结构的重要组成部分,对于整体结构的性能和稳定性起着至关重要的作用。
多高层建筑钢结构抗震设计多高层建筑钢结构抗震设计1. 引言在城市化进程中,高层建筑的兴起越来越多,因此高层建筑的安全性成为一个重要的议题。
钢结构是一种常用于高层建筑的结构形式,其优点在于耐震性能好、施工速度快等。
本文将详细讨论多高层建筑钢结构的抗震设计。
2. 钢结构的组成和优势2.1 钢结构的组成钢结构主要由钢柱、钢梁、钢框架和钢板等组成。
这些部件通过焊接或螺栓连接形成一个整体结构。
2.2 钢结构的优势钢结构具有以下优点:- 高强度:钢结构具有较高的抗拉强度和承载能力。
- 轻质化:相对于传统的混凝土结构,钢结构更轻,可以减少建筑物自重。
- 施工速度快:钢结构的制造和安装速度较快,可以缩短施工周期。
- 耐久性好:钢结构寿命长,不容易受到腐蚀或变形。
3. 高层建筑的抗震设计要求3.1 抗震设计阶段划分高层建筑的抗震设计包括预设计阶段、方案设计阶段、施工设计阶段和施工阶段。
3.2 抗震设计要求在钢结构的抗震设计中,应考虑以下方面:- 结构的稳定性:确保建筑物在地震中不发生倒塌或破坏。
- 刚度和强度:合理选择材料和截面形状,确保钢结构具有足够的刚度和强度。
- 钢结构的消能能力:通过合理的结构设计,将地震能量转化为结构变形,减少对主体结构的影响。
- 钢结构的耗能能力:采用适当的耗能装置,如阻尼器等,减少地震能量对结构的影响。
4. 钢结构抗震设计的方法和技术4.1 钢结构的抗震设计方法常用的钢结构抗震设计方法包括强度设计方法、位移设计方法和能力设计方法。
4.2 钢结构的抗震设计技术钢结构的抗震设计技术主要包括剪力墙设计、框架设计、隔震设计和阻尼器设计等。
5. 抗震设计的案例分析通过对一些高层建筑的抗震设计案例进行分析,可以更好地理解和应用抗震设计原理和方法。
6. 附件本所涉及的附件如下:- 附件1:高层建筑钢结构抗震设计计算表- 附件2:钢结构抗震设计示意图- 附件3:相应的结构参数表格7. 法律名词及注释本所涉及的法律名词及注释如下:- 法律名词1:注释1- 法律名词2:注释2- 法律名词3:注释3。
多高层建筑钢结构设计在当今的建筑领域,多高层建筑钢结构设计因其独特的优势而备受关注。
钢结构以其高强度、高韧性、施工速度快等特点,成为了现代建筑设计中的重要选择。
钢结构在多高层建筑中的应用具有诸多显著优点。
首先,钢结构的强度高,能够承受较大的荷载,为建筑提供了稳固的支撑。
其次,其重量相对较轻,这在高层建筑中尤为重要,因为减轻建筑自重可以降低基础造价,并提高建筑的抗震性能。
再者,钢结构的工业化程度高,预制构件可以在工厂中进行标准化生产,然后运输到现场进行组装,大大缩短了施工周期。
在进行多高层建筑钢结构设计时,需要充分考虑结构体系的选择。
常见的结构体系包括框架结构、框架支撑结构、筒体结构等。
框架结构简单明了,适用于层数相对较低的建筑;框架支撑结构通过设置支撑增加了结构的侧向刚度,适用于较高的建筑;筒体结构则具有很强的抗侧能力,适用于超高层建筑。
设计过程中,荷载的计算是至关重要的一环。
不仅要考虑恒载(如结构自重、建筑装饰等)和活载(如人员、家具、设备等),还要充分考虑风荷载和地震作用。
风荷载的计算需要根据建筑所在地区的气象资料和建筑的外形特征来确定。
地震作用则需要根据建筑所在地区的抗震设防烈度、场地类别等因素进行计算。
钢结构构件的设计是多高层建筑钢结构设计的核心内容之一。
钢梁和钢柱通常是主要的受力构件。
钢梁的设计需要考虑其抗弯、抗剪能力,以及整体稳定性。
钢柱则需要考虑其受压稳定性和承载能力。
为了保证构件的强度和稳定性,需要合理选择钢材的型号和规格。
节点设计在钢结构中也占有举足轻重的地位。
节点的连接方式直接影响到结构的整体性和可靠性。
常见的节点连接方式有焊接、螺栓连接等。
焊接连接强度高,但施工难度较大,质量控制要求严格;螺栓连接施工方便,但连接强度相对较低。
在设计节点时,需要根据具体情况选择合适的连接方式,并进行详细的节点受力分析。
钢结构的防火和防腐设计也是不容忽视的方面。
由于钢材在高温下强度会急剧下降,因此需要采取有效的防火措施,如涂抹防火涂料、设置防火隔板等。
多高层钢结构课程设计一、课程目标知识目标:1. 让学生理解并掌握多高层钢结构的基本概念、分类和特点;2. 使学生了解多高层钢结构在设计过程中的关键因素和注意事项;3. 帮助学生掌握多高层钢结构施工图的识读和绘制方法。
技能目标:1. 培养学生运用多高层钢结构设计原理解决实际问题的能力;2. 提高学生分析多高层钢结构受力情况,进行结构计算和优化的技能;3. 培养学生运用专业软件进行多高层钢结构设计和施工图绘制的能力。
情感态度价值观目标:1. 培养学生对建筑结构工程的兴趣,激发他们探索创新的精神;2. 增强学生的团队合作意识,培养他们在项目实践中的沟通与协作能力;3. 引导学生关注建筑结构安全、环保和可持续发展等方面,培养他们的社会责任感。
本课程针对高中年级学生,结合学科特点和教学要求,以实用性为导向,注重理论与实践相结合。
课程目标旨在让学生掌握多高层钢结构的基本知识和设计方法,培养他们解决实际问题的能力,同时提升学生的情感态度和价值观,为未来从事建筑结构设计和工程领域打下坚实基础。
二、教学内容1. 多高层钢结构基本概念与分类:介绍多高层钢结构的概念、分类及各自特点,使学生了解不同类型钢结构在建筑中的应用。
教材章节:第一章第一节2. 多高层钢结构设计原理:讲解多高层钢结构设计的基本原理,包括结构体系、构件连接、受力分析等。
教材章节:第一章第二节3. 多高层钢结构施工图识读与绘制:教授学生如何识读和绘制多高层钢结构施工图,提高他们的实践操作能力。
教材章节:第二章4. 多高层钢结构计算与优化:介绍多高层钢结构受力分析、计算方法及优化策略,培养学生解决实际问题的能力。
教材章节:第三章5. 多高层钢结构设计与专业软件应用:结合实际案例,教授学生运用专业软件进行多高层钢结构设计和施工图绘制。
教材章节:第四章6. 多高层钢结构工程实践:组织学生进行项目实践,培养他们在实际工程项目中的沟通、协作和创新能力。
教材章节:第五章教学内容按照以上安排进行,注重科学性和系统性,结合教材章节,使学生在掌握理论知识的基础上,提高实践操作能力。
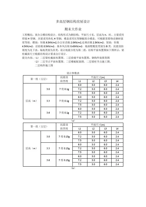
多高层钢结构房屋设计
期末大作业
工程概况:某办公楼结构设计,结构形式为钢结构,平面尺寸见,层高为h,柱、主梁采用焊接H型钢,次梁采用热轧H型钢,楼盖采用压型钢板组合楼盖,可根据需要修改钢材强度等级。
楼面:恒载6.5KN/m2,办公室活载2.0KN/m2,走廊活载2.5KN/m2,屋面:恒载
4.5KN/m2,活荷载0.5KN/m2。
基本风压取0.45KN/m2,地面粗糙度类别为B类。
抗震设防裂度为见下表,场地类别为Ⅱ类,设计地震分组为第二组,结构平面布置图如下图所示,梁柱截面尺寸根据结构设计要求自行设计。
提交内容:(1)二层梁柱截面布置图、二层荷载平面布置图、钢构件验算简图
(2)二层节点平面布置图、二层楼板配筋图、二层梁柱节点施工图、
二层构件施工图
(b)
d)
(
(f)
结构平面布置图。
多,高层房屋钢框架结构设计本文针对钢框架结构体系的多、高层房屋钢框架结构,在基于设计标准下的建筑结构设计进行了讨论并提出实践中应对的具体方法,以供参考。
标签:结构;布置;设计;方案;计算1 结构的布置结构平面布置应简单、规则、对称,减少偏心,同时要尽可能的采用中心对称或双轴对称的平面形式,以减小或避免在风荷载作用下的扭转振动。
抗震设防时,平面尺寸关系应符合表1的要求。
2 楼盖的布置方案和设计2.1 楼盖的布置原则和方案在多、高层建筑中,楼盖结构除了直接承受竖向荷载的作用并将其传递给竖向构件外,还要有足够的刚度,传递水平剪力。
用于多高层的建筑楼板有:现浇钢筋混凝土楼板,压型钢板组合楼板(经济板跨在2~3m),梁腹板开孔对梁的刚度造成消弱。
消弱程度大时,除应考虑弯曲刚度消弱对挠度的影响外,还必须考虑剪切刚度消弱的影响。
2.2 压型钢板组合楼盖的设计压型钢板组合楼盖不仅结构性能较好,施工方便,而且经济效益好,在高层钢结构中得到广泛应用。
抗剪连接件栓钉保证楼板和钢梁之间可靠地传递水平剪力,栓钉连接件的受剪承载力设计值为:。
通常依据是否考虑压型钢板对组合楼板承载力的贡献,而将其分为组合板和非组合板。
对于组合楼板设计,不仅要考虑使用荷载,亦要考虑施工阶段荷载作用。
组合板正截面受弯承载力验算:。
组合板受冲切承载力验算:组合板在集中荷载下的冲切力V1应满足:v1≤0.6ftucrhc。
组合板斜截面受剪承载力验算:组合板一个波距内斜截面最大剪力设计值Vin应当满足:vin≤0.07ftbh0。
对于非组合楼板,压型钢板仅作为模板使用,不考虑其承载作用,可按常规钢筋混凝土楼板设计。
2.3 组合梁和组合板的构造要求组合板中的压型钢板在钢梁上的支承长度不应小于50mm;在砌体上的支承长度不应小于75mm。
组合板的总厚度不应小于90mm,压型钢板顶面以上的混凝土厚度不应小于50mm。
此外,尚应符合楼板防火保护层厚度的规定。
多高层房屋结构的类别特点:侧向荷载效应的影响突出:风荷载、地震作用分类:框架结构、框剪结构、筒体结构框架结构特点:1】平面布置较灵活,刚度分布均匀2】侧向刚度小,延性较大,自振周期较长,对地震作用不敏感,一般在不超过30层框剪结构特点:1】支撑或剪力墙,双重设防2】不超过40~60层筒体结构特点:框筒结构1】框架形成的筒体结构,内筒及其它竖向构件主要承受竖向荷载,外层框架主要承受侧向荷载2】刚性楼面结构作为框筒的横隔3】剪力滞后造成角柱的轴力过大,两个措施:控制框筒平面的长宽比加大框筒梁和柱的线刚度之比4】适用的建筑高度可超过90层筒中筒结构1】减缓框筒结构的剪力滞后效应2】密柱深梁或钢筋混凝土内筒侧向位移模式:适用高度JGJ99-98) 依据地震设防烈度划分:非抗震设防的多层(£12层)钢结构房屋形式:1】纯采用框架结构或斜撑(或剪力墙)体系2】斜撑体系梁和柱的连接都可做成铰支即柔性连接抗震设防的多高层钢结构房屋形式:1】中心支撑体系,不超过12层2】偏心支撑体系,超过12层结构布置提要1】光滑曲线构成的凸平面形式:风载体型系数小2】采用中心对称或双轴对称的平面形式:减小或避免在风荷载作用下的扭转振动3】平面尺寸关系4】平面不规则结构5】结构竖向布置基础1】宜设地下室2】抗震设防基础埋深宜一致, 不宜采用局部地下室3】基础埋深,天然地基不宜小于H/15,桩基时不宜小于H/204】采用钢筋混凝土剪力墙或框剪结构型式5】设置钢骨(型钢)混凝土的过渡层,一般为2~3层如何做好多高层钢结构设计将十层以下、总高度小于24m的民用建筑和6层以下、总高度小于40m的工业建筑定义为多层钢结构;超过上述高度的定义为高层钢结构。
其中民用建筑层数和高度的界限与我国建筑防火规范相协调,工业建筑一般层高较高,根据实际工程经验确定。
轻型框架和轻型框架-支撑钢结构适用于多层民用建筑和楼面等效活载小于8KN/m2且建筑高度小于20m的工业建筑。
多高层钢结构设计高层钢结构设计是指在建筑物中采用钢材作为主要结构材料,通过合理的设计和施工,使建筑物能够承受重力荷载、风荷载和地震力等外力,保证建筑物的结构稳定、安全可靠。
本文将从设计的基本原则、荷载计算、材料选取、结构构件设计等方面,介绍高层钢结构的设计。
设计的基本原则:1.安全性原则:建筑物的结构设计应满足国家和地方的相关规范和标准,保证建筑物在正常使用和极限工作状态下的安全性。
2.经济性原则:在满足安全性的前提下,能够最大程度地减小材料和施工的成本,提高结构的经济效益。
3.实用性原则:根据使用要求和功能需求,设计结构能够满足人们的舒适、便捷、美观的要求。
4.适用性原则:根据建筑物所在的地理、气象、地震等条件,选择适当的结构形式和材料。
荷载计算:高层建筑所受到的荷载主要有重力荷载、风荷载和地震力。
荷载计算是高层钢结构设计的第一步,其结果将直接影响结构的选择和构件尺寸的确定。
荷载计算要考虑建筑物的使用要求、周围环境的特点以及相关规范和标准的要求,进行合理准确的计算,以确定结构所需的强度和刚度。
材料选取:钢材作为高层钢结构的主要构造材料,其强度、刚度和耐久性是设计选择的关键。
根据建筑物使用要求和设计荷载的大小,选择适当的钢材等级和材料厚度。
同时,还要考虑材料的施工性能和经济性,确保结构的安全可靠并能够满足经济效益。
结构构件设计:高层钢结构的构件设计要以满足使用性能和荷载要求为目标,确定结构的形式和尺寸。
根据建筑物的功能和相应的荷载特点,进行合理的框架布置、纵横向刚度分布和节点设计。
常见的高层钢结构构件包括梁、柱、框架节点、扩大节点、水平刚度墙等。
梁的设计要满足横向截面抗弯承载能力和截面抗剪承载能力的要求,同时考虑梁的刚度,以满足建筑物的使用要求。
柱的设计要满足纵向承载能力和纵向稳定性的要求,考虑增加截面面积以提高抗震能力。
框架节点的设计要保证节点的刚度和强度,以保证整体框架的力学性能。
扩大节点的设计要满足节点的剪力承载能力和变形要求,以保证节点的安全性。
多高层钢结构住宅方案设计多高层钢结构住宅方案设计随着城市化进程的加速和人口数量的增长,高层建筑在城市中的地位越来越重要。
作为一种高效的建筑形式,多高层钢结构住宅在提高土地利用率、改善居住环境等方面具有显著优势。
本文将探讨多高层钢结构住宅的方案设计,包括设计理念、结构设计、材料选型、施工管理等方面。
一、引言多高层钢结构住宅是指采用钢结构体系作为主要承重结构,配合其他建筑材料和设备系统,进行设计、施工和管理的住宅建筑。
这种建筑形式具有自重轻、抗震性能好、建设周期短、节能环保等优点,已成为现代建筑发展的趋势之一。
二、设计理念多高层钢结构住宅的设计理念主要体现在以下几个方面:1、轻质高强:采用轻型钢结构体系,降低结构自重,提高结构强度,从而减少材料用量和基础承载。
2、空间灵活:采用大开间设计,便于空间划分和布局,满足不同功能需求。
3、节能环保:采用环保材料,提高建筑保温隔热性能,降低能源消耗。
4、人性化设计:注重居住舒适度和人性化需求,如采光、通风、隔音等方面。
三、结构设计多高层钢结构住宅的结构设计主要包括以下几个方面:1、结构选型:根据建筑高度、规模、地质条件等因素,选择合适的结构形式,如框架结构、框剪结构等。
2、荷载分析:根据建筑使用功能和环境条件,进行荷载分析,确定结构承重能力和稳定性。
3、节点设计:根据结构形式和受力特点,进行节点设计,保证结构整体的稳定性和安全性。
4、抗震设计:针对地震灾害的可能性,进行抗震设计,提高建筑结构的抗震性能。
四、材料选型多高层钢结构住宅的材料选型主要包括以下几个方面:1、钢结构材料:采用高强度钢作为主要承重材料,提高结构强度和稳定性。
2、围护材料:采用轻质、高强的墙体材料,如轻质砖、ALC板等,提高建筑保温隔热性能。
3、楼板材料:采用预制楼板、压型钢板等材料,提高施工效率和质量。
4、门窗材料:采用高性能节能门窗,提高建筑气密性和保温性能。
五、施工管理多高层钢结构住宅的施工管理主要包括以下几个方面:1、施工组织:根据工程规模和特点,制定合理的施工组织方案,确保施工顺利进行。
多高层钢结构住宅设计随着城市化进程的加速和人们对居住环境要求的提高,多高层钢结构住宅在建筑领域中逐渐崭露头角。
钢结构住宅具有强度高、自重轻、施工速度快、抗震性能好等诸多优点,为人们提供了更加安全、舒适和高效的居住空间。
一、钢结构住宅的特点钢结构住宅与传统的混凝土结构住宅相比,具有明显的特点。
首先,钢结构的强度高,能够承受较大的荷载,使得建筑物可以设计得更高、更灵活。
其次,钢结构的自重轻,约为混凝土结构的一半,这大大减轻了基础的负担,降低了工程造价。
再者,钢结构的施工速度快,构件可以在工厂预制,现场进行拼装,大大缩短了施工周期。
此外,钢结构具有良好的抗震性能,能够在地震等自然灾害中保持较好的稳定性,保障居民的生命财产安全。
二、多高层钢结构住宅的结构体系在多高层钢结构住宅设计中,常用的结构体系有框架结构、框架支撑结构和筒体结构等。
框架结构由钢梁和钢柱组成,梁柱节点通常采用刚性连接。
这种结构体系具有布置灵活、空间利用率高的优点,适用于层数较低、风荷载和地震作用较小的住宅建筑。
框架支撑结构是在框架结构中设置支撑构件,如中心支撑、偏心支撑等。
支撑的设置可以有效地提高结构的抗侧刚度,减小结构在水平荷载作用下的变形,适用于层数较高、风荷载和地震作用较大的住宅建筑。
筒体结构包括框筒结构、筒中筒结构和束筒结构等。
这种结构体系具有很大的抗侧刚度和承载能力,适用于超高层钢结构住宅。
三、多高层钢结构住宅的设计要点1、结构选型根据建筑的高度、使用功能、风荷载和地震作用等因素,合理选择结构体系。
同时,要考虑建筑的经济性和施工的可行性。
2、荷载取值准确计算各种荷载,包括恒载、活载、风荷载、地震作用等。
荷载取值的准确性直接关系到结构的安全性和经济性。
3、构件设计钢梁和钢柱的截面尺寸要根据受力情况进行合理设计,既要满足强度和稳定性要求,又要尽量减小用钢量。
同时,要注意节点的设计,保证节点的强度不低于构件的强度。
4、抗震设计钢结构住宅的抗震设计至关重要。
浅析多高层钢结构住宅楼板设计(全文)范本一:一、引言多高层钢结构住宅楼板设计是建筑工程中的重要内容。
本文对于多高层钢结构住宅楼板设计进行了浅析,从结构设计的角度出发,详细介绍了多高层钢结构住宅楼板的构造、材料选用、荷载计算和安全性评估等方面的内容。
二、结构设计1. 构件类型:多高层钢结构住宅楼板主要由梁、柱和楼板组成。
梁和柱负责承载楼板的重量,楼板则负责承受住宅使用的荷载。
2. 梁和柱的设计:梁和柱的设计应根据楼板的荷载和使用要求确定,考虑承载能力、刚度和稳定性等因素,选择合适的钢材种类和截面形状。
3. 楼板的设计:楼板的设计应根据使用要求和荷载计算结果确定。
常见的楼板形式有一般楼板、薄板和预应力楼板等。
楼板的安全性评估应考虑承载能力、挠度和抗震性等因素。
三、材料选用1. 钢材种类:多高层钢结构住宅楼板的主要材料是钢材。
常见的钢材种类有普通碳素钢、低合金钢和高强度钢等。
选用钢材应根据楼板的设计要求和使用环境确定。
2. 钢材性能:钢材的性能对楼板的承载能力和安全性具有重要影响。
常见的钢材性能包括强度、韧性、焊接性和耐腐蚀性等。
四、荷载计算1. 楼板荷载:楼板荷载是多高层钢结构住宅楼板设计的重要参数。
常见的楼板荷载包括自重、使用荷载、风荷载和地震荷载等。
荷载计算应根据相关标准和规范进行。
2. 荷载计算方法:荷载计算可以采用静力计算方法或动力计算方法。
静力计算方法简单快捷,适用于一般情况;动力计算方法更加精确,适用于复杂情况。
五、安全性评估1. 承载能力评估:楼板的承载能力评估是多高层钢结构住宅楼板设计中的重要工作。
承载能力评估应考虑楼板的强度和稳定性等因素。
2. 抗震性评估:楼板的抗震性评估是确保多高层钢结构住宅楼板安全性的重要环节。
抗震性评估应根据地震荷载和楼板的动力响应进行。
六、附件本文档涉及的附件包括:结构设计图纸、荷载计算表格和安全性评估报告等。
七、法律名词及注释1. 结构设计:建筑工程中,指根据使用要求和荷载计算结果,确定楼板的构造、材料选用和安全性评估等内容。
多高层钢结构住宅方案设计1.工程概况工程名称:雅居乐多高层钢结构住宅;建设地点:市区某地;工程概况:场地大小为30m×30m,8~12层,建筑总高度不超过40m,室外高差为0.3m,设计使用年限为50年;基本风压:0ω=0.8kN/m2,地面粗糙程度为C类;抗震要求:抗震设防类别为丙类,抗震设防烈度为8度,Ⅱ类场地土,设计地震分组为第一组。
场地土层情况:表2-1 场地土层情况2.建筑与结构布置3.1.建筑布置3.1.1.首层建筑平面图如下图3-1所示,首层平面设计为大空间的形式,可以用此空间做为店面,即商住两用住宅。
中间设计为过道、楼梯和电梯。
由过道和墙把首层建筑分开为四个大空间,作为四爿店。
由于商业的要求,首层平面将进行比较豪华的装修,例如钢柱将外包为方柱,而墙也做成玻璃幕墙与装饰墙混合的形式。
此外,门也将用比较好看的旋转门,以吸引顾客。
图 3-1 首层建筑平面图3.1.2.标准层平面图如下图3-2所示,标准层平面设计为商品房,以中间两墙为分隔墙,分为四户。
朝北两户面积较小,设一个客厅,四个卧室,两个卫生间,一个厨房,一个阳台(左右侧阳台以一墙分开)。
而朝南两户面积较大,设一个客厅,五个卧室,一个书房,一个厨房,两个卫生间,一个杂物间,一个独立阳台。
此外,左右两户为于中间墙对称。
图 3-2 标准层平面图3.1.3.顶层平面图如下图3-2所示,顶层设计为空旷的天台,外围有1.2m的女儿墙,屋檐外挑500mm。
图3-3 顶层平面图3.1.4.剖面图图3-4 剖面图1图3-4 剖面图23.1.5.立面图图3-5 南立面图3.2.结构布置如下图3-4所示,结构布置为纯框架结构,主梁与柱刚接,由于建筑设计中布置了许多轻质ALC隔板,为满足结构需要,布置连续次梁。
由于结构比较规则,且受力也比较对称,次梁与主梁连接采用刚接方式。
图3-4 标准层结构布置图图3-5顶层结构布置图3. 初步设计4.1. 建筑做法屋面做法:压型钢板混凝土组合楼板,20mm 石灰砂浆抹底,20mm 水泥砂浆找平,100~140厚(2%找坡)膨胀珍珠岩保温层,八层作法防水层(三毡四油上铺小石子)。