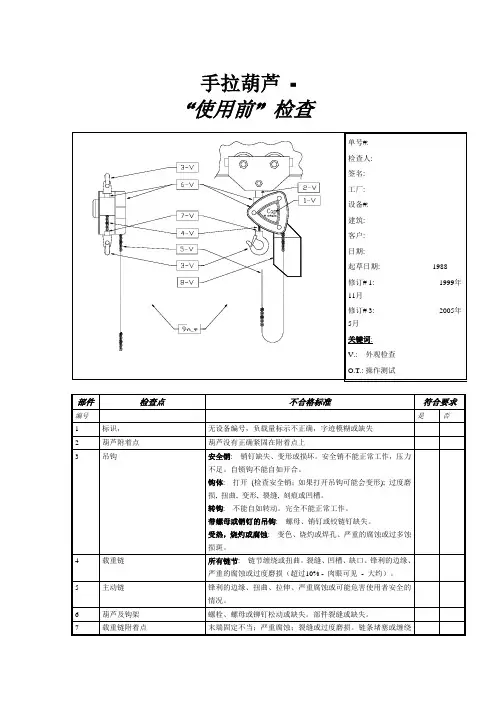
手拉葫芦检验项目及判定标准
- 格式:xls
- 大小:13.00 KB
- 文档页数:4
手拉葫芦、专用钢丝绳检查试验制度
手拉葫芦是一种广泛应用于工业和建筑领域的手动工具,专用
钢丝绳是手拉葫芦的关键组成部分。
为了确保手拉葫芦和专用钢丝
绳的安全和可靠性,制定一套检查试验制度是必要的。
一、检查手拉葫芦的外观
1. 检查手拉葫芦的表面是否有明显的划痕、裂纹和变形,如果
存在应该及时更换。
2. 检查手拉葫芦的操作杆、把手和扭力杆的固定件是否松动或
损坏。
3. 检查手拉葫芦的制动器是否有锈蚀、变形和磨损。
二、检查钢丝绳的外观
1. 检查钢丝绳表面是否有明显的损伤和变形,如果存在应该及
时更换。
2. 检查钢丝绳的弯曲程度是否超过规定的弯曲半径。
3. 检查钢丝绳的锁扣和接地夹是否完好无损。
三、检查手拉葫芦的负荷能力
1. 选取一定重量的负荷,检查手拉葫芦的承载能力是否符合规定。
2. 进行多次负荷测试,检查手拉葫芦的机械结构是否有损伤和
磨损。
四、检查钢丝绳的负荷能力
1. 选取一定重量的负荷,检查钢丝绳的承载能力是否符合规定。
2. 进行多次负荷测试,检查钢丝绳是否有变形、拉伸和断裂等情况。
五、定期维护和保养
1. 每次使用后应该对手拉葫芦和钢丝绳进行清洁,防止油污和灰尘的积累。
2. 定期对手拉葫芦和钢丝绳进行润滑,保证其机械部件的灵活运转。
3. 定期对手拉葫芦和钢丝绳进行检查和维护,确保其在使用中的安全和可靠性。
综上所述,手拉葫芦和专用钢丝绳检查试验制度是保证其安全和可靠性的关键措施。
在使用手拉葫芦和钢丝绳时,必须要严格按照试验制度进行检查和维护,以确保其在工作过程中不会发生任何危险。
⼤家知道⼿拉葫芦有哪些测试的要求吗?
⼿拉葫芦的测试标准项⽬
(1)⽆载荷试验:⽆载荷时往复扳动前进杆及反向杆三次,观察机构⼯作情况,应⽆卡阻现象。
(2)额定载荷试验:在专⽤试验台上检测,⼿扳⼒及⼿柄往复⼀次钢丝绳⾏程都应符合标准要求。
(3)动载荷试验:在专⽤试验台上检测,以1.1倍额定载荷加载,上升、下降各⼀次,每次钢丝绳移动距离不得少于
200mm,整机应⼯作平稳、可靠。
(4)静载荷试验:在专⽤试验台上,逐步加载⾄1.5倍额定载荷,停留10min,夹⼦、夹紧板不得有影响使⽤性能的永久变形。
(5)吊钩试验:
在材料试验机上,通过钩腔中⼼逐渐加载⾄2倍额定载荷,停留1min后卸去载荷,检查吊钩的钩⼝变形,不得超过0.25%;
在材料试验机上,通过钩腔中⼼逐渐加载⾄4倍额定载荷,吊钩应能可靠地⽀持1min。
(6)可靠性试验:在额定载荷下,连续往复扳动前进杆和反向杆,使钢丝绳往返累积⾏程不少于120m(可分四次进⾏,但每次进⾏,但每次钢丝绳累计⾏程为30m,每次之间间歇时间不超过1h。
试验中不允许更换钢丝绳)。
⼿扳葫芦的各部分不得有异常现象。
(7)外观质量检验:吊钩的表⾯应光洁,不应有⽑刺、裂纹、折迭及降低强度的局部缺陷;吊钩上不允许有补焊。
夹紧板的板⾯应平直⽆⽑刺。
钢丝绳端部应呈圆形,不得松散。
全绳不允许有结疤、凹凸和扭曲现象。
零件的铆接应牢固,铆接头部不应有飞边、裂纹、划伤等缺陷。
涂漆部分应均匀,⾊泽光亮。
不可有污迹、⽓泡、缩皱、脱落和粗糙不平等。
手拉葫芦、专用钢丝绳检查试验制度一、前言手拉葫芦、专用钢丝绳是一种常用的起重装卸器械,广泛应用于工矿企业、物流仓储等领域。
为了确保其安全可靠的使用,对手拉葫芦、专用钢丝绳进行定期检查和试验是十分必要的。
本制度旨在规范手拉葫芦、专用钢丝绳的检查试验工作,保障其使用过程中的安全。
二、检查试验工作范围1. 手拉葫芦:主要检查手拉葫芦的外观、结构件、工作性能等情况,确保其正常使用。
2. 专用钢丝绳:主要检查专用钢丝绳的损伤情况、拉伸性能等,保证其安全可靠。
三、检查试验内容1. 手拉葫芦:(1)外观检查:检查手拉葫芦的表面是否有生锈、裂缝、变形等情况。
(2)结构件检查:检查手拉葫芦的各个结构件是否牢固,操作是否灵活。
(3)工作性能检查:进行负载试验,检查手拉葫芦的起重性能及运行情况。
(4)配件检查:检查手拉葫芦配件的完好性,确保其正常使用。
2. 专用钢丝绳:(1)外观检查:检查专用钢丝绳表面是否有断裂、弯折、氧化等情况。
(2)损伤检查:检查专用钢丝绳的损伤情况,如钢丝绳直径缩小、变形等。
(3)拉伸性能试验:使用专用拉伸试验机对专用钢丝绳进行拉伸试验,检查其拉伸性能。
四、检查试验方法1. 手拉葫芦:(1)外观检查:目测检查手拉葫芦表面是否出现异常情况。
(2)结构件检查:手动操作各个结构件,确保灵活可靠。
(3)负载试验:使用不同负载对手拉葫芦进行试验,记录其工作性能。
2. 专用钢丝绳:(1)外观检查:目测检查专用钢丝绳的表面情况。
(2)损伤检查:使用放大镜对专用钢丝绳进行检查,发现损伤情况。
(3)拉伸性能试验:使用专用拉伸试验机对专用钢丝绳进行拉伸试验。
五、检查试验频率1. 手拉葫芦:应每季度进行一次检查试验。
2. 专用钢丝绳:应每季度进行一次检查试验。
六、检查试验记录1. 手拉葫芦:应制定详细的检查试验记录,记录手拉葫芦的型号、检查结果等信息。
2. 专用钢丝绳:应制定详细的检查试验记录,记录专用钢丝绳的型号、检查结果等信息。
5吨以上手拉葫芦检测标准本标准规定了5吨以上手拉葫芦的检测方法及标准,确保其性能和质量符合相关要求。
一、外观质量1.手拉葫芦表面应光滑,无毛刺、划痕、变形等缺陷。
2.涂层应均匀,无明显色差和剥落现象。
3.吊钩、链条、链轮等部件应无明显磨损和变形。
4.外观质量应符合国家相关标准要求。
二、性能试验1.手拉葫芦应能在额定载荷下正常运转,无卡滞、异常声响等现象。
2.刹车系统应灵敏可靠,刹车距离符合国家相关标准要求。
3.链条、吊钩、链轮等部件应具有良好的耐磨性和抗疲劳性。
4.空载试验时,手拉葫芦应运行平稳,无晃动、异常声响等现象。
5.性能试验过程中,手拉葫芦不应出现结构损坏、变形等质量问题。
三、负载测试1.手拉葫芦应在额定载荷下进行负载测试,吊钩、链条、链轮等部件应无异常磨损和变形。
2.负载测试过程中,手拉葫芦不应出现安全隐患和结构损坏等质量问题。
3.在不同负载下,手拉葫芦应能稳定运行,无晃动、滑动等现象。
4.负载测试完成后,手拉葫芦应保持良好的工作状态,无过载、卡滞等问题。
四、结构检查1.手拉葫芦的结构应合理,各部件连接牢固,无松动、脱落等现象。
2.吊钩、链条、链轮等关键部件应采用高强度材料制造,确保其承载能力和使用寿命。
3.手拉葫芦应设置合适的润滑装置,定期进行润滑保养,保证其正常运转和使用寿命。
4.结构检查过程中,应关注手拉葫芦的安全性能和稳定性,确保其在使用过程中不会出现倾倒、滑动等问题。
5.手拉葫芦的结构设计应符合人体工程学原理,便于操作和维护。
6.结构检查过程中,应注意检查手拉葫芦的外观结构是否符合相关标准要求,如吊钩的形状、尺寸等。
7.对于手拉葫芦的关键部件,应进行严格的检验和测试,确保其性能和质量符合相关标准要求。
8.在进行结构检查时,应注意检查手拉葫芦的铭牌和标识是否清晰、完整,是否符合相关规定要求。
9.对于手拉葫芦的电器部分,应检查其是否符合国家相关电器安全标准要求。
手拉葫芦的安全检验及技术操作规程范本一、安全检验规程1. 手拉葫芦的日常检查1.1 检查手拉葫芦的外观是否完好,并排除任何损坏或变形的情况。
1.2 检查手拉葫芦的手柄是否稳固,无松动或破损的情况。
1.3 检查手拉葫芦的链条或绳索是否完好,无断裂、磨损或扭曲的情况。
1.4 检查手拉葫芦的钩子是否完好,无断裂、变形或松动的情况。
1.5 检查手拉葫芦的操作杠杆是否灵活,无卡滞或过度磨损的情况。
2. 定期检验手拉葫芦2.1 按照制造商的要求,进行定期的手拉葫芦检验。
2.2 检查手拉葫芦的工作负载限制,并确保不超过其额定负载。
2.3 检查手拉葫芦的链条或绳索的断裂强度,以确保其安全使用。
2.4 检查手拉葫芦的滚轮和滑轮的磨损情况,必要时进行更换。
2.5 检查手拉葫芦的刹车系统是否正常工作,确保其能够可靠停止。
二、技术操作规程1. 使用手拉葫芦前的准备工作1.1 确保工作环境平整,没有杂物或障碍物。
1.2 检查手拉葫芦的负荷限制,避免超过其额定负载。
1.3 将手拉葫芦安装在固定的支架或吊钩上,确保其稳定。
2. 手拉葫芦的起重操作2.1 使用手柄将手拉葫芦的钩子抬升到所需高度。
2.2 将负载顺利放置在手拉葫芦的钩子上,并确保负载稳定。
2.3 使用手柄逐渐下拉,提升负载至所需位置。
2.4 在操作过程中,保持手柄的速度缓慢稳定,以确保安全操作。
2.5 如果需要停止提升负载,松开手柄并确保手拉葫芦的刹车系统能够可靠停止负载。
3. 手拉葫芦的存放和维护3.1 在使用完手拉葫芦后,将其放置在干燥、通风的地方,远离火源或腐蚀物。
3.2 定期清洁手拉葫芦,移除其中的灰尘和污垢,避免影响其正常工作。
3.3 定期润滑手拉葫芦的移动部件,使用适当的润滑剂,并按照制造商的建议进行操作。
3.4 定期检查手拉葫芦的零部件是否磨损或松动,必要时进行更换或修理。
3.5 如发现手拉葫芦有任何故障或异常情况,应立即停止使用,并通知相关人员进行维修或更换。
手拉葫芦的安全检验及技术操作规程手拉葫芦作为重要的起重工具之一,其使用安全性至关重要。
为了确保人员及作业设备的安全,必须对手拉葫芦进行安全检验及技术操作规程的制定。
本文将重点介绍手拉葫芦的安全检验及技术操作规程。
一、手拉葫芦的安全检验1.检查手拉葫芦是否压碎、变形及其他明显的损坏。
2.检查手拉葫芦上运动部分的润滑是否充足,是否有异常的声音。
3.检查手拉葫芦钢丝绳和链条是否有损坏、变形和严重磨损。
4.检查手拉葫芦的保护装置是否完好,如上翘保护、限位开关等。
5.检查手拉葫芦标志是否清晰、齐全,如厂名、负载等级等。
6.检查手拉葫芦的手柄是否正常运转,是否把脉动过大。
7.检查手拉葫芦的制动是否灵敏、可靠,当拉动手柄时,制动器应马上生效。
8.检查手拉葫芦的拉绳是否符合要求,长度应符合标准,拉绳不应磨损。
9.检查手拉葫芦的各个螺丝是否松动,如有松动应紧固。
10.检查手拉葫芦的负载限制和使用标准是否匹配,且不超过其额定负载。
二、手拉葫芦技术操作规程1.在使用手拉葫芦前,应先检查其是否符合要求及安全使用,如有问题应及时更换或维修。
2.使用手拉葫芦时,应先将钩子挂在准确位置的钢管或吊具上,然后在松开制动器并撤回手柄的同时,用力拉动手柄使链条或钢绳缓慢升起负载,注意过程中应平稳操作,从而实现物品的起吊。
3.在使用手拉葫芦升起货物时,应注意不可超负荷,以免导致手拉葫芦过载。
4.使用手拉葫芦在一定高度后,散落物品时应下降速度缓慢,避免物品受损和伤人。
5.在使用手拉葫芦进行作业时,应保持清醒状态,若感觉疲劳、头晕、疼痛等不适应立即停止操作。
6.在手拉葫芦使用过程中,如出现异常现象应及时关闭拉绳,防止冒着危险使用。
7.使用手拉葫芦结束后,应将其清洁、检查、保养,防止产生故障。
总之,安全检验及技术操作规程是手拉葫芦使用过程中不可忽视的重要环节。
只有遵守规程并加强安全意识,才能确保人员和设备的安全,更好的保护我们的生命财产安全。
手拉葫芦的安全检验及技术操作规程模版一、前言手拉葫芦作为一种常见的起重工具,广泛应用于各类建筑施工现场、仓库及物流场所等。
为了保障安全生产,有效预防事故的发生,制定并执行合理的安全检验及技术操作规程是非常必要的。
二、安全检验规程1. 检查外观手拉葫芦使用前应首先检查其外观是否完整,包括钢丝绳、吊钩、链轮等是否有裂纹、变形等问题,如果发现有损坏的情况应立即停止使用,并及时进行维修或更换。
2. 检查工作绳工作绳是手拉葫芦的核心组成部分,应经常检查其磨损情况,如果发现工作绳出现破损或变形现象,应及时更换,避免因工作绳断裂而导致意外事故的发生。
3. 检查吊钩吊钩作为手拉葫芦的关键部件,应定期进行检查。
主要包括吊钩的孔眼是否变形、裂纹或变形等情况,如果出现问题应立即更换。
4. 检查链条链条也是手拉葫芦的重要组成部分,应经常检查链条的磨损情况,如发现链条变形、裂纹等问题,应立即更换,切勿使用损坏的链条。
5. 检查传动装置手拉葫芦的传动装置包括齿轮、链轮等,应经常检查传动装置的运转是否正常,如发现异常声音或传动装置卡死的情况,应停止使用并进行维修。
三、技术操作规程1. 操作前的准备在进行手拉葫芦的操作前,应先检查工作环境是否安全,如有地面杂物或障碍物应及时清除。
同时,操作人员应穿戴好安全帽、安全鞋等个人防护用品,并保持清醒的状态,切忌酒后操作。
2. 吊装前的调试在进行吊装作业前,应先将手拉葫芦置于无负荷状态,拉动绳索使其运转几次,确保运转正常灵活,无卡滞、异常声音等问题。
3. 吊装时的注意事项在吊装过程中,应确保手拉葫芦的吊钩完全钩住被吊物体,吊钩的锁紧装置应处于良好工作状态。
同时,吊装过程中操作人员要保持清晰的指挥信号,确保吊物稳定,并避免吊物与墙体、设备等发生碰撞。
4. 结束操作后的处理吊装工作完成后,应将手拉葫芦归位,切勿乱放或空挂。
需要存放时,应将其放置在干燥通风的地方,防止长时间暴露在潮湿环境中,影响使用寿命。
手拉葫芦的安全检验及技术操作规程手拉葫芦是一种常用的起重工具,用于搬运重物。
为了保证使用手拉葫芦的安全性,需要进行安全检验和技术操作规程。
一、手拉葫芦的安全检验:1. 定期检查:手拉葫芦的链条、钢丝绳、支架和葫芦本体应定期进行检查,确保无裂纹、断裂和变形等现象。
2. 润滑:手拉葫芦的滑轮、链条和葫芦本体的摩擦部位需保持良好的润滑,以减少摩擦和磨损。
3. 运行检查:在使用手拉葫芦之前,应先进行空载试运行,确保其运行正常,丝滑顺畅。
4. 承载能力检验:手拉葫芦的承载能力应符合工作需求,并且不得超过其额定承载能力。
5. 安全标识:手拉葫芦上应有明显的安全标识,包括额定载荷、制造日期、厂家信息等,以便进行准确判断。
二、手拉葫芦的技术操作规程:1. 操作人员:只有经过专门培训并持有相应的操作证书的人员才能操作手拉葫芦。
2. 工作环境:在使用手拉葫芦时,工作场所应保持平整、无障碍物,并确保足够的空间操作,避免发生意外。
3. 承载物的检查:在使用手拉葫芦搬运物品之前,需要检查承载物的重量和尺寸,以确保手拉葫芦的承载能力。
4. 使用姿势:正确的使用姿势是确保安全的关键。
操作人员应远离悬垂的物体,保持身体姿势平衡,并使用双手操作手拉葫芦。
5. 操作方式:在使用手拉葫芦时,应保持均匀的速度和力度,避免突然用力或者急停,以免发生意外。
6. 防护措施:操作人员在操作过程中应佩戴合适的个人防护设备,如手套、安全鞋等,以减少潜在的伤害风险。
7. 使用过程中的注意事项:操作人员在操作手拉葫芦时,应专注注意力,避免分心或受到外界干扰,确保操作过程的安全。
总结:安全检验和技术操作规程对于手拉葫芦的安全使用非常重要。
只有经过认真的检验,并按照规程操作,才能确保手拉葫芦的安全可靠性。
操作人员需要时刻保持警觉,并严格按照规程操作,以确保自身和他人的安全。
手拉葫芦、专用钢丝绳检查试验制度范本一、目的本制度旨在规范手拉葫芦、专用钢丝绳的检查试验工作,确保其安全运行和使用。
二、适用范围本制度适用于所有手拉葫芦、专用钢丝绳的检查试验工作。
三、检查内容1. 外观检查:a. 检查手拉葫芦、专用钢丝绳表面是否有明显磨损、裂纹或锈蚀等缺陷;b. 检查手拉葫芦、专用钢丝绳的连接件是否牢固;c. 检查手拉葫芦、专用钢丝绳的标识是否清晰可见。
2. 尺寸检查:a. 检查手拉葫芦的载重能力是否符合要求;b. 检查专用钢丝绳的直径是否符合要求。
3. 功能检查:a. 检查手拉葫芦的操作杆和制动器是否灵活可靠;b. 检查专用钢丝绳的穿线是否正常;c. 检查手拉葫芦、专用钢丝绳的提升和下降是否顺畅;d. 检查手拉葫芦、专用钢丝绳的制动是否有效。
四、检查方法1. 外观检查:a. 目测检查手拉葫芦、专用钢丝绳表面;b. 摸触检查手拉葫芦、专用钢丝绳是否有明显缺陷;c. 查看手拉葫芦、专用钢丝绳的标识是否清晰可辨。
2. 尺寸检查:a. 使用合适的测量工具测量手拉葫芦的载重能力;b. 使用千分尺或千分尺球规测量专用钢丝绳的直径。
3. 功能检查:a. 操作手拉葫芦的操作杆,观察制动器的制动效果;b. 用手动将专用钢丝绳穿线,检查穿线操作是否正常;c. 测试手拉葫芦的提升和下降功能,观察是否顺畅;d. 通过试验负荷来测试手拉葫芦、专用钢丝绳的制动效果。
五、检查周期1. 新购买的手拉葫芦、专用钢丝绳应在投入使用前进行一次全面检查试验;2. 日常使用中,手拉葫芦、专用钢丝绳每月需进行一次外观检查;3. 每季度需对手拉葫芦、专用钢丝绳进行一次全面检查试验;4. 特殊情况下,如发现手拉葫芦、专用钢丝绳出现明显缺陷,应立即停止使用,并进行全面检查试验。
六、记录与报告1. 所有检查试验的结果应记录在指定的检查试验报告中;2. 如发现问题或异常情况,应及时向相关部门报告,并采取对应的措施进行修复或更换。
手拉葫芦的安全检验及技术操作规程手拉葫芦是一种用于起重和搬运工作的机械设备,广泛应用于仓库、工地和物流行业等领域。
为保障工作人员的安全,减少操作错误和事故的发生,必须制定安全检验及技术操作规程。
下面将对手拉葫芦的安全检验和技术操作规程进行详细介绍。
一、安全检验1. 定期检查:手拉葫芦应定期进行全面检查,至少每个月进行一次,主要检查以下项目:(1) 外观检查:检查手拉葫芦表面是否有明显损坏、变形、裂纹等情况。
(2) 丝杠检查:检查丝杠螺纹是否磨损严重,如有磨损应及时更换。
(3) 钢丝绳检查:检查钢丝绳是否有断丝、扭曲等情况,如果发现问题应及时更换。
(4) 运行试验:通过运行试验检查手拉葫芦的工作性能是否正常,包括提升、放下和停止等操作。
2. 技术检验:手拉葫芦的技术检验应由专业人员进行,包括以下项目:(1) 载荷试验:通过将手拉葫芦加荷,观察其工作状态是否正常,验证其额定载荷是否合格。
(2) 功能试验:通过模拟不同工作情况,检查手拉葫芦的功能是否正常,包括起升、下降和停止等操作。
(3) 安全装置检查:检查手拉葫芦的安全装置是否完好,如制动器、限位器和过载保护等。
二、技术操作规程1. 使用前检查:在每次使用手拉葫芦前,应进行以下检查:(1) 检查手拉葫芦是否有明显损坏,如有损坏应及时报修或更换。
(2) 检查绳索是否完好,如有断丝或磨损应及时更换。
(3) 检查操作手柄和制动器是否灵活可靠,如有异常应及时处理。
2. 使用方法:正确的使用方法是确保安全的关键,应遵循以下步骤:(1) 放置:将手拉葫芦放置在平坦坚固的地面上,确保其稳定不会滑动。
(2) 固定:使用钢丝绳或其他适当的固定装置固定手拉葫芦的悬挂部分,防止漂移或意外下落。
(3) 操作:用手拉动手柄,让葫芦运行到所需位置,要保持操作力平稳、匀速,并避免过度用力。
(4) 停止:当手拉葫芦达到预期位置时,应立即停止操作,并松开手柄。
3. 注意事项:在操作手拉葫芦时,还需注意以下事项:(1) 不超载使用:严禁超过手拉葫芦的额定载荷进行使用,否则可能会导致设备损坏或事故发生。
手拉葫芦、专用钢丝绳检查试验制度一、背景介绍手拉葫芦和专用钢丝绳是工业生产中常用的起重工具。
为了确保使用过程中的安全性和可靠性,制定一套完善的检查试验制度是非常重要的。
二、目的与范围本检查试验制度的目的是规范手拉葫芦和专用钢丝绳的检查和试验流程,确保其符合特定要求的标准,以保证产品质量和使用安全。
本制度适用于手拉葫芦和专用钢丝绳的生产、使用、检查和试验的全过程。
三、检查试验项目1. 外观检查:检查产品外观是否完整、无明显变形、无损坏等。
2. 标志检查:检查产品上的标志是否清晰、准确,并与产品相对应。
3. 尺寸检查:检查产品的尺寸是否符合设计要求。
4. 材料检查:检查产品所用材料的种类和品质是否符合相关标准。
5. 装配检查:检查产品的装配是否正确、牢固,各零部件之间是否协调。
6. 标称负载试验:针对手拉葫芦进行标称负载试验,检测其承载能力是否符合要求。
7. 耐久性试验:对手拉葫芦和专用钢丝绳进行长时间、高频率的使用试验,检测其耐久性和可靠性。
8. 安全性试验:对手拉葫芦和专用钢丝绳进行负载试验,检测其在最大负载下的安全性能。
9. 防护性试验:对手拉葫芦和专用钢丝绳进行防护性试验,检测其防护设施的有效性和可靠性。
四、检查试验标准1. 手拉葫芦和专用钢丝绳的检查试验标准应符合国家相关标准和行业规范。
2. 如不存在相关标准和规范,应以技术文件中的要求为准。
五、检查试验方法1. 外观检查可采用目视检查法,检查人员应仔细观察产品外观,记录发现的问题。
2. 标志检查可采用对照检查法,将产品上的标志与技术文件中的标志进行对照,确保一致性。
3. 尺寸检查可采用测量仪器进行准确测量,记录测量结果。
4. 材料检查可采用化学分析等方法,确保产品所用材料符合要求。
5. 装配检查可采用试验装配法,模拟实际使用过程进行检查。
6. 标称负载试验可采用试验设备进行较细致的测试,测量产品在不同负载下的性能表现。
7. 耐久性试验可采用长时间的高频率使用,并记录使用过程中的问题和异常。
5吨以上手拉葫芦检测标准手拉葫芦作为一种人力起重工具,在使用过程中需要保证其安全性和可靠性。
因此,制定检测标准来对手拉葫芦进行检测是非常必要的。
下面是手拉葫芦检测标准的相关参考内容。
1.外观检测:a. 检查手拉葫芦的外观是否完好,无明显破损、变形、焊接开裂等,注意检查起重链条、钩环等部位。
b. 检查手拉葫芦表面有无明显腐蚀,涂装是否完好。
c. 检查手拉葫芦的标识是否齐全清晰,包括生产厂家、制造日期、额定起重量等。
2.尺寸和重量检测:a. 检查手拉葫芦的尺寸是否符合标准要求,包括总长、头高、头宽、链轮直径等。
b. 使用量具检测手拉葫芦的关键尺寸,如链环直径、滚筒宽度等。
c. 使用天平检测手拉葫芦的重量,确保其与标称重量相符。
3.动作检测:a. 对手拉葫芦进行空载试验,检查手拉和放下手柄是否灵活,是否有异常声音。
b. 加载试验时,检查手拉葫芦是否能够平稳提升物体,是否有异常抖动或滑动现象。
c. 确保手拉葫芦的制动装置可靠,能够在不拉动手柄的情况下自动停止运动。
4.负载能力检测:a. 使用标准铅块或水桶等物体进行货物负载测试,检查手拉葫芦的额定起重量是否符合标准要求。
b. 在实际工作场景中,模拟手拉葫芦的典型使用情况,检测其工作性能和稳定性。
5.安全装置检测:a. 检查手拉葫芦的安全钩是否完好,是否能够牢固抓住物体,不易松脱。
b. 检查手拉葫芦的链条间隙是否合理,以确保货物不易脱落。
c. 检测手拉葫芦的制动装置,确保能够及时停止货物的下降。
6.量具检测:a. 使用合格的张力计等检测设备,检测手拉葫芦的牵引力和张紧力是否在允许范围内。
b. 使用合格的测力计检测手拉葫芦的起重能力。
7.稳定性检测:a. 在不同工作条件下,检测手拉葫芦的稳定性,如斜坡、不平整地面等。
b. 针对手拉葫芦的倾覆、滑动等情况,进行相关稳定性测试。
通过以上的检测内容,可以确保手拉葫芦在各项指标上符合标准要求,保证其安全可靠地使用。
同时,检测还要遵守相关的国家和行业标准,确保检测的准确性和全面性。
2024年手拉葫芦、专用钢丝绳检查试验制度为确保各类设备的安全运行及人员安全,特制定以下检查及试验标准:一、检查及试验周期:1. 专用钢丝绳需每月进行一次常规检查,每年实施一次全面试验。
2. 手拉葫芦亦应每月进行检查,每半年进行一次全面试验。
二、检查及试验的具体要求与内容:1. 钢丝绳检查:(1) 确保插接扣连接可靠,无任何松动迹象。
(2) 钢丝绳应保持良好润滑,无扭结、灼伤或明显散股现象,无严重磨损、锈蚀,且不得有断股情况。
(3) 钢丝绳的断裂根数需符合相关规程的规定限度。
2. 钢丝绳试验:应使用相当于2倍容许工作荷重的静力进行____分钟的试验,试验过程中不得出现断裂或显著的局部延伸现象。
3. 手拉葫芦检查:(1) 链节应无严重腐蚀,且无打滑现象。
(2) 齿轮必须完整无缺,轮杆无磨损,开口销保持完整。
(3) 撑牙应灵活,能够有效起到煞车作用。
(4) 撑牙平面垫片应具有足够厚度,以确保在加荷重时不会发生滑动。
(5) 吊钩应无裂纹或变形,防脱钩装置必须完好无损。
(6) 确保润滑油充足。
4. 手拉葫芦试验:(1) 对于新安装或经过大修的手拉葫芦,应以1.25倍容许工作荷重进行____分钟的静力试验,随后以1.1倍容许工作荷重进行动力试验,确保制动效果良好且无拉伸现象。
(2) 在一般情况下,应以1.1倍容许工作荷重进行____分钟的静力试验。
三、试验安全措施:1. 在试验前,需将试验现场用安全围栏围好,并设置明显的试验标示牌,非试验人员不得进入。
2. 严格遵守《安全规程》的相关规定,避免在试验过程中采取不当的操作方法。
3. 试验操作应由专人指挥,非专业人员不得担任指挥工作。
4. 使用吊车吊起手拉葫芦时,操作应缓慢且稳定,避免出现冲击拉伸现象。
5. 试验时,每次仅允许挂载一个手拉葫芦,严禁串挂试验。
6. 避免使用人力拉紧手拉葫芦,以免在1.25倍过负荷试验中发生部件突然断裂,造成人员伤害。
7. 试验结束后,应做好详细记录,并按照要求进行检验标记。
2024年手拉葫芦、专用钢丝绳检查试验制度一.检查及试验时间要求:1.专用钢丝绳每月检查一次,一年试验一次。
2.手拉葫芦每月检查一次,半年试验一次。
二.检查及试验要求及内容:1.钢丝绳检查:(1)插接扣可靠,无松动现象。
(2)钢丝绳润滑良好、无扭结、无灼伤或明显的散股,无严重磨损、锈蚀,无断股。
(3)钢丝绳断裂根数在规程规定限度以内。
2.钢丝绳试验:以2倍容许工作荷重进行____分钟的静力试验,不应有断裂及显著的局部延伸现象。
3.手拉葫芦检查:(1)链节无严重腐蚀,无打滑现象。
(2)齿轮完整,轮杆无磨损现象,开口销完整。
(3)撑牙灵活能起煞车作用。
(4)撑牙平面垫片有足够厚度,加荷重不会拉滑。
(5)吊钩无裂纹变形,防脱钩装置完好。
(6)润滑油充分。
4.手拉葫芦试验:(1)新安装的或经过大修的,以1.25倍容许工作荷重进行____分钟的静力试验后,以1.1倍容许工作荷重作动力试验,制动效果应良好,且无拉伸现象。
(2)一般情况下,以1.1倍容许工作荷重进行____分钟的静力试验。
三.试验安全措施1.试验前先将现场用安全围栏围好,有试验标示牌,非试验人员禁止入内。
试验应由专人操作,专人监护。
2.试验严格执行《安规》有关规定,试验过程中避免不正当的操作方法,试验所用拉力表应合格、准确。
3.试验应有专人指挥操作,非专业人员不能指挥。
4.用吊车吊起手拉葫芦时应慢且稳,严禁有冲击拉伸现象。
5.试验时一次只允许挂一个手拉葫芦,禁止串挂试验。
6.避免用人拉紧手拉葫芦,以免在试验1.25倍的过负荷中手拉葫芦部件突然断裂伤人。
7.试验后作好记录并按要求做好检验标记。
8.试验现场应物放有序,试验后应清理场地使其干净整洁。
9.试验时按要求掌握好时间和试验的拉力。
10.注意不能误动现场其它设备设施。
11.吊车司机在配合试验时,必须听从指挥,遇到问题及时停车停电,以免发生事故。
2024年手拉葫芦、专用钢丝绳检查试验制度(二)【导言】手拉葫芦是一种常用于工业、建筑和物流行业的起重工具,其使用与安全检查对于保障作业人员和设备的安全至关重要。
手拉葫芦的安全检验及技术操作规程手拉葫芦是一种常见的起重工具,具有结构简单、使用方便等特点,在工业领域和个人生活中广泛应用。
然而,手拉葫芦作为重要的起重工具,其安全检验和技术操作规程至关重要,对于保障人身安全和设备的正常使用起到至关重要的作用。
安全检验为了保障手拉葫芦的安全使用,进行安全检验是必要的。
手拉葫芦安全检验主要包括以下几个方面:外部检查手拉葫芦的外部检查主要是检查各个零部件的完好性,包括:1.检查钢丝绳和套管的磨损和断丝情况。
2.检查各个螺钉、销轴等零部件的松动情况。
3.检查手柄、钢管等扶手部分是否完好。
如果发现异常情况,及时更换或修理。
内部检查手拉葫芦的内部检查主要是检查其内部机构的磨损状况,包括:1.检查齿轮的磨损程度,确定是否需要更换。
2.检查齿轮轴承、螺钉等零部件是否正常。
3.检查制动器的领边状况,确定制动性能是否正常。
负载测试手拉葫芦的负载测试是为了检验其负载能力是否正常,具体操作如下:1.将负载通过钢丝绳吊在手拉葫芦上。
2.利用手柄拉起负载,并保持一段时间。
3.检查手拉葫芦的制动器是否能够正常停止负载,并通过实际测试验证其承载能力是否符合要求。
技术操作规程手拉葫芦的技术操作规程包括以下几点:使用前准备在使用手拉葫芦之前,应该进行以下准备工作:1.对手拉葫芦进行安全检查,确保设备无异常。
2.根据所需要承载物的重量,选择正确的手拉葫芦型号。
3.检查钢丝绳和套管是否完好,使用过程中注意避免钢丝绳绕结。
操作流程使用手拉葫芦的流程如下:1.将手拉葫芦固定在固定物体上,保证其稳定性。
2.将钩子挂到所需吊物上。
3.拉动手柄,升起所需吊物。
4.若需要停止或降低高度,松开手柄,利用制动器实现停止或降低高度。
注意事项在使用手拉葫芦的过程中,需要注意以下事项:1.在使用中,需要严格限制手拉葫芦所能承受的最大负荷,避免超负荷使用。
2.在使用过程中,不要做出突然的急停等危险操作,避免给设备带来永久性损坏。