天馈线题库
- 格式:doc
- 大小:237.50 KB
- 文档页数:8
2023年一级建造师之一建通信与广电工程实务考试题库单选题(共60题)1、卫星通信网络的结构没有( )结构。
A.链形B.星形C.网格形D.混合形【答案】 A2、天馈线系统安装施工中,风力达到4级禁止()。
A.上塔作业B.高空作业C.搬运设备D.吊装天线【答案】 D3、长期工作的设备,机房温度一般保持在( )之间。
A.18~23℃B.10~35℃C.0~30℃D.18~28℃【答案】 D4、水泥管道整体铺设完成,在( )进行试通。
A.回填前B.回填后C.包封前D.包封后【答案】 B5、从硬件构成来看,通信网由终端节点、交换节点、业务节点和()构成。
A.传输节点B.传输系统C.传输媒介D.传输设备【答案】 B6、电视演播室是利用光和声进行空间艺术创作的场所,大型演播室一般是在( )。
A.400m2以上B.500m2以上C.600m2以上D.800m2以上【答案】 A7、建筑群综合布线交接间的面积不应小于( ),如覆盖的信息插座超过200个时,应适当增加面积。
A.5m2B.10m2C.15m2D.20m2【答案】 A8、为防止雨水进入机房,馈线进入机房前应设()。
A.接地排B.防水弯C.固定卡D.密封槽【答案】 B9、交换机系统由进行通话的话路系统和连接话路的()构成。
A.管理系统B.监测系统C.计费系统D.控制系统【答案】 D10、功率因数、效率和噪声是()的指标。
A.交流配电设备B.直流配电设备C.直流变换设备D.开关整流设备【答案】 D11、在无线通信局(站)的电磁辐射预测计算时,通信设备的发射功率按网络设计( )考虑。
A.最小值B.稳定运行值C.最大值D.瞬间峰值【答案】 C12、当事人提出听证要求后,法制工作机构或者承担法制工作的机构应当在举行听证( )日前,送达《行政处罚听证会通知书》。
A.3B.5C.7D.9【答案】 C13、在用户接入网中,( )与传输媒质有关,它支持一个或多个通道层,为通道层节点之间提供合适的通道容量。
无线专业题库一、单选题1、安装天线时应(A)操作,保证天线的清洁干净。
A、戴干净手套B、直接用手拿C、随便戴一副手套D、戴防静电手套2、室馈线尽量避免与(A)一起布放走线,确保无强电、强磁的干扰。
A、强电高压管道和消防管道B、弱电管道C、独立走线管道D、高压线管道3、对每个设备和每根电缆的两端都要帖上标签,根据设计文件的标识注明设备的名称、编号和电缆的走向,其中天线的设备标签的编号格式如下:(C)A、PS n-mB、T n-mC、ANT n-mD、AT n-m4、某站安装时,同站小区间有部分天馈线交叉接错,可能会出现下面哪些情况(B)A. RTX解开后立即出现VSWR告警B. 载波可以解开,基站没有故障,业务统计时才发现问题C. 交叉接错的天馈线相应的载波的RTX无法解开D. 全部载波的RTX都无法解开5、基站机房接地引入线应为热镀锌扁钢或多股铜线。
(B)A.35mm*3mm,90mm²B. 40mm*4mm,95mm²C. 30mm*3 mm,85mm²D. 45mm*4 mm,90mm ²6、基站机房所有的线都要有标签,除哪些外其余的要注明该连线的起始点和终止点。
(C)A. PCM线B. 告警线C. 地线D. 电源线7、微蜂窝主机安装位置保证在主机的上、下、左、右方()米的围,前方()米的围没有其他设备阻挡,以便于调测、维护和散热需要。
BA. 0.8、0.8B. 0.5、1C. 1、1D. 0.5、0.58、以下关于天馈线安装的描述,哪项是错误的?(C)A. 为了防止天线进水,在正向安装全向杆状天线时,天线底部的排水(气)孔应打开,天线顶部的排水(气)孔应密封。
B. 定向天线不能倒立安装。
C. 在反向(倒立)安装全向杆状天线时,天线底部和顶部的排水(气)孔都应打开。
D. 为了防止馈线进水,在拧接好的跳线与天线的连接处、跳线与馈线的连接处应先用防水自黏胶带密封,再用绝缘胶带包扎、密封好。
基站天馈线培训试题单位:姓名:分数:一:填空题。
1、天线的作用是将传输线中的高频电频能转成为自由空间的( ),或反之将自由空间中的电磁波转化为传输线中的高频电磁能。
2、导线载有()时,就可以形成()的辐射,辐射的能力与导线的()和()有关.3、两臂长度相等的振子叫做()。
全长与波长相等的振子,称为()振子。
将振子折合起来的,称为()振子。
4、无线电波是一种能量传输形式,在传播过程中,()和()在空间是相互垂直的,同时这两者又都垂直于传播方向。
5、无线电波在空间传播时,其电场方向是按一定的规律而变化的,这种现象称为()。
无线电波的电场方向称为电波的()。
如果电波的电场方向垂直于地面,我们就称它为()波。
如果电波的电场方向与地面平行,则称它为()波。
6、天线和馈线的连接端,即馈电点两端感应的信号电压与()之比,称为天线的输入阻抗。
输入阻抗有()分量和()分量。
7、接地装置(7/8〞馈线接地件)主要是用来()和(),安装时与主馈线的()直接连接在一起。
一般每根馈线装三套,分别装在馈线的上、中、下部位,接地点方向必须()电流方向。
8、()主要用来防雷和泄流,装在主馈线与室内超柔跳线之间,其接地线穿过过线窗引出室外,与()相连或直接接入()。
9、铁塔顶平台安装全向天线时,天线水平间距必须大于()。
全向天线安装于铁塔塔身平台上时,天线与塔身的水平距离应大于()。
10、同一小区两单极化天线在辐射方向上间距应大于()。
最小不小于()。
相邻小区间两天线间距应大于()m。
11、天线安装在楼顶围墙上时,天线底部距离围墙最高部分应大于()cm。
12、馈线的裁放,按照节约的原则,先量后裁。
馈线的允许余量为()%。
13、布防馈线时,馈线必须(),馈线中间严禁弯曲、()、()。
未连接的馈线接口,安装时必须戴防护盖(帽)或用()。
14、馈线必须用馈线安装卡固定,()方向馈线安装卡间距≤1.5m,水平方向馈线安装卡间距≤()m。
一、填空题1、890、960、890、915、935、9602、天线、室外跳线、馈线、室内跳线3、 1.5、2.2、1.84、40、20、30、305、4、26、2、0.57、 1.5、208、90、1309、4510、ACU、PMU11、机械下倾、电(气)下倾12、空间分集、极化分集13、0.89、0.043、0.88、0.07714、滴水湾15、地线排16、室外走线梯17、天线支撑件二、选择题1、A、B、C2、A、B、C3、A、D4、A、D5、B、C、D6、B7、D8、D9、A、B、C、D10、A三、翻译题1、当接收采用分集的时候,无线信号被一个双极化天线里两个分离的天线排列或者两个空间分集的天线所接收。
从天线的输出的信号由于衰落通常是变化非常大的,但因为它们有不同的极化和在空间上是分离的,所以这种变化不是完全相关的。
2、当用到空间分集时,天线之间必须被放置在某一最小的距离为了得到预期的分集增益。
分集增益随着距离而增加,但由超过推荐的值而获得的额外的增益是少量的,而且由于实际的原因距离通常是受到限制的。
接收天线通常安装在相同的地面高度上(水平分离)。
垂直分离仍然可以用上,但通常需要一个更大的分离距离来达到相同的分集效果。
有时水平和垂直分离是结合在一起的。
四.简答题1. 一、设置一个频率范围二、校正1、按START CAL多功能键以开始校正2、按提示内容分别连接OPEN、CLOSE、LOAD三种负载以提供仪表进行校正,三、输入电缆参数四、测试的建立2操作步聚:一、设置一个频率范围2、出现主界面后按FREQ多功能键3、按F1多功能键4、输入一个频率下限,后ENTER5、按F2多功能键6、输入一个频率上限,后ENTER7、检查界面上的频率上下限是否正确8、按MAIN键回到主菜单二、校正9、按START CAL多功能键以开始校正10-12、按提示内容分别连接OPEN、CLOSE、LOAD三种负载以提供仪表进行校正,13、拆去负载三、输入电缆参数14、按DIST多功能键15、按MORE多功能键16、按LOSS多功能键17、按电缆标准(见附表)输入损耗值18、按PROP V多功能键19、按电缆标准(见附表)输入传输系数20、按MAIN多功能键回到主界面四、测试的建立。
基站建设考试题库一、填空题.1.馈线和室外跳线的接头要接触良好并作防水处理,在馈线从馈线口进入机房之前,要求有一个滴水弯,以防止雨水沿着馈线渗进机房。
2.基站主机设备接地应采用截面积不小于 16 平方毫米的接地线接地,馈线的接地应顺着馈线向下(下行)的方向接地。
要求接地电阻小于 5 欧姆。
度,曲率半径大于 130;圆头尾纤接头类型为、??????? 6.4?dB??? 1.6 ??dB??? 6??dB。
常用的光器件有哪些:????光衰减器、光耦合器、光法兰头、波分复用器、激光器14.驻波比/回波损耗,按验收规范要求:天馈线的驻波比要小于???1.5 ??,该驻波比对应于回波损耗是????14 ???dB。
15.定向天线方位角误差不大于±5 o ,定向天线俯仰角误差应不大于±0.5o16.定向天线安装完成后,必须保证天线在主瓣辐射面方向上,前方范围 10m 距离内无任何障碍物17.天线下部的端口与馈线连接后需做防水处理。
须按 3层胶布+3层胶泥+3层胶布+两端扎带方式进行密封,并在胶带两端用扎带扎紧。
18.根据系统隔离要求,异系统共站的天线垂直隔离度为 1 米以上。
相邻的两个扇区之间两天线的水平间距应大于 1m 。
19.抱杆和构件材质须符合设计要求,抱杆须采用热镀锌无缝钢管,壁厚不小于 4mm 。
20.金属抱杆须竖直安装,垂直误差应小于±2 o 两个锚固点间的距离应不小于800mm ,锚固点宜使用穿墙螺栓。
下端的锚固点距屋面大于 250mm 以免破坏屋面防水。
不小于 400mm。
室外走线架横档之间的最大距离是 800mm 。
30.室外走线架地支安装方式时,地支高度在150mm-250mm ,每隔2m 制作一处。
31.馈线长度小于 5 米时,采用1点接地;馈线长度大于 5m小于20m 时,采用2点接地;其余均不少于3点接地。
32.天线必须牢固地安装在其支撑杆上,其高度位置符合设计方案的规定。
维护业务部代维资格证考前测试(004)(120分钟)1、当天线之间的隔离度达不到要求时对基站有什么影响?当天线之间的隔离度达不到要求时,使一部发信机发射的信号侵入另一部发信机,并在该发信机的输出级与输出信号发生互调,产生新的组合频率信号随同有用信号一起发射出去,从而构成对接收机的干扰。
2、天馈线系统的故障主要发生在什么地方,如果安装不规范会有什么影响?天馈线系统的故障主要发生在天线,电缆和接头上。
如在安装时不合规范造成天线的排水不畅,在下雨的天气时导致天线内的积水,对接头的处理不好,在潮湿或下雨的天气下造成接头的进水,若不能及时发现并进行处理,则会进一步损坏馈线。
3、日常测试中发现天馈线系统常见的问题是?在日常测试中发现天馈线系统常见的问题是因安装不合规范造成天线进水,接头松动或进水和跳进的损坏等。
4、判断天馈线的安装质量和运行情况的好坏主要因素是?判断天馈线的安装质量和运行情况的好坏主要是通过测量其驻波比或回损的值和隔离度。
5、驻波比的计算公式:前向功率(W ):Pf 或Pf(dBw)=10 log Pf反向功率(W ):Pr 或Pr(dBw)=10 log Pr回损:ar=10 logPf/Pr(dBw)-Pr(dBw)反射系数:驻波比:VSWR=(1+rho)/(1-rho)回损与驻波比之间的转换公式为: 回损=-20 log(VSWR-1)/(VSWR+1)6、可对天馈线进行测量的仪表有:频谱仪、TDR 和Sitemaster7、Sitemaster 有什么作用及特点?Sitemaster 采用频域反射技术,可测量天馈线的驻波比、馈线的回损、缆线的插入损耗及进行故障定位,并可与计算机相连,通过在windows 环境下运行的软件可对其数据进行管理和分析,加上可迁的功率计配件后还可以测量基站的发射功率。
pfpr rho8、在使用sitemaster测试时应注意的问题A、在测试天馈线驻波比和回损及馈线长度时,都要正确输入馈线的电缆参数,否则测得的值会有误差。
铁路通信工技能考试:无线列调通信工题库考点1、单选在接收机中采用二次变频,第一中频选得较高,有利于抗()。
A.镜频干扰B.同频干扰C.领道干扰D.互调干扰正确答案:A2、单选发射机天线的作用是定向(江南博哥)或不定向的向外O能量。
Λ,调频B.辐射C.调相D.调制正确答案:B3、填空题移动台由发信机、收信机、()所组成。
正确答案:天线4、填空题兆欧表上由三个接线柱1.、E和G,一般测量时只用()和()两个接线柱。
正确答案:1.:E5、填空题无线电台天线相当于一个O,可以将电磁波能量和高频电流能量进行可逆变换。
正确答案:能量变换器6、单选音乐信号频率若为FmaX=I5KHZ,若采用调幅制,则带宽B=O.A.30KHZB.75KHZC.180KHZD.15KHZ正确答案:A7、问答题简述漏泄同轴电缆的工作原理?正确答案:对称电缆和同轴电缆的区别是:对称电缆的导线平衡式的,两根导线线径一致;同轴电缆是不平衡式的,分内外导体,内导体是一根铜线,外导体是围绕铜线的铜管。
漏泄电缆是在外导体上开槽的同轴电缆,电缆通过开槽孔辐射和接收无线信号,因此,可以把漏泄电缆看做是一根天线。
机车台天线和漏泄电缆之间进行无线电信号的传递。
8、填空题旅近铁路线施工时,应设专人防护,听从指挥,注意防护人员所发信号,及时躲让列车;躲让列车时,应距线路O以上距离。
正确答案:5m9、单选无线列调电台天线馈线衰耗系数不大于OcA.1OdBZmB.5dB∕mC.IdB/mDO.18dB∕m正确答案:D10、问答题分别说明如何判别电阻和二极管的好坏?正确答案:电阻的表面一般都标有阻值、额定功率及元件允许范围等,也有用色标来表示这些数据的。
判别电阻的好坏可以用万用表测量其阻值,若阻值在误差范围以内就可以说明是好的。
外观判别可以观察其表面深层是否变色,有无损伤,以及通电的发热量。
判别二极管的好坏,可观察其正向和反向的阻值差别,相差大的可以说是好的。
铁塔及天馈系统题库一、填空1、定向天线内部主要由反射板和阵子组成,一般情况下,阵子越多天线增益越大。
2、天线的实际俯仰角是其电倾角度与机械倾角之和。
3、所有天线均必须在避雷针45度防雷保护区内。
4、抱杆顶端应高出天线至少10厘米。
5、一般由60米馈线组成的天馈系统,需最少做三处接地。
6、接地线要求竖直向下,不允许多个线头接在同一个接地端上。
7、作业高度H为30以上时,地面安全半径R为 5米。
H为50米时,R为8米,如感觉有风,在铁塔底基外半径 10米范围内不允许任何人员活动。
地面人员必须佩戴安全帽。
8、天线正前方不能有物体阻挡。
阻挡物体判断标准:在视距范围内,以天线的正中轴线为基准,凡阻挡面积超过实际辐射面积1/2的,即可视为阻挡。
9、在空间分集方式下同小区天线的方位角要求一致 ,差异小于5度;在空间分集方式下同小区天线的俯仰角要求一致 ,差异小于1度。
10、抱杆与悬臂应用焊接或螺栓固定连接,抱杆与塔架的固定点要求至少有两处。
对于楼顶站而言,抱杆支撑体应用螺栓 , 膨胀钉等坚固可靠的金属紧固件固定在墙体或屋顶楼板。
在使用的紧固组件中,不应包含木料、塑料、编织绳等非耐用材料附件。
11、楼顶桅杆顶端必须要安装避雷针,避雷针长度要大于 40 厘米。
12、铁塔高度超过60米或处于航线上应按规定安装警航灯。
13、室外跳线要固定在桅杆或悬臂上,防止风摆。
14、室外系统对地电阻应小于 5欧姆。
15、拉线塔不管是楼顶拉线还是地面拉线塔,其拉线与铁塔的夹角必须控制在25—30°。
16、接地线要求竖直向下,不允许多个线头接在同一个接地端上。
17、避雷针接地要通过_95_mm²的扁铁和大地相连。
18、天线抱杆垂直度偏差要求不大于_1度_。
19、天线背面标签所显示的15DBD、15DBI是表示天线_增益_指标。
20、__安装避雷针____的目的是防止空中雷电对基站系统的破坏。
21、铁塔接地电阻测试应使用地阻仪进行测试。
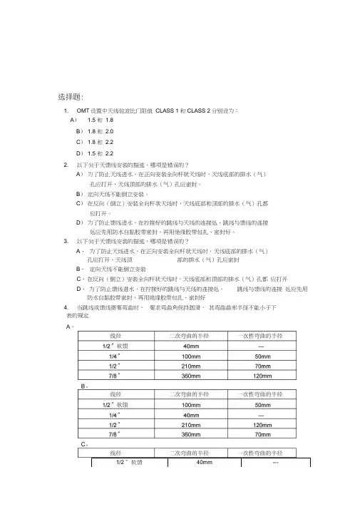
选择题:1. OMT设置中天线驻波比门限值CLASS 1和CLASS 2分别设为:A) 1.5 和1.8B) 1.8 和2.0C) 1.8 和2.2D) 1.5 和2.22. 以下关于天馈线安装的描述,哪项是错误的?A)为了防止天线进水,在正向安装全向杆状天线时,天线底部的排水(气)孔应打开,天线顶部的排水(气)孔应密封。
B)定向天线不能倒立安装。
C)在反向(倒立)安装全向杆状天线时,天线底部和顶部的排水(气)孔都应打开。
D)为了防止馈线进水,在拧接好的跳线与天线的连接处、跳线与馈线的连接处应先用防水自黏胶带密封,再用绝缘胶带包扎、密封好。
3. 以下关于天馈线安装的描述,哪项是错误的?A、为了防止天线进水,在正向安装全向杆状天线时,天线底部的排水(气)孔应打开,天线顶部的排水(气)孔应密封B、定向天线不能倒立安装C、在反向(倒立)安装全向杆状天线时,天线底部和顶部的排水(气)孔都应打开D、为了防止馈线进水,在拧接好的跳线与天线的连接处、跳线与馈线的连接处应先用防水自黏胶带密封,再用绝缘胶带包扎、密封好4. 当跳线或馈线需要弯曲时,要求弯曲角保持圆滑,其弯曲曲率半径不能小于下表的规定A、D5. 下面关于天线安装哪项是错误的A)对于全向天线要求天线与铁塔塔身之间距离不小于0.5米,对于定向天线要求不小于2米B)塔顶放大器与天线之间的跳线长度要求不超过1米,最好安装在天线的支撑杆上,而且塔顶放大器带有接头的面要向下地安装,塔顶放大器与跳线的接头要作防水处理C)要求楼面负荷满足要求,铁塔、铁杆、天线横担结实牢固,铁杆要垂直,横担要水平,所有的铁件材料都应作防氧化处理D)对于全向型天线,要求垂直安装;对于方向型天线,其指向和俯仰角要符合设计文件的规定6. 室外馈线夹是用于固定馈线于走线梯上,使馈线走线整齐美观对于不同线径的馈线,馈线夹的固定间距应是:A、B、C、D、7. ____ ,要求有馈线和室外跳线的接头要接触良好并作防水处理,在馈线从个“___ ”,以防止雨水沿着馈线渗进机房。
天馈维护考试试题姓名:身份证号:维护县区:一、选择题(每题2分,共20分)1.下面描述不正确的是(_____)。
( D )A、进行高空作业时需带安全帽、安全带等个人防护用品。
B、凡在距地面2米以上的地点进行工作,都视为高空作业。
C、攀登铁塔过程中应做到一人作业,一人监护。
D、安全带在每次使用时可以直接配带,不需做其他处理。
2.馈线长度在60m以上需(_____)接地。
( D )A、一点B、两点C、三点D、四点3.楼顶采用桅杆安装天线时,每根桅杆应分别()接至楼顶避雷带。
(A)A、就近B、根据现场施工方便C、就远D、在规定范围内4.当跳线和馈线需要弯曲时,要求弯曲角保持圆滑,其弯曲曲率半径要符合要求,下面的描述中哪些是正确的()(AC)A、1/2英寸线,一次弯曲的半径不小于70毫米,二次弯曲的半径不小于210毫米。
B、1/2英寸线,一次弯曲的半径不小于80毫米,二次弯曲的半径不小于210毫米。
C、7/8英寸线,一次弯曲的半径不小于120毫米,二次弯曲的半径不小于360毫米。
D、7/8英寸线,一次弯曲的半径不小于130毫米,二次弯曲的半径不小于360毫米5.天线保护角是指避雷针顶和的夹角。
( A )A、避雷针顶部至天线顶部和避雷针的夹角B、避雷针顶部至天线底部和避雷针的夹角C、避雷针顶部和天线的夹角。
6.方位角的定义()为零度,顺时针方向为正,不取负值,用指南针测量。
(D)A、正东B、正南C、正西D、正北7.下面有关馈线接地的描述中,哪些是正确的()(ABCD)A、室外馈线的接地线要求顺着馈线下行的方向,不允许向上走线,不允许出现“回流”现象。
B、走线梯上母地线的每个接地点只能接一根馈线,不能两根或多根馈线同接在母地线的同一点上。
C、所有接地连接件要求有两点压接。
D、要求利用所提供的室内接地件将馈线接头与母地线相连,连接点牢固,接触良好,并做绝缘处理。
8.在啊种情况下Site Master需要进行校准()(BCD)A、每次使用之前B、第一次使用时C、当环境和温度改变时D、当测量频率范围改变时9.天线应处于避雷针()度保护角内。
练习与思考一、单选题1.电磁波的极化方向就是()方向A.电场方向B.磁场方向C.传播方向D.以上都不是答案:A2.避雷针要有足够的高度,能保护铁塔或杆上的所有天线,所有室外设施都应在避雷针的()度保护角之内。
.45 C答案:B3.对于90度的方向性天线,它的含义是()A.天线覆盖范围是90度B.天线半功率角是90度C.天线安装方向为90度D.以上都不正确答案:B4.下列关于天线的描述不正确的是()A.天线是由一系列半波振子组成的B.天线是能量转换装置C.天线是双向器件D.天线增益越高,主瓣越小,旁瓣越大答案:D5.你对天线的增益(dBd)是如何认识的()A.这是一个绝对增益值B.天线是无源器件,不可能有增益,所以此值没有实际意义C.这是一个与集中幅射有关的相对值D.全向天线没有增益,而定向天线才有增益答案:C6.在使用SiteMaster之前,必须对之()校准。
A.负载B.开路C.短路D.以上三种都要答案:D7.下列关于天线的描述不正确的是()A.天线把电信号转换成电磁波B.天线把电磁波转换为电信号C.天线是双向器件D.天线发射端的信号功率比天线输入端的信号功率大答案:D8.请问下列关于天线的描述哪些是正确的: ()A.天线的机械下倾角度过大会导致天线方向图严重变形(即主瓣前方产生凹坑)B.电子下倾通过改变天线振子的相位使得波束的发射方向发生改变,各个波瓣的功率下降幅度是相同的C.当天线下倾角增大到一定数值时,天线前后辐射比变小,此时主波束对应覆盖区域逐渐凹陷下去,同时旁瓣增益增加,造成其它方向上同频小区干扰D.当天线以垂直方向安装时,它的发射方向是水平的,由于要考虑到控制覆盖范围和同频干扰,小区制的蜂窝网络的天线一般有一个下倾角度。
答案:A9.100米1/2软跳线的损耗是()dB。
B.7.7C.33答案:B10.以下所测天馈线系统的回波损耗()是合格的。
dB dB D. dB答案:A11.以下关于电波传播的描述,不正确的是()A.电磁波波长越长,传播速度越快。
基站主设备与天馈线试题基站主设备与天馈线一、单选题1. 在RBS2202中,下列哪种总线用于基带跳频A.X-BUSB.LOCAL BUSC.CDU BUSD.TX-BUS2. 有一配置为4,4,4的RBS2202基站,采用LAPD CONCENTRA TION,当使用DXX和使用MULTIDROP时,三小区DXU的TEI值应如何设置。
DA.使用DXX和MULTIDROP时均设为62,61,60。
B.使用DXX和MULTIDROP时均设为62,62,62。
C.使用DXX时设为62,61,60,使用MULTIDROP时设为62,62,62。
D.使用DXX时设为62,62,62,使用MULTIDROP时设为62,61,60。
3. 避雷针要有足够的高度,能保护铁塔或杆上的所有天线,所有室外设施都应在避雷针的度保护角之内。
A.30B.45C.60D.904. TRU的应用软件是由直接加载的。
A.SA TTB.BSCC.DXUD.OMT5. RBS2000基站VSWR由单元进行计算A.TRUB.RTXC.ACUD.TRU6. RBS200基站中用于计算VSWR告警的PF和PR两路信号由单元收集。
A.ACUB.TXD/doc/504416205.html,BD.MCU7. 使用CDU_D的RBS2000基站可以何种方式跳频。
A.可以使用基带跳频,也可以采用合成跳频B.只能使用合成跳频C.只能使用基带跳频D.不能使用跳频8. 以下哪个单元组合都包含有与设备控制相关CPUA.DXU、ECU、CDUB.PSU、ECU、TRUC.IDM、BFU、DXUD.ECU、DXU、TRU9. What is the most common value of the hysteresis used when estimating margins for log-normal fading? (1分)A.3dBB.5dBC.6dBD.8dB10. 对一个有6个TRU的小区,若分别用CDU-C和CDU-D,则应分别使用多少根天线?A.都要用两根TX/RX和一根TX天线。
1、天馈安装要求1.1 天线安装要求1.1.1 基站天线天线安装加固必须稳定、牢固、可靠。
全向天线安装时应保证天线垂直,允许偏差±0.5°。
定向天线的方位角和下倾角应符合工程设计要求,方位角允许偏差为±0.5°,下倾角允许偏差为±1°。
天线的主瓣辐射面方向附近应无任何金属物件或障碍物阻挡。
天线安装于楼顶时,应考虑楼面及女儿墙对天线的阻挡以选择合适的抱杆高度。
天线固定底座上平面应与天线抱杆的顶端平行,允许误差±5cm。
天线抱杆应高出天线顶部至少200mm。
采用女儿墙抱箍安装时,天线底部必须高出女儿墙最高部分至少500mm。
同一扇区两根单极化天线的方位角和下倾角相同,在水平方向上间距应不小于3.5m,相邻的两个扇区之间两定向天线的水平间距应不小于0.5m。
微波天线与CDMA 定向天线同平台安装时,CDMA 天线与微波天线互不影响。
天线应处于避雷针下45°角的保护范围内,天馈系统的防雷接地设计应执行YD 5098-2005《通信局(站)防雷与接地工程设计规范》的有关规定。
天线与跳线的接头应作防水处理。
天馈线系统的电压驻波比应≤1.50。
工程设计中,应充分考虑与其他各电信业务经营者相同或相近频段无线网络的杂散、阻塞、互调干扰协调,除考虑必要的保护频带外,还可合理利用地形地物、空间隔离、天线方向去耦或加装滤波器满足系统间的隔离度要求。
不同电信业务经营者无线网络之间的系统于扰处理办法应按原信息产业部的相关规定执行。
在繁华街道、居民小区、旅游景点等区域,根据当地政府相关市政建设规定或满足业主要求,天线及馈线的设置宜与安装应与周围环境协调。
1.1.2 GPS 天线GPS 天线的安装位置处天空视野应较为开阔,周围没有高大建筑物阻挡,距离屋顶小型附属建筑物应尽量远,离开周围金属物体的距离≥1.5m。
GPS 天线安装平台的可使用面积越大越好,必须保证周围遮挡物对其的遮挡≤30°,GPS 天线竖直向上的视角应≥120°。
天馈线题库一、填空:1.机房一般具有以下几种地:设备地线、馈线地线、电源保护地。
2.GSM900的频段范围是 890 MHz至 960 MHz,其中上行的频段范围是890 MHz至 915 MHz,下行的频段范围是 935 MHz至 960 MHz。
3.GSM1800的频段范围是1710MHz至1880MHz,其中上行的频段范围是1710MHz至1785MHz,下行的频段范围是1805MHz至1880MHz。
4.基站采用跳频方式是为了减少瑞利衰落。
5.目前采用的跳频方式有基带跳频与混合跳频两种,使用FCOMB时必须采用基带跳频方式,它的特点是发信机的频率不变,而收信机频率按跳频序列变化。
6.频率合成器分为混合(HYRIRD)型功率合成器和滤波(FILTER)型功率合成器。
7.馈线由室内馈线、室外馈线、室内跳线和室外跳线组成。
8.在RBS200基站中,无线接收机(RRX)的功能包括接收和解调。
9.在RBS200基站中,接收分路放大器(RXDA)和接收分路器(RXD)将来自接收天线的信号放大并分配到无线接收机(RRX)。
10.RBS200基站的驻波比告警门限值为1.5,RBS2000基站的驻波比告警门限值VSWR CLASS1为2.2,VSWR CLASS2为1.8。
11.在发射端,天线是把高频电流形式的能量转变成同频率的无线电波能量发射出去。
12.RBS200基站发射天线之间的隔离度应大于40dB,发射与接收天线之间的隔离度应大于20;RBS2000基站发射天线之间的隔离度应大于30dB,发射与接收天线之间的隔离度应大于30dB。
13.对于采用空间分集接收方式的天线,其分集接收的距离必须符合要求,对于GSM900两接收天线之间的最小距离为4米,对于GSM1800两接收天线之间的最小距离为2米。
14.对于全向天线,要求天线与铁塔塔身之间的距离不小于2米,对于定向天线,要求天线与铁塔塔身之间的距离不小于0.5米。
天馈线培训测试题姓名:分公司:得分:一、填空题:1、同轴电缆的电磁场模型是建立在模式基础上的,根据电磁场理论,该模式所有的能量都沿电缆传输。
2、表述电缆传输特性的参数主要有,。
3、同轴电缆的传输回路由,,三部分组成。
4、天馈系统中主馈线的总传输衰减不能超过dB,与此衰减相对应的效率为% 。
5、天线的有哪两个作用,。
6、天线的功能是由单元实现的,这些单元它的数量多少会影响天线的进而改变天线的增益。
7、移动通信中规定的天线频带宽度是指时的频带宽度。
8、目前移动通信中常见的天线极化方式有,,有,,等几种。
9、在天线的安装过程中要求同一平台上全向天线和其它天线的距离不小于米,定向天线安装的方位角要求水平误差不超过俯仰误差不超过。
二、选择题:1、拟建一新的三扇区CDMA基站,挂高30米,下列哪组选配是正确的()A.7/8馈线120米、接地卡3套、软跳4根、三联馈线卡120套B.7/8馈线180米、接地卡18套、软跳6根、三联馈线卡60套C.7/8馈线180米、接地卡3套、软跳6根、双联馈线卡90套D.7/8馈线120米、接地卡12套、软跳4根、双联馈线卡60套2.下列哪些说法是完全正确的。
()A.在楼顶定向站的馈线分切时,三扇区的馈线总长是300米,则每根切好的馈线长度应为50米。
B.在接地卡的安装操作中,应尽可能地保持接地卡的线端子朝下指向地面。
C.所有型号的馈线都可以采用三联馈线卡来固定基站馈线。
D.当频率大于5MH时,特征阻抗只与馈线的长度、结构尺寸、材料有关。
三、请结合你的工作实际,阐述一下基站馈线及附属设备日常维护的要点。
四、在定向天线安装时,它的水平方位角及俯仰角如何调,使用的器械有那些?五、天线是否能正常工作我们通常如何判断?六、从外观上如何区分单极化和双极化天线,它们各自适用于什么环境?七、Site Master仪表在使用前,必须做什么工作,每次使用时的第一步是什么?八、请简列一个新建两扇区铁塔GSM基站,挂高50米,爱立信的主设备的情况,选配馈线、跳线、接头、馈线卡、接地卡等设备的型号规格及数量。
通信设备安装工考试题库三1、单选当馈线长度小于30米时,需要至少做几道防雷接地线?()A.1B.2C.3D.4正确答案:B2、判断题接地汇集线和馈线接地排在地网上的引接点,应根据实际(江南博哥)情况,如情况特殊可在同一点连接。
正确答案:错3、多选天线支架调整范围定向天线水平()度;俯仰:不小于()度。
A.360B.120C.240D.6E.5正确答案:A, E4、多选蓄电池内阻与蓄电池其它参数的关系。
()A.电池内阻和电导成反比;B.内阻大小变化可以判断电池容量大小;C.内阻大小变化不能判断电池容量大小;D.电池内阻与电池容量没有直接必然关系。
正确答案:A, D5、判断题SPD在故障或失效时,应有与电源系统永久断开的分离装置,且动作灵活可靠。
正确答案:对6、判断题禁止在馈线拐弯的弧度上做接地。
正确答案:对7、单选工程初验由()组织。
A.监理单位B.施工单位C.建设单位D.设备供应商正确答案:C8、单选光缆加强芯应按规定()。
A.接地B.焊接C.绑扎D.熔接正确答案:A9、多选所有机架应对地加固,膨胀螺丝规格可以用().厂家有要求的应严格用厂家的配套螺丝.A.M6B.M8C.M10D.M4正确答案:B, C10、单选绑扎线缆松紧适度,线扣扎好后应将多余部分(),不留尖刺,线扣朝向一致,间距均匀。
A.齐根剪掉B.保留C.向下D.向上正确答案:A11、判断题移动通信基站天线应在接闪器(包括避雷针、避雷带等)的保护范围之内。
正确答案:对12、单选根据《SDH长途光缆传输系统设计规范》,我国国内标准最长HRP为()A.6600kmB.6000kmC.9900kmD.6900km正确答案:D13、多选公共接地网是通信站内实施接地连接的重要方式,它是一组被特意互连的金属物体,该物体包括:接到地网的建筑物钢结构、()和PE线以及连接导体。
A.建筑钢筋B.金属管道C.交流电力线槽道D.金属支架正确答案:A, B, C, D14、单选?以下哪种安装方式是正确的?()A、上面的一张图B、下面的一张图C、没有正确的正确答案:A15、单选不属于铁架的是()。
天馈线题库一、填空:1.机房一般具有以下几种地:设备地线、馈线地线、电源保护地。
2.GSM900的频段范围是 890 MHz至 960 MHz,其中上行的频段范围是890 MHz至 915 MHz,下行的频段范围是 935 MHz至 960 MHz。
3.GSM1800的频段范围是1710MHz至1880MHz,其中上行的频段范围是1710MHz至1785MHz,下行的频段范围是1805MHz至1880MHz。
4.基站采用跳频方式是为了减少瑞利衰落。
5.目前采用的跳频方式有基带跳频与混合跳频两种,使用FCOMB时必须采用基带跳频方式,它的特点是发信机的频率不变,而收信机频率按跳频序列变化。
6.频率合成器分为混合(HYRIRD)型功率合成器和滤波(FILTER)型功率合成器。
7.馈线由室内馈线、室外馈线、室内跳线和室外跳线组成。
8.在RBS200基站中,无线接收机(RRX)的功能包括接收和解调。
9.在RBS200基站中,接收分路放大器(RXDA)和接收分路器(RXD)将来自接收天线的信号放大并分配到无线接收机(RRX)。
10.RBS200基站的驻波比告警门限值为1.5,RBS2000基站的驻波比告警门限值VSWR CLASS1为2.2,VSWRCLASS2为1.8。
11.在发射端,天线是把高频电流形式的能量转变成同频率的无线电波能量发射出去。
12.RBS200基站发射天线之间的隔离度应大于40dB,发射与接收天线之间的隔离度应大于20;RBS2000基站发射天线之间的隔离度应大于30dB,发射与接收天线之间的隔离度应大于30dB。
13.对于采用空间分集接收方式的天线,其分集接收的距离必须符合要求,对于GSM900两接收天线之间的最小距离为4米,对于GSM1800两接收天线之间的最小距离为2米。
14.对于全向天线,要求天线与铁塔塔身之间的距离不小于2米,对于定向天线,要求天线与铁塔塔身之间的距离不小于0.5米。
15.当天线安装在铁塔上时,要求在馈线下铁塔拐弯前1.5米处接地,如果由此接地点到馈线入机房的长度大于20米时,在馈线进机房前再接一次地。
16.为了减少馈线的接地线的电感,要求接地线的弯曲角度大于90度,曲率半径大于130毫米。
17.避雷针要有足够的高度,能保护铁塔上或杆上所有天线。
即所有室外设施都在避雷针的45度保护角之内。
18.RBS200基站在ACU模块上对驻波比进行监视,RBS883基站在PMU模块上对驻波比进行监视。
19.目前天线下倾角的调整方式有机械下倾和电气下倾两种方式。
目前天线采用的分集接收方式有空间分集和极化分集两种方式。
20.每根馈线在室内和室外都要有标签,注明此馈线的收、发情况以及所属小区和编号。
21.现基站在用的天馈线中7/8英寸缆线的相对传播速率为0.89,缆线损耗为0.043dB/m;1/2英寸缆线的相对传播速率为0.88,缆线损耗为0.077dB/m。
22.馈线和室外跳线的接头要接触良好并做防水处理,在馈线从馈线口进入机房之前,要求有一个滴水湾,以防止雨水沿着馈线渗进机房。
23.室内馈线的接地应顺着馈线下行接出顺着地线排的方向接地。
24.在基站机房和天线支撑杆或铁塔之间,要安装有室外走线架。
25.若天馈线的驻波比值是1.5,则相应的回损值是14dB。
26.对于全向型天线,要求垂直安装;对于方向型天线,其下倾角和方向角要符合设计文件的规定。
27.天线的主瓣方向附近应无金属物或房屋阻挡。
28.对于采用空间分集接收方式的天线,其分集接收的距离必须符合要求,在广东移动通信有限责任公司的验收规范中,对于GSM900两接收天线之间的推荐距离为6米,对于GSM1800两接收天线之间的推荐距离为4米。
29.塔顶放大器与天线之间的跳线长度要求不超过2米,最好安装在天线支撑架上。
30.对于不同线径的馈线,馈线夹的固定间距要求是:馈线水平走线时,1/2英寸线径的馈线是1米,7/8英寸线径的馈线是1.5米;馈线垂直走线时,1/2英寸线径的馈线是0.8米,7/8英寸线径的馈线是1米。
31.对GSM 900MHZ系统,若接收天线采用空间分集方式,则分集接收距离应大于4米,广东省移动局的推荐距离为6米。
32.各根馈线的接地点应顺着地线排的方向接地,接地点应该接触良好,不得有松动现象,并要作氧化处理。
33.天馈线系统中硬馈弯角不应小于90度,软馈线可以盘曲,但半径不要小于13厘米,接地点应在1.5米处,接地点不应超过20m。
LDF 5-50A的LOSS为0.89,PROP V为0.043。
目前测试天馈线使用的仪表有Site Master和TDR。
二、选择题:1、下面的设施中哪些是需要接地的()(A)天线(B)天线支撑杆(C)室外走线梯(D)基站铁塔2、所有室外设施都应在避雷针的度保护角之内。
(A)30 (B)40 (C)45(D)503、在验收基站时,利用SITE MASTER等仪表对馈线进行测试,所得出的馈线长度与原测试记录误差不能大于米。
(A)1 (B)0.5(C)0.25 (D)1.54、在RBS200基站中,在ACU上所设置的VSWR告警门限值为。
(A)1.8 (B)1.6 (C)1.5(D)1.25、用OMT软件测天馈线系统的驻波比应小于。
(A)1.3 (B)1.4 (C)1.5(D)1.26、对于采用空间分集接收方式的天线系统,900MHz和1800Mhz的最小分集接收距离分别是。
(A)6米、3米(B)2米、4米(C)3米、6米(D)4米、27、对于采用空间分极接收方式的天线系统,其分极接收距离必须符合分极接收的要求:对于GSM900和GS M1800最小距离为和GMCC推荐距离为和(A)4米、2米、6米、3米(B)2米、4米、3米、6米(C)6米、4米、8米、6米(D)4米、6米、6米、8米8、在900MHz频段中,天线间距5至6米时,可得到约dB的增益。
(A)3 (B)4 (C)5 (D)69、从人体安全辐射范围要求考虑,要求天线的发射功率不大于:(A)5 dBm/载波(B)10 dBm/载波(C)15 dBm/载波(D)20 dBm/载波10、在RBS2000基站中,负责提取前向和反向功率信号测量值。
(A)CDU (B)测量耦合单元(MCU)(C)TRU (D)测试数据单元(TDU)11、在RBS2000基站中,CDU的功能是。
(A)功率放大(B)分配接收信号(C)信号处理(D)无线发射12、在CME20系统中,克服时间色散的措施是。
(A)采用跳频技术(B)采用接收机均衡器(C)采用交织技术(D)采用GMSK调制技术13、当跳线或馈线需要弯曲时,要求弯曲角保持圆滑,其弯曲曲率半径不能小于下表的规定(A)(B)(C)(D)以上都不正确14、室外馈线夹是用于固定馈线于走线梯上,使馈线走线整齐美观对于不同线径的馈线,馈线夹的固定间距应是:(A)(B)(C)(D)15、当跳线和馈线需要弯曲时,要求弯曲角保持圆滑,其弯曲曲率半径要符合要求,下面的描述中哪些是正确的()(A)1/2英寸线径,一次性弯曲的半径不小于80毫米,二次弯曲的半径不小于210毫米。
(B)1/2英寸线径,一次性弯曲的半径不小于70毫米,二次弯曲的半径不小于210毫米。
(C)7/8英寸线径,一次性弯曲的半径不小于130毫米,二次弯曲的半径不小于360毫米。
(D)7/8英寸线径,一次性弯曲的半径不小于120毫米,二次弯曲的半径不小于360毫米。
16、在哪种情况下Site Master需要进行校准()(A)一次使用时(B)当测量频率范围改变时(C)当环境和温度改变时(D)每次使用之前17、对一个有6个TRU的小区,若分别用CDU-C和CDU-D,则下面的描述哪些是正确的()(A)若用CDU-C,则需要两根发射/接收天线和一根发射天线;若用带双工器的CDU-D,则需要一根发射/接收天线和一根接收天线。
(B)都要用两根发射/接收天线。
(C)若用CDU-C,则需要两根发射/接收天线和一根发射天线;若用不带双工器的CDU-D,则需要一根发射/接收天线和一根接收天线。
(D)若用CDU-C,则需要两根发射/接收天线;若用不带双工器的CDU-D,则需要一根发射天线和两根接收天线。
18、下面有关馈线接地的描述中,哪些是正确的()(A)走线梯上母地线的每个接地点只能接一根馈线,不能两根或多根馈线同接在母地线的同一点上。
(B)要求利用所提供的室内接地件将馈线接头与母地线相连,连接点牢固,接触良好,并做绝缘理。
(C)室外馈线的接地线要求顺着馈线下行的方向,不允许向上走线,不允许出现“回流”现象。
(D)所有接地连接件要求有两点压接。
19、40dBm的发射功率经过3 dBm的衰减器后,则其对应的功率为()(A)5W(B)3W (C)2W (D)1W20、33 dBm的发射功率经过3 dBm的衰减器后,则其对应的功率为()(A)5W (B)3W (C)2W (D)1W21、RBS200基站的馈线有3条,RBS2000基站的馈线可以装2条,原因是()(A)RBS200基站不采用双极化天线,而RBS2000基站采用双极化天线。
(B)RBS200基站和RBS2000基站采用的功率合成器不一样。
(C)RBS200基站不采用双工器,而RBS2000基站则采用了双工器。
(D)以上都不对。
22、在RBS2000基站中,用OMT设置VSWR告警门限时,CLASS1和CLASS2应分别为()(A)2.2、1.9 (B)2.2、1.8(C)2.2、2.0 (D)2.0、1.823、CDU-D由哪几部分组成()(A)F-COMB、IDM和FU (B)FU、DU和CU(C)RU、CU和DU (D)RU、DU和FU 24、以下所列出的RBS200基站的设备,哪些设备的功能不包括在RBS2000基站的TRU里()(A)SPU (B)RRX (C)RXD(D)RTX25、对一个有6个TRU的小区,若分别用CDU-C和CDU-D,则下面的描述哪些是正确的()(A)用CDU-C,则需要两根发射/接收天线和一根发射天线;若用不带双工器的CDU-D,则需要一根发射/接收天线和一根接收天线。
(B)若用CDU-C,则需要两根发射/接收天线;若用不带双工器的CDU-D,则需要一根发射天线和两根接收天线。
(C)若用CDU-C,则需要两根发射/接收天线和一根发射天线;若用带双工器的CDU-D,则需要一根发射/接收天线和一根接收天线。
(D)都要用两根发射/接收天线。
26、馈线和室外跳线的接头要接触良好并作防水处理,在馈线从,要求有一个“”,以防止雨水沿着馈线渗进机房。
(A)馈线口进入机房之前、滴水弯(B)馈线下天面前、引水弯(C)馈线口进入机房之前、引水弯(D)馈线下天面前、滴水弯27、下面关于天线安装哪项是错误的(A)对于全向天线要求天线与铁塔塔身之间距离不小于0.5米,对于定向天线要求不小于2米(B)塔顶放大器与天线之间的跳线长度要求不超过1米,最好安装在天线的支撑杆上,而且塔顶放大器带有接头的面要向下地安装,塔顶放大器与跳线的接头要作防水处理(C)要求楼面负荷满足要求,铁塔、铁杆、天线横担结实牢固,铁杆要垂直,横担要水平,所有的铁件材料都应作防氧化处理(D)对于全向型天线,要求垂直安装;对于方向型天线,其指向和俯仰角要符合设计文件的规定28、以下关于天馈线安装的描述,哪项是错误的?(A)为了防止天线进水,在正向安装全向杆状天线时,天线底部的排水(气)孔应打开,天线顶部的排水(气)孔应密封。