布袋除尘器试车方案
- 格式:doc
- 大小:83.00 KB
- 文档页数:6
除尘设备试车方案1. 引言本文档旨在提供一种可行的除尘设备试车方案。
除尘设备是工业生产过程中常用的设备,用于去除粉尘和颗粒物,保证生产环境的清洁和员工的健康。
试车是确保除尘设备正常运行的重要步骤,本方案将介绍试车的步骤、注意事项和预期结果。
2. 试车步骤2.1 准备工作在试车前,需进行一些准备工作:•检查除尘设备的安装情况,确保设备安装正确且稳固。
•检查设备的电源和电气连接,确保电力供应正常。
•检查气体或液体供应管道,确保供应通畅。
•清理设备和周围环境,确保没有杂物或污物影响试车过程。
2.2 试车步骤以下是除尘设备试车的基本步骤:1.打开设备的电源开关,确保设备处于待机状态。
2.检查除尘设备的控制面板或操作界面,确认所有参数和设置正确。
3.打开供应气体或液体的阀门,确保供应通畅。
4.启动除尘设备的主要运行部件(如风机、水泵等)。
5.监测除尘设备的运行状态,包括压力、流量、温度等参数。
6.观察除尘设备是否正常运行,如有异常情况及时停机检查。
7.持续观察设备运行一段时间,确保设备稳定运行。
2.3 试车注意事项在进行除尘设备的试车过程中,需要注意以下事项:•在试车前,必须确保所有操作人员都已经受到相关培训并具备必要的安全意识。
•在试车过程中,运行部件产生的噪音和振动可能会引起安全隐患,操作人员应佩戴个人防护设备。
•设备运行期间,应定期监测除尘设备的工作状态,如压力、流量、温度等参数,确保设备稳定运行。
•如发现设备工作异常或故障,应及时停机进行检查和维修,确保设备安全运行。
3. 试车预期结果通过按照以上步骤进行试车,预期可以得到以下结果:•除尘设备能够正常启动和停止。
•设备运行状态稳定,无明显噪音和振动。
•设备输出符合预期,可去除粉尘和颗粒物。
•设备各项参数(如压力、流量、温度)在正常范围内。
•试车过程中未发现设备安全问题或故障。
4. 总结通过本试车方案,可以确保除尘设备安全、稳定地运行。
试车步骤和注意事项的合理执行,能够有效减少设备故障和事故的发生,保证生产环境的清洁和员工的健康。
布袋除尘器工作方案(总7页)本页仅作为文档封面,使用时可以删除This document is for reference only-rar21year.March布袋除尘器工作方案产品概述:袋式除尘器是一种干式滤尘装置。
滤料使用一段时间后,由于筛滤、碰撞、滞留扩散、静电等效应,滤袋表面积聚了一层粉尘,这层粉尘称为初层,在此以后的运动过程中,初层成了滤料的主要过滤层,依靠初层的作用,网孔较大的滤料也能获得较高的过滤效率。
随着粉尘在滤料表面的积聚,除尘器的效率和阻力都相应的增加,当滤料两侧的压力差很大时,会把有些已附着在滤料上的细小尘粒挤压过去,使除尘器效率下降。
另外,除尘器的阻力过高会使除尘系统的风量显著下降。
因此,除尘器的阻力达到一定数值后,要及时清灰。
清灰时不能破坏初层,以免效率下降。
工作原理伴着粉末重复的附着于滤袋外表面,粉末层不断的增厚,布袋除尘器阻力值也随之增大;脉冲阀膜片发出指令,左右淹没时脉冲阀开启,高压气包内的压缩空气通了,如果没有灰尘了或是小到一定的程度了,机械清灰工作会停止工作。
产品构造袋式除尘器结构图:袋式除尘器结构主要由上部箱体、中部箱体、下部箱体(灰斗)、清灰系统和排灰机构等部分组成。
袋式除尘器性能的好坏,除了正确选择滤袋材料外,清灰系统对袋式除尘器起着决定性的作用。
为此,清灰方法是区分袋式除尘器的特性之一,也是袋式除尘器运行中重要的一环。
结构型式1、按滤袋的形状分为:扁形袋(梯形及平板形)和圆形袋(圆筒形)。
2、按进出风方式分为:下进风上出风及上进风下出风和直流式(只限于板状扁袋)。
MC-260脉冲袋式除尘器技术参数使用维护日常运转袋式除尘器的运转可分为试运转与日常运转。
首先,进行试运转时,必须对系统的单一部件进行检查,然后作适应性运转,并要作部分性能试验。
在日常运转中,仍应进行必要的检查,特别是对袋式除尘器的性能的检查。
要注意主机设备负荷的变化会对除尘器性能产生的影响。
调试方案措施为使*************750t/d烟气净化系统工程热态试车一次成功,必须先做好冷态调试,依据巨化工程的经验,要求调试人职员作细致,责任到人。
1.调试前的预备工作及平安注重事项*****公司有关人员负责协调,*************应派专人协助配合各项调试工作;设立总指挥和各调试专业负责人,明确调试运行体制〔组织、指挥、作业量、人员〕,制定调试工作流转表,有咨询题及时协调、落实解决,调试中认真记录出现的咨询题、解决的方法以及各种数据,调试完毕后写出调试情况报告的结论,送交各有关部门、单位。
1.2调试前应认真阅读设备讲明书及有关技术资料,熟悉设备、系统各设计,按调试大纲的工程、方法、步骤和要求进行。
1.3预备好调试工作中的所需的消耗材料,要紧工器具如下:、静电电压表100kV1台;、数字万用表1块;、钳形电流表1~5A1块;、兆欧表2500V、500V各1块;、电压表600V、0.5级,1块;、常用电工调试工具1套;、白炽灯泡假负荷220V,100W×2,1套;、标志牌及样绳假设干;、试验接线塑料多芯线假设干、对讲机2对;1.4、工程调试人员组成:总指挥员:操作员:检查、计测员:调整员:机械:电气:联络员:1.5、几项确认:1〕、公用设施条件具备〔水、压缩空气、电等〕;2〕、有关设备如电源设备、给排油设备、灭火设备等确认;3〕、主回路尽缘电阻确认;4〕、进行操纵回路等的程序检查得到确认;1.6、检查、试验结果记录1.7、平安注重事项应符合JB6407标准的。
2、调试内容与要求冷态调试前期预备工作检查各种接线都已结束,所有设备就位紧固,各种连接件都已固定。
清理所有设备、容器中可能存留的异物。
各动力设备加牌号的润滑油到适宜的液位(见讲明书)。
如油腔中有水等不洁物,那么应置换数次,直到不乳化。
要求电厂空压机系统具备正式供气条件,供气吹扫现场空气储气罐,放净积水,调校平安阀。
布袋除尘器试车方案一、执行标准和规范1.《工业窑炉大气污染物排放标准》 GB9078--19962.《作业场所空气中粉尘测定方法》 GB5817—19863.《机械设备安装工程施工及验收规范》 GB50231-984.《电气装置安装工程旋转电机施工及验收规范》 GB50170-925.《电气装置安装工程盘柜及二次回路结线施工及验收规范》 GB50171—19926.制造厂、设计单位的有关技术文件要求。
二、试车应具备的条件1.工艺安装施工完毕(阀门、水路、气路等)。
2.电气安装完毕(控制设备安装完毕,电缆接线牢固、正确、接地可靠)。
3.电动机试车应采用正式电源,若因故采用临时电源试运时,应该对临时电源的相序,与电源侧母线相序或电缆所表示的相一致。
4.机械设备润滑油、机油加注完毕。
5.气缸合格气源送达现场,具备使用要求。
6.试车现场及设备经过清扫,道路畅通,照明正常。
三、试车前的检查1.确认动力电缆、控制电缆连接的正确性,开关柜引至启动设备的正确性。
2.本系统表计校验,并有记录、标识。
3.确认电机等保护定值整定完毕并有记录。
4.开车前检查电机一次回路及二次回路的对地绝缘电阻,应符合规范要求,并做好记录,电机停车超过24小时再试车时,应重新做绝缘检查;检查控制保护回路接线的正确性,并做模拟试验,应符合施工图纸及规范要求。
5.对电机和风机进行手动盘车,转动应灵活,无卡阻现象。
6.与工艺联锁的回路,应与有关人员合作试验,试验结果符合施工组要求,并得到业主、监理的认可和确认。
四、试车及检查项目试车时,应由业主或监理组织,并派人员前往现场与配电室有专业人负责联系、操作,开车还必须由工艺人员配合。
开动引风机,用一个小时左右的时间对除尘器清理。
1.检查所有通道和烟气管路的门及检修口是否已关闭和密封,检查脉冲布袋除尘的脉冲管路的气密性、脉冲气压稳定性及脉冲阀的动作是否正常。
2.检查设备管道和接头是否有泄漏。
3.调整喷吹压力,开始喷吹的设置点、脉冲频率和脉冲宽度(这样的脉冲宽度能提供所需的压降,来达到最小的清灰时间和能耗)这些值是基于那些操作记录的。
一、总则本技术协议适用于锅炉除尘输灰系统工程的设计、制造、安装、检验及售后服务等,工程内容包括袋式除尘器和气力输灰系统(仅包含仓泵及控制系统)的安装、调试、培训,包括电气(预留DCS接口)、空压系统等,工程为交钥匙工程。
二、项目概况1.设计原始数据煤质分析布袋除尘器主要技术参数(1)除尘器须满足在线清灰、在线检修功能。
(2)除尘器本体阻力:≤1200 Pa,布袋寿命终期阻力:≤1500 Pa。
(3)壳体设计压力:±6kPa(4)除尘器的长度方向进出口之间尺寸不大于:20m。
三、技术规范1.买方提供的技术参数设备名称:袋式除尘器除尘器处理烟气量:219685m3/h除尘器入口含尘浓度:≤5g/m3除尘器出口含尘浓度:≤100mg/m3除尘器滤袋设计温度:150℃,瞬时温度180℃除尘器设计压力:±6000pa除尘器本体阻力:≤1200pa,滤袋寿命终期阻力≤1500pa供货数量:1台除尘器2.设备技术参数锅炉布袋除尘器除尘器钢结构可承受以下载荷(1)除尘器载荷(自重、保温层重、附属设备、灰斗满灰重);(2)地震载荷:按照地震裂度8级(3)风载:1kN/㎡;(4)雪载:2kN/㎡(5)检修载荷:4kN/㎡本体技术要求(1)不以布袋除尘器进口灰浓度、粒度及烟气量变化作为布袋除尘器出口浓度超过100mg/Nm3及阻力超过设计值的理由;(2)保证布袋除尘器不因锅炉负荷的变化发生堵塞;(3)进气口内布置气流分布板,保证烟气均匀通过滤袋;(4)壳体设计保证足够的强度和刚度,保证密封、防雨、排水(不能有积水的地方)及防腐,并提供防冻保温设计;壳体设计中无死角或灰尘积聚区,并充分考虑热膨胀;(5)除尘器顶部设有检修孔,以便对除尘器进行检修和更换滤袋;灰斗(1)灰斗与水平面夹角不小于63°;内侧灰斗板夹角处设有弧形板,避免积灰;(2)灰斗设置有电加热、振打机构和捅灰孔,防止灰出现板结;(3)灰斗法兰口设置为400x400mm。
风机单体无负荷试车(调试)方案编制:审核:批准:20XX年XX月XX日一、编制说明在设备安装中试运转是保证设备安装的规范要求,进一步发现设备安装中存在的问题,并进行调整、修理,以保证生产的需求,它不仅是对安装质量的检测,也是对设备设计和制造技术、质量的全面考验。
目前我公司安装的风机已具备单机试车条件,计划进行空负荷试运行。
风机调试是地面除尘站通风除尘系统调试过程中一个很关键的步骤,风机正常与否直接影响着布袋除尘器的工作状态,布袋除尘器的滤袋使用寿命也和这息息相关。
为使风机试车顺利进行,特制订本方案。
二、技术参数1、风机型号:2、制造厂家:3、风机转速(r/min) :4、工况风量:5、工况全压:6、工况温度(℃)7、冷却水流量:8、冷却水压力:9、电机功率:三、风机试运转及运转规范调试小组组织机构:施工单位调试组长:调试技术负责人:调试组员:调试应急安全负责人:另需要厂家调试负责人以及业主相关负责人员到场配合调试。
1、人员分工1)、施工单位安装人员待安装完风机全部设施后,应参加分部试运转阶段的调试工作,完成整个过程的测试工作;并负责完成设备的运行维护与现场设备监护。
2)设备厂家技术人员负责引风机的运行操作和运行监视;2、过程质量检查控制点1)、风机系统安装完毕,方可进入分部试运阶段;风机分部试运转结束并已签字认可正常,方可进入引风机通风系统试运转;2)、风机垂直、水平、轴向三个方向的振动速度有效值控制在4.0mm/s以内;3)、引风机电机和轴承温度值不能超过制造厂家规定值。
3、风机试运转A 启动前的准备工作1)、风机新安装后,应重点复查安装情况和各部间歇必须符号图纸要求。
2)、清除机内或进出口风道内的杂物,并用手动盘车数周无卡擦碰撞现象。
3)检查轴承油位冷却水均应正常。
4)、关闭风机进口调节门和出口风门。
5)、检查电机接线是否正确。
6)、电机应单独试转1-2小时检查转向才运转是否正常,确认无误后方可试机运转。
单体布袋除尘器电气试车方案
工具:兆欧表1个;万用表1个。
一、冷态检测
1、外观检查各电缆连接是否紧固,外观有无破损。
2、手动盘动主风机、卸料电机,查看是否转动灵活。
3、分路摇测各控制回路对地绝缘电阻。
4、分别摇测接触器下口至电机(包含电机)端的相间及相对地绝
缘电阻,用万用表测量各相线连接是否正确。
5、拆下接触器下口至电机处的电缆,标记各接线端子连接位置。
6、按序号3-4步骤检查卸料电机接线是否正确。
7、确认所有断路器、空气开关在分位。
二、送电调试
1、将主电源断路器送至合位,观察电压电流表电源指示灯等显示
是否正常,用万用表测量各相电压是否正常。
2、控制回路逐个送电,确认各回路送电后无异常。
3、调试主风机电机控制回路,查看接触器动作是否正常,顺序是
否正确,各按钮指示灯是否工作正常。
4、断开主电源断路器,将接触器下口至电机的电缆按原标记连接
好,并紧固。
5、再次合闸主电源断路器。
6、按序号3-5步骤调试卸料电机。
7、调试各气动阀是否正常工作,对应按钮指示灯是否正常工作。
三、按工艺要求逐步启动各设备。
1、监测主风机电机运行电流是否正常,三相电流是否平衡。
2、监测主风机电机各项振幅振速指标是否正常。
2012年3月20日。
(布袋除尘器性能测试实验)
实验报告
三、实验原理
袋式除尘器也称为过滤式除尘器,是一种干式高效除尘器,它是利用纤维编制物制作的袋式过滤元件来捕集含尘气体中固体颗粒物的除尘装置。
含尘气体从袋式除尘器入口进入后,由导流管进入各单元室,在导流装置的作用下,大颗粒粉尘分离后直接落入灰斗,其余粉尘随气流均匀进入各仓室过滤区中的滤袋,当含尘气体穿过滤袋时,粉尘即被吸附在滤袋上,而被净化的气体从滤袋内排除。
当吸附在滤袋上的粉尘达到一定厚度电磁阀开,喷吹空气从滤袋出口处自上而下。
安全技术方案项目名称:袋式除尘器调试运行方案计划工期:2019年5月30日—2019年6月30日方案编制:日期区域审核:日期:项目负责人:日期:工艺审核:日期:安全员:日期:设备审核:日期:项目部经理:日期:安全审核:日期:审批:2019年5月30日一、除尘器概况1.袋式除尘器简介袋式除尘器是一种干式滤尘装置。
它适用于捕集细小、干燥、非纤维性粉尘。
滤袋采用纺织的滤布或非纺织的毡制成,利用纤维织物的过滤作用对含尘气体进行过滤,当含尘气体进入袋式除尘器后,颗粒大、比重大的粉尘,由于重力的作用沉降下来,落入灰斗,含有较细小粉尘的气体在通过滤料时,粉尘被阻留,使气体得到净化。
排放物经处理后可以达到环保排放要求。
1.2、袋式除尘器工作原理1.2.1工作原理含尘气体由除尘器进气管道,经进气烟道进入袋室时,由于气体速度的降低等作用,粗粒粉尘将落入灰斗中,其余细小颗粒粉尘随气体进入滤袋室,由于滤料纤维及织物的惯性、扩散、阻隔、钩挂、静电等作用,粉尘被阻留在滤袋外,净化后的气体逸出袋外,经静气室,排出。
滤袋上的积灰采用喷吹脉冲气流的方法去除, 清除下来的粉尘下到灰斗,经双层卸灰阀排到输灰装置。
二、编制依据2.1《除尘器操作说明书》2.2现场实际情况2.3《袋式除尘器技术要求》GB 6719-20092.4《袋式除尘器用滤袋框架》JB/T 5917-2013三、组织及分工3.1 安装施工单位编写调试方案,检查除尘系统启动试运应具备的条件,负责组织实施启动调试方案,负责系统范围内设备的单体试运。
3.2 建设单位负责除尘试运阶段的现场指挥工作,参与调试方案的审核,设备单体验收。
四、调试前应具备的条件调试人员到位, 操作程序明确;环境已清理干净。
机组各方面的硬件条件满足调试要求;设备和系统已经安装结束。
五、准备工作(1)通讯,现场施工人员全部随身携带通讯工具(对讲机)(2)参与调试人员按工种带证上岗(3)收尘器设有明显的安全标示牌(4)试运行中控制室、除尘器、平台之间连接的梯子、通道、平台、栏杆、安全可靠,符合试运行条件(5)试运行现场应道路通,场地清,卫生、环境条件符合要求六、调试前的检查6.1外部检查:6.1.1检查灰斗、进出口不得有杂物等。
布袋除尘器调试方案一、调试前的准备工作1.确定调试范围:根据需要除尘的场所及其布袋除尘器的型号、规格等信息,确定调试范围,包括除尘器的主要组成部分、控制系统等。
2.查阅调试手册:根据除尘器的型号和厂家提供的调试手册,仔细阅读和理解相关操作方法和注意事项。
3.准备调试工具和材料:确定所需的调试工具,如测量仪器、工具箱等;准备必要的材料,如布袋、密封垫片等。
二、除尘器的机械调试1.安装检查:将除尘器的主要组件进行安装、连接,并检查其是否牢固可靠。
包括检查滤袋的连接、管道连接、密封件等是否严密。
2.电机试运转:将电机与除尘器连接好,接通电源进行试运转,观察电机是否正常工作,电流是否稳定,转速是否合适。
3.压差测量:根据调试手册的要求,使用压差测量仪器对除尘器的入口和出口进行压差测量,确保压差是否在正常范围内。
三、控制系统的调试1.电气连线:根据调试手册的要求,对除尘器的控制系统进行电气连线,确保各电路的连通性正常。
2.程序设定:根据调试手册的要求,对控制系统进行相应的设定,包括运行时间、清灰周期等参数的设置。
3.手动操作试验:通过手动操作面板或控制系统进行试验,检查各设备能否正常动作,如风机、清灰机构、喷吹装置等。
4.自动控制试验:将除尘器的控制系统切换到自动控制模式,通过控制系统对除尘器进行自动运行和清灰等操作,调试其控制精度和稳定性。
四、性能调试1.风量测量:根据调试手册的要求,使用风量测量仪器对除尘器的风量进行测量,确保其满足设计要求。
2.吸力测量:根据调试手册的要求,使用吸力测量仪器对除尘器的吸力进行测量,确保其满足设计要求。
3.效率测量:根据调试手册的要求,使用效率测量仪器对除尘器的除尘效率进行测量,确保其满足设计要求。
五、安全与环境调试1.噪音测试:根据调试手册的要求,使用噪音测试仪器对除尘器的噪音水平进行测试,确保其符合相关安全标准。
2.漏风测试:对除尘器的管道和接口进行漏风测试,确保除尘系统无明显的漏风现象。
布袋除尘器调试方案一、引言布袋除尘器作为一种常用的空气净化设备,被广泛应用于工业领域。
调试是布袋除尘器正常运行的关键环节,合理的调试方案可以保证设备的高效稳定运行。
本文将介绍布袋除尘器的调试方案,包括调试前的准备工作、调试过程中的操作步骤,以及调试后的检查和维护。
二、调试前的准备工作在开始调试布袋除尘器之前,需要进行一系列的准备工作,以确保调试的顺利进行。
1.检查设备首先,需要对布袋除尘器进行一次全面的检查,包括检查滤袋的状况、清灰系统的运行情况以及控制系统的正常工作等。
如发现问题,应及时修复或更换。
2.准备调试工具需要准备好所需的调试工具,包括电压表、转速表等。
确保测试仪器的准确性和可靠性。
3.制定调试计划在进行调试之前,制定一份详细的调试计划,包括调试的步骤、参数设置和测试要求等。
这样可以有序地进行调试工作,提高调试效率。
三、调试过程中的操作步骤在准备工作完成后,可以开始进行布袋除尘器的调试工作。
下面是调试过程中的操作步骤:1.排除空气系统中的杂质在开始调试之前,需要确保空气系统中没有杂质。
首先关闭所有供气和排气活门,并通过排气管将系统内的杂质排出。
2.调整进、出口阀门打开布袋除尘器的进、出口阀门,并逐渐调整其开度以达到最佳状态。
进口阀门的开度应能保证充分的气流进入除尘器,而出口阀门的开度应能使废气流速达到设计要求。
3.检测进、出口压力使用压力表检测布袋除尘器的进、出口压力。
通过调整进、出口阀门的开度,使进、出口压力保持在适宜范围内,确保除尘器的正常工作。
4.调整清灰周期和频率根据实际情况,调整清灰系统的清灰周期和频率。
清灰周期过长会导致滤袋被堵塞,清灰周期过短则会降低清灰系统的寿命,因此需要找到一个合适的清灰周期和频率。
5.调整气流速度使用转速表等工具检测布袋除尘器的气流速度。
根据设计要求,调整进、出口阀门的开度,使气流速度保持在设定的范围内,以达到最佳除尘效果。
6.检查控制系统检查并测试布袋除尘器的控制系统,确保其正常工作。
布袋除尘器设备监造检验和性能验收试验方案1 概述1.1本附件用于合同执行期间对投标方所提供的设备(包括对分包外购设备)进行检验、监造和性能验收试验,确保投标方所提供的设备符合附件1规定的要求。
1.2投标方应在合同生效后3个月内,向招标方提供与本合同设备有关的监造、检验和性能验收试验标准。
有关标准应符合附件1的规定。
2 工厂检验2.1 工厂检验是质量控制的一个重要组成部分。
投标方须严格进行厂内各生产环节的检验和试验。
投标方提供的合同设备须签发质量证明、检验记录和测试报告,并且作为交货时质量证明文件的组成部分。
2.2 检验的范围包括原材料和元器件的进厂,部件的加工、组装、试验至出厂试验。
2.3 投标方检验的结果要满足附件1的要求,如有不符之处或达不到标准要求,投标方要采取措施处理直至满足要求,同时向招标方提交不一致性报告。
投标方发生重大质量问题时将情况及时通知招标方,其处理方案需经招标方确认后实施。
3 设备监造3.1 招标方对投标方设备的监造3.1.1 招标方将自行或委托有经验的监造单位对投标方生产的合同设备进行监造。
监造工作包括在投标方制造厂内进行的复查、抽检、试验及金属、焊接的无损探伤等。
3.1.2 投标方在设备投料前提供生产计划,每月第一周内将加工计划和检验试验计划书面通知监造代表或招标方监造部门。
3.1.3 招标方监造代表有权查阅与监造设备有关的技术资料,投标方应积极配合并提供相关资料的复印件并协助配合招标方监造代表在制造厂内进行检测、复查、抽检、无损探伤等工作,并不由此发生任何费用。
3.1.4 招标方监造代表有权随时到车间检查设备质量生产情况。
3.1.5 投标方应对原材料进行复检,由招标方监造代表确认(文件见证)后方可投料加工。
3.1.6 合同设备的重要部件和专用部件未经招标方允许,投标方不得擅自调换。
3.1.7 投标方应给招标方监造代表在厂内提供专用监造办公室,并协助安装内线(同时可打外线)电话1部,并提供相应的办公桌椅、文件柜供招标方监造人员使用,监造工作结束后归还投标方。
除尘设备试车方案一、引言为了保障生产环境的清洁和平安,许多工业企业和制造厂使用除尘设备来净化废气和粉尘。
运行除尘设备的前提是进行试车,以确保设备能够正常运行。
本文档将介绍除尘设备试车方案,并提供相关的步骤和考前须知。
二、试车前准备工作1.确保除尘设备已经安装完毕,并且与其他设备正常连接。
2.检查所有电源和信号线路,确保连接正确并且没有短路或断路的情况。
3.确保除尘设备的控制系统已经正确配置,并且所有参数设置正确。
三、试车步骤步骤一:检查设备状态在进行试车之前,需要先仔细检查除尘设备的状态,确保没有任何损坏或故障。
具体检查事项如下:•检查所有设备和管道的连接,确保没有锈蚀或漏气的情况。
•检查设备的滤料和滤袋是否完好,并且没有堵塞或破损的情况。
•检查设备的电控系统和仪表,确保其正常工作。
•检查风机和排气系统,确保其顺畅运行。
步骤二:设备启动1.翻开主电源开关,确保供电正常。
2.启动风机,并逐步调整风机转速,以适应实际生产环境的需求。
3.启动设备的控制系统,检查仪表和显示屏,确保其工作正常。
4.按照设备的操作手册,逐步启动设备的各个局部,如震动器、清灰系统等。
步骤三:设备调试在设备启动之后,需要进行一些调试工作,以确保设备能够正常运行。
1.调整风机转速,以到达最正确的吸力效果。
2.检查设备的进出口风压,确保其在设定范围内。
3.调整清灰系统的工作周期和清灰时间,以到达最正确的清洁效果。
4.检查设备的运行噪音和振动,确保其在允许范围内。
步骤四:设备停止和检查在试车完成后,需要停止设备,并进行一些必要的检查和维护工作。
1.关闭设备的控制系统和主电源开关。
2.检查设备的各个局部,确保没有漏气、漏水或其他损坏的情况。
3.清理设备的滤料和滤袋,去除其中的灰尘和杂物。
4.记录下设备的运行参数和故障情况,以备后续分析和改良。
四、试车考前须知•在试车过程中,应遵守相关的平安操作规程,确保人员和设备的平安。
•在试车之前,应仔细阅读设备的操作手册,并按照手册进行操作。
10万t/a铅冶炼技改扩建工程脉冲布袋除尘器单机试车方案编制:日期:审核:日期:批准:日期:*****项目部单机试车组织设计方案报审表工程名称:审批意见:监理公司:负责人:日期:审批意见:现场代表:日期:审批意见:主管部长:日期:一、除尘器负载试运转:除尘器安装完毕后,负载试运应以甲方为主,乙方协助有关人员试机。
1、负载试运转前的准备工作①检查除尘器的各部件的连接是否紧固,焊接的焊缝有无漏焊;②检查电气,控制保护绝缘是否符合电气说明书的要求;③组织试车人员学习试运转方案,要求每位人员了解各部分功能和容易出现问题的部分。
2、负载试转中观察内容及设备调整试运转过程中,要仔细观察设备各部分的运转情况发现问题应及时调整。
①开始运转时,先把引风机的风门关闭,待各部分电机正常运转后,逐渐增加风量。
当增加至10万风量后,运转0.5小时,检查各部的连接和焊接等。
然后将风量增加至21万,再运转0.5小时。
②先将气包的氮气增加至0.5Mpa时,使管道内的杂物完全排出后,再关闭气包下排空阀,使压力升到0.6 Mpa时,控制电路才能开始工作。
③把控制电路开到自动档,按设计时间顺序第一室的气缸运作,然后脉冲阀按设计时间宽度依次喷吹,至12室完成为一个周期。
④待工作正常后,所有定岗人员仔细观察各个室是否漏气,如焊接部位个别漏气,应重新修理。
二、负荷试运转的人员配备项目负责人 1个钳工 1个电工 1个技术员 1个焊工 2名其他 2名三、试车安全及文明试车保证措施①首先应认真清理现场,确保上箱体和通道畅通。
②试车进行时,附近不得存在有影响试车的其他作业以便观察是否漏气等。
③设备的启动和停止,应有专人负责,操作时,应有专人在旁边监护,防止操作失误。
④试车完毕后,应及时将试车记录进行汇总整理,并由监理工程师及甲方现场负责人办理签字手续,并报项目部资料员存档,以备交工之使用。
1. 引言布袋除尘器是一种常用的工业除尘设备,广泛应用于各类工业生产过程中的粉尘排放控制。
为确保布袋除尘器能够正常运行,并达到预期的除尘效果,试车成为必要的步骤。
本文将介绍布袋除尘器试车方案及其操作流程。
2. 试车前准备2.1 设备准备在试车前,需要对布袋除尘器进行以下准备工作:•清理布袋除尘器的内部和外部,清除积尘和杂物。
•检查设备的电气连接是否正确,确保电气系统运行正常。
•校正并调整布袋除尘器的操作参数,如风速、风量等。
•准备试车所需的工具和仪器,如测量仪器、检修工具等。
2.2 试车人员准备试车人员需要熟悉布袋除尘器的结构和工作原理,并具备相关的操作经验。
试车前,应进行必要的培训和安全教育,确保试车操作的安全性。
3. 试车操作流程3.1 开机准备1.检查电源是否正常,确认布袋除尘器的电源已接通。
2.检查仪表盘是否正常,确保布袋除尘器的各项参数显示正常。
3.确保布袋除尘器的风机和各个执行机构处于关闭状态。
3.2 启动试车1.打开布袋除尘器的主电源开关。
2.按照操作手册的要求,按序启动风机、清灰装置等设备。
3.监控仪表盘上的参数变化情况,确保各项参数在设定范围内。
4.检查布袋除尘器的设备运行情况,确认设备无异常。
3.3 运行试车1.按照工艺要求,逐渐增加布袋除尘器的工作负荷,观察布袋除尘器的除尘效果。
2.测量并记录布袋除尘器的风速、风量、压力等参数,与设备额定参数进行对比分析。
3.检查布袋除尘器的运行稳定性和噪音情况,如出现异常,及时采取相应措施。
4.检查布袋除尘器的各个部位是否存在异常振动、泄漏等情况。
3.4 关机操作1.逐渐减小布袋除尘器的工作负荷,直至停止工作。
2.按照操作手册的要求,按序关闭风机、清灰装置等设备。
3.关闭布袋除尘器的主电源开关。
4.清理试车过程中产生的杂物和积尘,保持设备的清洁。
4. 安全注意事项在进行布袋除尘器试车过程中,试车人员需要注意以下安全事项:•确保试车人员具备相关的操作经验和安全意识。
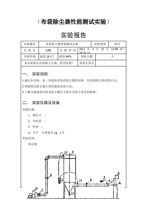
大气污染控制工程实验指导讲义专业:环境工程指导教师:布袋除尘器性能测试实验一、实验目的1.通过本实验,进一步提高对袋式除尘器的结构、形式和除尘机理的认识;2.掌握袋式除尘器主要性能的实验方法;3.了解过滤速度对袋式除尘器压力损失及除尘效率的影响。
二、实验仪器及设备实验仪器:1.微压计;2.毕托管;3.秒表;4.天平分度值为1g l台实验试剂:滑石粉袋式除尘器性能实验流程图1一粉尘定量供给装置;2一粉尘分散装置;3—喇叭形均流管;4一静压测孔;5一除尘器进口测定断面;6-袋式除尘器;7一微压计;三、实验原理袋式除尘器也称为过滤式除尘器,是一种干式高效除尘器,它是利用纤维编制物制作的袋式过滤元件来捕集含尘气体中固体颗粒物的除尘装置。
含尘气体从袋式除尘器入口进入后,由导流管进入各单元室,在导流装置的作用下,大颗粒粉尘分离后直接落入灰斗,其余粉尘随气流均匀进入各仓室过滤区中的滤袋,当含尘气体穿过滤袋时,粉尘即被吸附在滤袋上,而被净化的气体从滤袋内排除。
当吸附在滤袋上的粉尘达到一定厚度电磁阀开,喷吹空气从滤袋出口处自上而下与气体排除的相反方向进入滤袋,将吸附在滤袋外面的粉尘清落至下面的灰斗中,粉尘经卸灰阀排出后利用输灰系统送出。
袋式除尘器的除尘机理:主要靠粉尘初层的过滤作用,滤布只对粉尘过滤层起支撑作用。
袋式除尘器的工作原理:捕集机理:1.筛滤作用2.惯性碰撞3.散作用4.拦截作用5.静电作用6.重力沉降作用上述各种捕集机理,对一尘粒来说并非都同时有效,起主导作用的往往只是一种机理,或二、三种机理的联合作用。
其主导作用要根据尘粒性质、滤料结构、特性和运行条件等实际情况确定。
1.含尘气流从下部进入圆筒形滤袋,在通过滤料的孔隙时,粉尘被捕集于滤料上。
2.沉积在滤料上的粉尘,可在机械振动的作用下从滤料表面脱落,落入灰斗中。
3.粉尘因截留、惯性碰撞、静电和扩散等作用,在滤袋表面形成粉尘层,常称为粉层初层。
注意事项:1.含尘气流从下部进入圆筒形滤袋,在通过滤料的孔隙时,粉尘将被捕集于滤料上。
布袋除尘试车方案1. 简介布袋除尘器是利用布袋过滤技术对工业生产过程中产生的粉尘进行高效过滤的设备。
在使用布袋除尘器之前需要进行试车,以确保其正常工作和达到预期的除尘效果。
本文档将介绍布袋除尘试车的步骤和注意事项,以帮助用户顺利进行试车过程。
2. 布袋除尘试车步骤2.1 试车前准备在进行布袋除尘试车之前,需要做一些准备工作,以确保试车过程的顺利进行:•确保所有设备已正确安装并连接好。
•检查电源和其他供电设施是否稳定可靠。
•检查除尘器的控制系统是否正常工作。
•确保试车人员熟悉操作手册和安全操作程序。
2.2 试车步骤以下是布袋除尘试车的具体步骤:2.2.1 启动除尘器•打开除尘器的电源开关。
•按照除尘器的操作手册操作,启动控制系统。
2.2.2 观察和调整风量•观察除尘器的进风和出风口,确保风量正常稳定。
•根据需要,调整进风和出风口的开度以达到理想的风量。
2.2.3 观察和调整压差•观察除尘器的压差表,确保压差正常。
•根据需要,调整布袋除尘器的清灰控制系统,以保持合适的压差范围。
2.2.4 检查除尘效果•观察除尘器的出口,检查除尘效果是否符合预期。
•如果效果不理想,根据需要,调整除尘器的操作参数,如风量、压差等。
2.2.5 检查系统运行情况•检查除尘器的各个部位是否正常运行,如清灰装置、排灰装置等。
•检查除尘器的各个传感器和仪表是否正常工作。
2.3 试车完成后操作试车完成后,需要做一些操作以确保除尘器的正常运行和安全性:•停止除尘器的工作,并按照操作手册中的步骤关闭控制系统和电源。
•清理和维护除尘器,如清理滤袋、清洗排灰设备等。
•记录试车过程中的相关参数和观察结果,以备将来参考和分析。
3. 注意事项在进行布袋除尘试车时,需要注意以下事项:•保证试车现场的安全,避免操作人员受伤或发生意外事故。
•严格按照操作手册中的步骤进行试车,避免操作失误。
•定期检查和维护除尘器,确保其正常工作和高效过滤。
•如有需要,可以联系设备供应商或专业人员进行操作指导和技术支持。
布袋除尘器试车方案
一、启动前的检查
1、所有设备部件齐全,编号.标志正确清楚,各法兰结合面严密无漏,保温齐全,刷漆良好。
2、各部位平台、扶梯、栏杆牢固齐全,通道畅通,照明充足。
3、所有布袋已安装并正确固定在花板上,袋笼上的整条布袋在其长度方向上没有扭曲。
4、检查下灰管畅通,无泄漏;灰斗加热器完好,能正常投用,温度测点安装良好。
5、灰斗料位计安装正确,灰位指示与实际相符。
6、本体、烟道和脉冲罐中没有积水,所有人孔门、除尘室通风口关闭。
7、本体和烟道中没有遗留工具和其他材料。
8、除尘器进出口提升阀、旁路阀关。
9、检查脉冲计时系统正常,但首次启动时应隔离。
10、检查喷粉风机、空气压缩机等各转机润滑油位正常,所有转动机械备用状态。
二、除尘器的启动条件
1、启动空气压缩风机,风机运转正常,调整除尘器分气包压力0.2~0.4MPa。
2、除尘器烟气进口温度120~180℃
3、锅炉撤油投煤稳定燃烧后,除尘器方可接收烟气。
4、确认除尘器旁路门关闭严密,各除尘室出入口挡板门开关灵活。
5、压缩空气压力符合要求,提前1小时投入除灰系统,启动灰
库上小除尘器。
6、启动除尘器前8小时投入灰斗加热装置。
7、压缩空气至清灰系统压力、品质合格。
8、压缩空气管道及各储气罐排油、排水阀开启,管道及各储气罐排油内无积油积水。
三、布袋除尘器首次启动预涂灰步骤:
1、首次启动是最关键的,因为布袋是干净的,没有保护性粉层,很容易遭灰尘磨损、细砂粒穿透或或其他物质粘附。
启动时的烟气含有相当数量的水汽和其它可冷凝气体而且燃料的燃烧也不完全,一开始滤料的温度将会低于水汽的结露点温度,因此,在还没有达到稳定操作温度时尽可能地保护滤料是很重要的,预喷涂将在滤料表面上先盖上一个灰层来防止由于水汽而导致
堵塞,在预喷涂的过程中,锅炉必须离线。
需要下列粒子大小的熟石灰或其它验证过的预喷涂材料:
75%小于20μm
50%小于15μm
25%小于5μm
2、打开进风口手动调节阀。
3、开始对除尘器预喷涂,先打开每个室的出风提升阀。
4、在预喷涂过程中,所有室的清灰定时器和脉冲阀应该全部关掉,防止对滤袋清灰。
5、在其进风控制阀关闭的情况下开动引风机,当风机工作到最大速度时,慢慢打开进风控制阀到30%~40%,但也不要让引风机超功率运作,需要有足够的风量(每个室18000m3/h)来防止预喷涂材料掉下来落进灰斗。
6、将预喷涂车或鼓风机放在除尘器进风管附近合适的地方,将车上输送管和烟道内的预喷涂喷嘴连接(如有的话)或打开灰斗人孔门。
.
7、持续向除尘器内注入预喷涂材料,直到每个室压力降达到或超过125Pa到250Pa为止。
就是超过初始读数125Pa到250Pa。
观察气流或风机的速度,来判断这125Pa到250Pa水柱的增长是因为滤料上的预喷涂造成的,而不是风量的增加。
8、预喷涂结束,停止卡车鼓风系统,取下预喷涂喷嘴,换上管盖(管帽)或盖上人孔门。
注意;预喷涂后,在燃料燃烧前不可以对袋子清灰
9、预喷涂后,就要开始启动锅炉和除尘系统了。
燃料的燃烧应该在预喷涂后的48小时内开始,除尘器的预喷涂大致需要一个小时。
四、投运步骤
1、锅炉启动撤油投煤稳定燃烧后通知除灰值班员。
2、除灰值班员将布袋除尘器各挡板门逐一打开投运,关闭旁路
系统,除尘器系统投入运行。
操作前通知集控人员,注
意炉膛压力调整。
3、锅炉启动及事故情况下当负荷小于30℅额定负荷时投入1、3#除尘室,大于30%额定负荷时投入全部除尘室工作。
4、在初始的启动过程中,除尘器的压力降由于风量和灰尘量相对较小而较低,自动清灰模式将自动延后,在稳定操作前不能清灰,此时的清灰模式采用差压控制,通过压差的升高知道灰层的厚度,当除尘器布袋前后压差达1200Pa时,脉冲清灰系统投入运行。
5、全面检查除尘器设备,确认旁路门关闭严密,系统工作正常,参数在规定范围。
6、除灰系统工作正常。
五、除尘器停止步骤
1、当锅炉负荷小于30%额定负荷集控人员应通知除尘器值班
员,此时清灰应调整为缓慢清
灰方式。
2、当锅炉须投油助燃时集控人员应通知除尘器值班员,除尘系统倒旁路运行。
3、锅炉在滑停过程中除尘器值班人员应密切监视布袋除尘器入口烟温120~180℃,一旦烟温超限,立即倒旁路系统运行,关闭除尘器进出口挡板。
若锅炉或除尘器发生事故时摁“紧急按钮”倒旁路运行(摁“紧急按钮”后,旁路提升阀自动打开,待旁路阀全开或旁路开50秒后,开始关三个除尘室的进出口挡板,除尘器退出运行)。
4、在故障情况下,当锅炉投油助燃时,手动停止清灰系统,若
锅炉故障暂时无法恢复时
除尘器应倒旁路系统运行。
5、停炉后炉膛密闭冷却时,要求将布袋除尘器出入口挡板门全部关闭,旁路门关闭。
6、活动灰斗搅拌器,保证灰斗内积灰全部排清,除尘器停用后
除灰系统运行1小时后停止。
7、投入灰斗电加热装置。
8、锅炉停炉后,必须保持引风机继续运行。
在除尘系统空载的情况下,继续喷吹清灰系统2个周期循环,使粘附在滤袋上的粉尘抖落进卸灰斗,避免滤袋变硬而导致糊袋现象。
四、布袋除尘器技术参数。