国内常见模具钢牌号对照表
- 格式:docx
- 大小:117.44 KB
- 文档页数:5
常用模具材料牌号对照表类别中国钢号通用钢号钢材特性塑胶模具钢3Cr2Mo P20(美国)618(瑞典)预硬塑胶模具钢3Cr2NiMo718(瑞典)P20+Ni(美国) 超预硬塑胶模具钢4Cr13S136(瑞典)抗腐蚀塑胶模具钢1CrNi3 NAK80(日本)镜面塑胶模具钢3Cr17Mo M300(奥地利)耐腐蚀塑胶模具钢五金模具钢CrWMn SKS3(日本)不变形油钢Cr12Cr12MoVSKD11(日本) D3(美国) 耐磨韧性铬钢Cr12Mo1V1 D2(美国)热作模具钢4Cr5MoSiV1SKD61(日本)通用热作模具钢H13(美国)8407(瑞典)冷作模具钢ﻫCrWMn/SKS31/105W/Cr6高硬度,中等淬透性,价格低廉。
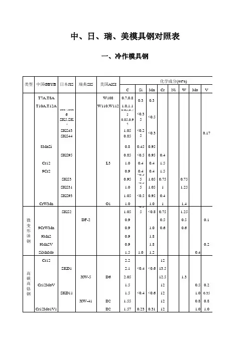
207—255820-840 下料模、冲头、成型模、搓丝板顶出杆及小型塑料压模等。
ﻫ9Mn2V/O2/DF—2 具有良好冲载能力,热处理变形小。
≤229780-800 厚度小于6mm以下得小型冲压模具及切纸机、刀具等。
9CrWMn/O1/SKS3/DF—3/100Mn/CrW4 淬火变形小,具有良好得刃口保持能力,热处理变形小。
197-241 820—840薄片冲压模、手饰压花模等。
9SiCr/X100Cr/MoV51具有高硬度良好得韧性与较好得抗回火稳定性。
197—241860-880下料模、冲头、搓丝板、压印模、顶出杆等ﻫCr5Mo1V/A2/SKD12/X W—10/210/Cr12空冷淬硬性铬钢,韧性极佳,高耐磨损性与抗腐蚀能力。
≤255950-1000拉伸模、压花模、下料模、冲压模、及耐磨塑料模等.Cr12/D3/SKD1/X165Cr/MoV12高碳铬钢,具有高耐磨性与抗腐蚀能力。
217—269 950-980 应用于小动载条件下要求高耐磨形状简单得拉伸模及冲载模。
ﻫCr12MoV/X155Cr/VMo121具有良好得淬透性,高耐磨性,韧性高。
207—255 1000—1020下料模、冲头、滚丝轮、剪刀片、冷镦模、陶土模及热固塑料成型模等.Cr12Mo1V1/D2/SKD11/W-42具有良好得淬透性,高韧性,高耐磨损性,强韧性极佳,并具有良好得抗回火稳定性,热处理变形小. ≤255 1000—1020重型落料模、冷挤压模、深拉伸模、滚丝模、剪刀片、冷镦模、陶土模等。
常用模具材料牌号对照表类别中国钢号通用钢号钢材特性塑胶模具钢 3Cr2Mo P20(美国) 618(瑞典) 预硬塑胶模具钢3Cr2NiMo 718(瑞典) P20+Ni(美国) 超预硬塑胶模具钢4Cr13 S136(瑞典)抗腐蚀塑胶模具钢1CrNi3 NAK80(日本)镜面塑胶模具钢3Cr17Mo M300(奥地利)耐腐蚀塑胶模具钢五金模具钢 CrWMn SKS3(日本)不变形油钢Cr12Cr12MoV SKD11(日本) D3(美国) 耐磨韧性铬钢Cr12Mo1V1 D2(美国)热作模具钢 4Cr5MoSiV1 SKD61(日本)通用热作模具钢H13(美国)8407(瑞典)冷作模具钢CrWMn/SKS31/105W/Cr6高硬度,中等淬透性,价格低廉。
207-255 820-840 下料模、冲头、成型模、搓丝板顶出杆及小型塑料压模等。
9Mn2V/O2/DF-2 具有良好冲载能力,热处理变形小。
≤229 780-800 厚度小于6mm以下的小型冲压模具及切纸机、刀具等。
9CrWMn/O1/SKS3/DF-3/100Mn/CrW4 淬火变形小,具有良好的刃口保持能力,热处理变形小。
197-241 820-840 薄片冲压模、手饰压花模等。
9SiCr/X100Cr/MoV51具有高硬度良好的韧性和较好的抗回火稳定性。
197-241 860-880 下料模、冲头、搓丝板、压印模、顶出杆等Cr5Mo1V/A2/SKD12/XW-10/210/Cr12空冷淬硬性铬钢,韧性极佳,高耐磨损性和抗腐蚀能力。
≤255 950-1000 拉伸模、压花模、下料模、冲压模、及耐磨塑料模等。
Cr12/D3/SKD1/X165Cr/MoV12高碳铬钢,具有高耐磨性和抗腐蚀能力。
217-269 950-980 应用于小动载条件下要求高耐磨形状简单的拉伸模及冲载模。
Cr12MoV/X155Cr/VMo121具有良好的淬透性,高耐磨性,韧性高。
模具钢号对照表
1.4Cr13: 这是马氏体不锈钢,具有良好的硬度和耐腐蚀性,主要用于塑料模
具。
2.5CrNiMo: 这种合金工具钢具有优良的韧性、耐磨性和淬透性,广泛用于制
造铝、铜等有色金属的压铸模具。
3.8Cr2MnWMoVS: 这是一种高强度、高耐磨性的工具钢,适用于制造复杂、高
精度的冷挤压模具。
4.Cr12: 这是一种高碳高铬钢,具有高耐磨性、高强度和高韧性,适用于制造
各种冷作模具。
5.Cr12MoV: 这种钢在淬火和低温回火后具有高的硬度和耐磨性,适用于制造
承受高载荷的冲压模具。
6.3Cr17Mo: 具有良好的耐腐蚀性和良好的机械性能,适用于制造对耐腐蚀性
要求较高的塑料模具。
7.9Cr18MoV: 这种不锈钢具有优良的耐腐蚀性和较高的硬度,适用于制造高精
度、高寿命的塑料模具。
8.5CrMnMo: 这种合金工具钢具有优良的淬透性、硬度和耐磨性,适用于制造
承受高载荷的热作模具。
9.8Cr2MnWMoVSi: 高强度、高耐磨性、高韧性、耐热疲劳性好,适用于制造高
难度、高寿命的冷挤压模具。
10.6Cr4Mo3Ni2WV: 高强度、高韧性、良好的耐磨性和抗疲劳性,适用于制造高
难度、高寿命的塑料模具。
常用模具钢材厂家、牌号类别档次供货商丰度金属、6181中上海凌盛丰度金属、7182高上海凌盛瑞典ASSS136/S136高上海凌盛AB4H84075高丰度金属84025丰度金属1厂家、牌号类别档次NAK553中NAK803高PDS-51PX41PX51中供货商丰度金属、上海凌盛丰度金属、上海凌盛龙记、丰度金属龙记上海凌盛丰度金属GS-312+SGS-3181GS-7382优质德GS-7112国特殊P20M1钢材GS-3164GS-083/0843HGS-344EF5SGS-6381低丰度金属丰度金属、低上海凌盛丰度金属、中上海凌盛丰度金属高、上海凌盛低龙记、明利丰度金属、上海凌盛、丰度金属丰度金属、上海凌盛中丰度金属日本PX881DAIDO PXZ0低S-STAR4G-STAR4PAK904DH2F5GSW-23111德国德威PM-3111GSW-27382丰度金属龙记丰度金属、上海凌盛龙记、丰度金属丰度金属、上海凌盛丰度金属上海凌盛龙记、丰度金属龙记、丰度金属龙记、丰度德国EDE L法国USIN OR法国CLI韩国重工业(株 )GS-231111GS-2312+SGS-23164GS-2083/24083HGS-234452311131812316/23164H23445CLC 27382CLC 23164HSP30017382HP-1A0HP-4A1HP-4MA1HAM-103HEMS-1A4中丰度金属低龙记、丰度金属丰度金属丰度金属丰度金属龙记、丰度中金属低丰度金属龙记、丰度德国金属多来丰度金属特龙记、丰度金属龙记、丰度金属龙记、丰度金属龙记、丰度中金属奥地利低龙记、明利百禄低丰度金属中明利高龙记加拿大 S明利OREL日本PM-7382GSW-23164PM-3164GSW-23445232212328123782273822083 、20843ESR2316 、23146ESR23445M2021M2382M3004M310/3104HW3025CSM-21金属丰度金属龙记、丰度金属丰度金属丰度金属明利龙记、明利明利丰度金属龙记明利、丰度金属丰度金属丰度金属丰度金属丰度金属丰度金属丰度金属龙记、明利STD-615丰度金属三菱MUP1中龙记、明利HDS-15龙记S45C 、S50C 、S550低丰度金属C注:类别对应为1-P20类, 2-P20+Ni类, 3-P21类, 4-420类耐蚀钢, 5-H13 类, 0-碳素钢。
牌号对照表钢厂名称钢重钢材标准比较交货状态主要成分(%)淬硬回火温度(℃)和硬度(HRC)特征用途编号AISI JIS DIN GB/YB出厂硬度C Mn Si Cr Mo V Ni W Cu Al S P温度℃100200300400450500525550600650700德国布德鲁斯塑料模具钢2738P20+Ni PDS540CrMnNi-预硬化0.4 1.50.3200.2-1---≤0.005<0.020840~87051535148-46--39-28硬化性能特佳,大型模具里外硬度均匀,晶粒厚度大于400mm之射出,压力成型模、Mo8.6.4HRC30~34组织细致,咬花效果均匀,易加工可镀硬铬。
塑料模具、模座2738P20MOD-40CrMnNi-HRC29~350.261.450.1 1.250.6- 1.05---≤0.002≤0.015860~8905050494746444342383223纯净、含硫量和夹杂物及低。
优良的拋旋光性,适用于塑料模具部件,尤其适用于大MOD.TS Mo8.6.4耐磨性和机加工性能,有良好的可焊性和导热型模具如保险杆、仪表板、座椅、垃2738P20MOD-40CrMnNi-HRC33~380.261.450.1 1.250.6- 1.05---≤0.002≤0.015860~8905050494746444342383223性能。
最适用于大型模具。
圾箱、行李箱外壳、电视机壳等。
MOD.TS(HH)Mo8.6.427116F2NAK8054NiCrV65CrNiMo预硬化0.550.80.250.70.250.1 1.7---≤0.003-830~8705654514442-39-3635-预硬型镍铬钼合金工具钢、质强韧、耐压、易大小型射出成型模HRC38~44拋光、可氮化耐蚀型模具钢2316420+CrSUSX36CrMo173Cr13Mo已调质至0.280.950.314.2 1.1-0.5---≤0.005-1020~105049474646-47---32-耐蚀性佳、材质强韧、耐磨耐压、易拋光耐蚀性要求高的塑料模具、吹瓶模ISO-B mod4250J2HRC28~332083420+Cr420J2X42Cr133Cr13预硬化0.420.30.413------≤0.005-1020~105056555251-52--40--耐蚀性佳、易加工、易拋光耐蚀性要求高的塑料模具ISO-B mod HRC38~42热作钢2343H11SKD6X38CrMoV5.14Cr5MoSiV退火态0.380.41 5.2 1.150.4----≤0.004-1000~1050---53-54--48-30耐磨热作钢,可硬化至HRC50承受高应力之模具、模仁ISO-B HB205~2302344H13SKD61X40CrMoV5.14Cr5MoSiV1软性退火至0.40.41 5.2 1.31----≤0.004-1020~106053525254-56-54504232可实施氮化处理,晶粒微细致密,高温软化抵抗性用于铝和金或锌合金之热作模、压铸模、压出成型ISO-B HB205~230适合高强度之塑料成型模或铝合金压铸模,切削性强模、塑料射出模、氮化顶出销、模仁、热剪床刀刃2347H13+S SKD61+S X40CrMoV5.1-HRC38~420.40.41 5.2 1.30.7----0.1-1020~105053525254-56-54504232可实施氮化处理,晶粒微细致密,高温软化抵抗性强用于铝和金或锌合金之热作模、压铸模、塑料射出(FDAC),适合高强度之塑料模或铝合金压铸模。
国内常见进口模具钢牌号______________________________________________________________________________________________________________进口淬火钢SMV3W 46~49RC 49~52RC AUBERT&DUVAL 大灯罩、支架、反射镜镜面钢、高寿命2343ESR 46~49RC 48~52RC 大灯罩、支架、反射镜镜面钢、高寿命8407 46~49RC 45~54RC 一胜百大灯罩、支架、反射镜镜面钢、高寿命2344 46~49RC 48~52RC 布德鲁斯滑块、顶块、镶件高寿命S-136 46~49RC 45~54RC 一胜百大灯罩、支架、反射镜镜面钢、高寿命、耐腐蚀SKD61 46~49RC 滑块、顶块、镶件、杆件高寿命SKH51 59~61RC 小镶针、小顶针、扁顶针高硬度、韧性较好、高耐磨SUJ2 58~62RC 高频淬火导柱、导套、复位杆进口预硬钢NAK80 37~43RC 大同大灯罩、支架镜面钢、焊接性好、韧性差MEK4 42~43RC AUBERT&DUVAL 后灯灯罩抛光性好NIMAX 40RC 一胜百后灯灯罩抛光性好、皮纹效果好718HH 35~39RC 一胜百后灯灯罩抛光性好、皮纹效果好718S 30~35RC 一胜百寿命要求中等的模具抛光性较好、皮纹效果好718 28~33RC 一胜百寿命要求中等的模具抛光性较好、皮纹效果好618HH 36~40RC 一胜百后灯灯罩后模抛光性较好、皮纹效果好2738 28~33RC 布德鲁斯寿命要求高的大型模具抛光性较好、皮纹效果好738HH 33~38RC 布德鲁斯寿命要求高的大型模具抛光性较好、皮纹效果好738MOD.TS 31RC 布德鲁斯寿命要求高的大型模具抛光性较好、皮纹效果好2711 37~40RC 布德鲁斯滑块、顶块、镶件抛光性好、加工性不好GS-2711 35~38RC 滑块、顶块、镶件抛光性好、加工性不好P20HH 34~38RC 芬苛乐寿命要求高的大型模具抛光性较好、皮纹效果好P20LQ 34~38RC 芬苛乐寿命要求高的大型模具抛光性好、皮纹效果好MOLDMAX30 26~32RC BRUSH WELLMAN 不易冷却的镶件导热性好MOLDMAX40 36~42RC BRUSH WELLMAN 不易冷却的镶件导热性好AMPCO18 192HB AMPCO 导套、导向条、耐磨片自润滑性极佳、耐磨AMPCO21 30RC AMPCO 导套、导向条、耐磨片自润滑性极佳、耐磨Welcome To Download欢迎您的下载,资料仅供参考!。
欧阳歌谷创编 2021年2月1SMV3W 46~49RC 49~52RC AUBERT&DUVAL 大灯罩、支架、反射镜镜面钢、高寿命2343ESR 46~49RC 48~52RC 大灯罩、支架、反射镜镜面钢、高寿命8407 46~49RC 45~54RC 一胜百大灯罩、支架、反射镜镜面钢、高寿命2344 46~49RC 48~52RC 布德鲁斯滑块、顶块、镶件高寿命S-136 46~49RC 45~54RC 一胜百大灯罩、支架、反射镜镜面钢、高寿命、耐腐蚀SKD61 46~49RC 滑块、顶块、镶件、杆件高寿命SKH51 59~61RC 小镶针、小顶针、扁顶针高硬度、韧性较好、高耐磨SUJ2 58~62RC 高频淬火导柱、导套、复位杆进口预硬钢NAK80 37~43RC 大同大灯罩、支架镜面钢、焊接性好、韧性差MEK4 42~43RC AUBERT&DUVAL 后灯灯罩抛光性好NIMAX 40RC 一胜百后灯灯罩抛光性好、皮纹效果好718HH 35~39RC 一胜百后灯灯罩抛光性好、皮纹效果好718S 30~35RC 一胜百寿命要求中等的模具抛光性较好、皮纹效果好欧阳歌谷创编 2021年2月1718 28~33RC 一胜百寿命要求中等的模具抛光性较好、皮纹效果好618HH 36~40RC 一胜百后灯灯罩后模抛光性较好、皮纹效果好2738 28~33RC 布德鲁斯寿命要求高的大型模具抛光性较好、皮纹效果好738HH 33~38RC 布德鲁斯寿命要求高的大型模具抛光性较好、皮纹效果好738MOD.TS 31RC 布德鲁斯寿命要求高的大型模具抛光性较好、皮纹效果好2711 37~40RC 布德鲁斯滑块、顶块、镶件抛光性好、加工性不好GS-2711 35~38RC 滑块、顶块、镶件抛光性好、加工性不好P20HH 34~38RC 芬苛乐寿命要求高的大型模具抛光性较好、皮纹效果好P20LQ 34~38RC 芬苛乐寿命要求高的大型模具抛光性好、皮纹效果好MOLDMAX30 26~32RC BRUSH WELLMAN 不易冷却的镶件导热性好MOLDMAX40 36~42RC BRUSH WELLMAN 不易冷却的镶件导热性好AMPCO18 192HB AMPCO 导套、导向条、耐磨片自润滑性极佳、耐磨AMPCO21 30RC AMPCO 导套、导向条、耐磨片自润滑性极佳、耐磨欧阳歌谷创编 2021年2月1。
国内外冲模模具钢钢号对照表9—46 冲模模具钢钢号对照表序号外国牌号所属国家或厂家钢种类别近似对应钢号主要特点及用途中国美国日本德国1 A2美国AISI Leng冷作模具钢Cr5Mo1V SKD12 1.23632 D2美国AISI 冷作模具钢C12Mo1V SKD11 1.23793 D3美国AISI 冷作模具钢Cr12 SKD1 1.20804 DC11日本大同冷作模具钢Cr12Mo1V1 D2 SKD115 DC53 日本大同冷作模具钢Cr8Mo1VSiDC11改进型高温回火后具有高硬度、高韧性,线切割性良好6 DF-2 瑞典ASSAB 冷作模具9Mn2V O2良好冲裁能力,热处理变钢形小,用于小型冲压模,切纸刀片7 DF-3瑞典ASSAB 冷作模具钢9CrWMn O1 SKS3 1.2510良好韧口保持能力,淬火变形小,用于薄片冲模、压花模8 GOA日本大同殊冷作模具钢SKS3改进型淬透性高,耐磨性好,用于冷冲裁模,成形模,冲头,压花9 GSW-2 3 7 9德国德威冷作模具钢Cr12Mo1V1 D2 1.2379用于冷挤压,冲压模,也用于高耐磨性塑料模具10 K100奥地利百禄高碳高铬冷作模具钢Cr12 D3 1.2080高耐磨性,优良的耐腐蚀性,用于不锈钢薄板切边,深冲,冷压,成形模11 K110奥地利百禄高韧性高铬冷作模具钢Cr12Mo1V1 D2良好的强度、硬度和韧性,用于重载冲压模12 K460奥地利百禄油淬冷作模具钢MnCrWV O1 1.2510高强度,热处理变形小,用于金属冲压模13 M2美国AISI 冷作模具用钼系高速钢W6Mo5Cr4V2 SKH9 1.334314 O1美国AISI 油淬冷作模具钢MnCrWV SKS3 1.251015 O2 美国AISI 油淬冷作9Mn2V 1.2842模具钢16 P18俄罗斯冷作模具用钨系高速钢W18Cr4V T1 SKH2 1.335517 STD11韩国重工空淬冷作模具钢Cr12Mo1V1 D2改良SKD11高清净度、硬度均匀、高耐磨、高强度18 XW-10瑞典ASSAB 空淬冷作模具钢Cr5Mo1V A2 SKD12韧性好,高耐磨,热处理变形小19 XW-42瑞典ASSAB 高碳高铬冷作模具钢Cr12Mo1V1 D2良好淬透性及强韧性、高耐磨、热处理变形小、回火抗力好20 YK30日本大同油淬冷作模具钢O2 SKS93 冷冲压模21 8407瑞典ASSAB 通用热作模具钢4Cr5MoSiV1 H13用于锤锻、挤压、压铸模,也可用于塑料模具22 DH21日本大同铝压铸模用钢4Cr3Mo3VSi抗热疲劳开裂性能好,模具使用寿命较高23 DH2F 日本大同预硬化模具钢H13+SSKD61改良预硬37~41HRC,韧性良好,用于复杂精密锌热作模具24 DH31S 日本大同压铸模用钢淬透性好,抗热疲劳开裂和抗热熔损性均良好序号外国牌号所属国家或厂家钢种类别中国美国日本德国主要特点及用途25 DH42 日本大同铜压铸模用钢用于铜合金压铸和热挤压模27 GSW-2 3 4 4 德国德威通用压铸模用钢4Cr5MoSiV1 H13型用于铝、锌合金压铸模28 H10 美国AISI美国H系列热作模具钢4Cr3Mo3SiV 1.236529 H11 美国AISI美国H系列热作模具钢4Cr5MoSiV SKD6 1.234330 H13 美国AISI美国H系列热作模具钢4Cr5MoSiV1 SKD61 1.2344在我国广泛应用31 H21 美国AISI美国H系列热作模具钢3Cr2W8V SKD5 1.2581在我国广泛应用32 HDS-1 韩国重工热作模具钢H13改良型具有良好的强韧性和抗回火稳定性,用于压铸模、热挤压模33 QRO-90 瑞典ASSAB热作模具钢(4Cr3Mo3VSi)高温强度高,导热性好,耐热冲击,抗热疲劳34 STD61韩国重工热作模具钢近似H13具有良好的高温强度和韧性,用于压铸、热挤压、热冲压模35 W302 奥地利百禄热作模具近似H13用于铝、锌合金热挤压、热钢冲压模 36 420SS美国AISI 耐蚀塑料模具钢 4Cr13X38C13马氏体型不锈钢27 440C美国AISI 耐蚀塑料模具钢 11Cr17SUS440C马氏体型不锈钢28 618瑞典ASSAB 预硬化塑料模具钢 3Cr2MoP20在我国广泛应用29 716瑞典ASSAB 耐蚀塑料模具钢420 SUS420J1马氏体型不锈钢30 718 瑞典ASSAB 镜面塑料模具钢 3Cr2Mo+ NiP20+Ni可预硬交货,高淬透性,良好的抛光性能电加工性能和皮纹加工性能 31 CLC2083 法国USINOR耐蚀镜面塑料模具钢 4Cr13型良好的耐蚀性和力学强度,高的淬透性及耐磨性,优良的镜面抛光性32 CLC2316H 法国USINOR耐蚀镜面塑料模具钢 4Cr16型同上33 CLC2738 法国USINOR预硬化镜面塑料模具钢3Cr2Mo+ Ni近似71834 CLC2 7 3 8 HH 法国USINOR高级镜面塑料模具钢比CLC2738洁净度更高,硬度更均匀,模具性能更佳,寿命长 35 G-STAR日本大耐蚀出厂硬度同塑料模具钢HRC33~37,具有良好的耐蚀性和切削加工性36 GSW-2 0 8 3 德国德威耐蚀塑料模具钢4Cr13型具有良好的耐蚀性,用于PVC材料模具37 GSW-2 3 11 德国德威预硬化塑料模具钢P20型出厂硬度HRC31~34,可电火花加工用于大中型镜面塑料模具38 GSW-2 3 1 6 德国德威耐蚀塑料模具钢4Cr16型出厂硬度HRC31~34, 有良好的耐蚀性和镜面抛光性39 GSW-2 7 3 8德国德威镜面塑料模具钢P20+Ni出厂硬度HRC31~34,,硬度均匀,抛光性能好,用于大中型镜面塑料模具序号外国牌号所属国家或厂家钢种类别中国美国日本德国主要特点及用途40 HAM-10韩国重工镜面塑料模具钢出厂硬度HRC37~42, 镜面抛光性能好,用于透明塑料部件模具41 HEMS-1A 韩国重工耐蚀塑料模具钢3Cr13型出厂硬度HRC23~33, 高级镜面抛光性能42 HP-1A韩国重工普通塑料模具钢良好的加工性能,加工变型小,用于玩具模具43 HP-4A韩国重工预硬化塑料模具钢3Cr2Mo出厂硬度HRC25~32, 硬度均匀,加工性能好44 HP-4MA韩国重工预硬化塑料模具钢P20改良型出厂硬度HRC27~34,,硬度均匀,耐磨性好,用于各种家用电器外壳模具45 M202奥地利百禄预硬化塑料模具钢P20型出厂硬度HRC30~34, 可进行电加工46 M238奥地利百禄镜面塑料模具钢P20+Ni型出厂硬度HRC30~34, 镜面抛光性好,M238H更高级47 M300奥地利百禄耐蚀镜面塑料模具钢马氏体型具有优良的耐蚀性,高的力学强度和耐磨性,并有优良的镜面抛光性48 M310奥地利百禄耐蚀镜面塑料模具钢4Cr13型具有优良的耐蚀性,耐磨性,镜面抛光性49 NAK55日本大同镜面预硬化塑料模具钢出厂硬度HRC37~43, 切削加工性能好,用于高精度镜面模具50 NAK80日本大同镜面预硬化塑料模具钢出厂硬度HRC37~43, 镜面抛光性能好,用于高精度镜面模具51 P20美国AISI 预硬化塑料模具钢3Cr2Mo 1.2330在我国广泛应用,出厂硬度HRC30~42,适用于大中型精密模具52 PXZ 日本大同预硬化塑料模具钢出厂硬度HRC27~34,具有良好的切削性和焊补性53 PX4,PX5日本大同镜面预硬化塑料模具钢P20改良型出厂硬度HRC30~33, 用于大型镜面模具54 S45CS50CS55C 日本JIS 普通塑料模具钢SM45 SM48SM50SM53SM55用于模具非重要的结构部件,如模架等 55 S-136 瑞典ASSAB 耐蚀塑料模具钢 3Cr13/4Cr13中碳高铬不锈钢,耐蚀性好、硬度高、抛光性好 56 S-STAR 日本大同耐蚀镜面塑料模具钢 马氏体型高耐蚀性,高镜面抛光性,热处理变形小,用于耐蚀镜面模具 57 SP300 法国CLI 预硬化塑料模具钢具有良好的加工性抛光性和皮纹加工性,用于家电、汽车塑料模具 58 HFH-1 韩国重工 火焰淬火模具钢 7CrSiMnMoV较好的淬透性,良好的韧性耐磨性,热处理变形小 59 STF-4M韩国重工锻造用模具钢6F2改良具有优良的抗热冲击性能和高的耐磨性,用于锻造模、热冲压模欢迎您的下载,资料仅供参考!致力为企业和个人提供合同协议,策划案计划书,学习资料等等打造全网一站式需求。
常用模具材料牌号对照表别中国钢号通用钢号钢材特性类塑胶模具钢3Cr2Mo P20(美国)618(瑞典) 预硬塑胶模具钢3Cr2NiMo 718(瑞典)P20+Ni( 美国) 超预硬塑胶模具钢4Cr13 S136(瑞典)抗腐蚀塑胶模具钢1CrNi3 NAK80 (日本)镜面塑胶模具钢3Cr17Mo M300 (奥地利)耐腐蚀塑胶模具钢钢五金模具钢CrWMn SKS3(日本)不变形油Cr12Cr12MoV SKD11(日本)D3(美国) 耐磨韧性铬钢Cr12Mo1V1 D2(美国)热作模具钢4Cr5MoSiV1 SKD61 (日本)通用热作模具钢H13(美国)8407(瑞典)冷作模具钢CrWMn/SKS31/105W/Cr6 高硬度,中等淬透性,价格低廉。
207-255 820-840 下料模、冲头、成型模、搓丝板顶出杆及小型塑料压模等。
9Mn2V/O2/DF-2 具有良好冲载能力,热处理变形小。
≤229 780-800 厚度小于6mm 以下的小型冲压模具及切纸机、刀具等。
9CrWMn/O1/SKS3/DF-3/100Mn/CrW4 淬火变形小,具有良好的刃口保持能力,热处理变形小。
197-241 820-840 薄片冲压模、手饰压花模等。
9SiCr/X100Cr/MoV51 具有高硬度良好的韧性和较好的抗回火稳定性。
197-241 860-880下料模、冲头、搓丝板、压印模、顶出杆等Cr5Mo1V/A2/SKD12/XW-10/210/Cr12 空冷淬硬性铬钢,韧性极佳,高耐磨损性和抗腐蚀能力。
≤255 950-1000 拉伸模、压花模、下料模、冲压模、及耐磨塑料模等。
Cr12/D3/SKD1/X165Cr/MoV12 高碳铬钢,具有高耐磨性和抗腐蚀能力。
217-269 950-980 应用于小动载条件下要求高耐磨形状简单的拉伸模及冲载模。
Cr12MoV/X155Cr/VMo121 具有良好的淬透性,高耐磨性,韧性高。
国内常见模具钢牌号对
照表
Company Document number:WTUT-WT88Y-W8BBGB-BWYTT-19998
国内常见进口模具钢牌号对
SMV3W 46~49RC 49~52RC AUBERT&DUVAL 大灯罩、支架、反射镜镜面钢、高寿命2343ESR 46~49RC 48~52RC 大灯罩、支架、反射镜镜面钢、高寿命
8407 46~49RC 45~54RC 一胜百大灯罩、支架、反射镜镜面钢、高寿命
2344 46~49RC 48~52RC 布德鲁斯滑块、顶块、镶件高寿命
S-136 46~49RC 45~54RC 一胜百大灯罩、支架、反射镜镜面钢、高寿命、耐腐蚀SKD61 46~49RC 滑块、顶块、镶件、杆件高寿命
SKH51 59~61RC 小镶针、小顶针、扁顶针高硬度、韧性较好、高耐磨
SUJ2 58~62RC 高频淬火导柱、导套、复位杆
进口预硬钢
NAK80 37~43RC 大同大灯罩、支架镜面钢、焊接性好、韧性差
MEK4 42~43RC AUBERT&DUVAL 后灯灯罩抛光性好
NIMAX 40RC 一胜百后灯灯罩抛光性好、皮纹效果好
718HH 35~39RC 一胜百后灯灯罩抛光性好、皮纹效果好
718S 30~35RC 一胜百寿命要求中等的模具抛光性较好、皮纹效果好
718 28~33RC 一胜百寿命要求中等的模具抛光性较好、皮纹效果好
618HH 36~40RC 一胜百后灯灯罩后模抛光性较好、皮纹效果好
2738 28~33RC 布德鲁斯寿命要求高的大型模具抛光性较好、皮纹效果好738HH 33~38RC 布德鲁斯寿命要求高的大型模具抛光性较好、皮纹效果好 31RC 布德鲁斯寿命要求高的大型模具抛光性较好、皮纹效果好
2711 37~40RC 布德鲁斯滑块、顶块、镶件抛光性好、加工性不好
GS-2711 35~38RC 滑块、顶块、镶件抛光性好、加工性不好
P20HH 34~38RC 芬苛乐寿命要求高的大型模具抛光性较好、皮纹效果好P20LQ 34~38RC 芬苛乐寿命要求高的大型模具抛光性好、皮纹效果好MOLDMAX30 26~32RC BRUSH WELLMAN 不易冷却的镶件导热性好MOLDMAX40 36~42RC BRUSH WELLMAN 不易冷却的镶件导热性好AMPCO18 192HB AMPCO 导套、导向条、耐磨片自润滑性极佳、耐磨AMPCO21 30RC AMPCO 导套、导向条、耐磨片自润滑性极佳、耐磨。