滚珠丝杠基础知识
- 格式:doc
- 大小:400.50 KB
- 文档页数:14
滚珠丝杠2010参数概述滚珠丝杠是一种常用于机械传动的装置,它具有高效、精密和稳定等特点。
本文将介绍滚珠丝杠2010参数及其相关知识。
1.滚珠丝杠的工作原理滚珠丝杠是由螺纹和滚珠组成的一种传动机构。
在滚珠丝杠中,滚珠被用来传递力量和减小摩擦,从而提高传动效率。
滚珠丝杠通过旋转螺纹使滚珠运动,从而实现任务的传递。
2.滚珠丝杠2010参数2.1直径滚珠丝杠的直径是指其螺纹的直径,它是影响滚珠丝杠承载能力和刚性的重要参数。
滚珠丝杠2010参数中的2010表示直径为20毫米,螺距为10毫米。
2.2螺距螺距是指螺纹每转一周所移动的距离。
在滚珠丝杠2010参数中,螺距为10毫米,表示螺纹每转一周所移动的距离为10毫米。
2.3丝杠导程丝杠导程是指螺纹结构上每个螺纹所移动的距离,通常以毫米表示。
在滚珠丝杠2010参数中,导程与螺距相等,均为10毫米。
2.4额定负载滚珠丝杠的额定负载是指滚珠丝杠所能承受的最大负载。
在滚珠丝杠2010参数中,额定负载通常以静载和动载两种情况下的最大负荷来表示。
2.5精度等级滚珠丝杠的精度等级是指滚珠丝杠制造精度的分类。
精度等级越高,滚珠丝杠的制造精度越高。
滚珠丝杠2010参数中,一般具有C3等级的制造精度。
2.6使用寿命滚珠丝杠的使用寿命是指在特定工作条件下,能够正常工作的时间。
滚珠丝杠2010参数中的使用寿命通常以表格形式给出,可以根据具体的使用需求选择合适的滚珠丝杠。
3.滚珠丝杠的应用滚珠丝杠广泛应用于各种机械设备中,包括搬运设备、自动化设备、工业机器人等。
它们通过滚珠丝杠的传动,实现了精密的位置控制和高效的运动控制。
4.滚珠丝杠的优势4.1高传动效率滚珠丝杠由于滚珠与丝杠的接触较小,摩擦损失较小,因此具有较高的传动效率。
4.2精密定位滚珠丝杠具有较高的刚性和精度,能够实现精确的位置控制和定位。
4.3负载能力滚珠丝杠可以承受较大的负载,具有较高的承载能力。
结论本文对滚珠丝杠2010参数进行了介绍,包括直径、螺距、丝杠导程、额定负载、精度等级和使用寿命等关键参数。
一目了然的滚珠丝杆的基础入门知识滚珠丝杠的应用滚珠丝杠机构作为一种高精度的传动部件,大量应用在数控机床、自动化加工中心电子精密机械进给机构、伺服机械手、工业装配机器人、半导体生产设备、食品加工与包装、医疗设备等各种领域。
滚珠丝杠机构的结构如果将滚珠丝杠机构沿纵向剖开,可以看到它主要由丝杠、螺母、滚珠、滚珠回流管防尘等组成。
在图13-4中,各部分结构的作用如下:丝杠属于转动部件,是一种直线度非常高、上面加工有半圆形螺旋槽的螺纹轴,半圆形螺旋槽是滚珠滚动的滚道。
丝杠具有很高的硬度,通常在表面淬火后再进行磨削加工保证具有优良的耐磨性能。
丝杠一般与驱动部件连接在一起,丝杠的转动由电机直接或间接驱动。
既可以采用直联的方法,即将电机输出轴通过专用的弹性联轴器与丝杠相联传动比为1;也可以通过其他的传动环节使电机输出轴与丝杠相连,例如同步带、齿轮等(2) 螺母螺母是用来固定需要移动的负载的,其作用类似于直线导轨机构的滑块。
一般将所需要移动的各种负载(例如工作台、移动滑块)与螺母连接在一起,再在工作台或移动滑块上安装各种执行机构螺母内部加工有与丝杠类似的半圆形滚道,而且设计有供滚珠循环运动的回流管,螺母是滚珠丝杠机构的重要部件,滚珠丝杠机构的性能与质量很大程度上依赖于螺母。
(3)防尘片防尘片的作用为防止外部污染物进入螺母内部。
由于滚珠丝杠机构属于精密部件如果在使用时污染物(例如灰尘、碎屑、金属渣等)进入螺母,可能会使滚珠丝杠运动副严重磨损,降低机构的运动精度及使用寿命,甚至使丝杠或其他部件发生损坏,因此必须对丝杠螺母进行密封,防止污染物进入螺母4 滚珠在滚珠丝杠机构中,滚珠的作用与其在直线导轨、直线轴承中的作用是相同的,滚珠作为承载体的一部分,直接承受载荷,同时又作为中间传动元件,以滚动的方式传递运动。
由于以滚动方式运动,所以摩擦非常小。
(5) 油孔滚珠丝杠机构运行时需要良好的润滑,因此应定期加注润滑油或润滑脂。
滚珠丝杠你知多少,滚柱丝杠你⼜知多少?滚珠丝杠的是将螺杆轴与螺母滚道内装进钢珠后进⾏⽆限的滚动和循环的⼀种机械形式,从⽽产⽣将旋转运动转化为精确直线定位运动。
为减少钢珠在滚道内循环时产⽣的摩擦⼒矩,把丝杆和螺母滚道与钢珠的线接触设计成点接触结构。
单圆弧制造⼯艺简单;双圆弧制造⼯艺复杂,但精度保持性、载荷性能好。
双圆弧截形轴向刚度⼤于单圆弧截形,机床上普遍采⽤双圆弧截形的丝杠。
丝杆螺帽内滚珠循环有典型的4种结构:分别是:内循环、外循环、端盖循环、盖板循环当丝杠相对于螺母旋转时,丝杠的旋转⾯经滚珠推动螺母轴向移动,同时滚珠沿螺旋形滚道滚动,使丝杠和螺母之间的滑动摩擦转变为滚珠与丝杠、螺母之间的滚动摩擦。
滚珠通过回珠管从⼀端重新回到另⼀端。
分类插管式外循环形式内循环形式端盖式内循环形式特征适⽤⼤型滚珠丝杠适⽤体积⼩的滚珠丝杠适⽤⼤导程的丝杠螺母滚珠可⽤多圈滚珠×1回路可⽤壹圈滚珠×1个回路可⽤多圈滚珠×1个回路回路设计⽤多条回路⽤多条回路⽤多条回路螺母外径⽤于⼤直径⼤型螺母⽤于⼩直径⼩型螺母⽤于中直径、⼤直径以上螺母由此可看出,端盖式由于在同等螺母长度内,能有更多的滚珠,因此丝杆的性能更好。
⼯作原理:⾏星滚柱丝杠是⼀种将旋转运动转换为线性运动的机械装置。
在主螺纹丝杠的周围,⾏星布置了6-12个螺纹滚柱丝杠,滚柱螺母内使⽤的是⼩螺纹滚柱与主丝杠相互啮合,这时螺母的结构类似于⾏星齿轮箱。
众多的接触点使⾏星滚珠丝杠的承载能⼒⾮常强。
⾏星滚柱丝杠与滚珠丝杠的结构相似,区别在于⾏星滚柱丝杠载荷传递元件为螺纹滚柱,是典型的线接触;⽽滚珠丝杠载荷传递元件为滚珠,是点接触。
主要优势是有众多的接触点来⽀撑负载。
螺纹滚柱替代滚珠将使负载通过众多接触点迅速释放,从⽽能有更⾼的抗冲能⼒。
承载能⼒及寿命⾏星滚柱丝杠与滚珠丝杠的优势在于能够提供⾼于滚珠丝杠的额定动载和静载,螺纹滚柱替代滚珠将使负载通过众多接触线迅速释放,从⽽能有更⾼的抗冲击能⼒。
滚珠丝杆资料简介滚珠丝杆是一种用于传动力和运动的机械装置。
它由精密制造的滚珠和threaded rod 组成,其中滚珠嵌入在threaded rod 上,用于减少摩擦和提高机械效率。
这使得滚珠丝杆比其他传动机制更加可靠、高效和精准。
本文将介绍滚珠丝杆的资料简介,包括材料选择、制造工艺、应用和市场趋势等。
1. 材料选择滚珠丝杆的性能和质量取决于它的材料选择。
常用的材料包括钢、不锈钢和铝。
钢材料的强度高,价格低廉,是最常用的材料之一。
不锈钢具有良好的耐腐蚀性和耐高温性,适用于在恶劣环境下使用。
铝材料轻,非常适合制造机械设备和仪器。
在材料选择时需要考虑到滚珠丝杆的使用环境、使用寿命和负荷等因素。
2. 制造工艺滚珠丝杆的制造过程需要高精度的加工技术,以确保其质量和精度。
滚珠的精度要求非常高,需要采用精密加工设备完成。
threaded rod 的加工也需要高精度的数控机床和磨床完成,以保证其尺寸和形状的精度。
滚珠丝杆的组装需要专业的技术和设备,以确保滚珠和threaded rod 的契合度和减少摩擦。
3. 应用滚珠丝杆广泛应用于各种机械设备和仪器中,包括数控机床、机器人、印刷机、医疗设备、航空航天设备等。
作为一种高效传动装置,滚珠丝杆可以减少摩擦,提高传动效率,同时由于其精度高,可以实现高精度定位和运动控制。
4. 市场趋势随着工业自动化程度的不断提高,滚珠丝杆的市场需求不断增加。
特别是在工业机器人、数控机床等高精度设备中的应用日益广泛,滚珠丝杆的市场前景十分广阔。
此外,随着医疗设备、航空航天、新能源等领域的不断发展,对于高精度和高可靠性的机械装置的需求也在不断增加。
因此,滚珠丝杆的市场前景非常看好。
综上所述,滚珠丝杆作为一种高效、精密的传动装置,具有广泛的应用前景和市场潜力。
在使用滚珠丝杆时需要选择合适的材料和制造工艺,并注意保养和维护,以确保其长期稳定的工作和高效的传动效率。
滚珠丝杠副特性滚珠丝杠传动系统是一个以滚珠作为滚动媒介的滚动螺旋传动的体系。
以传动形式分为两种:(1)将回转运动转化成直线运动。
(2)将直线运动转化成回转运动。
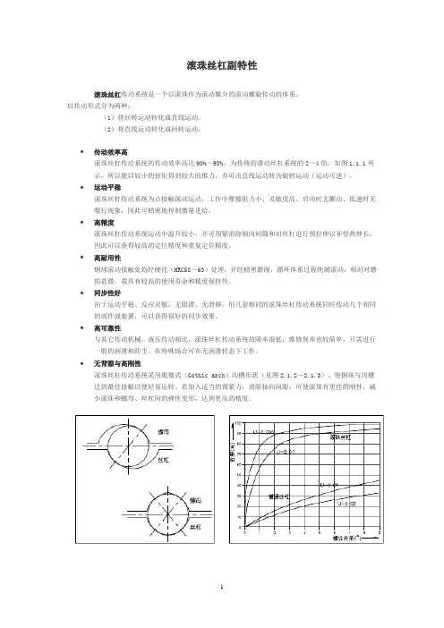
•传动效率高滚珠丝杠传动系统的传动效率高达90%~98%,为传统的滑动丝杠系统的2~4倍,如图1.1.1所示,所以能以较小的扭矩得到较大的推力,亦可由直线运动转为旋转运动(运动可逆)。
•运动平稳滚珠丝杠传动系统为点接触滚动运动,工作中摩擦阻力小、灵敏度高、启动时无颤动、低速时无爬行现象,因此可精密地控制微量进给。
•高精度滚珠丝杠传动系统运动中温升较小,并可预紧消除轴向间隙和对丝杠进行预拉伸以补偿热伸长,因此可以获得较高的定位精度和重复定位精度。
•高耐用性钢球滚动接触处均经硬化(HRC58~63)处理,并经精密磨削,循环体系过程纯属滚动,相对对磨损甚微,故具有较高的使用寿命和精度保持性。
•同步性好由于运动平稳、反应灵敏、无阻滞、无滑移,用几套相同的滚珠丝杠传动系统同时传动几个相同的部件或装置,可以获得很好的同步效果。
•高可靠性与其它传动机械,液压传动相比,滚珠丝杠传动系统故障率很低,维修保养也较简单,只需进行一般的润滑和防尘。
在特殊场合可在无润滑状态下工作。
•无背隙与高刚性滚珠丝杠传动系统采用歌德式(Gothic arch)沟槽形状(见图2.1.2—2.1.3)、使钢珠与沟槽达到最佳接触以便轻易运转。
若加入适当的预紧力,消除轴向间隙,可使滚珠有更佳的刚性,减少滚珠和螺母、丝杠间的弹性变形,达到更高的精度。
现代制造技术的发展突飞猛进,一批又一批的高速数控机床应运而生。
它不仅要求有性能卓越的高速主轴,而且也对进给系统提出了很高的要求:(1)最大进给速度应达到40m/min或更高;(2)加速度要高,达到1g以上;(3)动态性能要好,达到较高的定位精度。
高速滚珠丝杠副是指能适应高速化要求(40 m/min以上)、满足承载要求且能精密定位的滚珠丝杠副,是实现数控机床高速化首选的传动与定位部件。
滚珠丝杠基础知识(上)来源: 微小型轴承网 2006-4-19 8:52:001 滚珠丝杠公称直径与公称导程组合、制造范围3 滚珠丝杠副的结构类型、编号方法5 滚珠丝杠副的精度5.1 精密等级根据使用范围及要求将滚珠丝杠副分为定位滚珠丝杠幅(P)传动滚珠丝杠副(T),精度分为七个等级,即1、2、3、4、5、6、7、10级,1级精度最高,依次降低。
5.2行程偏差和行程变动量根据滚珠丝杠副类型按下表检验5.2.1 有效行程内的行程偏差ep与行程变动量VUP:有效行程是有精度要求的行程长度LULu=Lx+2La+LnLa安全行程La=(1-2)ph Lx机械最大行程Ln螺母的长度ph公称导程E1-E2按国家标准GB/T17857.3-1998,“滚珠丝杠副的验收条件和验收检验”。
见附表1。
5.2.2 300mm行程内与2π弧度行程内行程变动量V300P与V2 π pE3-E4按国家标准GB/T17857.3-1998,“滚珠丝杠副的验收条件和验收检验”。
见附表1续。
5.2.3 余程Le余程是没有精度要求的行程长度。
余程表66 行程补偿值C6.1 滚珠丝杠的热变形将导致长度、定位精度变化,热变形可由下式给出:δt=α*△t*Lu (公式1)α-热膨胀系数(12.0*10-6)△t -温升(一般取2-4℃)Lu-有效行程(Lu=Lx+2La+Ln)或Lu=L1-2LeL1-螺纹全长Le-余程Le见表66.2 目标行程Phs为了补偿由于热膨胀或弹性变形引起的丝杠长度变化,将滚珠丝杠的导程制造得稍大于或小于公称导程,着根据实际需要提出得含有方向目标要求的导程叫目标导程。
目标导程乘以丝杠上的有效圈数叫目标行程。
6.3 目标偏差C目标行程和公称行程之差叫行程偏差C,为了补偿热变形的影响,行程偏差C=δt(δt见公式1)并为负值。
6.4 丝杠的预拉伸力规定了行程偏差C的滚珠丝杠副,在采用固定-固定安装方式时,还可以采用丝杠预拉伸的方法来进一步补偿热变形,预拉伸力Ft:Ft=δt*A*E/ Lu=α*△t*E*(πd22/4)(公式2)E-弹性模量2.1×105Mpa(即2.1×105N/mm2)d2-丝杠底径(mm)△t-温升(一般取2-4℃)7 基本额定载荷及寿命7.1 轴向基本额定静载荷Coa 滚珠丝杠副在承受最大接触应力处产生不大于0.000 1倍的钢球直径的永久变形时,所能承受的最大轴向载荷。
滚珠丝杠技术参数
滚珠丝杠是一种常见的传动元件,主要用于机械设备中的直线运动。
以下是滚珠丝杠的一些技术参数:
1. 基本参数:滚珠丝杠包括导丝杆和螺母两部分。
导丝杆的直
径和导程是衡量其尺寸的主要参数,一般的标准规格有:16×5、
20×6、25×5、25×10、32×6、32×10、40×8等。
2. 精度等级:滚珠丝杠的精度等级主要取决于螺母的制造精度。
一般分为C0、C1、C2、C3、C5、C7等,其中C0表示最低的精度等级,C7则为最高的精度等级。
3. 承载能力:滚珠丝杠的承载能力和导丝杆的直径有关,直径
越大承载能力就越大。
一般来说,承载能力是以N为单位表示的,常
见的有:500N、1000N、2000N、4000N等。
4. 工作温度:滚珠丝杠的工作温度一般在-30℃~+120℃之间,
具体的温度范围取决于材质和润滑方式等因素。
5. 驱动方式:滚珠丝杠的驱动方式有两种:手动和电动。
手动
滚珠丝杠需要人工转动螺母,而电动滚珠丝杠可以通过电机实现自动
转动。
6. 使用寿命:滚珠丝杠的使用寿命与运动速度、载荷大小、使
用环境、润滑方式等因素有关。
一般来说,其使用寿命可以达到几万
个小时以上。
以上是滚珠丝杠的一些常见技术参数,不同规格和品牌的滚珠丝
杠具体参数会有所不同。
滚珠丝杠基础知识上来源: 2006-4-19 8:52:001 滚珠丝杠公称直径与公称导程组合、制造范围3 滚珠丝杠副的结构类型、编号方法5 滚珠丝杠副的精度精密等级根据使用范围及要求将滚珠丝杠副分为定位滚珠丝杠幅P传动滚珠丝杠副T,精度分为七个等级,即1、2、3、4、5、6、7、10级,1级精度最高,依次降低;行程偏差和行程变动量根据滚珠丝杠副类型按下表检验有效行程内的行程偏差ep与行程变动量VUP:有效行程是有精度要求的行程长度LULu=Lx+2La+LnLa安全行程La=1-2ph Lx机械最大行程Ln螺母的长度ph公称导程E1-E2按国家标准GB/,“滚珠丝杠副的验收条件和验收检验”;见附表1;300mm行程内与2π弧度行程内行程变动量V300P与V2 π pE3-E4按国家标准GB/,“滚珠丝杠副的验收条件和验收检验”;见附表1续;余程Le余程是没有精度要求的行程长度;余程表66 行程补偿值C滚珠丝杠的热变形将导致长度、定位精度变化,热变形可由下式给出:δt=α△tLu 公式1α-热膨胀系数10-6△t -温升一般取2-4℃Lu-有效行程Lu=Lx+2La+Ln或Lu=L1-2LeL1-螺纹全长Le-余程Le见表6目标行程Phs为了补偿由于热膨胀或弹性变形引起的丝杠长度变化,将滚珠丝杠的导程制造得稍大于或小于公称导程,着根据实际需要提出得含有方向目标要求的导程叫目标导程;目标导程乘以丝杠上的有效圈数叫目标行程;目标偏差C目标行程和公称行程之差叫行程偏差C,为了补偿热变形的影响,行程偏差C=δtδt见公式1并为负值;丝杠的预拉伸力规定了行程偏差C的滚珠丝杠副,在采用固定-固定安装方式时,还可以采用丝杠预拉伸的方法来进一步补偿热变形,预拉伸力Ft:Ft=δtAE/ Lu=α△tEπd22/4公式2E-弹性模量×105Mpa即×105N/mm2d2-丝杠底径mm△t-温升一般取2-4℃7 基本额定载荷及寿命轴向基本额定静载荷Coa 滚珠丝杠副在承受最大接触应力处产生不大于倍的钢球直径的永久变形时,所能承受的最大轴向载荷;轴向基本额定载荷Ca:一组相当数量相同参数的滚珠丝杠副,在相同的条件下,运转106转时,90%的滚珠丝杠副的螺纹滚道的表面或钢球的表面不发生疲劳点蚀所能承受的最大轴向载荷;Coa和Ca在样本中已经给出,可以查找选用预期寿命Lh –用预期运行时间表示hLs –用预期运行距离表示km直径偏大,而不经济;故通常推荐Lh按表7选择;滚珠丝杠副的当量载荷Fm及当量转速nm:滚珠丝杠副在转速n1 n2……ni条件下,工作时间分别是t1t2……ti所受载荷分别是F1 F2 (i)额定动载荷下限值的Cam计算:滚珠丝杠副在当量载荷Fm及当量转速nm条件下运转,达到预期寿命Lh或Ls时所能承受的最大轴向载荷Cam,设计时选用滚珠丝杠副的Ca≥Cam按滚珠丝杠副的预期工作时间Lh计算:N公式5或按滚珠丝杠副的预期运行距离Ls计算:N公式6fa 为精度系数,根据预定的精度按表8选取:fw 为载荷系数,按表9选取:额定静载荷下限值Coam计算:Coa≥Coam=fsFmax公式7Fs 安全系数;一般为,有冲击、震动的运动Fmax是外加在滚珠丝杠副上的最大轴向载荷8 滚珠丝杠副安装部位的形位公差图2E5-E11见国家标准GB/,“滚珠丝杠副的验收条件和验收检验”;见附表2;9 滚珠丝杠副的预紧与轴向接触刚性预紧的目的预紧就是在滚珠丝杠副内,预先施加轴向载荷Fp;图3是外加轴向载荷Fa和滚珠之间轴向弹性变形δ的关系曲线,曲线1为无预紧状态,曲线2为有预紧状态,Fp是相当于预紧力大小的外加轴向载荷;表10是有或无预紧的情况下,滚珠丝杠副在承受不同的外加轴向载荷Fa时,滚道与滚珠之间轴向弹性变形δ;由表10可见预紧的目的时,消除滚珠丝杠副的轴向间隙,提高滚珠丝杠副的轴向接触刚性K,并且在外加轴向载荷小于3倍预紧力的情况下,轴向刚性K是常数但Fa>3F p后,予压消失图3预紧的方式滚珠丝杠副的轴向接触刚性K样本上给出的刚度值仅考虑滚道与滚珠之间的轴向变形,不考虑螺母本身及丝杠本身的变形;不预紧的滚珠丝杠副的轴向接触刚性Ka由于其轴向刚性是随外加轴向载荷Fa增大而增大的,所以样本中规定不预紧的滚珠丝杠副轴向接触刚性,是外加轴向载荷等于时的轴向接触刚性值,当实际施加的外加载荷Fa不等于时,对应的轴向接触刚度Ka按下式计算:Ka=KFa/1/3 N/μm 公式8K-样本上的刚度值N/μmCa-样本上的额定载荷NFa-实际工作施加的动载荷N预紧滚珠丝杠副的轴向接触刚性KaKa随着预紧力Fp的增大而增大,在滚珠丝杠副承受最大轴向载荷Fmax≤3Fp 范围内Ka是一个常数,但预紧力Fp太大,会导致发热量增加,寿命减少;所以预紧力Fp按Fp=Fmax/3选取,并大致符合表12要求,当Fmax不知道时,推荐按表12选用;样本中预紧滚珠丝杠副的轴向接触刚度K按预紧力Fp=给出增大滚珠直径预紧按F p=给出,当预紧力Fp不是样本上的数值时,Ka也与样本上的数值不同;此时Ka可按下式计算Ka=KFp/εCa1/3 公式9ε=增大滚珠直径预紧时ε=Fp-滚珠丝杠副的预紧力NCa-样本上的额定动载荷N10 滚珠丝杠副的转矩理论动态预紧转矩Tpo:有预加载荷的滚珠丝杠副,在没有外加载荷的情况下,丝杠与螺母相对连续转动所需力矩不包含螺母两端密封件的摩擦力矩Tpo=10-3FpPh/2π1-η2/η Nm 公式10Fp-轴向预加载荷NPh-导程mmη-传动效率精度:级取η=,级取η=,级取η=最大动态预紧转矩Tpmax:丝杠与螺母相对连续转动时,实际动态预紧矩以理论动态预紧转矩为中心上下波动,允许的波动范围ΔTp称动态预紧转矩公差,ΔTp见国家标准GB/,“滚珠丝杠副的验收条件和验收检验”;见附表2续E12;Tpmax=Tpo×1+ΔTpNm公式11正传动转矩将回转运动转变为直线运动称正传动;Ta=10-3 FaPh/2πη1Nm公式12Ta-加在滚珠丝杠副上的驱动力矩η1-正传动效率Fa-滚珠丝杠副承受的轴向载荷N逆传动转矩将直线运动转化为回转运动称为逆传动;Tb=10-3 FaPhη2/2πNm公式13Tb-加在滚珠丝杠副上防逆转动的力矩η2-逆传动的效率滚珠丝杠副的安装方式安装方式对滚珠丝杠副承载能力,刚性及最高转速有很大影响;常见安装方式有以下四种情况见图41固定-自由;2支承-游动3固定-固定图中以左端轴承作轴向定位,各符号的意义见表13 2支承——游动3固定——游动4固定——固定图中设b1≥b2< span>滚珠丝杠基础知识下来源: 2006-4-19 8:52:00滚珠丝杠副的传动系统的轴向刚性滚珠丝杠副传动系统的刚性包括轴向刚性及扭转刚性;扭转刚性与丝杠联轴器、传动齿轮、电机及控制系统有关,由于扭转刚性对定位精度的影响比轴向刚性的影响小的多,一般设计时就忽略,在高精度定位传动设计需要考虑时,欢迎咨询;滚珠丝杠副传动系统的轴向弹性定位δf与滚珠丝杠副传动系统的轴向刚性Kf关系如下:δf=Fa/Kf 公式141/ Kf=1/KS+1/KN+1/KB+1KH 公式15δf-滚珠丝杠副传动系统的弹性位移μFa-滚珠丝杠副承受的轴向载荷NKf-滚珠丝杠副承受的轴向刚性N/μKS-丝杠的轴向刚性N/μKN-螺母的轴向刚性N/μKB-支撑轴承的轴向刚性N/μKH-螺母安装座及轴承座的轴向刚性N/μ丝杠的轴向刚性KS丝杠的轴向刚性KS与丝杠的安装方式有关,并且随螺母在丝杠上的位置a变化而变化;如固定-自由、支承-游动、固定-游动安装方式中,在a=L2的KS达最大,在a=L3时KS达最小,a是螺母到丝杠轴向位置定位轴承处的距离;按照丝杠的安装方式不同,对实心丝杠有以下分析:丝杠安装方式图4中固定--自由、固定--游动、支承--游动KS=πd22E×10-3/4a= d22×102/a N/μm公式16Ksmin= d22×102/L3 N/μm公式17Ksmax= d22×102/L2 N/μm公式18安装方式图4中固定--固定、固定--游动、支承--游动KS=πd22ELz×10-3/4aLz-a= d22Lz×102/4aLz-a N/μm公式19 Ksmin= d22×102/ Lz N/μm公式20Ksmax= d22Lz×102/4L5Lz-L5 N/μm公式21式中:d2-滚珠丝杠螺纹底径mmE-弹性模量×105Mpa即×105N/min2L2、L3、Lz、L5见表13,单位mm螺母的轴向刚性Kn样本上滚珠丝杠副的轴向刚性K值,仅考虑了滚珠与滚道的包括丝杠的滚道之间在承受轴向载荷后的弹性变形,未考虑到螺母本体也有变形,在螺母本体尺寸基本符合样本情况下Kn= N/μm公式22Ka按公式8或9计算支承轴承的轴向刚性KBKB也与滚珠丝杠的支承方式有关对固定--自由、固定--游动、支承--游动的安装方式KB等于固定端-对轴承组的刚度Kb1即KB=Kb1 N/μm公式23对固定--固定的安装方式KB = Kb1+ Kb2 N/μm公式24Kb1、Kb2分别式左右两端轴承组的刚度,可以查阅轴承手册得到螺母座及轴承安装座的轴向刚性KH在机构设计时,注意加强此处刚性;就可忽略的KH影响;滚珠丝杠副传动系统的轴向刚性Kf对位置精度的影响;Kf引起的正反向间隙δxδx=2F0/Kfmin=2F0/1/Ksmin+1/Kn+1/KB≤δsμm 公式25δs机床或机械规定的正反向间隙或失动量Kf引起的最大行程范围内的定位误差δdδd=F01/ Ksmin -1/ Ksmaxs μm 公式26δd≤δs-Vu μm 公式27δg机床或机械规定的最大行程范围内的定位误差;滚珠丝杠副有效行程上的行程变动量见附表1Ksmin、Ksmaxs、Kn、KB见公式16—公式24估算P类滚珠丝杠副螺纹滚道允许的最小底径d2m比螺母刚性Kn低,比轴承刚性KB更低,所以在滚珠丝杠副的初步计算时,估算丝杠螺纹底径d2时,可不考虑螺母及轴承刚性,按下步骤:估算允许的滚珠丝杠最大弹性变形量δm按定位精度的1/4-1/5或正反向间隙又称反向死区或失动量的1/5-1/6中较小的值定为δmμm根据丝杠的安装方式来估算最小底径d2m安装方式:固定--自由、支承--游动、固定--游动安装方式:固定--固定上两式中:δm-允许的最大弹性变形量μmE-弹性模量×105N/mm2L3-螺母至固定端处最大距离mm见表13LZ-两端固定支承的距离mm见表13F0-为检测位置精度空运转时,作用在滚珠丝杠副上的轴向载荷N;一般F0≠Fmax 滚珠丝杠副的许用转速、Dn值滚珠丝杠副的许用转速滚珠丝杠副转速过高,会产生共振,影响正常运转,损坏机器,为确保不发生共振,所容许的最高转速nc:nmas-滚珠丝杠副的最高工作效率r/minα-安全系数α=E-弹性模量E=×105MpaI-丝杠剖面最小惯性转矩I=πd22/64d2-螺纹底径mmg-重力加速度r-材料比重r=×10-5Nmm3A-螺纹底径面积A=πd22/4mm2Lc-计算许用转速nc用的安装距离mm固定--自由、支承--游动、固定--游动安装方式中,Lc =L4见表13,固定--固定安装方式中Lc =L5见表13;λ、f-安装系数;见表14滚珠丝杠副的Dn值精密等级1-5级d0·nmax≤70000 公式31 精密等级7-10级d0·nmax≤50000 公式32 d0-滚珠丝杠的节圆直径mmnmax -滚珠丝杠副的最高转速r/min滚珠丝杠副的临界压缩载荷、强度计算滚珠丝杠副的临界压缩载荷Pc为保证丝杠的压杆稳定性,需要规定丝杠所能承受的最大的压缩载荷Pc;Fmax≤Pc=K1K2π2EI/Ly2=K1Kcd24×104/ Ly2 N 公式33Fmax -作用在滚珠丝杠副上的最大轴向压缩载荷E-弹性模量E=×105MpaI-丝杠剖面最小惯性转矩I=πd22/64d2-丝杠底径mmK1-安全系数;丝杠垂直安装K1=1/2,丝杠水平安装K1=1/3K2 、Kc-与丝杠支承型式有关的系数见表14Ly-计算临界压缩载荷Pc用的安装距离mm固定--自由、支承--游动、固定--游动安装方式中,Ly =L3 见表13,固定--固定安装方式中,Ly =L5 见表13;滚珠丝杠副的强度计算对安装间距比较小的传动T类滚珠丝杠副,需进行强度计算,所允许在滚珠丝杠副上最大轴向载荷FmaxFmax≤σA=115 d22N 公式34σ-许用应力σ=147MpaN/mm2A-螺纹底径面积A=πd22/4mm2d2-丝杠底径mm即mm公式35滚珠丝杠副设计使用中应注意的问题1为提高滚珠丝杠副的使用寿命和精度,应使作用在螺母上的合力通过丝杠轴心,以保证滚珠受力均匀,避免倾覆力;2放逆转:滚珠丝杠副传动逆效率高,应考虑在电机停电后,因部件自重而产生螺旋副的逆传动特别是在垂直方向上传动时,防止逆传动的方法可采用:停电自锁的电机、蜗轮蜗杆机构、离合器等方式;3滚珠丝杠副在行程两端应有行程保护装置,以防止越程后滚珠丝杠副受撞击而影响精度、使用寿命甚至损坏;4防止热变形:热变形对精密螺旋传动的定位精度有着重要的影响;其热源不单是螺旋副的摩擦热,还有其他机械部件工作时产生的热,致使丝杠热膨胀而伸长;为此必须分析热源的各因素,采用措施控制热源,还可以采用预拉伸、强制冷却等减少热变形对丝杠的伸长的影响;5细长而又水平放置的丝杠,因自重使轴线产生弯曲变形,是影响导程累积误差的因素之一,还会使螺母受载不均;设计细长丝杠时,应考虑防止或减小自重弯曲变形的措施;6防护与密封:尘埃和杂质进入滚道会妨碍滚动体运动流畅,会加速滚动体与滚道的磨损,使滚动螺旋副丧失精度;为此需要防尘措施;博特牌滚珠丝杠副在螺母两端已安装防尘圈若不需要安装请与我方联系,为避免丝杠外露,用户还需要为丝杠选择防护装置;7合理润滑是减小驱动转矩、提高传动效率、延长螺旋副使用寿命的重要环节;接触表面的油膜还有吸振、减小传动噪声和冲洗丝杠上的粉尘等杂物的作用;因此要注入润滑脂;在螺母上还有油孔,用户可旋入油嘴,再采用其他合适的润滑方式;8正确选择预紧力:我公司的滚珠丝杠副出厂时已经按要求调节好您所需要的预紧力,如果使用过程中有超程或需要拆卸请及时与我公司联系,以便从新调整安装;严禁自行拆卸滚珠丝杠副的各个部件,以免影响其精度;严禁敲击和拆卸导珠管,以免造成滚珠堵塞,运转不流畅;9建议采用适应于数控机床的大接触轴承以提高传动刚度;10用内循环滚珠丝杠副,必须使丝杠螺纹两端中至少有一端的滚珠螺纹是通牙,并该端所有外圆尺寸均小于丝杠螺纹底径d2,否则无法装配螺母;d2参看样本;11水平位置采用外循环滚珠丝杠副,最好是插管放置再丝杠轴线上面;12为便于丝杠加工,丝杠上最大外圆处的直径最好不要大于丝杠的外径d1d1参看样本;滚珠丝杠副的设计计算程序备注:1.程序2Ph≥IVmax/njI-传动比,电机直联丝杠时I=1nj-电机的最高转数Vmax-机械最高运转速度mm/min2. 程序3ni=Vi/Ph r/minVi-机械各级运行速度mm/minPh-已选定的丝杠导程mm3.程序7根据上面程序已计算出Ph,Ca的及d2的下限值,从样本中选滚珠丝杠副的型号规格;注意:从样本中所选滚珠丝杠副的Ca及d2不宜过大,否则会使滚珠丝杠副的转动惯量增大、驱动力矩增大,结构尺寸偏差,造成制造成本增高;设计计算程序如下:附表1、附表2。
滚珠丝杠副知识⼤全! 1.什么是滚珠丝杠副? 滚珠丝杠副是由丝杠,螺母,滚珠组成的机械元件。
其作⽤是将旋转运动转变为直线运动,或逆向由直线运动变为旋转运动。
丝杠、螺母之间⽤滚珠做滚动体。
2.滚珠丝杠副有哪些特点? (1)传动效率⾼。
(达85%—98%)。
(2)灵敏度⾼。
(⽆颤动、⽆爬⾏,同步性好)。
(3)定位精度⾼。
(可以实现⽆间隙传动,刚度强,温升⼩)。
(4)使⽤寿命长。
(是普通滑动丝杠的4倍以上,磨损⼩,精度保持期长)。
(5)使⽤、润滑和维修⽅便、可靠。
(6)可逆向传动,不⾃锁。
(在垂直使⽤或需急停时,应附加⾃锁或制动装置) 3.单圆弧、双圆弧各有何特点? 单圆弧的优点是⽆偏⼼,⼯艺上易获得,缺点是⽤于“T 类”丝杠时轴向间隙⼤,运动滞后,若减⼩间隙,滚珠接触点低,受⼒差,加⼯时磨出“油槽”,测不准节圆(滚珠或测棒与滚道圆弧不相切)。
双圆弧避免了上述缺点,但⼯艺上难获得。
4.双圆弧滚道有什么特点? 主要是为了便于测准节圆。
5.滚道底部的⼩圆弧起什么作⽤? 此⼩圆弧熟称“油槽”,使⽤中可存油及容异物,加⼯中起⼯艺作⽤。
减少磨削径向⼒。
6.内循环、外循环滚珠丝杠副 ⼀般定义为:滚珠在循环中始终不脱离丝杠表⾯的为内循环,反之为外循环。
内循环有浮动(F)与固定(G)之分,外循环有螺旋槽(L)、插管(C)和端盖(DG)之分,其中插管式⼜有埋⼊式(CM)和凸出式(CT)之别。
相对来说,内循环滚珠丝杠副的螺母安装直径可以更紧凑,因此应⽤也最⼴泛。
7.浮动内循环返向器有何特点? 优点是: (1)流球通道为⽴体相切对称变曲率腔,技术含量⾼; (2)圆形孔⼯艺性好,螺母轴向距离⼩,外径尺⼨紧凑; (3)凸筋既定位,⼜铲球,起双重作⽤; (4)型腔为半开空间隧道,流球顺畅,与丝杠外径不摩擦; (5)塑料制成,成本低,吸收振动,噪⾳⼩; (6)可在上下及圆周⽅向上微量浮动,经跑合后⾃动趋向最佳位置; (7)有效保护丝杠主体(滚珠脱落故障时,仅返向器损坏); (8)直径适⽤范围⼴,还可⽤于双线(双头)螺纹; 缺点是: (1)不耐⾼温(适⽤范围±60℃); (2)丝杠滚道必须⼀端开通才可以装配。
滚珠丝杠◎滚珠丝杠是将回转运动转化为直线运动,或将直线运动转化为回转运动的理想的产品。
◎滚珠丝杠由螺杆、螺母和滚珠组成。
它的功能是将旋转运动转化成直线运动,这是滚珠螺丝的进一步延伸和发展,这项发展的重要意义就是将轴承从滚动动作变成滑动动作。
由于具有很小的摩擦阻力,滚珠丝杠被广泛应用于各种工业设备和精密仪器。
◎滚珠丝杠是工具机和精密机械上最常使用的传动元件,其主要功能是将旋转运动转换成线性运动,或将扭矩转换成轴向反覆作用力,同时兼具高精度、可逆性和高效率的特点。
◎滚珠丝杠的特点::1、与滑动丝杠副相比驱动力矩为1/3由于滚珠丝杠副的丝杠轴与丝杠螺母之间有很多滚珠在做滚动运动,所以能得到较高的运动效率。
与过去的滑动丝杠副相比驱动力矩达到1/3以下,即达到同样运动结果所需的动力为使用滚动丝杠副的1/3。
在省电方面很有帮助。
2、高精度的保证滚珠丝杠副是用日本制造的世界最高水平的机械设备连贯生产出来的,特别是在研削、组装、检查各工序的工厂环境方面,对温度、湿度进行了严格的控制,由于完善的品质管理体制使精度得以充分保证。
3、微进给可能滚珠丝杠副由于是利用滚珠运动,所以启动力矩极小,不会出现滑动运动那样的爬行现象,能保证实现精确的微进给。
4、无侧隙、刚性高滚珠丝杠副可以加予压,由于予压力可使轴向间隙达到负值,进而得到较高的刚性(滚珠丝杠内通过给滚珠加予压力,在实际用于机械装置等时,由于滚珠的斥力可使丝母部的刚性增强)。
5、高速进给可能滚珠丝杠由于运动效率高、发热小、所以可实现高速进给(运动)。
◎精度公差:P5 .P7 --◎世界主要滚珠丝杠生产制造商:日本黑田精工(KURODA)滚珠丝杠,日本THK滚珠丝杠、台湾上银HIWIN滚珠丝杠、台湾ABBA滚珠丝杠、韩国SBC滚珠丝杠、日本NSK滚珠丝杠,等。
滚珠丝杠副要防止逆转,可以采用自锁电机,离合器等方式来防止逆转。
汽车千斤顶千斤顶滚珠丝杠随着社会的发展和经济的繁荣,越来越多的人选择购买汽车,汽车的使用量也在不断增加。
在汽车的日常使用和维护中,汽车千斤顶是一个不可或缺的工具,尤其是在紧急情况下,汽车千斤顶可能就是拯救我们的一根救命稻草。
而千斤顶中的千斤顶滚珠丝杠则是千斤顶的核心部件之一,起着举升汽车的重要作用。
本文将对千斤顶滚珠丝杠的相关知识进行探讨。
一、什么是千斤顶滚珠丝杠千斤顶是一种常用的工具,用于举升汽车,使其可以离开地面。
而千斤顶中的滚珠丝杠是起着举升汽车的作用的核心部件之一。
滚珠丝杠是一种利用滚动体在螺旋线上转动以形成对轴线力的传递的装置。
千斤顶滚珠丝杠的主要原理是通过在螺旋线上摩擦、滚动的方式来完成举升汽车的过程,其滚珠丝杠的设计,是为了通过滚珠的滚动来减少运动部件之间的摩擦力,从而减少举升汽车所需的力量。
二、千斤顶滚珠丝杠的基本构造千斤顶滚珠丝杠由两个基本部分组成:螺旋线和滚珠。
它们之间通过摩擦和滚动实现对传动的管制。
1.螺旋线:由于本质上是一种机械结构,螺旋线是千斤顶滚珠丝杠的基础。
螺旋线具有一定的螺距、步径和线圈等参数,通常通过多次回转安装在千斤顶的主轴上。
2.滚珠:滚珠是千斤顶滚珠丝杠的核心部件之一,是用来削减千斤顶主轴与螺旋线之间的摩擦力的。
滚珠的数量和直径影响着千斤顶的举升高度和举升力,通常是选择根据具体的需要进行匹配的。
三、千斤顶滚珠丝杠的使用环境千斤顶滚珠丝杠主要应用在工业和民用汽车千斤顶上,其主要特点是耐用、结构紧凑、尺寸小、重量轻、装备速度快、智能化程度高等优点。
在不同的使用环境中,千斤顶的性能存在着差异,所以选择适合自己的千斤顶,在使用前应该了解其具体的使用环境。
例如,对于使用在民用汽车中的千斤顶滚珠丝杠,应该考虑到其在潮湿的环境中可能出现腐蚀等问题,所以需要采用耐腐蚀性能好的滚珠材料。
而对于在高温或者高压气体等苛刻环境中使用的千斤顶滚珠丝杠,应该选择高温、高压、抗腐蚀等性能优异的材料进行制作。
滚珠丝杆相关知识进口滚珠丝杆副各元件(囊括螺丝母、丝杠、滚珠)正常用高碳铬轴承钢GCr15,务求高一些的用GCr15SiMn。
(相见GB/T 18254-2002 高碳铬轴承钢)两者的区别在乎,前者的Si含量是0.15%~0.35%,Mn含量是0.25%~0.45%;后者的Si含量是0.45%~0.75%,Mn含量是0.95%~1.25%。
Si和Mn的含量高,硬度、强度、韧性和塑性等力学性能好,出品的刚性和精度也就高些,价钱也更贵。
进口滚珠丝杆可用于线切割,数控设备,雕刻机,激光设备,火花机材料试验机,贴片机.深圳市精骏滚珠科技是专业研发、生产经营此类机械传动功能部件.滚珠丝杆维修之THK滚珠丝杠的安装方法滚珠丝杆维修之安装丝杠与螺母主要有两种方法:轴转,螺母不转;或者轴不转,螺母转。
后者经常用在长轴的极限临界转速低于想得到的最大转速时,也用在拖板的长度大于行程时。
旋转的螺母通过轴承支撑和工作台相联,在齿轮、同步皮带或者使用螺母的外径作为电动机转子轴的直接驱动电动机的带动下旋转,电动机使用螺母的外径作为电动机转子轴。
一些制造商提供用于旋转螺母的与滚珠轴承作成整体式的滚珠丝杠螺母,如THK公司的D]R和BL_R型。
判断研磨滚珠丝杆真假方法的介绍利用百分表,在水平的平台上,分别在两端及中心做检测,如果300内的跳动在0.02以内的话精度是在C3,那说明丝杆是没问题的,你就该检查下看是不是自己的机器上面的同轴度没有调好。
否则就是丝杆的问题!另外问下你买的丝杆是什么牌子的,C3应该是研磨级的,你不要买成冷轧的丝杆,冷轧研磨滚珠丝杆的没有那么高的精度的。
研磨滚珠丝杆购买注意事项:要是精度没问题的话你可以再检测下丝杆的跳动,就目前来讲实话是没有什么更好的方法检测了,上面说的那种检测方法即使最基本的也是最有效的。
至于要怎么选丝杆,大致上你要先确定精度,定好后要确定负重,电机的转速还有就是行走间距,这些都定好后基本上丝杆的直径型号就确定了,然后在确定预压,研磨级的预压应该是P2或P3就是无间隙轻预压或中预压等,这个就没办法用仪器检测了。
滚珠丝杠副基础知识1. 什么是滚珠丝杠副?滚珠丝杠副是由丝杠,螺母,滚珠组成的机械元件。
其作用是将旋转运动转变为直线运动,或逆向由直线运动变为旋转运动。
丝杠、螺母之间用滚珠做滚动体。
2. 滚珠丝杠副有哪些特点?(1)传动效率高。
(达85%—98%)。
(2)灵敏度高。
(无颤动、无爬行,同步性好)。
(3)定位精度高。
(可以实现无间隙传动,刚度强,温升小)。
(4)使用寿命长。
(是普通滑动丝杠的4倍以上,磨损小,精度保持期长)。
(5)使用、润滑和维修方便、可靠。
(6)可逆向传动,不自锁。
(在垂直使用或需急停时,应附加自锁或制动装置)3. 螺纹滚道的单圆弧、双圆弧各有何特点?单圆弧的优点是无偏心,工艺上易获得,缺点是用于“T类”丝杠时轴向间隙大,运动滞后,若减小间隙,滚珠接触点低,受力差,加工时磨出“油槽”,测不准节圆(滚珠或测棒与滚道圆弧不相切)。
双圆弧避免了上述缺点,但工艺上难获得。
4. 双圆弧滚道有什么特点?主要是为了便于测准节圆。
5. 滚道底部的小圆弧起什么作用?此小圆弧熟称“油槽”,使用中可存油及容异物,加工中起工艺作用。
减少磨削径向力。
6. 什么是内循环、外循环滚珠丝杠副?它们是如何分类的?一般定义为:滚珠在循环中始终不脱离丝杠表面的为内循环,反之为外循环。
内循环有浮动(F)与固定(G)之分,外循环有螺旋槽(L)、插管(C)和端盖(DG)之分,其中插管式又有埋入式(CM)和凸出式(CT)之别。
相对来说,内循环滚珠丝杠副的螺母安装直径可以更紧凑,因此应用也最广泛。
7. 浮动内循环返向器有何特点?优点是:(1)流球通道为立体相切对称变曲率腔,技术含量高;(2)圆形孔工艺性好,螺母轴向距离小,外径尺寸紧凑;(3)凸筋既定位,又铲球,起双重作用;(4)型腔为半开空间隧道,流球顺畅,与丝杠外径不摩擦;(5)塑料制成,成本低,吸收振动,噪音小;(6)可在上下及圆周方向上微量浮动,经跑合后自动趋向最佳位置;(7)有效保护丝杠主体(滚珠脱落故障时,仅返向器损坏);(8)直径适用范围广,还可用于双线(双头)螺纹;缺点是:(1)不耐高温(适用范围±60℃);(2)丝杠滚道必须一端开通才可以装配。
引言概述:滚珠丝杠是一种常见的传动元件,广泛应用于机械领域。
本文将介绍滚珠丝杠的定义和工作原理,详细分析滚珠丝杠的结构和优势,并探讨滚珠丝杠的应用领域。
正文内容:一、滚珠丝杠的定义1.滚珠丝杠是一种通过滚珠与螺纹轴的配合实现转动和线性运动的机械传动元件。
2.滚珠丝杠通常由螺纹轴、螺纹母、滚珠和滚珠保持器等部分组成。
二、滚珠丝杠的工作原理1.滚珠丝杠利用滚珠在螺纹轴与螺纹母之间滚动的方式传递转动动力和线性运动。
2.当旋转螺纹轴时,滚珠会沿着螺纹轴上的螺纹槽滚动,并推动螺纹母产生线性运动。
三、滚珠丝杠的结构1.螺纹轴:一般采用圆柱形,外表面有螺纹槽。
2.螺纹母:与螺纹轴配合,内含螺纹槽,滚珠保持器固定在螺纹母中。
3.滚珠:通过滚动来传递力量,确保螺纹轴和螺纹母之间的相对运动平衡。
4.滚珠保持器:保持滚珠的位置和数量,防止滚珠从螺纹母中脱落。
5.导轨:为滚珠提供导向作用,使其按照既定的轨迹滚动。
四、滚珠丝杠的优势1.高效率:由于滚动摩擦,滚珠丝杠具有较高的传动效率。
2.高精度:滚珠丝杠的滚珠和螺纹轴之间的配合精度高,能够实现高精度的运动。
3.高刚度:滚珠丝杠能够分担较大的负载,具有较高的刚度。
4.长寿命:滚珠丝杠摩擦小,磨损少,寿命较长。
5.可逆性:滚珠丝杠可以实现正反转,满足多种工作需求。
五、滚珠丝杠的应用领域1.机床:滚珠丝杠广泛应用于各类机床上,如数控机床、车床等,用于实现轴向定位和转动传动。
2.:滚珠丝杠作为关节传动装置的重要部件,用于实现精密调整和高速转动。
3.自动化设备:滚珠丝杠可应用于各类自动化设备,如自动门、自动售货机等,实现精确的运动控制。
4.电子产品:滚珠丝杠可应用于光学镜头调焦机构、打印机、数码相机等电子产品中,实现精确的位置调节。
5.车辆工程:滚珠丝杠可用于汽车座椅调节、车窗升降等系统中,提供稳定的线性运动。
总结:滚珠丝杠是一种常见、重要的传动元件,其工作原理基于滚珠的滚动传递力量。
滚珠丝杠的设计与计算滚珠丝杠是一种常用的传动元件,广泛应用于机械设备中。
它通过滚珠在螺纹与螺纹碗之间滚动,实现螺旋运动。
滚珠丝杠具有高精度、高刚性和高效率的特点,因此在自动化设备、数控机床等领域得到广泛应用。
1.材料选择:滚珠丝杠的材料要求具有高强度、耐磨性和耐腐蚀性。
常用的材料有合金钢、不锈钢和工程塑料等。
根据应用环境和负载要求选择合适的材料。
2.基础参数计算:滚珠丝杠设计的第一步是计算基础参数,包括螺距、导程、负载和转速等。
螺距是指在螺纹长度(螺纹峰到螺纹峰之间的距离)上所包含的单位螺纹数,导程是指螺纹移动一周所移动的距离。
负载是指滚珠丝杠所能承受的最大负荷,转速是指滚珠丝杠一分钟内所转过的圈数。
3.力学计算:滚珠丝杠的设计需考虑受力情况。
根据负载和转速计算滚珠丝杠所受到的轴向力、径向力和弯矩力等。
轴向力是指滚珠丝杠在拉伸和压缩方向所受到的力,径向力是指滚珠在滚珠丝杠螺纹轨迹上所受到的力,弯矩力是指滚珠丝杠在扭转方向所受到的力。
4.丝杠型号选择:根据基础参数和力学计算结果选择合适的丝杠型号。
不同型号的滚珠丝杠具有不同的直径、丝距和滚珠数量等,根据具体需求选择适合的型号。
5.传动效率计算:滚珠丝杠的传动效率是指输入功率与输出功率之比。
传动效率计算涉及滚珠丝杠的摩擦力、阻力和滚动摩擦系数等参数。
通过计算传动效率可以评估滚珠丝杠的工作效能和能耗情况。
6.寿命预测:滚珠丝杠设计也需考虑其使用寿命。
根据负载、转速和设计要求等计算滚珠丝杠的寿命。
常用的寿命计算方法有滚动疲劳强度法、滚动疲劳寿命法和滚动接触应力分析法等。
综上所述,滚珠丝杠的设计与计算涉及材料选择、基础参数计算、力学计算、丝杠型号选择、传动效率计算和寿命预测等。
通过科学合理的设计和计算,可以满足滚珠丝杠在机械设备中的高精度传动需求,提高设备的性能和效率。
滚珠丝杠样本在机械传动领域中,滚珠丝杠是一种至关重要的部件,广泛应用于各种精密设备和自动化生产线中。
本文将为您详细介绍滚珠丝杠样本,帮助您更好地了解其结构、工作原理、特点以及选型要点。
一、滚珠丝杠的结构滚珠丝杠主要由丝杠、螺母、滚珠、反向器等部件组成。
丝杠通常为具有螺纹的圆柱形杆件,其螺纹形状和精度对滚珠丝杠的性能有着重要影响。
螺母内部则设有滚珠循环通道,滚珠在通道内滚动,实现丝杠和螺母之间的相对运动。
反向器用于引导滚珠在螺母内循环,确保滚珠能够顺畅地往返运动。
二、滚珠丝杠的工作原理滚珠丝杠的工作原理基于滚珠在丝杠和螺母之间的滚动摩擦。
当丝杠旋转时,滚珠在丝杠和螺母的螺纹滚道之间滚动,从而将丝杠的旋转运动转化为螺母的直线运动。
由于滚珠的滚动摩擦系数远小于传统滑动丝杠的滑动摩擦系数,因此滚珠丝杠具有更高的传动效率、精度和响应速度。
三、滚珠丝杠的特点1、高精度滚珠丝杠能够实现高精度的直线运动,定位精度可以达到微米级别,适用于对精度要求较高的设备,如数控机床、半导体制造设备等。
2、高传动效率滚珠的滚动摩擦大大降低了能量损耗,传动效率可高达 90%以上,相比之下,传统滑动丝杠的传动效率通常在 50%左右。
3、高刚性滚珠丝杠的丝杠和螺母之间通过滚珠紧密接触,能够承受较大的轴向载荷和径向载荷,具有较高的刚性和稳定性。
4、低噪音滚珠的滚动运动相对平稳,产生的噪音较小,有助于营造安静的工作环境。
5、长寿命由于滚珠丝杠的摩擦损耗较小,且滚珠和滚道的表面经过特殊处理,因此具有较长的使用寿命。
四、滚珠丝杠的选型要点1、行程根据设备的工作行程要求,选择合适长度的滚珠丝杠。
2、精度等级根据设备的精度需求,选择相应精度等级的滚珠丝杠。
精度等级通常分为 C0、C1、C2、C3、C5、C7 等,数字越小,精度越高。
3、载荷考虑设备所承受的轴向载荷和径向载荷,选择能够满足载荷要求的滚珠丝杠。
4、导程导程决定了丝杠每旋转一周螺母的直线移动距离,应根据设备的运动速度和加速度要求选择合适的导程。
滚珠丝杠基础知识(上)
来源: 微小型轴承网 2006-4-19 8:52:00
1 滚珠丝杠公称直径与公称导程组合、制造范围
3 滚珠丝杠副的结构类型、编号方法
5 滚珠丝杠副的精度
5.1 精密等级
根据使用范围及要求将滚珠丝杠副分为定位滚珠丝杠幅(P)传动滚珠丝杠副(T),精度分为七个等级,即1、2、3、4、5、6、7、10级,1级精度最高,依次降低。
5.2行程偏差和行程变动量
根据滚珠丝杠副类型按下表检验
5.2.1 有效行程内的行程偏差ep与行程变动量VUP:
有效行程是有精度要求的行程长度LU
Lu=Lx+2La+LnLa安全行程La=(1-2)ph Lx机械最大行程Ln螺母的长度ph公称导程
E1-E2按国家标准GB/T17857.3-1998,―滚珠丝杠副的验收条件和验收检验‖。
见附表1。
5.2.2 300mm行程内与2π弧度行程内行程变动量V300P与V2 π p
E3-E4按国家标准GB/T17857.3-1998,―滚珠丝杠副的验收条件和验收检验‖。
见附表1续。
5.2.3 余程Le
余程是没有精度要求的行程长度。
余程表6
6 行程补偿值C
6.1 滚珠丝杠的热变形将导致长度、定位精度变化,热变形可由下式给出:
δt=α*△t*Lu (公式1)
α-热膨胀系数(12.0*10-6)
△t -温升(一般取2-4℃)
Lu-有效行程(Lu=Lx+2La+Ln)或Lu=L1-2Le
L1-螺纹全长Le-余程Le见表6
6.2 目标行程Phs
为了补偿由于热膨胀或弹性变形引起的丝杠长度变化,将滚珠丝杠的导程制造得稍大于或小于公称导程,着根据实际需要提出得含有方向目标要求的导程叫目标导程。
目标导程乘以丝杠上的有效圈数叫目标行程。
6.3 目标偏差C
目标行程和公称行程之差叫行程偏差C,为了补偿热变形的影响,行程偏差C=δt(δt见公式1)并为负值。
6.4 丝杠的预拉伸力
规定了行程偏差C的滚珠丝杠副,在采用固定-固定安装方式时,还可以采用丝杠预拉伸的方法来进一步补偿热变形,预拉伸力Ft:
Ft=δt*A*E/ Lu=α*△t*E*(πd22/4)(公式2)
E-弹性模量2.1×105Mpa(即2.1×105N/mm2)
d2-丝杠底径(mm)
△t-温升(一般取2-4℃)
7 基本额定载荷及寿命
7.1 轴向基本额定静载荷Coa 滚珠丝杠副在承受最大接触应力处产生不大于0.0001倍的钢球直径的永久变形时,所能承受的最大轴向载荷。
7.2 轴向基本额定载荷Ca:一组(相当数量)相同参数的滚珠丝杠副,在相同的条件下,运转106转时,90%的滚珠丝杠副的螺纹滚道的表面或钢球的表面不发生疲劳点蚀所能承受的最大轴向载荷。
Coa和Ca在样本中已经给出,可以查找选用
7.3 预期寿命
Lh –用预期运行时间表示(h)
Ls –用预期运行距离表示(km)
直径偏大,而不经济。
故通常推荐Lh按表7选择。
7.4 滚珠丝杠副的当量载荷Fm及当量转速nm:
滚珠丝杠副在转速n1 n2......ni条件下,工作时间分别是t1t2......ti所受载荷分别是F1 F 2 (i)
7.5 额定动载荷下限值的Cam计算:
滚珠丝杠副在当量载荷Fm及当量转速nm条件下运转,达到预期寿命Lh或Ls时所能承受的最大轴向载荷Cam,设计时选用滚珠丝杠副的Ca≥Cam
7.5.1 按滚珠丝杠副的预期工作时间Lh计算:
(N)(公式5)
7.5.1或按滚珠丝杠副的预期运行距离Ls计算:
(N)(公式6)
fa 为精度系数,根据预定的精度按表8选取:
fw 为载荷系数,按表9选取:
7.6 额定静载荷下限值Coam计算:
Coa≥Coam=fsFmax(公式7)
Fs 安全系数。
一般为1.2-2,有冲击、震动的运动1.5-3 Fmax是外加在滚珠丝杠副上的最大轴向载荷
8 滚珠丝杠副安装部位的形位公差
图2
E5-E11见国家标准GB/T17857.3-1998,―滚珠丝杠副的验收条件和验收检验‖。
见附表2。
9 滚珠丝杠副的预紧与轴向接触刚性
9.1 预紧的目的
预紧就是在滚珠丝杠副内,预先施加轴向载荷Fp。
图3是外加轴向载荷Fa和滚珠之间轴向弹性变形δ的关系曲线,曲线1为无预紧状态,曲线2为有预紧状态,Fp是相当于预紧力大小的外加轴向载荷。
表10是有或无预紧的情况下,滚珠丝杠副在承受不同的外加轴向载荷Fa时,滚道与滚珠之间轴向弹性变形δ。
由表10可见预紧的目的时,消除滚珠丝杠副的轴向间隙,提高滚珠丝杠副的轴向接触刚性K,并且在外加轴向载荷小于3倍预紧力的情况下,轴向刚性K是常数(但Fa>3Fp后,予压消失)
图3
9.2预紧的方式
9.3 滚珠丝杠副的轴向接触刚性K
样本上给出的刚度值仅考虑滚道与滚珠之间的轴向变形,不考虑螺母本身及丝杠本身的变形。
9.3.1 不预紧的滚珠丝杠副的轴向接触刚性Ka
由于其轴向刚性是随外加轴向载荷Fa增大而增大的,所以样本中规定不预紧的滚珠丝杠副轴向接触刚性,是外加轴向载荷等于0.3Ca时的轴向接触刚性值,当实际施加的外加载荷Fa不等于0.3Ca时,对应的轴向接触刚度Ka按下式计算:
Ka=K[Fa/0.3Ca]1/3 (N/μm) (公式8)
K-样本上的刚度值(N/μm)
Ca-样本上的额定载荷(N)
Fa-实际工作施加的动载荷(N)
9.3.2 预紧滚珠丝杠副的轴向接触刚性Ka
Ka随着预紧力Fp的增大而增大,在滚珠丝杠副承受最大轴向载荷Fmax≤3Fp 范围内Ka 是一个常数,但预紧力Fp太大,会导致发热量增加,寿命减少。
所以预紧力Fp按Fp=Fm ax/3选取,并大致符合表12要求,当Fmax不知道时,推荐按表12选用。
样本中预紧滚珠丝杠副的轴向接触刚度K按预紧力Fp=0.1Ca给出(增大滚珠直径预紧按Fp
=0.05Ca给出),当预紧力Fp不是样本上的数值时,Ka也与样本上的数值不同。
此时Ka 可按下式计算
Ka=K[Fp/εCa]1/3 (公式9)
ε=0.1(增大滚珠直径预紧时ε=0.05)
Fp-滚珠丝杠副的预紧力(N)
Ca-样本上的额定动载荷(N)
10 滚珠丝杠副的转矩
10.1 理论动态预紧转矩Tpo:有预加载荷的滚珠丝杠副,在没有外加载荷的情况下,丝杠与螺母相对连续转动所需力矩(不包含螺母两端密封件的摩擦力矩)
Tpo=10-3*(Fp*Ph/2π)*[(1-η2)/η] (N*m) (公式10)
Fp-轴向预加载荷(N)
Ph-导程(mm)
η-传动效率
精度:1.2级取η=0.95,3.4级取η=0.9,5.7.10级取η=0.85
10.2 最大动态预紧转矩Tpmax:丝杠与螺母相对连续转动时,实际动态预紧矩以理论动态预紧转矩为中心上下波动,允许的波动范围ΔTp称动态预紧转矩公差,ΔTp见国家标准GB/ T17857.3-1998,―滚珠丝杠副的验收条件和验收检验‖。
见附表2续E12。
Tpmax=Tpo×(1+ΔTp)(N*m)(公式11)
10.3 正传动转矩
将回转运动转变为直线运动称正传动。
Ta=10-3* FaPh/2πη1(N*m)(公式12)
Ta-加在滚珠丝杠副上的驱动力矩
η1-正传动效率
Fa-滚珠丝杠副承受的轴向载荷(N)
10.4 逆传动转矩
将直线运动转化为回转运动称为逆传动。
Tb=10-3* FaPh*η2/2π(N*m)(公式13)
Tb-加在滚珠丝杠副上防逆转动的力矩
η2-逆传动的效率(0.90-0.85)
滚珠丝杠副的安装方式
安装方式对滚珠丝杠副承载能力,刚性及最高转速有很大影响。
常见安装方式有以下四种情况(见图4)
(1)固定-自由;
(2)支承-游动
(3)固定-固定
图中以左端轴承作轴向定位,各符号的意义见表13
(2)支承——游动
(3)固定——游动
(4)固定——固定(图中设b1≥b2)
< span>。