汽车设计荷载汇总
- 格式:pptx
- 大小:555.47 KB
- 文档页数:15
桥梁的设计荷载2.1.1 公路桥涵的汽车荷载《公路桥涵设计通用规范》(JDG D60-2004)将公路桥梁汽车荷载分为公路-Ⅰ级和公路-Ⅱ级两个等级。
汽车荷载由车道荷载和车辆荷载组成。
车道荷载由均布荷载和集中荷载组成。
桥梁结构的整体计算采用车道荷载:桥梁结构的局部加载、涵洞、桥台和挡土墙土压力等的计算采用车辆荷载。
车道荷载与车辆荷载的作用不得叠加。
车道荷载的计算图式如图2-3所示。
图2-3 公路桥梁车道荷载公路-Ⅰ级车道荷载的均布荷载标准值为=10.5kN/m,集中荷载标准值按表 2-4选取:k q k P 表2-4 公路桥梁集中荷载标准值计算跨径集中荷载标准值k P 备注5m ≤L480kN m 305m <<L采用直线内插求得50m ≥L360kN计算剪力效应时,上述荷载标准值应乘以1.2的系数。
公路-Ⅱ级车道荷载的均布荷载标准值和集中荷载标准值为公路-Ⅰ级车道荷载的0.75倍。
车道荷载的均布荷载标准值应满布于使结构产生最不利效应的同号影响线上,集中荷载标准值只作用于相应影响线中一个影响线峰值处。
k q k P 公路桥梁车辆荷载的立面、平面尺寸如图2-4,其主要技术指标规定如表2-5。
公路-Ⅰ级和公路-Ⅱ级汽车荷载采用相同的车辆荷载标准值。
(a) 立面 (b) 平面 图2-4 公路桥梁车辆荷载布置图(单位:kN.m) 表2-5 公路桥梁车辆荷载主要技术指标项 目 单 位 技 术 指 标项 目 单 位 技 术 指 标车辆重力标准值 kN 550 轮距m 1.8 前轴重力标准值 kN 30 前轮着地宽度及长度 m 0.3×0.2 中轴重力标准值kN2×120中、后轮着地宽度及长度m0.6×0.2后轴重力标准值kN 2×140 车辆外形尺寸(长×宽)m 15×2.5轴距m3+1.4+7+1.4公路工程技术旧标准中把大量、经常出现的汽车荷载排列成车队形式,作为设计荷载,把偶然、个别出现的平板挂车和履带车作为验算荷载。
车辆荷载计算公式
(实用版)
目录
1.车辆荷载计算公式的概述
2.车辆荷载计算公式的分类
3.计算公式的应用实例
4.注意事项和总结
正文
1.车辆荷载计算公式的概述
车辆荷载计算公式是用于计算汽车在行驶过程中对道路产生的荷载的公式。
这些荷载包括汽车的重量、加速度、制动力等,对于道路的设计、维护以及交通管理具有重要的参考价值。
2.车辆荷载计算公式的分类
车辆荷载计算公式主要分为以下几类:
(1)静态荷载计算公式:主要用于计算汽车在静止状态下对道路产生的荷载,公式为:荷载=汽车重量/接触面积。
(2)动态荷载计算公式:主要用于计算汽车在行驶过程中对道路产生的荷载,公式为:荷载=汽车重量×加速度。
(3)制动荷载计算公式:主要用于计算汽车在制动过程中对道路产生的荷载,公式为:荷载=汽车重量×制动力。
3.计算公式的应用实例
以静态荷载计算公式为例,如果我们要计算一辆重量为 10 吨的汽车在静止状态下对道路产生的荷载,如果接触面积为 1 平方米,那么荷载就是 10 吨。
4.注意事项和总结
在使用车辆荷载计算公式时,需要注意以下几点:
(1)计算荷载时,汽车的重量应包括乘客、货物等所有负载。
(2)在计算动态荷载和制动荷载时,需要知道汽车的加速度和制动力。
(3)计算结果仅供参考,实际情况可能会因道路状况、汽车速度等因素而有所不同。
新旧规范中的汽车荷载比较Prepared on 24 November 2020新旧规范中的汽车荷载比较前言:我国公路桥梁结构设计采用的汽车荷载标准长期以来采用汽车车队的形式,计算荷载和验算荷载相结合的模式。
原规范将汽车荷载划分为汽车—超20级、汽车—20级、汽车—15级、汽车—10级共四个等级,并且每个等级规定了验算荷载——挂车和履带车荷载;而新规范只将汽车荷载分为公路—I级和公路—II 级两个等级,取消了原规范规定的汽车—15级和汽车—10级汽车荷载,并且不考虑验算荷载。
公路—I级相当于原规范的汽车—超20,公路—II级相当于原规范的汽车—20级。
两者对简支梁的内力有什么区别,我们接下来就来分析这个问题。
正文:新旧规范汽车荷载对简支梁产生的内力主要体现在两个方面:1.汽车荷载的计算图式不同。
原规范汽车荷载的计算图式是以一辆加重车和具有规定间距的若干辆标准车组成的车队表示的。
新规范采用车道荷载即由均布荷载和集中荷载组成的图式。
2.冲击系数不同。
旧规范近似地认为冲击力与计算跨径成反比,并与桥梁的结构形式有关。
而新规范采用了结构基频来计算桥梁结构的冲击系数。
一.跨径20米的简支梁的内力分析。
下面以混凝土简支梁为研究对象,分析新旧规范标准汽车荷载效应的差别。
该桥标准跨径20m,主梁全长,计算跨径,桥面净空为净—7m+2×。
主梁结构尺寸如下图示。
设计荷载分别采用《公路桥涵设计通用规范》(JTG D60-2004)采用的公路—I 级、公路—II级与《公路桥涵设计通用规范》(JTJ 021-85)采用的汽车—超20级、汽车—20级进行对比分析。
(一).新桥规计算的荷载效应根据上节中主梁结构纵、横截面的布置,取用其的一根主梁计算其各控制截面的汽车荷载效应。
汽车荷载效应计算按《公路桥涵通用设计规范》(JTG D60-2004)条规定,简支梁结构的冲击系数由下式计算:介于和14HZ之间,冲击系数按下式计算:汽车荷载效应计算结果见下表:汽车一级荷载:汽车二级荷载:(二).按照旧桥规计算的荷载效应汽车荷载效应计算:在汽车荷载效应计算中,直接用规范中采用的标准汽车荷载在主梁上加载,从而计算出主梁各控制截面(支点、四分点和跨中截面)的最大弯矩和剪力效应。
.汽车等效均布荷载的计算本工程最小板跨为2.4m×2.5m,板厚180mm,汽车最大轮压为100KN (根据《城市桥梁设计荷载标准》第4.1.3条城—A级车辆荷载),汽车轮压着地面积为0.6m×0.2m(参考《建筑结构荷载规范》规范说明中4.1.1条“对于20~30T的消防车,可按最大轮压为60kN作用在0.6m×0.2m的局部面积上的条件决定;”),动力系数为1.3,板顶填土S=0.9m。
平面简图详见附图一。
计算过程如下:一、X方向计算1.填土中扩散角取30°,tan30°=0.52.a x=0.6+2×0.5×0.9=1.5ma y=0.2+2×0.5×0.9=1.1ma x/l x=1.5/2.4=0.625 a y/l x=1.1/2.4=0.458l y/l x=2.5/2.4=1.042考虑动力系数后q=1.3P/(a x a y)=78.785kN/m2简支双向板的绝对最大弯矩:Mx max=0.0843×157.57×1.5×1.1=10.96Kn×mMy max=0.0962×157.57×1.5×1.1=12.51Kn×mMe max=0.0368×qe×l2qe=Me max/0.212=59Kn/m2二、Y方向计算1.填土中扩散角取30°,tan30°=0.5.2. a×=0.2+2×0.5×0.9=1.1ma y=0.6+2×0.5×0.9=1.5ma×/l×=1.5/2.4=0.458 a y/l×=1.1/2.4=0.625l y/l×=2.4/2.5=0.96考虑动力系数后q=1.3P/(a×a y)=78.785kN/m2简支双向板的绝对最大弯矩:Mx max=0.0962×157.57×1.5×1.1=12.50Kn×mMy max=0.0843×157.57×1.5×1.1=10.96Kn×mMe max=0.0368×qe×l2qe=Me max/0.23=54.37Kn/m2附图一.。
车辆荷载计算公式摘要:一、车辆荷载计算的重要性二、车辆荷载计算公式及其解释1.基本公式2.各种因素对荷载的影响3.荷载计算的注意事项三、案例分析四、荷载计算在工程中的应用正文:一、车辆荷载计算的重要性车辆荷载计算是桥梁、道路、隧道等工程设计中至关重要的环节。
它能帮助我们了解和评估车辆在道路上产生的各种荷载效应,为工程的安全性和耐久性提供重要依据。
合理的车辆荷载计算可以确保工程结构的正常使用和运行,降低事故风险,提高投资效益。
二、车辆荷载计算公式及其解释1.基本公式车辆荷载计算的基本公式为:Q = F × S其中,Q表示车辆荷载,F表示车辆的重量,S表示车辆作用在结构上的面积。
2.各种因素对荷载的影响(1)车辆重量:车辆重量越大,产生的荷载越大。
(2)车辆速度:车辆速度越快,产生的荷载越大。
(3)车辆类型:不同类型的车辆,其荷载分布和大小有所不同。
(4)道路条件:道路状况、平整度等因素会影响车辆荷载的传递。
3.荷载计算的注意事项(1)车辆荷载应按照最不利情况进行计算。
(2)考虑车辆荷载的动态效应,如冲击系数等。
(3)根据工程实际情况,确定合理的车辆荷载取值。
三、案例分析以一座桥梁为例,根据桥梁的设计参数和车辆行驶条件,我们可以计算出车辆荷载。
例如,某桥梁设计车辆重量为50吨,车辆作用在桥面上的面积为10平方米,那么车辆荷载Q = 50 × 10 = 500吨平方米。
四、荷载计算在工程中的应用车辆荷载计算在工程中的应用主要包括以下几个方面:1.结构设计:根据车辆荷载计算结果,确定结构的安全系数、材料强度等设计参数。
2.施工监控:通过实时监测车辆荷载,评估工程的施工安全和结构性能。
3.工程验收:验证工程结构是否满足设计要求的荷载能力。
4.养护管理:根据车辆荷载变化,制定合理的养护维修计划,确保工程结构的安全运行。
总之,车辆荷载计算在工程设计、施工和运营过程中具有重要作用。
汽车荷载计算公式
在计算汽车荷载时,可以使用以下基本公式:
汽车荷载 = 车辆自重 + 载货重量
1.车辆自重:指空车时整车的重量,包括车身、底盘、发动机、传动系统、底盘部件等。
车辆自重可以在车辆的技术规格表或制造商提供的文档中找到。
2.载货重量:指车辆实际所携带货物、乘客及其他负荷的重量。
载货重量可以根据实际情况进行估计或测量。
例如,如果你知道所装载货物的重量,可以直接使用该值;如果是乘客,可以根据每个乘客的平均体重来计算,然后加总。
需要注意的是,车辆的最大允许荷载重量应该根据车辆制造商提供的规格和法规进行确认。
每个车辆的最大荷载限制是根据车辆结构、悬挂系统、制动系统等因素确定的,超过最大荷载限制可能会对车辆的安全性和性能产生负面影响。
因此,在计算汽车荷载时,务必确保不超过车辆的最大荷载限制,并参考车辆制造商提供的具体规格和指导。
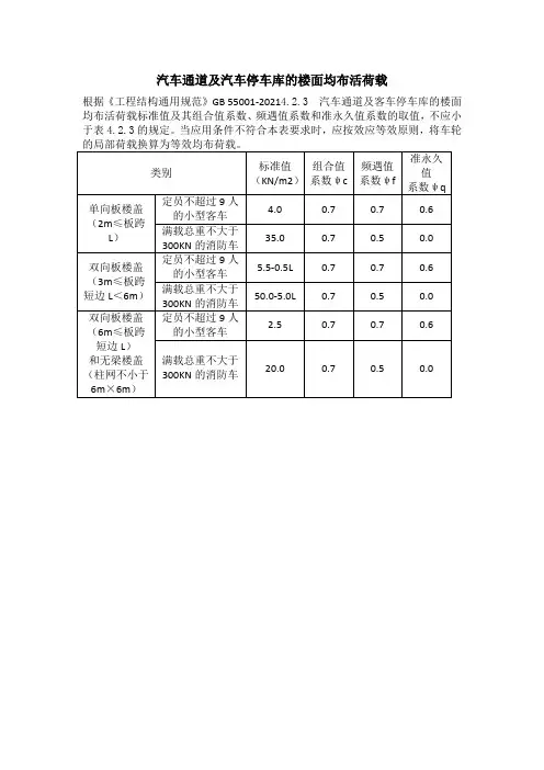
汽车通道(及停车库)的楼面活荷载标准值取值汽车通道的楼面活荷载取值与楼盖结构布置有关。
一、单向板楼盖(板跨不小于2m,即单向布置次梁,板的长边与短边之比≥2。
0),计算板、次梁、主梁及墙、柱基础时,楼面活荷载应分别乘以不同的折减系数分别计算。
1)计算板时,客车取4.0KN/㎡;消防车取35.0KN/㎡。
2)计算次梁时,折减系数取0。
8,即客车取0。
8×4。
0=3.2KN/㎡;消防车取0.8×35=28KN/㎡3)计算主梁时,折减系数取0。
6,即客车取2。
4KN/㎡,消防车取21KN/㎡。
4)计算墙、柱和基础时,折减系数取0。
5,即客车取2。
0KN/㎡,消防车取17.5KN/㎡。
二、双向板楼盖(板跨不小于6m×6m),此时通常无次梁。
主梁和设计墙、柱、基础时,楼面活荷载应乘以折减系数0。
8.1)计算板时,客车荷载取2.5KN/㎡,消防车取20.0KN/㎡。
2)计算主梁和设计墙、柱、基础时,客车荷载取2。
5×0。
8=2。
0KN/㎡,消防车荷载取20.0×0。
8=16.0KN/㎡.三、应注意的几个问题1.从上表可以看出,计算不同构件内力时,其楼面活载取值是不同的,应分别进行计算。
2.按上表的汽车荷载标准值作为输入的楼面活荷载时,仅适合单层楼盖的计算,不应再按程序默认的折减系数进行活荷载折减(与上部结构一起整体计算时应注意)。
楼面活载与汽车载重量的关系1.单向板楼盖活荷载(板)取4.0KN/㎡或双向板楼盖活载(板)取2.5KN/㎡时,楼面仅容许通行或停放载人数少于9人的小型客车。
单向板楼盖活荷载(板)取6。
0KN/㎡时,楼面容许通行总重量2.5×6×6。
0×0.43=38.7KN的汽车,约相当于载重量为1.25t~1。
5t的小型货车。
单向板楼盖活荷载(板)取8。
0KN/㎡时,楼面容许通行总重量2.5×7×8。
汽车设计荷载汇总汽车是一种重要的交通工具,在设计过程中需要考虑各种荷载,以确保汽车的安全性和稳定性。
荷载是指汽车在使用过程中承受的各种力和重量,包括静态荷载和动态荷载。
在汽车设计中,需要综合考虑静态荷载、动态荷载、冲击荷载和疲劳荷载等因素。
静态荷载是指汽车在停止或静止状态下承受的荷载。
这些荷载包括车身自重、乘员、货物、车辆自动装置等。
设计师需要通过计算和模拟来确定车身和底盘结构的强度和刚度,以及零部件的寿命和耐久性。
静态荷载的分布不均匀会对汽车的稳定性和操控性产生负面影响,因此需要在设计过程中对载重均衡和重心位置进行考虑。
动态荷载是指汽车在行驶过程中承受的各种力和振动。
这些荷载包括加速、制动、转向、行驶过程中的起伏和颠簸等。
车辆在行驶过程中会受到各种振动和冲击,因此车身和底盘结构需要具备足够的强度和刚度,以保证乘员的安全和舒适性。
同时,悬挂系统、制动系统、转向系统等关键零部件也需要经过特殊设计和测试,以适应不同的行驶环境和路况。
冲击荷载是指汽车在碰撞事故中承受的力和压力。
在汽车设计中,需要考虑碰撞安全性能,并采用各种安全装置来减少乘员受伤风险。
汽车的车身结构需要具备一定的变形能力,并能吸收和分散碰撞能量,以减少乘员对碰撞的刚性反应。
疲劳荷载是指汽车在长时间使用和重复加载的过程中承受的荷载。
长时间使用和重复加载会导致零部件的损坏和疲劳断裂。
因此,在汽车设计中需要进行疲劳寿命分析和疲劳试验,以保证零部件的耐久性和寿命。
除了上述荷载外,汽车设计还需要考虑其他特殊荷载,如风荷载、雪荷载、爬坡荷载等。
风荷载是指汽车在强风中承受的水平和垂直方向的力。
雪荷载是指汽车在雪地行驶时承受的雪的重量和阻力。
爬坡荷载是指汽车在爬坡行驶时承受的重力和阻力。
综上所述,汽车设计中需要考虑多种荷载,包括静态荷载、动态荷载、冲击荷载、疲劳荷载和其他特殊荷载。
这些荷载对汽车的安全性、稳定性和舒适性产生重要影响,因此在设计过程中需要进行详细的计算和分析,以确保汽车的性能和品质达到要求。
新旧规范中的汽车荷载比较前言:我国公路桥梁结构设计采用的汽车荷载标准长期以来采用汽车车队的形式,计算荷载和验算荷载相结合的模式。
原规范将汽车荷载划分为汽车—超20级、汽车—20级、汽车—15级、汽车—10级共四个等级,并且每个等级规定了验算荷载——挂车和履带车荷载;而新规范只将汽车荷载分为公路—I级和公路—II 级两个等级,取消了原规范规定的汽车—15级和汽车—10级汽车荷载,并且不考虑验算荷载。
公路—I级相当于原规范的汽车—超20,公路—II级相当于原规范的汽车—20级。
两者对简支梁的内力有什么区别,我们接下来就来分析这个问题。
正文:新旧规范汽车荷载对简支梁产生的内力主要体现在两个方面:1.汽车荷载的计算图式不同。
原规范汽车荷载的计算图式是以一辆加重车和具有规定间距的若干辆标准车组成的车队表示的。
新规范采用车道荷载即由均布荷载和集中荷载组成的图式。
2.冲击系数不同。
旧规范近似地认为冲击力与计算跨径成反比,并与桥梁的结构形式有关。
而新规范采用了结构基频来计算桥梁结构的冲击系数。
一.跨径20米的简支梁的内力分析。
下面以混凝土简支梁为研究对象,分析新旧规范标准汽车荷载效应的差别。
该桥标准跨径20m,主梁全长19.96m,计算跨径19.50m,桥面净空为净—7m+2×1.75m。
主梁结构尺寸如下图示。
设计荷载分别采用《公路桥涵设计通用规范》(JTG D60-2004)采用的公路—I级、公路—II级与《公路桥涵设计通用规范》(JTJ 021-85)采用的汽车—超20级、汽车—20级进行对比分析。
(一).新桥规计算的荷载效应根据上节中主梁结构纵、横截面的布置,取用其的一根主梁计算其各控制截面的汽车荷载效应。
汽车荷载效应计算按《公路桥涵通用设计规范》(JTG D60-2004)4.3.2条规定,简支梁结构的冲击系数由下式计算:介于1.5HZ和14HZ之间,冲击系数按下式计算:汽车荷载效应计算结果见下表:(二).按照旧桥规计算的荷载效应汽车荷载效应计算:在汽车荷载效应计算中,直接用规范中采用的标准汽车荷载在主梁上加载,从而计算出主梁各控制截面(支点、四分点和跨中截面)的最大弯矩和剪力效应。
新旧规范中的汽车荷载比较前言:我国公路桥梁结构设计采用的汽车荷载标准长期以来采用汽车车队的形式,计算荷载和验算荷载相结合的模式。
原规范将汽车荷载划分为汽车—超20 级、汽车—20级、汽车—15 级、汽车—10级共四个等级,并且每个等级规定了验算荷载——挂车和履带车荷载;而新规范只将汽车荷载分为公路—I 级和公路—II 级两个等级,取消了原规范规定的汽车—15级和汽车—10 级汽车荷载,并且不考虑验算荷载。
公路—I 级相当于原规范的汽车—超20,公路—II 级相当于原规范的汽车—20 级。
两者对简支梁的内力有什么区别,我们接下来就来分析这个问题。
正文:新旧规范汽车荷载对简支梁产生的内力主要体现在两个方面:1.汽车荷载的计算图式不同。
原规范汽车荷载的计算图式是以一辆加重车和具有规定间距的若干辆标准车组成的车队表示的。
新规范采用车道荷载即由均布荷载和集中荷载组成的图式。
2.冲击系数不同。
旧规范近似地认为冲击力与计算跨径成反比,并与桥梁的结构形式有关。
而新规范采用了结构基频来计算桥梁结构的冲击系数。
一.跨径20 米的简支梁的内力分析。
下面以混凝土简支梁为研究对象,分析新旧规范标准汽车荷载效应的差别。
该桥标准跨径20m,主梁全长19.96m,计算跨径19.50m,桥面净空为净一7m+2X1.75m。
主梁结构尺寸如下图示。
设计荷载分别采用《公路桥涵设计通用规范》 (JTG D60-2004)采用的公路—I 级、公路—II 级与《公路桥涵设计通用规范》 (JTJ 021-85)采用的汽车—超20 级、汽车—20 级进行对比分析。
(一).新桥规计算的荷载效应根据上节中主梁结构纵、横截面的布置, 取用其的一根主梁计算其各控制截面的汽车荷载效应。
汽车荷载效应计算按《公路桥涵通用设计规范》( JTG D60-2004) 4.3.2 条规定,简支梁结构的冲击系数由下式计算:介于1.5HZ 和14HZ 之间,冲击系数按下式计算:汽车荷载效应计算结果见下表:(二).按照旧桥规计算的荷载效应汽车荷载效应计算:在汽车荷载效应计算中,直接用规范中采用的标准汽车荷载在主梁上加载,从而计算出主梁各控制截面(支点、四分点和跨中截面)的最大弯矩和剪力效应。
汽车通道(及停车库)的楼面活荷载标准值取值汽车通道的楼面活荷载取值与楼盖结构布置有关。
一、单向板楼盖(板跨不小于2m,即单向布置次梁,板的长边与短边之比≥2。
0),计算板、次梁、主梁及墙、柱基础时,楼面活荷载应分别乘以不同的折减系数分别计算.1)计算板时,客车取4。
0KN/㎡;消防车取35。
0KN/㎡。
2)计算次梁时,折减系数取0。
8,即客车取0。
8×4.0=3.2KN/㎡;消防车取0。
8×35=28KN/㎡3)计算主梁时,折减系数取0。
6,即客车取2。
4KN/㎡,消防车取21KN/㎡.4)计算墙、柱和基础时,折减系数取0.5,即客车取2.0KN/㎡,消防车取17。
5KN/㎡.二、双向板楼盖(板跨不小于6m×6m),此时通常无次梁。
主梁和设计墙、柱、基础时,楼面活荷载应乘以折减系数0。
8。
1)计算板时,客车荷载取2.5KN/㎡,消防车取20。
0KN/㎡.2)计算主梁和设计墙、柱、基础时,客车荷载取2。
5×0.8=2.0KN/㎡,消防车荷载取20。
0×0。
8=16.0KN/㎡。
三、应注意的几个问题1.从上表可以看出,计算不同构件内力时,其楼面活载取值是不同的,应分别进行计算。
2.按上表的汽车荷载标准值作为输入的楼面活荷载时,仅适合单层楼盖的计算,不应再按程序默认的折减系数进行活荷载折减(与上部结构一起整体计算时应注意)。
楼面活载与汽车载重量的关系1.单向板楼盖活荷载(板)取4。
0KN/㎡或双向板楼盖活载(板)取2.5KN/㎡时,楼面仅容许通行或停放载人数少于9人的小型客车。
单向板楼盖活荷载(板)取6.0KN/㎡时,楼面容许通行总重量2。
5×6×6.0×0。
43=38。
7KN的汽车,约相当于载重量为1.25t~1.5t的小型货车。
单向板楼盖活荷载(板)取8.0KN/㎡时,楼面容许通行总重量2.5×7×8。
汽车通道(及停车库)的楼面活荷载标准值取值汽车通道的楼面活荷载取值与楼盖结构布置有关。
一、单向板楼盖(板跨不小于2m,即单向布置次梁,板的长边与短边之比≥2.0),计算板、次梁、主梁及墙、柱基础时,楼面活荷载应分别乘以不同的折减系数分别计算。
1)计算板时,客车取4.0KN/㎡;消防车取35.0KN/㎡。
2)计算次梁时,折减系数取0.8,即客车取0.8×4.0=3.2KN/㎡;消防车取0.8×35=28KN/㎡3)计算主梁时,折减系数取0.6,即客车取2.4KN/㎡,消防车取21KN/㎡。
4)计算墙、柱和基础时,折减系数取0.5,即客车取2.0KN/㎡,消防车取17.5KN/㎡。
二、双向板楼盖(板跨不小于6m×6m),此时通常无次梁。
主梁和设计墙、柱、基础时,楼面活荷载应乘以折减系数0.8。
1)计算板时,客车荷载取2.5KN/㎡,消防车取20.0KN/㎡。
2)计算主梁和设计墙、柱、基础时,客车荷载取2.5×0.8=2.0KN/㎡,消防车荷载取20.0×0.8=16.0KN/㎡.计算不同构件内力时汽车荷载标准值取值汇总表三、应注意的几个问题1.从上表可以看出,计算不同构件内力时,其楼面活载取值是不同的,应分别进行计算。
2.按上表的汽车荷载标准值作为输入的楼面活荷载时,仅适合单层楼盖的计算,不应再按程序默认的折减系数进行活荷载折减(与上部结构一起整体计算时应注意)。
楼面活载与汽车载重量的关系1.单向板楼盖活荷载(板)取4.0KN/㎡或双向板楼盖活载(板)取2.5KN/㎡时,楼面仅容许通行或停放载人数少于9人的小型客车。
单向板楼盖活荷载(板)取6.0KN/㎡时,楼面容许通行总重量2.5×6×6.0×0.43=38.7KN的汽车,约相当于载重量为1.25t~1.5t的小型货车。
单向板楼盖活荷载(板)取8.0KN/㎡时,楼面容许通行总重量2.5×7×8.0×0.43=60.2KN的汽车,约相当于载重量为2.5t的货车。
6 汽车及人群荷载6.0.1 《标准》(97)中的车辆荷载在形式上为四个等级,即汽车—超20级、挂车—120;汽车—20级、挂车—100;汽车—15级、挂车—80;汽车—10级、履带—50。
同时规定,新建公路桥涵的设计不采用汽车—15级、挂车—80荷载,只是为便于国家统计工作的连续性而保留这一级荷载。
《标准》(97)所规定的以车队为计算荷载图式的车辆荷载标准,是设计公路桥梁及其它构造物所规定的计算荷载。
为了保证桥梁的安全储备和使用寿命,对桥上实际行驶的车辆轴重和总重必须予以严格限制,一般情况下,不允许采用设计的极限值。
因此,设计轴荷载多大,桥上实际行驶车辆的轴荷载也允许多大,这是不对的,车辆设计荷载与车辆轴载、总载限制是两个不同的概念,不可混为一谈。
世界上有一些国家制定了车辆轴载限值标准。
他们在制定设计车辆荷载标准及车辆轴重限值时,除了考虑本国的国民经济发展水平外,同时考虑了采用重型汽车提高轴重限值而获得的运输经济效益与相应增加的公路基本建设投资及原有公路网的补强改造费用之间的合理平衡。
由于提高轴重对公路投资的影响十分惊人,长期以来,各国政府都采用了极其慎重的态度。
表6.0.1-1列出了几个经济较发达国家车辆荷载设计值和允许轴载值,表6.0.1-2列举了一些国家和地区的轴载限值。
现行公路桥涵结构设计用车辆荷载标准模式是根据我国建国以后公路上交通荷载的实际情况,经过相当长时期的分析、研究和修正确定的。
经过几十年的修订、完善,其分级逐步完善、科学、合理,基本适应了我国公路桥涵结构发展的需求。
1972年,在修订《标准》时,对原车辆荷载标准进行了一次检查,一方面向用车单位作调查,另一方面对按标准设计的桥梁通过一些重型卡车的能力作了计算比较。
调查及计算分析的结果是:公路上最常行驶的车辆,解放牌一级总重不超过100kN,改装后的黄河牌和一些越野车总重不超过300kN,这些都不超过或略超过标准车加重车,对较重的车要加以验算。