发电机——变压器组的保护配置课件1
- 格式:ppt
- 大小:1.44 MB
- 文档页数:25
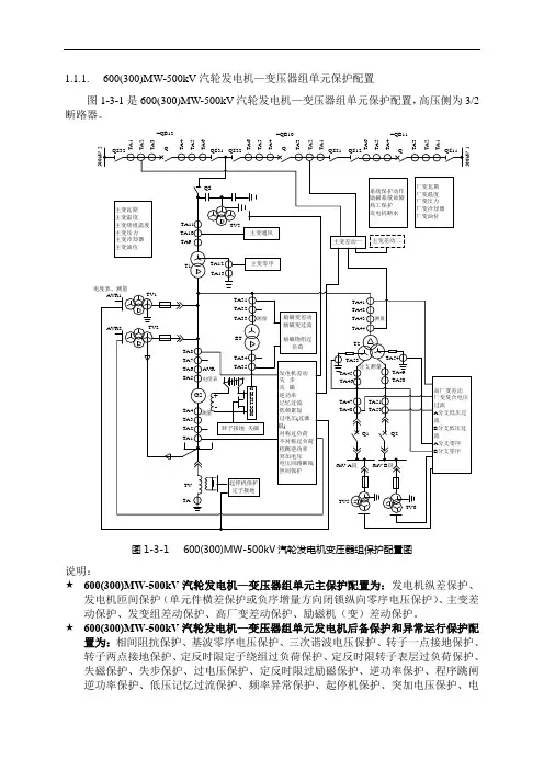
1.1.1. 600(300)MW-500kV 汽轮发电机—变压器组单元保护配置图1-3-1是600(300)MW-500kV 汽轮发电机—变压器组单元保护配置,高压侧为3/2断路器。
123456456123456123=QB12=QB10=QB11图1-3-1 600(300)MW-500kV 汽轮发电机变压器组保护配置图说明:★ 600(300)MW-500kV 汽轮发电机—变压器组单元主保护配置为:发电机纵差保护、发电机匝间保护(单元件横差保护或负序增量方向闭锁纵向零序电压保护)、主变差动保护、发变组差动保护、高厂变差动保护、励磁机(变)差动保护。
★ 600(300)MW-500kV 汽轮发电机—变压器组单元发电机后备保护和异常运行保护配置为:相间阻抗保护、基波零序电压保护、三次谐波电压保护、转子一点接地保护、转子两点接地保护、定反时限定子绕组过负荷保护、定反时限转子表层过负荷保护、失磁保护、失步保护、过电压保护、定反时限过励磁保护、逆功率保护、程序跳闸逆功率保护、低压记忆过流保护、频率异常保护、起停机保护、突加电压保护、电超速保护、TA断线保护、TV断线保护。
★ 600(300)MW-500kV 汽轮发电机—变压器组单元变压器后备保护配置为:相间阻抗保护(复合电压过流保护)、零序电流保护、间隙零序电流电压保护、过负荷、TA断线、TV断线。
★ 600(300)MW-500kV 汽轮发电机—变压器组单元高厂变后备保护配置为:复压过流保护、分支低压过流保护、分支零序过流保护、分支零序过电压保护、过负荷、通风启动、TA断线、TV断线。
★ 600(300)MW-500kV 汽轮发电机—变压器组单元励磁机(变)后备保护配置为:励磁机(变)过电流保护、定反时限励磁绕组过负荷保护、TA断线。
★ 600(300)MW-500kV 汽轮发电机—变压器组单元其它保护:失灵启动、断路器断口闪络保护、非全相运行保护、发电机断水保护、发电机热工保护、励磁系统故障、系统保护动作联跳;主变及厂变全部非电量保护。