看钢筋图钢筋符号大全(新)
- 格式:doc
- 大小:139.50 KB
- 文档页数:13
钢筋符号大全般钢筋的表示方法常用构件代号 (部分〕名称 代号 名称 代号 板 R開架 町 屋面板 WB框架 KJ 楼梯板 TB 钢架 GJ |?||扳或沟Πl nHiGB支架 ZJQR柱 Z梁L 框架柱KZKLJWLZH①标注钢筋的根数、育径和等级 ②标注钢筋的等级、宜径和相邻钢筋中心距 3Φ20:Φβ S 200 :3:表示钢筋的很数Φ :表示钢筋等缭直径符号 20=表示钢筋直轻Φ:表示钢径符号8:表示钢筋直径相等中心距符号200=相邻钢筋的中心距(⅜0(⅛n )DL梯TQL YP.过架GL阳台YT连系梁LL预埋井4钢筋混凝土构件图示方法中钢筋的标注:一般采用引岀线的方法,具体有以下两种标注方法:1。
标注钢筋的根数、直径和等级:3Φ20(钢筋的符号)3 :表示钢筋的根数①:表示钢筋等级直径符号(钢筋的符号)20 :表示钢筋直径2。
标注钢筋的等级、直径和相邻钢筋中心距Φ8 @ 200 :(钢筋的符号)①:表示钢筋等级直径符号8 :表示钢筋直径@ :相等中心距符号200 :相邻钢筋的中心距(≤200mm)各类钢筋的表示方法1. 梁箍筋梁箍筋包括钢筋级别、直径、加密区与非加密区间距及肢数。
箍筋加密区与蜚加密区的不同间距及肢数需用斜线 "/"分隔 ;当梁箍筋为同一种间距及肢数时,则不需用斜线 ;当加密区与非加密区的箍筋肢数相同时,则将肢数注写一次 ;箍筋肢数应写在括号内。
例:A10-100/200⑷,表示箍筋为I级钢筋,直径φ10,加密区间距为100 ,非加密区间距为 200 , 均为四肢箍。
A8-100(4)∕150(2),表示箍筋为I级钢筋,直径φ8加密区间距为100 ,四肢箍,非加密区间距为150 , 两肢箍。
需要注意的是此处表示间距不是用 "@" ,而是用 "-"。
当抗震结构中的非框架梁及非抗震结构中的各类梁采用不同的箍筋间距及肢数时,也用斜线"/" 将其分隔开来。
钢筋符号大全个人总结以下是我个人总结的钢筋符号大全:
1. 图例符号:
- 直径符号:⌀
- 钢筋直径加号:Ø
- 竖线符号:|
- 横线符号:-
- 叉符号:×
- 牛角符号:∠
- 弧线符号:~
- 圆心符号:o
- 三角符号:△
- 方框符号:[]
- 双线符号:==
- 斜线符号:/
2. 钢筋标记符号:
- 纵向钢筋标记:|
- 横向钢筋标记:-
- 钢筋框标记:[]
- 钢筋双向标记:==
- 钢筋多层标记:||
- 钢筋步距标记:/
- 钢筋交叉标记:X
- 钢筋箭头标记:->
- 钢筋框内标记:{}
- 钢筋钩子标记:J
- 钢筋弯折标记:S
请注意,这只是我个人总结的一些常见钢筋符号,实际使用中可能会有更多的符号和标记方式。
在具体工程中,最好根据所用的设计规范和图纸标准来确定钢筋符号的使用方式。
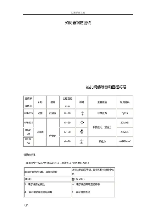
如何看钢筋图纸热扎钢筋等级和直径符号强度等级代号外形钢种公称直径mm符号主要用途常用材料HPB235 光圆低碳钢8--20 非预应力Q235HRB335月牙肋合金钢6--50非预应力、预应力20MnSiHRB4006--50 25MnSi RRB4006--50 预应力40Si2MnV 钢筋的标注在图样中一般采用引出线的方法,具体有以下两种标注方法:①标注钢筋的根数、直径和等级②标注钢筋的等级、直径和相邻钢筋中心距3Ф20:Ф8 @ 200:3:表示钢筋的根数Ф:表示钢筋等级直径符号Ф:表示钢筋等级直径符号8:表示钢筋直径20:表示钢筋直径@:相等中心距符号200:相邻钢筋的中心距(≤200mm )一般钢筋的表示方法名称图例名称图例名称图例钢筋断面带直钩的钢筋端部半圆形弯钩的钢筋塔接无弯钩的钢筋端部带丝扣钢筋端部半直钩的钢筋端部半圆形弯钩的钢筋端部无弯钩的钢筋塔接套管接头常用构件的代号序号名称代号序号名称代号序号名称代号1板B15吊车梁DL29基础J 2屋面板WB16圈梁QL30设备基础SJ 3空心板KB17过梁GL31桩ZH 4槽形板CB18连系梁LL32柱间支撑ZC 5折板ZB19基础梁JL33垂直支撑CC 6密筋板MB20楼梯梁TL34水平支撑SC 7楼梯板TB21懔条LT35梯T 8盖板或沟盖板GB22屋架WJ36雨蓬YP 9挡雨板或口板檐板YB23托架TJ37阳台YT一、梁上主筋和梁下主筋同时表示方法:⑴3Φ22,3Φ20 表示上部钢筋为3Φ22, 下部钢筋为3Φ20。
⑵2φ12,3Φ18 表示上部钢筋为2φ12, 下部钢筋为3Φ18。
⑶4Φ25,4Φ25 表示上部钢筋为4Φ25, 下部钢筋为4Φ25。
⑷3Φ25,5Φ25 表示上部钢筋为3Φ25, 下部钢筋为5Φ25。
二、梁上部钢筋表示方法:(标在梁上支座处)⑴2Φ20 表示两根Φ20的钢筋,通长布置,用于双肢箍。
⑵2Φ22+(4Φ12)表示2Φ22 为通长,4φ12架立筋,用于六肢箍。
迅捷CAD2018-06-28 16:55:37
钢筋符号多种多样, 虽然在外行看来看似没有区别, 其中城市有很多的分歧, 怎么进行识别呢?如何快速学会钢筋识图, 这里分享全面的钢筋符号年夜全一起看看吧.
一.钢筋符号暗示方法
二.箍筋暗示的方法都有哪些?
这里年夜家想要获取钢筋图纸, 或者是钢筋字体, 迅捷CAD图库, 免费获取, 另外海量别墅, 建筑, 家装练习图, 免费使用.
三.钢筋直径符号暗示方法
年夜家都知道钢筋的直径符号为:Φ.读音:fài.在图纸中通经常使用Φ暗示直径, 比如钢筋Φ10, 意思是就是钢筋的直径是
10cm.
怎么进行暗示呢?Word文档+excel表格+键盘输入+AutoCAD就可以把持, 九种暗示方法了解一下.。
如何看钢筋图纸热扎钢筋等级和直径符号强度等级代号外形钢种公称直径mm符号主要用途常用材料HPB235 光圆低碳钢8--20 非预应力Q235HRB335月牙肋合金钢6--50非预应力、预应力20MnSiHRB400 6--50 25MnSi RRB400 6--50 预应力40Si2MnV钢筋的标注在图样中一般采用引出线的方法,具体有以下两种标注方法:①标注钢筋的根数、直径和等级②标注钢筋的等级、直径和相邻钢筋中心距3Ф20:Ф8 @ 200:3:表示钢筋的根数Ф:表示钢筋等级直径符号20:表示钢筋直径Ф:表示钢筋等级直径符号8:表示钢筋直径@:相等中心距符号200:相邻钢筋的中心距(≤200mm)一般钢筋的表示方法名称图例名称图例名称图例钢筋断面带直钩的钢筋端部半圆形弯钩的钢筋塔接无弯钩的钢筋端部带丝扣钢筋端部半直钩的钢筋端部半圆形弯钩的钢筋端部无弯钩的钢筋塔接套管接头常用构件的代号序号名称代号序号名称代号序号名称代号1板B15吊车梁DL29基础J 2屋面板WB16圈梁QL30设备基础SJ 3空心板KB17过梁GL31桩ZH 4槽形板CB18连系梁LL32柱间支撑ZC一、梁上主筋和梁下主筋同时表示方法:⑴3Φ22,3Φ20 表示上部钢筋为3Φ22, 下部钢筋为3Φ20。
⑵2φ12,3Φ18 表示上部钢筋为2φ12, 下部钢筋为3Φ18。
⑶4Φ25,4Φ25 表示上部钢筋为4Φ25, 下部钢筋为4Φ25。
⑷3Φ25,5Φ25 表示上部钢筋为3Φ25, 下部钢筋为5Φ25。
二、梁上部钢筋表示方法:(标在梁上支座处)⑴2Φ20 表示两根Φ20的钢筋,通长布置,用于双肢箍。
⑵2Φ22+(4Φ12)表示2Φ22 为通长,4φ12架立筋,用于六肢箍。
⑶6Φ25 4/2 表示上部钢筋上排为4Φ25,下排为2Φ25。
⑷2Φ22+ 2Φ22 表示只有一排钢筋,两根在角部,两根在中部,均匀布置。
三、梁腰中钢筋表示方法:⑴G2φ12 表示梁两侧的构造钢筋,每侧一根φ12。
精心整理热扎钢筋等级和直径符号常用构件的代号一、箍筋表示方法:⑴φ10@100/200(2)表示箍筋为φ10,加密区间距100,非加密区间距200,全为双肢箍。
⑵φ10@100/200(4)表示箍筋为φ10,加密区间距100,非加密区间距200,全为四肢箍。
⑶φ8@200(2)表示箍筋为φ8,间距为200,双肢箍。
⑷φ8@100(4)/150(2)表示箍筋为φ8,加密区间距100,四肢箍,非加密区间距150,双肢箍。
一、梁上主筋和梁下主筋同时表示方法:⑴3Φ22,3Φ20表示上部钢筋为3Φ22,下部钢筋为3Φ20。
⑵2φ12,3Φ18表示上部钢筋为2φ12,下部钢筋为3Φ18。
⑶4Φ25,4Φ25表示上部钢筋为4Φ25,下部钢筋为4Φ25。
⑷3Φ25,5Φ25表示上部钢筋为3Φ25,下部钢筋为5Φ25。
二、梁上部钢筋表示方法:(标在梁上支座处)⑴2Φ20⑵2Φ⑶6Φ⑷2Φ⑴G2φ⑵G4Φ⑶N2Φ⑷N4Φ⑴4Φ25⑵6Φ⑶6Φ25⑷2Φ下排筋5KL7(3N4Φ18(-0.100300×N4φ10KL7(3)300×700表示框架梁7,有三跨,断面宽300,高700。
Y500×250表示梁下加腋,宽500,高250。
N4Φ18表示梁腰中抗扭钢筋。
φ10@100/200(2)2Φ25表示箍筋和架立筋。
-0.100表示梁上皮标高。
钢筋混凝土粘结锚固能力可以由四种途径得到:①钢筋与混凝土接触面上化学吸附作用力,也称胶结力。
②混凝土收缩,将钢筋紧紧握固而产生摩擦力。
③钢筋表面凹凸不平与混凝土之间产生的机械咬合作用,也称咬合力。
④钢筋端部加弯钩、弯折或在锚固区焊短钢筋、焊角钢来提供锚固能力。
正筋就是正弯矩筋,简单的说,就是对于受弯构件来说,如梁板等,下部受拉的部位的钢筋,对于连续梁板,一般就在跨中,同理,负筋一般在支座处(上部受拉)通长钢筋就是指在所标的区段内通长设置,直径可以不相同,可以采用搭接连接形式,保证梁各个部位的这个部分钢筋都能发挥其抗拉强度,而且两端应按受拉锚固的钢筋贯通筋是指贯穿于构件(如梁)整个长度的钢筋,中间既不弯起也不中断,当钢筋过长时可以搭接或焊接,但不改变直径。
如何看钢筋图纸热扎钢筋等级和直径符号钢筋的标注在图样中一般采用引出线的方法,具体有以下两种标注方法:一般钢筋的表示方法常用构件的代号一、梁上主筋和梁下主筋同时表示方法:⑴3Φ22,3Φ20 表示上部钢筋为3Φ22, 下部钢筋为3Φ20。
⑵2φ12,3Φ18 表示上部钢筋为2φ12, 下部钢筋为3Φ18。
⑶4Φ25,4Φ25 表示上部钢筋为4Φ25, 下部钢筋为4Φ25。
⑷3Φ25,5Φ25 表示上部钢筋为3Φ25, 下部钢筋为5Φ25。
二、梁上部钢筋表示方法:(标在梁上支座处)⑴2Φ20 表示两根Φ20的钢筋,通长布置,用于双肢箍。
⑵2Φ22+(4Φ12)表示2Φ22 为通长,4φ12架立筋,用于六肢箍。
⑶6Φ25 4/2 表示上部钢筋上排为4Φ25,下排为2Φ25。
⑷2Φ22+ 2Φ22 表示只有一排钢筋,两根在角部,两根在中部,均匀布置。
三、梁腰中钢筋表示方法:⑴G2φ12 表示梁两侧的构造钢筋,每侧一根φ12。
⑵G4Φ14 表示梁两侧的构造钢筋,每侧两根Φ14。
⑶N2Φ22 表示梁两侧的抗扭钢筋,每侧一根Φ22。
⑷N4Φ18 表示梁两侧的抗扭钢筋,每侧两根Φ18。
四、梁下部钢筋表示方法:(标在梁的下部)⑴4Φ25 表示只有一排主筋,4Φ25 全部伸入支座内。
⑵6Φ25 2/4 表示有两排钢筋,上排筋为2Φ25,下排筋4Φ25。
⑶6Φ25 (-2 )/4 表示有两排钢筋,上排筋为2Φ25,不伸入支座,下排筋4Φ25,全部伸入支座。
⑷2Φ25 + 3Φ22(-3)/ 5Φ25 表示有两排筋,上排筋为5根。
2Φ25伸入支座,3Φ22,不伸入支座。
下排筋5Φ25,通长布置。
一、箍筋表示方法:⑴φ10@100/200(2) 表示箍筋为φ10 ,加密区间距100,非加密区间距200,全为双肢箍。
⑵φ10@100/200(4) 表示箍筋为φ10 ,加密区间距100,非加密区间距200,全为四肢箍。
⑶φ8@200(2) 表示箍筋为φ8,间距为200,双肢箍。
如何瞧钢筋图纸热扎钢筋等级与直径符号强度等级代号外形钢种公称直径mm符号主要用途常用材料HPB235 光圆低碳钢8--20 非预应力Q235HRB335月牙肋合金钢6--50非预应力、预应力20MnSiHRB400 6--50 25MnSi RRB400 6--50 预应力40Si2MnV 钢筋的标注在图样中一般采用引出线的方法,具体有以下两种标注方法:①标注钢筋的根数、直径与等级②标注钢筋的等级、直径与相邻钢筋中心距3Ф20: Ф8 @ 200:3:表示钢筋的根数Ф:表示钢筋等级直径符号20:表示钢筋直径Ф:表示钢筋等级直径符号8:表示钢筋直径@:相等中心距符号200:相邻钢筋的中心距(≤200mm)一般钢筋的表示方法名称图例名称图例名称图例钢筋断面带直钩的钢筋端部半圆形弯钩的钢筋塔接无弯钩的钢筋端部带丝扣钢筋端部半直钩的钢筋端部半圆形弯钩的钢筋端部无弯钩的钢筋塔接套管接头常用构件的代号序号名称代号序号名称代号序号名称代号1板B15吊车梁DL29基础J 2屋面板WB16圈梁QL30设备基础SJ 3空心板KB17过梁GL31桩ZH 4槽形板CB18连系梁LL32柱间支撑ZC 5折板ZB19基础梁JL33垂直支撑CC 6密筋板MB20楼梯梁TL34水平支撑SC 7楼梯板TB21懔条LT35梯T 8盖板或沟盖板GB22屋架WJ36雨蓬YP⑴3Φ22,3Φ20 表示上部钢筋为3Φ22, 下部钢筋为3Φ20。
⑵2φ12,3Φ18 表示上部钢筋为2φ12, 下部钢筋为3Φ18。
⑶4Φ25,4Φ25 表示上部钢筋为4Φ25, 下部钢筋为4Φ25。
⑷3Φ25,5Φ25 表示上部钢筋为3Φ25, 下部钢筋为5Φ25。
二、梁上部钢筋表示方法:(标在梁上支座处)⑴2Φ20 表示两根Φ20的钢筋,通长布置,用于双肢箍。
⑵2Φ22+(4Φ12) 表示2Φ22 为通长,4φ12架立筋,用于六肢箍。
⑶6Φ25 4/2 表示上部钢筋上排为4Φ25,下排为2Φ25。
钢筋图纸符号大全收藏结构施工图简称“结施”图.钢筋图纸上表示有几种:1.梁主、次梁,地梁,圈梁.2.柱受力柱,构造柱.3.板单向板,双向板,一般单向板我们很少接触.一、梁的表示方法:1.梁上主筋和梁下部筋的表示;1.3Ф22;3Ф20表示上部钢筋为3Ф22,下部钢筋为3Ф20.2.2Ф12;3Ф18表示上部钢筋为2Ф12,下部钢筋为3Ф18.3.4Ф25;4Ф25表示上部钢筋为4Ф25,下部钢筋为4Ф25.4.3Ф25;5Ф25表示上部钢筋为3Ф25,下部钢筋为5Ф25.2.梁上部钢筋表示方法:标在梁上支座处1.2Ф20表示两根Ф20的钢筋,通长布置,用于双支箍.2.2Ф22+4Ф12表示2Ф22为通长,4Ф12架立筋,用于四肢箍.3.6Ф254/2表示上部钢筋上排为4Ф25,下排为2Ф25.4.2Ф22+2Ф22表示只有一排钢筋,两根在角部,两根在中部,均匀布置.3.梁腰中钢筋表示方法:1.G2Ф12表示梁两侧的构造钢筋,每侧一根Ф12.2.G4Ф14表示梁两侧的构造钢筋,每侧两根Ф14.3.N2Ф22表示梁两侧的抗扭钢筋,每侧一根Ф22.4.N4Ф18表示梁两侧的抗扭钢筋,每侧两根Ф18.4.梁下部钢筋表示方法标在梁的下部1.4Ф25表示只有一排主筋即受力筋,4Ф25全部伸入支座内.2.6Ф252/4表示有两排钢筋,上排为2Ф25,下排为4Ф25,全部伸入支座.3.6Ф25-2/4表示有两排钢筋,上排为2Ф25,不伸入支座,下排为4Ф25,全部伸入支座.4.2Ф25+3Ф22-3/5Ф25表示有两排钢筋,上排为5根,2Ф25,伸入支座,3Ф22,不伸入支座,下排为5Ф25,通长布置,全部伸入支座.二、箍筋的表示方法:1.Ф10100/2002表示箍筋为Ф10,加密区间为100,非加密区间为200,全为双支箍.2.Ф10100/2004表示箍筋为Ф10,加密区间为100,非加密区间为200,全为四支箍.3.Ф81002表示箍筋为Ф8,全为双支箍.4.Ф81004/1502表示箍筋为Ф8,加密区间为100,且全部用于四肢箍,非加密区间为200,且全部用于双支箍.常用构件代号部分名称代号名称代号板B屋架WJ屋面板WB框架KJ楼梯板TB钢架GJ盖板或沟盖板GB支架ZJ墙板QB柱Z梁L框架柱KZ框架梁KL基础J屋面梁WL桩ZH吊车梁DL梯T圈梁QL雨篷YP过梁GL阳台YT连系梁LL预埋件M-基础梁JL钢筋网W 楼梯梁TL钢筋骨架G。
看钢筋图钢筋符号大全总结————————————————————————————————作者:————————————————————————————————日期:如何看钢筋图纸热扎钢筋等级和直径符号强度等级代号外形钢种公称直径mm符号主要用途常用材料HPB235 光圆低碳钢8--20 非预应力Q235HRB335月牙肋合金钢6--50非预应力、预应力20MnSiHRB400 6--50 25MnSi RRB400 6--50 预应力40Si2MnV钢筋的标注在图样中一般采用引出线的方法,具体有以下两种标注方法:①标注钢筋的根数、直径和等级②标注钢筋的等级、直径和相邻钢筋中心距3Ф20:Ф8 @ 200:3:表示钢筋的根数Ф:表示钢筋等级直径符号20:表示钢筋直径Ф:表示钢筋等级直径符号8:表示钢筋直径@:相等中心距符号200:相邻钢筋的中心距(≤200mm)一般钢筋的表示方法名称图例名称图例名称图例钢筋断面带直钩的钢筋端部半圆形弯钩的钢筋塔接无弯钩的钢筋端部带丝扣钢筋端部半直钩的钢筋端部半圆形弯钩的钢筋端部无弯钩的钢筋塔接套管接头常用构件的代号序号名称代号序号名称代号序号名称代号1板B15吊车梁DL29基础J 2屋面板WB16圈梁QL30设备基础SJ 3空心板KB17过梁GL31桩ZH 4槽形板CB18连系梁LL32柱间支撑ZC5折板ZB19基础梁JL33垂直支撑CC 6密筋板MB20楼梯梁TL34水平支撑SC 7楼梯板TB21懔条LT35梯T 8盖板或沟盖板GB22屋架WJ36雨蓬YP 9挡雨板或口板檐板YB23托架TJ37阳台YT 10吊车安全走道板DB24天窗架CJ38梁垫LD 11墙板QB25框架KJ39预埋件M 12天沟板TGB26钢架GJ40天窗端壁TD 13梁L27支架ZJ41钢筋网W 14屋面梁WL28柱Z42钢筋骨架G一、梁上主筋和梁下主筋同时表示方法:⑴3Φ22,3Φ20 表示上部钢筋为3Φ22, 下部钢筋为3Φ20。
钢筋一、梁上主筋和梁下主筋同时表示方法:⑴:3Φ22,3Φ20表示上部钢筋为3Φ22,下部钢筋为3Φ20二、梁上部钢筋表示方法:标在梁上支座处)⑴2Φ20表示两根Φ20的钢筋,通长布置,用于双肢箍。
⑵2Φ22+(4Φ12)表示2Φ22为通长,4φ12架立筋,用于六肢箍。
⑶6Φ25 4/2表示上部钢筋上排为4Φ25,下排为2Φ25。
⑷2Φ22+ 2Φ22表示只有一排钢筋,两根在角部,两根在中部,均匀布置。
三.梁下部钢筋表示方法:(标在梁的下部)⑴4Φ25表示只有一排主筋,4Φ25全部伸入支座内。
⑵6Φ25 2/4表示有两排钢筋,上排筋为2Φ25,下排筋4Φ25。
⑶6Φ25(-2)/4表示有两排钢筋,上排筋为2Φ25,不伸入支座,下排筋4Φ25,全部伸入支座。
⑷2Φ25 + 3Φ22(-3)/ 5Φ25表示有两排筋,上排筋为5根。
2Φ25伸入支座,3Φ22,不伸入支座。
下排筋5Φ25,通长布置。
四、标注示例:KL7(3)300×700 Y500×250φ10@100/200(2) 2Φ25N4Φ18(-0.100)4Φ25 6Φ25 4/2 6Φ25 4/2 6Φ25 4/2 4Φ25 □———————————□———————□——————————□4Φ25 2Φ25 4Φ25300×700N4φ10KL7(3) 300×700表示框架梁7,有三跨,断面宽300,高700。
Y500×250表示梁下加腋,宽500,高250。
N4Φ18表示梁腰中抗扭钢筋。
φ10@100/200(2) 2Φ25表示箍筋和架立筋。
-0.100表示梁上皮标高。
混凝土构件图示方法中钢筋的标注:一般采用引出线的方法,具体有以下两种标注方法:1.标注钢筋的根数、直径和等级3Ф203:表示钢筋的根数Ф:表示钢筋等级直径符号20:表示钢筋直径2.标注钢筋的等级、直径和相邻钢筋中心距Ф8 @ 200Ф:表示钢筋等级直径符号8:表示钢筋直径@:相等中心距符号200:相邻钢筋的中心距(≤200mm)各类钢筋的表示方法1.梁箍筋梁箍筋包括钢筋级别、直径、加密区与非加密区间距及肢数。
热扎钢筋等级和直径符号钢筋的标注在图样中一般采用引出线的方法,具体有以下两种标注方法:一般钢筋的表示方法常用构件的代号一、箍筋表示方法:⑴φ10@100/200(2) 表示箍筋为φ10 ,加密区间距100,非加密区间距200,全为双肢箍。
⑵φ10@100/200(4) 表示箍筋为φ10 ,加密区间距100,非加密区间距200,全为四肢箍。
⑶φ8@200(2) 表示箍筋为φ8,间距为200,双肢箍。
⑷φ8@100(4)/150(2) 表示箍筋为φ8,加密区间距100,四肢箍,非加密区间距150,双肢箍。
一、梁上主筋和梁下主筋同时表示方法:⑴3Φ22,3Φ20 表示上部钢筋为3Φ22, 下部钢筋为3Φ20。
⑵2φ12,3Φ18 表示上部钢筋为2φ12, 下部钢筋为3Φ18。
⑶4Φ25,4Φ25 表示上部钢筋为4Φ25, 下部钢筋为4Φ25。
⑷3Φ25,5Φ25 表示上部钢筋为3Φ25, 下部钢筋为5Φ25。
二、梁上部钢筋表示方法:(标在梁上支座处)⑴2Φ20 表示两根Φ20的钢筋,通长布置,用于双肢箍。
⑵2Φ22+(4Φ12)表示2Φ22 为通长,4φ12架立筋,用于六肢箍。
⑶6Φ25 4/2 表示上部钢筋上排为4Φ25,下排为2Φ25。
⑷2Φ22+ 2Φ22 表示只有一排钢筋,两根在角部,两根在中部,均匀布置。
三、梁腰中钢筋表示方法:⑴G2φ12 表示梁两侧的构造钢筋,每侧一根φ12。
⑵G4Φ14 表示梁两侧的构造钢筋,每侧两根Φ14。
⑶N2Φ22 表示梁两侧的抗扭钢筋,每侧一根Φ22。
⑷N4Φ18 表示梁两侧的抗扭钢筋,每侧两根Φ18。
四、梁下部钢筋表示方法:(标在梁的下部)⑴4Φ25 表示只有一排主筋,4Φ25 全部伸入支座内。
⑵6Φ25 2/4 表示有两排钢筋,上排筋为2Φ25,下排筋4Φ25。
⑶6Φ25 (-2 )/4 表示有两排钢筋,上排筋为2Φ25,不伸入支座,下排筋4Φ25,全部伸入支座。
如何看钢筋图纸热扎钢筋等级和直径符号强度等级代号外形钢种公称直径mm符号主要用途常用材料HPB235 光圆低碳钢8--20 非预应力Q235HRB335月牙肋合金钢6--50非预应力、预应力20MnSiHRB400 6--50 25MnSiRRB400 6--50 预应力40Si2MnV 钢筋的标注在图样中一般采用引出线的方法,具体有以下两种标注方法:①标注钢筋的根数、直径和等级②标注钢筋的等级、直径和相邻钢筋中心距3Ф20:Ф8 @ 200:3:表示钢筋的根数Ф:表示钢筋等级直径符号20:表示钢筋直径Ф:表示钢筋等级直径符号8:表示钢筋直径@:相等中心距符号200:相邻钢筋的中心距(≤200mm)一般钢筋的表示方法名称图例名称图例名称图例钢筋断面带直钩的钢筋端部半圆形弯钩的钢筋塔接无弯钩的钢筋端部带丝扣钢筋端部半直钩的钢筋端部半圆形弯钩的钢筋端部无弯钩的钢筋塔接套管接头常用构件的代号一、梁上主筋和梁下主筋同时表示方法:⑴3Φ22,3Φ20 表示上部钢筋为3Φ22, 下部钢筋为3Φ20。
⑵2φ12,3Φ18 表示上部钢筋为2φ12, 下部钢筋为3Φ18。
⑶4Φ25,4Φ25 表示上部钢筋为4Φ25, 下部钢筋为4Φ25。
⑷3Φ25,5Φ25 表示上部钢筋为3Φ25, 下部钢筋为5Φ25。
二、梁上部钢筋表示方法:(标在梁上支座处)⑴2Φ20 表示两根Φ20的钢筋,通长布置,用于双肢箍。
⑵2Φ22+(4Φ12)表示2Φ22 为通长,4φ12架立筋,用于六肢箍。
⑶6Φ25 4/2 表示上部钢筋上排为4Φ25,下排为2Φ25。
⑷2Φ22+ 2Φ22 表示只有一排钢筋,两根在角部,两根在中部,均匀布置。
三、梁腰中钢筋表示方法:⑴G2φ12 表示梁两侧的构造钢筋,每侧一根φ12。
⑵G4Φ14 表示梁两侧的构造钢筋,每侧两根Φ14。
⑶N2Φ22 表示梁两侧的抗扭钢筋,每侧一根Φ22。
⑷N4Φ18 表示梁两侧的抗扭钢筋,每侧两根Φ18。
.. . ...如何看钢筋图纸热扎钢筋等级和直径符号强度等公称直径符号主要用途常用材料外形钢种mm 级代号8--20HPB235光圆低碳钢Q235非预应力HRB3356--5020MnSi非预应力、预应力25MnSiHRB4006--50月牙肋合金钢6--50RRB400预应力40Si2MnV. 学习参.考... . ...钢筋的标注在图样中一般采用引出线的方法,具体有以下两种标注方法:标注钢筋的等直径和相邻钢筋标注钢筋的根直径和等心28 @ 20Ф表示钢筋等级直径符表示钢筋的根表示钢筋直表示钢筋等级直径符Ф相等中心距符号:表示钢筋直径20 200mm)200:相邻钢筋的中心距(≤一般钢筋的表示方法名称图例名称图例名称图例带直钩的半圆形弯钩钢筋的钢筋塔接钢筋端部断面半直钩的带丝扣无弯钩的钢筋端部钢筋端部钢筋端部半圆形弯钩无弯钩的套管接头钢筋塔接的钢筋端部常用构件的代号代号代号序号序号名称名称代号名称序号J29吊车梁1B15板基础DLSJWB圈梁162QL设备基础30屋面板ZH17空心板KB3过梁31GL桩ZC连系梁32槽形板4LL18CB柱间支撑. 学习参.考... . ...CC垂直支撑5折板JLZB1933基础SM水平支楼梯密筋2T32懔TL3楼梯Y屋G盖板或沟盖23W雨Y3托T挡雨板或口板檐阳Y2L13天窗DC2梁吊车安全走道预埋墙框2K1Q3T14TG2天沟G钢天窗端4钢筋支1Z21W钢筋骨屋面242梁上主筋和梁下主筋同时表示方法:一、Φ20。
3Φ22, 下部钢筋为3 ⑴3Φ22,3Φ20 表示上部钢筋为18。
φ12, 下部钢筋为3Φ2φ12,3Φ18 表示上部钢筋为2⑵。
下部钢筋为4Φ25Φ25,425 表示上部钢筋为4Φ25,⑶4Φ。
5Φ25Φ25 表示上部钢筋为3Φ25, 下部钢筋为3⑷Φ25,5学习参..考... . ...二、梁上部钢筋表示方法:(标在梁上支座处)⑴2Φ20 表示两根Φ20的钢筋,通长布置,用于双肢箍。
钢筋符号大全可复制钢筋符号是在建筑设计和施工图纸中常见的一种符号,用于表示混凝土结构中的钢筋布置、尺寸和数量等信息。
正确使用钢筋符号对于保证混凝土结构的质量和安全具有重要意义。
本文将为大家介绍一些常见的钢筋符号,并提供可复制的符号列表,希望能对大家的工作和学习有所帮助。
1. 钢筋直径符号,⌀。
钢筋的直径是钢筋符号中的重要信息之一,常用的钢筋直径符号为⌀,直径后面一般会跟上具体的直径尺寸,例如⌀10表示直径为10mm的钢筋。
2. 钢筋箍筋符号,@。
在混凝土结构中,为了保证梁、柱等构件的受力性能,常常需要设置箍筋。
箍筋符号常用的表示方法是@符号,例如,@10@150 c300表示箍筋直径为10mm,箍筋间距为150mm,箍筋长度为300mm。
3. 钢筋弯钩符号,↪。
在钢筋加工和安装中,经常需要对钢筋进行弯曲处理,此时就需要使用弯钩符号来表示。
常见的弯钩符号为↪,例如,↪135°表示钢筋的弯曲角度为135度。
4. 钢筋连接符号,||。
在混凝土结构中,钢筋的连接是一个重要的环节,合理的连接方式可以有效地提高结构的受力性能。
常见的钢筋连接符号为||,例如,||表示两根钢筋的连接。
5. 钢筋间距符号,c。
钢筋的间距也是钢筋符号中需要表示的重要信息之一,常用的间距符号为c,例如,c150表示钢筋的间距为150mm。
6. 钢筋长度符号,L。
在建筑图纸中,常常需要标注钢筋的长度信息,此时就需要使用钢筋长度符号L,例如,L300表示钢筋的长度为300mm。
7. 钢筋弯曲直径符号,Ø。
在钢筋加工中,经常需要进行钢筋的弯曲处理,此时就需要使用弯曲直径符号Ø,例如,Ø12表示钢筋的弯曲直径为12mm。
8. 钢筋偏移符号,Δ。
在钢筋的布置和连接中,偏移是一个常见的情况,此时就需要使用偏移符号Δ,例如,Δ150表示钢筋的偏移距离为150mm。
以上就是一些常见的钢筋符号及其含义,希望对大家有所帮助。
如何看钢筋图纸热扎钢筋等级和直径符号强度等级代号外形钢种公称直径mm符号主要用途常用材料HPB235 光圆低碳钢8--20 非预应力Q235HRB335月牙肋合金钢6--50非预应力、预应力20MnSiHRB400 6--50 25MnSi RRB400 6--50 预应力40Si2MnV 钢筋的标注在图样中一般采用引出线的方法,具体有以下两种标注方法:①标注钢筋的根数、直径和等级②标注钢筋的等级、直径和相邻钢筋中心距3Ф20:Ф8 @ 200:3:表示钢筋的根数Ф:表示钢筋等级直径符号Ф:表示钢筋等级直径符号8:表示钢筋直径20:表示钢筋直径@:相等中心距符号200:相邻钢筋的中心距(≤200mm)一般钢筋的表示方法名称图例名称图例名称图例钢筋断面带直钩的钢筋端部半圆形弯钩的钢筋塔接无弯钩的钢筋端部带丝扣钢筋端部半直钩的钢筋端部半圆形弯钩的钢筋端部无弯钩的钢筋塔接套管接头常用构件的代号序号名称代号序号名称代号序号名称代号1板B15吊车梁DL29基础J 2屋面板WB16圈梁QL30设备基础SJ 3空心板KB17过梁GL31桩ZH 4槽形板CB18连系梁LL32柱间支撑ZC 5折板ZB19基础梁JL33垂直支撑CC 6密筋板MB20楼梯梁TL34水平支撑SC 7楼梯板TB21懔条LT35梯T 8盖板或沟盖板GB22屋架WJ36雨蓬YP 9挡雨板或口板檐板YB23托架TJ37阳台YT一、梁上主筋和梁下主筋同时表示方法:⑴3Φ22,3Φ20 表示上部钢筋为3Φ22, 下部钢筋为3Φ20。
⑵2φ12,3Φ18 表示上部钢筋为2φ12, 下部钢筋为3Φ18。
⑶4Φ25,4Φ25 表示上部钢筋为4Φ25, 下部钢筋为4Φ25。
⑷3Φ25,5Φ25 表示上部钢筋为3Φ25, 下部钢筋为5Φ25。
二、梁上部钢筋表示方法:(标在梁上支座处)⑴2Φ20 表示两根Φ20的钢筋,通长布置,用于双肢箍。
⑵2Φ22+(4Φ12)表示2Φ22 为通长,4φ12架立筋,用于六肢箍。
⑶6Φ25 4/2 表示上部钢筋上排为4Φ25,下排为2Φ25。
⑷2Φ22+ 2Φ22 表示只有一排钢筋,两根在角部,两根在中部,均匀布置。
三、梁腰中钢筋表示方法:⑴G2φ12 表示梁两侧的构造钢筋,每侧一根φ12。
⑵G4Φ14 表示梁两侧的构造钢筋,每侧两根Φ14。
⑶N2Φ22 表示梁两侧的抗扭钢筋,每侧一根Φ22。
⑷N4Φ18 表示梁两侧的抗扭钢筋,每侧两根Φ18。
四、梁下部钢筋表示方法:(标在梁的下部)⑴4Φ25 表示只有一排主筋,4Φ25 全部伸入支座内。
⑵6Φ25 2/4 表示有两排钢筋,上排筋为2Φ25,下排筋4Φ25。
⑶6Φ25 (-2 )/4 表示有两排钢筋,上排筋为2Φ25,不伸入支座,下排筋4Φ25,全部伸入支座。
⑷2Φ25 + 3Φ22(-3)/ 5Φ25 表示有两排筋,上排筋为5根。
2Φ25伸入支座,3Φ22,不伸入支座。
下排筋5Φ25,通长布置。
一、箍筋表示方法:⑴φ10@100/200(2) 表示箍筋为φ10 ,加密区间距100,非加密区间距200,全为双肢箍。
⑵φ10@100/200(4) 表示箍筋为φ10 ,加密区间距100,非加密区间距200,全为四肢箍。
⑶φ8@200(2) 表示箍筋为φ8,间距为200,双肢箍。
⑷φ8@100(4)/150(2) 表示箍筋为φ8,加密区间距100,四肢箍,非加密区间距150,双肢箍。
一、梁上主筋和梁下主筋同时表示方法:⑴3Φ22,3Φ20 表示上部钢筋为3Φ22, 下部钢筋为3Φ20。
⑵2φ12,3Φ18 表示上部钢筋为2φ12, 下部钢筋为3Φ18。
⑶4Φ25,4Φ25 表示上部钢筋为4Φ25, 下部钢筋为4Φ25。
⑷3Φ25,5Φ25 表示上部钢筋为3Φ25, 下部钢筋为5Φ25。
二、梁上部钢筋表示方法:(标在梁上支座处)⑴2Φ20 表示两根Φ20的钢筋,通长布置,用于双肢箍。
⑵2Φ22+(4Φ12)表示2Φ22 为通长,4φ12架立筋,用于六肢箍。
⑶6Φ25 4/2 表示上部钢筋上排为4Φ25,下排为2Φ25。
⑷2Φ22+ 2Φ22 表示只有一排钢筋,两根在角部,两根在中部,均匀布置。
三、梁腰中钢筋表示方法:⑴G2φ12 表示梁两侧的构造钢筋,每侧一根φ12。
⑵G4Φ14 表示梁两侧的构造钢筋,每侧两根Φ14。
⑶N2Φ22 表示梁两侧的抗扭钢筋,每侧一根Φ22。
⑷N4Φ18 表示梁两侧的抗扭钢筋,每侧两根Φ18。
四、梁下部钢筋表示方法:(标在梁的下部)⑴4Φ25 表示只有一排主筋,4Φ25 全部伸入支座内。
⑵6Φ25 2/4 表示有两排钢筋,上排筋为2Φ25,下排筋4Φ25。
⑶6Φ25 (-2 )/4 表示有两排钢筋,上排筋为2Φ25,不伸入支座,下排筋4Φ25,全部伸入支座。
⑷2Φ25 + 3Φ22(-3)/ 5Φ25 表示有两排筋,上排筋为5根。
2Φ25伸入支座,3Φ22,不伸入支座。
下排筋5Φ25,通长布置。
五、标注示例:KL7(3)300×700 Y500×250φ10@100/200(2) 2Φ25N4Φ18(-0.100)4Φ25 6Φ25 4/2 6Φ25 4/2 6Φ25 4/2 4Φ25□———————————□———————□———————————□4Φ25 2Φ25 4Φ25300×700N4φ10KL7(3) 300×700 表示框架梁7,有三跨,断面宽300,高700。
Y500×250 表示梁下加腋,宽500,高250。
N4Φ18 表示梁腰中抗扭钢筋。
φ10@100/200(2) 2Φ25 表示箍筋和架立筋。
-0.100 表示梁上皮标高。
钢筋混凝土粘结锚固能力可以由四种途径得到:①钢筋与混凝土接触面上化学吸附作用力,也称胶结力。
②混凝土收缩,将钢筋紧紧握固而产生摩擦力。
③钢筋表面凹凸不平与混凝土之间产生的机械咬合作用,也称咬合力。
④钢筋端部加弯钩、弯折或在锚固区焊短钢筋、焊角钢来提供锚固能力。
为了保护钢筋、防腐蚀、防火以及加强钢筋与混凝土的粘结力,在构件中的钢筋外面要留有保护层(图3.3.3)。
根据钢筋混凝土结构设计规范规定,梁、柱的保护层最小厚度为25mm,板和墙的保护层厚度为10~15mm。
正筋就是正弯矩筋,简单的说,就是对于受弯构件来说,如梁板等,下部受拉的部位的钢筋,对于连续梁板,一般就在跨中, 同理,负筋一般在支座处(上部受拉)通长钢筋就是指在所标的区段内通长设置,直径可以不相同,可以采用搭接连接形式,保证梁各个部位的这个部分钢筋都能发挥其抗拉强度,而且两端应按受拉锚固的钢筋贯通筋是指贯穿于构件(如梁)整个长度的钢筋,中间既不弯起也不中断,当钢筋过长时可以搭接或焊接,但不改变直径。
贯通筋既可以是受力钢筋,也可以是架力钢筋。
支座有负筋,是相对而言的,一般应该是指梁的支座部位用以抵消负弯矩的钢筋,俗称担担筋。
一般结构构件受力弯矩分正弯矩和负弯矩,抵抗负弯矩所配备的钢筋称为负筋,一般指板、梁的上部钢筋,有些上部配置的构造钢筋习惯上也称为负筋。
当梁、板的上部钢筋通长时,大家也习惯地称之为上部钢筋。
至于端支座负筋,中间支座负筋就是两端的和中间的盖筋又名盖铁、扣筋,通常设置在板的支座(端支座,中间支座),位置在板的上皮,其作用是抵抗板的负弯矩,也可以叫板负筋现在板中差不多都有两层,下层筋都是通长的,应该叫主筋,而板负筋是架起来的,板负筋根据设计的不同也不一样,有板上全放的,也有不全放的,不全放的设计一般是长度有梁短跨的1/4吊筋是将作用于混凝土梁式构件底部的集中力传递至顶部,是提高梁承受集中荷载抗剪能力的一种钢筋,形状如元宝,又称为元宝筋。
主要作用是:由于梁的某部受到大的集中荷载作用,可能会使梁上引起斜裂缝,特别是力作用在受拉区内,为了使梁体不产生局部严重破坏,同时使梁体的材料发挥各自的作用而设置的,主要布置在剪力有大幅突变部位,防止该部位产生过大的裂缝,引起结构的破坏,就必须配吊筋了,还要加配附加箍筋。
“腹筋”作用:梁的抗扭它在设计上属构造配筋,即力学上不用设计计算具体力的大小,按国家设计规范的构造要求查得此数据。
当梁高大到一定要求时,就得加设腰筋,按多少、加多大规格按构造要求规范查得。
1、什么是负弯矩:在弯矩图上(如果你学过结构力学你可以跳过这一部分),向上弯起的弯矩是正弯矩,反之,向下弯起的弯矩就是负弯矩;打个比方,你用手拗一只筷子,向下拗的时候,是筷子下部先断;这是正弯矩,向上拗的时候,是是筷子上部先断,这是负弯矩;明白了正负弯的区别,你就可以往下看了;2、为抵抗负弯矩而设置的钢筋就叫负弯矩筋,在工地上常常简称为“负筋”,一般来说,常碰到的负弯矩筋有两种,一种是楼板与梁交接的地方,也就是楼板“生根”的地方,在这个地方,在楼板受力的影响下,应该是梁面受力,对楼板来说,这就是负弯矩筋,一般长度为跨过梁面1米左右;另一种就是梁的支座处,因为梁支端两端受向下的弯矩,在梁支座处,存在负弯矩,这是一个关键部位,常按锚固要求放一定的负筋3、依据GB50010-2002,在温度,收缩应力较大的现浇板区域内,钢筋间距宜取为150~200MM,并应在板的未配筋表面布置温度收缩钢筋. 温度收缩钢筋可利用原有钢筋贯通布置,也可另行设置构造钢筋网,并与原有钢筋按受拉钢筋的要求搭接或在周边构件中锚固钢筋算量基本方法第一章梁第一节框架梁一、首跨钢筋的计算1、上部贯通筋上部贯通筋(上通长筋1)长度=通跨净跨长+首尾端支座锚固值2、端支座负筋端支座负筋长度:第一排为Ln/3+端支座锚固值;第二排为Ln/4+端支座锚固值3、下部钢筋下部钢筋长度=净跨长+左右支座锚固值注意:下部钢筋不论分排与否,计算的结果都是一样的,所以我们在标注梁的下部纵筋时可以不输入分排信息。
以上三类钢筋中均涉及到支座锚固问题,那么,在软件中是如何实现03G101-1中关于支座锚固的判断呢?现在我们来总结一下以上三类钢筋的支座锚固判断问题:支座宽≥Lae且≥0.5Hc+5d,为直锚,取Max{Lae,0.5Hc+5d }。
钢筋的端支座锚固值=支座宽≤Lae或≤0.5Hc+5d,为弯锚,取Max{Lae,支座宽度-保护层+15d }。
钢筋的中间支座锚固值=Max{Lae,0.5Hc+5d }4、腰筋构造钢筋:构造钢筋长度=净跨长+2×15d抗扭钢筋:算法同贯通钢筋5、拉筋拉筋长度=(梁宽-2×保护层)+2×11.9d(抗震弯钩值)+2d拉筋根数:如果我们没有在平法输入中给定拉筋的布筋间距,那么拉筋的根数=(箍筋根数/2)×(构造筋根数/2);如果给定了拉筋的布筋间距,那么拉筋的根数=布筋长度/布筋间距。